KEMBAR78
12 JS Options | PDF | Manufactured Goods | Mechanical Engineering
0% found this document useful (0 votes)
389 views10 pages

12 JS Options

Uploaded by

xiaojun li
Copyright
© © All Rights Reserved
We take content rights seriously. If you suspect this is your content, claim it here.
Available Formats
Download as PDF, TXT or read online on Scribd
0% found this document useful (0 votes)
389 views10 pages

12 JS Options

Uploaded by

xiaojun li
Copyright
© © All Rights Reserved
We take content rights seriously. If you suspect this is your content, claim it here.
Available Formats
Download as PDF, TXT or read online on Scribd
You are on page 1/ 10

Contents

Section 12.

JS OPTIONS EXPLAINED

1. Hydraulic Circuit Information.

- XO Tracked Hydraulic Circuit Controls.

2. JS Auto Hydraulic Circuit Controls.

3. XO Wheeled Hydraulic Circuit Controls.

- JZ70 Hydraulic Circuit Controls.

4. Joystick Auxiliary Controls.

5. Hammer Flow and Pressure capacity.

- JS 130.

- JS 160/180.

6. Hammer Speed Settings.

- JS 240/260.

- JS 330.

7. Hammer Speed Settings.

- JS 200/210/220 Auto.

- JS 130W/145W.

8. Hammer Speed Settings.

- JS 160W/175W.

- JS 200W.

9. JS Wheeled Excavator Tyre Option.


JS Options Explained

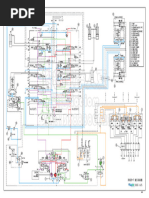
JS HYDRAULIC CIRCUIT INFORMATION

Below is a list of the 7 primary hydraulic pipework options for the Excavator end.
They are split into two types; High flow and low flow.
Only one high flow and one low flow are possible per machine.
All high flow services are operated via the foot pedal on tracked machines.
All low flow services are operated via a push button on the hand control.
To change from hammer to auxiliary a manual change over valve must be repositioned. This diverts the return line oil back into the valve
block and allows it to operate a double acting system.

High Flow Low Flow


Hammer Low flow (20 lpm)
Single acting. Double acting.
Oil flows in one direction only. Oil flow can flow in both directions.
High flow and high pressure. Oil stops immediately and holds in the desired position.
Application: Hammer/Breaker only. Application: Tilting Bucket.

Auxiliary Low Flow ( 27 - 45 lpm)


Double acting. Double acting.
Oil flow can flow in both directions. Oil flow can flow in both directions.
High flow and high pressure. Oil runs on slightly when stopped in order to protect motor.

07/03 EXCOPT
Hammer cannot be used with this option. Application: Weed cutter bucket.
Application: Sorting Grab.

Hammer/Auxiliary combined
Single acting or double acting.
Oil flow can flow in both directions.
High flow and high pressure.
Application: Hammer or a Grab.

Hammer/Auxiliary Merged
Single acting or double acting.
Oil flow can flow in both directions.
Very high flow and high pressure.
Application: Demolition Cutter/Crusher.

Bucket to Grab
Uses bucket service to operate attachment.
Bucket ram and linkage cannot be used as well.
Operation: Bucket service on hand control.
Application: Clam shell bucket.

This communication and the information within is intended for JCB and JCB dealer personnel only,
for information purposes, is confidential and may not be communicated to any third party.
Whilst the information is believed to be correct, no guarantee is given by JCB as to its accuracy and its use may not be attributed to JCB.
1
JS Options Explained

JS AUTO HYDRAULIC CIRCUIT CONTROLS

Location of Controls and Components.

FEATURE MACHINE

Auto

High flow circuit 1


One touch idle 2
Low flow 3
Offset boom change over None

Dozer None

Stabilizers None

Track speed control 4


Quick hitch 5
Hammer/aux. change over 6
Horn 7
Boom/slew priority 8
TAB position ram 9
Auto idle 10
Power boost Auto EXCOPT0001
07/03 EXCOPT

These features maybe fitted as option fit only.

XO TRACKED HYDRAULIC CIRCUIT CONTROLS

Location of Controls and Components.

FEATURE MACHINE

XO tracked

High flow circuit 1


One touch idle 2
Low flow 3
Offset boom change over None

Dozer None

Stabilizers None

Track speed control 4


Quick hitch 5
Hammer/aux. change over 6
Horn 7
Boom/slew priority 8
TAB position ram 9
Auto idle 10
Power boost 11 EXCOPT0002
These features maybe fitted as option fit only.

This communication and the information within is intended for JCB and JCB dealer personnel only,
2 for information purposes, is confidential and may not be communicated to any third party.
Whilst the information is believed to be correct, no guarantee is given by JCB as to its accuracy and its use may not be attributed to JCB.
JS Options Explained

XO WHEELED HYDRAULIC CIRCUIT CONTROLS

Location of Controls and Components.

FEATURE MACHINE

XO wheeled

High flow circuit 1


1
10
One touch idle 2
2 1
6
Low flow 3
3 5

3 11
Offset boom change over None 13

13 8 12 2
Dozer change over 13

Stabilizers 4
4

Track speed control 5


5

Quick hitch 6
6

Hammer/aux. change over 7


7 4 7

Horn 8
8 9

Boom/slew priority 9
9

TAB position ram 10


10
A335431
Auto idle 11
11

Power boost 12
12 EXCOPT0003

07/03 EXCOPT
These features maybe fitted as option fit only.

JZ70 HYDRAULIC CIRCUIT CONTROLS

Location of Controls and Components.

FEATURE MACHINE

JZ70 3

High flow circuit 1


One touch idle 4
6
Low flow 55 (two way switch)
Offset boom change over 2 1 5

4
Dozer 3 2 9

Stabilizers None

Track speed control 6


Quick hitch 7
Hammer/aux. change over 8 7

Horn 9
9 8

Boom/slew priority None

TAB position ram None


A335535
Auto idle None

Power boost None EXCOPT0004


These features maybe fitted as option fit only.

This communication and the information within is intended for JCB and JCB dealer personnel only,
for information purposes, is confidential and may not be communicated to any third party.
Whilst the information is believed to be correct, no guarantee is given by JCB as to its accuracy and its use may not be attributed to JCB.
3
JS Options Explained

JOYSTICK AUXILIARY CONTROLS

The joysticks fitted to all JS products have two, one way and a single two way switch each. Any switch not used for the control of the
machine is available for use on local conversions.

EXCOPT0005 EXCOPT0006

The following section shows the functions of the in cab controls affecting major machine controls. For more detail please see the relevant
operator manuals.
07/03 EXCOPT

This communication and the information within is intended for JCB and JCB dealer personnel only,
4 for information purposes, is confidential and may not be communicated to any third party.
Whilst the information is believed to be correct, no guarantee is given by JCB as to its accuracy and its use may not be attributed to JCB.
JS Options Explained

HAMMER FLOW AND PRESSURE CAPACITY

The following chart, taken from the operator handbook shows the engine rpm required to achieve specific flow and pressure settings for hammers.

By setting the engine rpm on the AMS monitor and adjusting the auxiliary circuit relief valve, the desired flow and pressure for a certain
hammer can be achieved.

Note the JZ70 does not work in this way but instead has a preset flow of 80 ltrs/min from the hammer circuit.

For more detailed information refer to the relevant service manual.

Hammer speed settings

JS 130

150 1495 1660 1835 2055 - -


1390 1545 1730 1950 - -
140 1485 1650 1825 2045 2205 -
WORKING 1380 1540 1725 1945 2110 -
PRESSURE 130 1465 1625 1810 2030 2190 -
BAR 1370 1530 1715 1935 2100 -

07/03 EXCOPT
120 1445 1605 1790 2010 2170 -
1355 1515 1700 1920 2080 -
110 1430 1595 1775 1990 2150 2250
1340 1500 1685 1905 2065 2115
70 80 90 100 110 115

REQUIRED FLOW (LPM)

JS 160/180

150 1590 1765 1985 2140 2320 -


1480 1660 1875 2045 2210 -
140 1575 1750 1970 2130 2310 -
WORKING 1470 1655 1870 2035 2215 -
PRESSURE 130 1560 1735 1955 2115 2295 -
BAR 1460 1645 1860 2025 2205 -
120 1540 1720 1940 2100 2280 -
1445 1630 1850 2020 2195 -
110 1525 1700 1920 2080 2265 2360
1430 1615 1840 2005 2170 2265
80 90 100 110 120 125

REQUIRED FLOW (LPM)

**** Upper figure = no load pressure


**** Lower figure = loaded engine pressure

This communication and the information within is intended for JCB and JCB dealer personnel only,
for information purposes, is confidential and may not be communicated to any third party.
Whilst the information is believed to be correct, no guarantee is given by JCB as to its accuracy and its use may not be attributed to JCB.
5
JS Options Explained

Hammer speed settings

JS 240/260

220 1360 1415 1435 1500 1620 1720 1830 1950 - - - -


1170 1190 1205 1275 1400 1520 1640 1765 - - - -
200 1275 1385 1415 1425 1535 1645 1750 1850 1965 2075 - -
WORKING 1082 1180 1200 1205 1320 1440 1555 1670 1785 1900 - -
PRESSURE 180 1180 1320 1375 1410 1450 1560 1670 1770 1870 1990 - -
BAR 985 1140 1185 1210 1265 1370 1480 1585 1695 1815 - -
160 1040 1230 1310 1380 1445 1530 1640 1730 1825 2005 2005 -
880 1045 1160 1200 1250 1335 1450 1550 1645 1840 1840 -
140 1130 1145 1250 1340 1395 1495 1605 1700 1790 1880 1975 2075
870 990 1110 1195 1240 1340 1445 1545 1640 1740 1830 1935
120 980 1085 1185 1295 1360 1460 1550 1660 1750 1850 1935 2040
840 955 1060 1175 1230 1330 1425 1525 1625 1725 1815 1920
100 935 1030 1120 1235 1310 1420 1525 1620 1710 1810 1920 2010
820 920 1030 1130 1220 1320 1425 1520 1610 1720 1815 1905
80 910 1010 1100 1195 1285 1370 1475 1590 1680 1785 1885 1970
825 920 1025 1125 1215 1300 1405 1510 1605 1710 1800 1890
07/03 EXCOPT

80 90 100 110 120 130 140 150 160 170 180 190

REQUIRED FLOW (LPM)

JS 330

150 1320 1465 1620 1795 1985 -


1240 1385 1535 1705 1890 -
140 1300 1445 1600 1775 1965 2180
WORKING 1220 1365 1515 1685 1870 2075
PRESSURE 130 1280 1425 1580 1755 1945 2160
BAR 1200 1345 1495 1665 1850 2065
120 1260 1405 1560 1735 1925 2140
1180 1325 1475 1645 1830 2055
110 1240 1385 1540 1715 1905 2120
1160 1305 1455* 1625 1810 2045
150 175 200 225 250 275

REQUIRED FLOW (LPM)

**** Upper figure = no load pressure


**** Lower figure = loaded engine pressure

This communication and the information within is intended for JCB and JCB dealer personnel only,
6 for information purposes, is confidential and may not be communicated to any third party.
Whilst the information is believed to be correct, no guarantee is given by JCB as to its accuracy and its use may not be attributed to JCB.
JS Options Explained

Hammer speed settings

JS 200/210/220 AUTO

220 1345 1380 1505 1635 1765 1905 2065 - - - - -


1210 1255 1385 1525 1660 1805 1985 - - - - -
200 1320 1340 1410 1535 1650 1780 1925 2040 - - - -
WORKING 1200 1210 1290 1415 1545 1680 1830 1960 - - - -
PRESSURE 180 1290 1330 1335 1455 1555 1690 1805 1930 2055 - - -
BAR 1185 1200 1220 1345 1450 1595 1710 1845 1925 - - -
160 1255 1300 1320 1390 1490 1595 1725 1835 1965 2095 - -
1165 1190 1205 1280 1390 1505 1635 1750 1880 2015 - -
140 1135 1255 1305 1340 1440 1540 1650 1765 1880 1985 2095 -
1020 1155 1200 1235 1340 1445 1560 1680 1800 1905 2025 -
120 1075 1190 1290 1300 1400 1490 1590 1690 1800 1905 2015 -
970 1090 1180 1200 1305 1405 1510 1610 1720 1830 1950 -
100 1015 1135 1250 1295 1370 1470 1560 1670 1775 1870 1965 2055
915 1040 1160 1200 1285 1390 1480 1595 1705 1800 1900 2000
80 955 1070 1195 1280 1365 1460 1560 1660 1765 1860 1955 2040
860 975 1100 1200 1280 1385 1490 1595 1700 1800 1900 1990

07/03 EXCOPT
80 90 100 110 120 130 140 150 160 170 180 190

REQUIRED FLOW (LPM)

JS 130W/145W

150 1495 1660 1835 2055 - -


1390 1545 1730 1950 - -
140 1485 1650 1825 2045 2205 -
WORKING 1380 1540 1725 1945 2110 -
PRESSURE 130 1465 1625 1810 2030 2190 -
BAR 1370 1530 1715 1935 2100 -
120 1445 1605 1790 2010 2170 -
1355 1515 1700 1920 2080 -
110 1430 1595 1775 1990 2150 2250
1340 1500 1685 1905 2065 2115
70 80 90 100 110 115

REQUIRED FLOW (LPM)

**** Upper figure = no load pressure


**** Lower figure = loaded engine pressure

This communication and the information within is intended for JCB and JCB dealer personnel only,
for information purposes, is confidential and may not be communicated to any third party.
Whilst the information is believed to be correct, no guarantee is given by JCB as to its accuracy and its use may not be attributed to JCB.
7
JS Options Explained

Hammer speed settings

JS 160W/175W

150 1590 1765 1985 2140 2320 -


1480 1660 1875 2045 2210 -
140 1575 1750 1970 2130 2310 -
WORKING 1470 1655 1870 2035 2215 -
PRESSURE 130 1560 1735 1955 2115 2295 -
BAR 1460 1645 1860 2025 2205 -
120 1540 1720 1940 2100 2280 -
1445 1630 1850 2020 2195 -
110 1525 1700 1920 2080 2265 2360
1430 1615 1840 2005 2170 2265
80 90 100 110 120 125

REQUIRED FLOW (LPM)

JS 200W

220 1345 1380 1505 1635 1765 1905 2065 - - - - -


07/03 EXCOPT

1210 1255 1385 1525 1660 1805 1985 - - - - -


200 1320 1340 1410 1535 1650 1780 1925 2040 - - - -
WORKING 1200 1210 1290 1415 1545 1680 1830 1960 - - - -
PRESSURE 180 1290 1330 1335 1455 1555 1690 1805 1930 2055 - - -
BAR 1185 1200 1220 1345 1450 1595 1710 1845 1925 - - -
160 1255 1300 1320 1390 1490 1595 1725 1835 1965 2095 - -
1165 1190 1205 1280 1390 1505 1635 1750 1880 2015 - -
140 1135 1255 1305 1340 1440 1540 1650 1765 1880 1985 2095 -
1020 1155 1200 1235 1340 1445 1560 1680 1800 1905 2025 -
120 1075 1190 1290 1300 1400 1490 1590 1690 1800 1905 2015 -
970 1090 1180 1200 1305 1405 1510 1610 1720 1830 1950 -
100 1015 1135 1250 1295 1370 1470 1560 1670 1775 1870 1965 2055
915 1040 1160 1200 1285 1390 1480 1595 1705 1800 1900 2000
80 955 1070 1195 1280 1365 1460 1560 1660 1765 1860 1955 2040
860 975 1100 1200 1280 1385 1490 1595 1700 1800 1900 1990
80 90 100 110 120 130 140 150 160 170 180 190

REQUIRED FLOW (LPM)

**** Upper figure = no load pressure


**** Lower figure = loaded engine pressure

This communication and the information within is intended for JCB and JCB dealer personnel only,
8 for information purposes, is confidential and may not be communicated to any third party.
Whilst the information is believed to be correct, no guarantee is given by JCB as to its accuracy and its use may not be attributed to JCB.
JS Options Explained

JS WHEELED EXCAVATOR TYRE OPTION

MACHINE TWINS (DUALS) - SUPER SINGLES FLOTATION


WITH SPACER RING*
JS130W BRIDGESTONE 10 x 20 (14 PR) MICHELIN 18R x 19.5 (RADIALS) ALLIANCE 600/40 - 22.5 (18 PR)
JS145W BRIDGESTONE 10 x 20 (14 PR) MICHELIN 18R x 19.5 (RADIALS) ALLIANCE 600/40 - 22.5 (18 PR)
JS160W BRIDGESTONE 10 x 20 (14 PR) MICHELIN 18R x 19.5 (RADIALS) ALLIANCE 600/40 - 22.5 (18 PR)
JS175W BRIDGESTONE 10 x 20 (14 PR) MICHELIN 18R x 19.5 (RADIALS) ALLIANCE 600/40 - 22.5 (18 PR)
JS200W BRIDGESTONE 11.00 x 20 (16 PR) MICHELIN 18R x 22.5 (RADIALS)** ALLIANCE 600/40 - 22.5 (18 PR)

07/03 EXCOPT
NOTES

* Solid Tyres are available for waste handling applications - please discuss with the Heavyline Product Support Department at Rocester to
discuss your Sales Special requirements.

** Not the when fitted with 4 stabilisers - use 18 x 19.5.

This communication and the information within is intended for JCB and JCB dealer personnel only,
for information purposes, is confidential and may not be communicated to any third party.
Whilst the information is believed to be correct, no guarantee is given by JCB as to its accuracy and its use may not be attributed to JCB.
9

You might also like