KEMBAR78
LCM 2 | PDF | Headlamp | Power Supply
100% found this document useful (1 vote)
140 views13 pages

LCM 2

Uploaded by

akhinmg647
Copyright
© © All Rights Reserved
We take content rights seriously. If you suspect this is your content, claim it here.
Available Formats
Download as PDF, TXT or read online on Scribd
100% found this document useful (1 vote)
140 views13 pages

LCM 2

Uploaded by

akhinmg647
Copyright
© © All Rights Reserved
We take content rights seriously. If you suspect this is your content, claim it here.
Available Formats
Download as PDF, TXT or read online on Scribd
You are on page 1/ 13

sb24913_syst Page 1 of 13

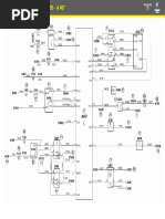
Control unit outer lighting (LCM)

System overview
The external lighting control unit controls all lighting functions apart from the interior lighting in the cab and any
optional extras fitted to the vehicle. In addition, it controls the intermittent windscreen wiper function and the
windscreen wiper function when the windscreen washer is used. The system communicates with other systems
via both the SAE J1708 information link and the SAE J1939 communication link. For further descriptions refer to
Functions.

1. Switch, main/dip beam and direction indicators sends a signal to the control unit.
2. The windscreen wiper switch sends input signals to control intermittent wiping and windscreen wiping
during windscreen washing.
3. The brake lamp switch sends a signal to the control unit.
4. The control unit grounds the intermittent relay to activate the windscreen wipers during intermittent wiping
and windscreen wiping during windscreen washing.

http://127.0.0.1:8800/impact3/application/staticdb/lang/enGB/sb24913_syst.xhtm 7/23/2007
sb24913_syst Page 2 of 13

Note: The fixed windscreen wiper speeds are not controlled by the control unit.

5. The control unit supplies power to the tractor lighting.


6. The control unit supplies power to the trailer lighting when a trailer is connected.
7. The lighting switch provides input signals that control the most important functions of the external lighting
system. (Refer to "Switch, lighting." )
8. The alarm or central locking system sends input signals to the control unit.
9. The reverse position of the gearlever sends input signals to the control unit.

Functions

External lighting
Headlights, front
The headlights are lit by turning the starter key to drive position and the lighting switch to driving lights position.
When the headlights are lit, they always start in the dip beam position.

Main beam is selected with the main/dip beam switch. In position 1, an input to the LCM control unit is grounded
and main beam is activated as long as the switch is in position 1. If the switch is moved all the way to position 2,
another input to the LCM control unit is grounded and main beam is activated until the switch is moved to position
2 again.

When main beam is on, a message is transmitted over the SAE J1939 CAN to the instrument which lights the
main beam indication (repeater) lamp. If the lighting switch is in position Driving lights lights the long range
spotlights when full beam is on, see Driving (spot) lights (variants DRIVL2 / DRIVL2EC only).

Daytime running lights


Daytime running lights means that the vehicle's dip beam and parking lamps are lit automatically when the engine
is started, even if the lighting switch is in position 0.

If the automatic daytime running light function is activated it can be switched off via the display in the instrument.

Variant Function with light switch in position 0.


LOWB-STD No automatic daytime running light function.

LOWB- When engine speed exceeds 100 rpm the dip beam is lit even when the light switch is in position

http://127.0.0.1:8800/impact3/application/staticdb/lang/enGB/sb24913_syst.xhtm 7/23/2007
sb24913_syst Page 3 of 13

DAY 0.

Fog lights

Front foglights (variants FOGL-WC / FOGL-WB only)


Fog lights are activated and deactivated via the light switch, see Light switch.

The front foglights can only be activated when the lighting switch is in position Parking lights, Headlights or
Driving lights and the starter key is in the driving position

The function can be shut off using VCADS Pro.

Rear fog lamp


The rear fog lamp are activated via the light switch, see Light switch. A lamp on the instrument panel is lit via a
message on the SAE J1939 communication link as long as the rear fog lamp is on.

The rear foglights can be activated when the lighting switch is in position Parking lights, Headlights or Driving
lights. In position Parking lights, the rear foglights are only activated if the front foglamps are activated.

Driving (spot) lights (variants DRIVL2 / DRIVL2EC only)


The driving lights are lit via the switch for main/dip beam, and can only be lit if the starter key is in the driving
position and the lighting switch is in position Driving lights.

There are various variants of the way in which driving (spot) lights can be activated together with other lamps.
This can be modified using VCADS Pro.

Variant Function with light switch in the Driving lights position


Standard position:
DRIVL2
Driving lights, main beam and dip beam lit.

EEC requirement:
DRIVL2EC
Driving lights and dipped beam lit.

Parking lights and tail lights


When the lighting switch is in position Parking lights, only the parking lights are lit. When the parking lights are
switched on, so is the instrument panel lighting.

Note: The parking lights work even when the starter key is on the stop position or out of the lock.

Brake lights
The external lighting control unit receives brake light information from 1-3 pressure switches. These brake light
switches ground the control unit inputs when the brakes are pressurised. The brake light switches are also
connected to the vehicle control unit so that the vehicle control unit can read the braking status.

Note: On later EBS vehicles, the brake signal is sent via the link from the footbrake valve to the LCM control unit.

http://127.0.0.1:8800/impact3/application/staticdb/lang/enGB/sb24913_syst.xhtm 7/23/2007
sb24913_syst Page 4 of 13

On vehicles fitted with EBS, the control unit activates the brake lights if deceleration exceeds a certain limit even if
the footbrake is not used, i.e. when using the retarder or engine brake. Information used to calculate deceleration
etc is transmitted via the SAE J1939 CAN.

The external lighting control unit has three brake light outputs:

z Tractor, left rear


z Tractor, right rear
z Trailer

Direction indicators and hazard warning flashers


The direction indicators are controlled by the LCM control unit, via impulses from the stalk switch for direction
indication. When the direction indicators are active, a message is sent to the instrument via the SAE J1939
control link, which lights the repeater lamps for the direction indicators and activates a sound signal.

If the control unit receives a signal that indicates that the direction indicator lights have been activated for more
than 120 seconds when vehicle speed is above 50 km/h, the driver is warned by a symbol in the instrument
display. After 150 seconds the direction indictor lights are automatically switched off. To activate the direction
indictor lights again the stalk must be moved to its rest position first.

If there is an electrical fault in the direction indictor light circuit, the driver is warned by a fault code and by the
repeater light in the instrument flashing at double speed.

Hazard warning flashers


The hazard warning flashers are activated by a separate button on the lighting switch. The control unit lights the
hazard warning flashers, controls the lamp in the button and sends information to the instrument. When the
ignition key is in the off position the audible signal in the instrument is controlled via a separate cable between the
control unit and instrument.

Alarm function
The hazard warning flashers can also be used by the alarm if such is fitted. In such a case, it is the alarm that
controls the sequencing of the hazard warning flasher activation, via a separate connection to the control unit.

When connecting an external alarm, output LC2_6 is used. In certain cases a relay must be connected to reverse
the polarity of the signal to ground. Direct connection to the control unit's output signals can damage the control
unit and is not allowed.

Note: Output LC2_6 cannot be used if the vehicle is fitted with central locking. In such a case, connection is made
to the central locking control unit.

Reversing lights
The external lighting control unit receives a signal from the gearbox when the driver puts the vehicle into reverse.

Manual gearboxes have a mechanical contact directly connected to the control unit.

Automatic gearboxes transmit the information via a terminal on the gear selector assembly that is directly
connected to the external lighting control unit.

It is possible to connect a separate switch to the control unit so that the reversing light can be used as work
lighting.

http://127.0.0.1:8800/impact3/application/staticdb/lang/enGB/sb24913_syst.xhtm 7/23/2007
sb24913_syst Page 5 of 13

Note: If the vehicle is fitted with a reversing warning unit a fault code is not stored when a bulb is defective as the
reversing warning unit is connected to the same terminal on the control unit.

Other functions
Lighting, instrument and dashboard
The control unit for external lighting controls the rheostat function for the background lighting, which is active
when the lighting switch is in positions Parking lights, Headlights or Driving lights. The input signal that controls
the background lighting comes from the lighting switch.

The control unit for external lighting supplies background lighting to certain components (PWM signal), e.g.
switches. In addition, a message about the brightness is sent via the SAE J1708 and SAE J1939 links, e.g. to the
tachograph.

Use only original Volvo switches, which can accept PWM signals.

Windscreen wipers
The external lighting control unit controls the windscreen wiper intermittent function and the wiping combined with
windscreen washer function. When the windscreen wiper switch is in the intermittent or washer positions, the
control unit activates the intermittent wiper relay which supplies power to the wiper motor.

When the windscreen wipers reach a certain position, a contact is closed in the motor (self parking) that supplies
power to the motor until the wipers reach their rest position again. The control unit checks whether the motor is
active by detecting when self-parking is supplied with power. This is used to detect frozen wipers during
windscreen washing and intermittent operation and also to control activation of the wiper motor via the intermittent
relay.

Note: The fixed windscreen wiper speeds are not controlled by the control unit.

Intermittent wipers
When the intermittent wiper function is activated the intermittent wiper relay is grounded by the control unit.
Activation of the relay is short and ceases approx 0.5 seconds after a voltage has been detected on the input for
self parking. Activation is repeated with every sweep of the wipers.

If a voltage is not detected on the input for self parking within one second, the control unit interprets that the
wipers are frozen. The control unit deactivates the relay and the intermittent wiper function is switched off until the
driver selects the function again using the stalk switch.

The wiper interval period is checked by the external lighting control unit. The wiper interval period is calculated
from when the wipers have returned to their rest position until they are activated again. The wiper interval period
is 10 seconds but can be shortened by following the following procedure:

1. Set the windscreen wiper switch to the intermittent position.


2. Set the windscreen wiper switch to the neutral position.
3. At the required wiper interval period (max 10 seconds), set the windscreen wiper switch to the intermittent
wiper position. The time that the windscreen wiper switch was in neutral determines the wiper interval
period.

Windscreen wiping during windscreen washing


When the washer function is activated the intermittent wiper relay is grounded by the control unit. When the

http://127.0.0.1:8800/impact3/application/staticdb/lang/enGB/sb24913_syst.xhtm 7/23/2007
sb24913_syst Page 6 of 13

washer function is deactivated the control unit continues to supply the intermittent wiper relay with power for a
period corresponding to three sweeps of the wipers. The number of wipes is decided by checking the voltage on
the input to self parking. The washer function has a higher priority than the intermittent wiper function.

If a voltage is not detected on the input for self parking within one second, the control unit interprets that the
wipers are frozen. The control unit deactivates the relay and the intermittent wiper function is switched off until the
driver selects the function again using the stalk switch.

Trailer detection
The control unit checks if a trailer is coupled or uncoupled and sends this information to other systems on the
SAE J1939 control link.

The following systems/control units required information if a trailer is coupled

z ESP (electronic stability program)


z Gearbox control unit
z Brake ECU
z Retarder ECU
z Load indicator

The method used by the LCM control unit to determine if a trailer is coupled, is to feed out a 40 ms voltage pulse
and measure if current consumption on at least two of the following outputs is greater than 500 mA

1. Parking lights, trailer, left


2. Parking light, trailer, right
3. Direction indicator, left, trailer.
4. Direction indicator, right, trailer.
5. Brake lights, trailer.

Trailer detection is performed in special circumstances and differs between the following conditions.

A trailer is coupled and the control unit is to determine if the trailer has been uncoupled.

1. Each time the vehicle is started. (Key turning).


2. Each time the parking brake is released.
3. Each time one of the 5 previously mentioned lighting functions is activated.

A trailer is not coupled and the control unit is to determine if a trailer has been coupled.

1. Each time one of the 5 previously mentioned lighting functions is activated.


2. Each time the vehicle is started. (Key turning).
3. When the vehicle speed is less than 5 km/h, the control unit sends a voltage pulse every 2 seconds.

If current consumption is less than 500 mA, which can be the case if LEDs are used on the trailer, then no trailer
is detected, which results in all trailer lights flashing every 2 seconds.

Note: Activation of trailer detection can result in the vehicle not fulfilling certain legal requirements.

Trailer detection (only variant TD-LED)

http://127.0.0.1:8800/impact3/application/staticdb/lang/enGB/sb24913_syst.xhtm 7/23/2007
sb24913_syst Page 7 of 13

There is a current sender in the instrument cable on vehicles with TD-LED. The cables for the trailer lighting pass
via a current measurement sensor. The sensor can measure lower current than LCM, which enables detection on
trailers with LED lighting.

Plough lamps
The control unit can control snow plough light activation. There is a switch connected to the control unit which in
turn controls a relay that switches between the snow plough lights and the ordinary headlights on the vehicle. In
one position only the lights on the plough are lit, the vehicle's normal headlights are then extinguished. In the
other position only the ordinary headlights on the vehicle are lit. The snow plough lights are supplied with power
from the same output on the control unit as the ordinary headlights on the vehicle.

Components

Control Unit
Voltage feed, LCM (earlier version)
The control unit has 7 power supply inputs, which are supplied from 7 different fuses (25 A and 5 A). These fuses
are located beneath the instrument panel. One of the power supplies (power supply 7 in the table below) is only a
control signal that informs the control unit when the ignition key is in the drive position. The above-mentioned
fuses are supplied from a common 125 A fuse that is located in the battery box. If this fuse blows, all lighting will
stop working.

http://127.0.0.1:8800/impact3/application/staticdb/lang/enGB/sb24913_syst.xhtm 7/23/2007
sb24913_syst Page 8 of 13

The control unit outputs have short-circuit protection and therefore work as automatic fuses.

Power Fuse Lighting


supply
Power supply Fuse no. 2 – 25 A (FKS) Front fog lights, trailer right-hand direction indicators, left
1 full beam headlights, right-hand parking lights

Power supply Fuse no. 3 – 25 A (FKS) Trailer tail lights, left dipped beam headlights, trailer left-
2 hand direction indicators, spotlights

Power supply Fuse no. 4 – 25 A (FKS) Right-hand trailer parking lights, left rear direction
3 indicators, instrument panel lighting, right full beam
headlights, snow plough lighting relay, sound indication
warning lamp, hazard warning lights indication lamp

Power supply Fuse no. 1 – 25 A (FKS) Right-hand brake lights, trailer left-hand parking lights,
4 right dipped beam headlights, rear fog lights

Power supply Fuse no. 5 – 25 A (FKS) Trailer brake lights, right rear side marking lights, left rear
5 side marking lights, right rear direction indicators, left
brake lights

Power supply Fuse no. 6 – 25 A (FKS) Reversing lights, left-hand parking lights, right front
6 direction indicators, left front direction indicators

Power supply Fuse no. 7 – 5 A, starter key Only to activate the control unit
7 in drive position

Voltage feed, LCM (newer version)


The control unit has 7 power supply inputs, which are supplied from 7 different fuses (25 A and 5 A). These fuses
are located beneath the instrument panel. One of the power supplies (power supply 7 in the table below) is only a
control signal that informs the control unit when the ignition key is in the drive position. The above-mentioned
fuses are supplied from a common 125 A fuse that is located in the battery box. If this fuse blows, all lighting will
stop working.

The control unit outputs have short-circuit protection and therefore work as automatic fuses.

http://127.0.0.1:8800/impact3/application/staticdb/lang/enGB/sb24913_syst.xhtm 7/23/2007
sb24913_syst Page 9 of 13

Power Fuse Lighting


supply
Power supply Fuse no. 2 – 25 A (FKC) Front fog lights, left full beam headlights, rear fog lights,
1 sound indication warning lamp, direction indicators
indication lamp

Power supply Fuse no. 3 – 25 A (FKC) Trailer brake lights, left rear direction indicators, right full
2 beam headlights

Power supply Fuse no. 4 – 25 A (FKC) Right-hand trailer parking lights, instrument panel
3 lighting, right rear direction indicators, left-hand brake
lights, snow plough lighting relay

Power supply Fuse no. 1 – 25 A (FKC) Trailer right-hand direction indicators, right-hand brake
4 lights, reversing lights, right dipped headlights, right rear
side marking lights, left rear side marking lights

Power supply Fuse no. 5 – 25 A (FKC) Trailer reversing lights, right-hand parking lights, left
5 dipped beam headlights, trailer left-hand direction
indicators, spotlights

Power supply Fuse no. 6 – 25 A (FKC) Trailer left-hand parking lights, left parking lights, left
6 front direction indicators, right front direction indicators

Power supply Fuse no. 7 – 5 A, starter key Only to activate the control unit
7 in drive position

Activation
The external lighting control unit is normally activated by the starter key when it is in the drive position. Certain
lighting functions can also be activated when the starter key is in the off position. Functions are activated by the
control unit monitoring certain inputs when the starter key is in the off position or out of the lock.

During the engine starting sequence, the lighting is extinguished while the starter motor is active, while at the
same time a check is made of the lighting circuits by the control unit.

Lighting is activated as follows:

z Starter key in drive position

http://127.0.0.1:8800/impact3/application/staticdb/lang/enGB/sb24913_syst.xhtm 7/23/2007
sb24913_syst Page 10 of 13

z Lighting switch in position Parking lights


z Hazard warning flasher switch
z Switch, main/dip beam (main beam flash)
z Alarm / Central locking

Substitute lighting in fail-safe mode


If an internal fault occurs that involves the output drive stages or the supply to certain internal circuits in the
control unit, then the fail-safe mode is activated and certain outputs are activated as substitute lighting.

Substitute lighting is divided into two groups.

Group 1 consists of the drive stages that are constantly active in fail-safe mode.

Group 2 consists of the drive stage for the hazard warning flashers. This makes it possible to activate the hazard
warning flashers in fail-safe mode.

This lighting makes it possible to drive the vehicle to a workshop for repairs. If there is a serious control unit fault
no lighting is lit.

Group 1

z Parking lights, trailer, left


z Parking light, trailer, right
z Dip beam, left
z Dip beam, right
z Parking light, tractor, left
z Parking light, tractor, right

Group 2

z Direction indicator, tractor, front left.


z Direction indicator, tractor, front right.
z Direction indicator, tractor, rear left.
z Direction indicator, tractor, rear right.
z Direction indicator, left, trailer.
z Direction indicator, right, trailer.

Light switch
External lighting functions are controlled via the lighting switch. The switch has four positions and three indication
(repeater) lamps (hazard warning flashers are indicated by a flashing symbol in their switch).

When the selected function is activated an input on the external lighting control unit is grounded.

The indication (repeater) lamps are supplied with power by the control unit when the relevant function is active.

Note: Headlight range adjustment is not connected to the external lighting control unit.

1. Lighting switch
Pull out Rear foglamp
Press in Front foglamps
a 0 position lighting off, alternatively automatic daytime running lights

http://127.0.0.1:8800/impact3/application/staticdb/lang/enGB/sb24913_syst.xhtm 7/23/2007
sb24913_syst Page 11 of 13

b Parking lights position

c Headlights position

d Driving lights position


2. Indication (repeater) lamp, front fog light
3. Indication (repeater) for rear fog lamp
4. Rheostat for instrument lighting
5. Rheostat for headlight range adjustment
6. Hazard warning lights switch / Hazard warning light indication (repeater) lamp

The illustration shows the full version of the switch. There are also versions with fewer functions.

Light switch
The switch in the upper section of the lighting switch can be set to four positions. The external lighting control unit
senses which of the four positions the switch is in by reading off two inputs. Combinations of grounding and open-
circuits on these two inputs correspond to these four positions.

Pressing in the lighting switch activates the front foglamps. To switch off the foglamps, press the switch again.
The switch springs back to its initial position when it is released. When the switch is depressed a separate input
on the external lighting control unit is supplied with power.

Pulling out the lighting switch activates the rear foglights. To switch off the rear foglights, pull out the switch
again. The switch springs back to its initial position when it is released. When the switch is pulled out a separate
input on the external lighting control unit is supplied with power.

Position Connecting Function


1 2
0 0 11 Lighting off,
alternatively
daytime running

http://127.0.0.1:8800/impact3/application/staticdb/lang/enGB/sb24913_syst.xhtm 7/23/2007
sb24913_syst Page 12 of 13

lights

Parking 11 11 Tail lights, Parking


lights lights, Side marker
lights

Headlights 0 0 Main beam / dip


beam, Tail lights,
Parking lights,
Side marker lights

Driving 11 0 Main beam / dip


lights beam, Auxiliary
lights, Tail lights,
Parking lights,
Side marker lights

1 The input is grounded by the light switch (active low)

Headlight range adjustment


The range of the headlights can be adjusted from inside the cab to compensate for different load distributions, etc.
The adjustment is made via a separate rheostat on the lighting switch. The rheostat is directly connected to the
headlight level motors (in certain cases there is an extra resistor in the cable harness between the light switch and
motors). If there is a fault in the headlight range adjustment, fault-trace the switch, cable harness and motors.

Blackout lighting and convoy lighting for military vehicles


The blackout lighting function extinguishes all external and internal lighting including the instrument background
lighting.

Note: Vehicles with blackout lighting are not fitted with front foglamps. The rear foglamps are activated from a
separate switch on the dashboard. This is because the blackout lighting function has taken over the functions for
foglamps front and rear on the lighting switch.

Convoy lighting activates specially fitted lights and extinguishes all external and internal lights including the
instrument background lighting.

Note: Vehicles with convoy lighting have taken over the front foglight function on the lighting switch.

Blackout lighting and convoy lighting are activated and deactivated from the lighting switch.

http://127.0.0.1:8800/impact3/application/staticdb/lang/enGB/sb24913_syst.xhtm 7/23/2007
sb24913_syst Page 13 of 13

Blackout lighting

Activation

Blackout lighting is activated by pulling out the lighting switch 1 from any position (a-d) when the starter key is in
the driving position.

Deactivation

If the lighting switch 1 is pulled out again from any position (a-d) when the starter key is in the driving position, the
blackout lighting will be deactivated. This means that all external and internal lighting, including the instrument
background lighting, will function as normal.

If blackout lighting is active and the starter key is turned from the driving position to the stop position and then
back to the driving position again, the blackout lighting will remain active. The lighting switch 1 must be pulled out
again, with the starter key in the driving position, in order to deactivate the blackout lighting function.

Convoy lighting

Activation

Convoy lighting is activated by pressing in the lighting switch 1 from any position (a-d) when the starter key is in
the driving position.

Deactivation

If the lighting switch 1 is pressed in again from any position (a-d) when the starter key is in the driving position,
convoy lighting will be deactivated. This means that all external and internal lighting, including the instrument
background lighting, will function as normal.

If convoy lighting is active and the starter key is turned from the driving position to the stop position and then back
to the driving position again, convoy lighting will remain active. The lighting switch 1 must be pressed in again,
with the starter key in the driving position, in order to deactivate the convoy lighting function.

http://127.0.0.1:8800/impact3/application/staticdb/lang/enGB/sb24913_syst.xhtm 7/23/2007

You might also like