KEMBAR78
Print | PDF | Throttle | Engines
0% found this document useful (0 votes)
45 views4 pages

Print

Copyright
© © All Rights Reserved
We take content rights seriously. If you suspect this is your content, claim it here.
Available Formats
Download as PDF, TXT or read online on Scribd
0% found this document useful (0 votes)
45 views4 pages

Print

Copyright
© © All Rights Reserved
We take content rights seriously. If you suspect this is your content, claim it here.
Available Formats
Download as PDF, TXT or read online on Scribd
You are on page 1/ 4

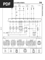
VOLKSWAGEN Jetta VI2.

5 20V (CBTA) 2011 - 2016 December 11, 2024

Wiring diagram

L4 - MAP AND AIR TEMPERATURE SENSOR

Pin Table

Pin number Voltage Wire colour/code Component Pin number Wire colour/code
A1 Brown E1 Engine control unit A2 Brown

All trademark names mentioned herein are for reference purpose only and are not intended to suggest any connection between HaynesPro and such companies. All trademarks are the property of their respective owners.

Page 1 of 4
VOLKSWAGEN Jetta VI2.5 20V (CBTA) 2011 - 2016 December 11, 2024

Wiring diagram
Pin number Voltage Wire colour/code Component Pin number Wire colour/code
A1 Brown O8 Grounding point 655 1 Brown
A2 Brown E1 Engine control unit A1 Brown
A2 Brown O8 Grounding point 655 1 Brown
A3 Red/Green E1 Engine control unit A5 Red/Green
A3 Red/Green O7 Fuse SB2 2 Red/Green
A5 Red/Green E1 Engine control unit A3 Red/Green
A5 Red/Green O7 Fuse SB2 2 Red/Green
A7 Brown/Blue U2 Oxygen sensor behind the catalytic converter 2 Brown/Blue
A8 Violet/Blue A54 Oil pressure control valve 1 Violet/Blue
A 11 Grey/Blue G1 Accelerator pedal position sensor 5 Grey/Blue
A 12 Brown T5 Coolant temperature sensor 2 2 Brown
A 17 Grey/Red G1 Accelerator pedal position sensor 3 Grey/Red
A 18 Yellow T5 Coolant temperature sensor 2 1 Yellow
A 19 Black/Red S1 Brake pedal switch 3 Black/Red
A 24 White/Green S1 Brake pedal switch 1 White/Green
A 26 Yellow/Violet O4 Connector 3 Yellow/Violet
A 56 Black U1 Oxygen sensor in front of the catalytic converter 5 Black
A 57 Grey/Red U1 Oxygen sensor in front of the catalytic converter 6 Grey/Red
A 61 Brown/Blue G1 Accelerator pedal position sensor 6 Brown/Blue
A 63 White/Red G3 Clutch position sensor 2 White/Red
A 65 Black/White E45 Electronic steering wheel control unit A2 Black/White
A 65 Black/White E45 Electronic steering wheel control unit A4 Black/White
A 67 Orange/Brown O2 CAN system L Orange/Brown
A 68 Orange/Black O2 CAN system H Orange/Black
A 69 Black/Grey R1 Main relay 85 Black/Grey
A 72 Brown U2 Oxygen sensor behind the catalytic converter 3 Brown
A 73 White U1 Oxygen sensor in front of the catalytic converter 3 White
A 78 Green U1 Oxygen sensor in front of the catalytic converter 1 Green
A 79 Grey/White U1 Oxygen sensor in front of the catalytic converter 2 Grey/White
A 81 Grey/Black G1 Accelerator pedal position sensor 1 Grey/Black
A 82 Yellow/Green G1 Accelerator pedal position sensor 2 Yellow/Green
A 83 White/Blue G1 Accelerator pedal position sensor 4 White/Blue
A 84 Red U2 Oxygen sensor behind the catalytic converter 4 Red
A 87 Black/Yellow O7 Fuse SC16 2 Black/Yellow
A 88 Blue/Black O1 Alternator circuit 2 Black/Brown
All trademark names mentioned herein are for reference purpose only and are not intended to suggest any connection between HaynesPro and such companies. All trademarks are the property of their respective owners.

Page 2 of 4
VOLKSWAGEN Jetta VI2.5 20V (CBTA) 2011 - 2016 December 11, 2024

Wiring diagram
Pin number Voltage Wire colour/code Component Pin number Wire colour/code
A 92 Red/Black O7 Fuse SB14 2 Red/Black
A 92 Red/Black R1 Main relay 86 Red/Black
A 93 Black/Brown R3 Fuel pump relay 85 Black/Brown
B1 Violet/White A5 Inlet camshaft timing solenoid 2 Violet/White
B2 Violet/Yellow A1 Injector 1 2 Violet/Yellow
B3 Violet/Red A1 Injector 2 2 Violet/Red
B4 Violet/Grey A1 Injector 4 2 Violet/Grey
B5 Violet/Brown A1 Injector 5 2 Violet/Brown
B6 Green/Violet X5 Camshaft position sensor (Hall Effect/MRE type) 2 Green/Violet
B8 Violet I2 Knock sensor 1 1 Violet
B9 Red I2 Knock sensor 1 2 Red
B 10 White/Brown I2 Knock sensor 2 1 White/Brown
B 11 Brown/Red I2 Knock sensor 2 2 Brown/Red
B 12 Violet/Black H3 Throttle control motor with position sensor 2 Violet/Black
B 13 Black L22 Secondary air pressure sensor 1 Black
B 13 Black L4 MAP and air temperature sensor 1 Black
B 14 Yellow T1 Coolant temperature sensor 2 Yellow
B 23 Black I2 Knock sensor 2 3
B 24 Black I2 Knock sensor 1 3
B 31 Violet/Blue A1 Injector 3 2 Violet/Blue
B 32 Violet/Black V1 Canister purge solenoid 2 Violet/Black
B 33 Blue I1 Ignition coil 3 3 Blue
B 34 Grey I1 Ignition coil 5 3 Grey
B 35 Red I1 Ignition coil 2 3 Red
B 38 Black/Green S2 Oil pressure switch 1 Black/Green
B 41 White/Blue H3 Throttle control motor with position sensor 4 White/Blue
B 42 Grey L4 MAP and air temperature sensor 2 Grey
B 43 Violet H3 Throttle control motor with position sensor 6 Violet
B 44 Yellow/Grey L22 Secondary air pressure sensor 3 Yellow/Grey
B 44 Yellow/Grey L4 MAP and air temperature sensor 3 Yellow/Grey
B 44 Yellow/Grey X5 Camshaft position sensor (Hall Effect/MRE type) 1 Yellow/Grey
B 46 Green H3 Throttle control motor with position sensor 3 Green
B 47 Brown/Violet H3 Throttle control motor with position sensor 5 Brown/Violet
B 49 Green I1 Ignition coil 4 3 Green
B 50 Yellow I1 Ignition coil 1 3 Yellow
All trademark names mentioned herein are for reference purpose only and are not intended to suggest any connection between HaynesPro and such companies. All trademarks are the property of their respective owners.

Page 3 of 4
VOLKSWAGEN Jetta VI2.5 20V (CBTA) 2011 - 2016 December 11, 2024

Wiring diagram
Pin number Voltage Wire colour/code Component Pin number Wire colour/code
B 51 Yellow/Blue X4 Crankshaft position sensor (Hall Effect/MRE type) 2 Yellow/Blue
B 52 Brown/Green X4 Crankshaft position sensor (Hall Effect/MRE type) 3 Brown/Green
B 52 Brown/Green X5 Camshaft position sensor (Hall Effect/MRE type) 3 Brown/Green
B 54 Brown/Yellow H3 Throttle control motor with position sensor 1 Brown/Yellow
B 55 Violet/White L22 Secondary air pressure sensor 4 Violet/White
B 56 Brown/White L4 MAP and air temperature sensor 4 Brown/White
B 57 Blue T1 Coolant temperature sensor 1 Blue
B 59 Yellow/Black X4 Crankshaft position sensor (Hall Effect/MRE type) 1 Yellow/Black

All trademark names mentioned herein are for reference purpose only and are not intended to suggest any connection between HaynesPro and such companies. All trademarks are the property of their respective owners.

Page 4 of 4

You might also like