KEMBAR78
UTC8227 | PDF | Electrical Circuits | Electronics
0% found this document useful (0 votes)
287 views3 pages

UTC8227

The UTC8227 is a low frequency audio power amplifier designed for portable radio cassette tape recorders, featuring a wide operating supply voltage of 5-12V and low quiescent current. It delivers 2.5W per channel at 9V with built-in thermal shutdown protection and a standby switch. Key electrical characteristics include a total harmonic distortion of 10% and adjustable voltage gain through external feedback resistors.
Copyright
© © All Rights Reserved
We take content rights seriously. If you suspect this is your content, claim it here.
Available Formats
Download as PDF, TXT or read online on Scribd
0% found this document useful (0 votes)
287 views3 pages

UTC8227

The UTC8227 is a low frequency audio power amplifier designed for portable radio cassette tape recorders, featuring a wide operating supply voltage of 5-12V and low quiescent current. It delivers 2.5W per channel at 9V with built-in thermal shutdown protection and a standby switch. Key electrical characteristics include a total harmonic distortion of 10% and adjustable voltage gain through external feedback resistors.
Copyright
© © All Rights Reserved
We take content rights seriously. If you suspect this is your content, claim it here.
Available Formats
Download as PDF, TXT or read online on Scribd
You are on page 1/ 3

UTC8227 LINEAR INTEGRATED CIRCUIT

LOW FREQUENCY POWER  


AMPLIFIER

DESCRIPTION
The UTC8227 is the audio power amplifier with built-in
two channel developed for portable radio cassette tape
recorder with power ON/OFF switch.

FEATURES
*Wide operating supply voltage: Vcc=5~12V
*Low quiescent supply current
(Icc=21mA,typical,at Vcc=9V ,Vi=0)
*Output power
Po=2.50W/CH at Vcc=9V,RL=4ohm ,f=1kHz,Thd=10% HDIP-12
*Soft Clip  
*Built-in Thermal shut-down protection circuit
*Stand-by Switch


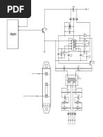
TEST CIRCUIT
SW1 Vcc2
1000µF
100µF

Vcc1
1 12
Boot
3 strap 1
Input 1
100µF

6 1000µF Output 1
2
0.015µF

NF1 45Ω
5 RL
120Ω
47µF

30kΩ
Ripple
9
47µF

Boot
10 strap 2
100µF

7 1000µF Output 2
Input 2
NF2 11
45Ω
0.015µF

8 RL
120Ω
47µF

30kΩ

TAB 4
Pre Power
GND
GND

YOUW ANG ELECTRONICS CO.LTD 1


UTC8227 LINEAR INTEGRATED CIRCUIT
ABSOLUTE MAXIMUM RATINGS(Ta=25°C)
Characteristic Symbol Value Unit
Supply Voltage Vcc 20 V
Output Current Io 2.5 A
Power Dissipation(note) Pd 4 W
Operating Temperature Topr -20 ~ +75 °C
Storage Temperature Tstg -55 ~ +150 °C
Note: Value for mounting on PC board

ELECTRICAL CHARACTERISTICS
(Ta=25°C,Vcc=9V,RL=4Ω,Rg=600Ω,f=1kHz,unless otherwise specified)
Characteristic Symbol Test Conditions Min Typ Max Units
Quiescent current Icc Vi=0 21 45 mA
THD=10%,RL=4Ω 2.0 2.5 W
Output Power Po
THD=10%,RL=3Ω 3.0 W
Total Harmonic Distortion THD Po=0.4W/CH 0.2 1.0 %
Gv1 Rf=120Ω,Vout=0.775Vrms 43 45 47 dB
Voltage Gain
Gv2 Rf=0,Vout=0.775Vrms 56.5
Input Impedance Rin 30 Ω
Output Noise Voltage Vno Rg=10kΩ,BW=20Hz~20kHz 0.3 1.0 mVrms
Ripple Rejection Ratio R.R Rg=600Ωfripple=100Hz 52 dB
Cross Talk C.T Rg=600Ω,Vout=0, f=1kHz 50 dB
Input Offset Voltage V7,8 30 60 mV
Standby Current Sw1:OFF 1 µA

YOUW ANG ELECTRONICS CO.LTD 2


UTC8227 LINEAR INTEGRATED CIRCUIT
TYPICAL PERFORMANCE CHARACTERISTICS
ICCQ, V2,V10 vs. VCC1 THD vs Output Power Cross Talk vs. Frequency
15 15 10
Vcc1=12V Vcc=9V

Total Harmonic Distortion (%)


6V
Quiescent current (mA)

Vin=0 RL=4Ω
12 ICCQ 12 Vcc2=5V 9V 0
Ta=25k RNF=120Ω
Vcc1=9V

Output Voltage (V)


Rg=620Ω

Cross Talk (dB)


RL=4Ω
f=1kHz -20
Vout=0dBm
9 9
RNF=120Ω
1
Ta=25k
6 6 -40

3 V10,V2, 3 -60

0 0 0.1 -80
0 3 6 9 12 15 0.01 0.1 1 10 1 2 3 4 5
10 10 10 10 10

Supply Voltage , Vcc2 (V) Output Power (W) Frequency ( Hz)

ICCQ, DC Vout vs. Supply Voltage Voltage Gain vs. Frequency Ripple Rejection vs. frequency
100 20

Vin=0
Vcc=9V
Quiescent current (mA)

80 16 80 Vcc=9V 0
RL=4Ω
Output Voltage (V)
Voltage Gain (dB)

Voltage Gain (dB)


RL=4Ω
RNF=120Ω RNF=120Ω
60 12 60 -20 Rg=620Ω
Vout

40 8 40 -40

20 ICCQ 4 20 -60

0 0 0 -80
0 5 10 15 20 25 1 2 3 4 5 1 2 3 4 5
10 10 10 10 10 10 10 10 10 10

Supply Voltage , Vcc2 (V) Frequency ( Hz) Frequency ( Hz)

APPLICATION INFORMATION
1.Input Voltage
When the excessive signal is input, turning-up is produced in the clip waveform. The turning-up point is
Vin=300mVrms(Typical) at Vcc=9V,RL=4Ωf=1kHz. Enough care must be taken for this phenomenon.
2.Power ON/OFF
There is power ON/OFF switch at pin 1. However output power is changed by pin 1 supply voltage when
pin1 supply voltage is not same pin 12 supply voltage, after referring to attached date, select pin 1 supply voltage.
3.Voltage Gain
The voltage gain can be changed by the external negative feedback resistor. When Rf=0, the Gain is equal
to 56.5dB.When Rf=120Ωthe Gain is equal to 45dB.

YOUW ANG ELECTRONICS CO.LTD 3

You might also like