KEMBAR78
DP2281 | PDF | Field Effect Transistor | Mosfet
0% found this document useful (0 votes)
605 views8 pages

DP2281

The DP2281 is a highly integrated current mode PWM controller designed for high performance and low standby power in offline flyback converter applications, achieving less than 75mW standby power. It features a fixed 65KHz switching frequency, extended burst mode operation for energy conservation, and comprehensive protection mechanisms including thermal shutdown and over voltage protection. The IC is offered in a SOT23-6 package and is optimized for EMI performance with frequency shuffling and soft gate driving capabilities.

Uploaded by

Adnan ahmed
Copyright
© © All Rights Reserved
We take content rights seriously. If you suspect this is your content, claim it here.
Available Formats
Download as PDF, TXT or read online on Scribd
0% found this document useful (0 votes)
605 views8 pages

DP2281

The DP2281 is a highly integrated current mode PWM controller designed for high performance and low standby power in offline flyback converter applications, achieving less than 75mW standby power. It features a fixed 65KHz switching frequency, extended burst mode operation for energy conservation, and comprehensive protection mechanisms including thermal shutdown and over voltage protection. The IC is offered in a SOT23-6 package and is optimized for EMI performance with frequency shuffling and soft gate driving capabilities.

Uploaded by

Adnan ahmed
Copyright
© © All Rights Reserved
We take content rights seriously. If you suspect this is your content, claim it here.
Available Formats
Download as PDF, TXT or read online on Scribd
You are on page 1/ 8

DP2281

High Performance Current Mode PWM Controller

GENERAL DESCRIPTION
DP2281 is a highly integrated current mode PWM FEATURES
control IC optimized for high performance, low ■ Less than 75mW Standby Power at Universal
standby power and cost effective offline flyback Input
converter applications. ■ Power on Soft Start Reducing MOSFET Vds
PWM switching frequency at normal operation is Stress
internally fixed and is trimmed to tight range. At no ■ Frequency Shuffling for EMI
load or light load condition, the IC operates in ■ Fixed 65KHz Switching Frequency
extended burst mode to minimize switching loss, ■ Internal Synchronized Slope Compensation
which can achieve less than 75mW standby. ■ Low VDD Startup Current and Low Operating
VDD low startup current and low operating current Current
contribute to a reliable power on startup and low ■ Built-in Leading Edge Blanking
standby design with DP2281. ■ On-chip Thermal Shutdown
DP2281 offers comprehensive protections ■ Soft Gate Driver for Good EMI Performance
coverage with automatic self-recovery feature ■ Over Load Protection
including Cycle-by-Cycle current limiting (OCP), ■ Cycle-by-Cycle Current Limiting
over load protection (OLP), on-chip Thermal ■ VDD Under Voltage Lockout with Hysteresis
Shutdown (OTP), VDD over voltage protection (UVLO)
(VDD OVP) and VDD under voltage lockout ■ VDD OVP & Clamp
(UVLO), etc. Excellent EMI performance is
achieved with frequency shuffling and soft totem
pole gate drive APPLICATIONS
The tone energy at below 20KHz is minimized in
Offline AC/DC flyback converter for
the design and audio noise is eliminated during
■ AC/DC Adapter
operation.
DP2281 is offered in SOT23-6 package.
■ Open-frame SMPS

TYPICAL APPLICATION

EMI
AC IN
Filter
DC Out

DP2281
1 GND GATE 6

2 FB VDD 5 TL431

3 NC CS 4

www.depuw.com -1- Rev.1.1 AUG 2013


DP2281
High Performance Current Mode PWM Controller

GENERAL INFORMATION Absolute Maximum Ratings


Pin Configuration Parameter Value
The pin map of SOP8 package is shown as below. VDD Zener Clamp Voltage VDD_Clamp
VDD Clamp Continuous
10 mA
Current
CS Input Voltage -0.3 to 7V
GND 1 6 GATE FB Input Voltage -0.3 to 7V
GATE Voltage Range 20V
SOT23-6 Maximum Operating Junction o
150 C
2 5 VDD Temperature TJ
FB
Min/Max Storage Temperature o
-55 to 150 C
Tstg
Lead Temperature (Soldering, o
NC 3 4 CS 260 C
10secs)
Note: Stresses beyond those listed under “absolute maximum
ratings” may cause permanent damage to the device. These
are stress ratings only, functional operation of the device at
Ordering Information these or any other conditions beyond those indicated under
Part Number Description “recommended operating conditions” is not implied. Exposure
to absolute maximum-rated conditions for extended periods
DP2281 SOT23-6, Pb free in T&R may affect device reliability.

Package Dissipation Rating


Package RθJA ( ℃/W)
SOT23-6 200

Marking Information

www.depuw.com -2- Rev.1.1 AUG 2013


DP2281
High Performance Current Mode PWM Controller

TERMINAL ASSIGNMENTS
Pin Num Pin Name I/O Description
1 GND P Ground.
Feedback pin. The loop regulation is achieved by connecting a
2 FB I photo-coupler to this pin. PWM duty cycle is determined by this pin voltage
and the current sense signal at Pin 4.
3 NC - No connection.
4 CS I Current sense input.
5 VDD P Power supply.
6 GATE O Totem-pole gate driver output to drive the external MOSFET.

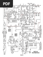
BLOCK DIAGRAM

www.depuw.com -3- Rev.1.1 AUG 2013


DP2281
High Performance Current Mode PWM Controller

RECOMMENDED OPERATING CONDITION


Symbol Parameter Min Max Unit
VDD VDD Supply Voltage 11 26 V
o
TA Operating Ambient Temperature -40 85 C

ELECTRICAL CHARACTERISTICS
O
(TA = 25 C, VDD=18V if not otherwise noted)
Symbol Parameter Test Conditions Min Typ Max Unit
Supply Voltage Section (VDD Pin)
Start-up current into VDD
IVDD_st 2 10 uA
pin
IVDD_Op Operation Current VFB=3V,GATE=1nF 1.2 2 mA
IVDD_standby Standby Current 0.4 1 mA
VDD Under Voltage
VDD_ON 13.5 14.5 15.5 V
Lockout Exit
VDD Under Voltage
VDD_OFF 8.6 9.4 10.2 V
Lockout Enter
VDD_OVP VDD OVP Threshold 27 28.5 30 V
VDD Zener Clamp
VDD_Clamp I(VDD ) = 7 mA 30.5 32 33.5 V
Voltage
Feedback Input Section (FB Pin)
VFB_Open FB Open Voltage 4.5 5.4 6 V
Short FB Pin to GND,
IFB_Short FB Short Circuit Current 0.3 mA
Measure Current
ACS PWM Gain Δ /Δ
VFB VCS 2.0 V/V
FB Under Voltage GATE
Vskip 1.0 V
Clock is OFF
Power Limiting FB
VTH_OLP 3.6 V
Threshold Voltage
Power Limiting Debounce
TD_OLP 43 ms
Time
ZFB_IN FB Input Impedance 20 Kohm
Current Sense Input Section (CS Pin)
CS Input Leading Edge
TLEB 250 ns
Blanking Time
Vcs(max) Current limiting threshold 0.97 1.0 1.03 V
Over Current Detection
TD_OCP 70 ns
and Control Delay
Oscillator Section
Normal Oscillation
FOSC 60 65 70 KHz
Frequency
Δ F(shuffle) Frequency Shuffling
/FOSC Range
-4 4 %
Maximum Switching Duty
DMAX 66.7 %
Cycle
Burst Mode Base
FBust 22 KHz
Frequency
On-chip Thermal Shutdown

www.depuw.com -4- Rev.1.1 AUG 2013


DP2281
High Performance Current Mode PWM Controller

TSD Thermal Shutdown --- 165 -- °C

TRC Thermal Recovery 140 -- °C

GATE Driver Section (GATE pin)


VOL Output Low Level Igate_sink=20mA 1 V
VOH Output High Level Igate_source=20mA 7.5 V
VG_clamp Output Clamp Level VDD=24V 16 V
T_r Output Rising Time GATE=1nF 150 ns
T_f Output Falling Time GATE=1nF 60 ns

www.depuw.com -5- Rev.1.1 AUG 2013


DP2281
High Performance Current Mode PWM Controller

CHARACTERIZATION PLOTS

www.depuw.com -6- Rev.1.1 AUG 2013


DP2281
High Performance Current Mode PWM Controller

OPERATION DESCRIPTION
DP2281 is a highly integrated current mode prevents the sub-harmonic oscillation and thus
PWM control IC optimized for high performance, reduces the output ripple voltage.
low standby and cost effective offline flyback
converter applications. The IC can achieve less Extended Burst Mode Operation
than 75mW standby power and helps the design At zero load or light load condition, most of the
easily to meet the international power power dissipation in a switching mode power
conservation requirements. supply is from switching loss on the MOSFET
transistor, the core loss of the transformer and
Startup Current and Start up Control the loss on the snubber circuit. Reducing
Startup current of DP2281 is designed to be very switching events leads to the reduction on the
low so that VDD could be charged up above power loss and thus conserves the energy.
UVLO threshold level and device starts up DP2281 self adjusts the switching mode
quickly. A large value startup resistor can according to the loading condition. At no load or
therefore be used to minimize the power loss yet light load condition, the FB input is below burst
reliable startup in application. mode threshold level. Device enters Burst Mode
control. The Gate drive output switches only
Operating Current when VDD voltage drops below a preset level
The operating current of DP2281 is as low as and FB input is active to output an on state.
1.2mA. Good efficiency is achieved by the low Otherwise the gate drive remains at off state to
operating current together with extended burst minimize the switching loss thus reduce the
mode control schemes at No/light load standby power consumption to the greatest
conditions. extension. The nature of high frequency
switching also reduces the audio noise at any
Soft Start loading conditions.
DP2281 features an internal 4ms (typical) soft
start to soften the electrical stress occurring in Audio Noise Free Operation
the power supply during startup. It is activated DP2281 can provide audio noise free operation
during the power on sequence. As soon as VDD from full loading to zero loading.
reaches UVLO(OFF), the peak current is
gradually increased from nearly zero to the On-chip Thermal Shutdown (OTP)
O
maximum level of 1V. Every restart up is When the IC temperature is over 165 C, the IC
followed by a soft start. shuts down. Only when the IC temperature drops
O
to 135 C, IC will restart.
Oscillator with Frequency Shuffling
PWM switching frequency in DP2281 is fixed to VDD OVP and Zener Clamp
65KHz and is trimmed to tight range. To improve When VDD voltage is higher than 28.5V (typical),
system EMI performance, DP2281 operates the

the IC will stop switching. This will cause VDD
system with 4% frequency shuffling around fall down to be lower than VDD_OFF (typical
setting frequency. 9.4V) and then the system will restart up again.
An internal 32V (typical) zener clamp is
Current Sensing and Leading Edge integrated to prevent the IC from damage.
Blanking
Cycle-by-Cycle current limiting is offered in Soft Gate Drive
DP2281. The switch current is detected by a DP2281 has a soft totem-pole gate driver with
sense resistor into the CS pin. An internal optimized EMI performance. An internal 16V
leading edge blanking circuit is built in. During clamp is added for MOSFET gate protection at
this blanking period (250ns, typical), the higher than expected VDD input. Too weak the
cycle-by-cycle current limiting comparator is gate drive strength results in higher conduction
disabled and cannot switch off the GATE driver. and switch loss of MOSFET while too strong
gate drive output compromises the EMI.
Synchronous Slope Compensation Good tradeoff is achieved through the built-in
In DP2281, the synchronous slope totem pole gate drive design with right output
compensation circuit is integrated by adding strength and dead time control. The low idle loss
voltage ramp onto the current sense input and good EMI system design is easier to achieve
voltage for PWM generation. This greatly with this dedicated control scheme.
improves the close loop stability at CCM and

www.depuw.com -7- Rev.1.1 AUG 2013


DP2281
High Performance Current Mode PWM Controller

Package Dimension

Dimensions In Millimeters Dimensions In Inches


Symbol
Min Max Min Max
A 0.900 1.200 0.035 0.047
A1 0.000 0.150 0.000 0.006
A2 0.900 1.100 0.035 0.043
b 0.300 0.500 0.012 0.020
c 0.100 0.200 0.004 0.008
D 2.800 3.020 0.110 0.119
E 1.500 1.700 0.059 0.067
E1 2.600 3.000 0.102 0.118
e 0.950 (BSC) 0.037 (BSC)
e1 1.800 2.000 0.071 0.079
L 0.300 0.600 0.012 0.024
θ 0º 8º 0º 8º

www.depuw.com -8- Rev.1.1 AUG 2013

You might also like