KEMBAR78
PQ1 PowerQualitySensor | PDF | Mains Electricity | Relay
0% found this document useful (0 votes)
254 views10 pages

PQ1 PowerQualitySensor

The PQ1 detects power quality problems on standard AC power mains. It costs less than one-tenth as much as traditional power quality monitors. You can select one of 16 pre-programmed industry-standard depth / duration curves.
Copyright
© Attribution Non-Commercial (BY-NC)
We take content rights seriously. If you suspect this is your content, claim it here.
Available Formats
Download as PDF, TXT or read online on Scribd
0% found this document useful (0 votes)
254 views10 pages

PQ1 PowerQualitySensor

The PQ1 detects power quality problems on standard AC power mains. It costs less than one-tenth as much as traditional power quality monitors. You can select one of 16 pre-programmed industry-standard depth / duration curves.
Copyright
© Attribution Non-Commercial (BY-NC)
We take content rights seriously. If you suspect this is your content, claim it here.
Available Formats
Download as PDF, TXT or read online on Scribd
You are on page 1/ 10

www.PowerStandards.

com PSL Power Standards Lab

PQ1 Power Quality Sensor


General Description
The PQ1 Power Quality Sensor detects power quality problems on standard AC power mains. It is a single-phase monitor that can also be used phase-tophase or phase-to-neutral on three-phase power systems. The PQ1 costs less than one-tenth as much as traditional power quality monitors. It quickly pays for itself by reducing service calls on automatic manufacturing systems, semiconductor tools, medical equipment, elevator controls, and other complex systems. You can select one of 16 pre-programmed industry-standard depth/duration response curves, covering voltage sags, swells, high-frequency impulses, and power interruptions.

Features
Very low cost Detects sags/dips, swells, interruptions, impulses Simple to install - AC in, relay contacts out Captures impulses as short as 500 nanoseconds 0,5% typical accuracy Automatically adjusts to 50Hz, 60Hz, or 400Hz Direct connection to 100 Vrms ~ 240 Vrms Can be used at 277 Vrms ~ 600 Vrms with external step-down transformer Built-in international power quality standards No software required, no computer required
Compact power quality sensor for quick integration into your system. DIN-rail or panel mount. Quick installation: just connect power, dial in the nominal voltage, and set the threshold switch to Standard.

Applications
Semiconductor manufacturing tools Medical laboratory equipment SCADA systems, PLC systems Elevator controls Ultra-low-cost substation power quality monitoring Machine tools, HVAC controls, ASDs Servers and data centers, telecom centers

Combine three PQ1s for 3-phase applications

TUV License #CU2172626

2002-2005 Power Standards Laboratory Power Quality Relay , Power Quality Sensor are trademarks of Power Standards Lab

www.PowerStandards.com Subject to change without notice. Rev 1.21

PQ1 Operation
Displaying and clearing events
When a power quality event occurs, the red light will blink for 3 seconds (or longer, if the event continues for longer than 3 seconds). The yellow event history light will turn on and will remain on. The PQ1 will remember the state of these yellow event history lights even if power is removed. Push the Clear button to clear these yellow event history lights. The Clear button also re-checks the nominal voltage and frequency.

Verifying correct operation


Push and hold the Clear button for 1 second. The PQ1 will generate one power quality event of each type. Each pair of relay contacts will also open while the associated event light is flashing. After the test, the PQ1 automatically clears all events, and re-checks the nominal voltage and frequency. Use this test to verify that your system responds properly when the PQ1 detects a power quality disturbance.

Choosing the nominal voltage


Set the nominal voltage with this rotary switch. When the PQ1 is powered up, it first checks to see if the voltage is within 30% for your nominal voltage setting. If not, this window will flash red, telling you to check your nominal voltage setting. Power quality event triggering is based on a percentage of this setting. Your choices are: 100V, 110V, 120V, 200V, 208V, 220V, 230V, 240V .

Nominal frequency is set automatically


When the PQ1 first receives AC power, it searches for the nominal frequency. If the nominal frequency is neither 50 Hz, 60 Hz, nor 400 Hz, the PQ1 will continue searching the for the nominal frequency, and the frequency lights will continue to hunt. Once the PQ1 finds the correct frequency, you will see a green heartbeat on this display.

Choosing power quality event thresholds


Choose one of the depth-duration response curves to select the thresholds at which the PQ1 will signal a swell, minor sag, or major sag event. (The impulse threshold will be the same regardless of which response curve you select.) If youre not sure, set this switch to the STANDARD position.

Connecting power and relay contacts


Connect the pair of AC power screw terminals to any phase-to-neutral or phase-to-phase voltage from 100 Vrms to 240 Vrms (or use a step-down transformer for higher voltages). The PQ1 has three pairs of normally-closed dry relay contacts: Swell / Impulse, Minor Sag, and Major Sag. These contacts will open for at least 3 seconds during each power quality event, and will automatically re-close at the end of the event. The contacts are rated for 30V max, 300 mA max. You can connect them just like any switch contact: use them to control relays, to activate alarms, to trigger inputs on your computer system, or to insert entries in your systems error log.

Power Standards Lab 1201 Marina Village Parkway #101 Alameda CA 94501 USA TEL ++1-510-522-4400 FAX ++1-510-522-4455
2002-2005 Power Standards Laboratory Patents pending

www.PowerStandards.com Subject to change without notice Rev 1.21

Symbol Markings
Symbol Explanation Consult documentation potential hazard. Lisez la documentation -- risque possible. Lesen Sie die Unterlagen. Mgliche Gefahr. Lea la documentacin. Peligro posible. Caution. Risk of electric shock. Attention. Risque de dcharge lectrique. Vorsicht. Gefahr des elektrischen Schlages. Precaucin. Riesgo de la descarga elctrica. Fuse Fusible Sicherung Fusible

CAUTION: If the PQ1 is used in a manner not specified by the manufacturer, the protection provided by the equipment may be impaired.

PQ 1 - G eneral specifications
M inim um Typical M axim um
1. 2.

Notes
S tandard levels: 100 / 110 / 120 / 200 / 208 / 220 / 230 / 240 V rm s. M a y be installed phase-to-neutral or phase-to-phase, provided nom inal voltage is in range. C A T II installation. 50 / 60 / 400 H z If a n external ste p-dow n tra nsform er is us ed, im pulse threshold accurac y m ay be degraded. M a xim um curren t occurs during rapid voltage increase. C urrent is non-sinusoidal an d non-sym etrical. R elay outputs are dry contacts. C ontacts open w hen a problem is detected. M inim um duratio n that contacts will be open is 3 seco nds, regardless of the event duration. M a xim um duratio n that contacts will be open is the ev ent duration plus the duration threshold. P rovides B asic Insulation per IE C 61010. M easured betwe en A C input term inals (1 and 2 connected tog ether) and all relay contact term inals (3,4,5,6,7, and 8 connected together) D esigned for indo or use. Install fully enclos ed in a ground ed (ea rthed) recognized m etal enclosure. M a x relative hum idity 80% at up to 31C decreasing linearly to 50% at 40C . Transient overvoltage C ategory II: local level, applia nces, portable equipm ent, etc. P ollution D egree 1: N o pollution or only dry, non-co nductive pollution occurs. There are no use r-serviceable parts in the P Q 1. The fuse is type T 100m A 240V , and is factory-replaceable. There are no clea ning instructio ns for the P Q 1.

Nom inal AC voltage

100 Vrm s

--

240 Vrm s
H ighe r voltages possible with e xternal step-down tra nsform er 3. 4. 5.

6.

Nom inal AC current

---

< 10 m A

< 100 m A
7. 8.

Rela y contact ou tputs

--

--

300 m A, 30 V AC or DC

9. 10. 11.

Rela y contact isolation from AC inpu t

1500 Vrm s

--

--

12.

Environm ental: Tem perature M ax. Rel. Hum idity 0C ------50C 80% @ 31C

13. 14. 15. 16. 17.

18.

M aintenance

---

---

---

19. 20.

2002-2005 Power Standards Laboratory Power Quality Relay , Power Quality Sensor are trademarks of Power Standards Lab

www.PowerStandards.com Subject to change without notice. Rev 1.21

PQ1 - Accuracy
Minimum Typical Maximum
1. 2.

Notes
RMS calibrated. Sensed differentially as digital positivepeak-sense-equivalent, referenced to Terminal 1. Voltage harmonics may affect RMS accuracy, but any effect mimics the effect on an electronic load. IEC 61000-4-30 Class B Accuracy specified at 50/60/400 Hz 300 Vrms full scale Duration thresholds are specified in milliseconds, but uncertainty is specified in cycles, e.g. a 100 millisecond duration threshold at 50 Hz (20 millisecond cycle) is 100 milliseconds 20 milliseconds. Applies to sag and swell thresholds. Nominal impulse threshold is fixed at 450V pk, regardless of nominal voltage, unlike sag and swell thresholds which are expressed in percent of nominal. Specified for positive 1.2 x 50 uS impulse, per IEC 61000-4-5 -9 Useful response from 500x10 seconds -6 to 200x10 seconds. Sensed differentially as positive peak, referenced to Terminal 1, through highpass filter, i.e. the impulsive difference from the fundamental sine wave is sensed. Measured by timing successive zerocrossings through an 800 Hz 1-pole lowpass filter. IEC 61000-4-30 Class B. Frequency is measured only during start-up, Clear event, and Test event. 400 Hz = 1~3 ms period; 60 Hz = 15~18 ms period; 50 Hz = 19~22 ms period. Any other period duration causes frequency initialization to repeat.

RMS voltage thresholds

--

0,5% FS

1,5% FS
3. 4. 5. 6.

Duration thresholds

--

0,5 cycle

1 cycle
7. 8.

9.

Impulse threshold

400 Vpk

450 Vpk

500 Vpk

10. 11.

12. 13. 14. 15.

Frequency threshold

--

0,05 Hz

0,1 Hz

PQ1 - Immunity
Minimum Typical Maximum
1. 2.

Notes
The same immunity level applies regardless of the setting on the Nominal Voltage switch. At approximately 350 Vrms for more than 100 milliseconds, a factoryreplaceable fuse may open. Hold-up time: continues to operate properly at 0 Vrms for a minimum of 500 ms (100Vrms) to 3 seconds (240Vrms). When power is removed for longer than the hold-up time, all relay outputs will show an event. Memory of events is retained forever, regardless of absence of power. Memory can only be cleared by pressing the Clear button. Exceeds the requirements of IEC 61000-6-2, Table 4, Section 4.4 and 4.5 Test standard IEC 61000-4-4 Exceeds the requirements of IEC 61000-6-2, Table 4, Section 4.2 Test standard IEC 61000-4-5 Exceeds the requirements of IEC 61000-6-2, Table 4, Section 4.3. Line-toearth surge requirements do not apply. Excessive surges may cause a factoryreplaceable fuse to open. Test standard IEC 61000-4-6. May cause variations in RMS reading. Exceeds the requirements of IEC 61000-6-2, Table 4, Section 4.1.

RMS voltage immunity: sags, swells, interruptions

0 Vrms (500 ms), 70 Vrms (continuous)

---

300 Vrms

3. 4. 5.

6.

Fast transient immunity

2kV, 5/50 ns, 5 kHz rep 2kV, 1.2/50 us

--4kV, 500A, 100 kHz ring wave ---

---

7. 8. 9. 10.

Surge immunity

--11. 12. 13. 14.

Radio frequency common mode immunity

10V, 150 kHz ~ 80 MHz, 1kHz AM

---

2002-2005 Power Standards Laboratory Patents pending

www.PowerStandards.com Subject to change without notice Rev 1.21

PQ1 Depth - Duration Thresholds


The depth-duration thresholds in the PQ1 are derived from various international standards. Use the rotary switch on the side of the PQ1 to select a set of thresholds. If you are uncertain about which depthduration curve should be selected, set the switch to STANDARD. If a standard lacks a threshold (for example, SEMI F47 lacks voltage swell thresholds), or if a standard uses a threshold that is incompatible with the PQ1, a reasonable choice of threshold has been made. These depth-duration curves are based on the noted standards, but, for a variety of reasons, may not match the standards precisely. Consult the appropriate standard for further information.

Impulse (fixed 450 Vpk threshold) Swell (percent of nominal voltage) Minor sag (percent of nominal voltage) Major sag (percent of nominal voltage)

General purpose thresholds selected by PSL. Good compromise between sensitivity and false alarms.

Standard Depth-Duration Thresholds

MIL-STD-704E (Aircraft) Depth-Duration Thresholds


Derived from MIL-STD-704E, "Interface Standard: Aircraft Electric Power Characteristics.," Figure 4 and Figure 6. This standard does not directly specify impulse thresholds.

MIL-STD-1399 (Shipboard) Depth-Duration Thresholds


Derived from MIL-STD-1399 "Interface Standard for Shipboard Systems Section 300A - Electric Power, Alternating Current," Table I, Type II power. This standard specifies a 1kV threshold for impulses, which differs from the 0,5kV impulse threshold in the PQ1.

Derived from the ITI Curve (revised 2000) published by Technical Committee 3 of Information Technology Industry. Original curve for to single-phase 120V 60 Hz computer and business equipment; extended here to other voltages and frequencies.

ITIC Depth-Duration Thresholds

Based on version published in IEEE 1100-1992, Fig 3-2. Thresholds in the original curve are expressed in percent of nominal. Curve is intended to apply to single-phase 120V 60 Hz computer and business equipment, extended here to other voltages and frequencies.

CBEMA Depth-Duration Thresholds

SEMI F47 Depth-Duration Thresholds


Based on SEMI F47-0200 SEMI 1999,2000.Standard lacks swell thresholds, impulse threshold. Thresholds in PQ1 include both Recommendations and Requirements in standard to the extent practical.

IEC 61000-2-4 Class I (Laboratory) Depth-Duration Thresholds


Derived from IEC 61000-2-4, CDV 11-2000, Section 6 Table 1. This standard does not specify voltage swell or impulse thresholds, which are discussed in Annex B.4. Standard does not specify dip compatibility levels; values are given for guidance only.

2002-2005 Power Standards Laboratory Power Quality Relay , Power Quality Sensor are trademarks of Power Standards Lab

www.PowerStandards.com Subject to change without notice. Rev 1.21

IEC 61000-2-4 Class II (Industrial) / IEC 61000-6-2 Depth-Duration Thresholds


Derived from IEC 61000-2-4, CDV 11-2000, Section 6 Table 1. This standard does not specify voltage swell or impulse thresholds, which are discussed in Annex B.4. This standard does not specify dip compatibility levels; the values are given for guidance only.

IEC 61000-2-4 Class III (Rough Industrial) / IEC 61000-6-2 Depth-Duration Thresholds
Derived from IEC 61000-2-4, CDV 11-2000, Section 6 Table 1. This standard does not specify voltage swell or impulse thresholds, which are discussed in Annex B.4. This standard does not specify dip compatibility levels; the values are given for guidance only.

IEC 61000-4-11 Depth-Duration Thresholds


Derived from IEC 61000-4-11, Edition 1.1, 2001-03. This standard does not specify voltage swell or impulse thresholds. Also, this standard does not specify dip thresholds; however, some dip depth and durations may be inferred from Table 1 and Annex B.

EN50160 Depth-Duration Thresholds


Derived from EN50160:1994. This standard does not specify voltage swell, voltage dip, or impulse thresholds. Voltage dip thresholds are inferred here from indicative values given in Section 3.5, and voltage swell thresholds from implications in Section 3.8 .

EN5082-1 Residential/commercial Depth-Duration Thresholds


Derived from EN5082-1 (Residential, Commercial, Light Industry). Voltage dip thresholds are inferred from values given in Table 4 Line 4.4, and impulse threshold from value in Table 3 Line 3.3 .

EN5082-2 Heavy industrial Depth-Duration Thresholds


Derived from EN5082-2 (Industrial). Voltage dip thresholds are inferred from values given in Table 4 Line 4.4. Note that impulse threshold in Table A.4.5 is 4kV, not 0,5kV as implemented in PQ1.

ZA (South Africa) Depth-Duration Thresholds


Derived from South Africa NRS048:1996, Dip Window Categories Y, X, and S; swells based on 4.6.1 . NRS048:1996 may evolve into SABS 00480. No impulse threshold in standard. Standard is primarily a utility connection standard.

JN (Japan) Depth-Duration Thresholds


Derived from "Denki-Setsubi no Gizyutu-Kizyun", extended by PSL to lower depths and durations. Standard does not directly specify voltage swell, sag, or impulse thresholds.

2002-2005 Power Standards Laboratory Patents pending

www.PowerStandards.com Subject to change without notice Rev 1.21

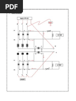
PQ1 Typical Applications

Single-phase monitor rings a bell for three seconds every time there is a power disturbance. The bell rings continuously if power is lost.

Three-phase line-to-neutral monitoring for star or wye systems. The relay contacts can be connected to a SCADA system, a computers digital inputs, or any other dry-contact input.

Three-phase phase-to-phase monitoring for delta or triangle systems. The PQ1 preserves the integrity of your grounding system -- no earth connections are required.

2002-2005 Power Standards Laboratory Power Quality Relay , Power Quality Sensor are trademarks of Power Standards Lab

www.PowerStandards.com Subject to change without notice. Rev 1.21

CAUTION: The PQ1 must be installed in such a way that none of the screw terminals are ACCESSIBLE as defined in IEC 61010-1, 3.5.1. Any devices connected to the relay terminals must not be ACCESSIBLE. Installation must comply with local and national codes. The PQ1 must not be operated unless these requirements are met.

Installation Instructions
1. Set the Nominal Voltage Set the nominal voltage using the rotary switch on the front panel: 100, 110, 120, 200, 208, 220, 230, or 240 Vrms. The thresholds for swells and sags are a percentage of this setting. Set the Depth / Duration Response Curve Using the rotary switch on the side of the PQ1, select one of the 16 sets of threshold curves. If you are not sure which one to choose, select Standard. Mount the PQ1 (a) On 35mm DIN Rail Tilt the bottom of the PQ1 slightly away from the DIN rail, then hook the PQ1 onto the top flange of the DIN rail. Push the bottom of the PQ1 forward towards the DIN rail. The spring-loaded tab will snap onto the bottom of the rail and hold the PQ1 firmly in place. (To remove the PQ1 from the DIN rail, insert a screwdriver into the exposed slot in the tab and pull the tab down. Pull PQ1 forward and remove from the rail.) (b) Panel mounting Insert an additional spring-loaded tab on the base of the PQ1. Place both tabs in the panel-mount position (to move, pry spring tension arm free of recess, and slide tab away from center of base until it locks in place). With the two tabs correctly in place, the centers of the mounting holes will be 3.5in (89mm) apart. Attach the PQ1 firmly to the panel using M3 or #6-32 screws. 4. Attach wires to screw terminals One or two wires of equal or different sizes up to 2.5mm2 (12 AWG) can be attached at each terminal. (a) Relay contacts If you want to use the dry relay contact outputs, apply the wetting voltage (30V max) to one of the appropriate terminals, and connect the other terminal to the input or indicating device (300mA maximum load). Swell / Impulse relay contacts: Minor Sag relay contacts: Major Sag relay contacts: terminals 3 and 4 terminals 5 and 6 terminals 7 and 8

2.

3.

DIN-rail mount is standard

If you want to switch more than 30V or more than 300mA, or if you need latched outputs, or if you need normally-open outputs, use the PQ1 contacts to switch the coil of an external relay. (b) Power connections Connect the PQ1s AC power connections to a circuit that is limited by a circuit breaker or fuse rated for 20A or less (the circuit breaker or fuse should be near the PQ1). AC input: terminals 1 and 2

The wire cross section must be adequate for 100mA, and insulation must be adequate for the rated voltage. The PQ1 may be connected line-to-neutral or line-to-line. Do not connect any load, including the PQ1, from line-to-ground. If your PQ1 will be monitoring 277 Vrms, 400 Vrms, 480 Vrms, or higher, use an appropriately-rated step-down transformer. The PQ1s sag and swell thresholds are expressed in percent of nominal, so the transformer will have no effect on detecting power quality events. It is not generally necessary to provide the PQ1 with its own transformer. The PQ1 can share a transformer with other loads, such as electronic devices. (There will be some degradation of impulse threshold accuracy when using a step-down transformer.) 5. Cover the PQ1. See the Caution at the top of this page.

PQ1 converts to panel-mount

2002-2005 Power Standards Laboratory Patents pending

www.PowerStandards.com Subject to change without notice Rev 1.21

PQ1 Typical Waveforms


These waveforms show typical PQ1 response to various AC power inputs. The response is affected by your selection of thresholds, so use these waveforms for guidance only.

AC waveform Swell / Impulse relay contacts (high = closed) Minor sag relay contacts (high = closed) Major sag relay contacts (high = closed)

Power applied to PQ1 The PQ1 relay contacts close approximately 300 milliseconds after power has been applied. When power is missing, all relay contacts are in their alarm state.

Impulse The Swell/Impulse contacts open almost immediately. They will remain open for 3 seconds.

Power removed from PQ1 The minor sag and major sag contacts indicate alarms after the duration specified in the threshold table. If power is removed for a long time, eventually the swell / impulse contact will also indicate an alarm when the PQ1 powers down.

Minor sag The minor sag contacts indicate an alarm after the duration specified in the threshold table. The contacts will remain open for at least 3 seconds, or for the duration of the sag, whichever is longer.

Major sag Note that it initially triggers a minor sag as a result of the depth-duration thresholds. The major sag follows. Both pairs of relay contacts will remain open for a minimum of 3 seconds.
2002-2005 Power Standards Laboratory Power Quality Relay , Power Quality Sensor are trademarks of Power Standards Lab

Brief major sag 3-second contact duration can be seen. If the sag had continued for longer than 3 seconds, the relay contacts would remain open for the duration of the sag.

www.PowerStandards.com Subject to change without notice. Rev 1.21

AC waveform Swell / Impulse relay contacts (high = closed) Minor sag relay contacts (high = closed) Major sag relay contacts (high = closed)

Extended major sag The sag relay contacts remain open for longer than three seconds.

Voltage swell The swell / impulse relay contacts open for 3 seconds. Note the slight delay before the contacts open, caused by the minimum swell duration threshold selected with the depthduration threshold switch.

How to order

Visit www.powerstandards.com/pqrelay.htm and click on or Orders are also accepted by telephone or FAX. TEL ++1-510-522-4400 FAX ++1-510-522-4455 or e-mail sales@PowerStandards.com .

Power Standards Lab 1201 Marina Village Parkway #101 Alameda CA 94501 USA TEL ++1-510-522-4400 FAX ++1-510-522-4455
2002-2005 Power Standards Laboratory Patents pending

10

www.PowerStandards.com Subject to change without notice Rev 1.21

You might also like