KEMBAR78
Assignment 1 of Control System-2 | PDF | Telecommunications Engineering | Electricity
0% found this document useful (0 votes)
65 views3 pages

Assignment 1 of Control System-2

This document outlines an assignment for the Control System course at ABES Engineering College for the 2024-25 session. It includes various tasks such as finding overall transfer functions using different techniques, explaining feedback effects, and differentiating between open and closed loop systems. Each task is associated with specific Course Outcomes (CO) and Knowledge Levels (KL).
Copyright
© © All Rights Reserved
We take content rights seriously. If you suspect this is your content, claim it here.
Available Formats
Download as PDF, TXT or read online on Scribd
0% found this document useful (0 votes)
65 views3 pages

Assignment 1 of Control System-2

This document outlines an assignment for the Control System course at ABES Engineering College for the 2024-25 session. It includes various tasks such as finding overall transfer functions using different techniques, explaining feedback effects, and differentiating between open and closed loop systems. Each task is associated with specific Course Outcomes (CO) and Knowledge Levels (KL).
Copyright
© © All Rights Reserved
We take content rights seriously. If you suspect this is your content, claim it here.
Available Formats
Download as PDF, TXT or read online on Scribd
You are on page 1/ 3

w.e.

f: June 2018
ABES Engineering College, Ghaziabad Form No. Acad-006

Department of Electronics & Communication Engineering

Session: 2024-25 Semester: VI Section: A&C


Subject Code: BEC-602 Subject Name: CONTROL SYSTEM

Assignment No.- 1

Date of Issue: Date of submission:

S. No. Description CO and KL

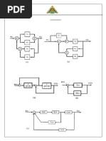
Using block diagram reduction technique, find the overall transfer function. CO1 K3

1.

Using Mason’s Gain Formula, calculate the overall transfer function. CO1 K3

2.

3.
Using signal flow graph, determine the overall transfer function.
CO1 K3
Draw the electrical equivalent circuit using (i) Force-Voltage and (ii) Force-
Current Analogy.

4. CO1 K3

𝑌2 (𝑠)
Determine the transfer function of the system shown in figure below.
𝐹(𝑠)

CO1 K3
5.

6.
Explain the effect of Feedback on Gain, Noise, Sensitivity, Stability and CO1 K2
Bandwidth.
7.
Using suitable block diagrams, differentiate between an open loop and a closed CO1 K2
loop control system.
(i) Describe the transfer function of a system.
(ii) Determine the transfer function of a system described by the following
8. equation, where y(t) is output and r(t) is input. Assume zero initial conditions. CO1 K2
𝒅𝟑 𝒚(𝒕) 𝒅𝟐 𝒚(𝒕) 𝒅𝒚(𝒕) 𝒅𝒓(𝒕)
𝟑
+ 𝟐 𝟐
+𝟓 + 𝟔𝒚(𝒕) = 𝟑 + 𝒓(𝒕)
𝒅𝒕 𝒅𝒕 𝒅𝒕 𝒅𝒕
Using block diagram reduction technique and superposition rule, find the overall
transfer function. Note: R(s) and X(s) are independent inputs.

9.

CO1 K3

Obtain the overall transfer function using block reduction method.

CO1 K3
10.

𝑌
Find the transfer function 𝑌8 of the signal flow graph shon in Fig. 1.
1

11. CO1 K3

You might also like