KEMBAR78
CVT and Shift Indicator, Engine Control | PDF | Transportation Engineering | Machines
0% found this document useful (0 votes)
156 views24 pages

CVT and Shift Indicator, Engine Control

The document outlines the electrical schematics and components related to the Continuously Variable Transmission (CVT) and shift indicator for engine control systems. It includes details on various relays, sensors, and wiring configurations, as well as specifications for systems with and without Smart Entry & Start. The information is structured in a technical format suitable for automotive engineers and technicians.

Uploaded by

Hoan Vũ
Copyright
© © All Rights Reserved
We take content rights seriously. If you suspect this is your content, claim it here.
Available Formats
Download as PDF, TXT or read online on Scribd
0% found this document useful (0 votes)
156 views24 pages

CVT and Shift Indicator, Engine Control

The document outlines the electrical schematics and components related to the Continuously Variable Transmission (CVT) and shift indicator for engine control systems. It includes details on various relays, sensors, and wiring configurations, as well as specifications for systems with and without Smart Entry & Start. The information is structured in a technical format suitable for automotive engineers and technicians.

Uploaded by

Hoan Vũ
Copyright
© © All Rights Reserved
We take content rights seriously. If you suspect this is your content, claim it here.
Available Formats
Download as PDF, TXT or read online on Scribd
You are on page 1/ 24

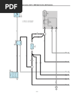
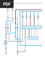
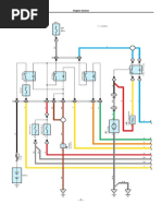
CVT and Shift Indicator, Engine Control

(BAT) (BAT)

7. 5A 15A
AM2 IG2

2 2
1 3 5 2
1
IG2 1 C/OPN
Relay NO. 1
Relay

2 5 3 1

1 1 1 1 1 1

W–B
GR

LG
R
L

L
18 AL1

LG
3 AE2 4 AE2

with Pump & Gage Assembly


4
B

Fuel Suction Tube


Pump
M
GR(∗8)

GR(∗7)
L(∗7)

L(∗8)

L20
5

4 BA2
W–B
P

W–B

4 AM2 IG2 3

ST2 2

E4
Ignition or Starter
(∗8)
W

Switch Assembly P

10 AE7

W(M/T)

W(∗8)

GR(∗7)

L(∗7)

∗ 7 : w/ Smart Entry & Start System


∗ 8 : w/o Smart Entry & Start System
LA

-1-
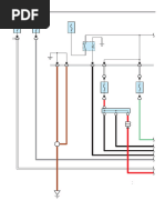
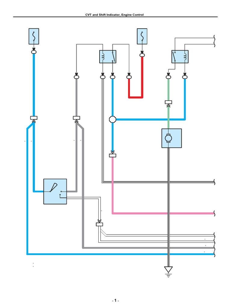
CVT and Shift Indicator, Engine Control
W–B

(BAT)
B L
25A
EFI–
MAIN 1 1

2
5 1 1 1
1
EFI–
MAIN 10A 10A
Relay EFI EFI
NO. 2 NO. 1
3 2
B
2 2

1 1 1
1 1 1 1

B
R

W–B

B
W–B

2 BA2 19 BA1

B
W–B L

R
W–B

P P

W(M/T) W(M/T)

W(∗8) W(∗8)

GR(∗7) GR(∗7)

L(∗7) L(∗7)

AB

-2-
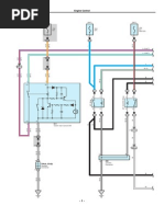
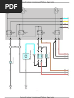
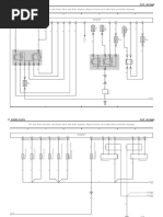
CVT and Shift Indicator, Engine Control
W–B

(BAT) (IG) (BAT) (BAT)

15A 7. 5A 7. 5A 10A
ECU–B IGN STOP ETCS
NO. 3

2 2 2 2

1 1

47 3A 26 3A 13 3A

W–B
W
P

B
5 1 3
B B GND

3 BA2
5 3A

B
L OUT
4 2 A1
Stop Light 23 3A
Switch Assembly
R
B

B
L

L
1 A 2 A 3 A 37 A 10 A 9 A 29 B
BATT +B +B2 IGSW ST1– STP +BM
A40(A), B33(B)
ECM
MREL FC HT1B EX1B OX1B ACIS PRG
46 A 21 A 22 B 135 B 103 B 50 B 76 B
R

B
L

(No. 1 Vacuum Switching


15 BA1 2 BA1 16 BA1

Valve Assembly)
Assembly (ACIS)
B 1 1
Switching Valve
No. 1 Vacuum
Y

B
L

Purge VSV
14 AE2 6 AE2 2 AE3 12 AE3
Oxygen Sensor (Bank 1 Sensor 2)

B42

B19
L
2 2
B

B
L

R 2 1 4 3
+B HT1B E2 OX1B

B
E36

P P

B B

W(M/T) W(M/T)

W(∗8) W(∗8)

GR(∗7) GR(∗7)

L(∗7) L(∗7)

B B B

-3-
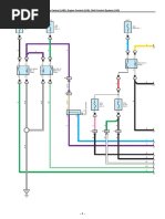
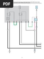
CVT and Shift Indicator, Engine Control

∗ 7 : w/ Smart Entry & Start System


∗ 8 : w/o Smart Entry & Start System

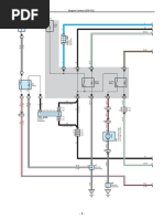
Y
B16(B)
Generator with
Ignition Coil No. 1

Ignition Coil No. 2

Ignition Coil No. 3

Ignition Coil No. 4


Regulator Assembly 2 2 2 2
IGF IGF IGF IGF

M IGT1 IGT2 IGT3 IGT4


B25

B26

B27

B28
1 B 3 3 3 3

W
G
R

Y
L

A40(A), B33(B)
100 B 57 B 56 B 55 B 54 B 102 B ECM
ALT IGT1 IGT2 IGT3 IGT4 IGF1

# 40 # 30 # 20 # 10 ETHA THA E2G VG


19 B 18 B 17 B 20 B 122 B 90 B 92 B 91 B
W

W
G

V
L
Fuel Injector Assembly

Fuel Injector Assembly

Fuel Injector Assembly

Fuel Injector Assembly

2 2 2 2 2 1 4 5
E2 THA E2G VG
No. 4

No. 3

No. 2

No. 1

+B
B13

B12

B11

B10

1 1 1 1 3 B2
Intake Mass Air Flow Meter
Sub–Assembly
P

W(M/T) W(M/T)

W(∗8) W(∗8)

GR(∗7) GR(∗7)

L(∗7) L(∗7)

B B

-4-
CVT and Shift Indicator, Engine Control

(BAT)

120A
ALT

1 1E
W

B29
1 3B Oil Pressure Sensor

PTO VC E2
10A
TAIL 2 3 1
TAIL
Relay
2

8 3A

(CVT)

(CVT)

(CVT)
G

V
G

A40(A), B33(B)
4 A 89 B 120 B 121 B ECM
ELS1 PTO VCPT EPTO

∗ 7 : w/ Smart Entry & Start System


∗ 8 : w/o Smart Entry & Start System

W(M/T) W(M/T)

W(∗8) W(∗8)

GR(∗7) GR(∗7)

L(∗7) L(∗7)

B B

-5-
CVT and Shift Indicator, Engine Control

(BAT) (IG)

30A 7. 5A
DEF HTR–IG

2 2

1 50 3A

G
B

E. F. I. Engine Coolant
Temperature Sensor
1

1
1 1 B
1
5 1

B4
2
4 10A
DEF DEF–S
Relay

3 2 2
B

1 1

BR

B
L

A40(A), B33(B)
17 A ECM 94 B 93 B
ELS2 ETHW THW

E57(A), E59(C)
Certification ECU

AGND SSW1 SSW2 IG2D +B STAR STA


24 C 28 C 30 C 9 A 2 A 5 A 7 A
(∗7)

(∗7)

(∗7)
BR

SB

(∗7)

(∗7)

(∗7)

(∗7)
GR

LG
W
L

6 5 1
AGND SS1 SS2

SS1 SS2 AGND


10 AE7 1 AE7
Free
Engine Switch

Full
Traveling
(∗7)

(∗7)
LG
W
E60

LG(∗7)

W(M/T) W(M/T)

W(∗8) W(∗8)

GR(∗7) W(∗7)

L(∗7)

B B

-6-
CVT and Shift Indicator, Engine Control
B24
Throttle Body Assembly

Cooling Fan ECU


E2 VC VTA VTA2 M+ M–

A31(A)
SI
3 5 6 4 2 1
2 A

(Shielded)
LG
G

P
L

R
BR
A40(A), B33(B)
ECM 116 B 115 B 84 B 83 B 60 B 30 B 58 B 45 A
ETA VCTA VTA1 VTA2 M+ M– GE01 RFC

IMO IMI STA


29 A 28 A 22 A
E25 E84
ID Code Box Transponder Key
(Immobiliser Code ECU) ECU Assembly A38
No. 1 Junction Connector
LG

EFIO EFII EFIO EFII


22 19 20
4 3 13 12
(∗7)

(∗7)

(∗8)

(∗8)
LG

LG

LG
P

(CVT)
(M/T)
(∗7)
LG

LG

LG

1
Switch Assembly

21 BA1
13 AE7 12 AE7
Clutch Start
A50

2
(CVT)
(M/T)

LG
W

LG(∗7)

W(M/T)

W(∗8) LG(CVT)

W(∗7) W(∗7)

W(∗8)

B B

-7-
CVT and Shift Indicator, Engine Control

∗ 7 : w/ Smart Entry & Start System


∗ 8 : w/o Smart Entry & Start System

A2
Accelerator Pedal Sensor Assembly

Hall IC Hall IC

VCPA VPA EPA VCP2 VPA2 EPA2


4 6 5 1 3 2
W

R
B

P
L
A40(A), B33(B)
ECM 53 A 51 A 52 A 56 A 54 A 55 A
VCPA VPA EPA VCP2 VPA2 EPA2

NSW HA1A A1A– A1A+


63 B 23 B (Shielded) 134 B 133 B

A38
R

Y
L

No. 1 Junction Connector


W

6 5 4
(CVT)

13 BA2
(∗7)

(∗8)
W

1 4 3
20 BA1 HA1A A1A– A1A+

+B
(CVT)
W

2 B17
Air Fuel Ratio Sensor
Park/Neutral Position

4 (Bank 1 Sensor 1)
Switch Assembly

B L

P
B
B14

LG(CVT)

W(∗7)

W(∗8)

(Shielded)
B

-8-
P

127 B

(Shielded)
NIN+
(CVT)

B30(A), B45(B)
Transmission Revolution
Sensor (Primary)
V

128 B
(Shielded)

NIN–
(CVT)

1 B (∗4)
1 A (∗3)
2 B (∗4)
2 A (∗3)
B B

123 B

2 BD1
KNK1
R

130 B
NOTB
(CVT)

2
1
W W

124 B

1 BD1
EKNK
B31(A), B46(B)
D1 Transmission Revolution
Knock Control Sensor (Secondary)
Sensor (Bank 1) G

129 B
NOTO
(CVT)

1 B (∗4)
1 A (∗3)
2 B (∗4)
2 A (∗3)

ECM

BR
(Shielded)

A40(A), B33(B)
R

78 B
NE+

-9-
1
2
G Y

110 B
74 B

NE–
OC1–

B15
CVT and Shift Indicator, Engine Control

Crank Position
Sensor
1
2

B
75 B

BR
OC1+
∗ 4 : 3ZR–FE
∗ 3 : 2ZR–FE

B23
Camshaft Timing Oil Control
Valve Assembly (Intake Side)
BR BR

P
64 B

BR
OE1–

16 B
E1
1
2

G
65 B

W–B
OE1+

51 B

BB
E01

B22
Camshaft Timing Oil Control
Valve Assembly (Exhaust Side)
W–B
52 B
E04
CVT and Shift Indicator, Engine Control

(IG)

7. 5A
ECU–IG
NO. 2 RB PL RL NL DL

Park/Neutral Position
2

Switch Assembly
R
49 3A
N

B14
D
(CVT)
G

1 3 2 8 7

(CVT)

(CVT)

(CVT)
R

L
26 BA1

(CVT)

(CVT)

(CVT)

(CVT)
GR
V

V
L
GR
(M/T)
A40(A), B33(B)
ECM 99 B 79 B 97 B 81 B
P R N D

ME01 E02 EC NTB NTO DSU DS1 DS2


59 B 21 B 50 A 126 B 125 B 71 B 70 B 69 B
(CVT ∗3)

(CVT ∗3)
(∗4)

(∗4)

(∗4)

(∗4)

(∗4)
GR

GR

G
R
P

P
W–B

W–B

BR

Transmission Revolution Sensor (NT)

2 A 8 A 7 B 5 B 10 B
NTB NTO DSU DS1 DS2
2
W–B

B47

B18(A), B44(B)
CVT Solenoid (Transmission Wire)

BA AB

- 10 -
CVT and Shift Indicator, Engine Control

(IG)
∗ 3 : 2ZR–FE
∗ 4 : 3ZR–FE
7. 5A ∗ 9 : w/ Paddle Shift Switch
ECU–IG
NO. 1 ∗16 : w/o Paddle Shift Switch

36 3A

(M/T)
B
1

Switch Assembly
Clutch Start
2 A49
(M/T)
GR

5 BA1

GR GR
(M/T) (M/T)

A40(A), B33(B)
ECM

SLP+ SLP– SLS+ SLS– SC SL THO1 ETHO SLU+ SLU–


67 B 66 B 73 B 72 B 71 B 68 B 95 B 96 B 48 B 47 B

(CVT ∗3)

(CVT ∗3)
SB

W
1 BA2 6 BA2
(CVT ∗3)

(CVT ∗3)

(CVT ∗3)

(CVT ∗3)

(CVT ∗3)
(CVT)

(CVT)

(CVT)

(CVT)

(CVT)
GR

SB
LG

W
G
R

Y
L

11 BA1 10 BA1
(CVT ∗3)

(CVT ∗3)
SB

5 A 12 A (∗3) 3 A 1 A 7 A (∗3)
4 A 11 A 3 B 8 B (∗4) 9 A 2 B 1 B 6 B (∗4) 6 A 13 A
SLP+ SLP– SLS+ SLS– SC SL THO E2 SLU+ SLU–

B18(A), B44(B)
CVT Solenoid (Transmission Wire)

- 11 -
CVT and Shift Indicator, Engine Control
E65
Transmission Control Switch (Transmission Floor Shift Assembly)

(IG)

7. 5A
ECU–IG
NO. 3 IG S SFTU SFTD E
4 5 3 1 2
2

(CVT ∗16)

(CVT ∗16)
(CVT ∗9)

(CVT ∗9)

(CVT ∗9)
(CVT)

W–B
18 3C

R
B

No. 8 Junction Connector


18

Connector
Junction
16 W W

No. 7
E81
(CVT ∗9) (CVT ∗9)
17
(CVT)

10 21

Connector
B

Junction
19 R R

No. 7
E82

E81
(CVT ∗9) (CVT ∗9)
7 20

11

(CVT ∗9)

(CVT ∗9)

Connector
(CVT)

Junction
W

R
L

No. 5
E79
1

8 AE3 6 AE3 16 AE3 BR


(CVT ∗9)
(CVT)

(CVT)

(CVT)
W

R
L

A40(A), B33(B)
ECM 41 A 42 A 43 A
S SFTU SFTD

SPD CANH CANL TACH TC W


44 A 13 A 26 A 31 A 23 A 27 A
GR

LG
W
V

3 AE7 11 AE7
Junction Connector
No. 2 CAN

6 17
GR

9 13
A39

5 1 16 12 TAC TC 4 AE3
DLC3
W

W
V

CANL CANH
E13

LG

14 6
11 AE2 10 AE2

LG
BE
W

W
L

BE

- 12 -
CVT and Shift Indicator, Engine Control

W W
(CVT ∗9) (CVT ∗9)

R R
(CVT ∗9) (CVT ∗9)

BR
(CVT ∗9)

A40(A), B33(B)
ECM

VV1+ VV1– VCV1 EV1+ EV1– VCE1


82 B 114 B 113 B 80 B 112 B 111 B
(CVT ∗9)
BR
W

W
B

1 2 3 1 2 3
VVI+ VVI– VC VVE+ VVE– VC2

B21 B20
VVT Sensor (Intake Side) VVT Sensor (Exhaust Side)

W W

V V

LG LG

BE BE

W W

W W

L L

V V

EB

- 13 -
CVT and Shift Indicator, Engine Control

∗ 9 : w/ Paddle Shift Switch

W
(CVT ∗9)

R
(CVT ∗9) 2 AE7
(CVT ∗9)

(CVT ∗9)

(CVT ∗9)

(CVT ∗9)
Spiral Cable Sub–Assembly

BR

BR
W
R

7 A 14 A 2 A
SDN SUP ECC
E8(A), z6(F)

14 BA2
12 F 6 F 7 F (CVT ∗9)
BR
GR
O
P
Switch Assembly
Steering Pad
z5(E), z6(F)

3 E 2 E 7 E
O
P

B
Paddle Shift

Paddle Shift
Switch RH
Switch LH

+

(CVT ∗9)
BR

z5(E)
Transmission Shift
Switch Assembly
W W

V V

LG LG

BE BE

W W

W W

L L

V V

BB

- 14 -
CVT and Shift Indicator, Engine Control

(IG) (BAT)

5A 10A ∗ 5 : w/ VSC
ECU–B
METER
NO. 2 ∗ 6 : w/o VSC

2 2

55 3C 1

W
P

24 3A

39 3D

W
E43(A)
39 A 40 A Combination Meter Assembly
IG+ B

5V IC LED Driver

5V+B
Engine
Check

CPU
CAN Controller

5V+B

CAN I/F

CHK CANH CANL


11 A 32 A 31 A
LG

LG

W 4 15
No. 3 CAN
Connector
Junction

V
E55

LG
11 22 16 5 1 12
(∗5)

(∗5)

BE
W
V

W 13 A 22 A
CANH CANL
W Yaw Rate
Sensor
L
E14(A)
Airbag ECU Assembly
V V

- 15 -
CVT and Shift Indicator, Engine Control

E43(A)
Combination Meter Assembly

Buzzer

Display Display
I/F Driver Driver

(Shielded)
(∗6)

(∗6)

(∗6)

(∗6)
CPU

W
R
B

8 AL1 17 AL1 9 AL1 16 AL1


I/F

+S ET SI
6 A 21 A 5 A
(Shielded)
BR

R
V

(∗6)

(∗6)

(∗6)

(∗6)
W
R
B

9 AE6
37 3D 3 1 2
20
Connector

VGS GL1 GGND


Junction
No. 5

(∗6)

(∗6)

(∗6)
W

R
B

B
E79

12
41 3A
W–B
(∗6)

25 A 14 A 11 A (∗5) L53
25 B 14 B 22 B (∗6) 15 B 3 B 26 B Deceleration
Sensor Assembly
CANH CANL SP1 GGND GL1 VGS
W–B

A41(A), A48(B)
Brake Actuator
V Assembly

EB LB

- 16 -
CVT and Shift Indicator, Engine Control

A1 A2 A31
Blue Black Black

1 2 3 4 5 6
1 2 3 4 5 1 2 3

90980-12954 90980-12831 90980-10841

A38
White

1 2 3 4 5 6 7 8 9 10 11

12 13 14 15 16 17 18 19 20 21 22

90980-12372

A39
Black

1 2 3 4 5 6 7 8 9 10 11

12 13 14 15 16 17 18 19 20 21 22

90980-12372

A40
Black

1 2 3 4 5 6 7 8 9 10 11 12 13
22 23 24 25 26
14 15 16 17 18 19 20 21
27 28 29 30 31
32 33 34 35 36 37 38 39 40 41 42 43 44 45 46
47 48 49 50 51 52 53 54 55 56 57 58 59 60

90980-12931

- 17 -
CVT and Shift Indicator, Engine Control

A41
Black

1 2 3 4 5 6 7 8 9 10 11 12

13 14 15 16 17 18 19 20 21 22 23 24
25 26 27 28 29 30 31 32 33 34

90980-12686

A48 A49 A50


Black White Black

1 2 1 2

90980-10825 90980-10825

1 3 4 5 6 7 12

13 14 15 16 17 18 19 22 24
25 26 28 32 34

82824-52440

B2 B4 B10 B11 B12


Black Gray Black Gray Black

1 2 1 2 1 2 1 2
1 2 3 4 5

90980-10735
90980-11875 90980-11875 90980-11875

90980-12292

B13 B14 B15 B16 B17


Gray Black Black Gray Gray

1 2
1 2 1 2
1 2 3 4 1 2 3 4

90980-11875 5 6 7 8 9
90980-12A43

90980-12611
90980-10869

90980-12362

- 18 -
CVT and Shift Indicator, Engine Control

B18 B19 B20 B21 B22


Gray Blue Black Gray Black

1 2 3 1 2 3 1 2
1 2 3 4 5 6 1 2
7 8 9 10 11 12 13
90980-11162

90980-12353 90980-12353
90980-11156
90980-12326

B23 B24 B25 B26 B27


Gray Black Black Gray Black

1 2 1 2 3 4 1 2 3 4 1 2 3 4
1 2 3 4 5 6

90980-11162 90980-11885 90980-11885 90980-11885


90980-11858

B28 B29 B30 B31


Gray Black Black Gray

1 2 3 4
1 2 3
1 2 1 2

90980-11885

90980-10845
90980-11156 90980-11156

B33
Black

16 17 18 19 20 21 22 23 24 25 26 27 28 29 30

46 47 48 49 50 51 52 53 54 55 56 57 58 59 60
61 62 63 64 65 66 67 68 69 70 71 72 73 74 75
76 77 78 79 80 81 82 83 84 85 86 87 88 89 90 91 92 93 94 95 96 97 98 99 100 101 102 103
109 110 111 112 113 114 115 116 117 118 119 120 121 122 123 124 125 126 127 128 129 130 131 132 133 134 135

90980-12974

B42 B44 B45 B46


Black Gray Gray Black

1 2 1 2 3 4 5 1 2 1 2

6 7 8 9 10

90980-11156 90980-11156 90980-11156


90980-11658

- 19 -
CVT and Shift Indicator, Engine Control

B47 D1 E4 E8
Black Black White Black

1 2

1 2 1 2 3 4 5 6 7
1 2 3 4
90980-11875 5 6 7 8 8 9 10 11 12 13 14

90980-11156
90980-12370
90980-11615

E13 E14 E25 E36


White Yellow White Dark Gray

1 2 3 4 5 6 7 8 9 10 1 2

1 2 3 4 5 3 4
11 12 13 14 15 16 17 18 19 20
16 15 14 13 12 11 10 9

90980-12366 90980-11028
8 7 6 5 4 3 2 1 21 22 23 24 25 26 27 28 29 30

90980-12391

90980-11665

E43
Black

1 2 3 4 5 6 7 8 9 10 11 12 13 14 15 16 17 18 19 20

21 22 23 24 25 26 27 28 29 30 31 32 33 34 35 36 37 38 39 40

90980-12557

E55 E57
Gray White

1 2
1 2 3 4 5 6 7 8 9 10 11 3 4 5 6 7 8 9 10
12 13 14 15 16 17 18 19 20 21 22 11 12 13 14 15 16 17 18

82824-52390
90980-12372

- 20 -
CVT and Shift Indicator, Engine Control

E59 E60 E65


White Black White

1 2 3 4 5 1 2 3 4 5

1 2 3 4 5 6 6 7 8 9 10

7 8 9 10 11 12 13 14 15 16 17 18 90980-12954

90980-12368
19 20 21 22 23 24 25 26 27 28 29 30

82824-52370

E79
Gray

1 2 3 4 5 6 7 8 9 10 11

12 13 14 15 16 17 18 19 20 21 22

90980-12372

E81
White

1 2 3 4 5 6 7 8 9 10 11

12 13 14 15 16 17 18 19 20 21 22

90980-12372

E82 E84
White Black

1 2 3 4 5

6 7 8 9 10 11 12 13 14 15 16
1 2 3 4 5 6 7 8 9 10 11

12 13 14 15 16 17 18 19 20 21 22

90980-12423

90980-12372

- 21 -
CVT and Shift Indicator, Engine Control

L20 L53 z5 z6 1E
White Black White Black
White

1 2 3
1 2 3
1 2 3 4 1 2 3 4 5 6
4 5
5 6 7 8 7 8 9 10 11 12 1

90980-11077 90980-10845
90980-12221 82824-74010
90980-12559

3A 3B
White White

1 2 3 4 5 6 7 8 9 10 11 12 13 14

15 16 17 18 19 20 21 22 23 24 25 26 27 28 29 30 31 32 33 34 35
1
36 37 38 39 40 41 42 43 44 45 46 47 48 49 50 51 52 53 54 55 56

90980-12756

90980-12A15

3C
White

1 2 3 4 5 6 7 8 9 10 11 12 13 14

15 16 17 18 19 20 21 22 23 24 25 26 27 28 29 30 31 32 33 34 35

36 37 38 39 40 41 42 43 44 45 46 47 48 49 50 51 52 53 54 55 56

90980-12890

3D
White

1 2 3 4 5 6 7 8 9 10 11 12

13 14 15 16 17 18 19 20 21 22 23 24 25 26 27 28 29 30

31 32 33 34 35 36 37 38 39 40 41 42 43 44 45 46 47 48

90980-12887

- 22 -
CVT and Shift Indicator, Engine Control

AE2
White

11 10 9 8 7 6 5 4 3 2 1
1 2 3 4 5 6 7 8 9 10 11
18 17 16 15 14 13 12
12 13 14 15 16 17 18

90980-12742
90980-12743

AE3
White

10 9 8 7 6 5 4 3 2 1
1 2 3 4 5 6 7 8 9 10
18 17 16 15 14 13 12 11
11 12 13 14 15 16 17 18

90980-12738
90980-12739

AE6
Gray

11 10 9 8 7 6 5 4 3 2 1
1 2 3 4 5 6 7 8 9 10 11
22 21 20 19 18 17 16 15 14 13 12
12 13 14 15 16 17 18 19 20 21 22

90980-12372
90980-12371

AE7
Gray

9 8 7 6 5 4 3 2 1
1 2 3 4 5 6 7 8 9
18 17 16 15 14 13 12 11 10
10 11 12 13 14 15 16 17 18

90980-12412
90980-12411

- 23 -
CVT and Shift Indicator, Engine Control

AL1
White

11 10 9 8 7 6 5 4 3 2 1
1 2 3 4 5 6 7 8 9 10 11
18 17 16 15 14 13 12
12 13 14 15 16 17 18

90980-12742
90980-12743

BA1
White

14 13 12 11 10 9 8 7 6 5 4 3 2 1
1 2 3 4 5 6 7 8 9 10 11 12 13 14
26 25 24 23 22 21 20 19 18 17 16 15
15 16 17 18 19 20 21 22 23 24 25 26

90980-12771
90980-12770

BA2 BD1
White Gray

2 1

6 5 4 3 2 1 1 2
1 2 3 4 5 6
90980-11155
7 8 9 10 11 12 12 11 10 9 8 7

13 14 15 16 17 18 18 17 16 15 14 13
90980-11156

90980-12745
90980-12744

- 24 -

You might also like