KEMBAR78
School Project | PDF | Transformer | Inductor
0% found this document useful (0 votes)
21 views4 pages

School Project

The document discusses the function and importance of transformers in electricity distribution, specifically their role in stepping up and stepping down voltage for efficient transmission. It outlines an experiment to investigate the relationship between input/output voltage ratios and the number of turns in primary and secondary coils of a self-designed transformer. The procedure includes materials needed, theoretical background, and a series of observations based on different configurations of coil turns.

Uploaded by

sijilsubash20
Copyright
© © All Rights Reserved
We take content rights seriously. If you suspect this is your content, claim it here.
Available Formats
Download as DOCX, PDF, TXT or read online on Scribd
0% found this document useful (0 votes)
21 views4 pages

School Project

The document discusses the function and importance of transformers in electricity distribution, specifically their role in stepping up and stepping down voltage for efficient transmission. It outlines an experiment to investigate the relationship between input/output voltage ratios and the number of turns in primary and secondary coils of a self-designed transformer. The procedure includes materials needed, theoretical background, and a series of observations based on different configurations of coil turns.

Uploaded by

sijilsubash20
Copyright
© © All Rights Reserved
We take content rights seriously. If you suspect this is your content, claim it here.
Available Formats
Download as DOCX, PDF, TXT or read online on Scribd
You are on page 1/ 4

Self-Designed Transformer

06.12.2024

NAME:
CLASS and SECTION:
ROLL NO.:
SUBMITTED TO:
1

Introduction

Transformers are amazing devices that help us use electricity efficiently. They’re
everywhere, even if we don’t see them working behind the scenes to make sure power
reaches our homes and workplaces safely. The electricity we use starts its journey at power
stations, but it’s not practical to send it to us directly because the voltage isn’t suitable for
long-distance travel. This is where transformers come in.

At power stations, step-up transformers increase the voltage to super high levels, which
makes it easier to send electricity over long transmission lines with less energy loss. When
the electricity gets closer to where it’s needed, step-down transformers reduce the
voltage to safer levels that our appliances can handle. Whether it’s powering your fridge or
charging your phone, transformers play a big role in keeping our everyday lives running
smoothly.

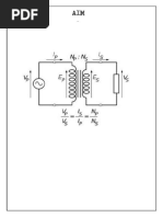
Aim
To investigate the relation between:

1. The ratio of output and input voltage, and

2. The number of turns in the secondary and primary coils of a self-designed


transformer
2

REQUIRED MATERIALS

● Soft iron core


● Insulated copper wire
● AC power supply
● Multimeter
● Connecting wires
● Electrical tape

THEORY

A transformer is a device used to step up or step down AC voltages based on the principle
of electromagnetic induction.

According to the formula:

Vs /Vp=Ns/ Np

Where:

• Vs: Output voltage (secondary voltage)

• Vp: Input voltage (primary voltage)

• Ns: Number of turns in the secondary coil

• Np: Number of turns in the primary coil

Equation demonstrates that the voltage ratio is directly proportional to the turn ratio.
3

PROCEDURE

1. Start by taking a soft iron core and wrapping insulated copper wires around it to
form the primary and secondary coils. Make sure to wind different numbers of turns
on each coil.
2. Connect the primary coil to an AC power supply and switch it on. Use a multimeter
to measure the input voltage across the primary coil.
3. Connect the multimeter to the secondary coil and measure the output voltage.
4. Try different combinations of turns in the primary and secondary coils and record
the input and output voltages for each setup.
5. Make sure to note down the data.

OBSERVATIONS

S. No. No. of Turns in Primary No. of Turns in Input Voltage Output


Coil Secondary Coil (V) Voltage (V)

1 50 100 10 20

2 50 150 10 30

3 100 50 10 5

4 100 200 10 20

5 200 100 10 5

You might also like