KEMBAR78
DCDC Converter ExtraProblem | PDF | Electric Power | Computer Engineering
0% found this document useful (0 votes)
10 views4 pages

DCDC Converter ExtraProblem

The document discusses a step-down buck converter with ideal components, detailing calculations for input current, average input current, and the effects of a 10% reduction in input voltage. It confirms that the converter operates in continuous conduction mode (CCM) and maintains a constant output voltage of 5V while delivering 40W of power. Additionally, it highlights that the converter represents a constant output voltage DC-DC converter due to the lossless nature of the system.
Copyright
© © All Rights Reserved
We take content rights seriously. If you suspect this is your content, claim it here.
Available Formats
Download as PDF, TXT or read online on Scribd
0% found this document useful (0 votes)
10 views4 pages

DCDC Converter ExtraProblem

The document discusses a step-down buck converter with ideal components, detailing calculations for input current, average input current, and the effects of a 10% reduction in input voltage. It confirms that the converter operates in continuous conduction mode (CCM) and maintains a constant output voltage of 5V while delivering 40W of power. Additionally, it highlights that the converter represents a constant output voltage DC-DC converter due to the lossless nature of the system.
Copyright
© © All Rights Reserved
We take content rights seriously. If you suspect this is your content, claim it here.
Available Formats
Download as PDF, TXT or read online on Scribd
You are on page 1/ 4

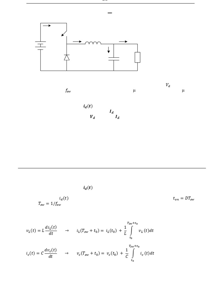
Extra Problem 1 – Buck Converters

id
+ iL L io
Vd
+ vL - +
- iC
- Rload
vdiode D C vo
+
-

In a step-down converter consider all components to be ideal. Let the output voltage be held
constant at 5V by controlling the switch duty ratio D. The input voltage (𝑉𝑑 ) is 30V, the
switching frequency (𝑓𝑠𝑤 ) is 50 kHz, the inductance is 100 H, the capacitance is 470 F and
the output power is 40W.

1.1 Plot the input current, 𝒊𝒅 (𝒕).


1.2 Calculate the average input current, 𝑰𝒅 .
1.3 For a reduction of 10% in 𝑽𝒅 , calculate 𝑰𝒅 .
1.4 Comment on what kind of a load a controlled power electronics converter
represents.

Solution for Extra Problem 1


1.1 Plot the input current, 𝒊𝒅 (𝒕).

To be able to plot 𝑖𝑑 (𝑡) we must first calculate the time the switch is conducting, 𝑡𝑜𝑛 = 𝐷𝑇𝑠𝑤
where 𝑇𝑠𝑤 = 1/𝑓𝑠𝑤 . We start by assuming that the buck converter is operating in steady-state
and CCM (continuous conduction mode which means that the inductor current always is
greater than zero). The output voltage is assumed to be a pure DC-voltage since the output
capacitor is relatively large. For a system in steady state, we know that:
𝑇𝑠𝑤 +𝑡0
𝑑𝑖𝐿 (𝑡) 1
𝑣𝐿 (𝑡) = 𝐿 → 𝑖𝐿 (𝑇𝑠𝑤 + 𝑡0 ) = 𝑖𝐿 (𝑡0 ) + ∫ 𝑣𝐿 (𝑡)𝑑𝑡
𝑑𝑡 𝐿
𝑡0

𝑇𝑠𝑤 +𝑡0
𝑑𝑣𝑐 (𝑡) 1
𝑖𝑐 (𝑡) = 𝐶 → 𝑣𝑐 (𝑇𝑠𝑤 + 𝑡0 ) = 𝑣𝑐 (𝑡0 ) + ∫ 𝑖𝑐 (𝑡)𝑑𝑡
𝑑𝑡 𝐶
𝑡0

1
But since the system is operating in steady state we know that
𝑖𝐿 (𝑇𝑠𝑤 + 𝑡0 ) = 𝑖𝐿 (𝑡0 ) and 𝑣𝑐 (𝑇𝑠𝑤 + 𝑡0 ) = 𝑣𝑐 (𝑡0 ). This results in:
𝑇+𝑡0 𝑇+𝑡0
1 1
0 = ∫ 𝑖𝐶 (𝑡)𝑑𝑡 and 0 = ∫ 𝑣𝐿 (𝑡)𝑑𝑡
𝐶 𝐿
𝑡0 𝑡0

From this derivation it can be seen that the average of the inductor voltage and the average of
the capacitor current must be zero in steady state. The integral above can be compared with
the definition for averaging an arbitrary function.

As in demonstration 1, the fact that the average inductor voltage equals zero over one
switching period can be used to derive the ratio between input and output voltage. As
mentioned before, we have assumed CCM operation which means that a continuous current is
flowing through the inductor. This gives that when the switch is on, the inductor current (𝑖𝐿 )
goes through the switch and the diode is blocking. When the switch is off, the inductor current
is freewheeling through the diode, see pictures below.

id
+ iL io
Vd
+
-
vo

iL io

vo

Since we have assumed a large output capacitor, the output voltage is assumed to be a
constant DC-voltage. When the switch is turned on, the inductor voltage becomes:
𝑣𝐿 = 𝑉𝑑 − 𝑉𝑜 . When the switch is off, the inductor voltage becomes: 𝑣𝐿 = −𝑉𝑜 .
𝐷𝑇𝑠𝑤 𝑇𝑠𝑤
1 1 1
𝑉𝐿 = ∫ 𝑉𝑑 − 𝑉𝑜 𝑑𝑡 + ∫ −𝑉𝑜 𝑑𝑡 = (𝑉 𝐷𝑇 − 𝑉𝑜 𝐷𝑇𝑠𝑤 −𝑉𝑜 𝑇𝑠𝑤 + 𝑉𝑜 𝐷𝑇𝑠𝑤 ) = 0
𝑇𝑠𝑤 𝑇𝑠𝑤 𝑇𝑠𝑤 𝑑 𝑠𝑤
0 𝐷𝑇𝑠𝑤

𝑉𝑜 5𝑉
𝑉𝑜 = 𝑉𝑑 𝐷 → 𝐷 = = = 0.167
𝑉𝑑 30𝑉

2
The inductor voltage and current can now be plotted:
vL

25V

t Since v L and L are


-5V constant the derivative of
DTsw Tsw the inductor current must
iL
be constant. This gives a
linear increase and
decrease of the inductor
iL IL current.

t
DTsw Tsw
Border between CCM and DCM

Now we have to check our assumption of CCM. From the figure we see that if 𝐼𝐿 ≥ ∆𝑖𝐿 /2
then the converter is operating in CCM. During the on-time of the switch, the inductor voltage
is constant (𝑣𝐿 = 𝑉𝑑 − 𝑉𝑜 ) which gives

∆𝑖𝐿 𝑣𝐿 ∆𝑡 (𝑉𝑑 − 𝑉𝑜 ) ∙ 𝐷𝑇𝑠𝑤 (30𝑉 − 5𝑉) 1 1


𝑣𝐿 = 𝐿 → ∆𝑖𝐿 = = = ∙ ∙ = 0.83𝐴
∆𝑡 𝐿 𝐿 100𝜇𝐻 6 50𝑘𝐻𝑧

The next step is to define and calculate the average inductor current, 𝐼𝐿 . We know that the
inductor current (𝑖𝐿 ) consists of two parts, 𝑖𝐶 and 𝑖𝑜 . Since the converter is operating in
steady-state, the average current must be zero (𝐼𝐶 = 0), and the since the output voltage is a
DC-voltage, the output current must also be pure DC-current (𝑖𝑜 = 𝐼𝑜 ) due to the purely
resistive load. The average capacitor current can be calculated as:
𝑇𝑠𝑤 𝑇𝑠𝑤 𝑇𝑠𝑤
1 1 1
𝐼𝐶 = ∫ (𝑖𝐿 (𝑡) − 𝐼𝑜 )𝑑𝑡 = ∫ 𝑖𝐿 (𝑡)𝑑𝑡 − 𝐼𝑜 = 0 → ∫ 𝑖𝐿 (𝑡)𝑑𝑡 = 𝐼𝑜 = 𝐼𝐿
𝑇𝑠𝑤 𝑇𝑠𝑤 𝑇𝑠𝑤
0 0 0

The average inductor current must be equal to the output current. This gives that the ripple
current in the inductor must go through the capacitor (𝑖𝐶 = 𝑖𝐿(𝑟𝑖𝑝𝑝𝑙𝑒) = 𝑖𝐿 − 𝐼𝐿 ).

𝑃𝑜 40𝑊
𝐼𝑜 = 𝐼𝐿 = = = 8𝐴
𝑉𝑜 5𝑉

The assumption of CCM is valid since (8𝐴 = 𝐼𝐿 ) > (∆𝑖𝐿 ⁄2 = 0.415). We know that when
the switch is on 𝑖𝑑 = 𝑖𝐿 and when it is off 𝑖𝑑 = 0.

3
The input current 𝑖𝑑 (𝑡) can now be plotted:
id

iL
8A IL

t
DTsw Tsw

1.2 Calculate the average input current, 𝑰𝒅 .

We go back to the definition for average of a waveform and apply it on the input current.
𝑇𝑠𝑤 𝐷𝑇𝑠𝑤
1 𝐷𝑇𝑠𝑤 1 𝐷𝑇𝑠𝑤 1
𝐼𝑑 = ∫ 𝑖𝑑 (𝑡)𝑑𝑡 = ∫ 𝑖𝑑 (𝑡)𝑑𝑡 = ∙ 𝐼𝐿 = 𝐷𝐼𝐿 = 8𝐴 ∙ = 1.33𝐴
𝑇𝑠𝑤 𝑇𝑠𝑤 𝐷𝑇𝑠𝑤 𝑇𝑠𝑤 6
0 0

Another way is to assume that the converter is loss-less:

𝐼𝑜 𝑉𝑜 𝐷𝑉𝑑 𝐼𝑜
𝑃𝑑 = 𝑃𝑜 → 𝐼𝑑 = = = 𝐷𝐼𝑜
𝑉𝑑 𝑉𝑑

1.3 For a reduction of 10% in 𝑽𝒅 , calculate 𝑰𝒅 .

We know that the output voltage is controlled to be constant.

𝑃𝑜 𝑃𝑜 40𝑊
𝐼𝑑 = = = = 1.48𝐴
𝑉𝑑 0.9 ∙ 𝑉𝑑 0.9 ∙ 30𝑉

1.4 Comment on what kind of a load a controlled power electronics converter


represents.

From the equations above it can be seen that the input power is equal to the output power due
to the loss-less converter. The output voltage is kept constant which means that the converter
is a constant output voltage DC-DC converter.

You might also like