KEMBAR78
Model2400 SettingsPanel-V2 Block-Diagram | PDF | Recording | Electrical Engineering
0% found this document useful (0 votes)
71 views1 page

Model2400 SettingsPanel-V2 Block-Diagram

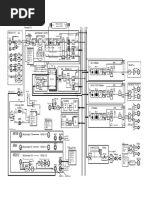
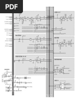
The document provides a detailed overview of the Model 2400 audio mixing console, including its input channels, gain settings, and various output options. It outlines the functionality of each channel, including mic/line inputs, USB connections, and effects processing. Additionally, it describes the console's capabilities for recording and playback, as well as MIDI integration and Bluetooth features.

Uploaded by

Roy Stroebel
Copyright
© © All Rights Reserved
We take content rights seriously. If you suspect this is your content, claim it here.
Available Formats
Download as PDF, TXT or read online on Scribd
0% found this document useful (0 votes)
71 views1 page

Model2400 SettingsPanel-V2 Block-Diagram

The document provides a detailed overview of the Model 2400 audio mixing console, including its input channels, gain settings, and various output options. It outlines the functionality of each channel, including mic/line inputs, USB connections, and effects processing. Additionally, it describes the console's capabilities for recording and playback, as well as MIDI integration and Bluetooth features.

Uploaded by

Roy Stroebel
Copyright
© © All Rights Reserved
We take content rights seriously. If you suspect this is your content, claim it here.
Available Formats
Download as PDF, TXT or read online on Scribd
You are on page 1/ 1

Model 2400

MAIN INSERT
REC OUT POST EQ (MIC/LINE INPUT)
(CHANNEL INPUT: MIC/LINE)
Lch
DIRECT
Gain: Mic: 0~+50dB Input signal indicator
Signal (green) POST COMP/EQ

Input channel 1-12 Inst: 0~+50dB


LINE:-10~+40dB
-28dB
MTR SEND 1-12
(CHANNEL INPUT)
( MAIN )
( MAIN OUTPUT) Rch
Clip (red) MASTER BUS IN
MONO -3dB LOW CUT TRUE-BYPASS
Low cut Off (CHANNEL INPUT :USB/MTR)
Low Cut Equalizer MAIN L MASTER BUS IN
Low cut On
INPUT SELECT COMP CH FADER MAIN POST MAIN FADER SEND MAIN MIX OUT
MIC INPUT
MIC/LINE Freq
MUTE PAN MAIN
Σ MUTE
OUTPUT
MAIN R LEVEL
USB MAIN OUT L
Gain MAIN OUTPUT SEND Lch
MTR Low Mid High
INST SUB1-2
LINE/(Instrument) USB MAIN MIX (MTR RETURN)
( MAIN ) MASTER BUS MAIN OUT R
( CH1/CH2 ) (USB (MTR
RETURN PROCESSOR Rch
INPUT ( CH1/CH2 ) Inst Off RETURN) RETURN)
Comp status SUB3-4
Inst On SD MAIN MIX RETURN
SD MAIN MIX (MTR RETURN 23/24)
BYPASS SUB5-6 RETURN
Channel Insert BYPASS OFF

INPUT BYPASS ON
SUB7-8
EQ IN Low Mid1 Mid2 High
Q Q
COMP IN

USB RETURN 1-12 AUX4 PRE AUX5/FX Send Level


POST
MTR RETURN 1-12 PRE AUX4 Send Level
PFL/AFL
48V Off
MAIN OUT RETURN Global (any solo)
AUX3 Send Level
48V AFL (MAIN)
48V On AUX2 Send Level MAIN OUTPUT METERS

Control by SW for each block AUX1 Send Level


( CH1-4, CH5-8, CH9-12, CH13/14-19/20 )
REC OUT POST EQ (MIC/LINE INPUT)
(CHANNEL INPUT: MIC/LINE) PFL
DIRECT
POST COMP/EQ CONTROL ROOM OUT
Input signal indicator MAIN L
Gain: Mic: 0~+50dB Signal (green)
Input channel 13/14-19/20 MTR SEND 13-19 (odd) MAIN R CONTROL LEVEL
LINE:-20~+30dB -28dB
Low cut Off Lch
Clip (red)
STEREO -3dB Low cut On (CHANNEL INPUT :USB/MTR) MTR SEND 14-20 (even)
BYPASS
INPUT SELECT BYPASS OFF
Low Cut PFL/AFL Lch
MIC INPUT MIC/LINE BYPASS ON Rch
USB
MUTE CH FADER PAN MAIN PFL/AFL Rch Σ
MTR Equalizer PFL/AFL MASTER
LINE INPUT LEVEL
PHONES LEVEL PHONES OUTPUT
(odd)
Gain SUB1-2 PHONES 1
Low Mid High
SUB3-4
(even)

SUB5-6
(USB (MTR
PHONES 2
RETURN) RETURN)
SUB7-8
CLICK
AUX4 PRE TEMPO CLICK To CR / PHONES
AUX5/FX Send Level
POST
USB RETURN 13-19 (odd) START/ CLICKOUT CLICKOUT
PRE AUX4 Send Level
STOP
CLICKOUT
USB RETURN 14-20 (even)
AUX3 Send Level
MTR RETURN 13-19 (odd) AUX OUT
AUX2 Send Level
MTR RETURN 14-20 (even) MUTE AUX1 LEVEL
AUX 1 AUX1 OUT AUX1
AUX1 Send Level AFL (AUX1)

AUX 2 AUX2
PFL
(MIC/LINE INPUT)
(CHANNEL INPUT: MIC/LINE) AUX 3 AUX 2TO 4 THE SAME AS AUX 1 AUX3
AUX 4 AUX4
AUX5 LEVEL
Input signal indicator MUTE
Input channel 21/22 Gain: LINE:-20~+30dB
Signal (green)
-28dB
MTR SEND 21 AUX 5/FX
AUX5 AUX5 OUT AUX5
STEREO Clip (red) AFL (AUX5)
-3dB Low cut Off MTR SEND 22
(CHANNEL INPUT :USB/MTR)
LINE INPUT Low cut On
Low Cut INPUT SELECT FX SEND
CH21 MIC/LINE
CH FADER PAN MAIN
MAIN FX INTERNAL SEND
MUTE
USB
MTR SUB 1-2

DIGITAL EFFECT
SUB1-2 SUB 3-4 PROCESSOR

SUB3-4 SUB 5-6 MUTE


CH22 FX RETURN
(USB (MTR
RETURN) RETURN) SUB5-6 FX INTERNAL RETURN
SUB 7-8
AUX 1 FX RETURN
SUB7-8
USB RETURN 21 AUX 2
LEVEL
( 60mm fader )
USB RETURN 22
AUX4 PRE AUX5/FX Send Level
MTR RETURN 21 POST
PFL (FX)
AUX4 Send Level
MTR RETURN 22 PRE

BLUETOOTH AUX3 Send Level


ASSIGN
SLIDE SW AUX2 Send Level AUX 3
21 AUX 4
AUX1 Send Level
BTL OFF SUB1-2
SUB OUTPUT
MAIN L OUTPUT
BLUETOOTH MUTE LEVEL SUB 1
22
SUB 1
PFL
BTR OFF SUB 1
PAIRING MAIN R
SUB 2 Σ
SUB 2 SUB 2
TALKBACK To MAIN MIX MAIN(SUB1-2)

MIC INPUT MAIN


AFL(SUB1-2)

Gain: Mic: 0~+40dB AUX 1-4

MTR SEND 1-22,


USB USB AUDIO INTERFACE (24 inputs, 22 outputs) SUB 3
SUB 3
MAIN OUT SEND,
ADC
OUTPUT
DELAY DAW transport control and REC READY control SUB 4 Σ SUB 4
POST MAIN FADER SEND,
FX INTERNAL SEND MASTER BUS SUB 5
SUB 3 TO 8 THE SAME AS SUB 1-2 SUB 5
PROCESSOR
SD MTR (24 tracks record/playback ) SUB 6 Σ SUB 6
USB/MTR RETURN 1-22, DIGITAL EFFECT
MAIN OUT RETURN, PROCESSOR <22 tracks + main mix> SUB 7
SUB 7
FX INTERNAL RETURN, DAC
CLICKOUT(+MAIN POST FADER ) MIDI OUT ( MTC, MIDI CLOCK, MIDI message out )
SUB 8 Σ SUB 8
MIDI IN/OUT
MIDI IN ( USB conversion )
TASCAM Model 2400
FOOTSWITCH ( FX MUTE, PUNCH IN/OUT,
TRANSPORT PLAY/PAUSE,
BLOCK DIAGRAM
, SONG SKIP, etc. )
2025/04/22

0625.MA-4047A

You might also like