KEMBAR78
Lexus LS 460 207 | PDF | Air Conditioning | Temperature
0% found this document useful (0 votes)
23 views861 pages

Lexus LS 460 207

Copyright
© © All Rights Reserved
We take content rights seriously. If you suspect this is your content, claim it here.
Available Formats
Download as PDF, TXT or read online on Scribd
0% found this document useful (0 votes)
23 views861 pages

Lexus LS 460 207

Copyright
© © All Rights Reserved
We take content rights seriously. If you suspect this is your content, claim it here.
Available Formats
Download as PDF, TXT or read online on Scribd
You are on page 1/ 861

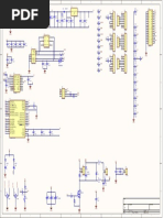
Air Conditioning

(BAT) (BAT) (BAT) (BAT)

25A 25A 50A 50A


PTC HTR 3 PTC HTR 1 PTC HTR
HTR 2

2 2

3 1C
1 1 2 1A
R
(∗1)
Y

B
L

2 Av1

(∗2)
R
W

G
Y

B
L

5 5 5 5 5 5 L

cardiagn.com
(∗1)
P
5 1 5 1 3 1 A40(A), v1(B) 3 B (∗1)
2 Front Blower Motor 3 A (∗2)

A/C Compressor
PTC HTR 3

PTC HTR 1

PTC HTR 2

SOL+ +B
Relay

Relay

Relay

GND S1
SOL–
E11

3 2 3 2 5 2 1 B 2 B (∗1)
1 1 A 2 A (∗2)

5 5 5 5 5 5 W
(∗1)
W–B

W–B

W–B

W–B

(∗2)
W
Y

B
L

1 Av1

W
(∗1)

21 EA1 29 LA3
3 LA5 2 LA5 4 LA5
W–B

W–B
(∗2)

(∗1)

W
Y

B
L

3 A 1 A 2 A
W–B

W–B

B B B
A63(A), A64(B)

13 A
Connector

Connector

13 B
Junction

Junction
A62(B)

E E 3 Av1
L40(A), L41(B) 1 B 2 B 21 B 12 B
PTC Heater
W–B

W–B

W–B

W–B

W–B

W–B
(∗2)

(∗1)

6
Connector
Junction
A70

L1 A8 A2 A5

-1-
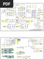
Air Conditioning

(BAT) (IG)
∗ 1 : w/ Air Suspension System
∗ 2 : w/o Air Suspension System
10A 10A
A/C P–IG1–1

20 PA 53 PA

V
L
P

22 EA1

cardiagn.com
7 5B 12 5B
W
G
P

7 LA1 32 LA3 31 LA3 30 LA3 6 5C 7 5C 12 5C


W
G
P

V
L

4 A 26 A 27 A 35 A 6 A 7 A 5 A
SOL+ PTC2 PTC1 PTC3 +B1 +B2 IG+
L76(A), L77(B), z1(C)
A/C Amplifier
BLW RGND GND FGND SG–6 TE
3 A 6 B 1 A 2 A 6 C 7 C
W–B

W–B

W–B
W

1 5E
W 5 12

8 L100
1 5F Junction
Connector
W–B

W–B

57 DA 41 DA

A/C Evaporator
Temperature Sensor

40 DA

z1(C)
A/C Blower Assembly
W–B

L4

-2-
Air Conditioning

z1(C)
A/C Blower Assembly

Air Outlet Damper Control Servo Motor Air Mix Damper Control Servo Motor
Front FACE Position Air Outlet (Front Passenger Side (Front Passenger Side
Damper Control Servo Motor RH Front A/C Rear Air Flow) Front A/C Rear Air Flow)

M M M

cardiagn.com
Connector Connector Connector
Housing Color (Black) Housing Color (Blue) Housing Color (Green)

8 C 9 C 10 C
BFRG BUGL BFRB
L76(A), L77(B), z1(C)
A/C Amplifier
BFLG BUFL BFLB
1 C 2 C 3 C

Connector Connector Connector


Housing Color (Sky Blue) Housing Color (Natural) Housing Color (Red)

M M M

Front FACE Position Air Outlet Air Outlet Damper Control Servo Motor Air Mix Damper Servo Motor
Damper Control Servo Motor LH (Driver Side Front A/C Rear Air Flow) (Driver Side Front A/C Rear Air Flow)

z1(C)
A/C Blower Assembly

-3-
Air Conditioning

z1(C)
A/C Blower Assembly

HOT Position Air Mix Damper M/H Bypass Damper FOOT/DEF Position Air Outlet
Control Servo Motor RH COOL Control Servo Motor Damper Control Servo Motor RH

M M M

cardiagn.com
Connector Connector Connector
Housing Color (Red) Housing Color (Natural) Housing Color (Gray)

L76(A), L77(B), z1(C)


A/C Amplifier

Connector Connector Connector


Housing Color (Green) Housing Color (Brown) Housing Color (Blue)

M M M

HOT Position Air Mix Damper M/H Bypass Damper Control FOOT/DEF Position Air Outlet
Control Servo Motor LH Servo Motor LH Damper Control Servo Motor LH

z1(C)
A/C Blower Assembly

-4-
Air Conditioning

BE

BE
W
G

6 LM1 4 LM1 R

BE
W

V
Front Duct Sensor RH
Front Duct Sensor LH
Temperature Sensor

1 2 2 3 6 2
CLTE CLTB TSR
Front Room

A/C Solar Sensor

TSL
L37

L14

L87

2 1 1 M2 1

cardiagn.com
Light Control
Sensor

SB

V
G

R
Y

Y
L

1 LM1 3 LM1
SB

R
V
9 B 32 B 21 B 12 B 22 B 11 B 7 B 8 B 4 B 3 B
TR SG–1 TFAL SG–2 TFAR SG–3 TSD TSP CANL CANH
L76(A), L77(B), z1(C)
A/C Amplifier
BUSG BUS BUSB
11 C 12 C 13 C

Connector Connector Connector


Housing Color (Red) Housing Color (Natural) Housing Color (Blue)

M M M

Front Cool Position Air Mix Cool Air Bypass Damper Cool Air Bypass Damper
Damper Control Servo Motor LH Control Servo Motor LH Control Servo Motor RH

z1(C)
A/C Blower Assembly

-5-
Air Conditioning

W W

BE BE

(IG)

∗ 7 : 4–Seater 10A
∗ 8 : 5–Seater D–IG1–3

47 DA
G G

R R

R(∗7)

R(∗8)

G
R(∗7)

R(∗8)

cardiagn.com
L
G

G
R

12 3H
6 SL1 3 SL1 5 SL1 4 SL1 7 SL1 7 LX1
G

G
R

R
L

12 3C
21 A 12 A 13 A 14 A 17 A 28 A

L
LIN3 BRRG BURR BRRB SBLW LIN1
L76(A), L77(B), z1(C)
A/C Amplifier 20 LX1

Junction Connector

Junction Connector
V

1 4
W–B
X16

X17
4 1
LG

W–B
R

3 5 1
Connector Connector
Housing Color (Green) Housing Color (Brown) LIN IG E
25 LX1
W–B

Junction Connector

M M X13
A/C Infrared Rays Sensor 10
L100

8
Front Cool Position Air Mix Air Inlet Damper Control Servo Motor
W–B

Damper Control Servo Motor RH

z1(C) 41 DA
A/C Blower Assembly

40 DA
W–B

L4

-6-
Air Conditioning

W W

BE BE

(BAT)

30A
RR A/C

3 1D
G G

R R

R(∗7) R(∗7)

R(∗8) R(∗8)

cardiagn.com
L

1 AS4
G

G
R
L

2 1 8 7 6
SI +B BRRB BURR BRRG

Connector Connector
Housing Color (Natural) Housing Color (Black)
Blower Motor

M M

Rear Diffuse Servo Motor Air Outlet Damper Control Servo Motor
(Passenger Side Front A/C Rear Air Flow)
GND
3 S28
Rear A/C Blower Assembly
W–B

5
S54
Junction
Connector

S1

-7-
Air Conditioning

W W

BE BE

(IG)

∗ 7 : 4–Seater 10A
∗ 8 : 5–Seater RR–IG1–2

59 LA
G G

R R

R(∗7) R(∗7)

R(∗8) R(∗8)

W–B

cardiagn.com
W–B
Y

5 13 L4 11
+S S RMGV E
Rear Magnetic

Connector Connector
Valve

Housing Color (Blue) Housing Color (Red)

M M

Air Outlet Damper Control Servo Motor Rear Emission Servo Motor
(Driver Side Front A/C Rear Air Flow) Smoke Sensor

S28
Rear A/C Blower Assembly

-8-
Air Conditioning

W W

BE BE

G G

R R

R(∗7)

R(∗8)

B B

L W

W–B
(BAT)

cardiagn.com
5A
RR MPX–B 2

57 LA

W
(∗8)
(∗8)
R

11 rS3 (∗9)
9 rS3 6 rS4 (∗10)
(∗8)

(∗8)

(∗7)

(∗7)
W

W
R

R
B

B
L

Rear Console Switch

Rear Console Switch


5 B 7 B 20 B 28 B 14 A 11 A 13 6
W–B

RMGV SMOK CANP CANN RCLN B RCLN B


S62(B)
Rear Junction Block ECU Rear A/C Switch Rear A/C Switch
r2(A)

TSD TSB E CANP CANN E CANP CANN


S15
30 LA
18 B 26 B 3 A 1 A 2 A 5 1 2
B
L

43 LA
(∗8 ∗10)

(∗8 ∗10)
(∗8 ∗9)

(∗8 ∗9)
W–B

W–B
(∗8)

(∗7)

(∗7)

(∗7)
W

W
R
B

5 RS1 16 RS1
W–B

B
L

22 rS3 (∗9) W(∗7)


14 rS4 (∗10)
2 Rv1 1 Rv1 B(∗7)

W(∗8 ∗9)
W–B
V–W

(∗8)
R

B(∗8 ∗9)
Rear Solar Sensor

2 W–B
(∗7)
7 4 W(∗8 ∗10)
Connector

S57
Junction

Junction
v2

R(∗8 ∗10)
S54

1 Connector

S1 S2

-9-
Air Conditioning

W W

BE BE

∗ 7 : 4–Seater
∗ 8 : 5–Seater
∗ 9 : w/ Power Seat
∗10 : w/o Power Seat

G G

R R

cardiagn.com
W

14 3

Connector
Junction
S59
12 1 15 4
W

B
(∗8 ∗10)

(∗8 ∗10)
(∗8 ∗9)

(∗8 ∗9)
(∗7)

(∗7)
W

W
W

B
B

7 rS3 6 rS3 3 rS4 2 rS4


(∗8 ∗10)

(∗8 ∗10)
(∗8 ∗9)

(∗8 ∗9)
W

R
B

W(∗7) B

B(∗7) W

W(∗8 ∗9)

B(∗8 ∗9)

W(∗8 ∗10)

R(∗8 ∗10)

- 10 -
Air Conditioning

W W

BE BE

(BAT) (ACC) (IG)

20A 5A 10A
RADIO P–ACC P–IG1–1
NO. 1

1 PA 33 PA 53 PA

G G

R R

(∗5)

(∗5)

(∗5)
LG
R

V
(∗5)

11 5B 12 5B 8 5F 18 DA
1

Connector
Junction
L94

2
11 5A 12 5A 8 5A 9 DA

cardiagn.com
(∗5)
P
9 3B
(∗5)

(∗5)

(∗5)
(∗5)
LG
R

P
9 3A

(∗5)
P
1 2 3 7 13
+B1 ACC IG TC TC
L35
Integration Control and Panel Assembly

L31
GND1 CANL CANH DLC3
10 25 26
W–B
(∗5)

(∗5)

(∗5)
G

R(∗5)

G(∗5)

B B

W W

L3

- 11 -
Air Conditioning

W W

BE B

Rear Speed Sensor


20 B 18 B 15 A 16 A

Main Body ECU


∗ 5 : w/o Multi Display

L11(A), L12(B)
CLTB CLTE CANN CANP ∗ 6 : w/ Multi Display

CANH CANL

Y
L

L
5 A 6 A

Skid Control ECU


G 11 A 10 A 11 C 10 C

A19(A), A21(C)
RL+ RL– RR+ RR–
R

R CANL CANH FL+ FL– FR+ FR–


8 C 9 C 16 C 15 C 16 A 15 A
G

V
45 LA1 46 LA1
G

G
R

Front Speed Sensor


Junction Connector

cardiagn.com
3 14 4 15 22 11 21 10
L

Connector
Junction

Junction Connector
A67
L97

E52(A), E53(B)
1 12 5 16 20 9 15 A 19 A

22 B 13 B
G

G
R

L
Engine Control Module
Junction Connector

10 21 7 18 13 A 14 A 18 C
A13(A), E1(C)

CANL CANH VC
L98

E2 THW NE+ NE–


9 20
28 C 19 C 27 C 34 C
R–L
BR

L
Temperature Sensor

2 1 2 3
(∗5)

(∗5)

(∗6)

(∗6)
G

G
R

NE NE– VC
Engine Coolant
Display & Navigation

21 D 22 D
Module Display

R(∗5)
E14

CANH CANL E54


1 Crankshaft
G(∗5) Position Sensor
L59(D)

B B

W W

- 12 -
Air Conditioning

W
B

3 14 11 22

4 15 L95
Junction
Connector
W

W
B

B
59 LS1 60 LS1 60 LR1 59 LR1

cardiagn.com
W
B

W
Junction Connector

Junction Connector
B
5 16 15 4

R48
S60

2 13 3 14 13 2 14 3
W

W
R

B
W

W
R
B

15 OR1 14 OR1

Junction Connector
W

14 OS1 15 OS1

7 5
W
R

R57

3 1
W

B W

W R

G G

R R

- 13 -
Air Conditioning

(IG) (BAT) (BAT) (IG)

P RR DOOR
RM–IG1–2

P MPX–B

P–IG1–2
10A
10A
E/G

5A
25A
29 2C 23 PJ 26 PJ 12 PJ
B4
A/C Pressure Sensor

Ambient Temperature Sensor


1

L
– PR +

R42(A), R44(B)
1 2 3 19 A

B5

R
L

Connector
2

Rear Room Temperature


Junction
2
12 B
SB
Y

B
L

Sensor RH
Q4

cardiagn.com
1
14 D 13 D 12 D 20 D 19 D
SG PRS S5 TM TME

Y
L
A63(A), A64(B)

16 A A50(A), B14(D)
Connector

Front Controller
Junction

1 OR1 11 OR1 10 OR1 11 OQ1 19 OQ1


DGSE DGS DGS1 CANP CANN
16 B 9 D 11 D 10 D 3 A 4 A

GR
R

Y
L
W
Y

6 B 11 B 3 B 13 A 26 A
BDR CPUB SIG TRAD TRE
13 BA2 20 AR1 21 AR1
B

O2(A), O3(B)
Rear Door Control ECU RH
W
B

CANP CANN GND


9 B 10 B 1 B
3 1 2 4
W–B

IG SG DGS DGS1
W
R

E
6 B8 2 OR1
Exhaust Gas Sensor
L

B
W–B

W W

R R

G G

R R

4
W–B 1 R41
Junction
W–B

Connector

B2 R3 R1

- 14 -
Air Conditioning

(BAT) (BAT) (IG) (IG) (BAT)

RR MPX–B 2
D RR DOOR

RR–IG1–2
10A 10A
P–J/B D MPX–B 2

10A
25A

5A
2 DD 10 LD 12 LD 30 2C 42 DA

L
1
Y

L136
Junction
6 LA1 Connector
Junction Connector

Rear Room Temperature


R
L

2
1

P
L
Sensor LH
S56

14 13
2
Q9

IG2 B
1

cardiagn.com
R
Y

5V IC

1 OS1 18 OS1 17 OS1 11 OQ2 19 OQ2

CPU
R

Y
L

CAN

Combination Meter
6 B 11 B 3 B 13 C 26 C CONTROLLER
BDR CPUB SIG TRAD TRE

O14(B), O15(C) CAN I/F

L10
Rear Door Control ECU LH

CANN CANP GND CANL CANH ES E2


10 B 9 B 1 B 21 20 18 17
W–B

W–B
BR
W

G
R

2 OS1

6
W–B

L100
Junction
Connector
8
W–B

W
58 PA 41 DA
R

R 43 PA 40 DA
W–B

W–B
BR

S2 L1 L4

- 15 -
Air Conditioning

A 13 A 19
White Black

1 2 3 4 5 6

7 8 9 10 11 12 13 14 15 16 3 4 5 6 7 8 9 10 11 12 13 14 15 16
1 2
17 18 19 20 21 22 23 24 25 26 27 17 18 19 20 21 22 23 24 25 26 27 28 29 30

28 29 30 31 32 33 34 35 31 32
33 34 35 36 37 38 39 40 41 42 43 44 45 46

A 21 A 40 A 50
Gray White White

1 2 3
1 2
3 4 5 6 7 8 9 10 11 12 13 14 15 16
1 2
17 18 19 20 21 22 23 24 25 26 27 28 29 30 3 4 5 6

cardiagn.com
7 8 9 10
31 32
33 34 35 36 37 38 39 40 41 42 43 44 45 46

A 62 A 63 A 64
Blue Black Black

1 2 3 4 5 6 7 8 9 10 11 1 2 3 4 5 6 7 8 9 10 11 1 2 3 4 5 6 7 8 9 10 11
12 13 14 15 16 17 18 19 20 21 22 12 13 14 15 16 17 18 19 20 21 22 12 13 14 15 16 17 18 19 20 21 22

A 67 A 70 B4 B5
Black Gray Black Black

1 2 3
1 2 3 1 2
1 2 3 4 5 6 7 8 9 10 11 4 5 6
12 13 14 15 16 17 18 19 20 21 22

B8 B 14 E1 E 11
Black White White Black

1 2 3
4 5 6 1 2 3 4 5 6 7 1 2
1 2 5 6
3 4
8 9 10 11 12 13 14 15 16 17
7 8 9 10 11 12 13 14 15 16
18 19 20 21 22 23 24 25 26 27
17 18 19 20 21 22 23 24
28 29 30 31 32 33 34

- 16 -
Air Conditioning

E 14 E 52 E 53 E 54
Dark Gray Black Black Black

1 2
1 2 3
1 2 3 4 5 6 7 8 9 10 11 1 2 3 4 5 6 7 8 9 10 11
12 13 14 15 16 17 18 19 20 21 22 12 13 14 15 16 17 18 19 20 21 22

L 10 L 11 L 12 L 14
Black White White Black

1 2
1 2 3 4 5 6 7 8 9 10 11 12 1 4 1 2 3 4 5 6 7 8 9 10
2 3
13 14 15 16 17 18 19 20 21 22 23 24 11 12 13 14 15 16 17 18 19 20
5 6 7 8 9 10
21 22 23 24 25 26 27 28
11 12 13 14 15 16

L 31 L 35 L 37
White White Black

cardiagn.com
1 2

1 2 3 10 11 12
16 15 14 13 12 11 10 9 4 5 6 7 8 9
13 14 15 16 17 18 19 20 21 22 23 24 25 26
8 7 6 5 4 3 2 1

L 40 L 41 L 59
White White White

1 2 3 1 2 1 2 3 10 11 12
4 5 6 7 8 9
13 14 15 16 17 18 19 20 21 22 23 24 25 26

L 76 L 77 L 87 L 94
White White Black Black

1 2 3 4

1 2
1 2 3 4 5 6 7 1 2 3 4 5 6

8 9 10 11 12 13 14 15 16 17 18 19 7 8 9 10 11 12 13 14 15 16
20 21 22 23 24 25 26 27 17 18 19 20 21 22 23 24 25 26 27
28 29 30 31 32 33 34 35 28 29 30 31 32 33 34 35

- 17 -
Air Conditioning

L 95 L 97 L 98
Gray Black Gray

1 2 3 4 5 6 7 8 9 10 11 1 2 3 4 5 6 7 8 9 10 11 1 2 3 4 5 6 7 8 9 10 11
12 13 14 15 16 17 18 19 20 21 22 12 13 14 15 16 17 18 19 20 21 22 12 13 14 15 16 17 18 19 20 21 22

L100 L136 M2 O2
Blue Black Black White

1 2 3 4 5 1 2 3 4
6 7 8 9 10 11 12 1 2
3 4 1 10
5 6 2 3 4 5 6 7 8 9

11 12 13 14 15 16 17 18 19 20 21 22

23 24 25 26 27 28 29 30

O3 O 14 O 15
White White White

cardiagn.com
1 2 5 6 1 2 5 6 1 10
3 4 3 4 2 3 4 5 6 7 8 9

7 8 9 10 11 12 13 14 15 16 7 8 9 10 11 12 13 14 15 16 11 12 13 14 15 16 17 18 19 20 21 22

17 18 19 20 21 22 23 24 17 18 19 20 21 22 23 24 23 24 25 26 27 28 29 30

Q4 Q9 R 41 R 42
White White White Black

1 2 1 2 1 2 3
4 5 6 7 8 1 2 3 4 5 6 7 8 9 10 11
12 13 14 15 16 17 18 19 20 21 22

R 44 R 48 R 57
Black Black Dark Gray

1 2 3 4
1 2 3 4 5 6 7 8 9 10 11 1 2 3 4 5 6 7 8 9 10 11
5 6 7 8
12 13 14 15 16 17 18 19 20 21 22 12 13 14 15 16 17 18 19 20 21 22

S 15 S 28 S 54
White Gray White

1 2 3 4 5 1 2 3
1 2 3 4 5 6 7 8 6 7 8 9 10 11 12 13 4 5 6 7 8
9 10 11 12 13 14 15 16

- 18 -
Air Conditioning

S 56 S 57 S 59
White White Black

1 2 3

1 2 3 4 5 6 7 8 9 10 11 4 5 6 7 8 1 2 3 4 5 6 7 8 9 10 11
12 13 14 15 16 17 18 19 20 21 22 12 13 14 15 16 17 18 19 20 21 22

S 60 S 62 X 13 X 16
Black White White Black

1 2 3 4

1 2 3 4 5 6 7 8 9 10 11 1 2 3 4 5
1 2 3 4 5 6 7 8 9 10
12 13 14 15 16 17 18 19 20 21 22 11 12 13 14 15 16 17 18 19 20
21 22 23 24 25 26 27 28

X 17 r2 v1 v2
Black White White Black

cardiagn.com
1 2 3 4
1 2
1 2 3 4 5
1 2 3
6 7 8 9 10 11 12 13 14 15 16

z1 1A 1C 1D
White White White White

1 2 1 2 1 2
1 2 3 4 5 6 7 8 9 10
11 12 13 14 15 16 17 18 19 20 3 4 3 4

2C 3A
White White

1 2 3 4 5 6 7 8 9 10 11 12

1 2 3 4 5 6 7 8 9 10 11 12 13 14 15 16 17 18

19 20 21 22 23 24 25 26 27 28 29 30 31 32 33 34 35 36

3B 3C
Gray White

1 2 3 4 5 6 7 8 9 10 11 12 1 2 3 4 5 6 7 8 9 10 11 12

3H 5A
Gray White

1 2 3 4 5 6 7 8 9 10 11 12 1 2 3 4 5 6 7 8 9 10 11 12

- 19 -
Air Conditioning

5B 5C
Gray White

1 2 3 4 5 6 7 8 9 10 11 12 1 2 3 4 5 6 7 8 9 10 11 12

5E 5F
White Gray

1 2 3 4 5 6 7 8 9 10 11 12 1 2 3 4 5 6 7 8 9 10 11 12

DA
White

7 8 9 10 11 12 13 14 15 16 17 18 19 20 21 22
1 2 3 4 5 6
23 24 25 26 27 28 29 30 31 32 33 34 35 36 37 38
39 40 41 42 43 44 45 46 47 48 49 50 51 52 53 54 55 56 57 58 59 60

DD
Gray

cardiagn.com
7 8 9 10 11 12
1 2 3 4 5 6
13 14 15 16 17 18
19 20 21 22 23 24 25 26 27 28 29 30

LA
White

7 8 9 10 11 12 13 14 15 16 17 18 19 20 21 22
1 2 3 4 5 6
23 24 25 26 27 28 29 30 31 32 33 34 35 36 37 38
39 40 41 42 43 44 45 46 47 48 49 50 51 52 53 54 55 56 57 58 59 60

LD
Gray

7 8 9 10 11 12
1 2 3 4 5 6
13 14 15 16 17 18
19 20 21 22 23 24 25 26 27 28 29 30

PA
White

7 8 9 10 11 12 13 14 15 16 17 18 19 20 21 22
1 2 3 4 5 6
23 24 25 26 27 28 29 30 31 32 33 34 35 36 37 38
39 40 41 42 43 44 45 46 47 48 49 50 51 52 53 54 55 56 57 58 59 60

- 20 -
Air Conditioning

PJ
Gray

7 8 9 10 11 12
1 2 3 4 5 6
13 14 15 16 17 18
19 20 21 22 23 24 25 26 27 28 29 30

AR1 AS4
White White

11 10 9 8 7 6 5 4 3 2 1 3 2 1
1 2 3 4 5 6 7 8 9 10 11 1 2 3
22 21 20 19 18 17 16 15 14 13 12
12 13 14 15 16 17 18 19 20 21 22

Av1 BA2

cardiagn.com
White Gray

1 1
9 8 7 6 5 4 3 2 1
1 2 3 4 5 6 7 8 9
2 3 3 2 25 16 15 14 13 12 11 10 17
17 10 11 12 13 14 15 16 25 24 23 22 21 20 19 18
18 19 20 21 22 23 24

EA1
White

9 8 7 6 5 4 3 2 1
1 2 3 4 5 6 7 8 9
25 16 15 14 13 12 11 10 17
17 10 11 12 13 14 15 16 25 24 23 22 21 20 19 18
18 19 20 21 22 23 24

LA1
White

7 8 9 10 11 12 13 14 15 16 17 18 19 20 21 22
1 2 3 4 5 6
23 24 25 26 27 28 29 30 31 32 33 34 35 36 37 38
39 40 41 42 43 44 22 21 20 19 18 17 16 15 14 13 12 11 10 9 8 7
45 46 47 48 49 50 51 52 53 54 55 56 57 58 59 60 6 5 4 3 2 1
38 37 36 35 34 33 32 31 30 29 28 27 26 25 24 23
60 59 58 57 56 55 54 53 52 51 50 49 48 47 46 45 44 43 42 41 40 39

- 21 -
Air Conditioning

LA3
White

7 8 9 10 11 12 13 14 15 16 17 18 19 20 21 22
1 2 3 4 5 6
23 24 25 26 27 28 29 30 31 32 33 34 35 36 37 38
39 40 41 42 43 44 22 21 20 19 18 17 16 15 14 13 12 11 10 9 8 7
45 46 47 48 49 50 51 52 53 54 55 56 57 58 59 60 6 5 4 3 2 1
38 37 36 35 34 33 32 31 30 29 28 27 26 25 24 23
60 59 58 57 56 55 54 53 52 51 50 49 48 47 46 45 44 43 42 41 40 39

LA5 LM1
White White

1 2
1 2 3 4 5 6 7 2 1
3 4 2 1 7 6 5 4 3
4 3

cardiagn.com
LR1
White

7 8 9 10 11 12 13 14 15 16 17 18 19 20 21 22
1 2 3 4 5 6
23 24 25 26 27 28 29 30 31 32 33 34 35 36 37 38
39 40 41 42 43 44 22 21 20 19 18 17 16 15 14 13 12 11 10 9 8 7
45 46 47 48 49 50 51 52 53 54 55 56 57 58 59 60 6 5 4 3 2 1
38 37 36 35 34 33 32 31 30 29 28 27 26 25 24 23
60 59 58 57 56 55 54 53 52 51 50 49 48 47 46 45 44 43 42 41 40 39

LS1
White

7 8 9 10 11 12 13 14 15 16 17 18 19 20 21 22
1 2 3 4 5 6
23 24 25 26 27 28 29 30 31 32 33 34 35 36 37 38
39 40 41 42 43 44 22 21 20 19 18 17 16 15 14 13 12 11 10 9 8 7
45 46 47 48 49 50 51 52 53 54 55 56 57 58 59 60 6 5 4 3 2 1
38 37 36 35 34 33 32 31 30 29 28 27 26 25 24 23
60 59 58 57 56 55 54 53 52 51 50 49 48 47 46 45 44 43 42 41 40 39

LX1
White

9 8 7 6 5 4 3 2 1
1 2 3 4 5 6 7 8 9
25 16 15 14 13 12 11 10 17
17 10 11 12 13 14 15 16 25 24 23 22 21 20 19 18
18 19 20 21 22 23 24

- 22 -
Air Conditioning

OQ1
White

9 8 7 6 5 4 3 2 1
1 2 3 4 5 6 7 8 9
25 16 15 14 13 12 11 10 17
17 10 11 12 13 14 15 16 25 24 23 22 21 20 19 18
18 19 20 21 22 23 24

OQ2
White

9 8 7 6 5 4 3 2 1
1 2 3 4 5 6 7 8 9
25 16 15 14 13 12 11 10 17
17 10 11 12 13 14 15 16 25 24 23 22 21 20 19 18
18 19 20 21 22 23 24

cardiagn.com
OR1
White

6 5 4 3 2 1

1 2 3 4 5 6 21 20 19 11 10 9 8 7 13 12
7 8 9 10 11 19 18 17 16 15 14
12 13 20 21
14 15 16 17 18

OS1
White

6 5 4 3 2 1

1 2 3 4 5 6 21 20 19 11 10 9 8 7 13 12
7 8 9 10 11 19 18 17 16 15 14
12 13 20 21
14 15 16 17 18

- 23 -
Air Conditioning

RS1 Rv1
White White

1 2 2 1
11 10 9 8 7 6 5 4 3 2 1
1 2 3 4 5 6 7 8 9 10 11
22 21 20 19 18 17 16 15 14 13 12
12 13 14 15 16 17 18 19 20 21 22

SL1
White

1 2 3 4 5 6 7 7 6 5 4 3 2 1

8 9 10 11 12 13 14 14 13 12 11 10 9 8

cardiagn.com
rS3
White

11 10 9 8 7 6 5 4 3 2 1
1 2 3 4 5 6 7 8 9 10 11
22 21 20 19 18 17 16 15 14 13 12
12 13 14 15 16 17 18 19 20 21 22

rS4
White

1 2 3 4 5 6 7 7 6 5 4 3 2 1

8 9 10 11 12 13 14 14 13 12 11 10 9 8

- 24 -
Adaptive Front-Lighting System

(IG) (IG)

10A 10A
E/G RM–IG1–1 E/G RM–IG1–2

14 2C 29 2C

16 A
A63(A)
Junction
Connector
GR

18 A

Y
A37
15 14 AFS ECU
IG IGS

SHFL SBR SGR SHRL


17 18 21 19

LG LG(∗1)

cardiagn.com
(∗1)
GR(∗1) GR(∗1)

BR(∗1) BR(∗1)

L(∗1) L(∗1)
(∗2)

(∗2)
BR

LG

13 AS1 14 AS1 12 AS1


(∗2)

(∗2)

(∗2)
GR

BR

LG

56 LA 54 LA 58 LA
(∗2)

(∗2)

(∗2)

(∗2)

(∗2)
GR

GR
BR

BR
L

Junction Connector

Connector

3 B 4 B 20 B 21 B 34 LA 53 LA 36 LA 18 LA 52 LA 33 LA
A61(A), A62(B)

Junction
A62(B)

GR

GR(∗1)
BR

LG
Rear Pad Wear Indicator Switch

19 B
Rear Height Control Sensor LH

BR(∗1)
9 A 1 3 2
Rear Speed Sensor LH

LG(∗1)
SHG SHB SHRL

Rear Height Control


(∗2)

(∗2)

(∗2)
GR
BR
L

Sensor LH
S69

L(∗1) L(∗1)

BR(∗1) BR(∗1)
Front Height Control Sensor LH

GR(∗1) GR(∗1)

2 3 1
SHFL SHB SHG
A4

-1-
Adaptive Front-Lighting System

∗ 1 : w/ Air Suspension System


∗ 2 : w/o Air Suspension System

A37
AFS ECU

SMGL SML SMBL LHT LH+ LH–


23 29 1 3 30 27

LG(∗1)

cardiagn.com
GR(∗1)

BR(∗1)

L(∗1)
BE

BE
W
L

L
A39(A), L88(B), R1(C)
Air Suspension
21 A 23 A 24 A 19 A Control ECU
SHF2 SBL3 SGL3 SHR2

SGL2 SBL2 SHRL SHFL SBL1 SGL1


23 C 24 C 30 C 22 A 18 B 22 B
(∗1)

(∗1)

(∗1)

(∗1)

(∗1)

(∗1)
GR

BR

LG

LG
R
L

16 BA1 17 BA1 18 BA1 9 BA1 8 BA1 7 BA1

3 RS3 2 RS3 1 RS3 53 LA3 56 LA3


GR

BE
W
G
L

L
(∗1)

(∗1)

(∗1)

(∗1)
GR
BR

BR
LG

GR(∗1)
24 23 22 13 14 15
BR(∗1)
SMGL SML SMBL LHB1 LHM+ LH E

LG(∗1)

Headlight Swivel Motor Headlight Leveling Motor

B1
L(∗1) Headlight LH

BR(∗1)

GR(∗1)

-2-
Adaptive Front-Lighting System

A37
AFS ECU

SMGR SMR SMBR RHT RH+ RH– E1 CANH CANL


24 10 2 4 11 28 22 12 13

cardiagn.com
W–B
P

A63(A), A64(B)

11 B
BE

Connector
Junction

G
R
1 A
BE
V

15 LA3 16 LA3

G
R

15 BA1 14 BA1 13 BA1 4 BA1 5 BA1 6 BA1


LG

W
R

V
L

11 22 Connector
Junction
L98

7 18
24 23 22 13 14 15
SMGR SMR SMBR RHB1 RHM+ RH E
G
R

Headlight Swivel Motor Headlight Leveling Motor

B11
Headlight RH

G
W–B

A6

-3-
Adaptive Front-Lighting System

Front Speed Sensor Rear Speed Sensor

B
B

Y
L

Skid Control ECU


16 C 15 C 16 A 15 A 11 A 10 A 11 C 10 C 15 A 16 A

Main Body ECU


A19(A), A21(C)
FL+ FL– FR+ FR– RL+ RL– RR+ RR– CANN CANP

L11(A)
CA1L CA1H CANL CANH CANL CANH
29 C 30 C 8 C 9 C 6 A 5 A

cardiagn.com
LG

R
P

V
L

13 2 21 10
Connector
Junction
A67

12 1 22 11
W

R
B

49 LA1 48 LA1 46 LA1 45 LA1


W

R
B

22 11 15 4 14 3
Connector
Junction
L97

19 8 12 1 16 5
W

R
R

9 10
CA1L CA1H

L21
Steering Angle Sensor

G R

R G

-4-
Adaptive Front-Lighting System

(IG) (BAT)
5A D–IG1–1

D MPX–B 1
10A

W
B L95
21 DA 36 DA 3 14 Junction Connector
G

10 21 7 18 11 22 8 19
12 5F 5 5F
W

W
R
B

B
59 LR1 60 LR1
12 5I 5 5I

W
G

cardiagn.com
11 12 4 15

Connector
Junction
IG B

R48
Outer Mirror Switch

3 14
AFS OFF Switch
Assembly

E CANN CANP
L6

W
B

1 3 2
W–B

5 7
Connector
Junction

1 5I
R57

1 3

1 5F
W
B
W–B

57 DA
20 AR1 21 AR1 W

R
W
B

40 DA W

B
W–B

R R

G G

L4

-5-
Adaptive Front-Lighting System

(BAT) (IG) (IG) (BAT) (BAT) (BAT)

E/G RM–IG1–2

FR CTRL BAT

FR CTRL ALT
10A ECU–B
P–D/C CUT

D–IG1–1
5A

20A
5A

30A
10A
28 2C 4 2C 5 2A 4 2A
21 DA

35 PA

LG
Y

L
2 1
G
B

BCUT CUTD 5 A 1 A 1 C 5 C

Front Controller
A50(A), A52(C)
FMIG FMB3 BATB ALTB

Electric Power HEAD CANN CANP E


Control ECU 8 5B 12 5F 8 A 4 A 3 A 2 A

W–B
W
R

B
8 5J 12 5J 42 LA3

cardiagn.com
G

R
B

L25(A), z6(B)
1 A 2 A Windshield Wiper Switch 7 A
B IG HEAD

CANN CANP E
6 A 5 A 8 A
GR
W

O
W–B
W

12 B 19 B 20 B
EL A H
1 5J

EL AUTO T H

OFF
1 5F
Tail
W–B

Head W–B

AUTO
57 DA
A63(A), A64(B)

Light Control Switch 15 A Connector


Junction

z6(B)
W 40 DA Headlight Dimmer Switch 21 B

R
W–B

W–B

W W

B B

R R

G G
W–B

L4 A8

-6-
Adaptive Front-Lighting System

(IG) (BAT)

10A 10A
P–J/B D MPX–B 2

30 2C 42 DA

L
1
L136
Junction
6 LA1 Connector
2

P
L
L10
Combination Meter 14 13
IG2 B
TFT Module

cardiagn.com
TFT Panel CPU
TFT
CPU

MPX–B Buzzer

AFS OFF
Master
5V IC
IG2 I/F
Back Light
Body
Earth
CPU

Signal LED DRIVER


CAN CONTROLLER
Earth

CAN I/F

CANN CANP CANH CANL ES E2


23 22 20 21 18 17
W–B
BR
W

G
R
B

6
Connector
Junction
L100

8
W–B

58 PA 41 DA
W

R 43 PA 40 DA

G
W–B
BR

L1 L4

-7-
Adaptive Front-Lighting System

A4 A 19
Black Black

1 2 3

3 4 5 6 7 8 9 10 11 12 13 14 15 16
1 2
17 18 19 20 21 22 23 24 25 26 27 28 29 30

31 32
33 34 35 36 37 38 39 40 41 42 43 44 45 46

A 21
Gray

3 4 5 6 7 8 9 10 11 12 13 14 15 16
1 2
17 18 19 20 21 22 23 24 25 26 27 28 29 30

cardiagn.com
31 32
33 34 35 36 37 38 39 40 41 42 43 44 45 46

A 37 A 39 A 50
White Black White

1 2 3 4 5 6 7 8 9 10 11 12 13
14 15 16 17 18 19 20 21 22 23 24 25 26 27 28 29 30 31 32 1 2 5 6 1 2
3 4
7 8 9 10 11 12 13 14 15 16 3 4 5 6

17 18 19 20 21 22 23 24 7 8 9 10

A 52 A 61 A 62
White Black Blue

1 2 3 4 5 6 1 2 3 4 5 6 7 8 9 10 11 1 2 3 4 5 6 7 8 9 10 11
12 13 14 15 16 17 18 19 20 21 22 12 13 14 15 16 17 18 19 20 21 22
7 8 9 10 11 12 13 14 15 16 17
18 19 20 21 22 23 24 25 26

A 63 A 64 A 67
Black Black Black

1 2 3 4 5 6 7 8 9 10 11 1 2 3 4 5 6 7 8 9 10 11 1 2 3 4 5 6 7 8 9 10 11
12 13 14 15 16 17 18 19 20 21 22 12 13 14 15 16 17 18 19 20 21 22 12 13 14 15 16 17 18 19 20 21 22

-8-
Adaptive Front-Lighting System

B1 B 11
Black Black

3 4 5 6 7 8 9 3 4 5 6 7 8 9
1 2 1 2
10 11 12 13 14 15 10 11 12 13 14 15
16 17 16 17
18 19 20 21 22 23 24 18 19 20 21 22 23 24

L6 L 10 L 11
White Black White

1 2 3 4 5 6
1 2 3 4 5 6 7 8 9 10 11 12 1 4
7 8 9 10 11 12 2 3
13 14 15 16 17 18 19 20 21 22 23 24
5 6 7 8 9 10
11 12 13 14 15 16

cardiagn.com
L 21 L 25 L 88
White White Black

1 2 3 4 5 6 7 8 9 10 1 2 3 4
1 2 3 4 5 6
5 6 7 8

7 8 9 10 11 12 13 14 15 16 17
18 19 20 21 22 23 24 25 26

L 95 L 97 L 98
Gray Black Gray

1 2 3 4 5 6 7 8 9 10 11 1 2 3 4 5 6 7 8 9 10 11 1 2 3 4 5 6 7 8 9 10 11
12 13 14 15 16 17 18 19 20 21 22 12 13 14 15 16 17 18 19 20 21 22 12 13 14 15 16 17 18 19 20 21 22

L100 L136 R1 R 48
Blue Black Black Black

1 2 3 4 5 1 2 3 4
6 7 8 9 10 11 12

1 10 1 2 3 4 5 6 7 8 9 10 11
2 3 4 5 6 7 8 9
12 13 14 15 16 17 18 19 20 21 22
11 12 13 14 15 16 17 18 19 20 21 22

23 24 25 26 27 28 29 30

-9-
Adaptive Front-Lighting System

R 57 S 69 z6 2A
Dark Gray White White Black

1 2 3 4 5
1 2 3 4
1 2 3 4 5 6 7 8 9 10 6 7 8 9 10 11 12 13
4 3 2 1
5 6 7 8
8 7 6 5 11 12 13 14 15 16 17 18 19 20

2C 5B
White Gray

1 2 3 4 5 6 7 8 9 10 11 12

1 2 3 4 5 6 7 8 9 10 11 12 13 14 15 16 17 18

19 20 21 22 23 24 25 26 27 28 29 30 31 32 33 34 35 36

5F 5I
Gray White

cardiagn.com
1 2 3 4 5 6 7 8 9 10 11 12 1 2 3 4 5 6 7 8 9 10 11 12

5J DA
Gray White

1 2 3 4 5 6 7 8 9 10 11 12

7 8 9 10 11 12 13 14 15 16 17 18 19 20 21 22
1 2 3 4 5 6
23 24 25 26 27 28 29 30 31 32 33 34 35 36 37 38
39 40 41 42 43 44 45 46 47 48 49 50 51 52 53 54 55 56 57 58 59 60

LA
White

7 8 9 10 11 12 13 14 15 16 17 18 19 20 21 22
1 2 3 4 5 6
23 24 25 26 27 28 29 30 31 32 33 34 35 36 37 38
39 40 41 42 43 44 45 46 47 48 49 50 51 52 53 54 55 56 57 58 59 60

PA
White

7 8 9 10 11 12 13 14 15 16 17 18 19 20 21 22
1 2 3 4 5 6
23 24 25 26 27 28 29 30 31 32 33 34 35 36 37 38
39 40 41 42 43 44 45 46 47 48 49 50 51 52 53 54 55 56 57 58 59 60

- 10 -
Adaptive Front-Lighting System

AR1
White

11 10 9 8 7 6 5 4 3 2 1
1 2 3 4 5 6 7 8 9 10 11
22 21 20 19 18 17 16 15 14 13 12
12 13 14 15 16 17 18 19 20 21 22

AS1
White

11 10 9 8 7 6 5 4 3 2 1
1 2 3 4 5 6 7 8 9 10 11
22 21 20 19 18 17 16 15 14 13 12
12 13 14 15 16 17 18 19 20 21 22

cardiagn.com
BA1
White

9 8 7 6 5 4 3 2 1
1 2 3 4 5 6 7 8 9
18 17 16 15 14 13 12 11 10
10 11 12 13 14 15 16 17 18

LA1
White

7 8 9 10 11 12 13 14 15 16 17 18 19 20 21 22
1 2 3 4 5 6
23 24 25 26 27 28 29 30 31 32 33 34 35 36 37 38
39 40 41 42 43 44 22 21 20 19 18 17 16 15 14 13 12 11 10 9 8 7
45 46 47 48 49 50 51 52 53 54 55 56 57 58 59 60 6 5 4 3 2 1
38 37 36 35 34 33 32 31 30 29 28 27 26 25 24 23
60 59 58 57 56 55 54 53 52 51 50 49 48 47 46 45 44 43 42 41 40 39

LA3
White

7 8 9 10 11 12 13 14 15 16 17 18 19 20 21 22
1 2 3 4 5 6
23 24 25 26 27 28 29 30 31 32 33 34 35 36 37 38
39 40 41 42 43 44 22 21 20 19 18 17 16 15 14 13 12 11 10 9 8 7
45 46 47 48 49 50 51 52 53 54 55 56 57 58 59 60 6 5 4 3 2 1
38 37 36 35 34 33 32 31 30 29 28 27 26 25 24 23
60 59 58 57 56 55 54 53 52 51 50 49 48 47 46 45 44 43 42 41 40 39

- 11 -
Adaptive Front-Lighting System

LR1
White

7 8 9 10 11 12 13 14 15 16 17 18 19 20 21 22
1 2 3 4 5 6
23 24 25 26 27 28 29 30 31 32 33 34 35 36 37 38
39 40 41 42 43 44 22 21 20 19 18 17 16 15 14 13 12 11 10 9 8 7
45 46 47 48 49 50 51 52 53 54 55 56 57 58 59 60 6 5 4 3 2 1
38 37 36 35 34 33 32 31 30 29 28 27 26 25 24 23
60 59 58 57 56 55 54 53 52 51 50 49 48 47 46 45 44 43 42 41 40 39

RS3
White

1 2 3 4 5 5 4 3 2 1

6 7 8 9 10 10 9 8 7 6

cardiagn.com

- 12 -
Automatic Glare-Resistant EC Mirror , Compass

(IG)

10A
D–IG1–3

47 DA

EC Mirror

EC Mirror
Outer Rear View Mirror RH

Outer Rear View Mirror LH


L

12 3H

z10(D)
z9(D)
12 3C

B–G

B–G
B–R

B–R
L

7 D 15 D 7 D 15 D

Control ECU RH

Control ECU LH
EC+ EC– EC+ EC–

N10(B), z10(D)
20 LX1

N1(A), z9(D)
Front Door

Front Door
ECI+ ECI– ECI+ ECI–
L

cardiagn.com
21 A 22 A 21 B 22 B
2
X16
Junction
R

R
L

L
Connector
1

15 NR2 16 NR2 10 NS2 11 NS2


L

X4(A), X6(B)
Overhead Module 9 A
IG
R

R
L

L
GND4 GND1 IG1
20 B 10 B 25 A 33 LR1 32 LR1 45 LS1 46 LS1
W–B

R
L

L
2
X17
Junction
Connector 6 3I 5 3I 6 3D 5 3D
1
W–B

6 3C 5 3C
25 LX1
G
B
W–B

10
L100
Junction 18 LX1 19 LX1
Connector
8
R

L
W–B

5 2 3 4
41 DA E IG EC+ EC–

40 DA X7
Inner Mirror
W–B

L4

-1-
Automatic Glare-Resistant EC Mirror , Compass

L100 N1 N 10
Blue White White

1 2 3 4 5
6 7 8 9 10 11 12

1 2 5 6 1 2 5 6
3 4 3 4

7 8 9 10 11 12 13 14 15 16 7 8 9 10 11 12 13 14 15 16

17 18 19 20 21 22 23 24 17 18 19 20 21 22 23 24

X4 X6 X7
White White White

5 4 3 2 1
1 2 3 4 5 6 7 8 9 10 11 12 13 14 15 16 1 2 3 4 5 6 7 8 9 10

17 18 19 20 21 22 23 24 25 26 27 28 29 30 31 32 11 12 13 14 15 16 17 18 19 20

X 16 X 17 z9 z 10
Black Black White White

cardiagn.com
1 2 3 4 1 2 3 4

1 2 3 4 5 6 7 8 1 2 3 4 5 6 7 8
9 10 11 12 13 14 15 16 9 10 11 12 13 14 15 16

3C 3D
White Gray

1 2 3 4 5 6 7 8 9 10 11 12 1 2 3 4 5 6 7 8 9 10 11 12

3H 3I
Gray White

1 2 3 4 5 6 7 8 9 10 11 12 1 2 3 4 5 6 7 8 9 10 11 12

DA
White

7 8 9 10 11 12 13 14 15 16 17 18 19 20 21 22
1 2 3 4 5 6
23 24 25 26 27 28 29 30 31 32 33 34 35 36 37 38
39 40 41 42 43 44 45 46 47 48 49 50 51 52 53 54 55 56 57 58 59 60

LR1
White

7 8 9 10 11 12 13 14 15 16 17 18 19 20 21 22
1 2 3 4 5 6
23 24 25 26 27 28 29 30 31 32 33 34 35 36 37 38
39 40 41 42 43 44 22 21 20 19 18 17 16 15 14 13 12 11 10 9 8 7
45 46 47 48 49 50 51 52 53 54 55 56 57 58 59 60 6 5 4 3 2 1
38 37 36 35 34 33 32 31 30 29 28 27 26 25 24 23
60 59 58 57 56 55 54 53 52 51 50 49 48 47 46 45 44 43 42 41 40 39

-2-
Automatic Glare-Resistant EC Mirror , Compass

LS1
White

7 8 9 10 11 12 13 14 15 16 17 18 19 20 21 22
1 2 3 4 5 6
23 24 25 26 27 28 29 30 31 32 33 34 35 36 37 38
39 40 41 42 43 44 22 21 20 19 18 17 16 15 14 13 12 11 10 9 8 7
45 46 47 48 49 50 51 52 53 54 55 56 57 58 59 60 6 5 4 3 2 1
38 37 36 35 34 33 32 31 30 29 28 27 26 25 24 23
60 59 58 57 56 55 54 53 52 51 50 49 48 47 46 45 44 43 42 41 40 39

LX1
White

9 8 7 6 5 4 3 2 1
1 2 3 4 5 6 7 8 9
25 16 15 14 13 12 11 10 17
17 10 11 12 13 14 15 16 25 24 23 22 21 20 19 18
18 19 20 21 22 23 24

cardiagn.com
NR2
White

9 8 7 6 5 4 3 2 1
1 2 3 4 5 6 7 8 9
18 17 16 15 14 13 12 11 10
10 11 12 13 14 15 16 17 18

NS2
White

9 8 7 6 5 4 3 2 1
1 2 3 4 5 6 7 8 9
18 17 16 15 14 13 12 11 10
10 11 12 13 14 15 16 17 18

-3-
Automatic Light Control , Light Auto Turn Off System

(IG) (BAT)

P–D/C CUT
D–IG1–1
5A

5A
21 DA

35 PA

2 1
G

B
BCUT CUTD

Electric Power
Control ECU

8 5B

cardiagn.com
12 5F

12 5J 8 5J
G

L25(A), z6(B)
2 A 1 A Windshield Wiper Switch
IG B

E CANN CANP HEAD


8 A 6 A 5 A 7 A
GR
W

L
W–B

12 B 19 B 18 B 20 B
EL A T H
1 5J 42 LA3

EL AUTO T H
R

OFF
1 5F
Tail
W–B

Head

AUTO
57 DA
Light Control Switch

z6(B)
40 DA Headlight Dimmer Switch

R
W–B

L4

-1-
Automatic Light Control , Light Auto Turn Off System

(BAT) (IG) (BAT) (BAT) (BAT)

E/G RM–IG1–2
80A E/G RM B

FR CTRL BAT

FR CTRL ALT
10A ECU–B

20A
30A
10A
1 1K 28 2C 4 2C 5 2A 4 2A

Headlight LH Headlight RH
LG
W

LG
G

Y
L
5 A 1 A 1 C 5 C 6 D 23 D 24 D 5 D 15 D 16 D
FMIG FMB3 BATB ALTB HLHL CRAL SIDL HLHR CRAR SIDR

HRLY E HEAD CANN CANP

cardiagn.com
7 A 2 A 8 A A50(A), A52(C), B14(D) 4 A 3 A
Front Controller
W–B
BE

W
R

R
B

B
1 2A 6 2G 2 2A
H–LP RL

H–LP LL
15A
15A

H–LP LO RH

H–LP LO LH
Relay
Relay

2 2E 19 2C 11 2G
W–B

W–B
W

15 A
A63(A), A64(B)
Connector
Junction

19 B 21 B
W–B

R W

R R

W W

W–B

A8

-2-
Automatic Light Control , Light Auto Turn Off System

W
(IG) (ACC) (BAT)
B

10A D–IG1–3

5A D–ACC

5A AM1
M2
Light Control Sensor

CLTE CLTS CLTB


3 5 6

BE
W

V
6 LM1 5 LM1 4 LM1

BE
W

W
V

B
15 22 6 18 B 19 B 20 B 15 A 16 A
IG ACC ALTB CLTE CLTS CLTB CANN CANP

GND1 GND2 GND3 DCTY PCTY LCTY RCTY

cardiagn.com
5 4 1 A 24 C 21 B 17 7 B L11(A), L12(B), L13(C)
Main Body ECU
W–B

40 DA 41 DA 12 DD

4 4E
W–B

W–B

R
L

11
Connector

4 4F
Junction
L100

8
W

13 LR1 16 RL2

14 DA

30 DD
Front Door Courtesy Switch RH
Front Door Courtesy Switch LH

Rear Door Courtesy Switch RH


Rear Door Courtesy Switch LH
R

R
L

1 1 1 1
R12
S14
R6
S6

B B

W W

R R

W W
W–B

L4

-3-
Automatic Light Control , Light Auto Turn Off System

W W

B B

(BAT) (IG) (BAT) (BAT)

RR MPX–B 2

RR MPX–B 1
RR–IG1–2
5A TAIL

10A

10A
5A

(∗1)

(∗1)
G
L
Luggage Closer Motor
6 7
+B CTY

(∗1)

(∗1)
G

L
Rear Junction Block ECU
S62(B), S63(C), S64(D)

S36
1 8 15 7 9 C 16 C 8
+BT1 IG LGLB MPXB LCTY BDCY

(∗2)

(∗2)
G
B

L
PGND SG LCE2 TIL3 TIL4 TIL2 TIL1 CANN CANP

cardiagn.com
4 17 15 C 14 C 13 C 3 D 7 D 28 B 20 B

Junction Connector
BR

BR

BR

BR

W
V

22 9

Power Trunk Lid


43 LA 29 LA
LCTY BDCY

Control ECU
18
W–B

W–B

License Plate Light

CANH CANL

S55

S43
Rear Combination Light
16 6 5
W–B

(∗2)

(∗2)
W
B
Junction Connector

7 2 13
S55

10

S59
Junction Connector
W–B
W–B

W–B

B B

W W

R R

W W

1 6
7 S54 S54
Junction ∗ 1 : w/o Power Trunk Opener and Closer System Junction
Connector Connector
∗ 2 : w/ Power Trunk Opener and Closer System

S1 S1

-4-
Automatic Light Control , Light Auto Turn Off System

W
W
B

L95 L15(A)
3 14 Junction Connector 5 16 28 A 27 A Certification ECU
CANL CANH

RC0 RDA ASEL RSSI


4 15 11 22 8 19 29 A 38 A 37 A 39 A
W

W
R
B

W
G

L
59 LS1 60 LS1 59 LR1 60 LR1

cardiagn.com
Junction Connector

Junction Connector
W

W
B

3 LR1 41 LR1 42 LR1 4 LR1

5 16 4 15
R48
S60

W
G

L
2 13 3 14

2 3 4 5
+5 DATA ASEL RSSI
W

W
B

GND
Junction Connector

R37 6
Door Control
Receiver
Junction Connector

4 15 5 7
R57

1 3
S59

3 14
W

W
B

B 20 AR1 21 AR1

B
W–B

1
R43
Junction
Connector

R2

-5-
Automatic Light Control , Light Auto Turn Off System

A 50 A 52 A 63
White White Black

1 2 3 4 5 6 1 2 3 4 5 6 7 8 9 10 11
1 2
12 13 14 15 16 17 18 19 20 21 22
3 4 5 6 7 8 9 10 11 12 13 14 15 16 17
7 8 9 10 18 19 20 21 22 23 24 25 26

A 64 B 14 L 11
Black White White

1 2 3 4 5 6 7 8 9 10 11 1 2 5 6
3 4 1 4
2 3
12 13 14 15 16 17 18 19 20 21 22
7 8 9 10 11 12 13 14 15 16 5 6 7 8 9 10

17 18 19 20 21 22 23 24 11 12 13 14 15 16

cardiagn.com
L 12 L 13
White White

1 2 3 4 5 6
1 2 3 4 5 6 7 8 9 10
11 12 13 14 15 16 17 18 19 20
7 8 9 10 11 12 13 14 15 16 17
21 22 23 24 25 26 27 28
18 19 20 21 22 23 24 25 26

L 15 L 25
White White

1 2 3 4 5 6 7 8 9 10 11 12 13 14 15 16 17 1 2 3 4
18 19 20 21 22 23 24 25 26 27 28 29 30 31 32 33 34 35 36 37 38 39 40 5 6 7 8

L 95 L100 M2 R6 R 12
Gray Blue Black White White

1 2 3 4 5
6 7 8 9 10 11 12 1 2 1 1
3 4
1 2 3 4 5 6 7 8 9 10 11
5 6
12 13 14 15 16 17 18 19 20 21 22

R 37 R 43 R 48 R 57
White White Black Dark Gray

1 2 3 1 2 3
1 2 3 4
4 5 6 7 4 5 6 7 8 1 2 3 4 5 6 7 8 9 10 11
5 6 7 8
12 13 14 15 16 17 18 19 20 21 22

-6-
Automatic Light Control , Light Auto Turn Off System

S6 S 14 S 36 S 43
White White White White

1 2 3
1 1 4 5 6 7 8

1 2 3 10 11 12
4 5 6 7 8 9
13 14 15 16 17 18 19 20 21 22 23 24 25 26

S 54 S 55 S 59
White White Black

1 2 3
4 5 6 7 8 1 2 3 4 5 6 7 8 9 10 11 1 2 3 4 5 6 7 8 9 10 11
12 13 14 15 16 17 18 19 20 21 22 12 13 14 15 16 17 18 19 20 21 22

S 60 S 62 S 63 S 64
Black White White White

cardiagn.com
1 2 3 4 5 6 7 8 9 10 11 1 2 3 4 5 6 7 8 9 10 1 4 1 2
2 3
12 13 14 15 16 17 18 19 20 21 22 11 12 13 14 15 16 17 18 19 20
5 6 7 8 9 10 3 4 5 6
21 22 23 24 25 26 27 28
11 12 13 14 15 16 7 8 9 10

z6 1K 2A
White Black

1
1 2 3 4 5

1 2 3 4 5 6 7 8 9 10 6 7 8 9 10 11 12 13

11 12 13 14 15 16 17 18 19 20

2C 2E
White Black

1 2 3 4 5 6 7 8 9 10 11 12 13 14 15 16 17 18 1 2

19 20 21 22 23 24 25 26 27 28 29 30 31 32 33 34 35 36

2G 4E 4F
Black White Gray

1 2 3 4 5 6 7 8 9 10 11 12 1 2 3 4 5 6 7 8 9 10 11 12

1 2 3 4 5 6 7

8 9 10 11 12 13 14

-7-
Automatic Light Control , Light Auto Turn Off System

5B 5F
Gray Gray

1 2 3 4 5 6 7 8 9 10 11 12 1 2 3 4 5 6 7 8 9 10 11 12

5J DA
Gray White

1 2 3 4 5 6 7 8 9 10 11 12

7 8 9 10 11 12 13 14 15 16 17 18 19 20 21 22
1 2 3 4 5 6
23 24 25 26 27 28 29 30 31 32 33 34 35 36 37 38
39 40 41 42 43 44 45 46 47 48 49 50 51 52 53 54 55 56 57 58 59 60

DD
Gray

7 8 9 10 11 12
1 2 3 4 5 6
13 14 15 16 17 18
19 20 21 22 23 24 25 26 27 28 29 30

cardiagn.com
LA
White

7 8 9 10 11 12 13 14 15 16 17 18 19 20 21 22
1 2 3 4 5 6
23 24 25 26 27 28 29 30 31 32 33 34 35 36 37 38
39 40 41 42 43 44 45 46 47 48 49 50 51 52 53 54 55 56 57 58 59 60

PA
White

7 8 9 10 11 12 13 14 15 16 17 18 19 20 21 22
1 2 3 4 5 6
23 24 25 26 27 28 29 30 31 32 33 34 35 36 37 38
39 40 41 42 43 44 45 46 47 48 49 50 51 52 53 54 55 56 57 58 59 60

AR1
White

11 10 9 8 7 6 5 4 3 2 1
1 2 3 4 5 6 7 8 9 10 11
22 21 20 19 18 17 16 15 14 13 12
12 13 14 15 16 17 18 19 20 21 22

-8-
Automatic Light Control , Light Auto Turn Off System

LA3
White

7 8 9 10 11 12 13 14 15 16 17 18 19 20 21 22
1 2 3 4 5 6
23 24 25 26 27 28 29 30 31 32 33 34 35 36 37 38
39 40 41 42 43 44 22 21 20 19 18 17 16 15 14 13 12 11 10 9 8 7
45 46 47 48 49 50 51 52 53 54 55 56 57 58 59 60 6 5 4 3 2 1
38 37 36 35 34 33 32 31 30 29 28 27 26 25 24 23
60 59 58 57 56 55 54 53 52 51 50 49 48 47 46 45 44 43 42 41 40 39

LM1
White

1 2
3 4 5 6 7 2 1
7 6 5 4 3

cardiagn.com
LR1
White

7 8 9 10 11 12 13 14 15 16 17 18 19 20 21 22
1 2 3 4 5 6
23 24 25 26 27 28 29 30 31 32 33 34 35 36 37 38
39 40 41 42 43 44 22 21 20 19 18 17 16 15 14 13 12 11 10 9 8 7
45 46 47 48 49 50 51 52 53 54 55 56 57 58 59 60 6 5 4 3 2 1
38 37 36 35 34 33 32 31 30 29 28 27 26 25 24 23
60 59 58 57 56 55 54 53 52 51 50 49 48 47 46 45 44 43 42 41 40 39

LS1
White

7 8 9 10 11 12 13 14 15 16 17 18 19 20 21 22
1 2 3 4 5 6
23 24 25 26 27 28 29 30 31 32 33 34 35 36 37 38
39 40 41 42 43 44 22 21 20 19 18 17 16 15 14 13 12 11 10 9 8 7
45 46 47 48 49 50 51 52 53 54 55 56 57 58 59 60 6 5 4 3 2 1
38 37 36 35 34 33 32 31 30 29 28 27 26 25 24 23
60 59 58 57 56 55 54 53 52 51 50 49 48 47 46 45 44 43 42 41 40 39

RL2
White

11 10 9 8 7 6 5 4 3 2 1
1 2 3 4 5 6 7 8 9 10 11
22 21 20 19 18 17 16 15 14 13 12
12 13 14 15 16 17 18 19 20 21 22

-9-
Advanced Parking Guidance System

(IG) (BAT) (ACC)

10A 10A 5A
P–IG1–1 P MPX–B P–ACC

31 PA 22 PA 17 PA

LG
R
V

2 2
Z– Z–

12 4H 7 4J 8 4J

Front Clearance
Warning Buzzer

Warning Buzzer
Rear Clearance
R21
Z+ Z+
L48
12 4M 7 4M 8 4M 1 1

cardiagn.com
W

B
12 RL2 13 RL2
LG
R
V

W
B

B
1 A 6 A 14 A 26 B 27 B 25 B 9 B
IG +B ACC CBZ EE BBZ EF
L90(A), L91(B), L121(C)
Parking Assist ECU

GND1 CSB2 LIN2 CSG2 CSB1 LIN1 CSG1


4 A 28 B 30 B 29 B 31 B 33 B 32 B
W–B

G
R

R
B

7 LR1 9 LR1 8 LR1 45 LA3 46 LA3 47 LA3


1 4M Z1
No. 1 Ultrasonic Sensor
(Rear Left)
G

G
R

R
B

1 4H 1 4J
3 ZR1 2 ZR1 1 ZR1 BI SI EI 2 AD1 7 AD1 3 AD1
1 3 5
W–B

W–B

BE

BE
G

R
B

P
No. 1 Ultrasonic Sensor

No. 1 Ultrasonic Sensor

No. 1 Ultrasonic Sensor


L

L
(Rear Left Center)

51 PA 40 PA 1 3 5 2 4 6 1 3 5
BI SI EI BO SO EO BI SI EI
(Rear Right)

(Front Left)

BO SO EO BI SI EI BO SO EO
D2
Z4

Z2

39 PA 2 4 6 1 3 5 2 4 6
BE

G
R

R
P

B
L
W–B

1 3 5 2 4 6 1 3 5
BI SI EI BO SO EO BI SI EI

W–B

Z3 D3
L3 L1 No. 1 Ultrasonic Sensor No. 1 Ultrasonic Sensor
(Rear Right Center) (Front Left Center)

-1-
Advanced Parking Guidance System

(IG) (ACC) (BAT)


P–IG1–1

P–ACC
20A
RADIO
10A

5A
NO. 1

12 5B 11 5B

R
1

Connector
LG

Junction
V

53 PA 33 PA 1 PA

L94
12 5A 11 5A 2
W–B

LG

R
V

3 D 2 D 1 D 10 D
IG ACC +B1 GND1

DSS2 TX1+ TX1–


1 I L59(D), L114(F), L120(I) 1 F 2 F
Display & Navigation Module Display

cardiagn.com
B

B
W

1 C 31 A 32 A 10 A 9 A
DSS2 TX+ TX– CA2L CA2H

CSB3 LIN3 CSG3 CB+ CV– CV+ CGND


L90(A), L91(B), L121(C) 8 A 28 A 27 A 35 B 34 B 10 B 11 B
Parking Assist ECU
G
R

48 LA3 49 LA3 50 LA3


D6
No. 1 Ultrasonic Sensor
(Shielded)

(Front Right)
W
G
R

R
V

BI SI EI 8 AD1 4 AD1 9 AD1 16 LS1 18 LS1 17 LS1 15 LS1


1 3 5
G

G
R

R
B

B
No. 1 Ultrasonic Sensor

No. 1 Ultrasonic Sensor

(Shielded)
(Front Right Center)

W
R
B

2 4 6 1 3 5
(Front Left Side)

BO SO EO BI SI EI

BI SI EI BO SO EO 4 1 2 3
D4

D1

1 3 5 2 4 6 CB+ CV– CV+ CGND


BE

BE
P

P
L

2 4 6 1 3 5 S35
BO SO EO BI SI EI Television Camera

D3 D5
No. 1 Ultrasonic Sensor No. 1 Ultrasonic Sensor
(Front Left Center) (Front Right Side)

-2-
Advanced Parking Guidance System

A36

G
R
Accelerator Position Sensor

45 LA1 46 LA1

VCP2 EPA2 VPA2 VCPA EPA VPA

G
R
W–B

Junction Connector
1 2 3 4 5 6

11 22

A67
10 21 9 20

BR

BR
BE

R
L
G
R
V

14 A 13 A 22 B 21 B 28 B 23 B 20 B 29 B
CANH CANL VCP2 EPA2 VPA2 VCPA EPA VPA
A13(A), A14(B), E1(C), E2(D), E3(E)

cardiagn.com
Engine Control Module
CA2L CA2H ETA VTA VCTA VTA2 M+ M– GE01
17 A 18 A 35 D 26 D 34 D 27 D 7 D 6 D 19 D
W

(Shielded)

BR
LG

W
G

B
L

3 6 5 4 2 1 1 B 4 B
E2 VTA VC VTA2 M+ M–

E51(B)
Junction
Connector
E21
Throttle Position Sensor

LG

B
W–B

L3

-3-
Advanced Parking Guidance System

R R

G G

L B

(IG) W

E52(A), E53(B)
19 A 15 A

E/G RM–IG1–1

Skid Control Buzzer


Connector

W
Junction

B
1

Buzzer
10A
13 B 22 B 48 LA1 49 LA1
L

L2
3
Position Sensor

W
B
VC 7 2A A65
Crankshaft

Junction Connector

B
NE NE– 1 12
E54

Connector
Junction
G

1 2

A67
41 LA1 40 LA1
2 13 9 20
W

2 EA4

27 C 34 C 18 C

LG
G

P
NE+ NE– VC
A13(A), A14(B), E1(C), 2

cardiagn.com
E2(D), E3(E)
Position Switch

Skid Control ECU


Engine Control Module 22 A 41 A 30 C 29 C 7 A 6 A
Park/Neutral

A19(A), A21(C)
R RB RL
BZ VBZ CA1H CA1L CA2H CA2L
11 E
R
E49

FL+ FL– FR+ FR– RL+ RL– RR+ RR– CANL CANH
1
16 C 15 C 16 A 15 A 11 A 10 A 11 C 10 C 8 C 9 C
Y
G

V
B

Y
L

L
Connector

1 A
Junction
E52(A)

2 A

Front Speed Sensor Rear Speed Sensor


G

L L

LG LG

W W

B B

-4-
Advanced Parking Guidance System

R R

G G

B B

W W

W
B

Junction Connector
8 19

B
A66
15 4 Junction Connector
A65

10 21 7 18

16 5 13 2 12 1
LG

W
B
L

cardiagn.com
5 AS2 6 AS2

24 LA3 23 LA3
W

V
W
B

9 B 1 B
W

CA2H CA2L
Steering Control ECU

9 B 4 B 8 A 1 A
CA2L CA2H CA2L CA2H
S48(B) A44(A), C1(B), C2(C)
A42(B)

Parking Brake ECU Power Steering ECU


W U V
3 B 2 B 1 B

LG
(Shielded)

W
R

B
2 A 3 A 1 A
V U W

C3(A), C4(B)
Power Steering Motor

-5-
Advanced Parking Guidance System

R R

G G

B B

W W

∗ 1 : w/ Air Suspension System

C5
Steering Torque Sensor

L(∗1)

INCS INSN TRQV OUCS OUSN TQG2 TQG1 BR(∗1)


1 2 4 5 6 7 8
GR(∗1)

LG(∗1)

cardiagn.com
G–W

L–W
G–B

R–B
Y–B
R–L

(∗1)

(∗1)

(∗1)

(∗1)
GR
BR

LG
W

A39(A), L88(B), R1(C)


21 A 23 A 24 A 19 A Air Suspension Control ECU
SHF2 SBL3 SGL3 SHR2

SBL2 SHRL SGL2 SHFL SBL1 SGL1


24 C 30 C 23 C 22 A 18 B 22 B
10 C 9 C 4 C 12 C 11 C 13 C 6 C
INCS INSN TRQV OUCS OUSN TQG2 TQG1
(∗1)

(∗1)

(∗1)

(∗1)

(∗1)

(∗1)
GR
BR

LG

LG
R
L

A44(A), C1(B), C2(C)


Power Steering ECU
RZV RZSN RZCS RZG SRZG 2 RS3 1 RS3 3 RS3
3 C 7 C 8 C 1 C 2 C
(∗1)

(∗1)

(∗1)
GR
BR

LG
BR

52 LA 18 LA 33 LA

53 LA3 56 LA3
(Shielded)

W
G

53 LA 36 LA 34 LA
(∗1)

(∗1)
GR
BR
(∗1)

(∗1)

(∗1)
GR
BR

LG

3 1 5 2 3 1
3 B 1 B 4 B 2 B SHB SHRL SHG SHFL SHB SHG
RZV RZSN RZCS RZG

Rear Height Control A4


C3(A), C4(B) Sensor LH Front Height
Power Steering Motor Control Sensor LH
S69
Rear Height Control Sensor LH
Rear Pad Wear Indicator Switch
Rear Speed Sensor LH

-6-
Advanced Parking Guidance System

R R

G G

B B

W W

∗ 1 : w/ Air Suspension System


∗ 2 : w/o Air Suspension System
A37
AFS ECU

SHFL SBR SGR SHRL CANH CANL


17 18 21 19 12 13

L(∗1)

G
R
BR(∗1)

(∗1)
LG
GR(∗1)
15 LA3 16 LA3
LG(∗1)

G
R

cardiagn.com
11 22

L98
Junction Connector
(∗2)

(∗2)

(∗2)
GR
BR

BR

(∗2)

(∗2)

(∗2)
GR

BR

LG

13 AS1 14 AS1 12 AS1


Connector

3 B 4 B 20 B 21 B
A61(A), A62(B)

Junction
A62(B)
Connector

(∗2)

(∗2)

(∗2)
GR

BR

LG
Junction

19 B

9 A
56 LA 54 LA 58 LA
(∗2)

(∗2)

(∗2)
GR
BR
L

34 LA 53 LA 36 LA
(∗2)

(∗2)

(∗2)
GR

BR

LG

2 3 1 1 3 2
SHFL SHB SHG SHG SHB SHRL

A4 Rear Height Control


Front Height Control Sensor LH Sensor LH

S69
Rear Height Control Sensor LH
Rear Pad Wear Indicator Switch
Rear Speed Sensor LH

-7-
Advanced Parking Guidance System

R G

G R

L77(B)
A/C Amplifier

CANH CANL
3 B 4 B
G
R

cardiagn.com
Junction Connector

10 21
W

G
R

R
B
L98

7 18

Junction Connector
22 11 15 4 16 5

L97
19 8 20 9 12 1 14 3
W

W
G

G
R

R
B

9 10 2 3
CA1L CA1H CA1L CA1H

L21 L71
Steering Angle Sensor Yaw Rate Sensor

-8-
Advanced Parking Guidance System

Main Body ECU


L11(A)
CANN CANP CANH CANL
15 A 16 A 5 A 6 A

G
R
B
14 3

Connector
Junction
L95
22
W 11

B
60 LR1 59 LR1

cardiagn.com
W

15 4
Connector
Junction
R48

14 3
W

B
Ambient Temperature

2 7 5
Connector
Junction
R57

3 1
Sensor
B5

21 AR1 20 AR1
BR

G
W

20 D 19 D 4 A 3 A
TM TME CANN CANP

A50(A), B14(D)
Front Controller

-9-
Advanced Parking Guidance System

(IG) (BAT)

10A 10A
P–J/B D MPX–B 2

30 2C 42 DA

L
1
L136
Junction
6 LA1 Connector
2

P
L
L10
Combination Meter 14 13
IG2 B
TFT Module

cardiagn.com
TFT Panel CPU
TFT Buzzer
CPU

MPX–B

Master
5V IC
I/F

IG2
Back Light
CPU
Body
Earth LED DRIVER
CAN CONTROLLER

Signal
Earth

CAN I/F

CANL CANH ES E2
21 20 18 17
W–B
BR
G

6
G L100
Junction
Connector
R
8
W–B

58 PA 41 DA

43 PA 40 DA
W–B
BR

L1 L4

- 10 -
Advanced Parking Guidance System

A4 A 13 A 14
Black White White

1 2 3
1 2 3 4 5 6 1 2 3 4 5 6 7

7 8 9 10 11 12 13 14 15 16 8 9 10 11 12 13 14 15 16 17
17 18 19 20 21 22 23 24 25 26 27 18 19 20 21 22 23 24 25
28 29 30 31 32 33 34 35 26 27 28 29 30 31

A 19
Black

3 4 5 6 7 8 9 10 11 12 13 14 15 16
1 2
17 18 19 20 21 22 23 24 25 26 27 28 29 30

31 32
33 34 35 36 37 38 39 40 41 42 43 44 45 46

cardiagn.com
A 21 A 36
Gray Black

1 2 3 4 5 6

3 4 5 6 7 8 9 10 11 12 13 14 15 16
1 2
17 18 19 20 21 22 23 24 25 26 27 28 29 30

31 32
33 34 35 36 37 38 39 40 41 42 43 44 45 46

A 37 A 39 A 42
White Black White

1 2 3 4
1 2 3 4 5 6 7 8 9 10 11 12 13 7 8
5 6 9 10
14 15 16 17 18 19 20 21 22 23 24 25 26 27 28 29 30 31 32 1 2 5 6
3 4
7 8 9 10 11 12 13 14 15 16
17 18 19 20 21 22 23 24

- 11 -
Advanced Parking Guidance System

A 44 A 50 A 61
Black White Black

1 2 3 4 5 6 7 8 9 10 11
1 2
12 13 14 15 16 17 18 19 20 21 22
3 4 5 6
1 2 3
4 5 7 8 9 10
6 7 8
9 10 11

A 62 A 65 A 66
Blue Gray Black

1 2 3 4 5 6 7 8 9 10 11 1 2 3 4 5 6 7 8 9 10 11 1 2 3 4 5 6 7 8 9 10 11
12 13 14 15 16 17 18 19 20 21 22 12 13 14 15 16 17 18 19 20 21 22 12 13 14 15 16 17 18 19 20 21 22

cardiagn.com
A 67 B5 B 14
Black Black White

1 2
1 2 3 4 5 6 7 8 9 10 11 1 2 5 6
3 4
12 13 14 15 16 17 18 19 20 21 22
7 8 9 10 11 12 13 14 15 16

17 18 19 20 21 22 23 24

C1 C2 C3 C4
Black Black Gray Gray

1 2 3 4 5 6 1 2
3 4
7 8 9 10 11 12 13

1 1
2 2

3 3

C5 D1 D2 D3
Gray Black Black Black

1 2 3 4 1 2 3 4 5 6 1 2 3 4 5 6 1 2 3 4 5 6
5 6 7 8

D4 D5 D6
Black Black Black

1 2 3 4 5 6 1 2 3 4 5 6 1 2 3 4 5 6

- 12 -
Advanced Parking Guidance System

E1 E2 E3
White White White

1 2 3 4 5 6 7 1 2 3 4 5 6 7 1 2 3 4 5 6

8 9 10 11 12 13 14 15 16 17 8 9 10 11 12 13 14 15 16 17 18 19 7 8 9 10 11 12 13 14 15 16
17 18 19 20 21 22 23 24 25 26
18 19 20 21 22 23 24 25 26 27 20 21 22 23 24 25 26 27
27 28 29 30 31 32 33
28 29 30 31 32 33 34 28 29 30 31 32 33 34 35

E 21 E 49 E 51
Black Gray Blue

1 2 3 4 5 6
1 2 3 4 1 2 3 4 5 6
7 8 9 10 11 12
5 6 7 8 9

E 52 E 53 E 54 L2
Black Black Black Blue

cardiagn.com
1 2 3 1 2
1 2 3 4 5 6 7 8 9 10 11 1 2 3 4 5 6 7 8 9 10 11
12 13 14 15 16 17 18 19 20 21 22 12 13 14 15 16 17 18 19 20 21 22

L 10 L 11 L 21 L 48
Black White White Black

1 2 3 4 5 6 7 8 9 10 1 2
1 2 3 4 5 6 7 8 9 10 11 12 1 4
2 3
13 14 15 16 17 18 19 20 21 22 23 24
5 6 7 8 9 10
11 12 13 14 15 16

L 59 L 71 L 77
White Black White

1 2 3 4 5 6
1 2 3 4 5 6
1 2 3 10 11 12
4 5 6 7 8 9
7 8 9 10 11 12 13 14 15 16
13 14 15 16 17 18 19 20 21 22 23 24 25 26
17 18 19 20 21 22 23 24 25 26 27
28 29 30 31 32 33 34 35

- 13 -
Advanced Parking Guidance System

L 88 L 90
Black White

1 2 3 4 5 6 7 8 9 10 11 12 13
1 2 3 4 5 6
14 15 16 17 18 19 20 21 22 23 24 25 26 27 28 29 30 31 32

7 8 9 10 11 12 13 14 15 16 17
18 19 20 21 22 23 24 25 26

L 91 L 94
White Black

1 2 3 4

1 2 3 4 5 6 7 8 9 10 11 12 13 14 15 16 17 18

19 20 21 22 23 24 25 26 27 28 29 30 31 32 33 34 35 36 37 38 39 40

cardiagn.com
L 95 L 97 L 98
Gray Black Gray

1 2 3 4 5 6 7 8 9 10 11 1 2 3 4 5 6 7 8 9 10 11 1 2 3 4 5 6 7 8 9 10 11
12 13 14 15 16 17 18 19 20 21 22 12 13 14 15 16 17 18 19 20 21 22 12 13 14 15 16 17 18 19 20 21 22

L100 L114 L120 L121


Blue White Blue White

1 2 3 4 5
6 7 8 9 10 11 12 1 1

1 2 3 4 5 6 7 8 9 10 11
12 13 14 15 16 17 18 19 20 21 22

L136 R1 R 21 R 48
Black Black Black Black

1 2 3 4
1 2
1 10 1 2 3 4 5 6 7 8 9 10 11
2 3 4 5 6 7 8 9
12 13 14 15 16 17 18 19 20 21 22
11 12 13 14 15 16 17 18 19 20 21 22

23 24 25 26 27 28 29 30

- 14 -
Advanced Parking Guidance System

R 57 S 35 S 48 S 69
Dark Gray White White White

1 2 3 4 1 2
1 2 3 4 5 6 7 8
4 3 2 1
5 6 7 8 3 4
9 10 11 12 13 14 15 16 8 7 6 5

Z1 Z2 Z3 Z4
Black Black Black Black

1 2 3 4 5 6 1 2 3 4 5 6 1 2 3 4 5 6 1 2 3 4 5 6

2A 2C
Black White

1 2 3 4 5
6 7 8 9 10 11 12 13 1 2 3 4 5 6 7 8 9 10 11 12 13 14 15 16 17 18

cardiagn.com
19 20 21 22 23 24 25 26 27 28 29 30 31 32 33 34 35 36

4H 4J
Gray Gray

1 2 3 4 5 6 7 8 9 10 11 12 1 2 3 4 5 6 7 8 9 10 11 12

4M 5A
White White

1 2 3 4 5 6 7 8 9 10 11 12 1 2 3 4 5 6 7 8 9 10 11 12

5B DA
Gray White

1 2 3 4 5 6 7 8 9 10 11 12

7 8 9 10 11 12 13 14 15 16 17 18 19 20 21 22
1 2 3 4 5 6
23 24 25 26 27 28 29 30 31 32 33 34 35 36 37 38
39 40 41 42 43 44 45 46 47 48 49 50 51 52 53 54 55 56 57 58 59 60

LA
White

7 8 9 10 11 12 13 14 15 16 17 18 19 20 21 22
1 2 3 4 5 6
23 24 25 26 27 28 29 30 31 32 33 34 35 36 37 38
39 40 41 42 43 44 45 46 47 48 49 50 51 52 53 54 55 56 57 58 59 60

- 15 -
Advanced Parking Guidance System

PA AD1
White Black

7 8 9 10 11 12 13 14 15 16 17 18 19 20 21 22
1 2 3 4 5 6
23 24 25 26 27 28 29 30 31 32 33 34 35 36 37 38
39 40 41 42 43 44 1 2 3 4 5 5 4 3 2 1
45 46 47 48 49 50 51 52 53 54 55 56 57 58 59 60
6 7 8 9 10 10 9 8 7 6

AR1
White

11 10 9 8 7 6 5 4 3 2 1
1 2 3 4 5 6 7 8 9 10 11
22 21 20 19 18 17 16 15 14 13 12
12 13 14 15 16 17 18 19 20 21 22

AS1

cardiagn.com
White

11 10 9 8 7 6 5 4 3 2 1
1 2 3 4 5 6 7 8 9 10 11
22 21 20 19 18 17 16 15 14 13 12
12 13 14 15 16 17 18 19 20 21 22

AS2 EA4
White White

1 2 8 9
9 8 2 1 1 2
10 11 3 4 5 6 7 17 18
3 4 2 1
12 13 14 15 16 18 17 7 6 5 4 3 11 10
4 3
16 15 14 13 12

LA1
White

7 8 9 10 11 12 13 14 15 16 17 18 19 20 21 22
1 2 3 4 5 6
23 24 25 26 27 28 29 30 31 32 33 34 35 36 37 38
39 40 41 42 43 44 22 21 20 19 18 17 16 15 14 13 12 11 10 9 8 7
45 46 47 48 49 50 51 52 53 54 55 56 57 58 59 60 6 5 4 3 2 1
38 37 36 35 34 33 32 31 30 29 28 27 26 25 24 23
60 59 58 57 56 55 54 53 52 51 50 49 48 47 46 45 44 43 42 41 40 39

- 16 -
Advanced Parking Guidance System

LA3
White

7 8 9 10 11 12 13 14 15 16 17 18 19 20 21 22
1 2 3 4 5 6
23 24 25 26 27 28 29 30 31 32 33 34 35 36 37 38
39 40 41 42 43 44 22 21 20 19 18 17 16 15 14 13 12 11 10 9 8 7
45 46 47 48 49 50 51 52 53 54 55 56 57 58 59 60 6 5 4 3 2 1
38 37 36 35 34 33 32 31 30 29 28 27 26 25 24 23
60 59 58 57 56 55 54 53 52 51 50 49 48 47 46 45 44 43 42 41 40 39

LR1
White

7 8 9 10 11 12 13 14 15 16 17 18 19 20 21 22
1 2 3 4 5 6
23 24 25 26 27 28 29 30 31 32 33 34 35 36 37 38
39 40 41 42 43 44 22 21 20 19 18 17 16 15 14 13 12 11 10 9 8 7
45 46 47 48 49 50 51 52 53 54 55 56 57 58 59 60 6 5 4 3 2 1
38 37 36 35 34 33 32 31 30 29 28 27 26 25 24 23
60 59 58 57 56 55 54 53 52 51 50 49 48 47 46 45 44 43 42 41 40 39

cardiagn.com
LS1
White

7 8 9 10 11 12 13 14 15 16 17 18 19 20 21 22
1 2 3 4 5 6
23 24 25 26 27 28 29 30 31 32 33 34 35 36 37 38
39 40 41 42 43 44 22 21 20 19 18 17 16 15 14 13 12 11 10 9 8 7
45 46 47 48 49 50 51 52 53 54 55 56 57 58 59 60 6 5 4 3 2 1
38 37 36 35 34 33 32 31 30 29 28 27 26 25 24 23
60 59 58 57 56 55 54 53 52 51 50 49 48 47 46 45 44 43 42 41 40 39

RL2 RS3
White White

11 10 9 8 7 6 5 4 3 2 1 1 2 3 4 5 5 4 3 2 1
1 2 3 4 5 6 7 8 9 10 11
22 21 20 19 18 17 16 15 14 13 12 6 7 8 9 10 10 9 8 7 6
12 13 14 15 16 17 18 19 20 21 22

ZR1
Gray

1 2 3 3 2 1

- 17 -
Audio System , LEXUS Navigation System , Multi-Display <w/o LEXUS Navigation System> , Parking Assist <Rear View Monitor>

(ACC) (BAT) (BAT)

RR–ACC
30A 30A
AMP AMP
5A

M1 N12
Center Speaker Front Woofer LH
1 2 1 2
2 2

5 PJ 5 DD
48 LA

B
GR
2 LM1 7 LM1 1 NS1 2 NS1
(∗16)
G

B
7 RS2 3 RS4
B

41 RL1 42 RL1 2 RS2 1 RS2


(∗16)

GR
G

B
8 E 7 E 6 B 8 B (∗15)
12 F 3 C 1 C 3 E 9 E 4 E 10 E (∗16)

cardiagn.com
ACC +B2 +B CTR+ CTR– WFL+ WFL–

R34(F), R35(A), R36(B), R38(C), R39(E), R60(D)


Stereo Component Amplifier

GND GND2 TWL+ TWL– TWR+ TWR–


2 C 6 C 4 B 11 B 5 B 12 B (∗15)
3 A 9 A 4 A 10 A (∗16)
W

R
W–B

W–B

8 RS2 9 RS2
V

P
W

20 OS1 19 OS1 19 OR1 20 OR1


W

17 OQ2 1 OQ2 17 OQ1 1 OQ1


(∗1)

(∗1)

(∗1)

(∗1)
W

Rear Tweeter RH
Rear Tweeter LH

1 2 1 2
+TW –TW +TW –TW
(∗2)

(∗2)

(∗2)

(∗2)
W

RLD+ RLD– RRD+ RRD–


Q8

Q3

3 4 3 4
(∗1)

(∗1)

(∗1)

(∗1)
B

25 OQ2 9 OQ2 25 OQ1 9 OQ1


B

1 2 1 2

4 O21 O10
2 R43 Rear Squawker LH Rear Squawker RH
Junction
Connector

R2

-1-
Audio System , LEXUS Navigation System , Multi-Display <w/o LEXUS Navigation System> , Parking Assist <Rear View Monitor>

∗ 1 : MARK LEVINSON
∗ 2 : Except MARK LEVINSON
∗ 8 : w/ LEXUS ENFORM or Safety Connect
∗15 : w/ Multi Display
N4 L9
Front Woofer RH Front Tweeter LH ∗16 : w/o Multi Display
1 2 1 2

LG
B

(Telematics Transceiver)
R20
Woofer
2 NR1 1 NR1 43 RL1 44 RL1

DCM
WF2+ WF2– WF1– WF1+
2 4 3 1

(∗8)
LG

SB
W

R
B

B
L

10 B 2 B 3 E 9 E (∗15) 7 D (∗15)
1 A 5 A 2 A 6 A (∗16) 2 E 6 E 5 E 1 E 24 F (∗16)

cardiagn.com
WFR+ WFR– FL+ FL– WF2+ WF2– WF1– WF1+ TMUT

R34(F), R35(A), R36(B), R38(C), R39(E), R60(D)


Stereo Component Amplifier

RL+ RL– RR+ RR– SL+ SL– SR+ SR–


3 A 9 A 4 A 10 A 1 A 5 A 2 A 6 A
(∗1)

(∗1)

(∗1)

(∗1)

(∗1)

(∗1)
W

R
P

18 RS2 17 RS2 4 OR1 5 OR1 11 RS2 10 RS2


(∗1)

(∗1)
P

(∗1)

(∗1)

(∗1)

(∗1)

(∗1)

(∗1)
W

5 OS1 4 OS1
(∗1)

(∗1)
P

1 2 1 2 1 2 1 2

O12 O1 S18 R18


Rear Door Rear Door Rear Speaker Rear Speaker
Speaker LH Speaker RH LH RH

-2-
Audio System , LEXUS Navigation System , Multi-Display <w/o LEXUS Navigation System> , Parking Assist <Rear View Monitor>

L51(A), L52(B), L113(C)


(ACC) (BAT) Radio Receiver Assembly

5A 10A
P–ACC D MPX–B 2
B ACC MUTE R+ R– L+ L– SLD
14 C (∗15) 11 A 7 A 8 A 18 A 9 A 19 A 10 A
1 A (∗16)

(Shielded)
(∗16)

(∗16)

(∗16)

(∗16)

(∗16)

(∗16)
LG

R
V

B
L
33 PA 42 DA

Connector
Junction
(∗16)
LG

L136
L

11 5G 28 RL1 24 RL1 25 RL1 26 RL1 27 RL1 23 RL1


1

(Shielded)
11 5B

(∗16)
(∗16)

(∗16)
(∗16)

(∗16)
W

R
V

B
1 F 5 F 4 F 3 F 2 F 6 F

cardiagn.com
MUTE R+ R– L+ L– SLD

R34(F), R35(A), R36(B), R38(C), R39(E), R60(D)


Stereo Component Amplifier

WUO SLDO MO– MO+


9 D 11 D 12 D 6 D
SB

(∗4)
V
(∗3)

(∗3)

(∗3)
V

Y
L
Television Display

(Shielded)

(Shielded)
Assembly

Television Display

(∗4)

(∗4)

(∗4)

(∗4)
Y
L
Assembly

(∗4)
G

Y(∗4)

L(∗4)

G(∗4)

-3-
Audio System , LEXUS Navigation System , Multi-Display <w/o LEXUS Navigation System> , Parking Assist <Rear View Monitor>

L51(A), L52(B), L113(C)


Radio Receiver Assembly

WUO ATX+ ATX– MO+ MO– SLDI


26 C 5 A 15 A 11 C 25 C 24 C

BR
(∗15)

(Shielded)

(Shielded)
(∗15)

(∗15)
(∗15)

(∗15)
(∗16)

(∗16)

W
(∗15)

B
Y

R
(∗15)

54 RL1 30 RL1 31 RL1 30 RL1 31 RL1 29 RL1


R
(∗15)
(Shielded)

(Shielded)
(∗15)
(∗15)

(∗15)

(∗15)
(∗16)

(∗16)

W
(∗15)

B
Y

3 D 8 F 7 F 4 D 10 D

cardiagn.com
WUI TX+ TX– MI+ MI–

(∗15)
BR
R34(F), R35(A), R36(B), R38(C), R39(E), R60(D)
Stereo Component Amplifier

FR+ FR– SPD SLDI


4 E 10 E 2 D 5 D (∗15)
8 A 7 A 11 F (∗16)
B

∗ 3 : w/ Rear Seat Entertainment System


∗ 4 : w/o Rear Seat Entertainment System
∗15 : w/ Multi Display
∗16 : w/o Multi Display

Y(∗4) Y(∗4)

L(∗4) L(∗4)

G(∗4) G(∗4)

-4-
Audio System , LEXUS Navigation System , Multi-Display <w/o LEXUS Navigation System> , Parking Assist <Rear View Monitor>

L51(A), L52(B), L113(C)


Radio Receiver Assembly

GND AUXI ALI ARI ASGN AGND


15 C 5 C 20 C 19 C 21 C 6 C (∗15)
20 A 19 B 17 B 15 B 16 B (∗16)
W–B

(Shielded)
(∗15)

(∗15)

(∗15)

(∗15)

(∗15)
BR

R
B

cardiagn.com
2 LL1 4 LL1 5 LL1 3 LL1 1 LL1
(Shielded)

(Shielded)
(∗15)

(∗15)

(∗15)

(∗15)
(∗16)

(∗15)
(∗16)

(∗16)

(∗16)
BR

W
R
B

B
No. 1 Stereo Jack Adapter

No. 1 Stereo Jack Adapter


4 1 2 3 8 6 5 7 9
AUXO ALO ARO ASGN AUXO ALO ARO ASGN AGND
L137

L128
UPI UDO– UDO+ UJSG
1 2 3 4

∗ 4 : w/o Rear Seat Entertainment System


#

∗15 : w/ Multi Display


∗16 : w/o Multi Display
∗17 : w/ Paddle Shift Switch
∗18 : w/o Paddle Shift Switch

# : There is no wire color information.

Y Y

B B

Y(∗4) Y(∗4)

L(∗4) L(∗4)

G(∗4) G(∗4)

V
L3

-5-
Audio System , LEXUS Navigation System , Multi-Display <w/o LEXUS Navigation System> , Parking Assist <Rear View Monitor>

L51(A), L52(B), L113(C)


Radio Receiver Assembly

SW1 SW2 SWG


7 B 8 B 6 B

(∗16)
(∗16)

(∗16)
BR

B
6 5G 5 5G 4 5G 6 5G 5 5G 4 5G

BR(∗15)
6 5H 5 5H 4 5H
G(∗15)
BR

cardiagn.com
G

L134(A), z7(C), z14(F) B(∗15)


6 A 13 A 11 A Spiral Cable
AU1 AU2 EAU

11 F 5 F 3 F (∗17)
11 C 5 C 3 C (∗18)
(∗17)

(∗18)
GR
BR
P

Volume+

Volume–

Voice

Steering Pad Switch


z7(C), z8(D), z14(F)
with Modulator

6 D 9 D 7 D 3 D 10 D
AU1–1 AU1–2 AU2–1 EAU–1 AU2–3
GR
O

R
P

Steering Pad Switch


OFF Hook
ON Hook
MODE
Seek+

Seek–

z8(D)

Y Y

B B

Y(∗4) Y(∗4)

L(∗4) L(∗4)

G(∗4) G(∗4)

# #

# #

# #

# #

V V

-6-
Audio System , LEXUS Navigation System , Multi-Display <w/o LEXUS Navigation System> , Parking Assist <Rear View Monitor>

L51(A), L52(B), L113(C)


Radio Receiver Assembly

Y(∗8)

BR(∗8)

R(∗8)

(Shielded)
(∗8)

∗ 4 : w/o Rear Seat Entertainment System (Shielded)


∗ 8 : w/ LEXUS ENFORM or Safety Connect
∗ 9 : w/o LEXUS ENFORM or Safety Connect (∗8)
∗15 : w/ Multi Display W(∗8)
∗20 : w/ LEXUS ENFORM
B(∗8)
# : There is no wire color information.

BR(∗15) BR(∗15)

G(∗15) G(∗15)

cardiagn.com
B(∗15) B(∗15)

1 2
(Shielded)

(Shielded)
(∗8)

(∗8)

(∗8)

(∗8)

(∗8)

(∗8)

(∗8)
BR

W
R
Y

DCM (Telematics Transceiver)


L84
(∗9)

(∗9)

(∗8)

(∗8)
LG

P
L

Front Tweeter
RH

5 A 6 A 18 A 19 A 32 A 35 A 34 A 33 A

L111(A), L130(B)
SPO+ SPO– MCO+ MCO– SGND MCI– MCI+ MCVD

SPI– SPI+ USBG VOT+ VOT– VOR– VOR+ USB USBV


3 A 2 A 2 B 3 B 5 B 6 B 7 B 1 B 4 B

# (∗20)
(∗20)

(∗20)

(∗20)

(∗20)

(∗20)

(∗20)
(∗8)

(∗8)
LG

# (∗20)

# (∗20)

# (∗20)

40 RL1 39 RL1 # (∗20)

Y # (∗20)

B # (∗20)

Y(∗4) Y(∗4)

L(∗4) L(∗4)

G(∗4) G(∗4)

# #

# #

# #

# #

V V

-7-
Audio System , LEXUS Navigation System , Multi-Display <w/o LEXUS Navigation System> , Parking Assist <Rear View Monitor>

L51(A), L52(B), L113(C)


Radio Receiver Assembly

Y(∗8) Y(∗8)

BR(∗8) BR(∗8)

R(∗8)

(Shielded) B(∗9)
(∗8)
W(∗9)

(Shielded) R(∗9)
(∗8)
(Shielded)
W(∗8) (∗9)

B(∗8)
BE

BR(∗15) (Shielded)
10 LX2 13 LX2 12 LX2 11 LX2 17 LX2 (∗8)
G(∗15)

cardiagn.com
(Shielded)

B(∗15)

BE
W

R
B

22 A 21 A 20 A 31 A
ACC MI1+ MIC– SIN2

Overhead Module
Microphone and
Microphone Amplifier

X4(A)
BR(∗15)

G(∗15)

B(∗15)

# (∗20) # (∗20)

# (∗20) # (∗20)

# (∗20) # (∗20)

# (∗20) # (∗20)

# (∗20) # (∗20)

# (∗20) # (∗20)

# (∗20) # (∗20)

Y(∗4) Y(∗4)

L(∗4) L(∗4)

G(∗4) G(∗4)

# #

# #

# #

# #

V V

-8-
Audio System , LEXUS Navigation System , Multi-Display <w/o LEXUS Navigation System> , Parking Assist <Rear View Monitor>

L51(A), L52(B), L113(C)


Radio Receiver Assembly

MI+ MI– SLDI WUI NTSC GND SLD


9 C 23 C 10 C 12 C 8 C 22 C 7 C
Y(∗8)

BR(∗8)

(∗15)
L
B(∗9) B(∗9)

W(∗9) W(∗9)

R(∗9) R(∗9)

(Shielded)
(Shielded)

(Shielded)

(∗15)

(∗15)

(∗15)
(∗15)

(∗15)

(∗15)

(∗15)

W
(∗15)

B
(Shielded) (Shielded)

GR
G
R
(∗9) (∗9)

BE
(Shielded)

BR(∗8)

W(∗9)
R(∗9)

Y(∗8)

B(∗9)
(∗9)

(Shielded)

(∗15)
(∗8)

cardiagn.com
20 D 7 D 6 D 5 D 4 D 3 E 7 E 6 E 8 E 9 F 20 F
SNS2 SGND MIN– MIN+ MACC MO+ MO– SLDO WUO VV+ VV–

L59(D), L114(F), L115(E), L116(H), L117(C), L118(B), L120(I), L122(J), L127(L), L131(G), L133(K)
Display & Navigation Module Display

SW1 SW2 SWG USBV DCM VOT+ VOT– VOR– VOR+ UGND
25 D 24 D 23 D 4 G 1 G 3 G 5 G 6 G 7 G 2 G
(∗20)

(∗20)

(∗20)
#

BR(∗15)

G(∗15)

B(∗15)
(Shielded)
(∗20)

(∗20)

(∗20)

(∗20)

(∗20)

(∗20)

# (∗20)
#

# (∗20)

# (∗20)

# (∗20)

# (∗20)

# (∗20)

# (∗20)

Y(∗4) Y(∗4)

L(∗4) L(∗4)

G(∗4) G(∗4)

# #

# #

# #

# #

V V

-9-
Audio System , LEXUS Navigation System , Multi-Display <w/o LEXUS Navigation System> , Parking Assist <Rear View Monitor>

L51(A), L52(B), L113(C) S35


Radio Receiver Assembly Television Camera
∗ 3 : w/ Rear Seat Entertainment System
∗ 4 : w/o Rear Seat Entertainment System
∗ 5 : w/ Disc Player Assembly
ANT ∗ 6 : w/o Disc Player Assembly
∗ 8 : w/ LEXUS ENFORM or Safety Connect
13 A
∗ 9 : w/o LEXUS ENFORM or Safety Connect CB+ CV– CV+ CGND
∗10 : w/ Parking Assist (Rear View Monitor)
∗15 : w/ Multi Display 4 1 2 3
∗20 : w/ LEXUS ENFORM
(∗16)
B

(Shielded)
(∗10)

(∗10)
(∗10)

(∗10)

W
R
B
Radio
Antenna Antenna
1
Radio Antenna

B
16 LS1 18 LS1 17 LS1 15 LS1
L58

(Shielded)
(∗10)

(∗10)

(∗10)
(∗10)

W
R
B

cardiagn.com
# : There is no wire color information.

6 F 16 F 5 F 17 F
CA+ V– V+ CGND

L59(D), L114(F), L115(E), L116(H), L117(C), L118(B), L120(I), L122(J), L127(L), L131(G), L133(K)
Display & Navigation Module Display

MI+ MI– SLDI GND1


1 E 5 E 2 E 10 D
GR
(Shielded)

(Shielded)
Y

W–B
G

52 RL1 53 RL1 51 RL1

B(∗3 ∗6) G(∗3 ∗5)

Television Display W(∗3 ∗6) L(∗3 ∗5) Disc Player Assembly


Assembly and Headphone
G(∗3 ∗6) Terminal
Disc Player
Assembly
Y(∗3 ∗5)
Y(∗4)

L(∗4)

G(∗4) V

# #

# #

# #

# #

V
L3

- 10 -
Audio System , LEXUS Navigation System , Multi-Display <w/o LEXUS Navigation System> , Parking Assist <Rear View Monitor>

(IG) (ACC) (BAT)


P

10A 5A 20A
P–IG1–1 P–ACC RADIO
NO. 1 9 DA 9 3B

53 PA 33 PA 1 PA
18 DA 9 3A

P
P
LG

R
V

13
L31
8 5F TC DLC3
12 5B 11 5B
1 GPS Antenna

Connector
Junction
L94
2 8 5A
12 5A 11 5A
LG

R
V

cardiagn.com
3 D 2 D 1 D 9 D
IG ACC +B1 TC

L59(D), L114(F), L115(E), L116(H), L117(C), L118(B), L120(I), L122(J), L127(L), L131(G), L133(K)
Display & Navigation Module Display

IEEE +B2 ACC2 G


1 J 1 K 2 K 4 K
(∗11)

(∗12)
(∗12)

(∗12)

(∗12)
SB

BE
B

P
B

1 1 B 1 A 3 A 5 A
IEEE IEEE +B ACC G

L123 L132(A), L138(B)


IEEE Multi–Media Module Navigation Assembly
Connector

∗ 3 : w/ Rear Seat Entertainment System


∗11 : HDD Navigation System Type
∗12 : DVD Navigation System Type
∗15 : w/ Multi Display

# : There is no wire color information.

V V

# #

# #

# #

# #

- 11 -
Audio System , LEXUS Navigation System , Multi-Display <w/o LEXUS Navigation System> , Parking Assist <Rear View Monitor>

Disc Player Assembly and


Disc player Assembly
Headphone Terminal
Television Display
Assembly

(Shielded)

(Shielded)
(∗3)

(∗3)

(∗3)

(∗3)

(∗3)

(∗3)

(∗3)
BE

G
R

R
19 RL1 21 RL1 20 RL1 22 RL1 58 RL1 59 RL1 60 RL1
(Shielded)

(Shielded)
(∗3)

(∗3)

(∗3)

(∗3)

(∗3)

(∗3)

(∗3)
BE

G
R

cardiagn.com
4 E 4 F 14 F 15 F 8 F 19 F
VMTR NTSO SGND SLD2 NTSC SG

L59(D), L114(F), L115(E), L116(H), L117(C), L118(B), L120(I), L122(J), L127(L), L131(G), L133(K)
Display & Navigation Module Display

SPD RSE AIR ARON DSS2 TX1+ TX1– TX3+ TX3–


18 D 1 L 4 C 3 C 1 I 1 F 2 F 9 H 10 H
(∗3)

R
V

7 5A 1 RL5 54 PA 29 PA
(∗3)
B

6 5B 49 PA 24 PA
(∗15)

(∗15)

(∗15)

(∗15)
G

R
R
V

B
Television Display

30 PA
Assembly

17 A 23 A 1 C 31 A 32 A 6 5
30 PJ 14 PA P–AB PAON DSS2 TX+ TX– TX+1 TX–1
V

L73(A) L90(A), L121(C) L38


V Center Airbag ECU Parking Assist ECU Clock

# #

# #

# #

# #

- 12 -
Audio System , LEXUS Navigation System , Multi-Display <w/o LEXUS Navigation System> , Parking Assist <Rear View Monitor>

∗15 : w/ Multi Display V

# : There is no wire color information.


L

(Shielded)

BR

(Shielded)
43 LS1

BR
V

Y
L
R

cardiagn.com
16 D 17 D 8 B 5 B 6 B 2 B
REV PKB ADPG SG VV– VV+

L59(D), L114(F), L115(E), L116(H), L117(C), L118(B), L120(I), L122(J), L127(L), L131(G), L133(K)
Display & Navigation Module Display

CANL CANH TX2+ TX2– GND +B ACC AGND VA– VAL+ VAR+
22 D 21 D 12 F 13 F 7 H 12 H 11 H 1 B 7 B 4 B 3 B
(Shielded)
(∗15)

(∗15)

BR
LG

BE
LG

W
G

B
L

(Shielded)

BE

LG

BR

LG(∗15)

L(∗15)

# #

# #

# #

# #

V V

- 13 -
Audio System , LEXUS Navigation System , Multi-Display <w/o LEXUS Navigation System> , Parking Assist <Rear View Monitor>

R R

V V

L L

(Shielded) (Shielded)

BR BR

Y Y

R65(A), R66(B), h1(C)


Multi–Media Interface ECU

URO+ ULO+ UGD1 USD1 ACC +B GND TX1– TX1+

cardiagn.com
2 A 3 A 4 A 1 A 11 A 12 A 7 A 10 A 9 A
(Shielded)

(∗15)

(∗15)
BR
BE

LG

LG
W

R
B

L
9 RL1 10 RL1 8 RL1 7 RL1 11 RL1 12 RL1 46 RL1 55 RL1 56 RL1

(∗15)

(∗15)
BR
BE

LG

LG
W

R
B

L
W

(Shielded)

BE

LG

BR

LG(∗15)

L(∗15)

R R

G G

# #

# #

# #

# #

V V

- 14 -
Audio System , LEXUS Navigation System , Multi-Display <w/o LEXUS Navigation System> , Parking Assist <Rear View Monitor>

R R

V V

L L

(Shielded) (Shielded)

BR BR

Y Y

R65(A), R66(B), h1(C)


Multi–Media Interface ECU

TX2+ TX2– UESG UDI+ UDI– UPO

cardiagn.com
4 B 5 B 4 C 3 C 2 C 1 C
(∗15)

(∗15)
BR
B

#
12 RS1 13 RS1 4 hh1 3 hh1 2 hh1 1 hh1

BR
(∗22 ∗15)
#

#
R
(∗22 ∗15)

4 rS3 5 rS3
(∗21 ∗15)

(∗21 ∗15)

(∗22 ∗15)

(∗22 ∗15)

4 Lh1 3 Lh1 2 Lh1 1 Lh1


BR

G
R

10 11 4 A 5 A
#

MPX+ MPX– MPX+ MPX–

S15 r2(A)
Rear Console Switch Rear Console Switch

R R

G G

V V

- 15 -
Audio System , LEXUS Navigation System , Multi-Display <w/o LEXUS Navigation System> , Parking Assist <Rear View Monitor>

R R

V V

L L

(Shielded) (Shielded)

BR BR

Y Y

R65(A), R66(B), h1(C)


Multi–Media Interface ECU

VLI VRI VGN SGND

cardiagn.com
9 B 1 B 10 B 2 B
(Shielded)
(Shielded)

(∗6)

(∗6)
(∗5)

(∗5)

(∗5)

(∗5)

(∗6)

(∗6)
W

W
R

R
B

(Shielded)
(∗6)

R(∗6)

W(∗6)

B(∗6)

∗ 5 : w/ Disc Player Assembly


∗ 6 : w/o Disc Player Assembly
∗15 : w/ Multi Display
∗21 : 4–Seater
∗22 : 5–Seater

# : There is no wire color information.

R R

G G

(Shielded)
(∗5)

R(∗5)

W(∗5)

B(∗5)

V V

- 16 -
Audio System , LEXUS Navigation System , Multi-Display <w/o LEXUS Navigation System> , Parking Assist <Rear View Monitor>

R R

V V

L L

(Shielded) (Shielded)

BR BR

Y Y

L78
Video Terminal

SG VA– VAR+ VAL+ ADPG VV– VV+

cardiagn.com
7 3 1 2 8 6 5
(Shielded)

(Shielded)
(∗6)

(∗6)

(∗6)

(∗6)

(∗6)

(∗6)

(∗6)

(∗6)
BR
W
R

Y
L

22 RL2 20 RL2 21 RL2 19 RL2 8 RL2 11 RL2 9 RL2 10 RL2


(∗6)
L

(Shielded) Y(∗6)
(∗6)
BR(∗6)
R(∗6)
(Shielded)
W(∗6) (∗6)

B(∗6) L(∗6)

R R

G G

(Shielded) (Shielded)
(∗5) (∗5)

R(∗5) R(∗5)

W(∗5) W(∗5)

B(∗5) B(∗5)

V V

- 17 -
Audio System , LEXUS Navigation System , Multi-Display <w/o LEXUS Navigation System> , Parking Assist <Rear View Monitor>

R R

V V

L ∗ 5 : w/ Disc Player Assembly


∗ 6 : w/o Disc Player Assembly
(Shielded)

BR

49 RL1 48 RL1 50 RL1 47 RL1

cardiagn.com
(Shielded)

(Shielded)
(∗6)

(∗6)

(∗6)

(∗6)

(∗5)

(∗5)

(∗5)

(∗5)
BR

BR
Y

Y
L

Y(∗6)

BR(∗6)

(Shielded)
(∗6)

L(∗6)
L(∗5)

(Shielded)
(∗5)

BR(∗5)

Y(∗5)

R R

G G

(Shielded) (Shielded)
(∗5) (∗5)

R(∗5) R(∗5)

W(∗5) W(∗5)

B(∗5) B(∗5)

V V

- 18 -
Audio System , LEXUS Navigation System , Multi-Display <w/o LEXUS Navigation System> , Parking Assist <Rear View Monitor>

R R

V V

Y3
Video Terminal

ADPG VV– VV+ SG VA– VAR+ VAL+


8 6 5 7 3 1 2

(Shielded)

(Shielded)
(∗5 ∗13)

(∗5 ∗13)

(∗5 ∗13)

(∗5 ∗13)

(∗5 ∗13)
(∗5 ∗13)

(∗5 ∗13)

(∗5 ∗13)
BR

W
R
Y

B
L

5 SY2 8 SY2 6 SY2 7 SY2 24 SY2 23 SY2 21 SY2 22 SY2

(Shielded)
(Shielded)

(∗5 ∗13)
(∗5 ∗13)

(∗5 ∗13)

(∗5 ∗13)

(∗5 ∗13)

(∗5 ∗13)
(∗5 ∗13)
BR

W
R

B
Y

cardiagn.com
(∗5 ∗13)

(Shielded)
L

(∗5 ∗14)

R(∗5 ∗14)

W(∗5 ∗14)

B(∗5 ∗14)

1 RS1 2 RS1 3 RS1 4 RS1

L(∗5 ∗14)

(Shielded)
(∗5 ∗14)

BR(∗5 ∗14)

Y(∗5 ∗14)

5 RS2 16 RS2 15 RS2 14 RS2

L(∗5)

(Shielded)
(∗5)

(∗5)

(∗5)
W
R

(∗5)

BR(∗5)

Y(∗5)

R R

G G

(Shielded)
(∗5)
V
R(∗5)

W(∗5)

B(∗5)

- 19 -
Audio System , LEXUS Navigation System , Multi-Display <w/o LEXUS Navigation System> , Parking Assist <Rear View Monitor>

R R

V V

U2
Video Terminal

SG VA– VAR+ VAL+ ADPG VV– VV+


7 3 1 2 8 6 5
(Shielded)

(Shielded)
(∗5 ∗14)

(∗5 ∗14)

(∗5 ∗14)

(∗5 ∗14)

(∗5 ∗14)

(∗5 ∗14)

(∗5 ∗14)

(∗5 ∗14)
BR
W
R

Y
L
6 US1 2 US1 3 US1 4 US1 8 US1 10 US1 12 US1 11 US1
(Shielded)

(Shielded)
(∗5 ∗14)

(∗5 ∗14)
(∗5 ∗14)

(∗5 ∗14)

(∗5 ∗14)

(∗5 ∗14)

(∗5 ∗14)

(∗5 ∗14)
BR
W
R

Y
L

cardiagn.com
(Shielded)
(∗5 ∗14)

R(∗5 ∗14)

W(∗5 ∗14)

B(∗5 ∗14)

L(∗5 ∗14)

(Shielded)
(∗5 ∗14)

BR(∗5 ∗14)

Y(∗5 ∗14)

∗ 5 : w/ Disc Player Assembly


∗13 : w/ Television Display Assembly (Roof Type)
∗14 : w/ Television Display Assembly (Console Type)

R R

G G

V V

- 20 -
Audio System , LEXUS Navigation System , Multi-Display <w/o LEXUS Navigation System> , Parking Assist <Rear View Monitor>

R R

V V

R
(IG)
G

10A B
E/G RM–IG1–1

L39
Electric Parking Brake Switch 8

G
R

GND
7 2A
45 LA1 46 LA1
G

G
R

AUTO
PUSH PULL
2 EA4
G

2 11 22
Connector
Position Switch

Junction
Park/Neutral

RB RL
A67

cardiagn.com
R 9 20
E49

AUTO LOK1 LOK2 RLS1 RLS2


1
5 7 9 6 10
Y

W
G

G
R

B
1 A 23 LS1 28 LS1 27 LS1 26 LS1 25 LS1
E52(A)
Junction
Connector

W
G
R

B
2 A

5 B 12 B 15 B 16 B 13 B
G

Engine Control Module

AUTO LCK1 LCK2 REL1 REL2

11 E 14 A 13 A
A13(A), E3(E)

R CANH CANL CA2L CA2H


1 B 9 B S48(B)
Parking Brake ECU
CA2H CA2L
18 A 17 A
W

B
LG
L

6 AS2 5 AS2

10 21
Connector
Junction

B
A65

7 18

R R

G G

V V

- 21 -
Audio System , LEXUS Navigation System , Multi-Display <w/o LEXUS Navigation System> , Parking Assist <Rear View Monitor>

R R

V V

R R

G G

L77(B)
A/C Amplifier

CANH CANL
3 B 4 B

cardiagn.com
G
R
B

1 3D 10 21
Connector
Junction
L98

1 3H 9 20 7 18
W–B

G
R

45 DA

40 DA

G
W–B

V V

L4

- 22 -
Audio System , LEXUS Navigation System , Multi-Display <w/o LEXUS Navigation System> , Parking Assist <Rear View Monitor>

R
(BAT) (BAT) (IG)
V

RR MPX–B 1

RR MPX–B 2

RR–IG1–2
R
R

10A
14

10A

5A
G S56
Junction
Connector
V 12

R
L11(A), L12(B)
13 B Main Body ECU 1 C 7 15 8
PKBO BCK1 MPXB LGLB IG

S62(B), S63(C)
CANL CANH CANP CANN Rear Junction Block ECU
6 A 5 A 16 A 15 A
CANP CANN PGND SG
20 B 28 B 4 17

43 LA 29 LA

W
B
3 14

W–B

W–B
S59
Junction

cardiagn.com
Connector
4 15
W

W
G

G
R

2 13
S60
Junction
Connector
5 16
W
B

59 LS1 60 LS1
W
B

15 4 14 3 3 14 4 15
Connector

Connector
Junction

Junction
L97

L95

12 1 16 5 7 18

W
G

G R

R G
W–B

W–B

V V

7 1

S54
S1 Junction
Connector

- 23 -
Audio System , LEXUS Navigation System , Multi-Display <w/o LEXUS Navigation System> , Parking Assist <Rear View Monitor>

(IG) (BAT)

10A 10A
P–J/B D MPX–B 2

30 2C 42 DA
L

1
L136
Junction
6 LA1 Connector
2
P
L

L10
14 13 Combination Meter
IG2 B

cardiagn.com
5V IC

CPU

CAN CONTROLLER

CAN I/F

CANN CANP CANH CANL +S SI ES E2


23 22 20 21 10 9 18 17
W–B
BR
V

W 6
L100
18 PA Junction
B Connector
Front Speed Sensor 8
R

G 13 PK
W–B
B

V
L

58 PA 41 DA
Skid Control ECU

23 A 16 C 15 C 16 A 15 A
A19(A), A21(C)

SP1 FL+ FL– FR+ FR–

RL+ RL– RR+ RR– 43 PA 40 DA


11 A 10 A 11 C 10 C
V
Y

Y
L

W–B
BR

L1 L4
Rear Speed Sensor

- 24 -
Audio System , LEXUS Navigation System , Multi-Display <w/o LEXUS Navigation System> , Parking Assist <Rear View Monitor>

A 13 A 19
White Black

1 2 3 4 5 6

7 8 9 10 11 12 13 14 15 16 3 4 5 6 7 8 9 10 11 12 13 14 15 16
1 2
17 18 19 20 21 22 23 24 25 26 27 17 18 19 20 21 22 23 24 25 26 27 28 29 30

28 29 30 31 32 33 34 35 31 32
33 34 35 36 37 38 39 40 41 42 43 44 45 46

A 21 A 65
Gray Gray

1 2 3 4 5 6 7 8 9 10 11
3 4 5 6 7 8 9 10 11 12 13 14 15 16 12 13 14 15 16 17 18 19 20 21 22
1 2
17 18 19 20 21 22 23 24 25 26 27 28 29 30

cardiagn.com
31 32
33 34 35 36 37 38 39 40 41 42 43 44 45 46

A 67 E3 E 49
Black White Gray

1 2 3 4 5 6 1 2 3 4
1 2 3 4 5 6 7 8 9 10 11
7 8 9 10 11 12 13 14 15 16 5 6 7 8 9
12 13 14 15 16 17 18 19 20 21 22
17 18 19 20 21 22 23 24 25 26
27 28 29 30 31 32 33

E 52 L9 L 10 L 11
Black White Black White

1 2
1 2 3 4 5 6 7 8 9 10 11 1 2 3 4 5 6 7 8 9 10 11 12 1 4
2 3
12 13 14 15 16 17 18 19 20 21 22 13 14 15 16 17 18 19 20 21 22 23 24
5 6 7 8 9 10
11 12 13 14 15 16

- 25 -
Audio System , LEXUS Navigation System , Multi-Display <w/o LEXUS Navigation System> , Parking Assist <Rear View Monitor>

L 12 L 31 L 38
White White White

1 2 3 4
1 2 3 4 5 6 7 8 9 10
5 6 7 8
16 15 14 13 12 11 10 9
11 12 13 14 15 16 17 18 19 20
21 22 23 24 25 26 27 28
8 7 6 5 4 3 2 1

L 39 L 51 L 52 L 58
White White White White

1
1 10
1 2 3 4 5 2 3 4 5 6 7 8 9
1 2 3 4 5 6 7 8 9 10
11 12 13 14 15 16 17 18 19 20
6 7 8 9 10 11 12 13 14 15 16 17 18 19 20

cardiagn.com
L 59 L 73
White Yellow

1 2 3 4 5 6 7 8 9 10

1 2 3 10 11 12 11 12 13 14 15 16 17 18 19 20
4 5 6 7 8 9
13 14 15 16 17 18 19 20 21 22 23 24 25 26
21 22 23 24 25 26 27 28 29 30

L 77 L 78 L 84
White White White

1 2
1 2 3 4 5 6 1 2 3 4
5 6 7 8
7 8 9 10 11 12 13 14 15 16
17 18 19 20 21 22 23 24 25 26 27
28 29 30 31 32 33 34 35

L 90 L 94 L 95
White Black Gray

1 2 3 4

1 2 3 4 5 6 7 8 9 10 11 12 13
1 2 3 4 5 6 7 8 9 10 11
14 15 16 17 18 19 20 21 22 23 24 25 26 27 28 29 30 31 32
12 13 14 15 16 17 18 19 20 21 22

- 26 -
Audio System , LEXUS Navigation System , Multi-Display <w/o LEXUS Navigation System> , Parking Assist <Rear View Monitor>

L 97 L 98 L100
Black Gray Blue

1 2 3 4 5
6 7 8 9 10 11 12

1 2 3 4 5 6 7 8 9 10 11 1 2 3 4 5 6 7 8 9 10 11
12 13 14 15 16 17 18 19 20 21 22 12 13 14 15 16 17 18 19 20 21 22

L111 L113
White White

1 2 3 4 5 6 7 8 9 10 11 12 13 14
1 2 3 4 5 6
15 16 17 18 19 20 21 22 23 24 25 26 27 28

7 8 9 10 11 12 13 14 15 16 17 18 19 20 21 22

23 24 25 26 27 28 29 30 31 32 33 34 35 36 37 38

cardiagn.com
L114 L115 L116 L117
White White White Blue

1 2 3
1 2 3 4 1 2 3 4 5 6
4 5 6
5 6 7 8 7 8 9 10 11 12
1 2 3 4 5 6 7 8 9 10 11
12 13 14 15 16 17 18 19 20 21 22

L118 L120 L121 L122 L123


White Blue White Gray Gray

1 1 1
1
1 2 3 4
5 6 7 8

L127 L128 L130 L131


Brown Black White White

1 2 3 4 2 3 4
1 1
1 2 3 4 5 6 7 5 6 7

5 6 7 8 9

L132 L133 L134 L136 L137


White White Black Black Gray

1 2 3 4

1 2 3 4 5 1 2
1 2 3 4 5 6 7 1 2 3 4
3 4
8 9 10 11 12 13 14

- 27 -
Audio System , LEXUS Navigation System , Multi-Display <w/o LEXUS Navigation System> , Parking Assist <Rear View Monitor>

L138 M1 N4 N 12 O1 O 10 O 12
Gray White White White White White White

1
1 2 1 1 1 1 2 1

2 2 2 2

O 21 Q3 Q8 R 18 R 20
White White White White White

1 2 1 2 1 2 1 2 1 2
3 4 3 4 3 4

R 34 R 35 R 36 R 38
White White Gray White

1 2 3 4 5 1 2
1 2 3 4 6 7 8 9 10 11 12
3 4 5 6
5 6 7 8 9 10
1 2 3 4 5 6 7 8 9 10 11 12
13 14 15 16 17 18 19 20 21 22 23 24

cardiagn.com
R 39 R 43 R 60 R 65
White White White Black

1 2 3 4
1 2 3
5 6 7 8 9 10
4 5 6 7 8 1 2 3 4 5 6 1 2 3 4 5 6
7 8 9 10 11 12 7 8 9 10 11 12

R 66 S 15 S 18 S 35 S 48
White White White White White

1 2 1 2
1 2 3 4 5 6 7 8 1 2 3 4 5 6 7 8 1 2 3 4 5 6 7 8
3 4
9 10 11 12 13 14 15 16 9 10 11 12 13 14 15 16 9 10 11 12 13 14 15 16

S 54 S 56 S 59
White White Black

1 2 3
4 5 6 7 8 1 2 3 4 5 6 7 8 9 10 11 1 2 3 4 5 6 7 8 9 10 11
12 13 14 15 16 17 18 19 20 21 22 12 13 14 15 16 17 18 19 20 21 22

- 28 -
Audio System , LEXUS Navigation System , Multi-Display <w/o LEXUS Navigation System> , Parking Assist <Rear View Monitor>

S 60 S 62 S 63 U2
Black White White White

1 2 3 4
1 2 3 4 5 6 7 8 9 10 11 1 2 3 4 5 6 7 8 9 10 1 4 5 6 7 8
2 3
12 13 14 15 16 17 18 19 20 21 22 11 12 13 14 15 16 17 18 19 20
5 6 7 8 9 10
21 22 23 24 25 26 27 28
11 12 13 14 15 16

X4 Y3 h1
White White Brown

1 2 3 4 4 3 2 1
1 2 3 4 5 6 7 8 9 10 11 12 13 14 15 16
5 6 7 8
17 18 19 20 21 22 23 24 25 26 27 28 29 30 31 32

r2 z7 z8 z 14

cardiagn.com
White White Blue Black

1 2 3 4 5 5 4 3 2 1 1 2 3 4 5 6
1 2 3 4 5
6 7 8 9 10 11 12 13 14 15 16 10 9 8 7 6 7 8 9 10 11 12
6 7 8 9 10

2A 2C
Black White

1 2 3 4 5
6 7 8 9 10 11 12 13 1 2 3 4 5 6 7 8 9 10 11 12 13 14 15 16 17 18

19 20 21 22 23 24 25 26 27 28 29 30 31 32 33 34 35 36

3A 3B
White Gray

1 2 3 4 5 6 7 8 9 10 11 12 1 2 3 4 5 6 7 8 9 10 11 12

3D 3H
Gray Gray

1 2 3 4 5 6 7 8 9 10 11 12 1 2 3 4 5 6 7 8 9 10 11 12

5A 5B
White Gray

1 2 3 4 5 6 7 8 9 10 11 12 1 2 3 4 5 6 7 8 9 10 11 12

5F 5G
Gray White

1 2 3 4 5 6 7 8 9 10 11 12 1 2 3 4 5 6 7 8 9 10 11 12

- 29 -
Audio System , LEXUS Navigation System , Multi-Display <w/o LEXUS Navigation System> , Parking Assist <Rear View Monitor>

5H DA
Gray White

1 2 3 4 5 6 7 8 9 10 11 12

7 8 9 10 11 12 13 14 15 16 17 18 19 20 21 22
1 2 3 4 5 6
23 24 25 26 27 28 29 30 31 32 33 34 35 36 37 38
39 40 41 42 43 44 45 46 47 48 49 50 51 52 53 54 55 56 57 58 59 60

DD
Gray

7 8 9 10 11 12
1 2 3 4 5 6
13 14 15 16 17 18
19 20 21 22 23 24 25 26 27 28 29 30

LA
White

cardiagn.com
7 8 9 10 11 12 13 14 15 16 17 18 19 20 21 22
1 2 3 4 5 6
23 24 25 26 27 28 29 30 31 32 33 34 35 36 37 38
39 40 41 42 43 44 45 46 47 48 49 50 51 52 53 54 55 56 57 58 59 60

PA
White

7 8 9 10 11 12 13 14 15 16 17 18 19 20 21 22
1 2 3 4 5 6
23 24 25 26 27 28 29 30 31 32 33 34 35 36 37 38
39 40 41 42 43 44 45 46 47 48 49 50 51 52 53 54 55 56 57 58 59 60

PJ PK
Gray Gray

7 8 9 10 11 12
1 2 3 4 5 6
13 14 15 16 17 18 1 2 5 6
19 20 21 22 23 24 25 26 27 28 29 30 3 4

7 8 9 10 11 12 13 14 15 16

17 18 19 20 21 22 23 24

- 30 -
Audio System , LEXUS Navigation System , Multi-Display <w/o LEXUS Navigation System> , Parking Assist <Rear View Monitor>

AS2 EA4
White White

1 2 8 9
9 8 2 1 1 2
10 11 3 4 5 6 7 17 18
3 4 2 1
12 13 14 15 16 18 17 7 6 5 4 3 11 10
4 3
16 15 14 13 12

LA1
White

7 8 9 10 11 12 13 14 15 16 17 18 19 20 21 22
1 2 3 4 5 6
23 24 25 26 27 28 29 30 31 32 33 34 35 36 37 38
39 40 41 42 43 44 22 21 20 19 18 17 16 15 14 13 12 11 10 9 8 7
45 46 47 48 49 50 51 52 53 54 55 56 57 58 59 60 6 5 4 3 2 1
38 37 36 35 34 33 32 31 30 29 28 27 26 25 24 23
60 59 58 57 56 55 54 53 52 51 50 49 48 47 46 45 44 43 42 41 40 39

cardiagn.com
LL1 LM1
White White

1 2

1 2 3 4 5 5 4 3 2 1 3 4 5 6 7 2 1
7 6 5 4 3

LS1
White

7 8 9 10 11 12 13 14 15 16 17 18 19 20 21 22
1 2 3 4 5 6
23 24 25 26 27 28 29 30 31 32 33 34 35 36 37 38
39 40 41 42 43 44 22 21 20 19 18 17 16 15 14 13 12 11 10 9 8 7
45 46 47 48 49 50 51 52 53 54 55 56 57 58 59 60 6 5 4 3 2 1
38 37 36 35 34 33 32 31 30 29 28 27 26 25 24 23
60 59 58 57 56 55 54 53 52 51 50 49 48 47 46 45 44 43 42 41 40 39

LX2 Lh1
White Brown

9 8 7 6 5 4 3 2 1 4 3 2 1 1 2 3 4
1 2 3 4 5 6 7 8 9
18 17 16 15 14 13 12 11 10
10 11 12 13 14 15 16 17 18

- 31 -
Audio System , LEXUS Navigation System , Multi-Display <w/o LEXUS Navigation System> , Parking Assist <Rear View Monitor>

NR1 NS1
White White

1 2 3 4 5 5 4 3 2 1 1 2 3 4 5 5 4 3 2 1
6 7 8 9 10 10 9 8 7 6 6 7 8 9 10 10 9 8 7 6

OQ1
White

9 8 7 6 5 4 3 2 1
1 2 3 4 5 6 7 8 9
25 16 15 14 13 12 11 10 17
17 10 11 12 13 14 15 16 25 24 23 22 21 20 19 18
18 19 20 21 22 23 24

cardiagn.com
OQ2
White

9 8 7 6 5 4 3 2 1
1 2 3 4 5 6 7 8 9
25 16 15 14 13 12 11 10 17
17 10 11 12 13 14 15 16 25 24 23 22 21 20 19 18
18 19 20 21 22 23 24

OR1
White

6 5 4 3 2 1

1 2 3 4 5 6 21 20 19 11 10 9 8 7 13 12
7 8 9 10 11 19 18 17 16 15 14
12 13 20 21
14 15 16 17 18

- 32 -
Audio System , LEXUS Navigation System , Multi-Display <w/o LEXUS Navigation System> , Parking Assist <Rear View Monitor>

OS1
White

6 5 4 3 2 1

1 2 3 4 5 6 21 20 19 11 10 9 8 7 13 12
7 8 9 10 11 19 18 17 16 15 14
12 13 20 21
14 15 16 17 18

RL1
White

7 8 9 10 11 12 13 14 15 16 17 18 19 20 21 22
1 2 3 4 5 6
23 24 25 26 27 28 29 30 31 32 33 34 35 36 37 38
22 21 20 19 18 17 16 15 14 13 12 11 10 9 8 7

cardiagn.com
39 40 41 42 43 44 45 46 47 48 49 50 51 52 53 54 55 56 57 58 59 60 6 5 4 3 2 1
38 37 36 35 34 33 32 31 30 29 28 27 26 25 24 23
60 59 58 57 56 55 54 53 52 51 50 49 48 47 46 45 44 43 42 41 40 39

RL2 RL5
White White

1
1
11 10 9 8 7 6 5 4 3 2 1
1 2 3 4 5 6 7 8 9 10 11
22 21 20 19 18 17 16 15 14 13 12
12 13 14 15 16 17 18 19 20 21 22

RS1
White

11 10 9 8 7 6 5 4 3 2 1
1 2 3 4 5 6 7 8 9 10 11
22 21 20 19 18 17 16 15 14 13 12
12 13 14 15 16 17 18 19 20 21 22

- 33 -
Audio System , LEXUS Navigation System , Multi-Display <w/o LEXUS Navigation System> , Parking Assist <Rear View Monitor>

RS2 RS4
White Dark Gray

2 1
1 2 8 9 1 2
4 3
9 8 2 1 3 4
10 11 3 4 5 6 7 17 18
12 13 14 15 16 18 17 7 6 5 4 3 11 10
16 15 14 13 12

SY2 US1
White White

9 8 7 6 5 4 3 2 1 5 4 3 2 1
1 2 3 4 5
1 2 3 4 5 6 7 8 9 8 7 6
25 16 15 14 13 12 11 10 17 6 7 8 13 9
9 13 12 11 10
17 10 11 12 13 14 15 16 25 24 23 22 21 20 19 18 10 11 12
18 19 20 21 22 23 24

cardiagn.com
hh1 rS3
Brown White

4 3 2 1 1 2 3 4 11 10 9 8 7 6 5 4 3 2 1
1 2 3 4 5 6 7 8 9 10 11
22 21 20 19 18 17 16 15 14 13 12
12 13 14 15 16 17 18 19 20 21 22

- 34 -
Air Suspension

(BAT)

40A
AIR SUS

4 1C

BE

W–B

cardiagn.com
BE
W

B
L

Short Connector
(Height Control)
A38(A), L82(B)
1

Connector
10 B 8 B 9 B 3 B 7 B 11 B 1 B

Junction
57 LR1 35 LR1

L100
10 A 8 A 9 A 3 A 7 A 11 A 8

Y
W–B
G
R

B
1 1 52 LA3 51 LA3 4 jR1 3 jR1

5 1 Y Y

AIR SUS G G
Relay 3 1 1
Height Control
Exhaust Valve
Control Valve

LH+ RH+
Front Height

W–B

3 2
W
R

E
A59

A56

1 1
2 2

Rear Height Control


41 DA
W–B 1 3
W–B

W–B

Solenoid Valve
L

+RH +LH

W–B
40 DA E
j1
Junction Connector

2
12 B 15 B 14 B 13 B
A63(A), A64(B)

W–B

2 jR1

19 A
W–B
W–B

W–B

BR BR

5
W–B R41
Junction
Connector

A8 A9 L4 R1

-1-
Air Suspension

(IG)

20A AIR SUS


A4 A54
Front Height Front Height
Control Sensor LH Control Sensor RH

44 PA SHFL SHB SHG SHFR SHB SHG


2 3 1 2 3 1

W
BE

GR
W

BR

R
B

V
L
R

53 LA3 56 LA3 55 LA3 54 LA3

cardiagn.com
BE

LG
W

W
R

R
V
L

5 B 16 B 17 B 6 B 1 B 22 A 18 B 22 B 20 A 20 B 21 B
SLEX SLFR SLFL RC B SHFL SBL1 SGL1 SHFR SBR1 SGR1

A39(A), L88(B), R1(C)


Air Suspension Control ECU

SLRR SLRL RM+ RM– FAR+ FAR– FBR+ FBR– FAL+ FAL– FBL+ FBL–
26 B 25 B 17 A 18 A 9 A 11 A 3 A 4 A 13 A 14 A 15 A 16 A
G
Y

G
BE

BE
LG

W
R

R
Y

2 5 1 4 2 5 1 4
FAR+ FAR– FBR+ FBR– FAL+ FAL– FBL+ FBL–
Compressor Motor

3 4
Height Control

RM+ RM–

B E E FR E FL
A57

1 2 3 A45 3 A15
Front Suspension Front Suspension
W–B

W–B

Control Actuator RH Control Actuator LH


BR
L

22 A
A61(A), A62(B)
Junction
Connector

12 B
L

W–B
W–B

BR

6
A70
Junction
Connector

A2

-2-
Air Suspension

S69 R56
Rear Height Control Sensor LH Rear Height Control Sensor RH
Rear Pad Wear Indicator Switch Rear Pad Wear Indicator Switch
Rear Speed Sensor LH Rear Speed Sensor RH

Rear Height Control Rear Height Control L17 R26


Sensor LH Sensor RH Front Acceleration Sensor Rear Acceleration Sensor

SHB SHRL SHG SHB SHRR SHG SGFL SGG SGB SGRR SGND SGV
3 2 1 2 1 5 1 2 3 1 2 3
GR
BR

BR
LG

BE
LG
R
V
L
53 LA 36 LA 34 LA

15 LR1 53 LR1 31 LR1

52 LA 18 LA 33 LA
GR
BR

LG

BR

BE
LG
R
B

V
L
2 RS3 1 RS3 3 RS3

cardiagn.com
GR
BR

LG

24 C 30 C 23 C 26 C 28 C 25 C 11 C 29 C 16 C 27 C 12 C 15 C
SBL2 SHRL SGL2 SBR2 SHRR SGR2 SGFL SGL SBL SGRR SGR3 SBR3

A39(A), L88(B), R1(C)


Air Suspension Control ECU

RAL+ RAL– RBL+ RBL– RAR+ RAR– RBR+ RBR–


6 C 7 C 8 C 20 C 13 C 3 C 4 C 5 C
BR
BE

LG
G

G
Y

P
L

7 RS3 8 RS3 6 RS3 9 RS3


BR
BE
G
L

4 TS1 1 TS1 5 TS1 2 TS1 4 TR1 1 TR1 5 TR1 2 TR1


LG

LG
G

G
Y

2 5 1 4 2 5 1 4
RAL+ RAL– RBL+ RBL– RAR+ RAR– RBR+ RBR–

E RL E RR
3 T1 3 T2
Rear Suspension Rear Suspension
Control Actuator LH Control Actuator RH
W–B

W–B

3 TS1 3 TR1
W–B

W–B

2
R41
Junction
Connector
1
S54 W–B
Junction
Connector

S1 R1 R2

-3-
Air Suspension

A37
AFS ECU

W
SHFL SGR SHRL SBR
B
17 21 19 18

G
GR

BR
LG
L

G
R
B

4 AR1 3 AR1 45 LA1 46 LA1


GR

BR
LG

G
R
B
L

cardiagn.com
E52(A), E53(B)
21 A 24 A 19 A 23 A 21 C 22 C 11 22 15 A 19 A

Connector

Connector
SHF2 SGL3 SHR2 SBL3 CA2L CA2H

Junction

Junction
A67
A39(A), L88(B), R1(C)
Air Suspension Control ECU 22 B 13 B
10 21 9 20

TD GND CANL CANH


14 B 4 B 8 B 7 B G
R
V

L
W–B
BE

14 A 13 A 18 C
CANH CANL VC

2 A13(A), E1(C)
L100 Engine Control Module
Junction
Connector CA2L CA2H NE+ NE–
48 PA 8 17 A 18 A 27 C 34 C
LG

P
L

59 PA 1 2 3
W–B

NE NE– VC
BE

E54
Crankshaft
Position Sensor
11 L
OPA
41 DA LG

P
L31
DLC3 V
40 DA
B

W
W–B

L4

-4-
Air Suspension

(BAT)

5A
STOP

W
16 DH
B

G
R R

G G

B
2
W

W
B

W
3 14
Connector

Stop Light
Junction

Switch
A66

A35
48 LA1 49 LA1 37 LS1 38 LS1
4 15 1

cardiagn.com
W

W
B

B
8 19 1 12 L 2 13
Connector

Connector
15 DH
Junction

Junction
Connector
Junction

A67

S58
A65

2 13 1 12
10 21 9 20
13 DH

W
B
LG

LG
V

B
L

54 LS1 55 LS1

7 A 6 A 30 C 29 C 25 C

W
B
CA2H CA2L CA1H CA1L STP
A19(A), A21(C) 3 14

Connector
Skid Control ECU

Junction
CANL CANH FL+ FL– FR+ FR– RL+ RL– RR+ RR–

L99
8 C 9 C 16 C 15 C 16 A 15 A 11 A 10 A 11 C 10 C 1 12

W
P

B
L

Front Speed Sensor Rear Speed Sensor

LG

-5-
Air Suspension

cardiagn.com
W

W
G

R
B

B
L97 L95
Junction Junction
21 10 22 11 15 4 Connector Connector 10 21

19 8 20 9 16 5 14 3 7 18 3 14
W

W
G

G
R

R
B

W
9 10 2 3
CA1L CA1H CA1L CA1H B

L21 L71 G
Steering Angle Sensor Yaw Rate Sensor
W

-6-
Air Suspension

B B

W W

(IG) (ACC) (BAT)


10A D–IG1–3

5A D–ACC

5A AM1

15 22 6
IG ACC ALTB
L11(A), L12(B), L13(C)
Main Body ECU
CANN CANP CANH CANL GND1 GND2 GND3 DCTY PCTY LCTY RCTY
15 A 16 A 5 A 6 A 5 4 1 A 24 C 21 B 17 7 B

cardiagn.com
W–B
W

W
G
R
B

40 DA 41 DA 12 DD

4 4E
W–B

W–B

R
L

L
11
Connector

4 4F
Junction
L100

8
W

13 LR1 16 RL2

14 DA

30 DD
Front Door Courtesy Switch RH
Front Door Courtesy Switch LH

Rear Door Courtesy Switch RH


Rear Door Courtesy Switch LH
R

R
L

1 1 1 1

W
R12

B
S14
R6
S6

W W

B B

R R

G G
W–B

L4

-7-
Air Suspension

(BAT)

5A
P–D/C
CUT

57 PA

B
2 1
BCUT CUTD
5 4H

Electric Power
Control ECU
5 4B

cardiagn.com
W
B

B
L75(A)
1 A Console Switch 3 2

Outer Mirror Switch


B CANN CANP
HEIGHT HIGH Switch

Assembly
Suspension Control Switch
E MPX MPX

L6
5 A 3 A 7
W–B

1 4B 4 4B 3 5I

1 4H 1 4J 3 4F 3 5F
W–B

W–B

51 PA 40 PA 29 DA

39 PA 51 DA
W–B

W W

B B

R R

G G

W–B

L1 L3

-8-
Air Suspension

(IG) (BAT)

10A 10A
P–J/B D MPX–B 2

30 2C 42 DA

L
1
L136
Junction
6 LA1 Connector
2

P
L
L10
Combination Meter 14 13
IG2 B
TFT Module

cardiagn.com
TFT Panel CPU
TFT
CPU

MPX–B Buzzer

HEIGHT HIGH
COMFORT

SPORT
Master
5V IC
IG2 I/F
Back Light
Body
Earth
CPU

Signal LED DRIVER


CAN CONTROLLER
Earth

CAN I/F

CANN CANP CANH CANL ES E2


23 22 20 21 18 17
W–B
BR
W

G
R
B

6
L100
Junction
Connector
8
W–B

58 PA 41 DA

B
43 PA 40 DA
R

G
W–B
BR

L1 L4

-9-
Air Suspension

A4 A 13 A 15
Black White Black

1 2 3 1 2 3 4 5
1 2 3 4 5 6

7 8 9 10 11 12 13 14 15 16
17 18 19 20 21 22 23 24 25 26 27
28 29 30 31 32 33 34 35

A 19
Black

3 4 5 6 7 8 9 10 11 12 13 14 15 16
1 2
17 18 19 20 21 22 23 24 25 26 27 28 29 30

31 32
33 34 35 36 37 38 39 40 41 42 43 44 45 46

cardiagn.com
A 21 A 35
Gray Green

1 2
3 4
3 4 5 6 7 8 9 10 11 12 13 14 15 16
1 2
17 18 19 20 21 22 23 24 25 26 27 28 29 30

31 32
33 34 35 36 37 38 39 40 41 42 43 44 45 46

A 37 A 38 A 39
White Blue Black

2 1

1 2 3 4 5 6 7 8 9 10 11 12 13 7 6 5 4 3
14 15 16 17 18 19 20 21 22 23 24 25 26 27 28 29 30 31 32 11 10 9 8 1 2 5 6
3 4
7 8 9 10 11 12 13 14 15 16
17 18 19 20 21 22 23 24

A 45 A 54 A 56 A 57 A 59
Black Black Black Gray Black

1 2 1 2 3
1 2 3 4 5 1 2 3
1 2 3 4

- 10 -
Air Suspension

A 61 A 62 A 63
Black Blue Black

1 2 3 4 5 6 7 8 9 10 11 1 2 3 4 5 6 7 8 9 10 11 1 2 3 4 5 6 7 8 9 10 11
12 13 14 15 16 17 18 19 20 21 22 12 13 14 15 16 17 18 19 20 21 22 12 13 14 15 16 17 18 19 20 21 22

A 64 A 65 A 66
Black Gray Black

1 2 3 4 5 6 7 8 9 10 11 1 2 3 4 5 6 7 8 9 10 11 1 2 3 4 5 6 7 8 9 10 11
12 13 14 15 16 17 18 19 20 21 22 12 13 14 15 16 17 18 19 20 21 22 12 13 14 15 16 17 18 19 20 21 22

A 67 A 70 E1
Black Gray White

cardiagn.com
1 2 3
1 2 3 4 5 6 7 8 9 10 11 4 5 6 1 2 3 4 5 6 7

12 13 14 15 16 17 18 19 20 21 22 8 9 10 11 12 13 14 15 16 17
18 19 20 21 22 23 24 25 26 27
28 29 30 31 32 33 34

E 52 E 53 E 54
Black Black Black

1 2 3
1 2 3 4 5 6 7 8 9 10 11 1 2 3 4 5 6 7 8 9 10 11
12 13 14 15 16 17 18 19 20 21 22 12 13 14 15 16 17 18 19 20 21 22

L6 L 10 L 11
White Black White

1 2 3 4 5 6
1 2 3 4 5 6 7 8 9 10 11 12 1 4
7 8 9 10 11 12 2 3
13 14 15 16 17 18 19 20 21 22 23 24
5 6 7 8 9 10
11 12 13 14 15 16

L 12 L 13 L 17
White White Black

1 2 3
1 2 3 4 5 6
1 2 3 4 5 6 7 8 9 10
11 12 13 14 15 16 17 18 19 20
7 8 9 10 11 12 13 14 15 16 17
21 22 23 24 25 26 27 28
18 19 20 21 22 23 24 25 26

- 11 -
Air Suspension

L 21 L 31 L 71
White White Black

1 2 3 4 5 6
1 2 3 4 5 6 7 8 9 10

16 15 14 13 12 11 10 9

8 7 6 5 4 3 2 1

L 75 L 82 L 88
White Blue Black

1 2

3 4 5 6 7
1 2 3 4 5 1 2 3 4 5 6
8 9 10 11

7 8 9 10 11 12 13 14 15 16 17
18 19 20 21 22 23 24 25 26

cardiagn.com
L 95 L 97 L 99
Gray Black Black

1 2 3 4 5 6 7 8 9 10 11 1 2 3 4 5 6 7 8 9 10 11 1 2 3 4 5 6 7 8 9 10 11
12 13 14 15 16 17 18 19 20 21 22 12 13 14 15 16 17 18 19 20 21 22 12 13 14 15 16 17 18 19 20 21 22

L100 L136 R1 R6 R 12
Blue Black Black White White

1 2 3 4 5 1 2 3 4
6 7 8 9 10 11 12 1 1

1 10
2 3 4 5 6 7 8 9

11 12 13 14 15 16 17 18 19 20 21 22

23 24 25 26 27 28 29 30

R 26 R 41 R 56 S6 S 14
Black White White White White

1 2 3 1 1
1 2 3
4 5 6 7 8 4 3 2 1
8 7 6 5

- 12 -
Air Suspension

S 54 S 58 S 69 T1
White Black White Black

1 2 3
1 2 3 4 5
4 5 6 7 8 1 2 3 4 5 6 7 8 9 10 11 4 3 2 1
12 13 14 15 16 17 18 19 20 21 22 8 7 6 5

T2 j1 1C
Black Black White

1 2 3 4 5 1 2 3
1 2

3 4

2C 4B
White Gray

1 2 3 4 5 6 7 8 9 10 11 12

cardiagn.com
1 2 3 4 5 6 7 8 9 10 11 12 13 14 15 16 17 18

19 20 21 22 23 24 25 26 27 28 29 30 31 32 33 34 35 36

4E 4F
White Gray

1 2 3 4 5 6 7 8 9 10 11 12 1 2 3 4 5 6 7 8 9 10 11 12

4H 4J
Gray Gray

1 2 3 4 5 6 7 8 9 10 11 12 1 2 3 4 5 6 7 8 9 10 11 12

5F 5I
Gray White

1 2 3 4 5 6 7 8 9 10 11 12 1 2 3 4 5 6 7 8 9 10 11 12

DA
White

7 8 9 10 11 12 13 14 15 16 17 18 19 20 21 22
1 2 3 4 5 6
23 24 25 26 27 28 29 30 31 32 33 34 35 36 37 38
39 40 41 42 43 44 45 46 47 48 49 50 51 52 53 54 55 56 57 58 59 60

- 13 -
Air Suspension

DD DH
Gray Gray

7 8 9 10 11 12
1 2 3 4 5 6
13 14 15 16 17 18 1 2 5 6
19 20 21 22 23 24 25 26 27 28 29 30 3 4

7 8 9 10 11 12 13 14 15 16

17 18 19 20 21 22 23 24

LA
White

7 8 9 10 11 12 13 14 15 16 17 18 19 20 21 22
1 2 3 4 5 6
23 24 25 26 27 28 29 30 31 32 33 34 35 36 37 38
39 40 41 42 43 44 45 46 47 48 49 50 51 52 53 54 55 56 57 58 59 60

PA
White

cardiagn.com
7 8 9 10 11 12 13 14 15 16 17 18 19 20 21 22
1 2 3 4 5 6
23 24 25 26 27 28 29 30 31 32 33 34 35 36 37 38
39 40 41 42 43 44 45 46 47 48 49 50 51 52 53 54 55 56 57 58 59 60

AR1
White

11 10 9 8 7 6 5 4 3 2 1
1 2 3 4 5 6 7 8 9 10 11
22 21 20 19 18 17 16 15 14 13 12
12 13 14 15 16 17 18 19 20 21 22

LA1
White

7 8 9 10 11 12 13 14 15 16 17 18 19 20 21 22
1 2 3 4 5 6
23 24 25 26 27 28 29 30 31 32 33 34 35 36 37 38
39 40 41 42 43 44 22 21 20 19 18 17 16 15 14 13 12 11 10 9 8 7
45 46 47 48 49 50 51 52 53 54 55 56 57 58 59 60 6 5 4 3 2 1
38 37 36 35 34 33 32 31 30 29 28 27 26 25 24 23
60 59 58 57 56 55 54 53 52 51 50 49 48 47 46 45 44 43 42 41 40 39

- 14 -
Air Suspension

LA3
White

7 8 9 10 11 12 13 14 15 16 17 18 19 20 21 22
1 2 3 4 5 6
23 24 25 26 27 28 29 30 31 32 33 34 35 36 37 38
39 40 41 42 43 44 22 21 20 19 18 17 16 15 14 13 12 11 10 9 8 7
45 46 47 48 49 50 51 52 53 54 55 56 57 58 59 60 6 5 4 3 2 1
38 37 36 35 34 33 32 31 30 29 28 27 26 25 24 23
60 59 58 57 56 55 54 53 52 51 50 49 48 47 46 45 44 43 42 41 40 39

LR1
White

7 8 9 10 11 12 13 14 15 16 17 18 19 20 21 22
1 2 3 4 5 6
23 24 25 26 27 28 29 30 31 32 33 34 35 36 37 38
39 40 41 42 43 44 22 21 20 19 18 17 16 15 14 13 12 11 10 9 8 7
45 46 47 48 49 50 51 52 53 54 55 56 57 58 59 60 6 5 4 3 2 1
38 37 36 35 34 33 32 31 30 29 28 27 26 25 24 23
60 59 58 57 56 55 54 53 52 51 50 49 48 47 46 45 44 43 42 41 40 39

cardiagn.com
LS1
White

7 8 9 10 11 12 13 14 15 16 17 18 19 20 21 22
1 2 3 4 5 6
23 24 25 26 27 28 29 30 31 32 33 34 35 36 37 38
39 40 41 42 43 44 22 21 20 19 18 17 16 15 14 13 12 11 10 9 8 7
45 46 47 48 49 50 51 52 53 54 55 56 57 58 59 60 6 5 4 3 2 1
38 37 36 35 34 33 32 31 30 29 28 27 26 25 24 23
60 59 58 57 56 55 54 53 52 51 50 49 48 47 46 45 44 43 42 41 40 39

RL2 RS3
White White

11 10 9 8 7 6 5 4 3 2 1 1 2 3 4 5 5 4 3 2 1
1 2 3 4 5 6 7 8 9 10 11
22 21 20 19 18 17 16 15 14 13 12 6 7 8 9 10 10 9 8 7 6
12 13 14 15 16 17 18 19 20 21 22

TR1 TS1
Blue Blue

1 2 3 4 5 5 4 3 2 1 1 2 3 4 5 5 4 3 2 1

- 15 -
Air Suspension

jR1
White

1 2 3 4
4 3 2 1

cardiagn.com

- 16 -
Brake Hold System

(BAT) (BAT) (IG) (IG) (BAT)

50A 50A 10A 10A 10A


ABS MTR1 ABS MTR2 D–IG1–3 ECU–IG ABS
MAIN1

2 2

3 2B 9 DH 27 2C 6 2C

B
L
3 3

Junction Connector
ABS MTR Relay

5 1 16 A
ABS MTR2 Relay

GR

A61(A)
18 A

3 2

cardiagn.com
1 2B 13 2G 14 2G 11 2G 19 2C 3 3
W–B

W–B
GR
BE

R
B

P
L
Connector

19 B
Junction
A64(B)

36 C 46 A 46 C 43 A
MR2 IG1 IG2 +BI1
21 B
A19(A), A21(C)
Skid Control ECU

R2– MR1 R1– MTT


37 C 35 A 36 A 37 A
W–B

GR

BE
P

A23(A), A24(B)
1 A Brake Accumulator Pump
MTT

BM2 BM1 GND1 GND2


2 B 2 A 4 A 1 B

B
W–B

W–B
W–B

W–B

W–B

W–B

A8 A3

-1-
Brake Hold System

(BAT) (BAT)

10A 10A
ABS ABS
MAIN2 MAIN3

7 2C 2

1 2

Front Pad Wear Indicator Switch

Front Pad Wear Indicator Switch


FL+ FR+
GR

BE

BE

Front Speed Sensor RH


Front Speed Sensor LH
Front Speed

Front Speed
Sensor RH
Sensor LH
FL– FR–

A73

A55
2 1

cardiagn.com
B

V
38 C 29 A 22 C 16 C 15 C 16 A 15 A
+BI2 +BI3 +BI4 FL+ FL– FR+ FR–

A19(A), A21(C)
Skid Control ECU

GND SMC1 BS01 SMC2 BS02 FRA+ FRA– FRR+ FRR– FLA+ FLA– FLR+ FLR–
1 A 5 A 32 A 6 C 32 C 17 A 18 A 4 A 3 A 17 C 18 C 4 C 3 C
W–B

GR

BR

LG
W
B

Y
L

20 19 6 7 8 5 22 21 13 14 27 28
SMC1 BS1 SMC2 BS2 FRA+ FRA– FRR+ FRR– FLA+ FLA– FLR+ FLR–

A27
Brake Actuator

W–B

W–B
BR

A4 A2

-2-
Brake Hold System

Front Door Courtesy


3 3
1
Rear Pad Wear Indicator Switch

Rear Pad Wear Indicator Switch


Rear Height Control Sensor RH
RL+ RR+
Rear Height Control Sensor LH

Switch LH
Rear Speed Sensor RH
Rear Speed Sensor LH
Rear Speed

Rear Speed
Sensor RH
Sensor LH

S6
R56
RL– RR–
S69

R
4 4

30 DD

cardiagn.com
Y

Y
L

20 DH

1 AS1 2 AS1 18 AR1 19 AR1

P
Y

Y
L

11 A 10 A 11 C 10 C 25 A
RL+ RL– RR+ RR– CTY

A19(A), A21(C)
Skid Control ECU

RRA+ RRA– RRR+ RRR– RLA+ RLA– RLR+ RLR– VCM PAC1 PMC1 PFR PRL E
20 C 21 C 34 C 33 C 19 A 20 A 34 A 33 A 27 A 26 A 14 A 44 A 42 A 28 A
BR

BE
LG

G
R
Y

12 11 26 25 10 9 24 23 35 46 38 34 36 45
RRA+ RRA– RRR+ RRR– RLA+ RLA– RLR+ RLR– VCM PAC1 PMC1 PFR PRL E

A27
Brake Actuator

-3-
Brake Hold System

S48(B)
Parking Brake ECU

CA2H CA2L
9 B 1 B

W
B
5 AS2 6 AS2

W
B
A65
7 18 Junction Connector

cardiagn.com
9 20 21 10

LG
V

L
7 A 6 A
CA2H CA2L

A19(A), A21(C)
Skid Control ECU

VCM2 PMC2 PFL PRR E2 PCK1 PCK2 GND4 CA1H CA1L CANL CANH
28 C 14 C 45 C 43 C 44 C 9 A 7 C 1 C 30 C 29 C 8 C 9 C
W–B
LG

LG
W
G

G
R
B

40 43 39 41 44 37 42 2 13
Connector
Junction

VCM2 PMC2 PFL PRR E2 PCK1 PCK2


A67

1 12

L
W
B

LG

48 LA1 49 LA1 V

P
W
B

A27
Brake Actuator W

A3

-4-
Brake Hold System

(IG) G

10A
E/G RM–IG1–1

7 2A

2 EA4
G

G
R
2
RB

Position Switch
Park/Neutral
E49
PL RL NL DL 45 LA1 46 LA1
6 1 9 7

cardiagn.com
G–Y
W

G
R
A67
11 22 Junction Connector
Connector

3 A 1 A 11 A 9 A
Junction
E52(A)

4 A 2 A 10 A 8 A 9 20 10 21
G–Y
G–R
G
W

G
R

P
Engine Control Module
A13(A), A14(B), E3(E)
12 E 11 E 13 E 14 E 14 A 13 A
P R N D CANH CANL

CA2H CA2L VCP2 EPA2 VPA2 VCPA EPA VPA


18 A 17 A 22 B 21 B 28 B 23 B 20 B 29 B
BR

BR
BE
LG

R
L
L

1 2 3 4 5 6
VCP2 EPA2 VPA2 VCPA EPA VPA

L
A36
LG Accelerator Position Sensor

W W

B B

-5-
Brake Hold System

(IG)

10A
Buckle
Switch

Front Seat Inner


P–IG1–1

Belt Switch LH

LBE– LBE+
S17

3 1 31 PA
V

12 4H
Y

12 4B
V

L71
10 C 4 Yaw Rate Sensor
Center Airbag ECU

LBE+ IG
L73(A), S8(C)

cardiagn.com
CANH CANL GND CA1L CA1H
13 A 22 A 1 2 3
W–B

W–B

W
G

G
R

R
B

2 4B

Junction Connector
Junction Connector

20 9 15 4

8 19

L97
1 4H 1 4J
L98

22 11 12 1 16 5 14 3
7 18
W–B

W–B

W
G

G
R

R
B

51 PA 40 PA

39 PA

W G

B R

G
W–B

5
S57 W–B
Junction
Connector

S2 L1 L3

-6-
Brake Hold System

Electric Power
(BAT) Control ECU (IG) (BAT) (BAT) (BAT)

E/G RM–IG1–2

FR CTRL BAT

FR CTRL ALT
10A ECU–B
P–D/C CUT

BCUT CUTD

20A
5A

30A
10A
2 1

28 2C 4 2C 5 2A 4 2A

35 PA

LG
Y

L
B

5 A 1 A 1 C 5 C
FMIG FMB3 BATB ALTB
8 5B A50(A), A52(C), B14(D)
Front Controller
CANP CANN HDCY
3 A 4 A 21 D
8 5H

W
B
L134(A), z7(C), z14(F)

W–B

R
B

20 AR1 21 AR1

3 A 7 A 9 A 10 A
Spiral Cable

G
W–B

NOSB +B CANN CANP

cardiagn.com
W
B
8 F 12 F 1 F 2 F (∗3)

Junction Connector
1 5H 8 C 12 C 1 C 2 C (∗4)

1 3

R57
W–R(∗3)

BR(∗4)
W(∗3)

R(∗4)

1 5F
G

5 7

W
W–B

Junction Connector

Hood Courtesy Switch


57 DA 3 14 2
Steering Switch ECU

4 15 R48

B7
W
B

40 DA 1
z7(C), z14(F)
Steering Pad Switch with Modulator 59 LR1 60 LR1
W–B
L11(A)
W

W
W–B

Junction Connector
R

Main Body ECU


9 20 11 22

CANH CANL CANN CANP


L95

5 A 6 A 15 A 16 A 3 14 7 18 4 15
W

W
G
R

R W

G B

R R

G G
W–B

L4 B2

-7-
Brake Hold System

(IG) (BAT) (BAT)

10A 30A 10A


RR–IG1–2 PTL RR MPX–B 1
∗ 1 : w/ Power Trunk Opener and Closer System
∗ 2 : w/o Power Trunk Opener and Closer System
∗ 3 : w/ Paddle Shift Switch
∗ 4 : w/o Paddle Shift Switch
60 LA 3 LA 55 LA
(∗1)

(∗1)

(∗1)
G
Y

8 12 B
10
IG B ECUB

S43
Power Trunk Lid Control ECU

GND CANL CANH BDCY LCTY S62(B), S63(C), S64(D)


Rear Junction Block ECU
11 5 6 9 22
BDCY LCTY PGND SG CANP CANN
16 C 9 C 20 B 28 B
W–B
(∗1)

(∗1)

(∗1)

(∗1)

(∗1)

4 17
W

G
B

43 LA 29 LA

cardiagn.com
W–B

W–B
(∗2)

(∗2)

W
G

B
L

6 7
+B CTY
Closer Motor
13 2
Luggage
Connector
Junction

E
S36
S59

8
15 4 14 3
B
W

W
B

18
Connector
Junction

13 2
Connector
Junction

S55
S60

16
16 5
W–B
W

7
Connector
Junction
S55

60 LS1 59 LS1 10
W–B

W W

B B

R R

G G

7 7
S57 6 1
Junction
Connector
S54
Junction
S2 S1 Connector

-8-
Brake Hold System

(BAT) (BAT) (IG) (BAT) (BAT)

RR MPX–B 1

RR MPX–B 2

STOP LP 1

STOP LP 2
RR–IG1–2
10A

10A

10A
10A

5A

7 15 8 6 2
MPXB LGLB IG +BS1 +BS2
S62(B), S63(C), S64(D)
Rear Junction Block ECU
STP3 STP2 STP1 STP4
4 C 9 D 10 D 6 B
R

cardiagn.com
B
L

L
6 R

5 S55
Junction
Connector
BR

BR
3 1 3 1
BR

BR
R

(High Mounted Stop Light)


TL STP TL STP
2 1 2 1
T/P B T/P B
1

Noise Filter
S13
Marker

Marker
Stop

Stop

2
Tail/

Tail/
Stop

Stop
Tail/

Tail/

E E E E

(Shielded)
4 S33 4 S41 4 S51 4 S52
Rear Rear Rear Rear
B

Combination Combination Combination Combination


Light LH Light RH Light LH Light RH
W–B

W–B

W–B

W–B

1
22 9 5 LF 6 LF
BR

S55
High Mounted

16 W–B 7
Junction
Stop Light

Connector
S55 10
S20

Junction
Connector 43 LA 2
W–B

W–B

W–B

W W

B B

R R

G G

7
W–B 6 3 BR

S54
Junction Connector
S1 S4

-9-
Brake Hold System

(IG) (BAT)

10A 10A
P–J/B D MPX–B 2

30 2C 42 DA

L
1
L136
Junction
6 LA1 Connector
2

P
L
L10
Combination Meter 14 13
IG2 B
TFT Module

cardiagn.com
TFT Panel CPU Buzzer
TFT
CPU

AUTO HOLD
HOLD
MPX–B 5V IC
I/F

IG2
Back Light CPU

Body LED DRIVER


CAN CONTROLLER
Earth

Signal
Earth
CAN I/F

CANN CANP CANH CANL ES E2


23 22 20 21 18 17
W

G
R
B

W–B
BR

6
L100
Junction
Connector
8
W–B

58 PA 41 DA
W

R 43 PA 40 DA

G
W–B
BR

L1 L4

- 10 -
Brake Hold System

A 13 A 14
White White

1 2 3 4 5 6 1 2 3 4 5 6 7

7 8 9 10 11 12 13 14 15 16 8 9 10 11 12 13 14 15 16 17
17 18 19 20 21 22 23 24 25 26 27 18 19 20 21 22 23 24 25
28 29 30 31 32 33 34 35 26 27 28 29 30 31

A 19
Black

3 4 5 6 7 8 9 10 11 12 13 14 15 16
1 2
17 18 19 20 21 22 23 24 25 26 27 28 29 30

31 32
33 34 35 36 37 38 39 40 41 42 43 44 45 46

cardiagn.com
A 21 A 23 A 24
Gray Black Black

1 2

3 4 1 2
3 4 5 6 7 8 9 10 11 12 13 14 15 16
1 2
17 18 19 20 21 22 23 24 25 26 27 28 29 30

31 32
33 34 35 36 37 38 39 40 41 42 43 44 45 46

A 27 A 36
Black Black

1 2 3 4 5 6

3 4 5 6 7 8 9 10 11 12 13 14 15 16
1 2
17 18 19 20 21 22 23 24 25 26 27 28 29 30

31 32
33 34 35 36 37 38 39 40 41 42 43 44 45 46

- 11 -
Brake Hold System

A 50 A 52 A 55 A 61
White White Gray Black

2 1
4 3
1 2 3 4 5 6 1 2 3 4 5 6 7 8 9 10 11
1 2
12 13 14 15 16 17 18 19 20 21 22
3 4 5 6 7 8 9 10 11 12 13 14 15 16 17
7 8 9 10 18 19 20 21 22 23 24 25 26

A 64 A 65 A 67
Black Gray Black

1 2 3 4 5 6 7 8 9 10 11 1 2 3 4 5 6 7 8 9 10 11 1 2 3 4 5 6 7 8 9 10 11
12 13 14 15 16 17 18 19 20 21 22 12 13 14 15 16 17 18 19 20 21 22 12 13 14 15 16 17 18 19 20 21 22

A 73 B7 B 14 E3
Black Black White White

cardiagn.com
1 2
1 2 1 2 5 6 1 2 3 4 5 6
3 4 3 4
7 8 9 10 11 12 13 14 15 16
5 6
7 8 9 10 11 12 13 14 15 16 17 18 19 20 21 22 23 24 25 26
17 18 19 20 21 22 23 24 27 28 29 30 31 32 33

E 49 E 52 L 10
Gray Black Black

1 2 3 4
1 2 3 4 5 6 7 8 9 10 11 1 2 3 4 5 6 7 8 9 10 11 12
5 6 7 8 9
12 13 14 15 16 17 18 19 20 21 22 13 14 15 16 17 18 19 20 21 22 23 24

L 11 L 71 L 73
White Black Yellow

1 2 3 4 5 6 7 8 9 10
1 2 3 4 5 6

1 4 11 12 13 14 15 16 17 18 19 20
2 3
5 6 7 8 9 10
21 22 23 24 25 26 27 28 29 30
11 12 13 14 15 16

- 12 -
Brake Hold System

L 95 L 97 L 98
Gray Black Gray

1 2 3 4 5 6 7 8 9 10 11 1 2 3 4 5 6 7 8 9 10 11 1 2 3 4 5 6 7 8 9 10 11
12 13 14 15 16 17 18 19 20 21 22 12 13 14 15 16 17 18 19 20 21 22 12 13 14 15 16 17 18 19 20 21 22

L100 L134 L136 R 48


Blue Black Black Black

1 2 3 4 5 1 2 3 4
6 7 8 9 10 11 12
1 2 3 4 5 6 7 1 2 3 4 5 6 7 8 9 10 11
8 9 10 11 12 13 14 12 13 14 15 16 17 18 19 20 21 22

R 56 R 57 S6 S8 S 13
White Dark Gray White Yellow Gray

1 2 3 4 5 6 7 8
1

cardiagn.com
1 2 3 4 1 2
4 3 2 1
5 6 7 8 9 10 11 12 13 14 15 16
8 7 6 5

17 18 19 20 21 22 23 24

S 17 S 20 S 33 S 36 S 41
Gray White White White White

1 2 3
1 2 4 5 6 7 8
1 2 2 1 2 1
3 4 4 3 4 3

S 43 S 48 S 51
White White White

2 1
1 2 3 4 5 6 7 8
1 2 3 10 11 12 4 3
4 5 6 7 8 9 9 10 11 12 13 14 15 16

13 14 15 16 17 18 19 20 21 22 23 24 25 26

S 52 S 54 S 55 S 57
White White White White

1 2 3 1 2 3
2 1
4 5 6 7 8 1 2 3 4 5 6 7 8 9 10 11 4 5 6 7 8
4 3
12 13 14 15 16 17 18 19 20 21 22

- 13 -
Brake Hold System

S 59 S 60 S 62
Black Black White

1 2 3 4 5 6 7 8 9 10 11 1 2 3 4 5 6 7 8 9 10 11 1 2 3 4 5 6 7 8 9 10
12 13 14 15 16 17 18 19 20 21 22 12 13 14 15 16 17 18 19 20 21 22 11 12 13 14 15 16 17 18 19 20
21 22 23 24 25 26 27 28

S 63 S 64 S 69 z7 z 14
White White White White Black

1 2 3 4 5 6
4 3 2 1 1 2 3 4 5
1 4 1 2 7 8 9 10 11 12
2 3 8 7 6 5 6 7 8 9 10
5 6 7 8 9 10 3 4 5 6
11 12 13 14 15 16 7 8 9 10

cardiagn.com
2A 2B
Black Black

1 2 3 4 5
6 7 8 9 10 11 12 13 1 2
3 4

2C 2G
White Black

1 2 3 4 5 6 7
1 2 3 4 5 6 7 8 9 10 11 12 13 14 15 16 17 18
8 9 10 11 12 13 14
19 20 21 22 23 24 25 26 27 28 29 30 31 32 33 34 35 36

4B 4H
Gray Gray

1 2 3 4 5 6 7 8 9 10 11 12 1 2 3 4 5 6 7 8 9 10 11 12

4J 5B
Gray Gray

1 2 3 4 5 6 7 8 9 10 11 12 1 2 3 4 5 6 7 8 9 10 11 12

5F 5H
Gray Gray

1 2 3 4 5 6 7 8 9 10 11 12 1 2 3 4 5 6 7 8 9 10 11 12

- 14 -
Brake Hold System

DA
White

7 8 9 10 11 12 13 14 15 16 17 18 19 20 21 22
1 2 3 4 5 6
23 24 25 26 27 28 29 30 31 32 33 34 35 36 37 38
39 40 41 42 43 44 45 46 47 48 49 50 51 52 53 54 55 56 57 58 59 60

DD DH
Gray Gray

7 8 9 10 11 12
1 2 3 4 5 6
13 14 15 16 17 18 1 2 5 6
19 20 21 22 23 24 25 26 27 28 29 30 3 4

7 8 9 10 11 12 13 14 15 16

17 18 19 20 21 22 23 24

LA LF
White Gray

cardiagn.com
7 8 9 10 11 12 13 14 15 16 17 18 19 20 21 22
1 2 3 4 5 6
23 24 25 26 27 28 29 30 31 32 33 34 35 36 37 38 1 2 5 6
39 40 41 42 43 44 45 46 47 48 49 50 51 52 53 54 55 56 57 58 59 60 3 4

7 8 9 10 11 12 13 14 15 16

17 18 19 20 21 22 23 24

PA
White

7 8 9 10 11 12 13 14 15 16 17 18 19 20 21 22
1 2 3 4 5 6
23 24 25 26 27 28 29 30 31 32 33 34 35 36 37 38
39 40 41 42 43 44 45 46 47 48 49 50 51 52 53 54 55 56 57 58 59 60

AR1
White

11 10 9 8 7 6 5 4 3 2 1
1 2 3 4 5 6 7 8 9 10 11
22 21 20 19 18 17 16 15 14 13 12
12 13 14 15 16 17 18 19 20 21 22

- 15 -
Brake Hold System

AS1
White

11 10 9 8 7 6 5 4 3 2 1
1 2 3 4 5 6 7 8 9 10 11
22 21 20 19 18 17 16 15 14 13 12
12 13 14 15 16 17 18 19 20 21 22

AS2 EA4
White White

1 2 8 9
9 8 2 1 1 2
10 11 3 4 5 6 7 17 18
3 4 2 1
12 13 14 15 16 18 17 7 6 5 4 3 11 10
4 3
16 15 14 13 12

cardiagn.com
LA1
White

7 8 9 10 11 12 13 14 15 16 17 18 19 20 21 22
1 2 3 4 5 6
23 24 25 26 27 28 29 30 31 32 33 34 35 36 37 38
39 40 41 42 43 44 22 21 20 19 18 17 16 15 14 13 12 11 10 9 8 7
45 46 47 48 49 50 51 52 53 54 55 56 57 58 59 60 6 5 4 3 2 1
38 37 36 35 34 33 32 31 30 29 28 27 26 25 24 23
60 59 58 57 56 55 54 53 52 51 50 49 48 47 46 45 44 43 42 41 40 39

LR1
White

7 8 9 10 11 12 13 14 15 16 17 18 19 20 21 22
1 2 3 4 5 6
23 24 25 26 27 28 29 30 31 32 33 34 35 36 37 38
39 40 41 42 43 44 22 21 20 19 18 17 16 15 14 13 12 11 10 9 8 7
45 46 47 48 49 50 51 52 53 54 55 56 57 58 59 60 6 5 4 3 2 1
38 37 36 35 34 33 32 31 30 29 28 27 26 25 24 23
60 59 58 57 56 55 54 53 52 51 50 49 48 47 46 45 44 43 42 41 40 39

LS1
White

7 8 9 10 11 12 13 14 15 16 17 18 19 20 21 22
1 2 3 4 5 6
23 24 25 26 27 28 29 30 31 32 33 34 35 36 37 38
39 40 41 42 43 44 22 21 20 19 18 17 16 15 14 13 12 11 10 9 8 7
45 46 47 48 49 50 51 52 53 54 55 56 57 58 59 60 6 5 4 3 2 1
38 37 36 35 34 33 32 31 30 29 28 27 26 25 24 23
60 59 58 57 56 55 54 53 52 51 50 49 48 47 46 45 44 43 42 41 40 39

- 16 -
Back-Up Light

(BAT) (BAT) (IG) (IG)

10A 5A 10A 10A


RR MPX–B RR MPX–B RR–IG1–2 E/G RM–IG1–1
1 2

7 2A

G
2 EA4

7 15 8

G
MPXB LGLB IG S62(B), S63(C)
Rear Junction
Block ECU 2
BCK1 CANN CANP E49
RL RB Park/Neutral
1 C 28 B 20 B Position Switch
R

1
W
R

cardiagn.com
Y
12 14 3 1 A
S56 S59 E52(A)
Junction Junction Junction
Connector Connector Connector
13 15 4 2 A
W

G
R

1 11 E
2 S55
Junction R A13(A), E3(E)
Connector Engine Control
3 Module
CANH CANL
14 A 13 A
W

G
R

R
B

13 2 9 20
3 3 S60 A67
Junction Junction
B B Connector Connector
Rear Combination

Rear Combination

16 5 11 22
Back–Up

Back–Up

Light RH
Light LH

G
R
B

E E
S33

S41

4 4
60 LS1 59 LS1 45 LA1 46 LA1
W–B

W–B

G
R
B

22 9 15 4 4 15
16 W–B 7 S55 L95 L97
Junction Junction Junction
Connector Connector Connector
S55 10 14 3 3 14
Junction
Connector
W–B

G
R
B

15 A 16 A 5 A 6 A
6 CANN CANP CANH CANL
S54
Junction
Connector

S1 L11(A)
Main Body ECU

-1-
Back-Up Light

A 13 A 67 E3
White Black White

1 2 3 4 5 6 1 2 3 4 5 6 7 8 9 10 11 1 2 3 4 5 6

7 8 9 10 11 12 13 14 15 16 12 13 14 15 16 17 18 19 20 21 22 7 8 9 10 11 12 13 14 15 16
17 18 19 20 21 22 23 24 25 26
17 18 19 20 21 22 23 24 25 26 27
27 28 29 30 31 32 33
28 29 30 31 32 33 34 35

E 49 E 52 L 11
Gray Black White

1 2 3 4
1 2 3 4 5 6 7 8 9 10 11
1 4
5 6 7 8 9 2 3
12 13 14 15 16 17 18 19 20 21 22
5 6 7 8 9 10
11 12 13 14 15 16

cardiagn.com
L 95 L 97 S 33
Gray Black White

2 1
1 2 3 4 5 6 7 8 9 10 11 1 2 3 4 5 6 7 8 9 10 11 4 3
12 13 14 15 16 17 18 19 20 21 22 12 13 14 15 16 17 18 19 20 21 22

S 41 S 54 S 55
White White White

1 2 3
2 1
4 5 6 7 8 1 2 3 4 5 6 7 8 9 10 11
4 3
12 13 14 15 16 17 18 19 20 21 22

S 56 S 59 S 60
White Black Black

1 2 3 4 5 6 7 8 9 10 11 1 2 3 4 5 6 7 8 9 10 11 1 2 3 4 5 6 7 8 9 10 11
12 13 14 15 16 17 18 19 20 21 22 12 13 14 15 16 17 18 19 20 21 22 12 13 14 15 16 17 18 19 20 21 22

-2-
Back-Up Light

S 62 S 63 2A
White White Black

1 2 3 4 5
6 7 8 9 10 11 12 13
1 2 3 4 5 6 7 8 9 10 1 4
2 3
11 12 13 14 15 16 17 18 19 20
5 6 7 8 9 10
21 22 23 24 25 26 27 28
11 12 13 14 15 16

EA4
White

1 2
3 4 2 1
4 3

cardiagn.com
LA1
White

7 8 9 10 11 12 13 14 15 16 17 18 19 20 21 22
1 2 3 4 5 6
23 24 25 26 27 28 29 30 31 32 33 34 35 36 37 38
39 40 41 42 43 44 22 21 20 19 18 17 16 15 14 13 12 11 10 9 8 7
45 46 47 48 49 50 51 52 53 54 55 56 57 58 59 60 6 5 4 3 2 1
38 37 36 35 34 33 32 31 30 29 28 27 26 25 24 23
60 59 58 57 56 55 54 53 52 51 50 49 48 47 46 45 44 43 42 41 40 39

LS1
White

7 8 9 10 11 12 13 14 15 16 17 18 19 20 21 22
1 2 3 4 5 6
23 24 25 26 27 28 29 30 31 32 33 34 35 36 37 38
39 40 41 42 43 44 22 21 20 19 18 17 16 15 14 13 12 11 10 9 8 7
45 46 47 48 49 50 51 52 53 54 55 56 57 58 59 60 6 5 4 3 2 1
38 37 36 35 34 33 32 31 30 29 28 27 26 25 24 23
60 59 58 57 56 55 54 53 52 51 50 49 48 47 46 45 44 43 42 41 40 39

-3-
Clock

(ACC) (BAT)

5A 10A
P–ACC DOME

33 PA 37 DA

LG

R
11 5B 7 5F

11 5D 7 5D
LG

cardiagn.com
4 8
ACC B
L38
Clock
E
7
B

1 5D

1 5F
W–B

57 DA

40 DA
W–B

L4

-1-
Clock

L 38 5B 5D
White Gray Gray

1 2 3 4 5 6 7 8 9 10 11 12 1 2 3 4 5 6 7 8 9 10 11 12

1 2 3 4

5 6 7 8

5F DA
Gray White

1 2 3 4 5 6 7 8 9 10 11 12

7 8 9 10 11 12 13 14 15 16 17 18 19 20 21 22
1 2 3 4 5 6
23 24 25 26 27 28 29 30 31 32 33 34 35 36 37 38
39 40 41 42 43 44 45 46 47 48 49 50 51 52 53 54 55 56 57 58 59 60

PA
White

7 8 9 10 11 12 13 14 15 16 17 18 19 20 21 22

cardiagn.com
1 2 3 4 5 6
23 24 25 26 27 28 29 30 31 32 33 34 35 36 37 38
39 40 41 42 43 44 45 46 47 48 49 50 51 52 53 54 55 56 57 58 59 60

-2-
Cruise Control

(BAT) (BAT)

A13(A), A14(B), E1(C), E2(D), E3(E)


25A 25A Engine Control Module
EFI MAIN EFI MAIN2
BATT MREL +B2 +B +BM
2 2 7 B 3 B 1 A 2 A 1 C

B
2 2 (BAT)

L
10A
ETCS

B 2 EA2
R
B

12 2C
B

B
2 2 2 2

5 1 5 1

cardiagn.com
EFI MAIN EFI MAIN2
Relay Relay

3 2 3 2

2 2 2 2
B

L
W–B
B–W

W–B

A63(A), A64(B)

12 A
Connector
Junction

21 B

B
W–B

A8

-1-
Cruise Control

A13(A), A14(B), E1(C), E2(D), E3(E)


Engine Control Module

VCP2 EPA2 VPA2 VCPA EPA VPA ETA VTA VCTA VTA2 M+ M– GE01
22 B 21 B 28 B 23 B 20 B 29 B 35 D 26 D 34 D 27 D 7 D 6 D 19 D

(Shielded)
BR

BR

BR
BE

W
G
R

B
L

1 2 3 4 5 6 3 6 5 4 2 1 1 B 4 B
VCP2 EPA2 VPA2 VCPA EPA VPA E2 VTA VC VTA2 M+ M–

E51(B)
Junction
Connector
A36 E21
Accelerator Position Sensor Throttle Position Sensor

cardiagn.com

B B

-2-
Cruise Control

A13(A), A14(B), E1(C), E2(D), E3(E)


Engine Control Module

ME01 E1 E04 E01 E02 E03 EC


5 D 1 E 4 E 2 D 1 D 5 A 1 B
W–B

W–B

W–B

W–B

W–B

W–B

W–B

cardiagn.com
W–B
BR

BR

W–B

1 EA1 17 EA1 25 EA1


W–B

W–B

W–B

W–B

W–B

W–B
BR

BR

BR

BR

B B

W–B 5 1 4
Connector
Junction
A70

E3 E2 E5 A2 E1

-3-
Cruise Control

A13(A), A14(B), E1(C), E2(D), E3(E)


Engine Control Module

IGSW ST1– STP


8 B 12 B 13 B

(IG) (BAT)

10A ECU–IG

5A STOP
Connector
6 A

Junction
A61(A)
5 A 7 A

A61(A), A62(B)
11 A 16 DH

Connector
27 2C

W
Junction

L
R 1 B 14 DH

G
16 A 17 A 15 DH
A61(A), A62(B)

cardiagn.com
Connector
Junction

L
17 B

4 1
R

Stop Light
Switch
A35

3 2
R

B B

-4-
Cruise Control

A13(A), A14(B), E1(C), E2(D), E3(E)


Engine Control Module

CANL CANH SPD


13 A 14 A 24 B
G

V
20 9
Connector
Junction
A67

22 11
G

46 LA1 45 LA1

cardiagn.com
A19(A), A21(C)
Skid Control ECU

FL+ FL– FR+ FR– RL+ RL– RR+ RR– SP1


16 C 15 C 16 A 15 A 11 A 10 A 11 C 10 C 23 A
G

V
L

15 4
Connector
Junction
L97

13 PK 19 PK
16 5
Front Speed Sensor Rear Speed Sensor
G

18 PA 14 PA

L L

B B

-5-
Cruise Control

A13(A), A14(B), E1(C), E2(D), E3(E)


Engine Control Module

(IG) (BAT)

10A 10A
P–J/B D MPX–B 2

1
L136
6 LA1 Junction
30 2C Connector 42 DA
2

L
P
L10
Combination Meter 14 13
IG2 B

cardiagn.com
Speedometer

CRUISE
5V IC

CPU LED
CAN DRIVER
CONTROLLER

CAN I/F

+S SI CANH CANL ES E2
10 9 20 21 18 17
W–B
BR
G
R
V

6
Connector
Junction
L100

8
W–B

L
58 PA 41 DA

G 43 PA 40 DA
W–B
BR

L L

B B

L1 L4

-6-
Cruise Control

A13(A), A14(B), E1(C), E2(D), E3(E)


Engine Control Module

CCS
15 A

V
7 BA2

∗ 1 : w/ Paddle Shift Switch

V
8 BA2

V
20 LA1

cardiagn.com
(∗1)

Y
(∗1)
BR

L134(A), z2(B), z14(F)

(∗1)

(∗1)
BR

R
V

Y
2 5H

2 A 1 A 5 A 12 A
Spiral Cable

ECC CCS SUP SDN

Steering Pad Switch


2 5F
4 B 3 B 7 F 10 F 4 F (∗1)

z14(F), z15(G)
with Modulator
R
B

L–G
BR

SB

LG

ON–OFF

7 G 2 G 3 G (∗1)

16 DA
O
B

+ RES
Shift Up
Cruise Control Main Switch

Down
Shift

– SET
10 DH 27 DA

CANCEL
BR

z2(B)

z15(G)
Transmission Shift Switch
A60(A), E51(B)

9 A
Connector
Junction

10 B

BR
BR

L L

B B

E3

-7-
Cruise Control

(IG)

A13(A), A14(B), E1(C), E2(D), E3(E)


Engine Control Module 10A
E/G
RM–IG1–1
SFTU SFTD S CAN+ CAN– D
8 A 7 A 16 A 10 A 9 A 14 E

G–Y
W
G
Y

B
L
(IG) 7 2A

10A
D–IG1–3

G
52 LA1 51 LA1 53 LA1

2 EA4
LG

G
Y

47 DA

G
4 3C 4 4K

L
2

Position Switch
Park/Neutral
RB DL
12 3H
D

E49
4 3B 4 3D 4 4J 4 4L
7
R

cardiagn.com
(∗1)
12 3F
Y

G–Y
(∗1)
L
P

2 1 7
SFTU SFTD S

G–Y

G–Y
Transmission Shift

8 A 9 A

E52(A), E53(B)
Connector
Switch

Junction
L42

E IG
5 3 3 B
BR

G–Y

G–Y
6 3F

6 3B

BR

L L

B B

-8-
Cruise Control

(BAT) (IG)

25A 10A
EFI ECU–IG
MAIN2

2 27 2C
R

2
A61(A), A62(B)

5 1 17 A
Connector
EFI MAIN2

Junction
Relay

18 B
3 2

2
R

cardiagn.com
R

7 A 4 A
BATT IG2
A12(A), E5(B), E6(C), E7(D)
Transmission Control Module

D CAN– CAN+ STP +B E2 THO1 SL1+ SL1– SL2+ SL2– SL3+ SL3– SL4+ SL4– SL5+ SL5–
25 B 28 A 18 A 2 A 6 A 35 C 27 C 6 C 5 C 4 C 3 C 2 C 1 C 7 D 6 D 5 D 4 D
G–Y

G–Y
BR

BR

BR
W

W
B

B
L

L
9 8 23 24 28 29 25 26 15 16 5 6
E2 OIL SL1+ SL1– SL2+ SL2– SL3+ SL3– SL4+ BR SL4– SL5+ SL5–

W
O

G
R

R
Y

Y
L

G–Y

W E50
Automatic Transmission
B

-9-
Cruise Control

cardiagn.com
A12(A), E5(B), E6(C), E7(D)
Transmission Control Module

NTB NTO SLT+ SLT– SL NC3B NC3O SLU+ SLU– TPS1 SR SP2B SP2O E01 E1 EC
31 D 25 D 3 D 2 D 7 C 28 D 22 D 1 D 8 D 25 C 17 D 26 D 18 D 3 B 7 B 34 A
G–W

W–B
L–R

L–R
BR

BR

BR
W
G

G
R
B

Y
L

1 2 3 4 7 11 12 13 14 17 18 21 22
NTB NTO SLT+ SLT– SL NC3B NC3O SLU+ SLU– TPS1 SR SP2B SP2O
BR
W

W
G

G
R

Y
L

E50
Automatic Transmission
W–B
BR

BR

5
Connector
Junction

W–B
A70

E2 E3 A2

- 10 -
Cruise Control

A 12 A 13 A 14
Gray White White

1 2 3 4 5 6 7 1 2 3 4 5 6 1 2 3 4 5 6 7

8 9 10 11 12 13 14 15 16 17 7 8 9 10 11 12 13 14 15 16 8 9 10 11 12 13 14 15 16 17
18 19 20 21 22 23 24 25 26 27 17 18 19 20 21 22 23 24 25 26 27 18 19 20 21 22 23 24 25
28 29 30 31 32 33 34 28 29 30 31 32 33 34 35 26 27 28 29 30 31

A 19
Black

3 4 5 6 7 8 9 10 11 12 13 14 15 16
1 2
17 18 19 20 21 22 23 24 25 26 27 28 29 30

31 32
33 34 35 36 37 38 39 40 41 42 43 44 45 46

cardiagn.com
A 21 A 35 A 36
Gray Green Black

1 2 1 2 3 4 5 6

3 4
3 4 5 6 7 8 9 10 11 12 13 14 15 16
1 2
17 18 19 20 21 22 23 24 25 26 27 28 29 30

31 32
33 34 35 36 37 38 39 40 41 42 43 44 45 46

A 60 A 61 A 62
Blue Black Blue

1 2 3 4 5 6
1 2 3 4 5 6 7 8 9 10 11 1 2 3 4 5 6 7 8 9 10 11
7 8 9 10 11 12
12 13 14 15 16 17 18 19 20 21 22 12 13 14 15 16 17 18 19 20 21 22

A 63 A 64 A 67
Black Black Black

1 2 3 4 5 6 7 8 9 10 11 1 2 3 4 5 6 7 8 9 10 11 1 2 3 4 5 6 7 8 9 10 11
12 13 14 15 16 17 18 19 20 21 22 12 13 14 15 16 17 18 19 20 21 22 12 13 14 15 16 17 18 19 20 21 22

- 11 -
Cruise Control

A 70 E1 E2
Gray White White

1 2 3
4 5 6 1 2 3 4 5 6 7 1 2 3 4 5 6 7

8 9 10 11 12 13 14 15 16 17 8 9 10 11 12 13 14 15 16 17 18 19
18 19 20 21 22 23 24 25 26 27 20 21 22 23 24 25 26 27
28 29 30 31 32 33 34 28 29 30 31 32 33 34 35

E3 E5 E6
White Gray Gray

1 2 3 4 5 6 1 2 3 4 5 6 7 1 2 3 4 5 6

7 8 9 10 11 12 13 14 15 16 8 9 10 11 12 13 14 15 16 17 18 19 7 8 9 10 11 12 13 14 15 16
17 18 19 20 21 22 23 24 25 26 20 21 22 23 24 25 26 27 17 18 19 20 21 22 23 24 25 26 27
27 28 29 30 31 32 33
28 29 30 31 32 33 34 35 28 29 30 31 32 33 34 35

cardiagn.com
E7 E 21 E 49
Gray Black Gray

1 2 3 4 5 6
1 2 3 4 5 6 7 1 2 3 4

8 9 10 11 12 13 14 15 16 17 5 6 7 8 9

18 19 20 21 22 23 24 25
26 27 28 29 30 31

E 50 E 51
Gray Blue

1 2 3 4 5 6
7 8 9 10 11 12
1 2 3 4 5 6 7 8 9 10
11 12 13 14 15 16 17 18 19 20
21 22 23 24 25 26 27 28 29 30

E 52 E 53 L 10
Black Black Black

1 2 3 4 5 6 7 8 9 10 11 1 2 3 4 5 6 7 8 9 10 11 1 2 3 4 5 6 7 8 9 10 11 12
12 13 14 15 16 17 18 19 20 21 22 12 13 14 15 16 17 18 19 20 21 22 13 14 15 16 17 18 19 20 21 22 23 24

- 12 -
Cruise Control

L 42 L 97 L100 L134
White Black Blue Black

1 2 3 4 5
6 7 8 9 10 11 12
1 2 3 4 1 2 3 4 5 6 7
1 2 3 4 5 6 7 8 9 10 11
5 6 7 8 8 9 10 11 12 13 14
12 13 14 15 16 17 18 19 20 21 22

L136 z2 z 14 z 15 2A
Black White Black White Black

1 2 3 4
1 2 3 4 5
4 3 2 1
1 2 3 4 5 6 6 7 8 9 10 11 12 13
1 2 8 7 6 5
7 8 9 10 11 12
3 4

2C 3B

cardiagn.com
White Gray

1 2 3 4 5 6 7 8 9 10 11 12

1 2 3 4 5 6 7 8 9 10 11 12 13 14 15 16 17 18

19 20 21 22 23 24 25 26 27 28 29 30 31 32 33 34 35 36

3C 3D
White Gray

1 2 3 4 5 6 7 8 9 10 11 12 1 2 3 4 5 6 7 8 9 10 11 12

3F 3H
Gray Gray

1 2 3 4 5 6 7 8 9 10 11 12 1 2 3 4 5 6 7 8 9 10 11 12

4J 4K
Gray White

1 2 3 4 5 6 7 8 9 10 11 12 1 2 3 4 5 6 7 8 9 10 11 12

4L 5F
Gray Gray

1 2 3 4 5 6 7 8 9 10 11 12 1 2 3 4 5 6 7 8 9 10 11 12

5H DA
Gray White

1 2 3 4 5 6 7 8 9 10 11 12

7 8 9 10 11 12 13 14 15 16 17 18 19 20 21 22
1 2 3 4 5 6
23 24 25 26 27 28 29 30 31 32 33 34 35 36 37 38
39 40 41 42 43 44 45 46 47 48 49 50 51 52 53 54 55 56 57 58 59 60

- 13 -
Cruise Control

DH PA
Gray White

7 8 9 10 11 12 13 14 15 16 17 18 19 20 21 22
1 2 3 4 5 6
1 2 5 6 23 24 25 26 27 28 29 30 31 32 33 34 35 36 37 38
3 4 39 40 41 42 43 44 45 46 47 48 49 50 51 52 53 54 55 56 57 58 59 60
7 8 9 10 11 12 13 14 15 16

17 18 19 20 21 22 23 24

PK BA2
Gray Gray

1 2 5 6
3 4 9 8 7 6 5 4 3 2 1
1 2 3 4 5 6 7 8 9
7 8 9 10 11 12 13 14 15 16
25 16 15 14 13 12 11 10 17
17 18 19 20 21 22 23 24 17 10 11 12 13 14 15 16 25 24 23 22 21 20 19 18
18 19 20 21 22 23 24

cardiagn.com
EA1
White

9 8 7 6 5 4 3 2 1
1 2 3 4 5 6 7 8 9
25 16 15 14 13 12 11 10 17
17 10 11 12 13 14 15 16 25 24 23 22 21 20 19 18
18 19 20 21 22 23 24

EA2 EA4
White White

11 10 9 8 7 6 5 4 3 2 1 1 2
1 2 3 4 5 6 7 8 9 10 11
3 4 2 1
22 21 20 19 18 17 16 15 14 13 12
12 13 14 15 16 17 18 19 20 21 22
4 3

LA1
White

7 8 9 10 11 12 13 14 15 16 17 18 19 20 21 22
1 2 3 4 5 6
23 24 25 26 27 28 29 30 31 32 33 34 35 36 37 38
39 40 41 42 43 44 22 21 20 19 18 17 16 15 14 13 12 11 10 9 8 7
45 46 47 48 49 50 51 52 53 54 55 56 57 58 59 60 6 5 4 3 2 1
38 37 36 35 34 33 32 31 30 29 28 27 26 25 24 23
60 59 58 57 56 55 54 53 52 51 50 49 48 47 46 45 44 43 42 41 40 39

- 14 -
Climate Control Seat <Driver's Seat and Front Passenger's Seat>

(BAT) (IG)

20A 10A
P S/HTR P–IG1–4

e9
3 PJ 22 PJ Front Seat Heater RH

Seat Cushion
Cushion
Wing
Seat
R

Seat Back

B E H5 HS
2 4 1 3

cardiagn.com
10 Re1 12 Re1
W

L
2 B 1 B 1 A 5 A 9 A 10 A
SYSB IG B E H5 HS
e3(A), e4(B)
Front Seat Climate Control ECU RH
BFC+ BFC– BCS TDC+ TDC– TC5 TCS
4 B 6 B 5 B 8 B 7 B 19 B 16 B
GR

BR

R
P

2 4 3 1 2 3 4
BFC+ BFC– BCS TDC+ TDC– TC5 TCS

e1 e2
Front Seat Climate Front Seat Climate
Fan Motor RH Controller RH
(Seat Cushion) (Seat Cushion)

-1-
Climate Control Seat <Driver's Seat and Front Passenger's Seat>

(IG)

10A
D–IG1–3

47 DA
L68
Front Seat Climate Control Switch RH

L
12 3H IG INDR VSR VGR V5R E
7 6 4 3 5 2

W–B
LG
W

G
B
L
12 3I

25 LR1 23 LR1 24 LR1 28 LR1

LG
W

G
B

cardiagn.com
16 Re1 15 Re1 13 Re1 14 Re1
W–B

LG
W

G
B

21 B 18 B 15 B 14 B
IND VS VG V5
e3(A), e4(B)
Front Seat Climate Control ECU RH
TDB+ TDB– TB5 TBS GND VER LIN
10 B 9 B 20 B 17 B 12 B 11 B 13 B

3 Re1
W–B

W–B
BE

SB
V

52 LR1
1 2 3 4
TDB+ TDB– TB5 TBS
L
W–B

e21
Front Seat Climate 3 4L
Controller RH
(Seat Back)

4 4B 3 4F
L

3 A L
MPX
18 Re1
W–B

L75(A)
Console Switch
R3

-2-
Climate Control Seat <Driver's Seat and Front Passenger's Seat>

(IG)

10A
D–IG1–3

47 DA
L67
Front Seat Climate Control Switch LH
L

12 3H IG E INDL VSL VGL V5L


7 2 6 4 3 5
W–B

LG
W

G
B
L

12 3E

7 LS1 10 LS1 11 LS1 9 LS1

LG
W

G
B

1 3E

cardiagn.com
16 Se1 15 Se1 13 Se1 14 Se1
1
W–B
3I

LG
W

G
B

1 3H

21 A 18 A 15 A 14 A
IND VS VG V5
e34(A), e35(B)
Front Seat Climate Control ECU LH
LIN BFC– BFC+ BCS
13 A 6 A 4 A 5 A
L
W–B

GR

BR
P

3 Se1

4 2 3
BFC– BFC+ BCS
L

3 5F
e32
45 DA 7 DD Front Seat Climate
Fan Motor LH
(Seat Cushion)

3 5I

40 DA 51 DA 29 DA
L
L

L 7
MPX
W–B

L6
Outer Mirror
Switch Assembly
L4

-3-
Climate Control Seat <Driver's Seat and Front Passenger's Seat>

(BAT) (IG)

20A 10A
D S/HTR RR–IG1–3

e42
Front Seat Heater LH 6 DD 7 LD

Seat Cushion
Cushion
Wing
Seat

P
Seat Back

10 Se1 12 Se1
B E H5 HS
2 4 1 3

cardiagn.com
R
Y

P
L

1 B 5 B 9 B 10 B 2 A 1 A
B E H5 HS SYSB IG
e34(A), e35(B)
Front Seat Climate Control ECU LH
TDC+ TDC– TC5 TCS TDB+ TDB– TB5 TBS GND
8 A 7 A 19 A 16 A 10 A 9 A 20 A 17 A 12 A

W–B
BE

SB
G
R

R
Y

1 2 3 4 1 2 3 4
TDC+ TDC– TC5 TCS TDB+ TDB– TB5 TBS

e33 e51
Front Seat Climate Front Seat Climate
Controller LH Controller LH
(Seat Cushion) (Seat Back)

18 Se1
W–B

S3

-4-
Climate Control Seat <Driver's Seat and Front Passenger's Seat>

L6 L 67 L 68 L 75
White Gray Black White

1 2 3 4 5 6 1 2 3 4 5
1 2 3 4 5 6 7 8
7 8 9 10 11 12 1 2 3 4 5 6 7 8

e1 e2 e3 e4
White White White White

1 2 3 4 5
1 2 3 4 6 7 8 9 10 11 12
1 2 3 4 5
1 2 3 10 11 12
4 5 6 7 8 9
13 14 15 16 17 18 19 20 21 22 23 24 25 26

e9 e 21 e 32 e 33
Black White White White

cardiagn.com
1 2 3 4 1 2 3 4
2 1 1 2 3 4 5
4 3

e 34 e 35 e 42 e 51
White White Black White

1 2 3 4 5
6 7 8 9 10 11 12 1 2 3 4
2 1
1 2 3 10 11 12 4 3
4 5 6 7 8 9
13 14 15 16 17 18 19 20 21 22 23 24 25 26

3E 3H
White Gray

1 2 3 4 5 6 7 8 9 10 11 12 1 2 3 4 5 6 7 8 9 10 11 12

3I 4B
White Gray

1 2 3 4 5 6 7 8 9 10 11 12 1 2 3 4 5 6 7 8 9 10 11 12

4F 4L
Gray Gray

1 2 3 4 5 6 7 8 9 10 11 12 1 2 3 4 5 6 7 8 9 10 11 12

5F 5I
Gray White

1 2 3 4 5 6 7 8 9 10 11 12 1 2 3 4 5 6 7 8 9 10 11 12

-5-
Climate Control Seat <Driver's Seat and Front Passenger's Seat>

DA
White

7 8 9 10 11 12 13 14 15 16 17 18 19 20 21 22
1 2 3 4 5 6
23 24 25 26 27 28 29 30 31 32 33 34 35 36 37 38
39 40 41 42 43 44 45 46 47 48 49 50 51 52 53 54 55 56 57 58 59 60

DD LD
Gray Gray

7 8 9 10 11 12 7 8 9 10 11 12
1 2 3 4 5 6 1 2 3 4 5 6
13 14 15 16 17 18 13 14 15 16 17 18
19 20 21 22 23 24 25 26 27 28 29 30 19 20 21 22 23 24 25 26 27 28 29 30

PJ
Gray

cardiagn.com
7 8 9 10 11 12
1 2 3 4 5 6
13 14 15 16 17 18
19 20 21 22 23 24 25 26 27 28 29 30

LR1
White

7 8 9 10 11 12 13 14 15 16 17 18 19 20 21 22
1 2 3 4 5 6
23 24 25 26 27 28 29 30 31 32 33 34 35 36 37 38
39 40 41 42 43 44 22 21 20 19 18 17 16 15 14 13 12 11 10 9 8 7
45 46 47 48 49 50 51 52 53 54 55 56 57 58 59 60 6 5 4 3 2 1
38 37 36 35 34 33 32 31 30 29 28 27 26 25 24 23
60 59 58 57 56 55 54 53 52 51 50 49 48 47 46 45 44 43 42 41 40 39

LS1
White

7 8 9 10 11 12 13 14 15 16 17 18 19 20 21 22
1 2 3 4 5 6
23 24 25 26 27 28 29 30 31 32 33 34 35 36 37 38
39 40 41 42 43 44 22 21 20 19 18 17 16 15 14 13 12 11 10 9 8 7
45 46 47 48 49 50 51 52 53 54 55 56 57 58 59 60 6 5 4 3 2 1
38 37 36 35 34 33 32 31 30 29 28 27 26 25 24 23
60 59 58 57 56 55 54 53 52 51 50 49 48 47 46 45 44 43 42 41 40 39

-6-
Climate Control Seat <Driver's Seat and Front Passenger's Seat>

Re1
White

1 2 8 9
9 8 2 1
10 11 3 4 5 6 7 17 18
12 13 14 15 16 18 17 7 6 5 4 3 11 10
16 15 14 13 12

Se1
White

1 2 8 9
9 8 2 1
10 11 3 4 5 6 7 17 18
12 13 14 15 16 18 17 7 6 5 4 3 11 10
16 15 14 13 12

cardiagn.com

-7-
Climate Control Seat <Rear Passenger's Seat>

(IG) (BAT)

D RR S/HTR
RR–IG1–3
10A

30A
f23
Rear Seat Heater LH

13 LD 20 DD

Wing Outer Side


Seat Cushion

Seat Cushion
Seat Back

Wing Inner Side


P

Seat Cushion
f31
Rear Seat Climate
Fan Motor LH
(Seat Back)

cardiagn.com
2 Sf1 18 Sf1

B E HS H5 BBS BFB+ BFB–


1 3 4 2 3 2 4

GR
BR

G
P

Y
L

1 B 2 B 1 A 5 A 10 A 9 A 25 B 24 B 26 B
IG SYSB B E HS H5 BBS BFB+ BFB–

f27(A), f28(B)
Rear Seat Climate Control ECU LH

BFC+ BCS BFC– TDC+ TDC– TC5 TCS TDB+ TDB– TB5 TBS GND LIN
4 B 5 B 6 B 8 B 7 B 19 B 16 B 10 B 9 B 20 B 17 B 12 B 13 B
W–B
BR
BE

LG
W

W
V

V
L

1 2 3 4
6 fp2 7 fp2 8 fp2 1 fp2 2 fp2 3 fp2 4 fp2 TDB+ TDB– TB5 TBS 1 Sf1
W–B
W

O
R
V

B
L

f32
Rear Seat Climate
Controller LH
(Seat Back)
2 3 4 1 2 3 4
BFC+ BCS BFC– TDC– TDC+ TC5 TCS

p4 p3
Rear Seat Climate Rear Seat Climate
Fan Motor LH Controller LH W–B
(Seat Cushion) (Seat Cushion)

-1-
Climate Control Seat <Rear Passenger's Seat>

(BAT)

∗ 3 : w/ Power Seat
5A ∗ 4 : w/o Power Seat
RR MPX–B 2 ∗ 5 : 4–Seater
∗ 6 : 5–Seater

57 LA

4 15
S59
Junction
Connector
1 12
W
(∗6)
W

(∗5)

B
(∗5)
V
(∗6)

(∗6)
W
B

(∗6)

cardiagn.com
11 rS3 (∗3) 6 rS3 7 rS3 8 rS3 (∗3)
7 rS4 (∗4) 2 rS4 3 rS4 5 rS4 (∗4) V
(∗5)
(∗6 ∗3)

(∗6 ∗4)
(∗6)

(∗6)

(∗6)
W

W
R
B

4
5 6

r1(B), r2(A) S56


11 A Rear Console Switch 1 A 2 A 6 A Junction

V
Connector
B CANP CANN LIN

6 RS1

SW3 SW2 SWE1 R VR IND4 BVR IND3 L VR IND2 IND1 E


3 B 7 B 17 B 1 B 2 B 6 B 8 B 9 B 15 B 19 B 3 A
V

V
W–B
(∗6)

(∗6)

(∗6)

(∗6)

(∗6)

(∗6)

(∗6)

(∗6)

(∗6)

(∗6)

(∗6)
GR

BR
G

R
B

V
L

22 rS3 (∗3) 6 Sf1 6 Rf1


14 rS4 (∗4)
13 18 5 11 12 17 19 20 3 7
V

SW3 SW2 SWE1 R VR IND4 BVR IND3 L VR IND2 IND1

1 12
Connector

Connector
Junction

Junction

Rear Seat Climate Control Switch


f36

f20

3 13
W–B
(∗6)

r3
V

Rear Console Switch Sub


(Curtain Switch)

V V

W–B W–B
(∗5) (∗5)
4
W–B 8 S57
Junction
Connector

S2

-2-
Climate Control Seat <Rear Passenger's Seat>

(BAT) (BAT)

P–D/C CUT
5A
RR MPX–B 2

5A
57 LA

B 2
BCUT
Electric Power
W Control ECU
CUTD
1 z5(B), z16(C)
Integration Control and Panel Assembly

57 PA
13 2

Connector
Junction
W S60

Rear Seat Climate


(∗5)

Switch Indicator
Climate Control
B

Control Switch
16 5
B

Rear Seat
(∗5)
W

5 4H

cardiagn.com
60 LS1 59 LS1

V
W

(∗5) 5 4B

G–W
R–W

R–B
R

B
15 4
Connector
(∗5)

(∗5)

(∗5)
W

Junction
B

2 B 10 B 3 B 6 B 8 B (∗5, ∗2 ∗6)
L95

21 10 1 A 2 C 12 C 3 C 6 C 10 C (∗1 ∗6)
3 1 2 6 B
W

LIN CANP CANN B

3 2
Switch Assembly

CANN CANP
Outer Mirror

Rear Seat Climate


Control Switch
MPX MPX E
L6

7 3 A L75(A), z5(B), z16(C) 5 A


E Console Switch
5 S15 W–B
L

Rear Console Switch

3 5I 4 4B 1 4B
W–B
(∗5)

3 5F 3 4F 1 4J 1 4H
W–B

W–B
L

29 DA 40 PA 51 PA

51 DA 39 PA

V V

W–B
W–B

(∗5)

W–B

L1 L3

-3-
Climate Control Seat <Rear Passenger's Seat>

(IG) (BAT) ∗ 1 : w/ Ottoman


∗ 2 : w/o Ottoman

P RR S/HTR
P–IG1–4 ∗ 5 : 4–Seater
∗ 6 : 5–Seater
10A

30A
f3
Rear Seat Heater RH

29 PJ 21 PJ

Wing Outer Side


Seat Cushion

Seat Cushion
Seat Back

Wing Inner Side


G
Y

Seat Cushion
f12
Rear Seat Climate
Controller RH
(Seat Back)

cardiagn.com
7 Rf1 18 Rf1

B E HS H5 TDB+ TDB– TB5 TBS


1 3 4 2 1 2 3 4
BR

LG

W
G
Y

B
L

L
1 B 2 B 1 A 5 A 10 A 9 A 10 B 9 B 20 B 17 B
IG SYSB B E HS H5 TDB+ TDB– TB5 TBS

f7(A), f8(B)
Rear Seat Climate Control ECU RH

LIN BFC+ BCS BFC– TDC+ TDC– TC5 TCS BBS BFB+ BFB– GND VER
13 B 4 B 5 B 6 B 8 B 7 B 19 B 16 B 25 B 24 B 26 B 12 B 11 B
W–B

W–B
GR
BR
BE
W

G
V

Y
V

B
L

W–B

3 2 4
6 fp1 7 fp1 8 fp1 1 fp1 2 fp1 3 fp1 4 fp1 BBS BFB+ BFB– 1 Rf1
W

O
R
V

B
L

f11
Rear Seat Climate
Fan Motor RH
(Seat Back)
2 3 4 1 2 3 4
BFC+ BCS BFC– TDC– TDC+ TC5 TCS
W–B

p2 p1
Rear Seat Climate Rear Seat Climate 8
Fan Motor RH Controller RH R41
(Seat Cushion) (Seat Cushion) Junction
Connector

R1

-4-
Climate Control Seat <Rear Passenger's Seat>

L6 L 75 L 95 R 41
White White Gray White

1 2 3
1 2 3 4 5 6 1 2 3 4 5 4 5 6 7 8
1 2 3 4 5 6 7 8 9 10 11
7 8 9 10 11 12
12 13 14 15 16 17 18 19 20 21 22

S 15 S 56 S 57
White White White

1 2 3
1 2 3 4 5 6 7 8 4 5 6 7 8
1 2 3 4 5 6 7 8 9 10 11
9 10 11 12 13 14 15 16
12 13 14 15 16 17 18 19 20 21 22

S 59 S 60 f3 f7
Black Black Black White

1 2 3 4 5
6 7 8 9 10 11 12

cardiagn.com
1 2
1 2 3 4 5 6 7 8 9 10 11 1 2 3 4 5 6 7 8 9 10 11 3 4
12 13 14 15 16 17 18 19 20 21 22 12 13 14 15 16 17 18 19 20 21 22

f8 f 11 f 12
White White Blue

1 2 3 4
1 2 3 4 5
1 2 3 10 11 12
4 5 6 7 8 9
13 14 15 16 17 18 19 20 21 22 23 24 25 26

f 20 f 23 f 27
White Black White

1 2 3 4 5
6 7 8 9 10 11 12
1 2
1 2 3 4 5 6 7 8 9 10 11 3 4
12 13 14 15 16 17 18 19 20 21 22

f 28 f 31 f 32
White White Blue

1 2 3 4
1 2 3 4 5
1 2 3 10 11 12
4 5 6 7 8 9
13 14 15 16 17 18 19 20 21 22 23 24 25 26

-5-
Climate Control Seat <Rear Passenger's Seat>

f 36 p1 p2 p3
White White White White

1 2 3 4 1 2 3 4
1 2 3 4 5
1 2 3 4 5 6 7 8 9 10 11
12 13 14 15 16 17 18 19 20 21 22

p4 r1 r2
White White White

1 2 3 4 5 1 2 3 4 5 6 7 8 9 1 2 3 4 5
10 11 12 13 14 15 16 17 18 19 20 21 22 23 24 6 7 8 9 10 11 12 13 14 15 16

r3 z5 z 16
White White White

cardiagn.com
1 2 3 4 5 6 7 8 9 10 1 2 3 4 5 6 1 2 3 4 5 6 7 8
11 12 13 14 15 16 17 18 19 20 7 8 9 10 11 12 9 10 11 12 13 14 15 16

4B 4F
Gray Gray

1 2 3 4 5 6 7 8 9 10 11 12 1 2 3 4 5 6 7 8 9 10 11 12

4H 4J
Gray Gray

1 2 3 4 5 6 7 8 9 10 11 12 1 2 3 4 5 6 7 8 9 10 11 12

5F 5I
Gray White

1 2 3 4 5 6 7 8 9 10 11 12 1 2 3 4 5 6 7 8 9 10 11 12

DA
White

7 8 9 10 11 12 13 14 15 16 17 18 19 20 21 22
1 2 3 4 5 6
23 24 25 26 27 28 29 30 31 32 33 34 35 36 37 38
39 40 41 42 43 44 45 46 47 48 49 50 51 52 53 54 55 56 57 58 59 60

-6-
Climate Control Seat <Rear Passenger's Seat>

DD
Gray

7 8 9 10 11 12
1 2 3 4 5 6
13 14 15 16 17 18
19 20 21 22 23 24 25 26 27 28 29 30

LA
White

7 8 9 10 11 12 13 14 15 16 17 18 19 20 21 22
1 2 3 4 5 6
23 24 25 26 27 28 29 30 31 32 33 34 35 36 37 38
39 40 41 42 43 44 45 46 47 48 49 50 51 52 53 54 55 56 57 58 59 60

LD
Gray

cardiagn.com
7 8 9 10 11 12
1 2 3 4 5 6
13 14 15 16 17 18
19 20 21 22 23 24 25 26 27 28 29 30

PA
White

7 8 9 10 11 12 13 14 15 16 17 18 19 20 21 22
1 2 3 4 5 6
23 24 25 26 27 28 29 30 31 32 33 34 35 36 37 38
39 40 41 42 43 44 45 46 47 48 49 50 51 52 53 54 55 56 57 58 59 60

PJ
Gray

7 8 9 10 11 12
1 2 3 4 5 6
13 14 15 16 17 18
19 20 21 22 23 24 25 26 27 28 29 30

LS1
White

7 8 9 10 11 12 13 14 15 16 17 18 19 20 21 22
1 2 3 4 5 6
23 24 25 26 27 28 29 30 31 32 33 34 35 36 37 38
39 40 41 42 43 44 22 21 20 19 18 17 16 15 14 13 12 11 10 9 8 7
45 46 47 48 49 50 51 52 53 54 55 56 57 58 59 60 6 5 4 3 2 1
38 37 36 35 34 33 32 31 30 29 28 27 26 25 24 23
60 59 58 57 56 55 54 53 52 51 50 49 48 47 46 45 44 43 42 41 40 39

-7-
Climate Control Seat <Rear Passenger's Seat>

RS1
White

11 10 9 8 7 6 5 4 3 2 1
1 2 3 4 5 6 7 8 9 10 11
22 21 20 19 18 17 16 15 14 13 12
12 13 14 15 16 17 18 19 20 21 22

Rf1
White

1 2 8 9
9 8 2 1
10 11 3 4 5 6 7 17 18
12 13 14 15 16 18 17 7 6 5 4 3 11 10
16 15 14 13 12

cardiagn.com
Sf1
White

1 2 8 9
9 8 2 1
10 11 3 4 5 6 7 17 18
12 13 14 15 16 18 17 7 6 5 4 3 11 10
16 15 14 13 12

fp1 fp2
White White

1 2 3 4 5 6 7 8 1 2 3 4 5 6 7 8

8 7 6 5 4 3 2 1 8 7 6 5 4 3 2 1

rS3
White

11 10 9 8 7 6 5 4 3 2 1
1 2 3 4 5 6 7 8 9 10 11
22 21 20 19 18 17 16 15 14 13 12
12 13 14 15 16 17 18 19 20 21 22

-8-
Climate Control Seat <Rear Passenger's Seat>

rS4
White

1 2 3 4 5 6 7 7 6 5 4 3 2 1

8 9 10 11 12 13 14 14 13 12 11 10 9 8

cardiagn.com

-9-
Cooling Fan

G
R
45 LA1 46 LA1

Junction Connector
G
R

E52(A), E53(B)
A67 15 A 19 A
Junction Connector 11 22

Rear Speed Sensor


22 B 13 B

cardiagn.com
10 21 9 20

L
G
R
Y

V
L

Engine Control Module

11 A 10 A 11 C 10 C 9 C 8 C 14 A 13 A 18 C
A13(A), E1(C)

RL+ RL– RR+ RR– CANH CANL CANH CANL VC

FL+ FL– FR+ FR– E2 THW NE+ NE–


16 C 15 C 16 A 15 A A19(A), A21(C) 28 C 19 C 27 C 34 C
Skid Control ECU
R–L
BR

W
B

L
Temperature Sensor

2 1 2 3
NE NE– VC
Engine Coolant

Front Speed Sensor


E14

E54
1 Crankshaft
Position Sensor

-1-
Cooling Fan

∗ 1 : w/ Multi Display
L59(D) L35 ∗ 2 : w/o Multi Display
Display & Navigation Integration Control
R Module Display and Panel Assembly

CANL CANH CANL CANH


22 D 21 D 25 26
(∗1)

(∗1)

(∗2)

(∗2)
G

G
R

R
20 9
Connector

A50(A), B14(D)
Junction

Front Controller
L98

18 7

CANP CANN E
3 A 4 A 2 A
G

G
R

cardiagn.com
60 LR1 59 LR1

W–B
W
B
W

W
B

B
15 4 12 1
11 22 15 4

Connector
Connector

Connector

Junction
Junction

Junction

R48
L97

L95

16 5 14 3 3 14 14 3
W

W
G

G
R

7 5
Connector

6 A 5 A 16 A 15 A
Junction

CANL CANH CANP CANN

A63(A), A64(B)
R57

15 A

Connector
3 1
Junction
L11(A)
W

Main Body ECU 21 B

21 AR1 20 AR1
W

W–B

A8

-2-
Cooling Fan

(BAT) (IG) (IG) (BAT)

80A 10A 10A 10A


FAN E/G P–J/B D MPX–B 2
NO. 1 RM–IG1–1

B4
A/C Pressure Sensor
1 1I 6 2A 30 2C 42 DA

– PR +

LG
B

L
1 2 3

Connector
6 A

Junction
1

A63(A)
L136
Junction
SB
B

5 A 6 LA1 Connector
2

G
14 D 13 D 12 D

P
L
Front Controller
A50(A), B14(D)

SG PRS S5
1 1 L10
14 13 Combination Meter
FAN1
IG2 B
22 D 3 1

cardiagn.com
FAN NO. 1
Relay
L

5V IC
5 2

3 BA1
1 1
CPU
W–B

CAN
W
L

CONTROLLER

CAN I/F

2 A 3 A CANH CANL ES E2
SI +B1 1 20 21 18 17
B
B M
G
R

2 L
W–B

W–B
BR

z3(B)
Cooling Fan Motor
(Main)

6
Connector

20 B
1 L100
Junction

B
A64(B)

C M Junction
Connector
21 B 8
2 L
E1 C
W–B

1 A A9(A), z3(B), z4(C) z4(C)


Fan Control ECU Cooling Fan Motor
(Sub)
W–B

W–B

58 PA 41 DA

R
43 PA 40 DA
G
W–B
BR

A1 A8 L1 L4

-3-
Cooling Fan

A9 A 13
Black White

1 2 3 4 5 6
1 2 3
7 8 9 10 11 12 13 14 15 16
17 18 19 20 21 22 23 24 25 26 27
28 29 30 31 32 33 34 35

A 19
Black

3 4 5 6 7 8 9 10 11 12 13 14 15 16
1 2
17 18 19 20 21 22 23 24 25 26 27 28 29 30

31 32
33 34 35 36 37 38 39 40 41 42 43 44 45 46

cardiagn.com
A 21 A 50
Gray White

1 2
3 4 5 6 7 8 9 10 11 12 13 14 15 16
1 2
17 18 19 20 21 22 23 24 25 26 27 28 29 30 3 4 5 6
7 8 9 10
31 32
33 34 35 36 37 38 39 40 41 42 43 44 45 46

A 63 A 64 A 67
Black Black Black

1 2 3 4 5 6 7 8 9 10 11 1 2 3 4 5 6 7 8 9 10 11 1 2 3 4 5 6 7 8 9 10 11
12 13 14 15 16 17 18 19 20 21 22 12 13 14 15 16 17 18 19 20 21 22 12 13 14 15 16 17 18 19 20 21 22

-4-
Cooling Fan

B4 B 14 E1 E 14
Black White White Dark Gray

1 2
1 2 3
1 2 5 6 1 2 3 4 5 6 7
3 4
8 9 10 11 12 13 14 15 16 17
7 8 9 10 11 12 13 14 15 16
18 19 20 21 22 23 24 25 26 27
17 18 19 20 21 22 23 24
28 29 30 31 32 33 34

E 52 E 53 E 54
Black Black Black

1 2 3
1 2 3 4 5 6 7 8 9 10 11 1 2 3 4 5 6 7 8 9 10 11
12 13 14 15 16 17 18 19 20 21 22 12 13 14 15 16 17 18 19 20 21 22

L 10 L 11 L 35
Black White White

cardiagn.com
1 2 3 4 5 6 7 8 9 10 11 12 1 4 1 2 3 10 11 12
2 3 4 5 6 7 8 9
13 14 15 16 17 18 19 20 21 22 23 24
5 6 7 8 9 10 13 14 15 16 17 18 19 20 21 22 23 24 25 26
11 12 13 14 15 16

L 59 L 95
White Gray

1 2 3 10 11 12 1 2 3 4 5 6 7 8 9 10 11
4 5 6 7 8 9 12 13 14 15 16 17 18 19 20 21 22
13 14 15 16 17 18 19 20 21 22 23 24 25 26

L 97 L 98 L100 L136
Black Gray Blue Black

1 2 3 4 5 1 2 3 4
6 7 8 9 10 11 12

1 2 3 4 5 6 7 8 9 10 11 1 2 3 4 5 6 7 8 9 10 11
12 13 14 15 16 17 18 19 20 21 22 12 13 14 15 16 17 18 19 20 21 22

R 48 R 57 z3 z4
Black Dark Gray Gray Gray

1 2
1 2 3 4
1 2 3 4 5 6 7 8 9 10 11 1 2
5 6 7 8
12 13 14 15 16 17 18 19 20 21 22

-5-
Cooling Fan

1I 2A
Black

1
1 2 3 4 5
6 7 8 9 10 11 12 13

2C
White

1 2 3 4 5 6 7 8 9 10 11 12 13 14 15 16 17 18

19 20 21 22 23 24 25 26 27 28 29 30 31 32 33 34 35 36

DA
White

7 8 9 10 11 12 13 14 15 16 17 18 19 20 21 22
1 2 3 4 5 6

cardiagn.com
23 24 25 26 27 28 29 30 31 32 33 34 35 36 37 38
39 40 41 42 43 44 45 46 47 48 49 50 51 52 53 54 55 56 57 58 59 60

PA
White

7 8 9 10 11 12 13 14 15 16 17 18 19 20 21 22
1 2 3 4 5 6
23 24 25 26 27 28 29 30 31 32 33 34 35 36 37 38
39 40 41 42 43 44 45 46 47 48 49 50 51 52 53 54 55 56 57 58 59 60

AR1
White

11 10 9 8 7 6 5 4 3 2 1
1 2 3 4 5 6 7 8 9 10 11
22 21 20 19 18 17 16 15 14 13 12
12 13 14 15 16 17 18 19 20 21 22

BA1
White

9 8 7 6 5 4 3 2 1
1 2 3 4 5 6 7 8 9
18 17 16 15 14 13 12 11 10
10 11 12 13 14 15 16 17 18

-6-
Cooling Fan

LA1
White

7 8 9 10 11 12 13 14 15 16 17 18 19 20 21 22
1 2 3 4 5 6
23 24 25 26 27 28 29 30 31 32 33 34 35 36 37 38
39 40 41 42 43 44 22 21 20 19 18 17 16 15 14 13 12 11 10 9 8 7
45 46 47 48 49 50 51 52 53 54 55 56 57 58 59 60 6 5 4 3 2 1
38 37 36 35 34 33 32 31 30 29 28 27 26 25 24 23
60 59 58 57 56 55 54 53 52 51 50 49 48 47 46 45 44 43 42 41 40 39

LR1
White

7 8 9 10 11 12 13 14 15 16 17 18 19 20 21 22
1 2 3 4 5 6
23 24 25 26 27 28 29 30 31 32 33 34 35 36 37 38
39 40 41 42 43 44 22 21 20 19 18 17 16 15 14 13 12 11 10 9 8 7
45 46 47 48 49 50 51 52 53 54 55 56 57 58 59 60 6 5 4 3 2 1
38 37 36 35 34 33 32 31 30 29 28 27 26 25 24 23
60 59 58 57 56 55 54 53 52 51 50 49 48 47 46 45 44 43 42 41 40 39

cardiagn.com

-7-
Cigarette Lighter

(ACC) (ACC)
∗ 2 : w/o Ottoman
∗ 3 : 4–Seater
15A 15A ∗ 4 : 5–Seater
P–CIG RR–CIG

6 PA 23 LD

(∗2 ∗4)
(∗3)
P

P
1 SY2

(∗3)
P

cardiagn.com
1 1 2
L46 Y4 S9
Front Cigarette Rear Cigarette Rear Cigarette
Lighter Lighter Socket Lighter Socket
2 2 1

(∗2 ∗4)
W–B

W–B

W–B
(∗3)

1 A
L109(A), L110(B)
Short Connector 17 SY2
(Cigarette Lighter)
1 B
W–B

W–B
(∗3)

2
S54
Junction
Connector

L2 S1

-1-
Cigarette Lighter

L 46 L109 L110 S9 S 54 Y4
White White White White White White

1 1 2 3
1 2 1 2 1
4 5 6 7 8 1 2
3 4 4 3

LD
Gray

7 8 9 10 11 12
1 2 3 4 5 6
13 14 15 16 17 18
19 20 21 22 23 24 25 26 27 28 29 30

PA
White

7 8 9 10 11 12 13 14 15 16 17 18 19 20 21 22
1 2 3 4 5 6

cardiagn.com
23 24 25 26 27 28 29 30 31 32 33 34 35 36 37 38
39 40 41 42 43 44 45 46 47 48 49 50 51 52 53 54 55 56 57 58 59 60

SY2
White

9 8 7 6 5 4 3 2 1
1 2 3 4 5 6 7 8 9
25 16 15 14 13 12 11 10 17
17 10 11 12 13 14 15 16 25 24 23 22 21 20 19 18
18 19 20 21 22 23 24

-2-
TFT Panel

Back Light
TFT Module

TFT
CPU
L10
Combination Meter

IG2
CPU

Body

Earth
Earth
Signal
MPX–B
2
SB Display & Navigation Module Display
Integration Control
and Panel Assembly

-1-
PBLT

8
6
17
16

W–B W–B W–B LG


Combination Meter

L4
Illuminations

40 DA
41 DA
E2
ILL–

L100
Junction
Connector
Turn LH
1

G
B

Flasher
W–B W–B Turn RH Relay

L3
1 4H

39 PA
51 PA
12

Y
B

W–B

1 4J

40 PA
Pointer

W–B

2 4C
Gauge
I/F

W–B

1 4C
Dial

W–B
W–B
W–B
cardiagn.com
Combination Meter

(IG) (BAT)

10A 10A
P–J/B D MPX–B 2

30 2C 42 DA

L
1
L136
Junction
6 LA1 Connector
2

P
L
L10
Combination Meter 14 13
IG2 B

cardiagn.com
Buzzer
Speedometer

Tachometer

Temp.
Fuel

I/F 5V IC

CPU I/F
CAN CONTROLLER

CAN I/F UART


I/F

RHUP RHDW A/B RSET ES CANN CANP CANH CANL EPB


8 7 4 5 18 23 22 20 21 24
BR

BR

G
R

R
B

B
L

3 7 7 5
UP DOWN A/B RSET
Parking Brake ECU
RESET
Down

TRIP
Up

E E
5 L8 6 L45 58 PA
Light Control Trip Switch
W–B

Rheostat

W–B 43 PA G

R
W–B
BR

W–B W

L1

-2-
B
R
G

W
Head (USA)
Tail (Except USA)

High Beam

Front Fog

Door

Master

PARK (USA)
Park (Except USA)

Tire Pressure
L10

-3-
COMFORT
Combination Meter

LED DRIVER
Combination Meter

Slip

ABS

(∗5)

ECT SNOW

PCS

AFS OFF

B
R
G

W
cardiagn.com
HEIGHT HIGH

B
R
G

W
L59(D) ECT PWR
Display & Navigation
Module Display

18 D
7 5A
6 5B
BRAKE (USA)

SPD
Brake (Except USA)

V
Driver' s Seat Belt
R34(F)
Stereo Component
Amplifier
Charge
V

11 F
30 PJ
30 PA

SPD
Power Steering
V

25 PA
L10

LED DRIVER
SRS

19 PK
CRUISE
Combination Meter

-4-
Combination Meter

SPORT

14 PA
AUTO HOLD

10
V
HOLD

+S
∗ 5 : Electronically Controlled Brake System

Fuel

9
L

SI

B
V
V

R
G

W
cardiagn.com
L

B
V
V

R
G

W
L10
ECO MODE

Combination Meter

LED DRIVER
Slip OFF

AUTO

ECO

-5-
LKA
Combination Meter

Malfunction
Indicator Lamp

11
Engine R
Control
Module

EFI

B
V
V

R
G

W
cardiagn.com
Combination Meter

G
R
45 LA1 46 LA1

G
R
A67
Junction Connector 11 22
Rear Speed Sensor

cardiagn.com
10 21 9 20
G

G
R
Y

V
L

11 A 10 A 11 C 10 C 9 C 8 C 14 A 13 A
Skid Control ECU

RL+ RL– RR+ RR– CANH CANL CANH CANL


A19(A), A21(C)

A13(A), A14(B), E1(C), E3(E), E4(F)


Engine Control Module
FL+ FL– FR+ FR– SP1 LBL SPD #1 E2 THW
16 C 15 C 16 A 15 A 23 A 45 A 24 B 20 E 28 C 19 C
G–W
W
B

V
L

R–L
BR
Brake Fluid Level

2 4 A
Warning Switch

E15(A), H1(C)
Injector Driver

13 PK LBL IJT1
(No. 1)

Front Speed Sensor GND IJ1+ IJ1–


A18

1 1 C 3 C
18 PA
Temperature Sensor
(Shielded)

2
W–B
L

Engine Coolant
E14

2
Injection No. 1)

1
Fuel Injector
(for Direct
H16

L
BR

BR

1
V

V V

G G

R R

B B

W W

A3 H1

-6-
Combination Meter

(IG)

10A
INJ

33 2C

cardiagn.com
G

R
A13(A), A14(B), E1(C), E3(E), E4(F)
Engine Control Module
15 4
NE+ NE– VC # 10

Connector
Junction
27 C 34 C 18 C 17 F

L97
16 5 14 3
G
W

8 EJ1
1 2
NE NE–
Position Sensor

B
Crankshaft

1
Injection No. 1)

G
R

VC
E54

Fuel Injector

3
(for Port
J1
L

2
E52(A), E53(B)
Junction
W

13 B Connector 22 B 13 EA2

4 EJ1
B

19 A 15 A
R
B

L
G

V V

B B

W W

-7-
Combination Meter

B
(BAT) ∗ 3 : w/ Paddle Shift Switch
∗ 4 : w/o Paddle Shift Switch W
5A
P–D/C B
CUT
W

35 PA
B

2 1
BCUT CUTD

W
B
Electric Power
Control ECU
2 13

Connector
8 5B

Junction
S60
5 16
8 5H
L134(A), z7(C), z14(F)

W
W–B

B
W

R
B

cardiagn.com
3 A 7 A 9 A 10 A 59 LS1 60 LS1
Spiral Cable

NOSB +B CANN CANP

8 F 12 F 1 F 2 F (∗3)
W–B

8 C 12 C 1 C 2 C (∗4)
W

W
R

B
1 5H
W–R(∗3)

BR(∗4)
W(∗3)

R(∗4)
G

Junction Connector
Steering Pad Switch

9 20 4 15 11 22
z7(C), z8(D), z14(F)

1 5F
with Modulator

L95
Steering Switch ECU
W–B

7 18 3 14
W

57 DA 8 D 4 D
W

W
B

DISP/ E
RESET
W

40 DA
RESET
DISP

W
W–B

B
z8(D)
Steering Pad Switch
R R

G G

V V

L4

-8-
V
B
B
B

G
W
W
W

3
7
14
15
W W W W W

60 LR1

21 AR1
1
5
3
4
B B B B B

59 LR1

20 AR1
R57 R48
Junction Junction
Connector Connector

B Y

3 A
5 A
28 2C
(IG)

FMIG

CANP
10A E/G
RM–IG1–2
W

4 A
LG

CANN
1 A
4 2C
(BAT)

FMB3
W–B W–B W–B 10A ECU–B

21 B
15 A
2 A
E

A8
A63(A), A64(B)
Junction P
1 C
5 2A

Connector
BATB
(BAT)

-9-
30A FR
CTRL BAT

6
2
1
W–B W–B B

12 B
20 A
E
13 C

A2
SLR+
WLVL
Combination Meter

A70 A61(A), A62(B) L


5 C
4 2A

ALTB

Junction Junction
(BAT)

A2
Connector Connector Washer Fluid
Level Sensor 20A FR
CTRL ALT

1
R R
11 C

21 EA2
MOPS

E8
Oil Pressure Switch
A50(A), A52(C)
Front Controller

2
1
L L
10 C

11 EA2

LOIL
MOL

GND
E26
Engine Oil Level Sensor

W W
20 C

22 EA2
MOLE

V
B
B

G
W
W

cardiagn.com
Combination Meter

B B

W W

(IG) (ACC) (BAT)


10A D–IG1–3

5A D–ACC

5A AM1

15 22 6
IG ACC ALTB
L11(A), L12(B), L13(C)
Main Body ECU
CANN CANP CANH CANL SPD GND3 GND2 GND1 DCTY PCTY LCTY RCTY

cardiagn.com
15 A 16 A 5 A 6 A 9 A 1 A 4 5 24 C 21 B 17 7 B

12 DD
W

G
R
B

W–B

R
L

L
41 DA 40 DA
Junction Connector

4 4E
11
W–B

W–B
L100

8
4 4F
13 LR1 16 RL2
W

7 3L 14 DA

7 3K 7 3M 30 DD
R
L

L
Front Door Courtesy Switch RH

Rear Door Courtesy Switch RH


Front Door Courtesy Switch LH

Rear Door Courtesy Switch LH


R
V

W
(Telematics Transceiver)

B
10 A 1 1 1 1
R SPDP
L111(A)

G
DCM

R12
S14
R6
S6

V
W–B

L4

- 10 -
Combination Meter

B
(BAT) (BAT) (IG)
W

RR MPX–B 1

RR MPX–B 2

RR–IG1–2
10A
10A

5A
S59
Junction
15 4 Connector

13 2 14 3
(∗1)

(∗1)
W

W
B

5 6 28 B 20 B 7 15 8
Power Trunk Lid

CANL CANH CANN CANP MPXB LGLB IG

cardiagn.com
Control ECU

S61(A), S62(B), S63(C)


Rear Junction Block ECU
BDCY LCTY BDCY LCTY PGND SG TSW1 TSW2
S43

9 22 16 C 9 C 4 17 12 A 14 B

43 LA 29 LA
W–B

W–B
(∗1)

(∗1)

(∗2)

(∗2)
G

P
L

Rear Seat Entertainment


4 6
6 7 TSW1 TSW2
Closer Motor

Table Switch

+B CTY
Luggage

E E1
S36

S23

8 5
W–B
B

18
Connector
Junction
S55

16
W–B

7
Connector
Junction
S55

10
W–B

W–B

7
6 1 W–B

S54
Junction
S1 Connector S3

- 11 -
2
1
LG LG P

18 A
FE
16 RS1
15 RS1

R10

S61(A), S62(B), S63(C)


Rear Junction Block ECU
Fuel Sender Gauge (Sub)
Front Pad Wear Rear Pad Wear
Indicator Switch Indicator Switch

4
3
8
7
2
3

SB SB B SB P

19 A
7 A
FR

3 AS1
PIND

FL–
FL+
RL–
RL+
S11
A73 S69 Fuel Sender Gauge
Front Pad Wear Indicator Switch Rear Height Control Sensor LH
Front Speed Sensor LH Rear Pad Wear Indicator Switch
Rear Speed Sensor LH

LG
Front Pad Wear

- 12 -
Indicator Switch

4
3
L L

16 AR1
Combination Meter

FR–

FR+
A55
Front Pad Wear Indicator Switch
Front Speed Sensor RH

Rear Pad Wear


Indicator Switch

7
8
7
W–B

R2
RR–
R43 RR+
Junction R56
Connector Rear Height Control Sensor RH
Rear Pad Wear Indicator Switch
∗ 1 : w/ Power Trunk Opener and Closer System

Rear Speed Sensor RH


∗ 2 : w/o Power Trunk Opener and Closer System

cardiagn.com
Combination Meter

A2 A 13 A 14 A 18
Black White White Black

1 2
1 2
1 2 3 4 5 6 1 2 3 4 5 6 7

7 8 9 10 11 12 13 14 15 16 8 9 10 11 12 13 14 15 16 17
17 18 19 20 21 22 23 24 25 26 27 18 19 20 21 22 23 24 25
28 29 30 31 32 33 34 35 26 27 28 29 30 31

A 19
Black

3 4 5 6 7 8 9 10 11 12 13 14 15 16
1 2
17 18 19 20 21 22 23 24 25 26 27 28 29 30

31 32
33 34 35 36 37 38 39 40 41 42 43 44 45 46

cardiagn.com
A 21 A 50
Gray White

1 2
3 4 5 6 7 8 9 10 11 12 13 14 15 16
1 2
17 18 19 20 21 22 23 24 25 26 27 28 29 30 3 4 5 6
7 8 9 10
31 32
33 34 35 36 37 38 39 40 41 42 43 44 45 46

A 52 A 55 A 61
White Gray Black

2 1
4 3
1 2 3 4 5 6 1 2 3 4 5 6 7 8 9 10 11
12 13 14 15 16 17 18 19 20 21 22
7 8 9 10 11 12 13 14 15 16 17
18 19 20 21 22 23 24 25 26

A 62 A 63 A 64
Blue Black Black

1 2 3 4 5 6 7 8 9 10 11 1 2 3 4 5 6 7 8 9 10 11 1 2 3 4 5 6 7 8 9 10 11
12 13 14 15 16 17 18 19 20 21 22 12 13 14 15 16 17 18 19 20 21 22 12 13 14 15 16 17 18 19 20 21 22

- 13 -
Combination Meter

A 67 A 70 A 73 E1
Black Gray Black White

1 2 3
1 2 3 4 5 6 7 8 9 10 11 1 2 1 2 3 4 5 6 7
4 5 6
3 4
12 13 14 15 16 17 18 19 20 21 22 8 9 10 11 12 13 14 15 16 17
5 6
18 19 20 21 22 23 24 25 26 27
28 29 30 31 32 33 34

E3 E4 E8 E 14
White White Gray Dark Gray

1 2

1 2 3 4 5 6 1
1 2 3 4 5 6 7

7 8 9 10 11 12 13 14 15 16 8 9 10 11 12 13 14 15 16 17
17 18 19 20 21 22 23 24 25 26
18 19 20 21 22 23 24 25 26 27
27 28 29 30 31 32 33
28 29 30 31 32

cardiagn.com
E 15 E 26 E 52
Gray Gray Black

1 2
1 2 3 4
5 6 7 8 1 2 3 4 5 6 7 8 9 10 11
12 13 14 15 16 17 18 19 20 21 22

E 53 E 54 H1 H 16
Black Black Gray Black

1 2 3
1 2
1 2 3 4 5 6 7 8 9 10 11
1 2
12 13 14 15 16 17 18 19 20 21 22
3 4

J1 L8 L 10 L 11
Black White Black White

1 2
1 2 3 4
1 2 3 4 5 6 7 8 9 10 11 12 1 4
5 6 7 8 2 3
13 14 15 16 17 18 19 20 21 22 23 24
5 6 7 8 9 10
11 12 13 14 15 16

- 14 -
Combination Meter

L 12 L 13 L 45
White White Black

1 2 3 4
1 2 3 4 5 6
1 2 3 4 5 6 7 8 9 10
5 6 7 8
11 12 13 14 15 16 17 18 19 20
7 8 9 10 11 12 13 14 15 16 17
21 22 23 24 25 26 27 28
18 19 20 21 22 23 24 25 26

L 59 L 95
White Gray

1 2 3 10 11 12 1 2 3 4 5 6 7 8 9 10 11
4 5 6 7 8 9 12 13 14 15 16 17 18 19 20 21 22
13 14 15 16 17 18 19 20 21 22 23 24 25 26

L 97 L100

cardiagn.com
Black Blue

1 2 3 4 5
6 7 8 9 10 11 12

1 2 3 4 5 6 7 8 9 10 11
12 13 14 15 16 17 18 19 20 21 22

L111 L134 L136


White Black Black

1 2 3 4

1 2 3 4 5 6 7
1 2 3 4 5 6 8 9 10 11 12 13 14

7 8 9 10 11 12 13 14 15 16 17 18 19 20 21 22

23 24 25 26 27 28 29 30 31 32 33 34 35 36 37 38

R6 R 10 R 12 R 34 R 43
White White White White White

1 1 2 1 1 2 3
4 5 6 7 8
1 2 3 4 5 6 7 8 9 10 11 12
13 14 15 16 17 18 19 20 21 22 23 24

- 15 -
Combination Meter

R 48 R 56 R 57 S6
Black White Dark Gray White

1
1 2 3 4
1 2 3 4 5 6 7 8 9 10 11 4 3 2 1
5 6 7 8
12 13 14 15 16 17 18 19 20 21 22 8 7 6 5

S 11 S 14 S 23 S 36
White White White White

1 2 3
1 2 3 1 4 5 6 7 8
1 2 3

4 5 4 5 6

S 43 S 54 S 55
White White White

1 2 3

cardiagn.com
4 5 6 7 8 1 2 3 4 5 6 7 8 9 10 11
1 2 3 10 11 12
4 5 6 7 8 9 12 13 14 15 16 17 18 19 20 21 22
13 14 15 16 17 18 19 20 21 22 23 24 25 26

S 59 S 60 S 61
Black Black White

1 2 3 4 5 6 7 8 9 10 11 1 2 3 4 5 6 7 8 9 10 11 1 2 3 4 5 6
12 13 14 15 16 17 18 19 20 21 22 12 13 14 15 16 17 18 19 20 21 22
7 8 9 10 11 12 13 14 15 16 17
18 19 20 21 22 23 24 25 26

S 62 S 63 S 69 z7
White White White White

4 3 2 1 1 2 3 4 5
1 2 3 4 5 6 7 8 9 10 1 4
2 3 8 7 6 5
11 12 13 14 15 16 17 18 19 20 6 7 8 9 10
5 6 7 8 9 10
21 22 23 24 25 26 27 28
11 12 13 14 15 16

z8 z 14 2A
Blue Black Black

1 2 3 4 5
5 4 3 2 1 1 2 3 4 5 6 6 7 8 9 10 11 12 13
10 9 8 7 6 7 8 9 10 11 12

- 16 -
Combination Meter

2C 3K
White White

1 2 3 4 5 6 7 8 9 10 11 12

1 2 3 4 5 6 7 8 9 10 11 12 13 14 15 16 17 18

19 20 21 22 23 24 25 26 27 28 29 30 31 32 33 34 35 36

3L 3M
Gray White

1 2 3 4 5 6 7 8 9 10 11 12 1 2 3 4 5 6 7 8 9 10 11 12

4C 4E
White White

1 2 3 4 5 6 7 8 9 10 11 12 1 2 3 4 5 6 7 8 9 10 11 12

4F 4H
Gray Gray

cardiagn.com
1 2 3 4 5 6 7 8 9 10 11 12 1 2 3 4 5 6 7 8 9 10 11 12

4J 5A
Gray White

1 2 3 4 5 6 7 8 9 10 11 12 1 2 3 4 5 6 7 8 9 10 11 12

5B 5F
Gray Gray

1 2 3 4 5 6 7 8 9 10 11 12 1 2 3 4 5 6 7 8 9 10 11 12

5H DA
Gray White

1 2 3 4 5 6 7 8 9 10 11 12

7 8 9 10 11 12 13 14 15 16 17 18 19 20 21 22
1 2 3 4 5 6
23 24 25 26 27 28 29 30 31 32 33 34 35 36 37 38
39 40 41 42 43 44 45 46 47 48 49 50 51 52 53 54 55 56 57 58 59 60

DD
Gray

7 8 9 10 11 12
1 2 3 4 5 6
13 14 15 16 17 18
19 20 21 22 23 24 25 26 27 28 29 30

- 17 -
Combination Meter

LA
White

7 8 9 10 11 12 13 14 15 16 17 18 19 20 21 22
1 2 3 4 5 6
23 24 25 26 27 28 29 30 31 32 33 34 35 36 37 38
39 40 41 42 43 44 45 46 47 48 49 50 51 52 53 54 55 56 57 58 59 60

PA
White

7 8 9 10 11 12 13 14 15 16 17 18 19 20 21 22
1 2 3 4 5 6
23 24 25 26 27 28 29 30 31 32 33 34 35 36 37 38
39 40 41 42 43 44 45 46 47 48 49 50 51 52 53 54 55 56 57 58 59 60

PJ PK
Gray Gray

cardiagn.com
7 8 9 10 11 12
1 2 3 4 5 6
13 14 15 16 17 18 1 2 5 6
19 20 21 22 23 24 25 26 27 28 29 30 3 4

7 8 9 10 11 12 13 14 15 16

17 18 19 20 21 22 23 24

AR1
White

11 10 9 8 7 6 5 4 3 2 1
1 2 3 4 5 6 7 8 9 10 11
22 21 20 19 18 17 16 15 14 13 12
12 13 14 15 16 17 18 19 20 21 22

AS1
White

11 10 9 8 7 6 5 4 3 2 1
1 2 3 4 5 6 7 8 9 10 11
22 21 20 19 18 17 16 15 14 13 12
12 13 14 15 16 17 18 19 20 21 22

- 18 -
Combination Meter

EA2 EJ1
White Gray

1 2 3 4 4 3 2 1
11 10 9 8 7 6 5 4 3 2 1 5 6 7 8 8 7 6 5
1 2 3 4 5 6 7 8 9 10 11
22 21 20 19 18 17 16 15 14 13 12
12 13 14 15 16 17 18 19 20 21 22

LA1
White

7 8 9 10 11 12 13 14 15 16 17 18 19 20 21 22
1 2 3 4 5 6
23 24 25 26 27 28 29 30 31 32 33 34 35 36 37 38
39 40 41 42 43 44 22 21 20 19 18 17 16 15 14 13 12 11 10 9 8 7
45 46 47 48 49 50 51 52 53 54 55 56 57 58 59 60 6 5 4 3 2 1
38 37 36 35 34 33 32 31 30 29 28 27 26 25 24 23
60 59 58 57 56 55 54 53 52 51 50 49 48 47 46 45 44 43 42 41 40 39

cardiagn.com
LR1
White

7 8 9 10 11 12 13 14 15 16 17 18 19 20 21 22
1 2 3 4 5 6
23 24 25 26 27 28 29 30 31 32 33 34 35 36 37 38
39 40 41 42 43 44 22 21 20 19 18 17 16 15 14 13 12 11 10 9 8 7
45 46 47 48 49 50 51 52 53 54 55 56 57 58 59 60 6 5 4 3 2 1
38 37 36 35 34 33 32 31 30 29 28 27 26 25 24 23
60 59 58 57 56 55 54 53 52 51 50 49 48 47 46 45 44 43 42 41 40 39

LS1
White

7 8 9 10 11 12 13 14 15 16 17 18 19 20 21 22
1 2 3 4 5 6
23 24 25 26 27 28 29 30 31 32 33 34 35 36 37 38
39 40 41 42 43 44 22 21 20 19 18 17 16 15 14 13 12 11 10 9 8 7
45 46 47 48 49 50 51 52 53 54 55 56 57 58 59 60 6 5 4 3 2 1
38 37 36 35 34 33 32 31 30 29 28 27 26 25 24 23
60 59 58 57 56 55 54 53 52 51 50 49 48 47 46 45 44 43 42 41 40 39

RL2
White

11 10 9 8 7 6 5 4 3 2 1
1 2 3 4 5 6 7 8 9 10 11
22 21 20 19 18 17 16 15 14 13 12
12 13 14 15 16 17 18 19 20 21 22

- 19 -
Combination Meter

RS1
White

11 10 9 8 7 6 5 4 3 2 1
1 2 3 4 5 6 7 8 9 10 11
22 21 20 19 18 17 16 15 14 13 12
12 13 14 15 16 17 18 19 20 21 22

cardiagn.com

- 20 -
Charging

(IG)

P
10A
E/G RM–IG1–1
R

7 2A

G
R
P
2 EA4 10 EA2 45 LA1 46 LA1

BR
G

G
R
11 22

Connector
Junction
A67
9 20

cardiagn.com
G
R

Engine Control Module


14 A 13 A

A13(A), E2(D)
CANH CANL

RLO ALT
17 D 18 D

L–R
B–L

BR
G

G
B–L

1 A 2 B 4 B 1 B 3 B
B IG L RLO M

1 1O

180A
ALT

1 1N IC Regulator
B

E23(A), E24(B)
Generator

Battery

-1-
Charging

P
G
12 C

Front Controller
A50(A), A52(C)
ALTL
A69(A)
Electric Power Control ECU
CANN CANP
4 A 3 A

THB VC IB E2 CANL CANH

B
20 A 6 A 9 A 10 A 14 A 15 A

21 AR1 20 AR1
W

R
P

19 LA3 18 LA3

B
1 2 3 4
THB VC5 IB E2
G

cardiagn.com
17 6 3 1
Connector

Connector
Junction

Junction
R57
L98

18 7 7 5

W
G

G
R

B
A49
Battery Current Sensor
12 1 15 4
14 3
Connector

Connector
Junction

Junction
R48
L97

16 5 14 3 15 4
W
G

G
R

6 A 5 A
Main Body ECU

CANL CANH 60 LR1 59 LR1


L11(A)

CANN CANP
15 A 16 A
W

-2-
Charging

(IG) (BAT)

10A 10A
P–J/B D MPX–B 2

30 2C 42 DA

L
1
L136
Junction
6 LA1 Connector
2

P
L
L10
Combination Meter 14 13
IG2 B
TFT Module

cardiagn.com
TFT Panel CPU
TFT
CPU

MPX–B Buzzer

Charge
Master
5V IC
IG2 I/F
Back Light
Body
Earth
CPU

Signal LED DRIVER


CAN CONTROLLER
Earth

CAN I/F

CANP CANN CANH CANL ES E2


22 23 20 21 18 17
W–B
BR
W

G
R
B

6
L95 L100
Junction Junction
Connector 7 18 Connector
8
W–B

11 22 3 14
W

W
B

58 PA 41 DA
B

B 43 PA 40 DA

R
W–B
BR

L1 L4

-3-
Charging

A 13 A 49 A 50 A 52
White Black White White

1 2
1 2 3 4 5 6 3 4 1 2 3 4 5 6
1 2
7 8 9 10 11 12 13 14 15 16
3 4 5 6 7 8 9 10 11 12 13 14 15 16 17
17 18 19 20 21 22 23 24 25 26 27
7 8 9 10 18 19 20 21 22 23 24 25 26
28 29 30 31 32 33 34 35

A 67 A 69 E2
Black White White

1 2 3 4 5 6 7 8 9 10 11 1 2 3 4 5 6 7 8 9 10 1 2 3 4 5 6 7

12 13 14 15 16 17 18 19 20 21 22 11 12 13 14 15 16 17 18 19 20 8 9 10 11 12 13 14 15 16 17 18 19
20 21 22 23 24 25 26 27
28 29 30 31 32 33 34 35

cardiagn.com
E 23 E 24 L 10 L 11
Black Black White

1
1 2
3 4 1 2 3 4 5 6 7 8 9 10 11 12 1 4
2 3
13 14 15 16 17 18 19 20 21 22 23 24
5 6 7 8 9 10
11 12 13 14 15 16

L 95 L 97 L 98
Gray Black Gray

1 2 3 4 5 6 7 8 9 10 11 1 2 3 4 5 6 7 8 9 10 11 1 2 3 4 5 6 7 8 9 10 11
12 13 14 15 16 17 18 19 20 21 22 12 13 14 15 16 17 18 19 20 21 22 12 13 14 15 16 17 18 19 20 21 22

L100 L136 R 48 R 57
Blue Black Black Dark Gray

1 2 3 4 5 1 2 3 4
6 7 8 9 10 11 12
1 2 3 4
1 2 3 4 5 6 7 8 9 10 11
5 6 7 8
12 13 14 15 16 17 18 19 20 21 22

1N 1O 2A
Black

1 1
1 2 3 4 5
6 7 8 9 10 11 12 13

-4-
Charging

2C
White

1 2 3 4 5 6 7 8 9 10 11 12 13 14 15 16 17 18

19 20 21 22 23 24 25 26 27 28 29 30 31 32 33 34 35 36

DA
White

7 8 9 10 11 12 13 14 15 16 17 18 19 20 21 22
1 2 3 4 5 6
23 24 25 26 27 28 29 30 31 32 33 34 35 36 37 38
39 40 41 42 43 44 45 46 47 48 49 50 51 52 53 54 55 56 57 58 59 60

PA
White

cardiagn.com
7 8 9 10 11 12 13 14 15 16 17 18 19 20 21 22
1 2 3 4 5 6
23 24 25 26 27 28 29 30 31 32 33 34 35 36 37 38
39 40 41 42 43 44 45 46 47 48 49 50 51 52 53 54 55 56 57 58 59 60

AR1
White

11 10 9 8 7 6 5 4 3 2 1
1 2 3 4 5 6 7 8 9 10 11
22 21 20 19 18 17 16 15 14 13 12
12 13 14 15 16 17 18 19 20 21 22

EA2 EA4
White White

11 10 9 8 7 6 5 4 3 2 1 1 2
1 2 3 4 5 6 7 8 9 10 11
3 4 2 1
22 21 20 19 18 17 16 15 14 13 12
12 13 14 15 16 17 18 19 20 21 22
4 3

-5-
Charging

LA1
White

7 8 9 10 11 12 13 14 15 16 17 18 19 20 21 22
1 2 3 4 5 6
23 24 25 26 27 28 29 30 31 32 33 34 35 36 37 38
39 40 41 42 43 44 22 21 20 19 18 17 16 15 14 13 12 11 10 9 8 7
45 46 47 48 49 50 51 52 53 54 55 56 57 58 59 60 6 5 4 3 2 1
38 37 36 35 34 33 32 31 30 29 28 27 26 25 24 23
60 59 58 57 56 55 54 53 52 51 50 49 48 47 46 45 44 43 42 41 40 39

LA3
White

7 8 9 10 11 12 13 14 15 16 17 18 19 20 21 22
1 2 3 4 5 6
23 24 25 26 27 28 29 30 31 32 33 34 35 36 37 38
39 40 41 42 43 44 22 21 20 19 18 17 16 15 14 13 12 11 10 9 8 7
45 46 47 48 49 50 51 52 53 54 55 56 57 58 59 60 6 5 4 3 2 1
38 37 36 35 34 33 32 31 30 29 28 27 26 25 24 23
60 59 58 57 56 55 54 53 52 51 50 49 48 47 46 45 44 43 42 41 40 39

cardiagn.com
LR1
White

7 8 9 10 11 12 13 14 15 16 17 18 19 20 21 22
1 2 3 4 5 6
23 24 25 26 27 28 29 30 31 32 33 34 35 36 37 38
39 40 41 42 43 44 22 21 20 19 18 17 16 15 14 13 12 11 10 9 8 7
45 46 47 48 49 50 51 52 53 54 55 56 57 58 59 60 6 5 4 3 2 1
38 37 36 35 34 33 32 31 30 29 28 27 26 25 24 23
60 59 58 57 56 55 54 53 52 51 50 49 48 47 46 45 44 43 42 41 40 39

-6-
Door Closer

(BAT) (BAT) (IG) (BAT)

P DOOR 2

P DOOR 1

P MPX–B
P–IG1–1
10A

10A
10A

25A
19 PJ 20 PJ 13 PJ 28 PJ

GR
R

R
V
4 NR2 3 NR1 13 NR2 12 NR2
BE
R

R
V

N1(A), N2(B)
16 A 6 A 3 A 11 A Front Door Control ECU RH
BDG1 BDR SIG CPUB

cardiagn.com
GND A2+ A2– INIT HNDL CPSE STOP H/FU POLE
1 A 5 B 6 B 18 B 19 B 15 B 8 B 9 B 7 B
W–B

BE
G

V
L

1 4 3 7 8 2 5 6
5 NR1 CLM+ CLM– DLSE CLP3 CPSE STOP H/FU POLE

Pawl Switch
Secondary/
Temporary

Full Latch
Position

Handle
Former

Switch
Switch

Switch

M
Switch
Stop

N7
Front Door Closer RH
W–B

R3

-1-
Door Closer

(BAT) (BAT) (BAT) (IG) (BAT)

P–D/C CUT

D MPX–B 1
D DOOR 2

D DOOR 1

D–IG1–3
10A
10A

25A

10A
5A

4 DD 1 DD 8 DD 17 DD

GR
R

B
L
15 NS2 3 NS1
BE 17 NS2 18 NS2
R

B
L
N9(A), N10(B)
2 16 B 6 B 3 B 11 B Front Door Control ECU LH
Electric Power
Control ECU

BCUT BDG1 BDR SIG CPUB

CUTD

cardiagn.com
1
BCUT GND A2+ A2– INIT HNDL CPSE STOP H/FU POLE
4 B 1 B 5 A 6 A 18 A 19 A 15 A 8 A 9 A 7 A
57 PA
W–B

BE
G

G
B

V
L

1 4 3 7 8 2 5 6
5 4H 6 NS2 5 NS1 CLM+ CLM– DLSE CLP3 CPSE STOP H/FU POLE

Pawl Switch
Secondary/
Temporary

Full Latch
Position

Handle
Former

Switch
Switch

Switch

M
Switch
B

Stop

4 4A

48 LS1
N14
Front Door Closer LH
B
W–B

S3

-2-
Door Closer

(BAT) (BAT) (IG)

P RR DOOR

P MPX–B

P–IG1–2
10A

5A
25A
23 PJ 26 PJ 12 PJ

R42(A), R44(B)
19 A

Connector
Junction
12 B
R
L

cardiagn.com
1 OR1 11 OR1 10 OR1
GR
R
L

O3(B), O4(C)
6 B 11 B 3 B Rear Door Control ECU RH
BDR CPUB SIG

GND A2+ A2– INIT HNDL CPSE STOP H/FU POLE


1 B 3 C 4 C 16 C 24 C 15 C 8 C 9 C 7 C
W–B

BE
G

V
L

2 OR1
1 5 3 7 8 2 4 6
CLM+ CLM– DLSE CLP3 CPSE STOP H/FU POLE
Pawl Switch
Secondary/
Temporary

Full Latch
Position

Handle
Former

Switch
Switch

Switch

M
Switch
Stop

O9
Rear Door Closer RH
W–B

4
W–B 1 R41
Junction
Connector

R3 R1

-3-
Door Closer

(BAT) (BAT) (IG)

RR DOOR

RR–IG1–2
MPX–B 2
5A RR
25A D

10A
2 DD 10 LD 12 LD

Y
1

Connector
Junction
R
L

S56
2

cardiagn.com
1 OS1 18 OS1 17 OS1
R

Y
L

O13(A), O14(B)
6 B 11 B 3 B Rear Door Control ECU LH
BDR CPUB SIG

GND A2+ A2– INIT HNDL CPSE STOP H/FU POLE


1 B 3 A 4 A 16 A 24 A 15 A 8 A 9 A 7 A
W–B

BE
G

V
L

2 OS1
1 5 3 7 8 2 4 6
CLM+ CLM– DLSE CLP3 CPSE STOP H/FU POLE
Pawl Switch
Secondary/
Temporary

Full Latch
Position

Handle
Former

Switch
Switch

Switch

M
Switch
Stop

O20
Rear Door Closer LH
W–B

S3

-4-
Door Closer

N1 N2 N7
White White White

4 3 2 1

1 2 5 6 1 2 3 4 5 6 8 7 6 5
3 4

7 8 9 10 11 12 13 14 15 16 7 8 9 10 11 12 13 14 15 16 17
17 18 19 20 21 22 23 24 18 19 20 21 22 23 24 25 26

N9 N 10 N 14
White White White

4 3 2 1

1 2 3 4 5 6 1 2 5 6 8 7 6 5
3 4

7 8 9 10 11 12 13 14 15 16 17 7 8 9 10 11 12 13 14 15 16

18 19 20 21 22 23 24 25 26 17 18 19 20 21 22 23 24

cardiagn.com
O3 O4 O9
White White White

1 2 3 4 5
1 2 5 6 1 2 3 4 5 6
3 4 6 7 8
9 13
7 8 9 10 11 12 13 14 15 16 10 11 12
7 8 9 10 11 12 13 14 15 16 17
17 18 19 20 21 22 23 24 18 19 20 21 22 23 24 25 26

O 13 O 14 O 20
White White White

1 2 3 4 5
1 2 3 4 5 6 1 2 5 6
3 4 6 7 8
9 13
7 8 9 10 11 12 13 14 15 16 10 11 12
7 8 9 10 11 12 13 14 15 16 17
18 19 20 21 22 23 24 25 26 17 18 19 20 21 22 23 24

R 41 R 42 R 44
White Black Black

1 2 3
4 5 6 7 8 1 2 3 4 5 6 7 8 9 10 11 1 2 3 4 5 6 7 8 9 10 11
12 13 14 15 16 17 18 19 20 21 22 12 13 14 15 16 17 18 19 20 21 22

-5-
Door Closer

S 56 4A
White White

1 2 3 4 5 6 7 8 9 10 11 12

1 2 3 4 5 6 7 8 9 10 11
12 13 14 15 16 17 18 19 20 21 22

4H DD
Gray Gray

1 2 3 4 5 6 7 8 9 10 11 12

7 8 9 10 11 12
1 2 3 4 5 6
13 14 15 16 17 18
19 20 21 22 23 24 25 26 27 28 29 30

LD
Gray

cardiagn.com
7 8 9 10 11 12
1 2 3 4 5 6
13 14 15 16 17 18
19 20 21 22 23 24 25 26 27 28 29 30

PA
White

7 8 9 10 11 12 13 14 15 16 17 18 19 20 21 22
1 2 3 4 5 6
23 24 25 26 27 28 29 30 31 32 33 34 35 36 37 38
39 40 41 42 43 44 45 46 47 48 49 50 51 52 53 54 55 56 57 58 59 60

PJ
Gray

7 8 9 10 11 12
1 2 3 4 5 6
13 14 15 16 17 18
19 20 21 22 23 24 25 26 27 28 29 30

LS1
White

7 8 9 10 11 12 13 14 15 16 17 18 19 20 21 22
1 2 3 4 5 6
23 24 25 26 27 28 29 30 31 32 33 34 35 36 37 38
39 40 41 42 43 44 22 21 20 19 18 17 16 15 14 13 12 11 10 9 8 7
45 46 47 48 49 50 51 52 53 54 55 56 57 58 59 60 6 5 4 3 2 1
38 37 36 35 34 33 32 31 30 29 28 27 26 25 24 23
60 59 58 57 56 55 54 53 52 51 50 49 48 47 46 45 44 43 42 41 40 39

-6-
Door Closer

NR1 NR2
White White

1 2 3 4 5 9 8 7 6 5 4 3 2 1
5 4 3 2 1 1 2 3 4 5 6 7 8 9
6 7 8 9 10 10 9 8 7 6 18 17 16 15 14 13 12 11 10
10 11 12 13 14 15 16 17 18

NS1 NS2
White White

1 2 3 4 5 9 8 7 6 5 4 3 2 1
5 4 3 2 1 1 2 3 4 5 6 7 8 9
6 7 8 9 10 10 9 8 7 6 18 17 16 15 14 13 12 11 10
10 11 12 13 14 15 16 17 18

cardiagn.com
OR1
White

6 5 4 3 2 1

1 2 3 4 5 6 21 20 19 11 10 9 8 7 13 12
7 8 9 10 11 19 18 17 16 15 14
12 13 20 21
14 15 16 17 18

OS1
White

6 5 4 3 2 1

1 2 3 4 5 6 21 20 19 11 10 9 8 7 13 12
7 8 9 10 11 19 18 17 16 15 14
12 13 20 21
14 15 16 17 18

-7-
Door Lock Control

(BAT) (BAT) (BAT) (IG) (BAT)


P–D/C CUT

D MPX–B 1
D DOOR 2

D DOOR 1

D–IG1–3
10A
10A

25A

10A
5A

4 DD 1 DD 8 DD 17 DD

GR
R

B
L
N15
Front Door Lock Motor LH

Detection
Unlock
Lock

Unlock
Switch
Key
M

Key
15 NS2 3 NS1 17 NS2 18 NS2

L UL L UL LSSR E
4 1 9 10 8 7

cardiagn.com
GR
BE
R

R
B

B
L

2 16 B 6 B 3 B 11 B 2 A 1 A 23 A 22 A 25 A 13 A
Electric Power
Control ECU

BCUT BDG1 BDR SIG CPUB A+ A– KL KUL LSW LSWE

CUTD N9(A), N10(B), P10(C)


Front Door Control ECU LH
1
BCUT GND CPBJ LIN2 SGND CANN CANP
4 B 1 B 26 C 1 C 27 C 10 B 9 B
57 PA
W–B

W
R

R
B

5 4H 6 NS2 5 NS1 2 PN2 7 PN2 3 PN2


W–B

R
B

4 4A 48 LS1 11 17 12
B LIN1 GND
+B
B

12V

5V
Power Window Regulator Master Switch

Control Circuit

R
Door Lock

Unlock
Lock
Switch

W
W–B

N13

S3

-1-
Door Lock Control

(BAT) (BAT) (IG) (BAT)

10A 25A 10A 10A


P DOOR 2 P DOOR 1 P–IG1–1 P MPX–B

19 PJ 20 PJ
GR 13 PJ 28 PJ
R

R
V
N8
Front Door Lock Motor RH

Detection
Unlock
Switch
M
4 NR2 3 NR1 13 NR2 12 NR2

L UL LSSR E
4 1 7 8

cardiagn.com
BE
R

R
V

B
16 A 6 A 3 A 11 A 2 B 1 B 25 B 13 B
BDG1 BDR SIG CPUB A+ A– LSW LSWE

N1(A), N2(B), P4(C)


Front Door Control ECU RH
GND CANP CANN PML PMUL PWS DLE
1 A 9 A 10 A 11 C 12 C 19 C 20 C
W–B

BE
W

W
R

R
B

5 NR1 2 PN1 6 PN1 7 PN1 3 PN1


BE

W
W–B

R
B

2 4 5 3
L UL ILL+ E
Unlock
Lock

N5
Front Door Lock Switch RH

R R

W W

R3

-2-
Door Lock Control

(BAT) (BAT) (IG)

25A 5A 10A
D RR DOOR RR MPX–B 2 RR–IG1–2

2 DD 10 LD 12 LD

Junction Connector
O22
Rear Door Lock Motor LH
1
R
L

S56

Detection
Unlock
2

Switch
M

Y L UL LSSR E
4 1 6 9

1 OS1 18 OS1 17 OS1

cardiagn.com
R

R
Y

B
L

6 B 11 B 3 B 2 A 1 A 14 A 23 A
BDR CPUB SIG A+ A– LSW LSWE

O13(A), O14(B)
Rear Door Control ECU LH
GND CANN CANP
1 B 10 B 9 B
W–B

2 OS1
W–B

W W

R R

R R

W W
W–B

S2

-3-
Door Lock Control

(BAT) (BAT) (IG)

25A 10A 5A
P RR DOOR P MPX–B P–IG1–2

23 PJ 26 PJ 12 PJ

L
O11
Rear Door Lock Motor RH

R42(A), R44(B)
19 A

Connector
Junction

Detection
R
L

Unlock
Switch
M
12 B

L UL LSSR E
L 4 1 6 9

cardiagn.com
1 OR1 11 OR1 10 OR1

R
B

B
GR
R
L

6 B 11 B 3 B 2 C 1 C 14 C 23 C
BDR CPUB SIG A+ A– LSW LSWE

O3(B), O4(C)
Rear Door Control ECU RH
GND CANP CANN
1 B 9 B 10 B
W–B

W
R

2 OR1
W–B

R R

W W

W W

R R

R R

W W

4
W–B 1 R41
Junction
Connector

R3 R1

-4-
Door Lock Control

W
B

B
3 14 11 22

L95 4 15
Junction Connector
W

W
B

B
59 LS1 60 LS1 60 LR1 59 LR1

cardiagn.com
W

W
B

B
S60 R48
Junction Connector 5 16 15 4 Junction Connector

3 14 4 15 13 2 12 1
W

W
R

14 OS1 15 OS1 2 NS2 1 NS2 15 OR1 14 OR1 9 NR2 8 NR2


W

W
R

-5-
Door Lock Control

B B

W W

(IG) R

10A
E/G RM–IG1–1

7 2A

G
R

R
G

Junction Connector
15 4 14 3
2 EA4

L97
G

12 1 16 5
G
R

2
E49

cardiagn.com
PL RB Park/Neutral

G
R

R
Position Switch 45 LA1 46 LA1
P 18 7

Connector
Junction
6
G
R

L98
A67 19 8
Junction Connector 11 22
W

3 A
E52(A)
Junction 9 20 10 21
G

Connector
4 A
G
R

P
W

Center Airbag ECU

12 E 14 A 13 A 22 A 13 A
L73(A), S8(C)

P CANH CANL CANL CANH

LBE+
A13(A), E3(E) 10 C
Engine Control Module
W–B
Y

1 3
LBE+ LBE–
A19(A), A21(C)
Skid Control ECU 9 C 8 C
Buckle
Switch

CANH CANL

FL+ FL– FR+ FR– RL+ RL– RR+ RR–


16 C 15 C 16 A 15 A 11 A 10 A 11 C 10 C
S17
Front Seat Inner
B

Y
L

Belt Switch LH
R

G
W–B

Front Speed Sensor Rear Speed Sensor 5


S57
Junction
Connector

S2

-6-
Door Lock Control

B (IG) (ACC) (BAT)

W
10A 5A 5A
D–IG1–3 D–ACC AM1
G

W
G
R

5 A 6 A 15 A 16 A 15 22 6
CANH CANL CANN CANP IG ACC ALTB L11(A), L12(B), L13(C)

cardiagn.com
Main Body ECU
GND1 GND2 GND3 DCTY PCTY LCTY RCTY
5 4 1 A 24 C 21 B 17 7 B
W–B

40 DA 41 DA 12 DD

4 4E
W–B

W–B

R
L

11
Connector

4 4F
Junction
L100

8
W

13 LR1 16 RL2

14 DA

30 DD
Front Door Courtesy Switch RH
Front Door Courtesy Switch LH

Rear Door Courtesy Switch RH


Rear Door Courtesy Switch LH
R

R
L

1 1 1 1
R12
S14
R6
S6

R R

G G
W–B

L4

-7-
Door Lock Control

(IG) (BAT)

10A 10A
P–J/B D MPX–B 2

30 2C 42 DA
L

L
1
L136
Junction
6 LA1 Connector
2
P
L

L10
14 13 Combination Meter
IG2 B

cardiagn.com
5V IC

CPU

CAN
CONTROLLER

CAN I/F

CANH CANL ES E2
20 21 18 17
G
R

W–B
BR

6
L100
Junction
Connector
8
W–B

58 PA 41 DA

R
43 PA 40 DA
G
W–B
BR

L1 L4

-8-
Door Lock Control

A 13 A 19
White Black

1 2 3 4 5 6

7 8 9 10 11 12 13 14 15 16 3 4 5 6 7 8 9 10 11 12 13 14 15 16
1 2
17 18 19 20 21 22 23 24 25 26 27 17 18 19 20 21 22 23 24 25 26 27 28 29 30

28 29 30 31 32 33 34 35 31 32
33 34 35 36 37 38 39 40 41 42 43 44 45 46

A 21 A 67
Gray Black

1 2 3 4 5 6 7 8 9 10 11
3 4 5 6 7 8 9 10 11 12 13 14 15 16 12 13 14 15 16 17 18 19 20 21 22
1 2
17 18 19 20 21 22 23 24 25 26 27 28 29 30

cardiagn.com
31 32
33 34 35 36 37 38 39 40 41 42 43 44 45 46

E3 E 49 E 52
White Gray Black

1 2 3 4 5 6 1 2 3 4
1 2 3 4 5 6 7 8 9 10 11
7 8 9 10 11 12 13 14 15 16 5 6 7 8 9
12 13 14 15 16 17 18 19 20 21 22
17 18 19 20 21 22 23 24 25 26
27 28 29 30 31 32 33

L 10 L 11 L 12
Black White White

1 2 3 4 5 6 7 8 9 10 11 12 1 4 1 2 3 4 5 6 7 8 9 10
2 3
13 14 15 16 17 18 19 20 21 22 23 24 11 12 13 14 15 16 17 18 19 20
5 6 7 8 9 10
21 22 23 24 25 26 27 28
11 12 13 14 15 16

-9-
Door Lock Control

L 13 L 73 L 95
White Yellow Gray

1 2 3 4 5 6 7 8 9 10

1 2 3 4 5 6 1 2 3 4 5 6 7 8 9 10 11
11 12 13 14 15 16 17 18 19 20
12 13 14 15 16 17 18 19 20 21 22
7 8 9 10 11 12 13 14 15 16 17
21 22 23 24 25 26 27 28 29 30
18 19 20 21 22 23 24 25 26

L 97 L 98 L100 L136
Black Gray Blue Black

1 2 3 4 5 1 2 3 4
6 7 8 9 10 11 12

1 2 3 4 5 6 7 8 9 10 11 1 2 3 4 5 6 7 8 9 10 11
12 13 14 15 16 17 18 19 20 21 22 12 13 14 15 16 17 18 19 20 21 22

N1 N2 N5 N8
White White Black White

cardiagn.com
1 2 3 4 5 1 2 3 4
1 2 5 6 1 2 3 4 5 6
3 4 5 6 7 8 9 10

7 8 9 10 11 12 13 14 15 16 7 8 9 10 11 12 13 14 15 16 17
17 18 19 20 21 22 23 24 18 19 20 21 22 23 24 25 26

N9 N 10 N 13
White White White

1 2 3 4 5 6 1 2 5 6 1 2 3 4 5 6 7 8 9 10
3 4
11 12 13 14 15 16 17 18 19 20
7 8 9 10 11 12 13 14 15 16 17 7 8 9 10 11 12 13 14 15 16

18 19 20 21 22 23 24 25 26 17 18 19 20 21 22 23 24

N 15 O3 O4
White White White

1 2 3 4
1 2 5 6 1 2 3 4 5 6
5 6 7 8 9 10 3 4

7 8 9 10 11 12 13 14 15 16 7 8 9 10 11 12 13 14 15 16 17
17 18 19 20 21 22 23 24 18 19 20 21 22 23 24 25 26

- 10 -
Door Lock Control

O 11 O 13 O 14
White White White

1 2 3 4
1 2 3 4 5 6 1 2 5 6
5 6 7 8 9 10 3 4

7 8 9 10 11 12 13 14 15 16 17 7 8 9 10 11 12 13 14 15 16

18 19 20 21 22 23 24 25 26 17 18 19 20 21 22 23 24

O 22 P4 P 10 R6
White White White White

1
1 2 3 4
1 10 1 10
5 6 7 8 9 10 2 3 4 5 6 7 8 9 2 3 4 5 6 7 8 9

11 12 13 14 15 16 17 18 19 20 21 22 11 12 13 14 15 16 17 18 19 20 21 22

23 24 25 26 27 28 29 30 23 24 25 26 27 28 29 30

cardiagn.com
R 12 R 41 R 42 R 44
White White Black Black

1 1 2 3
4 5 6 7 8 1 2 3 4 5 6 7 8 9 10 11 1 2 3 4 5 6 7 8 9 10 11
12 13 14 15 16 17 18 19 20 21 22 12 13 14 15 16 17 18 19 20 21 22

R 48 S6 S8 S 14
Black White Yellow White

1 2 3 4 5 6 7 8
1 1

1 2 3 4 5 6 7 8 9 10 11
9 10 11 12 13 14 15 16
12 13 14 15 16 17 18 19 20 21 22

17 18 19 20 21 22 23 24

S 17 S 56 S 57
Gray White White

1 2 3
1 2
3 4 1 2 3 4 5 6 7 8 9 10 11 4 5 6 7 8

12 13 14 15 16 17 18 19 20 21 22

S 60 2A
Black Black

1 2 3 4 5
6 7 8 9 10 11 12 13
1 2 3 4 5 6 7 8 9 10 11
12 13 14 15 16 17 18 19 20 21 22

- 11 -
Door Lock Control

2C 4A
White White

1 2 3 4 5 6 7 8 9 10 11 12

1 2 3 4 5 6 7 8 9 10 11 12 13 14 15 16 17 18

19 20 21 22 23 24 25 26 27 28 29 30 31 32 33 34 35 36

4E 4F
White Gray

1 2 3 4 5 6 7 8 9 10 11 12 1 2 3 4 5 6 7 8 9 10 11 12

4H DA
Gray White

1 2 3 4 5 6 7 8 9 10 11 12

7 8 9 10 11 12 13 14 15 16 17 18 19 20 21 22
1 2 3 4 5 6
23 24 25 26 27 28 29 30 31 32 33 34 35 36 37 38
39 40 41 42 43 44 45 46 47 48 49 50 51 52 53 54 55 56 57 58 59 60

cardiagn.com
DD LD
Gray Gray

7 8 9 10 11 12 7 8 9 10 11 12
1 2 3 4 5 6 1 2 3 4 5 6
13 14 15 16 17 18 13 14 15 16 17 18
19 20 21 22 23 24 25 26 27 28 29 30 19 20 21 22 23 24 25 26 27 28 29 30

PA
White

7 8 9 10 11 12 13 14 15 16 17 18 19 20 21 22
1 2 3 4 5 6
23 24 25 26 27 28 29 30 31 32 33 34 35 36 37 38
39 40 41 42 43 44 45 46 47 48 49 50 51 52 53 54 55 56 57 58 59 60

PJ EA4
Gray White

7 8 9 10 11 12
1 2 3 4 5 6
13 14 15 16 17 18
19 20 21 22 23 24 25 26 27 28 29 30 1 2
3 4 2 1
4 3

- 12 -
Door Lock Control

LA1
White

7 8 9 10 11 12 13 14 15 16 17 18 19 20 21 22
1 2 3 4 5 6
23 24 25 26 27 28 29 30 31 32 33 34 35 36 37 38
39 40 41 42 43 44 22 21 20 19 18 17 16 15 14 13 12 11 10 9 8 7
45 46 47 48 49 50 51 52 53 54 55 56 57 58 59 60 6 5 4 3 2 1
38 37 36 35 34 33 32 31 30 29 28 27 26 25 24 23
60 59 58 57 56 55 54 53 52 51 50 49 48 47 46 45 44 43 42 41 40 39

LR1
White

7 8 9 10 11 12 13 14 15 16 17 18 19 20 21 22
1 2 3 4 5 6
23 24 25 26 27 28 29 30 31 32 33 34 35 36 37 38
39 40 41 42 43 44 22 21 20 19 18 17 16 15 14 13 12 11 10 9 8 7
45 46 47 48 49 50 51 52 53 54 55 56 57 58 59 60 6 5 4 3 2 1
38 37 36 35 34 33 32 31 30 29 28 27 26 25 24 23
60 59 58 57 56 55 54 53 52 51 50 49 48 47 46 45 44 43 42 41 40 39

cardiagn.com
LS1
White

7 8 9 10 11 12 13 14 15 16 17 18 19 20 21 22
1 2 3 4 5 6
23 24 25 26 27 28 29 30 31 32 33 34 35 36 37 38
39 40 41 42 43 44 22 21 20 19 18 17 16 15 14 13 12 11 10 9 8 7
45 46 47 48 49 50 51 52 53 54 55 56 57 58 59 60 6 5 4 3 2 1
38 37 36 35 34 33 32 31 30 29 28 27 26 25 24 23
60 59 58 57 56 55 54 53 52 51 50 49 48 47 46 45 44 43 42 41 40 39

NR1 NR2
White White

1 2 3 4 5 9 8 7 6 5 4 3 2 1
5 4 3 2 1 1 2 3 4 5 6 7 8 9
6 7 8 9 10 10 9 8 7 6 18 17 16 15 14 13 12 11 10
10 11 12 13 14 15 16 17 18

NS1 NS2
White White

1 2 3 4 5 9 8 7 6 5 4 3 2 1
5 4 3 2 1 1 2 3 4 5 6 7 8 9
6 7 8 9 10 10 9 8 7 6 18 17 16 15 14 13 12 11 10
10 11 12 13 14 15 16 17 18

- 13 -
Door Lock Control

OR1
White

6 5 4 3 2 1

1 2 3 4 5 6 21 20 19 11 10 9 8 7 13 12
7 8 9 10 11 19 18 17 16 15 14
12 13 20 21
14 15 16 17 18

OS1
White

cardiagn.com
6 5 4 3 2 1

1 2 3 4 5 6 21 20 19 11 10 9 8 7 13 12
7 8 9 10 11 19 18 17 16 15 14
12 13 20 21
14 15 16 17 18

PN1 PN2
White White

1 2 3 4 1 2 3 4
4 3 2 1 4 3 2 1
5 6 7 8 5 6 7 8
8 7 6 5 8 7 6 5

RL2
White

11 10 9 8 7 6 5 4 3 2 1
1 2 3 4 5 6 7 8 9 10 11
22 21 20 19 18 17 16 15 14 13 12
12 13 14 15 16 17 18 19 20 21 22

- 14 -
Data Link Connector 3

(BAT) L35 e10 A41(A)


A13(A), A14(B) Integration Occupant Steering L111(A)

Display & Navigation


Engine Control Control and Detection Control DCM
Module Panel Assembly ECU ECU (Telematics Transceiver)

Module Display
10A
OBD

L59(D)
TACH TC TC TC DIA SIL SIL
15 B 21 A 9 D 7 10 7 A 25 A
21 LD

(∗1)

(∗2)
R

R
P

L
17 DH 22 DH 8 5A 1 Re3 19 DH
B

R
1 LS1 24 DA 9 DA 18 DA 8 5F 30 LR1 26 DA

R
B

10 3B 9 3B 8 3I 7 3I 7 3B

cardiagn.com
10 3A 9 3A 7 3A

R
B

L31
16 9 13 DLC3 7
BAT TAC TC SIL

SG CG TS OPA CANL CANH


5 4 12 11 14 6
W–B
BR

BE

R
B

6 3A 1 3A 8 3A

Connector
6 3B 1 3H 8 3B
Junction
W–B
BR

27 DA 45 DA 28 DA 59 PA

10 DH 40 DA 18 DH 48 PA
BR

BE
G
A60(A), E51(B)

9 A
Connector
Junction

24 C 14 B
TS TD
10 B
∗ 1 : w/ Multi Display
W–B

∗ 2 : w/o Multi Display


A21(C) L88(B)
Skid Control ECU Air Suspension
Control ECU
BR

E3 L4

-1-
Data Link Connector 3

A 13 A 14
White White

1 2 3 4 5 6 1 2 3 4 5 6 7

7 8 9 10 11 12 13 14 15 16 8 9 10 11 12 13 14 15 16 17
17 18 19 20 21 22 23 24 25 26 27 18 19 20 21 22 23 24 25
28 29 30 31 32 33 34 35 26 27 28 29 30 31

A 21 A 41
Gray White

1 2 3 4 5 6 7 8 9 10

3 4 5 6 7 8 9 10 11 12 13 14 15 16 11 12 13 14 15 16 17 18 19 20
1 2
17 18 19 20 21 22 23 24 25 26 27 28 29 30

31 32
33 34 35 36 37 38 39 40 41 42 43 44 45 46

cardiagn.com
A 60 E 51 L 31
Blue Blue White

1 2 3 4 5 6 1 2 3 4 5 6
7 8 9 10 11 12 7 8 9 10 11 12
16 15 14 13 12 11 10 9

8 7 6 5 4 3 2 1

L 35 L 59
White White

1 2 3 10 11 12 1 2 3 10 11 12
4 5 6 7 8 9 4 5 6 7 8 9
13 14 15 16 17 18 19 20 21 22 23 24 25 26 13 14 15 16 17 18 19 20 21 22 23 24 25 26

-2-
Data Link Connector 3

L 88 L111
Black White

1 2 3 4 5 6
1 2 3 4 5 6

7 8 9 10 11 12 13 14 15 16 17
7 8 9 10 11 12 13 14 15 16 17 18 19 20 21 22
18 19 20 21 22 23 24 25 26
23 24 25 26 27 28 29 30 31 32 33 34 35 36 37 38

e 10 3A
Black White

1 2 3 4 5 6 7 8 9 10 11 12

1 2 3 4 5 6 7 8 9
10 11 12 13 14 15 16 17 18

cardiagn.com
3B 3H
Gray Gray

1 2 3 4 5 6 7 8 9 10 11 12 1 2 3 4 5 6 7 8 9 10 11 12

3I 5A
White White

1 2 3 4 5 6 7 8 9 10 11 12 1 2 3 4 5 6 7 8 9 10 11 12

5F DA
Gray White

1 2 3 4 5 6 7 8 9 10 11 12

7 8 9 10 11 12 13 14 15 16 17 18 19 20 21 22
1 2 3 4 5 6
23 24 25 26 27 28 29 30 31 32 33 34 35 36 37 38
39 40 41 42 43 44 45 46 47 48 49 50 51 52 53 54 55 56 57 58 59 60

DH LD
Gray Gray

7 8 9 10 11 12
1 2 3 4 5 6
1 2 5 6 13 14 15 16 17 18
3 4 19 20 21 22 23 24 25 26 27 28 29 30
7 8 9 10 11 12 13 14 15 16

17 18 19 20 21 22 23 24

-3-
Data Link Connector 3

PA
White

7 8 9 10 11 12 13 14 15 16 17 18 19 20 21 22
1 2 3 4 5 6
23 24 25 26 27 28 29 30 31 32 33 34 35 36 37 38
39 40 41 42 43 44 45 46 47 48 49 50 51 52 53 54 55 56 57 58 59 60

LR1
White

7 8 9 10 11 12 13 14 15 16 17 18 19 20 21 22
1 2 3 4 5 6
23 24 25 26 27 28 29 30 31 32 33 34 35 36 37 38
39 40 41 42 43 44 22 21 20 19 18 17 16 15 14 13 12 11 10 9 8 7
45 46 47 48 49 50 51 52 53 54 55 56 57 58 59 60 6 5 4 3 2 1
38 37 36 35 34 33 32 31 30 29 28 27 26 25 24 23
60 59 58 57 56 55 54 53 52 51 50 49 48 47 46 45 44 43 42 41 40 39

LS1

cardiagn.com
White

7 8 9 10 11 12 13 14 15 16 17 18 19 20 21 22
1 2 3 4 5 6
23 24 25 26 27 28 29 30 31 32 33 34 35 36 37 38
39 40 41 42 43 44 22 21 20 19 18 17 16 15 14 13 12 11 10 9 8 7
45 46 47 48 49 50 51 52 53 54 55 56 57 58 59 60 6 5 4 3 2 1
38 37 36 35 34 33 32 31 30 29 28 27 26 25 24 23
60 59 58 57 56 55 54 53 52 51 50 49 48 47 46 45 44 43 42 41 40 39

Re3
Gray

1 2 2 1
3 4 4 3

-4-
Dynamic Radar Cruise Control

(BAT) (BAT)

A13(A), A14(B), E1(C), E2(D), E3(E)


25A 25A Engine Control Module
EFI MAIN EFI MAIN2
BATT MREL +B2 +B +BM
2 2 7 B 3 B 1 A 2 A 1 C

B
2 2 (BAT)

L
10A
ETCS
B

B 2 EA2
R
B

12 2C
B

B
2 2 2 2

5 1 5 1

cardiagn.com
EFI MAIN EFI MAIN2
Relay Relay

3 2 3 2

2 2 2 2
B

L
W–B
B–W

W–B

A63(A), A64(B)

12 A
Connector
Junction

B
21 B
W–B

A8

-1-
Dynamic Radar Cruise Control

A13(A), A14(B), E1(C), E2(D), E3(E)


Engine Control Module

ME01 E1 E04 E01 E02 E03 EC CAN+ CAN– D


5 D 1 E 4 E 2 D 1 D 5 A 1 B 10 A 9 A 14 E

G–Y
W
B
W–B

W–B

W–B

W–B

W–B

W–B

W–B

cardiagn.com
W–B

G–Y
BR

BR

W–B

1 EA1 17 EA1 25 EA1

B B
W–B

W–B

W–B

W–B

W–B

W–B
BR

BR

BR

BR

W–B 5 1 4
Connector
Junction
A70

E3 E2 E5 A2 E1

-2-
Dynamic Radar Cruise Control

A13(A), A14(B), E1(C), E2(D), E3(E)


Engine Control Module

(IG) (BAT) (IG)

10A 25A 10A


E/G RM– EFI ECU–IG
IG1–1 MAIN2

7 2A 2 27 2C
R

R
G

2
A61(A), A62(B)

17 A
Connector

2 EA4
Junction

5 1

cardiagn.com
EFI MAIN2
G

18 B
Relay

2
Position Switch

R
Park/Neutral

RB DL 3 2

D
E49

2 4 A
7 IG2
A12(A), E5(B), E6(C), E7(D)
R

Transmission Control Module


G–Y
BATT D CAN– CAN+ +B E2 THO1 SL1+ SL1– SL2+ SL2–
7 A 25 B 28 A 18 A 6 A 35 C 27 C 6 C 5 C 4 C 3 C
G–Y

G–Y

G–Y
BR

BR
W

Y
L

8 A 9 A
E52(A), E53(B)

9 8 23 24 28 29
Connector

E2 OIL SL1+ SL1– SL2+ SL2–


Junction

Y
L

3 B
G–Y

E50
Automatic Transmission

-3-
Dynamic Radar Cruise Control

A13(A), A14(B), E1(C), E2(D), E3(E)


Engine Control Module

VCP2 EPA2 VPA2 VCPA EPA VPA ETA VTA VCTA VTA2 M+ M– GE01
22 B 21 B 28 B 23 B 20 B 29 B 35 D 26 D 34 D 27 D 7 D 6 D 19 D

(Shielded)
BR

BR

BR
BE

W
G
R

B
L

1 2 3 4 5 6 3 6 5 4 2 1 1 B 4 B
VCP2 EPA2 VPA2 VCPA EPA VPA E2 VTA VC VTA2 M+ M–

E51(B)
Junction
Connector
A36 E21
Accelerator Position Sensor Throttle Position Sensor

cardiagn.com
A12(A), E5(B), E6(C), E7(D)
Transmission Control Module

SL3+ SL3– SL4+ SL4– SL5+ SL5– NTB NTO SLT+ SLT– SL NC3B NC3O SLU+ SLU– TPS1 SR SP2B SP2O
2 C 1 C 7 D 6 D 5 D 4 D 31 D 25 D 3 D 2 D 7 C 28 D 22 D 1 D 8 D 25 C 17 D 26 D 18 D
G–W

L–R

L–R
BR

BR
W

W
G

G
R
B

Y
L

L
25 26 15 16 5 6 1 2 3 4 7 11 12 13 14 17 18 21 22
SL3+ SL3– SL4+ SL4– SL5+ SL5– NTB NTO SLT+ SLT– SL NC3B NC3O SLU+ SLU– TPS1 SR SP2B SP2O
BR

BR
W

W
G

G
R

R
Y

Y
L

E50
Automatic Transmission

-4-
Dynamic Radar Cruise Control

A13(A), A14(B), E1(C), E2(D), E3(E)


Engine Control Module

(BAT) (BAT) (IG)

10A 5A 10A
RR MPX–B 1 RR MPX–B 2 RR–IG1–2

7 15 8
MPXB LGLB IG

STP3 STP4
4 C S62(B), S63(C), S64(D) 6 B
R Rear Junction Block ECU

cardiagn.com
4

B
6 R
1

(High Mounted
5 S55

Stop Light)
Noise Filter
Junction
Connector
BR

BR
R

S13
A12(A), E5(B), E6(C), E7(D) 2
Transmission Control Module 2 1 2 1
T/P B T/P B
E01 E1 EC STP
3 B 7 B 34 A 2 A
W–B
BR

BR

Stop

Stop
Tail/

Tail/

E E
4 S33 4 S41
Rear Combination Rear Combination
Light LH Light RH
W–B

W–B

(Shielded)

22 9
S55
B

16 W–B 7
Junction
Connector (Shielded)
S55 10
Junction Connector
L

1
High Mounted
Stop Light
S20
W–B

W–B
BR

BR

2
W–B

5
Connector
Junction

W–B W–B
A70

E2 E3 A2 S4

-5-
Dynamic Radar Cruise Control

A13(A), A14(B), E1(C), E2(D), E3(E)


Engine Control Module

(BAT) (BAT)

10A 10A
STOP LP 1 STOP LP 2

S62(B), S63(C), S64(D)


6 2 Rear Junction Block ECU
+BS1 +BS2

STP2 STP1 PGND SG STOP CANN CANP


9 D 10 D 4 17 16 B 28 B 20 B
L

6 LF 5 LF 43 LA 29 LA

cardiagn.com
W–B

W–B

W–B

W–B

W
G

B
BR

BR
L

3 1 3 1
TL STP TL STP
Rear Combination Light RH
Rear Combination Light LH

14 3

Connector
Junction
S59
Marker

Marker
Stop

Stop

15 4
Tail/

Tail/

E E
S51

S52

B
4 4
W–B

B
(Shielded)
W

L L

G
W–B

W–B
BR

3 7 1
W–B W–B 6 S54
Junction
Connector

S1

-6-
Dynamic Radar Cruise Control

A13(A), A14(B), E1(C), E2(D), E3(E)


Engine Control Module

B
(BAT)
LG

P–D/C CUT
V
5A
35 PA BR

B
2 1
Electric Power
Control ECU

BCUT CUTD
8 5B 8 5J 8 BA2

V
8 5H
20 LA1
W–B

cardiagn.com
W–B

BR
LG
W

V
L134(A), z2(B),
1 5H z7(C), z14(F)
10 A 9 A 3 A 7 A 8 A 1 A 2 A Spiral Cable
CANP CANN NOSB +B R/N CCS ECC

1 5F
1 F 2 F 8 F 12 F (∗5) 1 B 3 B 4 B
1 C 2 C 8 C 12 C (∗6)
W

B
W–B

ON–OFF
W–R(∗5)

BR(∗6)

W(∗5)

R(∗6)
R

57 DA
G
Y

+ RES
MODE

Cruise Control Main Switch


40 DA – SET

Steering Switch ECU


CANCEL
W–B

z2(B)

z7(C), z14(F)
Steering Pad Switch with Modulator

B B

W W

L L

G G

L4

-7-
Dynamic Radar Cruise Control

A13(A), A14(B), E1(C), E2(D), E3(E)


Engine Control Module

SFTU SFTD S
8 A 7 A 16 A

B B

LG LG

V V

BR BR

G
Y

L
(IG)

52 LA1 51 LA1 53 LA1


10A
D–IG1–3

LG

G
Y
4 3B 4 3C 4 4J 4 4K 47 DA
(∗5)

(∗5)
R

cardiagn.com
L134(A), z2(B),

L
z7(C), z14(F)
Spiral Cable 5 A 12 A
SUP SDN 4 3D 4 4L
P

Y
Steering Pad Switch

7 F 10 F 4 F (∗5) 12 3H
z14(F), z15(G)
with Modulator

2 1 7

Transmission Shift Switch


L–G

SFTU SFTD S
SB

LG

7 G 2 G 3 G (∗5) 12 3F
O
B

L
L42

E IG
Shift Up

Down

5 3
Shift

BR

∗ 5 : w/ Paddle Shift Switch


∗ 6 : w/o Paddle Shift Switch

z15(G)
Transmission Shift Switch BR

B B

W W

L L

R R

W W

G G

-8-
Dynamic Radar Cruise Control

A13(A), A14(B), E1(C), E2(D), E3(E)


Engine Control Module

LG

BR

A33
Driving Support ECU

CCHG CCS GND CANP CANN


30 27 25 19 18

W–B
LG

W
B
21 LA1 6 BA2

cardiagn.com
4 AS1 5 AS1
LG

W
B

Junction Connector
2 5H 11 DH
6 17

S60
2 5F 16 DA 27 DA 10 DH 2 13 5 16
BR

BR

BR

BR

W
B

6 3B 59 LS1 60 LS1
A60(A), E51(B)

9 A
Connector
Junction

6 3F 10 B

BR
BR

B W

W B

L L

R R

W W

G G
BR

E3

-9-
Dynamic Radar Cruise Control

A13(A), A14(B), E1(C), E2(D), E3(E)


Engine Control Module

(IG)

5A D–IG1–2
A33
Driving Support ECU
24 DH

CA1P CA1N SGND IGB CA1L CA1H STP– ST1– B


40 39 26 36 2 1 11 34 13

Y
W
B

BE
W

G
Y

B
59 LA3 60 LA3
11 BA2 10 BA2
Junction Connector

cardiagn.com
W
B

8 19
L96

Front Center Millimeter


Wave Radar Sensor

2 5
9 20
SGND IGB
W
B

37 LA3 38 LA3
CA1N CA1P
B9

3 4
W
B

B
L

11 BA1 10 BA1
B

BE

B B

W W

B B

L L

R R

W W

G G

- 10 -
Dynamic Radar Cruise Control

A13(A), A14(B), E1(C), E2(D), E3(E)


Engine Control Module

IGSW ST1– STP


8 B 12 B 13 B

(IG) (BAT)
R

L
10A 5A
ECU–IG STOP

Connector
6 A

Junction
A61(A)
11 A 5 A 7 A
A61(A), A62(B)
Connector 16 DH
27 2C

W
Junction

L
R 2 B 1 B 14 DH

G
G

16 A 17 A 15 DH 12 DH 13 DD 13 DH
A61(A), A62(B)

cardiagn.com
Connector
Junction

L
BE

B
17 B

4 1
R

Stop Light
Switch
A35

3 2
R

BE

B B

W W

B B

R R

W W

G B

B B

W W

- 11 -
Dynamic Radar Cruise Control

A13(A), A14(B), E1(C), E2(D), E3(E)


Engine Control Module

∗ 3 : w/ Auto Wiper
∗ 4 : w/o Auto Wiper

EW OFF AUTO(∗3) LO HI MIST


INT(∗4)

MIST

OFF

AUTO(∗3) WF EW
INT(∗4)

Washer Switch
Wiper Switch
LO Off

HI On

cardiagn.com
B E CANP CANN
1 A 8 A L25(A) 5 A 6 A
Windshield Wiper Switch
W–B
B

1 5J W
R

1 5F
B
W–B

W
L95
57 DA Junction
Connector 8 19 10 21

40 DA
15 4 9 20 3 14 7 18
B

W
W

W
R

B W

R W

W B

B B

B B

W W
W–B

L4

- 12 -
Dynamic Radar Cruise Control

A13(A), A14(B), E1(C), E2(D), E3(E)


Engine Control Module

(IG) (BAT)

P–D/C CUT
5A
D–IG1–1

5A
B

21 DA
57 PA
G

5 4H 1 2
12 5F CUTD BCUT

12 5J 5 4B Electric Power
Control ECU

cardiagn.com
G

B
L6
Outer Mirror Switch L75(A)
2 A Assembly 1 A Console Switch
IG B
Electronically
Controlled
Transmission Pattern
Select Switch
L25(A) CANP CANN MPX MPX E
Windshield Wiper Switch 2 3 7 3 A 5 A

W–B
W
B

3 5I 4 4B 1 4B

B
3 5F 3 4F 1 4J 1 4H
W
W–B

W–B
L

29 DA 40 PA 51 PA

51 DA 39 PA
W–B

W W

B B

W W

B B

B B

B B

W W

W–B

L1 L3

- 13 -
Dynamic Radar Cruise Control

A13(A), A14(B), E1(C), E2(D), E3(E)


Engine Control Module

L10
Combination Meter

TFT Module

TFT Panel CPU

cardiagn.com
TFT
CPU

MPX–B

IG2
Back Light
Body
Earth

Signal
Earth

CANN CANP E1 E2
23 22 3 17
W–B

W–B
W

6
Connector
Junction

7
L100

8
W–B

41 DA

W
40 DA
B

W W

B B

B B

B B

W W
W–B

L4

- 14 -
Dynamic Radar Cruise Control

A13(A), A14(B), E1(C), E2(D), E3(E)


Engine Control Module

SPD
24 B

(IG) (BAT)

V
10A 10A
P–J/B D MPX–B 2

1
L136
6 LA1 Junction 19 PK
30 2C Connector 42 DA
L 2

L
P
14 PA
L10
Combination Meter 14 13
IG2 B

cardiagn.com
Buzzer
Speedometer

I/F

CRUISE
Master
5V IC

CPU
CAN CONTROLLER

LED DRIVER
CAN I/F

ES CANH CANL SI +S
18 20 21 9 10
BR

G
R

58 PA

43 PA

W W

B B

B B

B B

W W
BR

L1

- 15 -
Dynamic Radar Cruise Control

(BAT) (BAT)

A13(A), A14(B), E1(C), E2(D), E3(E)


Engine Control Module 50A 50A
ABS MTR1 ABS MTR2
CANL CANH
13 A 14 A 2 2

3 2B
G

GR

W
A67
Junction
20 9 Connector 3 3

ABS MTR Relay


5 1

ABS MTR2 Relay


22 11 10 21
G

3 2
V

46 LA1 45 LA1
1 2B 13 2G 14 2G 11 2G 19 2C 3 3

cardiagn.com
G

W–B

W–B
GR
BE
B

P
L
15 4

Connector
19 B

Junction
Connector

A64(B)
Junction
L97

21 B
16 5 3 14 W–B

P
G

GR

BE

P
G
R

L L

G
L
R 5 A 6 A
B
Main Body ECU

CANH CANL

B
L11(A)

CANN CANP B
15 A 16 A
W
W

B
W–B

W–B

A8

- 16 -
Dynamic Radar Cruise Control

(IG) (IG) (BAT) (BAT) (BAT)

10A 10A 10A 10A 10A


D–IG1–3 ECU–IG ABS ABS ABS
MAIN1 MAIN2 MAIN3

9 DH 27 2C 6 2C 7 2C 2

GR

Connector
16 A

Junction
A61(A)
GR

GR

BE

BE
B
L

18 A
R

36 C 46 A 46 C 43 A 38 C 29 A 22 C
MR2 IG1 IG2 +BI1 +BI2 +BI3 +BI4

cardiagn.com
A19(A), A21(C)
Skid Control ECU

R2– MR1 R1– CANL CANH SP1 STP MTT GND


37 C 35 A 36 A 8 C 9 C 23 A 25 C 37 A 1 A
B
L

W–B
GR

BE

A23(A), A24(B)
13 PK 1 A Brake Accumulator Pump
P
MTT

GR

BE 18 PA

P
M
V

L
BM2 BM1 GND1 GND2
2 B 2 A 4 A 1 B

B B

W W
W–B

W–B

W–B
BR

A3 A4 A2

- 17 -
Dynamic Radar Cruise Control

Skid Control Buzzer


1

Buzzer

L2
2

B
Front Speed Sensor Rear Speed Sensor

41 LA1 40 LA1
B

B
L

L
16 C 15 C 16 A 15 A 11 A 10 A 11 C 10 C 22 A 41 A
FL+ FL– FR+ FR– RL+ RL– RR+ RR– BZ VBZ

cardiagn.com
A19(A), A21(C)
Skid Control ECU

PCK1 PCK2 SMC1 BS01 SMC2 BS02 FRA+ FRA– FRR+ FRR– FLA+ FLA– FLR+ FLR–
9 A 7 C 5 A 32 A 6 C 32 C 17 A 18 A 4 A 3 A 17 C 18 C 4 C 3 C
GR

BR
LG

LG
W
G

Y
L

L
37 42 20 19 6 7 8 5 22 21 13 14 27 28
PCK1 PCK2 SMC1 BS1 SMC2 BS2 FRA+ FRA– FRR+ FRR– FLA+ FLA– FLR+ FLR–

A27
Brake Actuator

B B

W W

- 18 -
Dynamic Radar Cruise Control

cardiagn.com
A19(A), A21(C)
Skid Control ECU

RRA+ RRA– RRR+ RRR– RLA+ RLA– RLR+ RLR– VCM PAC1 PMC1 PFR PRL E
20 C 21 C 34 C 33 C 19 A 20 A 34 A 33 A 27 A 26 A 14 A 44 A 42 A 28 A
BR

BE
LG

G
R
Y

L
12 11 26 25 10 9 24 23 35 46 38 34 36 45
RRA+ RRA– RRR+ RRR– RLA+ RLA– RLR+ RLR– VCM PAC1 PMC1 PFR PRL E

A27
Brake Actuator

B B

W W

- 19 -
Dynamic Radar Cruise Control

LG
B
2 13
A67
Junction
Connector
LG

4 15 1 12

29 C 30 C

W
B

B
CA1L CA1H

48 LA1 49 LA1

cardiagn.com
A19(A), A21(C)
Skid Control ECU

VCM2 PMC2 PFL PRR E2 GND4

W
28 C 14 C 45 C 43 C 44 C 1 C B

L97
11 22 Junction Connector
W
G
R
B

9 20 8 19
40 43 39 41 44
VCM2 PMC2 PFL PRR E2
W

W
R
B
W–B

A27
Brake Actuator

B
W
W
R

A3

- 20 -
Dynamic Radar Cruise Control

(BAT) (IG) (IG)

10A 5A 10A
P D–IG1–1 P–IG1–1
MPX–B

∗ 1 : w/ VGRS System
21 PK 21 DA 31 PA
∗ 2 : w/o VGRS System

V
(∗2)
R
12 5F 12 4H

4 LA3
(∗1)

(∗1)
R

11 5J 12 4B

10 B 1 A
+B1 +BO

V
G
R

cardiagn.com
A41(A), A42(B)
Steering Control ECU 3 1 4
Steering Angle Sensor

BAT IG IG

Yaw Rate Sensor


CA1L CA1H ESS CA1L CA1H GND
L21

L71
9 10 2 2 3 1
W–B

W–B
W

W
R

2 5J 2 4B

1 5F 1 4H 1 4J
W–B

W–B

W–B

57 DA 51 PA 40 PA

W 40 DA 39 PA

R
W–B
W–B

W–B

L4 L1 L3

- 21 -
Dynamic Radar Cruise Control

A 12 A 13 A 14
Gray White White

1 2 3 4 5 6 7 1 2 3 4 5 6 1 2 3 4 5 6 7

8 9 10 11 12 13 14 15 16 17 7 8 9 10 11 12 13 14 15 16 8 9 10 11 12 13 14 15 16 17
18 19 20 21 22 23 24 25 26 27 17 18 19 20 21 22 23 24 25 26 27 18 19 20 21 22 23 24 25
28 29 30 31 32 33 34 28 29 30 31 32 33 34 35 26 27 28 29 30 31

A 19
Black

3 4 5 6 7 8 9 10 11 12 13 14 15 16
1 2
17 18 19 20 21 22 23 24 25 26 27 28 29 30

31 32
33 34 35 36 37 38 39 40 41 42 43 44 45 46

cardiagn.com
A 21 A 23 A 24
Gray Black Black

1 2

3 4 1 2
3 4 5 6 7 8 9 10 11 12 13 14 15 16
1 2
17 18 19 20 21 22 23 24 25 26 27 28 29 30

31 32
33 34 35 36 37 38 39 40 41 42 43 44 45 46

A 27
Black

3 4 5 6 7 8 9 10 11 12 13 14 15 16
1 2
17 18 19 20 21 22 23 24 25 26 27 28 29 30

31 32
33 34 35 36 37 38 39 40 41 42 43 44 45 46

- 22 -
Dynamic Radar Cruise Control

A 33 A 35 A 36
White Green Black

1 2 1 2 3 4 5 6
1 2 3 4 5 6 7 8 9 10 11 12 13 14 15 16 17
3 4
18 19 20 21 22 23 24 25 26 27 28 29 30 31 32 33 34 35 36 37 38 39 40

A 41 A 42 A 60
White White Blue

1 2 3 4
7 8 1 2 3 4 5 6
1 2 3 4 5 6 7 8 9 10 5 6 9 10
7 8 9 10 11 12
11 12 13 14 15 16 17 18 19 20

A 61 A 62 A 63
Black Blue Black

cardiagn.com
1 2 3 4 5 6 7 8 9 10 11 1 2 3 4 5 6 7 8 9 10 11 1 2 3 4 5 6 7 8 9 10 11
12 13 14 15 16 17 18 19 20 21 22 12 13 14 15 16 17 18 19 20 21 22 12 13 14 15 16 17 18 19 20 21 22

A 64 A 67 A 70
Black Black Gray

1 2 3
1 2 3 4 5 6 7 8 9 10 11 1 2 3 4 5 6 7 8 9 10 11 4 5 6
12 13 14 15 16 17 18 19 20 21 22 12 13 14 15 16 17 18 19 20 21 22

B9 E1 E2
Black White White

1 2 3 4 5
1 2 3 4 5 6 7 1 2 3 4 5 6 7

8 9 10 11 12 13 14 15 16 17 8 9 10 11 12 13 14 15 16 17 18 19
18 19 20 21 22 23 24 25 26 27 20 21 22 23 24 25 26 27
28 29 30 31 32 33 34 28 29 30 31 32 33 34 35

E3 E5 E6
White Gray Gray

1 2 3 4 5 6 1 2 3 4 5 6 7 1 2 3 4 5 6

7 8 9 10 11 12 13 14 15 16 8 9 10 11 12 13 14 15 16 17 18 19 7 8 9 10 11 12 13 14 15 16
17 18 19 20 21 22 23 24 25 26 20 21 22 23 24 25 26 27 17 18 19 20 21 22 23 24 25 26 27
27 28 29 30 31 32 33
28 29 30 31 32 33 34 35 28 29 30 31 32 33 34 35

- 23 -
Dynamic Radar Cruise Control

E7 E 21 E 49
Gray Black Gray

1 2 3 4 5 6
1 2 3 4 5 6 7 1 2 3 4

8 9 10 11 12 13 14 15 16 17 5 6 7 8 9

18 19 20 21 22 23 24 25
26 27 28 29 30 31

E 50 E 51
Gray Blue

1 2 3 4 5 6
7 8 9 10 11 12
1 2 3 4 5 6 7 8 9 10
11 12 13 14 15 16 17 18 19 20
21 22 23 24 25 26 27 28 29 30

cardiagn.com
E 52 E 53 L2 L6
Black Black Blue White

1 2
1 2 3 4 5 6
1 2 3 4 5 6 7 8 9 10 11 1 2 3 4 5 6 7 8 9 10 11
7 8 9 10 11 12
12 13 14 15 16 17 18 19 20 21 22 12 13 14 15 16 17 18 19 20 21 22

L 10 L 11 L 21 L 25
Black White White White

1 2 3 4 5 6 7 8 9 10 1 2 3 4
1 2 3 4 5 6 7 8 9 10 11 12 1 4
2 3 5 6 7 8
13 14 15 16 17 18 19 20 21 22 23 24
5 6 7 8 9 10
11 12 13 14 15 16

L 42 L 71 L 75 L 95
White Black White Gray

1 2 3 4 5 6
1 2 3 4 1 2 3 4 5 1 2 3 4 5 6 7 8 9 10 11
5 6 7 8
12 13 14 15 16 17 18 19 20 21 22

- 24 -
Dynamic Radar Cruise Control

L 96 L 97 L100
Black Black Blue

1 2 3 4 5
6 7 8 9 10 11 12

1 2 3 4 5 6 7 8 9 10 11 1 2 3 4 5 6 7 8 9 10 11
12 13 14 15 16 17 18 19 20 21 22 12 13 14 15 16 17 18 19 20 21 22

L134 L136 S 13 S 20 S 33
Black Black Gray White White

1 2 3 4
1 2
1 2 2 1
1 2 3 4 5 6 7
4 3
8 9 10 11 12 13 14

S 41 S 51 S 52 S 54
White White White White

1 2 3

cardiagn.com
2 1 2 1 2 1
4 5 6 7 8
4 3 4 3 4 3

S 55 S 59 S 60
White Black Black

1 2 3 4 5 6 7 8 9 10 11 1 2 3 4 5 6 7 8 9 10 11 1 2 3 4 5 6 7 8 9 10 11
12 13 14 15 16 17 18 19 20 21 22 12 13 14 15 16 17 18 19 20 21 22 12 13 14 15 16 17 18 19 20 21 22

S 62 S 63 S 64 z2
White White White White

1 2 3 4 5 6 7 8 9 10 1 4 1 2 1 2
2 3
11 12 13 14 15 16 17 18 19 20 3 4
5 6 7 8 9 10 3 4 5 6
21 22 23 24 25 26 27 28
11 12 13 14 15 16 7 8 9 10

z7 z 14 z 15 2A
White Black White Black

1 2 3 4 5
4 3 2 1
1 2 3 4 5 6 6 7 8 9 10 11 12 13
1 2 3 4 5 8 7 6 5
7 8 9 10 11 12
6 7 8 9 10

- 25 -
Dynamic Radar Cruise Control

2B 2C 2G
Black White Black

1 2 1 2 3 4 5 6 7
1 2 3 4 5 6 7 8 9 10 11 12 13 14 15 16 17 18
3 4 8 9 10 11 12 13 14
19 20 21 22 23 24 25 26 27 28 29 30 31 32 33 34 35 36

3B 3C
Gray White

1 2 3 4 5 6 7 8 9 10 11 12 1 2 3 4 5 6 7 8 9 10 11 12

3D 3F
Gray Gray

1 2 3 4 5 6 7 8 9 10 11 12 1 2 3 4 5 6 7 8 9 10 11 12

3H 4B
Gray Gray

cardiagn.com
1 2 3 4 5 6 7 8 9 10 11 12 1 2 3 4 5 6 7 8 9 10 11 12

4F 4H
Gray Gray

1 2 3 4 5 6 7 8 9 10 11 12 1 2 3 4 5 6 7 8 9 10 11 12

4J 4K
Gray White

1 2 3 4 5 6 7 8 9 10 11 12 1 2 3 4 5 6 7 8 9 10 11 12

4L 5B
Gray Gray

1 2 3 4 5 6 7 8 9 10 11 12 1 2 3 4 5 6 7 8 9 10 11 12

5F 5H
Gray Gray

1 2 3 4 5 6 7 8 9 10 11 12 1 2 3 4 5 6 7 8 9 10 11 12

5I 5J
White Gray

1 2 3 4 5 6 7 8 9 10 11 12 1 2 3 4 5 6 7 8 9 10 11 12

DA
White

7 8 9 10 11 12 13 14 15 16 17 18 19 20 21 22
1 2 3 4 5 6
23 24 25 26 27 28 29 30 31 32 33 34 35 36 37 38
39 40 41 42 43 44 45 46 47 48 49 50 51 52 53 54 55 56 57 58 59 60

- 26 -
Dynamic Radar Cruise Control

DD DH
Gray Gray

7 8 9 10 11 12
1 2 3 4 5 6
13 14 15 16 17 18 1 2 5 6
19 20 21 22 23 24 25 26 27 28 29 30 3 4

7 8 9 10 11 12 13 14 15 16

17 18 19 20 21 22 23 24

LA LF
White Gray

7 8 9 10 11 12 13 14 15 16 17 18 19 20 21 22
1 2 3 4 5 6
23 24 25 26 27 28 29 30 31 32 33 34 35 36 37 38 1 2 5 6
39 40 41 42 43 44 45 46 47 48 49 50 51 52 53 54 55 56 57 58 59 60 3 4

7 8 9 10 11 12 13 14 15 16

17 18 19 20 21 22 23 24

cardiagn.com
PA PK
White Gray

7 8 9 10 11 12 13 14 15 16 17 18 19 20 21 22
1 2 3 4 5 6
23 24 25 26 27 28 29 30 31 32 33 34 35 36 37 38 1 2 5 6
39 40 41 42 43 44 45 46 47 48 49 50 51 52 53 54 55 56 57 58 59 60 3 4

7 8 9 10 11 12 13 14 15 16

17 18 19 20 21 22 23 24

AS1
White

11 10 9 8 7 6 5 4 3 2 1
1 2 3 4 5 6 7 8 9 10 11
22 21 20 19 18 17 16 15 14 13 12
12 13 14 15 16 17 18 19 20 21 22

BA1
White

9 8 7 6 5 4 3 2 1
1 2 3 4 5 6 7 8 9
18 17 16 15 14 13 12 11 10
10 11 12 13 14 15 16 17 18

- 27 -
Dynamic Radar Cruise Control

BA2
Gray

9 8 7 6 5 4 3 2 1
1 2 3 4 5 6 7 8 9
25 16 15 14 13 12 11 10 17
17 10 11 12 13 14 15 16 25 24 23 22 21 20 19 18
18 19 20 21 22 23 24

EA1
White

9 8 7 6 5 4 3 2 1
1 2 3 4 5 6 7 8 9
25 16 15 14 13 12 11 10 17
17 10 11 12 13 14 15 16 25 24 23 22 21 20 19 18
18 19 20 21 22 23 24

cardiagn.com
EA2 EA4
White White

11 10 9 8 7 6 5 4 3 2 1 1 2
1 2 3 4 5 6 7 8 9 10 11
3 4 2 1
22 21 20 19 18 17 16 15 14 13 12
12 13 14 15 16 17 18 19 20 21 22
4 3

LA1
White

7 8 9 10 11 12 13 14 15 16 17 18 19 20 21 22
1 2 3 4 5 6
23 24 25 26 27 28 29 30 31 32 33 34 35 36 37 38
39 40 41 42 43 44 22 21 20 19 18 17 16 15 14 13 12 11 10 9 8 7
45 46 47 48 49 50 51 52 53 54 55 56 57 58 59 60 6 5 4 3 2 1
38 37 36 35 34 33 32 31 30 29 28 27 26 25 24 23
60 59 58 57 56 55 54 53 52 51 50 49 48 47 46 45 44 43 42 41 40 39

LA3
White

7 8 9 10 11 12 13 14 15 16 17 18 19 20 21 22
1 2 3 4 5 6
23 24 25 26 27 28 29 30 31 32 33 34 35 36 37 38
39 40 41 42 43 44 22 21 20 19 18 17 16 15 14 13 12 11 10 9 8 7
45 46 47 48 49 50 51 52 53 54 55 56 57 58 59 60 6 5 4 3 2 1
38 37 36 35 34 33 32 31 30 29 28 27 26 25 24 23
60 59 58 57 56 55 54 53 52 51 50 49 48 47 46 45 44 43 42 41 40 39

- 28 -
Dynamic Radar Cruise Control

LS1
White

7 8 9 10 11 12 13 14 15 16 17 18 19 20 21 22
1 2 3 4 5 6
23 24 25 26 27 28 29 30 31 32 33 34 35 36 37 38
39 40 41 42 43 44 22 21 20 19 18 17 16 15 14 13 12 11 10 9 8 7
45 46 47 48 49 50 51 52 53 54 55 56 57 58 59 60 6 5 4 3 2 1
38 37 36 35 34 33 32 31 30 29 28 27 26 25 24 23
60 59 58 57 56 55 54 53 52 51 50 49 48 47 46 45 44 43 42 41 40 39

cardiagn.com

- 29 -
Electronically Controlled Transmission and A/T Indicator

(BAT) (BAT)

A13(A), A14(B), E1(C), E2(D), E3(E)


25A 25A Engine Control Module
EFI MAIN EFI MAIN2
BATT MREL +B2 +B +BM
2 2 7 B 3 B 1 A 2 A 1 C

B
2 2 (BAT)

L
10A
ETCS

2 EA2
R
B

12 2C

B
B

B
R

B
2 2 2 2 2

5 1 5 1
1

cardiagn.com
EFI MAIN EFI MAIN2
Relay Relay
10A
EFI
3 2 3 2

2
2 2 2 2

2
B

L
W–B
B–W

Connector

8 A
Junction
A63(A)

9 A
B

1 EA2

B B
W–B

A63(A), A64(B)

12 A
Connector
Junction

21 B

B
W–B

A8

-1-
Electronically Controlled Transmission and A/T Indicator

A13(A), A14(B), E1(C), E2(D), E3(E)


Engine Control Module

E2G VG THA E2G2 VG2 THA2 VCP2 EPA2 VPA2 VCPA EPA VPA
24 C 25 C 22 C 32 C 23 C 21 C 22 B 21 B 28 B 23 B 20 B 29 B
B–W

B–W
B–R

B–R
B–L

B–L

BR

BR
BE

R
L
2 1 5 2 1 5 1 2 3 4 5 6
E2G VG THA EVGR VGR THAR VCP2 EPA2 VPA2 VCPA EPA VPA

+B E2 +BR E2R
3 E13 4 3 E22 4 A36
Mass Air Flow Mass Air Flow Accelerator Position Sensor
Meter (Bank 1) Meter (Bank 2)

cardiagn.com
BR

BR
B

B
B

BR

B B

-2-
Electronically Controlled Transmission and A/T Indicator

A13(A), A14(B), E1(C), E2(D), E3(E)


Engine Control Module

E2 THW ME01 E1 E04 E01 E02 E03 EC


28 C 19 C 5 D 1 E 4 E 2 D 1 D 5 A 1 B

(IG)

10A
W–B

W–B

W–B

W–B

W–B

W–B

W–B
R–L
BR

ECU–IG

27 2C

cardiagn.com
Temperature Sensor

2
Engine Coolant
E14

1
W–B
BR

BR

BR
W–B

1 EA1 17 EA1 25 EA1


W–B

W–B

W–B

W–B

W–B

W–B
BR

BR

BR

BR

B B

W–B 5 1 4
Connector
Junction
A70

E3 E2 E5 A2 E1

-3-
Electronically Controlled Transmission and A/T Indicator

A13(A), A14(B), E1(C), E2(D), E3(E)


Engine Control Module

IGSW STP ETA VTA VCTA VTA2 M+ M– GE01


8 B 13 B 35 D 26 D 34 D 27 D 7 D 6 D 19 D

(BAT)
R

(Shielded)
5A

BR
STOP

W
G

B
Connector

17 A 6 A
Junction
A61(A)

16 A 7 A 5 A
16 DH
W
L

3 6 5 4 2 1 1 B 4 B
E2 VTA VC VTA2 M+ M–
R 14 DH
E51(B)
Junction
G

Connector
E21
15 DH Throttle Position Sensor

cardiagn.com
L

1
Stop Light
Switch
A35

B B

-4-
Electronically Controlled Transmission and A/T Indicator

A13(A), A14(B), E1(C), E2(D), E3(E)


Engine Control Module

STA NSW STAR


20 A 29 A 2 B

(IG)
A68(D), L11(A), L13(C)
Main Body ECU
BR
Y

10A
ECU–IG
STR2 STR
6 D 8 C

BR

BR
L
27 2C

BR
19 EA1
R

5
A61(A), A62(B)

16 A 2 A
A61(A), A62(B)
B L

Y
Connector

Position Switch
Junction

Connector

Park/Neutral
P
Junction

9 B 8 B

A61(A), A62(B)
16 B
N

E49

Connector

cardiagn.com
11 B 10 B

Junction
4

3 A 4 A
BR

BR
R

Y
18 EA1
G

L
2 2

36 PA 23 PK 2 2
2 5
ST CUT

1 5
Relay

ST Relay
22 PK 24 PK
1 3

2 3
L

2 2

GR 2 2
W–B

B
W–B

W–B

20 A 21 A
A63(A), A64(B)
Junction
Connector

12 B
Y

L L

B B
W–B

A8

-5-
Electronically Controlled Transmission and A/T Indicator

A13(A), A14(B), E1(C), E2(D), E3(E)


Engine Control Module

(BAT)
A68(D), L11(A), L13(C)
Main Body ECU

P–D/C CUT
CANH CANL CANN CANP

5A
5 A 6 A 15 A 16 A

57 PA
W
G
R

5 4H 1 2
CUTD BCUT
14 3
Connector
Junction
L95

21 10 5 4B Electric Power
Control ECU

cardiagn.com
W

B
L75(A)
3 2 1 A Console Switch
Outer Mirror Switch

CANN CANP B
Electronically
Controlled
Assembly

Transmission Pattern
Select Switch
MPX MPX E
L6

7 3 A 5 A

W–B
L

3 5I 4 4B 1 4B

3 5F 3 4F 1 4J 1 4H
W–B

W–B
L

29 DA 40 PA 51 PA

51 DA 39 PA
W–B

Y Y

L L

B B

W–B

L1 L3

-6-
Electronically Controlled Transmission and A/T Indicator

A13(A), A14(B), E1(C), E2(D), E3(E)


Engine Control Module

TC CANL CANH SPD


21 A 13 A 14 A 24 B

R
P

V
22 DH
20 9

Connector
Junction
A67
22 11
9 DA G

R
P

9 3B

cardiagn.com
Front Speed Sensor

9 3A 46 LA1 45 LA1
P

V
13
TC
Skid Control ECU

16 C 15 C 16 A 15 A
A19(A), A21(C)
DLC3

CANL CANH
L31

FL+ FL– FR+ FR–


14 6

RL+ RL– RR+ RR– SP1


11 A 10 A 11 C 10 C 23 A
G

G
R

V
L

13 2 15 4
Connector

13 PK 19 PK
Junction
L97

14 3 16 5
Rear Speed Sensor
18 PA 14 PA
G

G
R

V
L

G R

R G

Y Y

L L

B B

-7-
Electronically Controlled Transmission and A/T Indicator

A13(A), A14(B), E1(C), E2(D), E3(E)


Engine Control Module

(IG) (BAT)

10A 10A
P–J/B D MPX–B 2

1
L136
6 LA1 Junction
30 2C Connector 42 DA
2

L
P
L10
Combination Meter 14 13
IG2 B
TFT Module

TFT Panel CPU

cardiagn.com
TFT
CPU

MPX–B

ECT SNOW

ECT PWR
Master
IG2 5V IC
Back Light
Body
Earth

Signal CAN CPU LED DRIVER


Earth CONTROLLER

CAN I/F

+S SI CANH CANL ES
10 9 20 21 18
BR
G
R
V

V
58 PA
L

G 43 PA

Y Y

L L

B B
BR

L1

-8-
Electronically Controlled Transmission and A/T Indicator

A13(A), A14(B), E1(C), E2(D), E3(E)


Engine Control Module

∗ 1 : w/ Paddle Shift Switch

L10
Combination Meter

cardiagn.com
(∗1)

Y
(∗1)
(∗1)
BR

(∗1)

(∗1)

(∗1)
BR

Y
2 5H
L134(A), z14(F)

2 A 5 A 12 A
Spiral Cable

ECC SUP SDN

Steering Pad Switch


2 5F 7 F 10 F 4 F (∗1)
z14(F), z15(G)
with Modulator
L–G

SB

LG
(∗1)
BR

7 G 2 G 3 G (∗1)

E2
O
B

17 16 DA
W–B

Shift Up

Down
Shift

6
Connector
Junction

10 DH 27 DA
L100

8
BR
W–B

z15(G)
Transmission Shift Switch
A60(A), E51(B)

41 DA 9 A
Connector
Junction

10 B
40 DA BR

Y Y

L L

B B
W–B

BR

L4 E3

-9-
Electronically Controlled Transmission and A/T Indicator

A13(A), A14(B), E1(C), E2(D), E3(E)


Engine Control Module

SFTU SFTD S
8 A 7 A 16 A

G
Y

L
(IG)

10A
D–IG1–3
52 LA1
LG 51 LA1 53 LA1

G
Y
47 DA

4 3C 4 4K

L
12 3H
4 3B 4 3D 4 4J 4 4L

cardiagn.com
(∗1)
12 3F
Y
(∗1)
P

L
2 1 7
Transmission Shift Switch

SFTU SFTD S
L42

E IG
5 3
BR

6 3F

6 3B

BR

Y Y

L L

B B

- 10 -
Electronically Controlled Transmission and A/T Indicator

A13(A), A14(B), E1(C), E2(D), E3(E)


Engine Control Module

CAN+ CAN– P R N D
10 A 9 A 12 E 11 E 13 E 14 E

G–R

G–Y
W

G
B

cardiagn.com
G–Y

G–R

Y Y

L L

B B

- 11 -
Electronically Controlled Transmission and A/T Indicator

(IG) (IG) (BAT)

10A 10A 25A


E/G RM–IG1–1 ECU–IG EFI
MAIN2

7 2A 27 2C 2

R
G

R
2

2 EA4

A61(A), A62(B)
17 A 5 1

Connector

EFI MAIN2
Park/Neutral Position Switch

Junction
G

Relay
2 18 B
RB 3 2

R
PL RL NL DL E49

cardiagn.com
R
6 1 9 7

4 A 7 A
G–Y
W

IG2 BATT
G–Y A12(A), E5(B), E6(C), E7(D)
Transmission Control Module
G–R
D N R P CAN– CAN+
G 25 B 33 B 34 B 26 B 28 A 18 A

W
G–R

G–Y

G–Y
W

G–R
G–Y

W
G

B
4 A 3 A 2 A 1 A 10 A 11 A 8 A 9 A
E52(A), E53(B)
Connector
Junction

9 B 11 B 1 B 3 B
G–R

G–Y
W

Y Y

L L

B B

- 12 -
Electronically Controlled Transmission and A/T Indicator

cardiagn.com
A12(A), E5(B), E6(C), E7(D)
Transmission Control Module

STA STP +B E2 THO1 SL1+ SL1– SL2+ SL2– SL3+ SL3– SL4+ SL4– SL5+ SL5– NTB NTO
3 A 2 A 6 A 35 C 27 C 6 C 5 C 4 C 3 C 2 C 1 C 7 D 6 D 5 D 4 D 31 D 25 D

G–W
G–Y
BR

BR

BR

BR
W
Y

B
L

9 8 23 24 28 29 25 26 15 16 5 6 1 2
E2 OIL SL1+ SL1– SL2+ SL2– SL3+ SL3– SL4+ SL4– SL5+ SL5– NTB NTO
BR

W
O

G
R

R
Y

Y
L

E50
Automatic Transmission

- 13 -
Electronically Controlled Transmission and A/T Indicator

cardiagn.com
A12(A), E5(B), E6(C), E7(D)
Transmission Control Module

SLT+ SLT– SL NC3B NC3O SLU+ SLU– TPS1 SR SP2B SP2O E01 E1 EC
3 D 2 D 7 C 28 D 22 D 1 D 8 D 25 C 17 D 26 D 18 D 3 B 7 B 34 A

W–B
L–R

L–R

BR

BR
W
G

G
R
B

Y
L

3 4 7 11 12 13 14 17 18 21 22
SLT+ SLT– SL NC3B NC3O SLU+ SLU– TPS1 SR SP2B SP2O
BR
W

W
G

G
B

Y
L

E50
Automatic Transmission
W–B
BR

BR

5
W–B A70
Junction
Connector

E2 E3 A2

- 14 -
Electronically Controlled Transmission and A/T Indicator

A 12 A 13 A 14
Gray White White

1 2 3 4 5 6 7 1 2 3 4 5 6 1 2 3 4 5 6 7

8 9 10 11 12 13 14 15 16 17 7 8 9 10 11 12 13 14 15 16 8 9 10 11 12 13 14 15 16 17
18 19 20 21 22 23 24 25 26 27 17 18 19 20 21 22 23 24 25 26 27 18 19 20 21 22 23 24 25
28 29 30 31 32 33 34 28 29 30 31 32 33 34 35 26 27 28 29 30 31

A 19
Black

3 4 5 6 7 8 9 10 11 12 13 14 15 16
1 2
17 18 19 20 21 22 23 24 25 26 27 28 29 30

31 32
33 34 35 36 37 38 39 40 41 42 43 44 45 46

cardiagn.com
A 21 A 35 A 36
Gray Green Black

1 2 1 2 3 4 5 6

3 4
3 4 5 6 7 8 9 10 11 12 13 14 15 16
1 2
17 18 19 20 21 22 23 24 25 26 27 28 29 30

31 32
33 34 35 36 37 38 39 40 41 42 43 44 45 46

A 60 A 61 A 62
Blue Black Blue

1 2 3 4 5 6
1 2 3 4 5 6 7 8 9 10 11 1 2 3 4 5 6 7 8 9 10 11
7 8 9 10 11 12
12 13 14 15 16 17 18 19 20 21 22 12 13 14 15 16 17 18 19 20 21 22

A 63 A 64 A 67
Black Black Black

1 2 3 4 5 6 7 8 9 10 11 1 2 3 4 5 6 7 8 9 10 11 1 2 3 4 5 6 7 8 9 10 11
12 13 14 15 16 17 18 19 20 21 22 12 13 14 15 16 17 18 19 20 21 22 12 13 14 15 16 17 18 19 20 21 22

- 15 -
Electronically Controlled Transmission and A/T Indicator

A 68 A 70 E1 E2
White Gray White White

1 2 3
4 5 6 1 2 3 4 5 6 7 1 2 3 4 5 6 7
1 2
8 9 10 11 12 13 14 15 16 17 8 9 10 11 12 13 14 15 16 17 18 19
3 4 5 6
18 19 20 21 22 23 24 25 26 27 20 21 22 23 24 25 26 27
7 8 9 10
28 29 30 31 32 33 34 28 29 30 31 32 33 34 35

E3 E5 E6
White Gray Gray

1 2 3 4 5 6 1 2 3 4 5 6 7 1 2 3 4 5 6

7 8 9 10 11 12 13 14 15 16 8 9 10 11 12 13 14 15 16 17 18 19 7 8 9 10 11 12 13 14 15 16
17 18 19 20 21 22 23 24 25 26 20 21 22 23 24 25 26 27 17 18 19 20 21 22 23 24 25 26 27
27 28 29 30 31 32 33
28 29 30 31 32 33 34 35 28 29 30 31 32 33 34 35

cardiagn.com
E7 E 13 E 14 E 21
Gray Black Dark Gray Black

1 2
1 2 3 4 5 1 2 3 4 5 6
1 2 3 4 5 6 7

8 9 10 11 12 13 14 15 16 17
18 19 20 21 22 23 24 25
26 27 28 29 30 31

E 22 E 49
Black Gray

1 2 3 4 5
1 2 3 4

5 6 7 8 9

E 50 E 51
Gray Blue

1 2 3 4 5 6
7 8 9 10 11 12
1 2 3 4 5 6 7 8 9 10
11 12 13 14 15 16 17 18 19 20
21 22 23 24 25 26 27 28 29 30

- 16 -
Electronically Controlled Transmission and A/T Indicator

E 52 E 53 L6
Black Black White

1 2 3 4 5 6
1 2 3 4 5 6 7 8 9 10 11 1 2 3 4 5 6 7 8 9 10 11
7 8 9 10 11 12
12 13 14 15 16 17 18 19 20 21 22 12 13 14 15 16 17 18 19 20 21 22

L 10 L 11 L 13
Black White White

1 2 3 4 5 6 7 8 9 10 11 12 1 2 3 4 5 6
1 4
2 3
13 14 15 16 17 18 19 20 21 22 23 24
5 6 7 8 9 10 7 8 9 10 11 12 13 14 15 16 17
11 12 13 14 15 16 18 19 20 21 22 23 24 25 26

L 31 L 42 L 75
White White White

cardiagn.com
1 2 3 4 1 2 3 4 5
5 6 7 8
16 15 14 13 12 11 10 9

8 7 6 5 4 3 2 1

L 95 L 97 L100
Gray Black Blue

1 2 3 4 5
6 7 8 9 10 11 12

1 2 3 4 5 6 7 8 9 10 11 1 2 3 4 5 6 7 8 9 10 11
12 13 14 15 16 17 18 19 20 21 22 12 13 14 15 16 17 18 19 20 21 22

L134 L136 z 14 z 15
Black Black Black White

1 2 3 4
4 3 2 1
1 2 3 4 5 6 7 1 2 3 4 5 6
8 7 6 5
8 9 10 11 12 13 14 7 8 9 10 11 12

- 17 -
Electronically Controlled Transmission and A/T Indicator

2A 2C
Black White

1 2 3 4 5
6 7 8 9 10 11 12 13 1 2 3 4 5 6 7 8 9 10 11 12 13 14 15 16 17 18

19 20 21 22 23 24 25 26 27 28 29 30 31 32 33 34 35 36

3A 3B
White Gray

1 2 3 4 5 6 7 8 9 10 11 12 1 2 3 4 5 6 7 8 9 10 11 12

3C 3D
White Gray

1 2 3 4 5 6 7 8 9 10 11 12 1 2 3 4 5 6 7 8 9 10 11 12

3F 3H
Gray Gray

cardiagn.com
1 2 3 4 5 6 7 8 9 10 11 12 1 2 3 4 5 6 7 8 9 10 11 12

4B 4F
Gray Gray

1 2 3 4 5 6 7 8 9 10 11 12 1 2 3 4 5 6 7 8 9 10 11 12

4H 4J
Gray Gray

1 2 3 4 5 6 7 8 9 10 11 12 1 2 3 4 5 6 7 8 9 10 11 12

4K 4L
White Gray

1 2 3 4 5 6 7 8 9 10 11 12 1 2 3 4 5 6 7 8 9 10 11 12

5F 5H
Gray Gray

1 2 3 4 5 6 7 8 9 10 11 12 1 2 3 4 5 6 7 8 9 10 11 12

5I DA
White White

1 2 3 4 5 6 7 8 9 10 11 12

7 8 9 10 11 12 13 14 15 16 17 18 19 20 21 22
1 2 3 4 5 6
23 24 25 26 27 28 29 30 31 32 33 34 35 36 37 38
39 40 41 42 43 44 45 46 47 48 49 50 51 52 53 54 55 56 57 58 59 60

- 18 -
Electronically Controlled Transmission and A/T Indicator

DH PA
Gray White

7 8 9 10 11 12 13 14 15 16 17 18 19 20 21 22
1 2 3 4 5 6
1 2 5 6 23 24 25 26 27 28 29 30 31 32 33 34 35 36 37 38
3 4 39 40 41 42 43 44 45 46 47 48 49 50 51 52 53 54 55 56 57 58 59 60
7 8 9 10 11 12 13 14 15 16

17 18 19 20 21 22 23 24

PK EA1
Gray White

1 2 5 6
3 4 9 8 7 6 5 4 3 2 1
1 2 3 4 5 6 7 8 9
7 8 9 10 11 12 13 14 15 16
25 16 15 14 13 12 11 10 17
17 18 19 20 21 22 23 24 17 10 11 12 13 14 15 16 25 24 23 22 21 20 19 18
18 19 20 21 22 23 24

cardiagn.com
EA2 EA4
White White

11 10 9 8 7 6 5 4 3 2 1 1 2
1 2 3 4 5 6 7 8 9 10 11
3 4 2 1
22 21 20 19 18 17 16 15 14 13 12
12 13 14 15 16 17 18 19 20 21 22
4 3

LA1
White

7 8 9 10 11 12 13 14 15 16 17 18 19 20 21 22
1 2 3 4 5 6
23 24 25 26 27 28 29 30 31 32 33 34 35 36 37 38
39 40 41 42 43 44 22 21 20 19 18 17 16 15 14 13 12 11 10 9 8 7
45 46 47 48 49 50 51 52 53 54 55 56 57 58 59 60 6 5 4 3 2 1
38 37 36 35 34 33 32 31 30 29 28 27 26 25 24 23
60 59 58 57 56 55 54 53 52 51 50 49 48 47 46 45 44 43 42 41 40 39

- 19 -
Engine Control

(BAT) (BAT)

25A 25A
EFI MAIN EFI MAIN2

2 2

2 2

P
B

B
R
B

2 2 2 2

5 1 5 1

B–W

cardiagn.com
EFI MAIN EFI MAIN2
Relay Relay 2 2

3 2 3 2
5 1

B
2 2 2 2 C/OPN
Relay
1 EA2
B

L
3 2
W–B
B–W

B
2 2

W
G

9 A

A63(A), A64(B)
W

Connector
Junction
2 2
W

Fuel Pump Resistor


R

4 4 1 1
F/PMP Relay
Fuel Sender Gauge
Pump

8 AS2
M
A16

R
3 2 2
S11

B
5
2 2
L

G
W–B

W–B

3
S57
Junction
Connector

S2

-1-
Engine Control

(IG)

80A
EFI

1 1L
B

B B

P P

B B
B

1
B
2E
B

A/F Relay
2 INJ2 INJ1
Relay Relay

1 1

cardiagn.com
10A 10A
EFI EFI–B 15A 25A 25A
A/F EDU2 EDU1

2 2

2 2

3 2G 11 2G 19 2C 2 2D 1 2D 10 2D 9 2D 4 2D 3 2D 1 2G
B

W
L

B
W–B

W–B

W
R
B

B
L

8 A 4 A 3 A W
A63(A), A64(B)

B
Connector
Junction

W
3 B 9 B 8 B
R
R
B

R L

B B

G G

Y Y

19 W–B
B
W–B

W–B 12 21 W–B
A B

A63(A), A64(B)
Junction
Connector

A8

-2-
Engine Control

A13(A), A14(B), E1(C), E2(D), E3(E), E4(F)


Engine Control Module

BATT MREL +B2 +B IREL FC FPR


7 B 3 B 1 A 2 A 4 B 5 B 6 B
B

W E15(A), E16(B), H1(C), H2(D)

Y
Injector Driver (No. 1)
B

P
+B +B2 FP+ FP–
B 3 B 2 B 1 B 4 B

(∗1)

(∗1)

(∗1)
W
B

Y
L
B

9 EA3 18 EA3 16 EA3

cardiagn.com
(∗1)

W
B

Valve (Bank 1)
(∗1)

Spill Control
E43
2
BR

B 24 EA1

B B

W W

R R

B B

L L

B B

B B

Y
BR

-3-
Engine Control

∗ 1 : Shielded

A13(A), A14(B), E1(C), E2(D), E3(E), E4(F)


Engine Control Module

INJ1 INJ2 FPF1 FPD #1 #4 #6 #7


13 D 12 D 10 F 11 F 20 E 19 E 18 E 17 E

G–W

W–R
R–L
P–L

LG
V

P
L
E15(A), E16(B), H1(C), H2(D)
Injector Driver (No. 1) 6 A 5 A 7 A 8 A 4 A 2 A 1 A 3 A
IJF1 IJF2 FPF1 FPD IJT1 IJT4 IJT6 IJT7

IJ1+ IJ1– IJ7+ IJ7– IJ4+ IJ4– IJ6+ IJ6– GND GND2
1 C 3 C 2 C 4 C 1 D 3 D 2 D 4 D 6 B 5 B

W–B

W–B
(∗1)

(∗1)

(∗1)

(∗1)
W

R
B

Y
L

cardiagn.com
(for Direct Injection No. 1)

(for Direct Injection No. 7)

(for Direct Injection No. 4)

(for Direct Injection No. 6)


2 2 2 2
Fuel Injector

Fuel Injector

Fuel Injector

Fuel Injector
H16

H11

H8

H6
BR

BR

1 1 1 1

BR

B B

W W

R R

B B

B B

L L

B B

B B

BR BR
BR

BR BR
BR

H1 E3

-4-
Engine Control

A13(A), A14(B), E1(C), E2(D), E3(E), E4(F)


Engine Control Module

INJ3 INJ4 FPF2 FPD2 #2 #3 #5 #8


15 D 14 D 12 F 13 F 10 E 9 E 8 E 7 E

G–Y

Y–B
L–Y
GR
LG

G
P

L
E27(A), E28(B), H3(C), H4(D)
Injector Driver (No. 2) 6 A 5 A 7 A 8 A 2 A 3 A 4 A 1 A
IJF3 IJF4 FPF2 FPD2 IJT2 IJT3 IJT5 IJT8

+B +B2 FP2+ FP2– IJ2+ IJ2– IJ8+ IJ8–


3 B 2 B 1 B 4 B 1 D 3 D 2 D 4 D

(∗1)
(∗1)

(∗1)

(∗1)

LG
W

W
G
R
B

V
1 EA3 10 EA3 12 EA3

cardiagn.com
(∗1)

(for Direct Injection No. 2)

(for Direct Injection No. 8)


W
B

(∗1)

1 2 2
Valve (Bank 2)

Fuel Injector

Fuel Injector
Spill Control

BR
E35

H9

H5
2 1 1
BR

23 EA1

R R

B B

B B

L L

B B

B B

BR

10
A

BR 10 11 BR BR
B A

A60(A), E51(B)
Junction
Connector

-5-
Engine Control

∗ 1 : Shielded

A13(A), A14(B), E1(C), E2(D), E3(E), E4(F)


Engine Control Module

(BAT)
E27(A), E28(B), H3(C), H4(D)
Injector Driver (No. 2)
40A
VVT

IJ3+ IJ3– IJ5+ IJ5– GND GND2


2
2 C 4 C 1 C 3 C 6 B 5 B

4 2B
B
W–B

W–B
(∗1)

(∗1)

R
Y
L

B
L L

2 2 2 2

cardiagn.com
(for Direct Injection No. 3)

(for Direct Injection No. 5)

2 3 2 3

2 2
VVT RH VVT LH
Relay Relay
Fuel Injector

Fuel Injector

1 5 1 5
BR
H15

H13

1 1
2 2 2 2

W
B

W–B W
BR

W–B

14 A
A63(A), A64(B)
Junction
Connector

21 B

R R

B B

B B

B B

B B
BR

BR
W–B
BR

H1 E4 A8

-6-
Engine Control

A13(A), A14(B), E1(C), E2(D), E3(E), E4(F)


Engine Control Module

EMD1 EMF1 EMR1 EDT1 EMD2 EMF2 EMR2 EDT2 PRG


9 F 31 F 30 F 8 F 31 D 30 D 29 D 16 D 17 C

G–W
W–R

W–B
G–R
Y–B
W

R
Y

1 B 2 B 3 B 5 B 1 A 2 A 3 A 5 A 1
Camshaft Control

Camshaft Control
VTM1 VTD1 VTS1 VTP1 VTM2 VTD2 VTS2 VTP2
E18(A), E19(B)
Motor (Bank 1)

Motor (Bank 2)

Purge VSV
E9(A), E10(B)

E44
+B SGND PGND +B SGND PGND
2
1 A 4 B 2 A 1 B 4 A 2 B

cardiagn.com
(2WD)

(4WD)
BR

BR

BR

BR
W

B
1 EA4 3 EA4

B
W

B
B

R R

B B

B B

B B
BR

BR

E3 E4

-7-
Engine Control

A13(A), A14(B), E1(C), E2(D), E3(E), E4(F)


Engine Control Module

E2G VG THA E2G2 VG2 THA2 OE1+ OE1– OE2+ OE2–


24 C 25 C 22 C 32 C 23 C 21 C 4 D 3 D 18 F 28 F
B–W

B–W

B–W
L–W
B–R

B–R

Y–B
B–L

B–L

Control Valve (Bank 1)

Control Valve (Bank 2)


Camshaft Timing Oil

Camshaft Timing Oil


1 1

2 1 5 2 1 5
E2G VG THA EVGR VGR THAR

E12

E17
2 2

+B E2 +BR E2R
3 E13 4 3 E22 4
Mass Air Flow Mass Air Flow
Meter (Bank 1) Meter (Bank 2)

cardiagn.com
BR

BR
B

R R

B B

B B

BR

B B

-8-
Engine Control

A13(A), A14(B), E1(C), E2(D), E3(E), E4(F)


Engine Control Module

VCP2 EPA2 VPA2 VCPA EPA VPA IMO IMI RLO ALT
22 B 21 B 28 B 23 B 20 B 29 B 30 A 31 A 17 D 18 D

L–R
G
BR

BR
BE

R
L

30 LA1 29 LA1

L
1 2 3 4 5 6
VCP2 EPA2 VPA2 VCPA EPA VPA 5 6 1 B 3 B

ID Code Box
EFII EFIO RLO M

L32
A36 E24(B)
Accelerator Position Sensor Generator

cardiagn.com
R R

B B

B B

BR BR

B B

-9-
Engine Control

A13(A), A14(B), E1(C), E2(D), E3(E), E4(F)


Engine Control Module

VPMP MPMP PPMP +BM


16 C 15 C 31 C 1 C

W
G
R

(BAT)

L
BR 10A
ETCS

L
6 EA1 2 EA1 5 EA1 3 EA1 4 EA1
2 EA2

B 12 2C
BR

W
R

L
11 AS1 10 AS1 21 AS1 20 AS1 22 AS1 9 AS1 R

BR
W
G
R
B

cardiagn.com
5 VS1 3 VS1 2 VS1 10 VS1 4 VS1 1 VS1

BR
W
G
R
B

9 8 1 4 3 2
VLVB VGND MTRB VCC VOUT SGND
Vent Valve

Leak Detection

M
Pump

Canister
Pressure Sensor
MGND
V1 6
Canister Pump Module

R R

B B

B B
BR

9 VS1

BR BR

B L
BR

8 AS1
BR

7 EA1
BR

E2

- 10 -
Engine Control

A13(A), A14(B), E1(C), E2(D), E3(E), E4(F)


Engine Control Module

HA1A A1A+ A1A– HA2A A2A+ A2A– KNK1 EKNK KNK2 EKN2
5 E 23 F 22 F 6 E 21 F 20 F 26 E 33 E 25 E 32 E
B–R

B–R
(∗1)

(∗1)

(∗1)
W

W
G

G
R

R
B

B
2 EH1 1 EH1 8 EH1 7 EH1

1 3 4 1 3 4
HA1A A1A+ A1A– HA2A A2A+ A2A–

R
B
+B +B

cardiagn.com
2 E47 2 E48
Air Fuel Ratio Sensor Air Fuel Ratio Sensor 2 2
(Bank 1 Sensor 1) (Bank 2 Sensor 1)

(Bank 1 Sensor 1)

(Bank 2 Sensor 1)
Knock Sensor

Knock Sensor
R

H14

H10
1 1
2 EA3 11 EA3
R

R
(∗1)
B

B B

(∗1)

(∗1)

BR BR

L L

- 11 -
Engine Control

∗ 1 : Shielded

A13(A), A14(B), E1(C), E2(D), E3(E), E4(F)


Engine Control Module

KNK3 EKN3 KNK4 EKN4 HT1B OX1B HT2B OX2B


24 E 31 E 23 E 30 E 4 A 26 A 3 A 27 A

R(2WD)

(∗1)
(2WD)

(2WD)

(2WD)

(2WD)

(2WD)
(∗1)

(∗1)
W

G
R

R
B

B
(∗1)

(∗1)
GR

B
5 EH1 6 EH1 12 EH1 13 EH1
35 LA1 38 LA1 37 LA1 36 LA1 57 LA1 60 LA1 59 LA1 58 LA1
(2WD)

(2WD)

(2WD)

(2WD)
(∗1)

(∗1)
GR

W
G

R
B

B
W

R
B

cardiagn.com
2 2 1 3 4 1 3 4
HT1B OX1B E2 HT2B OX2B E2
(Bank 1 Sensor 2)

(Bank 2 Sensor 2)
Knock Sensor

Knock Sensor

+B +B
H12

L50 L49
H7

2 2
1 1 Heated Oxygen Sensor Heated Oxygen Sensor
(Bank 1 Sensor 2) (Bank 2 Sensor 2)
B
(2WD)
B

4 PA

1 LA1
(2WD)

2 PK
B

(∗1)

(∗1) (∗1)

(∗1) (∗1)

(∗1) (∗1)

BR BR

L L

B B
(4WD) (4WD)

- 12 -
Engine Control

A13(A), A14(B), E1(C), E2(D), E3(E), E4(F)


Engine Control Module

HT1B OX1B
4 A 26 A

R(2WD)

(∗1)
(2WD)

(∗1)

(4WD)

(2WD)
BR

R
B
(4WD)

(4WD)

(4WD)

(4WD)
(∗1)

R
B

13 EA1 20 EA1 8 EA1

12 EA1 16 EA1 15 EA1 14 EA1

(4WD)

(2WD)
BR

BR

BR
(4WD)
BR
(4WD)

(4WD)

(4WD)

(4WD)
(∗1)

cardiagn.com
G

R
L

1 3 4
HT1B OX1B E2
(2WD)

(4WD)
(∗1)

(∗1)

(∗1)

+B
2 E55
8 A 7 A 12 A Heated Oxygen Sensor
A60(A), E51(B)

(Bank 1 Sensor 2)
(4WD)
B
Connector
Junction

11 B 9 B 8 B 7 B 10 B 9 EA1
(4WD)
(∗1)

(∗1)

(∗1)

BR

(∗1)

(∗1)

(∗1)
(4WD)

(2WD)
BR

BR

BR

(∗1)

BR BR BR BR BR

L L

B
(4WD)
BR

E3

- 13 -
Engine Control

∗ 1 : Shielded

A13(A), A14(B), E1(C), E2(D), E3(E), E4(F)


Engine Control Module

E2 THW NE+ NE– G2+ G2– VV2+ VV2– EV2+ EV2– VC


28 C 19 C 27 C 34 C 24 D 32 D 19 F 29 F 22 E 29 E 18 C
R–L
BR

BR
W

W
R

R
P

L
(Bank 2 Exhaust Side)
(Bank 2 Intake Side)
1 2 1 2 1 2 1 2

Camshaft Position
NE NE– G22+ G22– VVR+ VVR– EX+ EX–
Position Sensor

VVT Sensor

VVT Sensor
Crankshaft

Sensor
VC VC VC VC2
E54

E20

E31

E32
3 3 3 3

cardiagn.com
L

L
L

Junction Connector
Temperature Sensor

2 13 B 14 B 15 B 12 B 22 B

E52(A), E53(B)
Engine Coolant
E14

22 A 20 A 19 A 15 A 12 A 13 A
1
L

L
L

L
BR

BR

BR BR BR BR

- 14 -
Engine Control

A13(A), A14(B), E1(C), E2(D), E3(E), E4(F)


Engine Control Module

VV1+ VV1– EV1+ EV1– PR ME01 E1 E05 E04 E01 E02


25 D 33 D 26 C 33 C 27 E 5 D 1 E 1 F 4 E 2 D 1 D

L–Y

W–B

W–B

W–B

W–B

W–B

W–B
L–Y
R
Y

9 EH1

L–Y
(Bank 1 Exhaust Side)

Fuel Pressure Sensor


(Bank 1 Intake Side)

1 2 1 2 2
VVL+ VVL– EX+ EX– PR
VVT Sensor

VVT Sensor

H17
VC VC2 VC E2
E39

E40

cardiagn.com
3 3 1 3
BR
L

3 EH1 10 EH1
BR
L

BR
W–B

W–B

W–B
BR

BR

W–B

E3 E2

- 15 -
Engine Control

∗ 1 : Shielded

A13(A), A14(B), E1(C), E2(D), E3(E), E4(F)


Engine Control Module

E03 EC ETA VTA VCTA VTA2 M+ M– GE01 ASM+ ASM–


5 A 1 B 35 D 26 D 34 D 27 D 7 D 6 D 19 D 7 F 6 F
W–B

W–B

(∗1)

(∗1)
BR
W

W
G

P
L

Intake Air Control


3 6 5 4 2 1 1 B 4 B 2 B
2

Valve Actuator
E2 VTA VC VTA2 M+ M–
M
E51(B)

E46
Junction
Connector 1

E21
Throttle Position Sensor

1 EA1 17 EA1 25 EA1 17 EA3 8 EA3


cardiagn.com
W–B

W–B

W–B

W–B

W–B

W–B
BR

BR

BR

BR

5 1 4
Connector
Junction
A70

E5 A2 E1 A9

- 16 -
B B

32 2C
(IG)

12 EA2
INJ
10A
B L

33 2C

13 EA2

B
2
1
B W B G 17 F

4 EJ1
8 EJ1
# 10

J1
Fuel Injector

B
(for Port Injection No. 1)

2
1
B G R GR
16 F

3 EJ1
7 EJ1
# 30

J2
Fuel Injector

B
(for Port Injection No. 3)

2
1
B BR L L
15 F

2 EJ1
6 EJ1
# 50

J3
Fuel Injector
(for Port Injection No. 5)
Engine Control Module

2
1

B L–R G–Y V
14 F

1 EJ1
5 EJ1
# 70

- 17 -
J4
Fuel Injector
Engine Control

B
(for Port Injection No. 7)
A13(A), A14(B), E1(C), E2(D), E3(E), E4(F)

2
1

B W B B
11 D

4 EI1
8 EI1
# 20

I1
Fuel Injector
B
(for Port Injection No. 2)
2
1

B G R W
10 D

3 EI1
7 EI1
# 40

I2
Fuel Injector
B

(for Port Injection No. 4)


2
1

B BR L Y
9 D

2 EI1
6 EI1
# 60

I3
Fuel Injector
(for Port Injection No. 6)
2
1

B L–R G–Y R
8 D

1 EI1
5 EI1
# 80

I4
Fuel Injector
(for Port Injection No. 8)

cardiagn.com
Engine Control

A13(A), A14(B), E1(C), E2(D), E3(E), E4(F)


Engine Control Module

IGT1 IGT4 IGF1 IGT6 IGT7 IGT2


27 F 22 D 32 F 21 D 24 F 23 D

G–B

LG

Junction Connector
18 A 16 A 17 A

E52(A), E53(B)
G–B

LG

18 B 17 B

L–W

G–B
R–L

P–L
LG

LG

LG

LG
3 2 3 2 3 2 3 2 3 2
Ignition Coil (No. 6)

Ignition Coil (No. 7)


Ignition Coil (No. 1)

Ignition Coil (No. 4)

Ignition Coil (No. 2)

cardiagn.com
IGT1 IGF1 IGT4 IGF1 IGT6 IGF1 IGT7 IGF1 IGT2 IGF2
E38

E33

E34

E45

E30

- 18 -
Engine Control

A13(A), A14(B), E1(C), E2(D), E3(E), E4(F)


Engine Control Module

IGT3 IGF2 IGT5 IGT8 P R N D


26 F 28 D 25 F 20 D 12 E 11 E 13 E 14 E

G–B

G–R

G–Y
W

G
G–B

Junction Connector

6 B 5 B 7 B
E52(A), E53(B)

6 A 5 A

B–W
G–B

G–B

G–B
L–Y

3 2 2 3 3 2
Ignition Coil (No. 8)
Ignition Coil (No. 3)

Ignition Coil (No. 5)

cardiagn.com
IGT3 IGF2 IGF2 IGT5 IGT8 IGF2
E41

E42

E36

G–Y

G–R

- 19 -
Engine Control

A13(A), A14(B), E1(C), E2(D), E3(E), E4(F)


Engine Control Module

IGSW ST1– STP


8 B 12 B 13 B

(IG) (IG) (BAT)

L
10A 10A 5A
E/G RM–IG1–1 ECU–IG STOP

Connector
6 A

Junction
A61(A)
5 A

A61(A), A62(B)
11 A 16 DH

Connector
7 2A 27 2C

W
Junction
R 1 B 14 DH
G

G
2 EA4

Junction Connector
16 A 17 A 15 DH

A61(A), A62(B)

cardiagn.com
G

V
2 L
RB 17 B
Position Switch
Park/Neutral

4 1
R
E49

PL RL NL DL

Stop Light
Switch
6 1 9 7

A35
G–Y

3 2
W

G–Y
R

G–R

W
G–R

G–Y

G–Y
W

Connector

4 A 3 A 2 A 1 A 10 A 11 A 8 A 9 A
Junction
E52(A)

- 20 -
Engine Control

A13(A), A14(B), E1(C), E2(D), E3(E), E4(F)


Engine Control Module

W STA NSW STAR STSW KSW ACCR


11 B 20 A 29 A 2 B 27 B 25 B 19 A

A68(D), L11(A), L12(B), L13(C)


BR Main Body ECU

G
Y

P
L

ACCR SKSW STSW


3 B 5 D 4 D

B
A69(A)
15 PK Electric Power
Control ECU

19 LA1 11 PK

38 PA STSW
12 A

G
20 PK 12 PK
R

cardiagn.com
B

B
BR

- 21 -
Engine Control

A13(A), A14(B), E1(C), E2(D), E3(E), E4(F)


Engine Control Module

A68(D), L11(A), L12(B), L13(C)


Main Body ECU

STR2 STR
6 D 8 C

(IG)
BR

BR
L

BR
10A 19 EA1
ECU–IG
5
2 A
A61(A), A62(B)

B L

Y
Position Switch
Connector

Park/Neutral
P
Junction

27 2C 9 B 8 B

A61(A), A62(B)
N

E49

Connector

cardiagn.com
11 B 10 B

Junction
R

4
A61(A), A62(B)

BR

BR

16 A 3 A
Connector
Junction

Y
16 B
18 EA1
BR

R
BR

L
2 2 36 PA 23 PK 2 2

2 5 1 5

ST Relay
ST CUT

22 PK 24 PK
Relay

1 3 2 3
L

2 2 2 2

GR
W–B

Y
W–B

W–B

20 A 21 A
A63(A), A64(B)
Junction
Connector

12 B

R R
W–B

A8

- 22 -
Engine Control

A13(A), A14(B), E1(C), E2(D), E3(E), E4(F)


Engine Control Module

TACH TC CANL CANH


15 B 21 A 13 A 14 A

A68(D), L11(A),
L12(B), L13(C) BR

R
P
Main Body ECU

CANH CANL TACH


5 A 6 A 8 A 17 DH 22 DH
20 9

Connector
Junction
G
R

A67
24 DA 9 DA 22 11 10 21

R
B

10 3B 9 3B 46 LA1 45 LA1

cardiagn.com
10 3L 10 3A 9 3A
B

P
9 13
TAC TC
A19(A), A21(C)
9 C 8 C Skid Control ECU
DLC3

CANL CANH
L31

CANH CANL
14 6

FL+ FL– FR+ FR–


16 C 15 C 16 A 15 A
G

G
R

V
13 2 15 4
Connector
Junction
L97

14 3 16 5
Front Speed Sensor
G

G
R

R R

- 23 -
Engine Control

A13(A), A14(B), E1(C), E2(D), E3(E), E4(F)


Engine Control Module

CAN+ CAN– SPD


10 A 9 A 24 B
W
B

V
18 A 28 A
CAN+ CAN–

A12(A)
Transmission Control
Module

L10
Combination Meter

TFT Module

cardiagn.com
TFT Panel CPU
TFT
CPU

MPX–B

IG2
A19(A), A21(C)
Skid Control ECU Back Light
Body
Earth

RL+ RL– RR+ RR– SP1 Signal


11 A 10 A 11 C 10 C 23 A Earth
Y

V
L

13 PK 19 PK +S SI
10 9
Rear Speed Sensor
V

18 PA 14 PA
V
L

R R

G G

R R

- 24 -
Engine Control

(IG) (BAT)

10A 10A
P–J/B D MPX–B 2

30 2C 42 DA

L
1
L136
Junction
6 LA1 Connector
2

P
L10 L
Combination Meter 14 13
IG2 B

cardiagn.com
Buzzer
Speedometer

Tachometer

Indicator Lamp
Temp.

Malfunction
Master
5V IC
I/F

CPU I/F LED DRIVER


CAN CONTROLLER

CAN I/F

CANH CANL E2 ES EFI


20 21 17 18 11
W–B

BR
G
R

6
L100
Junction
Connector
8
W–B

41 DA 58 PA

G 40 DA 43 PA

R
W–B

BR

L4 L1

- 25 -
Engine Control

A 12 A 13 A 14
Gray White White

1 2 3 4 5 6 7 1 2 3 4 5 6 1 2 3 4 5 6 7

8 9 10 11 12 13 14 15 16 17 7 8 9 10 11 12 13 14 15 16 8 9 10 11 12 13 14 15 16 17
18 19 20 21 22 23 24 25 26 27 17 18 19 20 21 22 23 24 25 26 27 18 19 20 21 22 23 24 25
28 29 30 31 32 33 34 28 29 30 31 32 33 34 35 26 27 28 29 30 31

A 16 A 19
Black Black

1 2

3 4 5 6 7 8 9 10 11 12 13 14 15 16
1 2
17 18 19 20 21 22 23 24 25 26 27 28 29 30

31 32
33 34 35 36 37 38 39 40 41 42 43 44 45 46

cardiagn.com
A 21 A 35 A 36
Gray Green Black

1 2 1 2 3 4 5 6

3 4
3 4 5 6 7 8 9 10 11 12 13 14 15 16
1 2
17 18 19 20 21 22 23 24 25 26 27 28 29 30

31 32
33 34 35 36 37 38 39 40 41 42 43 44 45 46

A 60 A 61 A 62
Blue Black Blue

1 2 3 4 5 6
1 2 3 4 5 6 7 8 9 10 11 1 2 3 4 5 6 7 8 9 10 11
7 8 9 10 11 12
12 13 14 15 16 17 18 19 20 21 22 12 13 14 15 16 17 18 19 20 21 22

A 63 A 64 A 67
Black Black Black

1 2 3 4 5 6 7 8 9 10 11 1 2 3 4 5 6 7 8 9 10 11 1 2 3 4 5 6 7 8 9 10 11
12 13 14 15 16 17 18 19 20 21 22 12 13 14 15 16 17 18 19 20 21 22 12 13 14 15 16 17 18 19 20 21 22

- 26 -
Engine Control

A 68 A 69 A 70 E1
White White Gray White

1 2 3
1 2 3 4 5 6 7 8 9 10 4 5 6 1 2 3 4 5 6 7
1 2
11 12 13 14 15 16 17 18 19 20 8 9 10 11 12 13 14 15 16 17
3 4 5 6
18 19 20 21 22 23 24 25 26 27
7 8 9 10
28 29 30 31 32 33 34

E2 E3 E4
White White White

1 2 3 4 5 6 7 1 2 3 4 5 6 1 2 3 4 5 6 7

8 9 10 11 12 13 14 15 16 17 18 19 7 8 9 10 11 12 13 14 15 16 8 9 10 11 12 13 14 15 16 17
17 18 19 20 21 22 23 24 25 26
20 21 22 23 24 25 26 27 18 19 20 21 22 23 24 25 26 27
27 28 29 30 31 32 33
28 29 30 31 32 33 34 35 28 29 30 31 32

cardiagn.com
E9 E 10 E 12 E 13 E 14
Black Black Black Black Dark Gray

1 2 1 2
1 2 3 4 5 1 2 1 2 3 4 5

E 15 E 16 E 17 E 18
Gray Gray Black Black

1 2 1 2 3 4 5
1 2 3 4
5 6 7 8
1 2 3

4 5 6

E 19 E 20 E 21 E 22
Black Black Black Black

1 2
1 2 3 1 2 3 4 5 6 1 2 3 4 5

E 24 E 27 E 28 E 30
Black Gray Gray Gray

1 2 1 2 3 4
1 2 3 4
3 4 5 6 7 8
1 2 3

4 5 6

- 27 -
Engine Control

E 31 E 32 E 33 E 34
Black Black Black Gray

1 2 3 4 1 2 3 4
1 2 3 1 2 3

E 35 E 36 E 38 E 39
Gray Black Gray Black

1 2
1 2 3 4 1 2 3 4
1 2 3

E 40 E 41 E 42 E 43
Black Black Gray Gray

1 2
1 2 3 4 1 2 3 4
1 2 3

cardiagn.com
E 44 E 45 E 46 E 47 E 48
Black Black Black Dark Gray Dark Gray

1 2 3 4 1 2 1 2
1 2 1 2 3 4 3 4

E 49 E 51 E 52
Gray Blue Black

1 2 3 4 1 2 3 4 5 6
1 2 3 4 5 6 7 8 9 10 11
7 8 9 10 11 12
5 6 7 8 9
12 13 14 15 16 17 18 19 20 21 22

E 53 E 54 E 55 H1
Black Black Dark Gray Gray

1 2 3
1 2
1 2 3 4 5 6 7 8 9 10 11
3 4 1 2
12 13 14 15 16 17 18 19 20 21 22
3 4

H2 H3 H4 H5
Black Gray Black Gray

1 2

1 2 1 2 1 2
3 4 3 4 3 4

- 28 -
Engine Control

H6 H7 H8 H9 H 10
Gray Black Gray Gray Black

1 2 1 2

1 2 1 2 1 2

H 11 H 12 H 13 H 14 H 15
Black Gray Black Gray Black

1 2 1 2

1 2 1 2 1 2

H 16 H 17 I1 I2 I3
Black Dark Gray Black Black Black

1 2 1 2 1 2 1 2 1 2
3

cardiagn.com
I4 J1 J2 J3 J4
Black Black Black Black Black

1 2 1 2 1 2 1 2 1 2

L 10 L 11 L 12
Black White White

1 2 3 4 5 6 7 8 9 10 11 12 1 4 1 2 3 4 5 6 7 8 9 10
2 3
13 14 15 16 17 18 19 20 21 22 23 24 11 12 13 14 15 16 17 18 19 20
5 6 7 8 9 10
21 22 23 24 25 26 27 28
11 12 13 14 15 16

L 13 L 31 L 32
White White White

1 2 3 4 5 6 1 2 3 4 5 6 7 8
16 15 14 13 12 11 10 9
7 8 9 10 11 12 13 14 15 16 17
8 7 6 5 4 3 2 1
18 19 20 21 22 23 24 25 26

- 29 -
Engine Control

L 49 L 50 L 97 L100 L136
Dark Gray Dark Gray Black Blue Black

1 2 3 4 5 1 2 3 4
1 2 1 2 6 7 8 9 10 11 12
3 4 3 4
1 2 3 4 5 6 7 8 9 10 11
12 13 14 15 16 17 18 19 20 21 22

S 11 S 57 V1 1L
White White Black

1
1 2 3 1 2 3
1 2 3 4 5
4 5 6 7 8 6 7 8 9 10
4 5

2A 2B
Black Black

1 2 3 4 5
6 7 8 9 10 11 12 13 1 2

cardiagn.com
3 4

2C 2D
White Black

1 2 3 4
1 2 3 4 5 6 7 8 9 10 11 12 13 14 15 16 17 18 5 6 7 8 9 10

19 20 21 22 23 24 25 26 27 28 29 30 31 32 33 34 35 36

2E 2G 3A
Black Black White

1 2 3 4 5 6 7 8 9 10 11 12

1 2 3 4 5 6 7
1 2
8 9 10 11 12 13 14

3B 3L
Gray Gray

1 2 3 4 5 6 7 8 9 10 11 12 1 2 3 4 5 6 7 8 9 10 11 12

DA DH
White Gray

7 8 9 10 11 12 13 14 15 16 17 18 19 20 21 22
1 2 3 4 5 6
23 24 25 26 27 28 29 30 31 32 33 34 35 36 37 38 1 2 5 6
39 40 41 42 43 44 45 46 47 48 49 50 51 52 53 54 55 56 57 58 59 60 3 4

7 8 9 10 11 12 13 14 15 16

17 18 19 20 21 22 23 24

- 30 -
Engine Control

PA PK
White Gray

7 8 9 10 11 12 13 14 15 16 17 18 19 20 21 22
1 2 3 4 5 6
23 24 25 26 27 28 29 30 31 32 33 34 35 36 37 38 1 2 5 6
39 40 41 42 43 44 45 46 47 48 49 50 51 52 53 54 55 56 57 58 59 60 3 4

7 8 9 10 11 12 13 14 15 16

17 18 19 20 21 22 23 24

AS1
White

11 10 9 8 7 6 5 4 3 2 1
1 2 3 4 5 6 7 8 9 10 11
22 21 20 19 18 17 16 15 14 13 12
12 13 14 15 16 17 18 19 20 21 22

cardiagn.com
AS2
White

1 2 8 9
9 8 2 1
10 11 3 4 5 6 7 17 18
12 13 14 15 16 18 17 7 6 5 4 3 11 10
16 15 14 13 12

EA1
White

9 8 7 6 5 4 3 2 1
1 2 3 4 5 6 7 8 9
25 16 15 14 13 12 11 10 17
17 10 11 12 13 14 15 16 25 24 23 22 21 20 19 18
18 19 20 21 22 23 24

EA2
White

11 10 9 8 7 6 5 4 3 2 1
1 2 3 4 5 6 7 8 9 10 11
22 21 20 19 18 17 16 15 14 13 12
12 13 14 15 16 17 18 19 20 21 22

- 31 -
Engine Control

EA3 EA4
White White

1 2 8 9
9 8 2 1 1 2
10 11 3 4 5 6 7 17 18
3 4 2 1
12 13 14 15 16 18 17 7 6 5 4 3 11 10
4 3
16 15 14 13 12

EH1 EI1
Gray Gray

6 5 4 3 2 1 1 2 3 4 4 3 2 1
1 2 3 4 5 6 8 7 6 5
5 6 7 8
7 8 9 10 11 12 13 13 12 11 10 9 8 7

cardiagn.com
EJ1
Gray

1 2 3 4 4 3 2 1
5 6 7 8 8 7 6 5

LA1
White

7 8 9 10 11 12 13 14 15 16 17 18 19 20 21 22
1 2 3 4 5 6
23 24 25 26 27 28 29 30 31 32 33 34 35 36 37 38
39 40 41 42 43 44 22 21 20 19 18 17 16 15 14 13 12 11 10 9 8 7
45 46 47 48 49 50 51 52 53 54 55 56 57 58 59 60 6 5 4 3 2 1
38 37 36 35 34 33 32 31 30 29 28 27 26 25 24 23
60 59 58 57 56 55 54 53 52 51 50 49 48 47 46 45 44 43 42 41 40 39

VS1
Black

1 2 3 4 5 5 4 3 2 1
6 7 8 9 10 10 9 8 7 6

- 32 -
Electric Parking Brake

(IG) (BAT) (BAT)

5A 30A 5A
RR–IG1–1 E–PKB ECU–B2

2 2

21 LA 40 LA 2

BE
14 AS2

BE
G

cardiagn.com
4 B 8 A 2 B
IG +B BECU
S46(A), S48(B)
Parking Brake ECU
M+ M– TGND VT TSEN TSN2 SG GND1
2 A 1 A 14 B 7 B 8 B 6 B 10 B 3 A
(Shielded)

W–B
GR

G
R
B
L

8 7 1 6 5 10 2
M+ M– TGND VT TSEN TSN2 SG

S32
Parking Brake Actuator 8
S54
Junction
Connector

S1

-1-
Electric Parking Brake

(IG)

10A
D–IG1–3

47 DA
L39
Electric Parking Brake Switch
L

12 3H

12 3D
AUTO

PUSH PULL
L

cardiagn.com
IND+ IND– AUTO LOK1 LOK2 RLS1 RLS2 GND
1 3 5 7 9 6 10 8

W
G

G
R

B
L

24 LS1 23 LS1 28 LS1 27 LS1 26 LS1 25 LS1


W 1 3D
G

G
R

B
6 A 5 B 12 B 15 B 16 B 13 B 1 3H
LPA AUTO LCK1 LCK2 REL1 REL2
S46(A), S48(B)

W–B
Parking Brake ECU
TX CA2L CA2H
7 A 1 B 9 B 45 DA
W

B
L

40 DA

47 LS1
W–B
Y

8 4K

8 4G
L

L4

-2-
Electric Parking Brake

W
G
R

B
45 LA1 46 LA1 48 LA1 49 LA1

cardiagn.com
W
G
R

B
A65
A67 A67 Junction Connector
Junction Connector 11 22 Junction Connector 1 12

10 21 9 20 3 14 2 13 9 20
LG
W
G
R
V

P
14 A 13 A 12 A 11 A 30 C 29 C 7 A 6 A
CANH CANL CA1H CA1L CA1H CA1L CA2H CA2L

CA2L CA2H CANL CANH


17 A 18 A A13(A) 8 C 9 C A19(A), A21(C)
Engine Control Module Skid Control ECU
LG

V
L

LG

B B

W W

L L

-3-
Electric Parking Brake

(IG)

10A
P–IG1–1

31 PA

V
G

B
12 4H
W

12 4B

cardiagn.com
4
W

R
B

A65

Junction Connector
IG

Yaw Rate Sensor


Junction Connector

22 11 15 4

L97 CA1H CA1L GND

L71
10 21 7 18 20 9 16 5 3 2 1

W–B
LG

W
G

R
B

B
L

5 AS2 6 AS2

2 4B
W
B

1 4H 1 4J
W–B

W–B

51 PA 40 PA
L

LG

39 PA
W–B

B R

W G

L L

W–B

L1 L3

-4-
Electric Parking Brake

(IG) (BAT)

10A 10A
P–J/B D MPX–B 2

30 2C 42 DA

L
1
L136
Junction
6 LA1 Connector
2

P
L
L10
Combination Meter 14 13
IG2 B
TFT Module

cardiagn.com
TFT Panel CPU
TFT Buzzer
CPU

Park (Except USA)

AUTO HOLD
MPX–B

PARK (USA)
Master

HOLD
5V IC
I/F

IG2
Back Light
CPU
Body
Earth CAN LED DRIVER
CONTROLLER
Signal
Earth

CAN I/F UART


I/F

CANH CANL EPB ES E2


20 21 24 18 17
G
R

W–B
BR

6
L100
Junction
Connector
8
W–B

58 PA 41 DA

R
43 PA 40 DA
G

L
W–B
BR

L1 L4

-5-
Electric Parking Brake

A 13 A 19
White Black

1 2 3 4 5 6

7 8 9 10 11 12 13 14 15 16 3 4 5 6 7 8 9 10 11 12 13 14 15 16
1 2
17 18 19 20 21 22 23 24 25 26 27 17 18 19 20 21 22 23 24 25 26 27 28 29 30

28 29 30 31 32 33 34 35 31 32
33 34 35 36 37 38 39 40 41 42 43 44 45 46

A 21 A 65
Gray Gray

1 2 3 4 5 6 7 8 9 10 11
3 4 5 6 7 8 9 10 11 12 13 14 15 16 12 13 14 15 16 17 18 19 20 21 22
1 2
17 18 19 20 21 22 23 24 25 26 27 28 29 30

cardiagn.com
31 32
33 34 35 36 37 38 39 40 41 42 43 44 45 46

A 67 L 10 L 39
Black Black White

1 2 3 4 5 6 7 8 9 10 11 1 2 3 4 5
1 2 3 4 5 6 7 8 9 10 11 12
12 13 14 15 16 17 18 19 20 21 22 6 7 8 9 10
13 14 15 16 17 18 19 20 21 22 23 24

L 71 L 97 L100 L136
Black Black Blue Black

1 2 3 4 5 1 2 3 4
6 7 8 9 10 11 12
1 2 3 4 5 6
1 2 3 4 5 6 7 8 9 10 11
12 13 14 15 16 17 18 19 20 21 22

S 32 S 46 S 48 S 54
White White White White

1 2 1 2 3
4 3 2 1 1 2 3 4 5 6 7 8 4 5 6 7 8
3 4 5 6 7 8
10 9 8 7 6 5 9 10 11 12 13 14 15 16

-6-
Electric Parking Brake

2C 3D
White Gray

1 2 3 4 5 6 7 8 9 10 11 12

1 2 3 4 5 6 7 8 9 10 11 12 13 14 15 16 17 18

19 20 21 22 23 24 25 26 27 28 29 30 31 32 33 34 35 36

3H 4B
Gray Gray

1 2 3 4 5 6 7 8 9 10 11 12 1 2 3 4 5 6 7 8 9 10 11 12

4G 4H
White Gray

1 2 3 4 5 6 7 8 9 10 11 12 1 2 3 4 5 6 7 8 9 10 11 12

4J 4K
Gray White

cardiagn.com
1 2 3 4 5 6 7 8 9 10 11 12 1 2 3 4 5 6 7 8 9 10 11 12

DA
White

7 8 9 10 11 12 13 14 15 16 17 18 19 20 21 22
1 2 3 4 5 6
23 24 25 26 27 28 29 30 31 32 33 34 35 36 37 38
39 40 41 42 43 44 45 46 47 48 49 50 51 52 53 54 55 56 57 58 59 60

LA
White

7 8 9 10 11 12 13 14 15 16 17 18 19 20 21 22
1 2 3 4 5 6
23 24 25 26 27 28 29 30 31 32 33 34 35 36 37 38
39 40 41 42 43 44 45 46 47 48 49 50 51 52 53 54 55 56 57 58 59 60

PA
White

7 8 9 10 11 12 13 14 15 16 17 18 19 20 21 22
1 2 3 4 5 6
23 24 25 26 27 28 29 30 31 32 33 34 35 36 37 38
39 40 41 42 43 44 45 46 47 48 49 50 51 52 53 54 55 56 57 58 59 60

-7-
Electric Parking Brake

AS2
White

1 2 8 9
9 8 2 1
10 11 3 4 5 6 7 17 18
12 13 14 15 16 18 17 7 6 5 4 3 11 10
16 15 14 13 12

LA1
White

7 8 9 10 11 12 13 14 15 16 17 18 19 20 21 22
1 2 3 4 5 6
23 24 25 26 27 28 29 30 31 32 33 34 35 36 37 38
39 40 41 42 43 44 22 21 20 19 18 17 16 15 14 13 12 11 10 9 8 7
45 46 47 48 49 50 51 52 53 54 55 56 57 58 59 60 6 5 4 3 2 1
38 37 36 35 34 33 32 31 30 29 28 27 26 25 24 23
60 59 58 57 56 55 54 53 52 51 50 49 48 47 46 45 44 43 42 41 40 39

cardiagn.com
LS1
White

7 8 9 10 11 12 13 14 15 16 17 18 19 20 21 22
1 2 3 4 5 6
23 24 25 26 27 28 29 30 31 32 33 34 35 36 37 38
39 40 41 42 43 44 22 21 20 19 18 17 16 15 14 13 12 11 10 9 8 7
45 46 47 48 49 50 51 52 53 54 55 56 57 58 59 60 6 5 4 3 2 1
38 37 36 35 34 33 32 31 30 29 28 27 26 25 24 23
60 59 58 57 56 55 54 53 52 51 50 49 48 47 46 45 44 43 42 41 40 39

-8-
Electric Power Control System

(BAT) (IG) (BAT) (BAT)

5A 5A 5A 5A
VSSR P IG2 PMG P–D/C
CUT

BE
18 A 7 26 2
VB+ IG BECU BCUT
A69(A)
Electric Power Control ECU
CUTD THB VC IB E2 VB–
1 20 A 6 A 9 A 10 A 8 A

cardiagn.com
W–B
W
P

L
35 PA 57 PA
B

1 2 3 4
8 5B 5 4H THB VC5 IB E2

8 5H 8 5J 4 4A 5 4B
B

48 LS1

A49
Battery Current Sensor
B

6 NS2
L134(A), z7(C), z14(F)

B
Windshield Wiper

7 A 1 A 4 B 1 A
Control ECU LH

Console Switch
Spiral Cable

+B B BCUT B
Front Door
N10(B)
L25(A)

L75(A)
Switch

12 F (∗1)
12 C (∗2)
(∗1)

(∗2)
W

Steering Pad Switch

W–B
with Modulator
z7(C), z14(F)

Steering
Switch ECU

A6

-1-
Electric Power Control System

(BAT)
∗ 1 : w/ Paddle Shift Switch
∗ 2 : w/o Paddle Shift Switch
5A
AM2

Connector
Junction

19 PA 28 PA

W
G
R

15 A 14 A
CANH CANL
A69(A)
Electric Power Control ECU
GND STSW
4 12 A A68(D), L12(B), L13(C)
Main Body ECU 6 C 1 B
AM1 AM2

cardiagn.com
B

39 PA 51 PA 40 PA

STSW SSW1 SSW2


4 D 17 C 16 C
W–B

W–B

W–B

W
B

7 2
SS1 SS2

SS1 SS2 GND

Free
Power Switch

11 PK
Full
Traveling
L36

GND
20 PK 5
B

2 4E

1 4J 1 4H
W–B

W–B
W–B

W–B

L3 L1

-2-
Electric Power Control System

A 49 A 68 A 69 L 12
Black White White White

1 2
3 4 1 2 3 4 5 6 7 8 9 10
1 2 1 2 3 4 5 6 7 8 9 10
11 12 13 14 15 16 17 18 19 20
11 12 13 14 15 16 17 18 19 20
3 4 5 6
21 22 23 24 25 26 27 28
7 8 9 10

L 13 L 25 L 36 L 75
White White Black White

1 2 3 4 1 2 3 4 5 6 7 1 2 3 4 5
1 2 3 4 5 6
5 6 7 8 8 9 10 11 12 13 14
7 8 9 10 11 12 13 14 15 16 17
18 19 20 21 22 23 24 25 26

cardiagn.com
L134 N 10 z7 z 14
Black White White Black

1 2 3 4 5 6 7 1 2 3 4 5 6
1 2 5 6 1 2 3 4 5
8 9 10 11 12 13 14 3 4 7 8 9 10 11 12
6 7 8 9 10
7 8 9 10 11 12 13 14 15 16

17 18 19 20 21 22 23 24

4A 4B
White Gray

1 2 3 4 5 6 7 8 9 10 11 12 1 2 3 4 5 6 7 8 9 10 11 12

4E 4H
White Gray

1 2 3 4 5 6 7 8 9 10 11 12 1 2 3 4 5 6 7 8 9 10 11 12

4J 5B
Gray Gray

1 2 3 4 5 6 7 8 9 10 11 12 1 2 3 4 5 6 7 8 9 10 11 12

5H 5J
Gray Gray

1 2 3 4 5 6 7 8 9 10 11 12 1 2 3 4 5 6 7 8 9 10 11 12

-3-
Electric Power Control System

PA PK
White Gray

7 8 9 10 11 12 13 14 15 16 17 18 19 20 21 22
1 2 3 4 5 6
23 24 25 26 27 28 29 30 31 32 33 34 35 36 37 38 1 2 5 6
39 40 41 42 43 44 45 46 47 48 49 50 51 52 53 54 55 56 57 58 59 60 3 4

7 8 9 10 11 12 13 14 15 16

17 18 19 20 21 22 23 24

LS1
White

7 8 9 10 11 12 13 14 15 16 17 18 19 20 21 22
1 2 3 4 5 6
23 24 25 26 27 28 29 30 31 32 33 34 35 36 37 38
39 40 41 42 43 44 22 21 20 19 18 17 16 15 14 13 12 11 10 9 8 7
45 46 47 48 49 50 51 52 53 54 55 56 57 58 59 60 6 5 4 3 2 1
38 37 36 35 34 33 32 31 30 29 28 27 26 25 24 23
60 59 58 57 56 55 54 53 52 51 50 49 48 47 46 45 44 43 42 41 40 39

cardiagn.com
NS2
White

9 8 7 6 5 4 3 2 1
1 2 3 4 5 6 7 8 9
18 17 16 15 14 13 12 11 10
10 11 12 13 14 15 16 17 18

-4-
EPS

(BAT) (IG) (BAT)

E/G RM–IG1–1

10A EPS ECU


80A EPS

10A
1 1M 6 2A 3 2C 17 2C
LG

R
B

C5
Steering Torque Sensor
Connector

6 A
Junction
A63(A)

7 A
INCS INSN TRQV OUCS OUSN TQG2 TQG1
1 2 4 5 6 7 8
G

A46(A), A47(B)
Power Steering
1 B DC/DC Converter 1 A

cardiagn.com
PIG IG

Connector
Junction
G–W

L–W
G–B

R–B
Y–B
R–L

GND WDD1 VOT1 LDD


11 A 2 A 4 A 8 A
W–B

R
B

P
7 A 4 A 10 A 9 A 6 A 10 C 9 C 4 C 12 C 11 C 13 C 6 C 1 A 8 A
WDD1 PIG LDD IG +B INCS INSN TRQV OUCS OUSN TQG2 TQG1 CA2H CA2L

A44(A), C1(B), C2(C)


Power Steering ECU
RZV RZSN RZCS RZG SRZG W U V PGND CA1H CA1L
3 C 7 C 8 C 1 C 2 C 3 B 2 B 1 B 5 A 2 A 3 A
BR
Connector

22 B
Junction
A64(B)

(Shielded)

(Shielded)

21 B
W–B

LG
W

W
G

R
B

3 B 1 B 4 B 2 B 2 A 3 A 1 A
RZV RZSN RZCS RZG V U W

C3(A), C4(B)
Power Steering Motor LG

L
W–B

A8 A7

-1-
EPS

W
G
R

B
45 LA1 46 LA1 48 LA1 49 LA1

Junction Connector

Junction Connector
W

W
G

G
R

R
V

B
Junction Connector

11 22 10 21 1 12 22 11 15 4

cardiagn.com
A67

L97
A67

2 13 21 10 16 5
9 20

R
B
38 LS1 37 LS1
LG
G
R

Junction Connector
W

B
Engine Control Module

A19(A), A21(C)
Skid Control
14 A 13 A 8 C 9 C ECU 30 C 29 C 13 2
A13(A), E1(C)

CANH CANL CANL CANH CA1H CA1L

NE+ NE– VC FL+ FL– FR+ FR– RL+ RL– RR+ RR–
12 1 S58
27 C 34 C 18 C 16 C 15 C 16 A 15 A 11 A 10 A 11 C 10 C
W

55 LS1 54 LS1
W

Y
L

Junction Connector
W

B
Crankshaft Position

1 2
NE NE– 14 3 R

Front Speed Sensor Rear Speed Sensor G


Sensor

L99

VC
E54

15 4
3
W

B
L

Junction Connector

22 LA3 21 LA3
E52(A), E53(B)

13 B 22 B
LG

19 A 15 A

LG

-2-
EPS

(IG) (BAT)

10A 10A
P–J/B D MPX–B 2

30 2C 42 DA

L
1
L136
Junction
6 LA1 Connector
2

P
L
L10
Combination Meter 14 13
IG2 B
TFT Module

cardiagn.com
TFT Panel CPU
TFT Buzzer
CPU

MPX–B

Power Steering
5V IC

Master
I/F

IG2
Back Light
CPU
Body
Earth LED DRIVER
CAN CONTROLLER

Signal
Earth

CAN I/F

CANH CANL CANN CANP ES E2


20 21 23 22 18 17
W
G
R

W–B
BR

R
6
G L100
Junction
Connector
8
W–B

58 PA 41 DA

43 PA 40 DA

W
W–B
BR

L1 L4

-3-
EPS

(BAT)

5A
P–D/C
CUT

57 PA

B
2 1
BCUT CUTD
5 4H

Electric Power
Control ECU
5 4B

cardiagn.com
B

L75(A)
1 A Console Switch
Outer Mirror Switch

Suspension Control Switch


Assembly

CANP CANN MPX MPX E


L6

2 3 7 3 A 5 A
W–B
W
B

3 5I 4 4B 1 4B

10 21
Connector
Junction
L95

7 18 3 5F 3 4F 1 4H 1 4J
W–B

W–B
W
B

29 DA 51 PA 40 PA

51 DA 39 PA
W–B

W–B

L3 L1

-4-
EPS

A 13 A 19
White Black

1 2 3 4 5 6

7 8 9 10 11 12 13 14 15 16 3 4 5 6 7 8 9 10 11 12 13 14 15 16
1 2
17 18 19 20 21 22 23 24 25 26 27 17 18 19 20 21 22 23 24 25 26 27 28 29 30

28 29 30 31 32 33 34 35 31 32
33 34 35 36 37 38 39 40 41 42 43 44 45 46

A 21 A 44
Gray Black

3 4 5 6 7 8 9 10 11 12 13 14 15 16
1 2
17 18 19 20 21 22 23 24 25 26 27 28 29 30
1 2 3

cardiagn.com
31 32 4 5 6 7 8
33 34 35 36 37 38 39 40 41 42 43 44 45 46
9 10 11

A 46 A 47 A 63
Black Black Black

1
1 2 3 4 5 6 7 8 9 10 11
12 13 14 15 16 17 18 19 20 21 22

1 2 3
4 5 6 7 8
9 10 11

A 64 A 67 C1
Black Black Black

1 2 3 4 5 6 7 8 9 10 11 1 2 3 4 5 6 7 8 9 10 11
12 13 14 15 16 17 18 19 20 21 22 12 13 14 15 16 17 18 19 20 21 22
1
2

-5-
EPS

C2 C3 C4 C5
Black Gray Gray Gray

1 2 1 2 3 4
1 2 3 4 5 6
3 4 5 6 7 8
7 8 9 10 11 12 13

1
2

E1 E 52 E 53
White Black Black

1 2 3 4 5 6 7 1 2 3 4 5 6 7 8 9 10 11 1 2 3 4 5 6 7 8 9 10 11
8 9 10 11 12 13 14 15 16 17 12 13 14 15 16 17 18 19 20 21 22 12 13 14 15 16 17 18 19 20 21 22
18 19 20 21 22 23 24 25 26 27
28 29 30 31 32 33 34

cardiagn.com
E 54 L6 L 10 L 75
Black White Black White

1 2 3
1 2 3 4 5 6 1 2 3 4 5
1 2 3 4 5 6 7 8 9 10 11 12
7 8 9 10 11 12
13 14 15 16 17 18 19 20 21 22 23 24

L 95 L 97 L 99
Gray Black Black

1 2 3 4 5 6 7 8 9 10 11 1 2 3 4 5 6 7 8 9 10 11 1 2 3 4 5 6 7 8 9 10 11
12 13 14 15 16 17 18 19 20 21 22 12 13 14 15 16 17 18 19 20 21 22 12 13 14 15 16 17 18 19 20 21 22

L100 L136 S 58 1M
Blue Black Black

1 2 3 4 5 1 2 3 4 1
6 7 8 9 10 11 12

1 2 3 4 5 6 7 8 9 10 11
12 13 14 15 16 17 18 19 20 21 22

-6-
EPS

2A 2C
Black White

1 2 3 4 5
6 7 8 9 10 11 12 13 1 2 3 4 5 6 7 8 9 10 11 12 13 14 15 16 17 18

19 20 21 22 23 24 25 26 27 28 29 30 31 32 33 34 35 36

4B 4F
Gray Gray

1 2 3 4 5 6 7 8 9 10 11 12 1 2 3 4 5 6 7 8 9 10 11 12

4H 4J
Gray Gray

1 2 3 4 5 6 7 8 9 10 11 12 1 2 3 4 5 6 7 8 9 10 11 12

5F 5I
Gray White

cardiagn.com
1 2 3 4 5 6 7 8 9 10 11 12 1 2 3 4 5 6 7 8 9 10 11 12

DA
White

7 8 9 10 11 12 13 14 15 16 17 18 19 20 21 22
1 2 3 4 5 6
23 24 25 26 27 28 29 30 31 32 33 34 35 36 37 38
39 40 41 42 43 44 45 46 47 48 49 50 51 52 53 54 55 56 57 58 59 60

PA
White

7 8 9 10 11 12 13 14 15 16 17 18 19 20 21 22
1 2 3 4 5 6
23 24 25 26 27 28 29 30 31 32 33 34 35 36 37 38
39 40 41 42 43 44 45 46 47 48 49 50 51 52 53 54 55 56 57 58 59 60

LA1
White

7 8 9 10 11 12 13 14 15 16 17 18 19 20 21 22
1 2 3 4 5 6
23 24 25 26 27 28 29 30 31 32 33 34 35 36 37 38
39 40 41 42 43 44 22 21 20 19 18 17 16 15 14 13 12 11 10 9 8 7
45 46 47 48 49 50 51 52 53 54 55 56 57 58 59 60 6 5 4 3 2 1
38 37 36 35 34 33 32 31 30 29 28 27 26 25 24 23
60 59 58 57 56 55 54 53 52 51 50 49 48 47 46 45 44 43 42 41 40 39

-7-
EPS

LA3
White

7 8 9 10 11 12 13 14 15 16 17 18 19 20 21 22
1 2 3 4 5 6
23 24 25 26 27 28 29 30 31 32 33 34 35 36 37 38
39 40 41 42 43 44 22 21 20 19 18 17 16 15 14 13 12 11 10 9 8 7
45 46 47 48 49 50 51 52 53 54 55 56 57 58 59 60 6 5 4 3 2 1
38 37 36 35 34 33 32 31 30 29 28 27 26 25 24 23
60 59 58 57 56 55 54 53 52 51 50 49 48 47 46 45 44 43 42 41 40 39

LS1
White

7 8 9 10 11 12 13 14 15 16 17 18 19 20 21 22
1 2 3 4 5 6
23 24 25 26 27 28 29 30 31 32 33 34 35 36 37 38
39 40 41 42 43 44 22 21 20 19 18 17 16 15 14 13 12 11 10 9 8 7
45 46 47 48 49 50 51 52 53 54 55 56 57 58 59 60 6 5 4 3 2 1
38 37 36 35 34 33 32 31 30 29 28 27 26 25 24 23
60 59 58 57 56 55 54 53 52 51 50 49 48 47 46 45 44 43 42 41 40 39

cardiagn.com

-8-
2
1
2
L
IG
1
W–B W–B Y W L G

15 B
16 B

S3
10 DD
(IG)

18 Se1
1 Se2

E
DBCL
DRDC
5A

e54 e46(B)
Front Seat Inner Front Power Seat Control ECU and S2
Belt Switch LH Switch LH
D–IG1–1

Front Tension
Reducer LH

-1-
2
1
2
L
IG
1

W–B W–B W W V
15 PJ

R3
(IG)

18 Re1
1 Re2

E
e12
10A
Electric Tension Reducer

Front Seat Inner R9


Belt Switch RH
P–IG1–1

Front Tension
Reducer RH

cardiagn.com
Electric Tension Reducer

R9 S2 e 12 e 46
White White White White

1 2 1 2
2 1
4 3 1 2 3 10 11 12
4 5 6 7 8 9
13 14 15 16 17 18 19 20 21 22 23 24 25 26

e 54 DD
White Gray

4 3 2 1 7 8 9 10 11 12
1 2 3 4 5 6
13 14 15 16 17 18
19 20 21 22 23 24 25 26 27 28 29 30

PJ Re1
Gray White

cardiagn.com
7 8 9 10 11 12
1 2 3 4 5 6
13 14 15 16 17 18
1 2 8 9
19 20 21 22 23 24 25 26 27 28 29 30 9 8 2 1
10 11 3 4 5 6 7 17 18
12 13 14 15 16 18 17 7 6 5 4 3 11 10
16 15 14 13 12

Re2 Se1
White White

1 2 8 9
1 2 3 4 5 5 4 3 2 1 9 8 2 1
10 11 3 4 5 6 7 17 18
6 7 8 9 10 10 9 8 7 6 18 17 7 6 5 4 3 11 10
12 13 14 15 16
16 15 14 13 12

Se2
White

1 2 3 4 5 5 4 3 2 1

6 7 8 9 10 10 9 8 7 6

-2-
Fog Light

(BAT) (BAT) (BAT) (BAT) (IG)

FR CTRL BAT
FR CTRL ALT

10A ECU–B
80A E/G RM1

RM–IG1–2
10A E/G
30A
20A
1 1H 4 2A 5 2A 4 2C 28 2C

LG
W

Y
L

5 C 1 C 1 A 5 A
ALTB BATB FMB3 FMIG

FFOG E CANN CANP HEAD


6 A A50(A), A52(C) 2 A 4 A 3 A 8 A

cardiagn.com
Front Controller
W–B
W

R
Y

B
21 AR1 20 AR1 42 LA3
1 2F 5 2G

R
L25(A), z6(B)
Windshield Wiper
FR FOG Relay

Switch 7 A
W

HEAD

SB
B
3 1
Connector
15A FR FOG

Junction
R57

3 B 4 B
7 5 LFG BFG

LFG BFG

OFF
W

15 2C 21 2C 19 2C 11 2G
On
W–B

W–B

W–B

Fog Switch
R

14 3
Connector
Junction
R48

2 2
Fog Light RH
Fog Light LH

15 A 15 4
A63(A), A64(B)

z6(B)
A58

Connector

1 1 Headlight Dimmer Switch


A7

W
Junction

19 B 21 B 60 LR1 59 LR1

B
W–B
W–B

W–B

W–B

2
Connector
Junction

3 W–B
A70

A2 A8

-1-
Fog Light

(IG) (BAT)

5A 5A
D– P–D/C
IG1–1 CUT

21 DA
G

2
BCUT
Electric Power
Control ECU
CUTD
1

35 PA
G

12 5F 8 5B

cardiagn.com
12 5J 8 5J
G

L25(A), z6(B)
2 A 1 A Windshield Wiper Switch
IG B

E CANN CANP
8 A 6 A 5 A
GR
BR
W

W–B

R
12 B 11 B 17 B 19 B 20 B
EL HU HF A H
1 5J

EL HU HF EL AUTO T H

Flash OFF
1 5F
Low Tail
W–B

High Head

Dimmer Switch AUTO


57 DA
Light Control Switch

z6(B)
Headlight Dimmer Switch 40 DA
R

B B

W W
W–B

L4

-2-
Fog Light

(IG) (BAT)

10A 10A
P–J/B D MPX–B 2

30 2C 42 DA

L
1
L136
Junction
6 LA1 Connector
2

P
L

L10
14 13 Combination Meter
IG2 B

cardiagn.com
Front Fog

5V IC

CPU LED DRIVER


CAN CONTROLLER

CAN I/F

CANP CANN ES E2
22 23 18 17
W
B

W–B
BR

7 18 6
L100
Connector

Junction
Junction

Connector
L95

8
8 19 11 22
W–B
W

W
R

R 58 PA 41 DA

B
43 PA 40 DA
W
W–B
BR

L1 L4

-3-
Fog Light

A7 A 50 A 52 A 58
Brown White White Brown

1 2 1 2

1 2 3 4 5 6
1 2

3 4 5 6 7 8 9 10 11 12 13 14 15 16 17
7 8 9 10 18 19 20 21 22 23 24 25 26

A 63 A 64 A 70
Black Black Gray

1 2 3
1 2 3 4 5 6 7 8 9 10 11 1 2 3 4 5 6 7 8 9 10 11 4 5 6
12 13 14 15 16 17 18 19 20 21 22 12 13 14 15 16 17 18 19 20 21 22

L 10 L 25 L 95
Black White Gray

cardiagn.com
1 2 3 4
1 2 3 4 5 6 7 8 9 10 11 12 1 2 3 4 5 6 7 8 9 10 11
5 6 7 8
13 14 15 16 17 18 19 20 21 22 23 24 12 13 14 15 16 17 18 19 20 21 22

L100 L136 R 48 R 57
Blue Black Black Dark Gray

1 2 3 4 5 1 2 3 4
6 7 8 9 10 11 12
1 2 3 4
1 2 3 4 5 6 7 8 9 10 11
5 6 7 8
12 13 14 15 16 17 18 19 20 21 22

z6 1H 2A
White Black

1
1 2 3 4 5

1 2 3 4 5 6 7 8 9 10 6 7 8 9 10 11 12 13

11 12 13 14 15 16 17 18 19 20

2C 2F 2G
White Black Black

1 2 3 4 5 6 7
1 2 3 4 5 6 7 8 9 10 11 12 13 14 15 16 17 18 1
8 9 10 11 12 13 14
19 20 21 22 23 24 25 26 27 28 29 30 31 32 33 34 35 36

-4-
Fog Light

5B 5F
Gray Gray

1 2 3 4 5 6 7 8 9 10 11 12 1 2 3 4 5 6 7 8 9 10 11 12

5J DA
Gray White

1 2 3 4 5 6 7 8 9 10 11 12

7 8 9 10 11 12 13 14 15 16 17 18 19 20 21 22
1 2 3 4 5 6
23 24 25 26 27 28 29 30 31 32 33 34 35 36 37 38
39 40 41 42 43 44 45 46 47 48 49 50 51 52 53 54 55 56 57 58 59 60

PA
White

7 8 9 10 11 12 13 14 15 16 17 18 19 20 21 22
1 2 3 4 5 6
23 24 25 26 27 28 29 30 31 32 33 34 35 36 37 38
39 40 41 42 43 44 45 46 47 48 49 50 51 52 53 54 55 56 57 58 59 60

cardiagn.com
AR1
White

11 10 9 8 7 6 5 4 3 2 1
1 2 3 4 5 6 7 8 9 10 11
22 21 20 19 18 17 16 15 14 13 12
12 13 14 15 16 17 18 19 20 21 22

LA1
White

7 8 9 10 11 12 13 14 15 16 17 18 19 20 21 22
1 2 3 4 5 6
23 24 25 26 27 28 29 30 31 32 33 34 35 36 37 38
39 40 41 42 43 44 22 21 20 19 18 17 16 15 14 13 12 11 10 9 8 7
45 46 47 48 49 50 51 52 53 54 55 56 57 58 59 60 6 5 4 3 2 1
38 37 36 35 34 33 32 31 30 29 28 27 26 25 24 23
60 59 58 57 56 55 54 53 52 51 50 49 48 47 46 45 44 43 42 41 40 39

LA3
White

7 8 9 10 11 12 13 14 15 16 17 18 19 20 21 22
1 2 3 4 5 6
23 24 25 26 27 28 29 30 31 32 33 34 35 36 37 38
39 40 41 42 43 44 22 21 20 19 18 17 16 15 14 13 12 11 10 9 8 7
45 46 47 48 49 50 51 52 53 54 55 56 57 58 59 60 6 5 4 3 2 1
38 37 36 35 34 33 32 31 30 29 28 27 26 25 24 23
60 59 58 57 56 55 54 53 52 51 50 49 48 47 46 45 44 43 42 41 40 39

-5-
Fog Light

LR1
White

7 8 9 10 11 12 13 14 15 16 17 18 19 20 21 22
1 2 3 4 5 6
23 24 25 26 27 28 29 30 31 32 33 34 35 36 37 38
39 40 41 42 43 44 22 21 20 19 18 17 16 15 14 13 12 11 10 9 8 7
45 46 47 48 49 50 51 52 53 54 55 56 57 58 59 60 6 5 4 3 2 1
38 37 36 35 34 33 32 31 30 29 28 27 26 25 24 23
60 59 58 57 56 55 54 53 52 51 50 49 48 47 46 45 44 43 42 41 40 39

cardiagn.com

-6-
Fuel Lid Opener

(IG) (ACC) (BAT) (BAT) (BAT) (IG) (BAT)


10A D–IG1–3

RR MPX–B 1

RR MPX–B 2

FUEL OPN
5A D–ACC

RR–IG1–2
5A AM1

10A

15A
10A

5A
15 22 6 7 15 8 3
IG ACC ALTB MPXB LGLB IG FUEL
L11(A), L13(C) S61(A), S62(B)
Main Body ECU Rear Junction Block ECU
GND2 GND1 GND3 FUSW CANN CANP CANP CANN FUO PGND SG
4 5 1 A 20 C 15 A 16 A 20 B 28 B 1 A 4 17

cardiagn.com
16 LA 43 LA 29 LA
W–B

W
V

L
40 DA 41 DA

W–B

W–B

W–B
W–B

W–B

Junction Connector

Junction Connector

Fuel Lid Opener Motor


Luggage Door Opening Switch

11 2 14 3 3 14 2
Connector
Junction

B
L100

M
S59
L95
Fuel

S42
8 15 4 4 15
1

L
L3

3
W

W
B

Junction Connector
B

2 13
S60

1 4E 5 16
W
B

1 4J 1 4H

59 LS1 60 LS1
W–B

W–B

W
B

40 PA 51 PA

39 PA
W–B

W–B

W–B

W–B

7
W–B 1

S54
Junction
L4 L1 L3 S1 Connector

-1-
Fuel Lid Opener

L3 L 11 L 13
Black White White

1 2 3 4 5 1 2 3 4 5 6
1 4
2 3
5 6 7 8 9 10 7 8 9 10 11 12 13 14 15 16 17
11 12 13 14 15 16 18 19 20 21 22 23 24 25 26

L 95 L100 S 42 S 54
Gray Blue Black White

1 2 3 4 5
6 7 8 9 10 11 12 1 2 3
1 2 4 5 6 7 8
1 2 3 4 5 6 7 8 9 10 11
12 13 14 15 16 17 18 19 20 21 22

S 59 S 60 S 61
Black Black White

cardiagn.com
1 2 3 4 5 6 7 8 9 10 11 1 2 3 4 5 6 7 8 9 10 11 1 2 3 4 5 6
12 13 14 15 16 17 18 19 20 21 22 12 13 14 15 16 17 18 19 20 21 22
7 8 9 10 11 12 13 14 15 16 17
18 19 20 21 22 23 24 25 26

S 62 4E 4H
White White Gray

1 2 3 4 5 6 7 8 9 10 11 12 1 2 3 4 5 6 7 8 9 10 11 12

1 2 3 4 5 6 7 8 9 10
11 12 13 14 15 16 17 18 19 20
21 22 23 24 25 26 27 28

4J DA
Gray White

1 2 3 4 5 6 7 8 9 10 11 12

7 8 9 10 11 12 13 14 15 16 17 18 19 20 21 22
1 2 3 4 5 6
23 24 25 26 27 28 29 30 31 32 33 34 35 36 37 38
39 40 41 42 43 44 45 46 47 48 49 50 51 52 53 54 55 56 57 58 59 60

-2-
Fuel Lid Opener

LA
White

7 8 9 10 11 12 13 14 15 16 17 18 19 20 21 22
1 2 3 4 5 6
23 24 25 26 27 28 29 30 31 32 33 34 35 36 37 38
39 40 41 42 43 44 45 46 47 48 49 50 51 52 53 54 55 56 57 58 59 60

PA
White

7 8 9 10 11 12 13 14 15 16 17 18 19 20 21 22
1 2 3 4 5 6
23 24 25 26 27 28 29 30 31 32 33 34 35 36 37 38
39 40 41 42 43 44 45 46 47 48 49 50 51 52 53 54 55 56 57 58 59 60

LS1
White

cardiagn.com
7 8 9 10 11 12 13 14 15 16 17 18 19 20 21 22
1 2 3 4 5 6
23 24 25 26 27 28 29 30 31 32 33 34 35 36 37 38
39 40 41 42 43 44 22 21 20 19 18 17 16 15 14 13 12 11 10 9 8 7
45 46 47 48 49 50 51 52 53 54 55 56 57 58 59 60 6 5 4 3 2 1
38 37 36 35 34 33 32 31 30 29 28 27 26 25 24 23
60 59 58 57 56 55 54 53 52 51 50 49 48 47 46 45 44 43 42 41 40 39

-3-
Front Window Deicer

(IG) (BAT) (BAT) (BAT)

FR CTRL BAT

FR CTRL ALT
10A ECU–B
E/G RM–IG1–2

A50(A), A51(B), A52(C)

30A

20A
Front Controller
10A

28 2C 4 2C 5 2A 4 2A ALTB BATB FMB3 FMIG FDEF


5 C 1 C 1 A 5 A 13 B
LG

(BAT)
Y

L
25A

LG
P

Y
L
DEICER

13 2C

L
W

cardiagn.com
3 3

2 5

DEICER Relay
1 3

3 3
W

B–R
B

2 1
B B2

E
3 A30
Front Wiper
Deicer
W–B

A3

-1-
Front Window Deicer

∗ 1 : w/ Multi Display
∗ 2 : w/o Multi Display

A50(A), A51(B), A52(C) L11(A)


Front Controller Main Body ECU

E CANN CANP CANP CANN CANH CANL


2 A 4 A 3 A 16 A 15 A 5 A 6 A
W–B

G
R
B

3 14

Connector
Junction
21 AR1 20 AR1 L77(B)

W
B
A/C Amplifier

L97
1 12

CANH CANL
3 B 4 B
W

G
R
B

G
R
3 1 3 14
Connector

Connector

cardiagn.com
Junction

Junction
R57

L95

7 18 10 21
7 5 11 22

9 20 L98
Junction Connector
W

14 3
Connector
Junction

W
B
R48

(∗1)

(∗1)

(∗2)

(∗2)
G

G
R

15 4
W

21 D 22 D 26 25
W–B

CANH CANL CANH CANL


60 LR1 59 LR1 Front Wiper Front Wiper
Deicer Switch Deicer Switch
A63(A), A64(B)

15 A L59(D) L35
Connector

Display & Navigation Module Integration Control and


Junction

Display Panel Assembly

21 B
W–B

A8

-2-
Front Window Deicer

A 30 A 50 A 51 A 52
Gray White White White

2 1 1 2 8 9
3 3 4 5 6 7 1 2 3 4 5 6
10 11 17 18
1 2
12 13 14 15 16
3 4 5 6 7 8 9 10 11 12 13 14 15 16 17
7 8 9 10 18 19 20 21 22 23 24 25 26

A 63 A 64 L 11
Black Black White

1 2 3 4 5 6 7 8 9 10 11 1 2 3 4 5 6 7 8 9 10 11
1 4
2 3
12 13 14 15 16 17 18 19 20 21 22 12 13 14 15 16 17 18 19 20 21 22
5 6 7 8 9 10
11 12 13 14 15 16

cardiagn.com
L 35 L 59
White White

1 2 3 10 11 12 1 2 3 10 11 12
4 5 6 7 8 9 4 5 6 7 8 9
13 14 15 16 17 18 19 20 21 22 23 24 25 26 13 14 15 16 17 18 19 20 21 22 23 24 25 26

L 77 L 95 L 97
White Gray Black

1 2 3 4 5 6 1 2 3 4 5 6 7 8 9 10 11 1 2 3 4 5 6 7 8 9 10 11
7 8 9 10 11 12 13 14 15 16 12 13 14 15 16 17 18 19 20 21 22 12 13 14 15 16 17 18 19 20 21 22
17 18 19 20 21 22 23 24 25 26 27
28 29 30 31 32 33 34 35

L 98 R 48 R 57
Gray Black Dark Gray

1 2 3 4
1 2 3 4 5 6 7 8 9 10 11 1 2 3 4 5 6 7 8 9 10 11
5 6 7 8
12 13 14 15 16 17 18 19 20 21 22 12 13 14 15 16 17 18 19 20 21 22

-3-
Front Window Deicer

2A 2C
Black White

1 2 3 4 5
6 7 8 9 10 11 12 13 1 2 3 4 5 6 7 8 9 10 11 12 13 14 15 16 17 18

19 20 21 22 23 24 25 26 27 28 29 30 31 32 33 34 35 36

AR1
White

11 10 9 8 7 6 5 4 3 2 1
1 2 3 4 5 6 7 8 9 10 11
22 21 20 19 18 17 16 15 14 13 12
12 13 14 15 16 17 18 19 20 21 22

cardiagn.com
LR1
White

7 8 9 10 11 12 13 14 15 16 17 18 19 20 21 22
1 2 3 4 5 6
23 24 25 26 27 28 29 30 31 32 33 34 35 36 37 38
39 40 41 42 43 44 22 21 20 19 18 17 16 15 14 13 12 11 10 9 8 7
45 46 47 48 49 50 51 52 53 54 55 56 57 58 59 60 6 5 4 3 2 1
38 37 36 35 34 33 32 31 30 29 28 27 26 25 24 23
60 59 58 57 56 55 54 53 52 51 50 49 48 47 46 45 44 43 42 41 40 39

-4-
Garage Door Opener

(BAT)

10A
D
MPX–B 1

48 DA

Opener Switch
Garage Door
B

7 3H

7 3G
B

Garage Door Opener

cardiagn.com
+B GND9
6 A X4(A) 16 A
Overhead Module

W–B
B

3
X17
Junction
Connector
1
W–B

21 LX1 25 LX1
W–B
B

10
L100
Junction
Connector
8
W–B

41 DA

40 DA
W–B

L4

-1-
Garage Door Opener

L100 X4 X 17
Blue White Black

1 2 3 4 5 1 2 3 4
6 7 8 9 10 11 12

1 2 3 4 5 6 7 8 9 10 11 12 13 14 15 16
17 18 19 20 21 22 23 24 25 26 27 28 29 30 31 32

3G 3H
White Gray

1 2 3 4 5 6 7 8 9 10 11 12 1 2 3 4 5 6 7 8 9 10 11 12

DA
White

7 8 9 10 11 12 13 14 15 16 17 18 19 20 21 22
1 2 3 4 5 6
23 24 25 26 27 28 29 30 31 32 33 34 35 36 37 38
39 40 41 42 43 44 45 46 47 48 49 50 51 52 53 54 55 56 57 58 59 60

cardiagn.com
LX1
White

9 8 7 6 5 4 3 2 1
1 2 3 4 5 6 7 8 9
25 16 15 14 13 12 11 10 17
17 10 11 12 13 14 15 16 25 24 23 22 21 20 19 18
18 19 20 21 22 23 24

-2-
Ground Point

21 13 22
W–B W–B W–B
E11 (SOL–) EA1 B A (E FL) A15
A/C Compressor Front Suspension
Control
Actuator LH

W–B 14 20 W–B
(E) 3 B A (E) A2
DEFOG Relay Washer Fluid
Level Sensor

W–B W–B 12
(DEF) 3 B
NOISE FILTER
A61(A), A62(B)
Junction
W–B Connector W–B

W–B
A6 (E) (EC) A12
Headlight Cleaner Transmission
Relay Control Module
6
5 W–B W–B
(EC) A14
A70 Engine Control
Module
Junction Connector
W–B 2 1 W–B
A58 (E)
Fog Light RH

W–B 3 4 BR
A7 (E)
Fog Light LH

cardiagn.com
W–B 17 EA1 25 EA1 W–B
A9 (E1) (PGND) A44
Fan Control ECU A2 Power
Steering ECU

W–B
BR

BR

W–B W–B
Cut Off Cut Off

A1 A7

W–B
A18 (GND)
Brake Fluid Level
Warning Switch

W–B
A28 (E)
Wireless Door
Lock Buzzer

W–B
A30 (E)
Front Wiper Deicer

W–B
A32 (E)
Wiper Motor

W–B
A1 (SW)
Washer Motor
W–B

W–B
A21 (GND4)
Skid Control ECU

W–B
A23 (GND1)
Brake Accumulator Pump

A3
W–B
A19 (GND)
W–B

W–B

Skid Control
BR

BR

ECU

W–B
A24 (GND2) 17
Brake Accumulator BR BR
EA3
Pump
8
W–B W–B
EA3

A4 E1

-1-
Ground Point

3
W–B W–B W–B
v1 Av1 (GND) A40
Front Blower Motor Front Blower
Motor

W–B W–B
A42 (PGND) (E1) A37
Steering AFS ECU
Control ECU

W–B W–B W–B


A43 (PGD2) (VB–) A69
Steering Electric Power
Control ECU Control ECU
A5 A6

W–B 13 22 W–B
(–S) 5 A B (GND) A46
PTC HTR 3 Relay Power Steering
DC/DC Converter
W–B

20 W–B
(–S) 5 B 1 (–S)
PTC HTR 1 Relay FAN NO. 1 Relay
W–B

Junction Connector
A63(A), A64(B)

(–S) 5
PTC HTR 2 Relay IG1 Relay

cardiagn.com
(E) 2
EFI MAIN2 Relay IG2 Relay
L

W–B 12
(E) 2 A
EFI MAIN Relay FR FOG Relay

14 19 11
W–B W–B
(E) 2 A B 2G
VVT RH Relay ABS MTR Relay
W–B

(E) 2
VVT LH Relay H–LP LO RH
Relay

15 21 19
W–B W–B W–B
A50 (E) A B 2C
Front Controller H–LP LO LH
Relay

A/F Relay

W–B 19 15 W–B
A45 (E FR) A B 1 (–S)
Front Suspension AIR SUS Relay
Control Actuator RH

W–B 20 13 W–B W–B


(–ST) 2 A B (L) A56
ST CUT Relay Height Control
Exhaust Valve

W–B 21 14 W–B W–B


(–S) 2 A B (E) A59
ST Relay Front Height
Control Valve
W–B

W–B

12 W–B
B

BR
A57 (E)
Height Control
Compressor Motor

BR BR W–B

W–B W–B W–B W–B


(E) A72
Noise Filter
(Ghost Buster)
A9 A8

-2-
Ground Point

W–B W–B
B11 (E) (E) B7
Headlight RH Hood Courtesy
Switch

W–B W–B L
(E) (E) B8
Exhaust Gas
Sensor

W–B W–B
(E) (E) B1
Headlight LH

W–B
W–B W–B
(E)
W–B

W–B
(E)
B2 B1

12 (Shielded)
A

cardiagn.com
(Shielded) 7 7 (Shielded)
B A

(Shielded) 8 8 (Shielded)
B A

W–B (Shielded) 9 9 BR BR
E3 (E1) B A
Engine Control
Module

(Shielded) 11 11 23 (Shielded)
BR BR BR
E5 (E1) B A EA1
Transmission
Control Module

10 10 24 (Shielded)
BR BR BR BR
E10 (SGND) B A EA1
Camshaft Control
Motor (Bank 1) A60(A), E51(B)
Junction Connector
BR
E18 (SGND) 8 9
Camshaft Control BR BR
AS1 VS1 (MGND) V1
Motor (Bank 2) Canister Pump
Module
BR

BR

W–B
(E01) E2
Engine Control
Module
7 EA1
W–B W–B
E16 (GND) (E02)
Injector Driver
(No. 1)
BR

W–B BR
(GND2) (E01) E5
Transmission
Control Module

W–B
E4
BR

BR

BR

(E05)
Engine Control
Module

W–B W–B W–B


E2 (ME01) (E04) E3
Engine Control Engine Control
Module Module

E3 E2

-3-
Ground Point

BR W–B
E9 (PGND) (GND) E28
Camshaft Control Injector Driver
Motor (Bank 1) (No. 2)

BR W–B
E19 (PGND) (GND2)
Camshaft Control
Motor (Bank 2)

BR

BR
W–B W–B
E38 (GND) (GND) E30
Ignition Coil (No. 1) Ignition Coil
(No. 2)

W–B W–B
E41 (GND) (GND) E33
Ignition Coil (No. 3) Ignition Coil
(No. 4)

W–B W–B
E42 (GND) (GND) E34
Ignition Coil (No. 5) Ignition Coil
(No. 6)

W–B W–B
W–B

W–B
E45 E36

BR

BR
(GND) (GND)
Ignition Coil (No. 7) Ignition Coil
(No. 8)
1
W–B W–B
A13 (E03) EA1
Engine Control BR
Module

cardiagn.com
E5 E4

10
BR BR
DH

11
W–B W–B
A33 (GND) DH
Driving Support ECU

2 2 16
BR BR
L134 (ECC) 5H 5F DA
Spiral Cable

6 6 27
BR BR
L31 (SG) 3A 3B DA
DLC3

6
BR
L42 (E) 3F
Transmission Shift
Switch

(Shielded) 21
BR
DH

(Shielded) BR BR (Shielded)

(Shielded) BR BR (Shielded)

H1

-4-
Ground Point

L100 X17
Junction Junction
Connector Connector
W–B 4 4 W–B
L111 (E) (E) X13
DCM A/C Infrared
(Telematics Transceiver) Rays Sensor

W–B 2 3 W–B
L88 (GND) (GND9) X4
Air Suspension Overhead Module
Control ECU

cardiagn.com
25
W–B 1 10 W–B W–B 1 2 W–B
L82 (E) LX1 (GND4) X6
Short Connector Overhead Module
(Height Control)

W–B 5 3 W–B
L76 (GND) (GND) L33
A/C Amplifier Steering
Lock ECU

W–B 12 11 W–B
(FGND) (GND3) L11
Main Body ECU

W–B 6 8 W–B W–B


L10 (E2)
Combination Meter

1
W–B W–B
5F

1 1
W–B W–B
L77 (RGND) 5E 5K (GND) L26
A/C Amplifier Power Tilt Motor

1 1
W–B B
L134 (NOSB) 5H 5D (E) L38
Spiral Cable Clock

1 3 7 1
W–B W–B W–B W–B
L25 (E) 5J 5K SL1 SU1 (E) U1
Windshield Console Box
Wiper Switch Illumination Light
1 2
W–B W–B
L6 (E) 5I 5M (L) L80
Outer Mirror Glove Box
Switch Assembly Illumination
Light

2
W–B
5J (ESS) L21
Steering Angle
Sensor
1
B
5M (GND) L18
Driver Monitor
ECU

-5-
Ground Point

6 2 1
W–B W–B W–B
X12 (E) LX2 3G 3J (E) L1
Rear Map Light Flasher Relay

1 1
W–B B
L31 (CG) 3A 3D (GND) L39
DLC3 Electric Parking
Brake Switch
1 3
W–B B
L68 (E) 3I 3F (GND) L27
Front Seat Climate Pre–Collision
Control Switch RH System Cancel
Switch

1 2
W–B B
L67 (E) 3E 3L (L) L83
Front Seat Climate Luggage
Control Switch LH Compartment
Door Opener
Cancel Switch

2
W–B
L32 (GND) 3F
ID Code Box

10 1 1
W W–B W–B
X1 (GND) LX1 3C 3F (E) L47

cardiagn.com
Visor LH Shift Lock
Control ECU
1 3H
W

X10 (GND)
Visor RH
W–B

45
DA

41
W–B W–B
DA

57
W–B W–B
DA
D–IG1 Relay

D–ACC Relay

(GND1)
Main Body ECU

W–B
L72 (E) (GND2)
Power Outlet
Socket (12V)
40 DA
W–B 1 1 W–B
L46 (E) A B
Front Cigarette
Lighter L109(A), L110(B)
Short Connector
(Cigarette Lighter)
1
W–B W–B W–B
L23 (EHT) LX1 (E) X5
Spiral Cable Sliding Roof
Control ECU
W–B

W–B W–B
L34 (GND) (E2) L73
Multiplex Tilt and W–B Center Airbag
Telescopic ECU ECU

L2 L4

-6-
Ground Point

1 1
W–B W–B
L19 (E) 4M 4A (E) L15
Clearance Sonar ECU (∗2) Certification
ECU
1
W–B W–B
L90 (GND1) 4D (GND) L112
Parking Assist ECU (∗1) Hazard Warning
Signal Switch
2 1
W–B B
L71 (GND) 4B 4E (L) L3
Yaw Rate Sensor Luggage Door
Opening Switch
1 2
W–B W
L75 (E) 4B 4E (GND) L36
Console Switch Power Switch

1
B
4K (GND) L89
Tire Pressure
Warning ECU
1 2
W–B B
L8 (E) 4C 4K (E) L28
Light Control Tire Pressure
Rheostat Warning Reset
Switch

cardiagn.com
2
W–B
L45 (E) 4C
Trip Switch

1 1
4J 4H
W–B

W–B

40 51
PA PA

4 4
BR BR
L33 (SGND) 3J 3K
Steering Lock ECU AIR SUS Relay

45 PA
23
W–B P–IG1 Relay
L73 (E1) PA
Center Airbag ECU

58
BR P–ACC Relay
L10 (ES) PA
Combination Meter

(GND)
Electric Power
43 PA 39 PA Control ECU

∗ 1 : w/ Advanced Parking Guidance System W–B


∗ 2 : w/o Advanced Parking Guidance System (GND) L51
∗ 3 : w/ Television Display Assembly(Roof Type) (∗12) Radio Receiver
Assembly
∗ 4 : w/ Television Display Assembly(Console Type)
∗11 : w/ Multi Display W–B
∗12 : w/o Multi Display (GND1) L59
Display &
Navigation
W–B
BR

Module Display

W–B W–B
L41 (E) (GND1) L35
PTC Heater Integration
Control and
Panel Assembly
W–B
(E) W–B W–B
(GND) L113
(∗11) Radio Receiver
Assembly
L1 L3

-7-
Ground Point

W–B W–B
e4 (VER) (E) e12
Front Seat Front Seat
Climate Control Inner Belt
ECU RH W–B W–B Switch RH
(GND) (E)

5 18
W–B W–B W–B W–B W–B
N1 (GND) NR1 Re1 (GND) e18
Front Door Front Power Seat
Control ECU RH Control ECU and

W–B
Switch RH
8
W–B W–B
e10 (GND) Re1
Occupant W–B
(VER) f8
Detection ECU Rear Seat
R3 Climate Control
W–B ECU RH
(GND)

W–B

Connector
(GND) f4

Junction
W–B 22 Rear Power Seat
R63 (ILL–) R44
Front Console Box Control ECU RH
Light Assembly

W–B

W–B
W–B
(GND) f13
W–B 21 20 Rear Seat Climate
R61 (ILL–)
Rear Console Box Control ECU LH
Light Assembly 1 Rf1
16
W–B B

cardiagn.com
R47 (GND) Rf1 (GND) R58
Junction Connector Ottoman
Reclining Motor
and Sensor RH

W–B
W–B
R56 (RR–)
Rear Height 19 17 BR
(GND) f6
Control Sensor RH Rear Headrest
Rear Pad Wear Motor and
Indicator Switch Position Sensor RH
Rear Speed
Sensor RH
BR 16 22 W–B
(GND) f38
Rear Power Seat
Position Motor
W–B

and Sensor RH
(Fold Position)
BR
f37 (SGND)
Rear Power 1
7 8 W–B
Connector

Seat Control ECU RH


3
Junction

W–B W–B 5 6 20 W–B


(VGND) Rf1 (GND) f16
f20

Rear Power
Seat Motor and
Position Sensor
11 17 RH
W–B W–B 8 6 W–B W–B 18 21 W–B
g1 (GND) gR1 Rf1 (GND)
Object Recognition
ECU

W–B 1 3 W–B
R37 (GND) (GND) R16
Door Control (∗3) Disc Player
Receiver Assembly and
Headphone Terminal
W–B 2
Junction Connector

R38 (GND)
Stereo Component
Amplifier W–B
(GND) R64
W–B 4 (∗4) Disc Player
(GND2)
Assembly
R43

2
4 W–B W–B
OR1 (GND) O3
W–B 3
Junction Connector

R59 (GND) Rear Door


Television Display (∗3) Control ECU RH
Assembly
2
W–B 5 W–B B
(GND2) jR1 (E) j1
(∗3) Rear Height
R41

Control
Solenoid Valve
W–B
R62 (GND) 3
Television Display (∗4) 2 W–B W–B
TR1 (E RR) T2
Assembly Rear Suspension
W–B W–B Control
(GND2) Actuator RH
(∗4)

R2 R1

-8-
Ground Point

15 31
B B Y
S26 (L) LA LA (RSE) S25
Luggage Room Light Rear
Sunshade
30
W–B
LA (E) S28
Rear A/C
Blower Assembly
32
W–B
LA (GND) S49
Brake Control
W–B 22 Power Supply
S33 (E)
Rear Combination 16
Light LH W–B
LA (E) S42
Fuel Lid
W–B 21 Opener Motor
S38 (E)
Luggage Electrical 5
Key Switch W–B
LF (E) S51
Rear Combination
B 20 Light LH
S34 (DL)
Luggage Compartment 6
Door Light W–B
LF (E) S52
Rear Combination
W–B 19 Light RH
Junction Connector

S37 (E)
License Plate Light

RR–ACC Relay
B 18
S36 (E)
S55

Luggage Closer Motor

cardiagn.com
16
RR–IG1 Relay
W–B

7 INV Relay
B 8
Junction Connector

S39 (E)
Luggage Compartment 29
Door Lock Cylinder W–B
LA (SG)
Rear Junction
W–B 9 Block ECU
S41 (E)
S55

Rear Combination 43
Light RH W–B
LA (PGND)
W–B 11 10 W–B
S40 (E)
Power Trunk S54
Lid Switch Junction
Connector
10
W–B 6 7 W–B W–B
S29 (GND) rS2 (E2) r6
Seat Vibration ECU (∗8) (∗8) Seat Vibrator
Switch
3 4
W–B W–B 1 W–B W–B
T1 (E RL) TS1 SY2 (E) Y6
Rear Suspension (∗7) (∗7) Seat Vibrator
Control Actuator LH Switch

W–B 5
S28 (GND)
Rear A/C W–B
Blower Assembly (∗7)

W–B
(∗8)
W–B 8
S46 (GND1) 20
Parking Brake ECU W–B W–B
US1 (E) U4
(∗5 ∗8) (∗5 ∗8) Rear Power Outlet
Socket (12V)
W–B
S45 (PGND) 17
Seat Belt 2 W–B W–B
SY2 (E) Y4
Control ECU (∗7) (∗7) Rear Cigarette
Lighter Socket
3
W–B W–B 4
f40 (VGND) Sf1
Rear Power Seat W–B
(E) S9
Control ECU LH (∗6 ∗8) Rear Cigarette
Lighter Socket
(Shielded) BR 3

W–B W–B

S1

-9-
Ground Point

W–B
∗ 5 : w/ Ottoman (E) S20
∗ 6 : w/o Ottoman High Mounted
Stop Light
∗ 7 : 4–Seater
∗ 8 : 5–Seater W–B
∗ 9 : w/ Power Seat (L) W1
∗10 : w/o Power Seat Noise Filter
S4 (Rear Window
Defogger)
W–B
e34 (GND)
Front Seat Climate
Control ECU LH W1

W–B
e45 (GND)
Front Power Seat
Control ECU and
Switch LH
21 BR
(GND) f26
W–B Rear Headrest
e54 (E)
Front Seat Motor and
Inner Belt Position Sensor LH
Switch LH
W–B 16 W–B

Junction Connector
(E) (GND) f41
Rear Power Seat
Position Motor and
Sensor LH
W–B

(Fold Position)

f36
18 W–B
(GND) f33
18 Se1 Rear Power Seat
Motor and

cardiagn.com
W–B Position Sensor LH
W–B

S68 (GND)
Voltage Inverter 17
W–B W–B 22 19 BR
Sf1 (SGND) f40
5 Rear Power Seat
W–B W–B Control ECU LH
N10 (GND) NS1
Front Door Control
ECU LH
6
2
W–B W–B W–B 2
W–B

O14 (GND) OS1


Rear Door Control 21 13
ECU LH W–B W–B
rS3 rS4 (–) r4
(∗8) (∗8) Courtesy Light
W–B (∗9) (∗10) Switch (Armrest)
S23 (E1) S3
Rear Seat
Entertainment 4 W–B
Table Switch (E) S15
(∗7) Rear Console
Switch
1
W–B W–B W–B
f24 (GND) Sf1 22 14
Rear Power Seat W–B W–B
rS3 rS4 (E) r2
Control ECU LH (∗8) (∗8) Rear Console
(∗9) (∗10) Switch
W–B
f28 (GND)
Rear Seat
Climate Control
ECU LH

13
W–B W–B 8 7 W–B
SY2 (GND) S43
(∗7) (∗7) Power Trunk
Lid Control ECU
20
W–B W–B
rS3 3 W–B
(∗8) (∗8) (E) S11
Fuel Sender
Gauge
Junction Connector

S16 (L)
S57

Cooling Box
Illumination Light
W–B
(LSP–) S17
S31 (L) Front Seat
Cooling Box W–B(∗7) Inner Belt
Illumination Light Switch LH
W–B(∗8 ∗9) 1 5 W–B
(LBE–)
W–B W–B

S2

- 10 -
Ground Point

A 60 A 61 A 62
Blue Black Blue

1 2 3 4 5 6
1 2 3 4 5 6 7 8 9 10 11 1 2 3 4 5 6 7 8 9 10 11
7 8 9 10 11 12
12 13 14 15 16 17 18 19 20 21 22 12 13 14 15 16 17 18 19 20 21 22

A 63 A 64 A 70
Black Black Gray

1 2 3
1 2 3 4 5 6 7 8 9 10 11 1 2 3 4 5 6 7 8 9 10 11 4 5 6
12 13 14 15 16 17 18 19 20 21 22 12 13 14 15 16 17 18 19 20 21 22

E 51 L100 L109 L110 R 41


Blue Blue White White White

1 2 3 4 5
6 7 8 9 10 11 12 1 1 2 3

cardiagn.com
1 2 3 4 5 6 1
4 5 6 7 8
7 8 9 10 11 12

R 43 R 44 S 54
White Black White

1 2 3 1 2 3
4 5 6 7 8 1 2 3 4 5 6 7 8 9 10 11 4 5 6 7 8

12 13 14 15 16 17 18 19 20 21 22

S 55 S 57 X 17
White White Black

1 2 3 4
1 2 3

1 2 3 4 5 6 7 8 9 10 11 4 5 6 7 8

12 13 14 15 16 17 18 19 20 21 22

f 20 f 36
White White

1 2 3 4 5 6 7 8 9 10 11 1 2 3 4 5 6 7 8 9 10 11
12 13 14 15 16 17 18 19 20 21 22 12 13 14 15 16 17 18 19 20 21 22

- 11 -
Ground Point

2C 2G
White Black

1 2 3 4 5 6 7
1 2 3 4 5 6 7 8 9 10 11 12 13 14 15 16 17 18
8 9 10 11 12 13 14
19 20 21 22 23 24 25 26 27 28 29 30 31 32 33 34 35 36

3A 3B
White Gray

1 2 3 4 5 6 7 8 9 10 11 12 1 2 3 4 5 6 7 8 9 10 11 12

3C 3D
White Gray

1 2 3 4 5 6 7 8 9 10 11 12 1 2 3 4 5 6 7 8 9 10 11 12

3E 3F
White Gray

cardiagn.com
1 2 3 4 5 6 7 8 9 10 11 12 1 2 3 4 5 6 7 8 9 10 11 12

3G 3H
White Gray

1 2 3 4 5 6 7 8 9 10 11 12 1 2 3 4 5 6 7 8 9 10 11 12

3I 3J
White Gray

1 2 3 4 5 6 7 8 9 10 11 12 1 2 3 4 5 6 7 8 9 10 11 12

3K 3L
White Gray

1 2 3 4 5 6 7 8 9 10 11 12 1 2 3 4 5 6 7 8 9 10 11 12

4A 4B
White Gray

1 2 3 4 5 6 7 8 9 10 11 12 1 2 3 4 5 6 7 8 9 10 11 12

4C 4D
White Gray

1 2 3 4 5 6 7 8 9 10 11 12 1 2 3 4 5 6 7 8 9 10 11 12

4E 4G
White White

1 2 3 4 5 6 7 8 9 10 11 12 1 2 3 4 5 6 7 8 9 10 11 12

4H 4J
Gray Gray

1 2 3 4 5 6 7 8 9 10 11 12 1 2 3 4 5 6 7 8 9 10 11 12

- 12 -
Ground Point

4K 4M
White White

1 2 3 4 5 6 7 8 9 10 11 12 1 2 3 4 5 6 7 8 9 10 11 12

5D 5E
Gray White

1 2 3 4 5 6 7 8 9 10 11 12 1 2 3 4 5 6 7 8 9 10 11 12

5F 5G
Gray White

1 2 3 4 5 6 7 8 9 10 11 12 1 2 3 4 5 6 7 8 9 10 11 12

5H 5I
Gray White

1 2 3 4 5 6 7 8 9 10 11 12 1 2 3 4 5 6 7 8 9 10 11 12

5J 5K
Gray White

cardiagn.com
1 2 3 4 5 6 7 8 9 10 11 12 1 2 3 4 5 6 7 8 9 10 11 12

5M DA
White White

1 2 3 4 5 6 7 8 9 10 11 12

7 8 9 10 11 12 13 14 15 16 17 18 19 20 21 22
1 2 3 4 5 6
23 24 25 26 27 28 29 30 31 32 33 34 35 36 37 38
39 40 41 42 43 44 45 46 47 48 49 50 51 52 53 54 55 56 57 58 59 60

DH LA
Gray White

7 8 9 10 11 12 13 14 15 16 17 18 19 20 21 22
1 2 3 4 5 6
1 2 5 6 23 24 25 26 27 28 29 30 31 32 33 34 35 36 37 38
3 4 39 40 41 42 43 44 45 46 47 48 49 50 51 52 53 54 55 56 57 58 59 60
7 8 9 10 11 12 13 14 15 16

17 18 19 20 21 22 23 24

LF PA
Gray White

7 8 9 10 11 12 13 14 15 16 17 18 19 20 21 22
1 2 3 4 5 6
1 2 5 6 23 24 25 26 27 28 29 30 31 32 33 34 35 36 37 38
3 4 39 40 41 42 43 44 45 46 47 48 49 50 51 52 53 54 55 56 57 58 59 60
7 8 9 10 11 12 13 14 15 16

17 18 19 20 21 22 23 24

- 13 -
Ground Point

AS1 Av1
White White

1 1
11 10 9 8 7 6 5 4 3 2 1
1 2 3 4 5 6 7 8 9 10 11
22 21 20 19 18 17 16 15 14 13 12 2 3 3 2
12 13 14 15 16 17 18 19 20 21 22

EA1
White

9 8 7 6 5 4 3 2 1
1 2 3 4 5 6 7 8 9
25 16 15 14 13 12 11 10 17
17 10 11 12 13 14 15 16 25 24 23 22 21 20 19 18
18 19 20 21 22 23 24

cardiagn.com
EA3
White

1 2 8 9
9 8 2 1
10 11 3 4 5 6 7 17 18
12 13 14 15 16 18 17 7 6 5 4 3 11 10
16 15 14 13 12

LX1
White

9 8 7 6 5 4 3 2 1
1 2 3 4 5 6 7 8 9
25 16 15 14 13 12 11 10 17
17 10 11 12 13 14 15 16 25 24 23 22 21 20 19 18
18 19 20 21 22 23 24

LX2 NR1
White White

9 8 7 6 5 4 3 2 1 1 2 3 4 5
1 2 3 4 5 6 7 8 9 5 4 3 2 1
18 17 16 15 14 13 12 11 10 6 7 8 9 10 10 9 8 7 6
10 11 12 13 14 15 16 17 18

- 14 -
Ground Point

NS1
White

1 2 3 4 5 5 4 3 2 1
6 7 8 9 10 10 9 8 7 6

OR1
White

6 5 4 3 2 1

1 2 3 4 5 6 21 20 19 11 10 9 8 7 13 12
7 8 9 10 11 19 18 17 16 15 14
12 13 20 21
14 15 16 17 18

cardiagn.com
OS1
White

6 5 4 3 2 1

1 2 3 4 5 6 21 20 19 11 10 9 8 7 13 12
7 8 9 10 11 19 18 17 16 15 14
12 13 20 21
14 15 16 17 18

Re1
White

1 2 8 9
9 8 2 1
10 11 3 4 5 6 7 17 18
12 13 14 15 16 18 17 7 6 5 4 3 11 10
16 15 14 13 12

- 15 -
Ground Point

Rf1
White

1 2 8 9
9 8 2 1
10 11 3 4 5 6 7 17 18
12 13 14 15 16 18 17 7 6 5 4 3 11 10
16 15 14 13 12

SL1 SU1
White White

1 2
1 2 3 4 5 6 7 7 6 5 4 3 2 1
14 13 12 11 10 9 8 2 1
8 9 10 11 12 13 14

cardiagn.com
SY2
White

9 8 7 6 5 4 3 2 1
1 2 3 4 5 6 7 8 9
25 16 15 14 13 12 11 10 17
17 10 11 12 13 14 15 16 25 24 23 22 21 20 19 18
18 19 20 21 22 23 24

Se1
White

1 2 8 9
9 8 2 1
10 11 3 4 5 6 7 17 18
12 13 14 15 16 18 17 7 6 5 4 3 11 10
16 15 14 13 12

- 16 -
Ground Point

Sf1 TR1
White Blue

1 2 8 9
9 8 2 1 1 2 3 4 5 5 4 3 2 1
10 11 3 4 5 6 7 17 18
12 13 14 15 16 18 17 7 6 5 4 3 11 10
16 15 14 13 12

TS1 US1
Blue White

5 4 3 2 1
1 2 3 4 5 5 4 3 2 1 1 2 3 4 5
8 7 6
6 7 8 13 9
9 13 12 11 10
10 11 12

cardiagn.com
VS1
Black

1 2 3 4 5 5 4 3 2 1
6 7 8 9 10 10 9 8 7 6

gR1 jR1
White White

1 2 3 4
4 3 2 1
11 10 9 8 7 6 5 4 3 2 1
1 2 3 4 5 6 7 8 9 10 11
22 21 20 19 18 17 16 15 14 13 12
12 13 14 15 16 17 18 19 20 21 22

rS2 rS3
White White

1 2 3 4 5 5 4 3 2 1 11 10 9 8 7 6 5 4 3 2 1
1 2 3 4 5 6 7 8 9 10 11
6 7 8 9 10 10 9 8 7 6 22 21 20 19 18 17 16 15 14 13 12
12 13 14 15 16 17 18 19 20 21 22

- 17 -
Ground Point

rS4
White

1 2 3 4 5 6 7 7 6 5 4 3 2 1

8 9 10 11 12 13 14 14 13 12 11 10 9 8

cardiagn.com

- 18 -
Headlight Cleaner

(IG) (BAT)

R
5A 5A
D–IG1–1 P–D/C
CUT 10 C

Main Body ECU


HDLC

L11(A), L13(C)
21 DA CANN CANP
15 A 16 A
G

R48
Junction Connector
35 PA

1 2
15 4 3 14
CUTD BCUT A50(A), A51(B), A52(C)
Front Controller
W

W
B

B
Electric Power 60 LR1 59 LR1
Control ECU CANN CANP HEAD
W 4 A 3 A 8 A

W
B

B
G

cardiagn.com
W

R
B
14 3 22 11 5 7

Connector
Junction
R57
12 5F 8 5B
1 3
19 8 L95
Junction

W
B

Connector
12 5J 8 5J Washer Switch
21 AR1 20 AR1 42 LA3
WF EW
W

Off W
G

On B

R
2 A 1 A 6 A 5 A 7 A
IG B CANN CANP HEAD

E
L25(A), z6(B) 8 A
Windshield Wiper Switch
GR
W

W–B

12 B 19 B 20 B
EL A H
1 5J

EL AUTO T H

OFF
1 5F
Tail
W–B

Head

AUTO
57 DA
Light Control Switch

z6(B)
Headlight Dimmer Switch
40 DA
W–B

L4

-1-
W–B W–B W–B LG R

21 B
15 A
2 A
E
1 A

A8
4 2C
(BAT)

FMB3
A63(A), A64(B)
Junction 10A ECU–B
Connector

1 C
5 2A

6
4
2
W–B W–B B

BATB
(BAT)

E
6 B

H
H

A2
30A
FR CTRL BAT

A70
Junction
Connector
1
2
6
5
L R–B R L

7 B
5 C

M
4 2A

PB
ALTB
(BAT)

FRWA
FRWA
A3
Headlight Cleaner Motor 20A
FR CTRL
ALT

3
1
Y Y L Y

16 A
17 B
5 B
5 A

IG
28 2C

FMIG

HDLO
HDLO
A63(A), A64(B)
Junction A50(A), A51(B), A52(C)
Connector Front Controller
A6
Headlight Cleaner Relay 10A
E/G
RM–IG1–2

-2-
29 2C
(IG)
Headlight Cleaner

L
1 1A
(BAT)

30A H–LP
CLN

W–B

1 4J

L1
40 PA

W–B
5
E
B
2

W–B W–B W–B R

L3
1 4H
1 4C

39 PA
51 PA
Headlamp
Cleaner
Switch

L8
Light Control Rheostat

cardiagn.com
Headlight Cleaner

A3 A6 A 50 A 51
Black Gray White White

1 2
1 2 3 1 2 8 9

4 5 6 10 11 3 4 5 6 7 17 18
1 2
12 13 14 15 16
3 4 5 6
7 8 9 10

A 52 A 63 A 64
White Black Black

1 2 3 4 5 6 1 2 3 4 5 6 7 8 9 10 11 1 2 3 4 5 6 7 8 9 10 11
12 13 14 15 16 17 18 19 20 21 22 12 13 14 15 16 17 18 19 20 21 22
7 8 9 10 11 12 13 14 15 16 17
18 19 20 21 22 23 24 25 26

cardiagn.com
A 70 L8 L 11 L 13
Gray White White White

1 2 3
1 2 3 4
4 5 6 1 2 3 4 5 6
5 6 7 8 1 4
2 3
5 6 7 8 9 10 7 8 9 10 11 12 13 14 15 16 17
11 12 13 14 15 16 18 19 20 21 22 23 24 25 26

L 25 L 95 R 48
White Gray Black

1 2 3 4
1 2 3 4 5 6 7 8 9 10 11 1 2 3 4 5 6 7 8 9 10 11
5 6 7 8
12 13 14 15 16 17 18 19 20 21 22 12 13 14 15 16 17 18 19 20 21 22

R 57 z6 1A 2A
Dark Gray White White Black

1 2 3 4 5
1 2 3 4 1 2
1 2 3 4 5 6 7 8 9 10 6 7 8 9 10 11 12 13
5 6 7 8
11 12 13 14 15 16 17 18 19 20

-3-
Headlight Cleaner

2C 4C
White White

1 2 3 4 5 6 7 8 9 10 11 12

1 2 3 4 5 6 7 8 9 10 11 12 13 14 15 16 17 18

19 20 21 22 23 24 25 26 27 28 29 30 31 32 33 34 35 36

4H 4J
Gray Gray

1 2 3 4 5 6 7 8 9 10 11 12 1 2 3 4 5 6 7 8 9 10 11 12

5B 5F
Gray Gray

1 2 3 4 5 6 7 8 9 10 11 12 1 2 3 4 5 6 7 8 9 10 11 12

5J DA
Gray White

cardiagn.com
1 2 3 4 5 6 7 8 9 10 11 12

7 8 9 10 11 12 13 14 15 16 17 18 19 20 21 22
1 2 3 4 5 6
23 24 25 26 27 28 29 30 31 32 33 34 35 36 37 38
39 40 41 42 43 44 45 46 47 48 49 50 51 52 53 54 55 56 57 58 59 60

PA
White

7 8 9 10 11 12 13 14 15 16 17 18 19 20 21 22
1 2 3 4 5 6
23 24 25 26 27 28 29 30 31 32 33 34 35 36 37 38
39 40 41 42 43 44 45 46 47 48 49 50 51 52 53 54 55 56 57 58 59 60

AR1
White

11 10 9 8 7 6 5 4 3 2 1
1 2 3 4 5 6 7 8 9 10 11
22 21 20 19 18 17 16 15 14 13 12
12 13 14 15 16 17 18 19 20 21 22

-4-
Headlight Cleaner

LA3
White

7 8 9 10 11 12 13 14 15 16 17 18 19 20 21 22
1 2 3 4 5 6
23 24 25 26 27 28 29 30 31 32 33 34 35 36 37 38
39 40 41 42 43 44 22 21 20 19 18 17 16 15 14 13 12 11 10 9 8 7
45 46 47 48 49 50 51 52 53 54 55 56 57 58 59 60 6 5 4 3 2 1
38 37 36 35 34 33 32 31 30 29 28 27 26 25 24 23
60 59 58 57 56 55 54 53 52 51 50 49 48 47 46 45 44 43 42 41 40 39

LR1
White

7 8 9 10 11 12 13 14 15 16 17 18 19 20 21 22
1 2 3 4 5 6
23 24 25 26 27 28 29 30 31 32 33 34 35 36 37 38
39 40 41 42 43 44 22 21 20 19 18 17 16 15 14 13 12 11 10 9 8 7
45 46 47 48 49 50 51 52 53 54 55 56 57 58 59 60 6 5 4 3 2 1
38 37 36 35 34 33 32 31 30 29 28 27 26 25 24 23
60 59 58 57 56 55 54 53 52 51 50 49 48 47 46 45 44 43 42 41 40 39

cardiagn.com

-5-
Headlight

(BAT) (IG) (BAT) (BAT) (BAT)

80A 10A 10A 30A 20A


E/G RM B E/G ECU–B FR CTRL FR CTRL
RM–IG1–2 BAT ALT

1 1K 28 2C 4 2C 5 2A 4 2A

LG
W

L
A50(A), A52(C), B14(D)
5 A 1 A 1 C 5 C Front Controller
FMIG FMB3 BATB ALTB

HRLY OUT1 E
7 A 16 C 2 A

cardiagn.com
P
BE
R

W–B
1 2A 6 2G 2 2A 8 2G 10 2A 9 2A
H–LP RL

H–LP LL

H–LP LVL
15A
15A

Relay
H–LP LO RH

H–LP LO LH

H–LP LVL
Relay
Relay

10A

2 2E 19 2C 11 2G
W–B
W

W–B

15 A
A63(A), A64(B)
Connector
Junction

19 B 21 B
W–B

W–B

A8

-1-
Headlight

A50(A), A52(C), B14(D)


Front Controller

HLHL HLHR
6 D 5 D

cardiagn.com
P

P
L

9 BA2 1 BA1 1 BA2 2 BA1


G

R
B

P
17 2 3 17 2 3
LO HI SOL+ LO HI SOL+
Control ECU

Control ECU
Low (HID)

Low (HID)
High

High
Light

Light

Headlight RH
Headlight LH

E E E E
B11
B1

16 1 16 1
W–B

W–B

W–B

W–B
W–B

W–B

W–B

B1 B2

-2-
Headlight

A50(A), A52(C), B14(D)


Front Controller

HEAD ALTL
8 A 12 C

(BAT) (IG)
R

5A 5A
P–D/C D–IG1–1
CUT

cardiagn.com
42 LA3 10 EA2

21 DA
BR
R

35 PA

G
4 B 2 1 B
8 5B 12 5F
L BCUT CUTD

E24(B) Electric Power 8 5J 12 5J


Generator Control ECU
G
R

L25(A), z6(B)
7 A Windshield Wiper Switch 1 A 2 A
HEAD B IG

E CANN CANP
8 A 6 A 5 A
GR
BR
W

W–B

12 B 11 B 17 B 19 B 18 B 20 B
EL HU HF A T H
1 5J

EL HU HF EL AUTO T H

Flash OFF
1 5F
Low Tail
W–B

High Head

Dimmer Switch 57 DA
AUTO

Light Control Switch

z6(B)
Headlight Dimmer Switch 40 DA
R
W–B

L4

-3-
Headlight

A50(A), A52(C), B14(D)


Front Controller

CANP CANN
3 A 4 A
W
B

20 AR1 21 AR1

cardiagn.com
W
B

1 3
Connector
Junction
R57

5 7
W
B

3 14
Connector
Junction
R48

4 15
W
B

59 LR1 60 LR1
W
B

L95
11 22 Junction Connector

8 19 7 18 3 14
W

W
R

R W

W B

-4-
Headlight

(IG)

10A
E/G
RM–IG1–1

Speed Sensors

7 2A

G
(∗1)

(∗1)

(∗1)

(∗1)

(∗1)

(∗1)

(∗1)

(∗1)
B

Y
L

L
2 EA4

G
16 C 15 C 16 A 15 A 11 A 10 A 11 C 10 C 2
E49
FL+ FL– FR+ FR– RL+ RL– RR+ RR– RL PL RB Park/Neutral
Position Switch
P

CA1H CA1L CANH CANL R


30 C 29 C A19(A), A21(C) 9 C 8 C 1 6
Skid Control ECU
L

cardiagn.com
LG

(∗1)

W
Y
(∗1)

(∗1)
LG
L

1 A 3 A
(∗1)

(∗1)

E52(A)
V

2 13
Connector

Junction
Junction

Connector
A67

2 A 4 A
1 12
(∗1)

LG
W
G

Engine Control Module


(∗1)

(∗1)
W
B

11 E 12 E 18 A 17 A

A13(A), E3(E)
R P CA2H CA2L
48 LA1 49 LA1

CANH CANL
(∗1)

(∗1)
W

14 A 13 A
B

11 22
Connector
Junction

G
R
L97

8 19
10 21 9 20
(∗1)

(∗1)
W
R

A67 11 22
Junction Connector
Steering Angle Sensor

G
R

10 9
CA1H CA1L

45 LA1 46 LA1
L21

W W

B B

W W

B B

-5-
Headlight

∗ 1 : w/ Automatic High Beam System

L39
Electric Parking Brake Switch
AUTO

PUSH PULL
L

cardiagn.com
LG

21 10
Connector
Junction
A65

AUTO LOK1 LOK2 RLS1 RLS2 GND


18 7
5 7 9 6 10 8
W

W
G
R

B
6 AS2 5 AS2 23 LS1 28 LS1 27 LS1 26 LS1 25 LS1
1 3D
W

W
G
R

R
B

1 B 9 B 5 B 12 B 15 B 16 B 13 B 1 3H
CA2L CA2H AUTO LCK1 LCK2 REL1 REL2
W–B

S48(B) 45 DA
Parking Brake ECU

40 DA
W–B

G G

R R

W W

B B

W W

B B

L4

-6-
B
B
R
G

W
W
8
10
W–B W–B W–B

L4
40 DA
41 DA
(∗1) (∗1) (∗1)
L100
Junction
Connector

2
1

5
B W–B W–B

E
10 B
20 B
25 LX1

-7-
(∗1) (∗1) (∗1)
Headlight

X17

GND1
GND4
Junction
Connector

2
2
1
G L V L L

25 A
9 A

IG
12 3C
12 3H
47 DA
(IG)

20 LX1

(∗1) (∗1) (∗1) (∗1) (∗1)

IG

IG1
X16
X4(A), X6(B) Junction
10A

Overhead Module Connector


D–IG1–3

Automatic High Beam Sensor


1
BE BE

LIN
13 LA3

5 LX2
(∗1) (∗1)

X7
Inner Mirror

B
B
R
G

W
W
BE
(∗1)

cardiagn.com
Headlight

B1 R
Headlight LH (∗1)

Headlight Leveling Motor G


(∗1)

∗ 1 : w/ Automatic High Beam System

LHM+ LH E LHB1
14 15 13
(∗1)

(∗1)

(∗1)

(∗1)

(∗1)
BE
W

G
R
8 BA1 7 BA1 9 BA1 15 LA3 16 LA3
(∗1)

(∗1)

(∗1)

(∗1)

(∗1)
BE
W

G
R
L

30 27 3 12 13
LH+ LH– LHT CANH CANL

cardiagn.com
BE RH+ RH– RHT
(∗1) 11 28 4 A37
AFS ECU
(∗1)

(∗1)

(∗1)
BE
P

10 B 11 B
A63(A), A64(B)

M2
Light Control Sensor
Connector
Junction

1 A
CLTE CLTB CLTS
(∗1)

3 6 5
V

BE
W

V
5 BA1 6 BA1 4 BA1
(∗1)

(∗1)

(∗1)
LG
W

6 LM1 4 LM1 5 LM1

14 15 13
RHM+ RH E RHB1
BE
W

18 B 20 B 19 B
Main Body ECU
L11(A), L12(B)
Headlight RH

CLTE CLTB CLTS

Headlight Leveling Motor


B11

G G

R R

W W

B B

W W

B B

-8-
Headlight

R
(IG) (BAT) ∗ 1 : w/ Automatic High Beam System
(∗1)

G
10A 10A
(∗1) P–J/B D MPX–B 2

30 2C 42 DA
(∗1)

(∗1)
G

L
L
1
L136
Junction
6 LA1 Connector
2
22 11
Connector
Junction

P
L
L98

L10
14 13 Combination Meter
18 7
IG2 B

cardiagn.com
Head (USA)
High Beam

AUTO
5V IC
(∗1)

(∗1)

CPU
G

LED DRIVER
CAN CONTROLLER

CAN I/F

CANL CANH CANN CANP ES E2


21 20 23 22 18 17
W
G

L97
W–B

Junction
BR

12 1 Connector 16 5

14 3 15 4

6
L100
G

G
R

Junction
Connector
6 A 5 A
Main Body ECU

8
L11(A), L12(B)

CANL CANH
W–B

CANN CANP
15 A 16 A
58 PA 41 DA
G

W 43 PA 40 DA

W
W–B
BR

L1 L4

-9-
Headlight

A 13 A 19
White Black

1 2 3 4 5 6

7 8 9 10 11 12 13 14 15 16 3 4 5 6 7 8 9 10 11 12 13 14 15 16
1 2
17 18 19 20 21 22 23 24 25 26 27 17 18 19 20 21 22 23 24 25 26 27 28 29 30

28 29 30 31 32 33 34 35 31 32
33 34 35 36 37 38 39 40 41 42 43 44 45 46

A 21
Gray

3 4 5 6 7 8 9 10 11 12 13 14 15 16
1 2
17 18 19 20 21 22 23 24 25 26 27 28 29 30

cardiagn.com
31 32
33 34 35 36 37 38 39 40 41 42 43 44 45 46

A 37 A 50 A 52
White White White

1 2 3 4 5 6 7 8 9 10 11 12 13
1 2 3 4 5 6
14 15 16 17 18 19 20 21 22 23 24 25 26 27 28 29 30 31 32 1 2

3 4 5 6 7 8 9 10 11 12 13 14 15 16 17
7 8 9 10 18 19 20 21 22 23 24 25 26

A 63 A 64 A 65
Black Black Gray

1 2 3 4 5 6 7 8 9 10 11 1 2 3 4 5 6 7 8 9 10 11 1 2 3 4 5 6 7 8 9 10 11
12 13 14 15 16 17 18 19 20 21 22 12 13 14 15 16 17 18 19 20 21 22 12 13 14 15 16 17 18 19 20 21 22

- 10 -
Headlight

A 67 B1
Black Black

1 2 3 4 5 6 7 8 9 10 11
3 4 5 6 7 8 9
12 13 14 15 16 17 18 19 20 21 22 1 2
10 11 12 13 14 15
16 17
18 19 20 21 22 23 24

B 11 B 14 E3
Black White White

1 2 5 6 1 2 3 4 5 6
3 4 5 6 7 8 9 3 4
1 2 7 8 9 10 11 12 13 14 15 16
10 11 12 13 14 15 7 8 9 10 11 12 13 14 15 16 17 18 19 20 21 22 23 24 25 26
16 17
18 19 20 21 22 23 24 17 18 19 20 21 22 23 24 27 28 29 30 31 32 33

cardiagn.com
E 24 E 49 E 52
Black Gray Black

1 2
1 2 3 4
3 4 1 2 3 4 5 6 7 8 9 10 11
5 6 7 8 9
12 13 14 15 16 17 18 19 20 21 22

L 10 L 11 L 12
Black White White

1 2 3 4 5 6 7 8 9 10 11 12 1 4 1 2 3 4 5 6 7 8 9 10
2 3
13 14 15 16 17 18 19 20 21 22 23 24 11 12 13 14 15 16 17 18 19 20
5 6 7 8 9 10
21 22 23 24 25 26 27 28
11 12 13 14 15 16

L 21 L 25 L 39 L 95
White White White Gray

1 2 3 4 5 6 7 8 9 10 1 2 3 4 1 2 3 4 5 1 2 3 4 5 6 7 8 9 10 11
5 6 7 8 6 7 8 9 10 12 13 14 15 16 17 18 19 20 21 22

- 11 -
Headlight

L 97 L 98 L100 L136
Black Gray Blue Black

1 2 3 4 5 1 2 3 4
6 7 8 9 10 11 12

1 2 3 4 5 6 7 8 9 10 11 1 2 3 4 5 6 7 8 9 10 11
12 13 14 15 16 17 18 19 20 21 22 12 13 14 15 16 17 18 19 20 21 22

M2 R 48 R 57 S 48
Black Black Dark Gray White

1 2
1 2 3 4
3 4 1 2 3 4 5 6 7 8
1 2 3 4 5 6 7 8 9 10 11
5 6 5 6 7 8
9 10 11 12 13 14 15 16
12 13 14 15 16 17 18 19 20 21 22

X4 X6 X7
White White White

cardiagn.com
5 4 3 2 1
1 2 3 4 5 6 7 8 9 10 11 12 13 14 15 16 1 2 3 4 5 6 7 8 9 10

17 18 19 20 21 22 23 24 25 26 27 28 29 30 31 32 11 12 13 14 15 16 17 18 19 20

X 16 X 17 z6 1K
Black Black White

1 2 3 4 1 2 3 4 1

1 2 3 4 5 6 7 8 9 10
11 12 13 14 15 16 17 18 19 20

2A 2C
Black White

1 2 3 4 5
6 7 8 9 10 11 12 13 1 2 3 4 5 6 7 8 9 10 11 12 13 14 15 16 17 18

19 20 21 22 23 24 25 26 27 28 29 30 31 32 33 34 35 36

2E 2G 3C
Black Black White

1 2 3 4 5 6 7 8 9 10 11 12

1 2 3 4 5 6 7
1 2
8 9 10 11 12 13 14

3D 3H
Gray Gray

1 2 3 4 5 6 7 8 9 10 11 12 1 2 3 4 5 6 7 8 9 10 11 12

- 12 -
Headlight

5B 5F
Gray Gray

1 2 3 4 5 6 7 8 9 10 11 12 1 2 3 4 5 6 7 8 9 10 11 12

5J DA
Gray White

1 2 3 4 5 6 7 8 9 10 11 12

7 8 9 10 11 12 13 14 15 16 17 18 19 20 21 22
1 2 3 4 5 6
23 24 25 26 27 28 29 30 31 32 33 34 35 36 37 38
39 40 41 42 43 44 45 46 47 48 49 50 51 52 53 54 55 56 57 58 59 60

PA
White

7 8 9 10 11 12 13 14 15 16 17 18 19 20 21 22
1 2 3 4 5 6
23 24 25 26 27 28 29 30 31 32 33 34 35 36 37 38
39 40 41 42 43 44 45 46 47 48 49 50 51 52 53 54 55 56 57 58 59 60

cardiagn.com
AR1
White

11 10 9 8 7 6 5 4 3 2 1
1 2 3 4 5 6 7 8 9 10 11
22 21 20 19 18 17 16 15 14 13 12
12 13 14 15 16 17 18 19 20 21 22

AS2
White

1 2 8 9
9 8 2 1
10 11 3 4 5 6 7 17 18
12 13 14 15 16 18 17 7 6 5 4 3 11 10
16 15 14 13 12

BA1
White

9 8 7 6 5 4 3 2 1
1 2 3 4 5 6 7 8 9
18 17 16 15 14 13 12 11 10
10 11 12 13 14 15 16 17 18

- 13 -
Headlight

BA2
Gray

9 8 7 6 5 4 3 2 1
1 2 3 4 5 6 7 8 9
25 16 15 14 13 12 11 10 17
17 10 11 12 13 14 15 16 25 24 23 22 21 20 19 18
18 19 20 21 22 23 24

EA2 EA4
White White

11 10 9 8 7 6 5 4 3 2 1 1 2
1 2 3 4 5 6 7 8 9 10 11
3 4 2 1
22 21 20 19 18 17 16 15 14 13 12
12 13 14 15 16 17 18 19 20 21 22
4 3

cardiagn.com
LA1
White

7 8 9 10 11 12 13 14 15 16 17 18 19 20 21 22
1 2 3 4 5 6
23 24 25 26 27 28 29 30 31 32 33 34 35 36 37 38
39 40 41 42 43 44 22 21 20 19 18 17 16 15 14 13 12 11 10 9 8 7
45 46 47 48 49 50 51 52 53 54 55 56 57 58 59 60 6 5 4 3 2 1
38 37 36 35 34 33 32 31 30 29 28 27 26 25 24 23
60 59 58 57 56 55 54 53 52 51 50 49 48 47 46 45 44 43 42 41 40 39

LA3
White

7 8 9 10 11 12 13 14 15 16 17 18 19 20 21 22
1 2 3 4 5 6
23 24 25 26 27 28 29 30 31 32 33 34 35 36 37 38
39 40 41 42 43 44 22 21 20 19 18 17 16 15 14 13 12 11 10 9 8 7
45 46 47 48 49 50 51 52 53 54 55 56 57 58 59 60 6 5 4 3 2 1
38 37 36 35 34 33 32 31 30 29 28 27 26 25 24 23
60 59 58 57 56 55 54 53 52 51 50 49 48 47 46 45 44 43 42 41 40 39

LM1
White

1 2
3 4 5 6 7 2 1
7 6 5 4 3

- 14 -
Headlight

LR1
White

7 8 9 10 11 12 13 14 15 16 17 18 19 20 21 22
1 2 3 4 5 6
23 24 25 26 27 28 29 30 31 32 33 34 35 36 37 38
39 40 41 42 43 44 22 21 20 19 18 17 16 15 14 13 12 11 10 9 8 7
45 46 47 48 49 50 51 52 53 54 55 56 57 58 59 60 6 5 4 3 2 1
38 37 36 35 34 33 32 31 30 29 28 27 26 25 24 23
60 59 58 57 56 55 54 53 52 51 50 49 48 47 46 45 44 43 42 41 40 39

LS1
White

7 8 9 10 11 12 13 14 15 16 17 18 19 20 21 22
1 2 3 4 5 6
23 24 25 26 27 28 29 30 31 32 33 34 35 36 37 38
39 40 41 42 43 44 22 21 20 19 18 17 16 15 14 13 12 11 10 9 8 7
45 46 47 48 49 50 51 52 53 54 55 56 57 58 59 60 6 5 4 3 2 1
38 37 36 35 34 33 32 31 30 29 28 27 26 25 24 23
60 59 58 57 56 55 54 53 52 51 50 49 48 47 46 45 44 43 42 41 40 39

cardiagn.com
LX1
White

9 8 7 6 5 4 3 2 1
1 2 3 4 5 6 7 8 9
25 16 15 14 13 12 11 10 17
17 10 11 12 13 14 15 16 25 24 23 22 21 20 19 18
18 19 20 21 22 23 24

LX2
White

9 8 7 6 5 4 3 2 1
1 2 3 4 5 6 7 8 9
18 17 16 15 14 13 12 11 10
10 11 12 13 14 15 16 17 18

- 15 -
W–B W–B Y

21 B
15 A
2 A
E
5 A

A8
28 2C
(IG)

FMIG
A63(A), A64(B)
Junction 10A
Connector E/G RM–IG1–2

1
B LG

1 A

1 D
4 2C
(BAT)

FMB3

HORL
B10
Low Pitched Horn 10A ECU–B

1
B P

2 D
1 C
5 2A

BATB
(BAT)

HORH
B6
High Pitched Horn 30A
FR CTRL BAT

5
1
B B B L

3 A
5 C
4 2A

20 AR1
ALTB
(BAT)

CANP
20A
FR CTRL ALT

7
3
W W W

4 A

21 AR1
CANN
R57
Junction Connector A50(A), A52(C), B14(D)
Front Controller

-1-
Horn

9
4
3

11
W–R(∗1) R B B B

2 F
10 A

2 C
59 LR1

BR(∗2)

CANP
∗ 1 : w/ Paddle Shift Switch
∗ 2 : w/o Paddle Shift Switch

20
22
15
14

Y W W W W

1 F
9 A

1 C
60 LR1

L95 R48

CANN
Junction Connector Junction Connector

Steering Switch ECU


1
2

L L W(∗1) B B
7 A

1 D
8 5B

8 5H
35 PA
(BAT)

BCUT

CUTD

+B

HO
R(∗2)

12 C (∗2)
12 F (∗1)
Horn Switch
5A
CUT

z8(D)
P–D/C

Steering Pad z7(C), z8(D), z14(F) L134(A), z7(C), z14(F)


Switch Steering Pad Switch Spiral Cable
Control ECU

with Modulator
Electric Power

cardiagn.com
Horn

A 50 A 52 A 63
White White Black

1 2 3 4 5 6 1 2 3 4 5 6 7 8 9 10 11
1 2
12 13 14 15 16 17 18 19 20 21 22
3 4 5 6 7 8 9 10 11 12 13 14 15 16 17
7 8 9 10 18 19 20 21 22 23 24 25 26

A 64 B6 B 10 B 14
Black Gray Black White
1 1

1 2 3 4 5 6 7 8 9 10 11 1 2 5 6
3 4
12 13 14 15 16 17 18 19 20 21 22
7 8 9 10 11 12 13 14 15 16

17 18 19 20 21 22 23 24

cardiagn.com
L 95 L134 R 48
Gray Black Black

1 2 3 4 5 6 7 8 9 10 11 1 2 3 4 5 6 7 1 2 3 4 5 6 7 8 9 10 11
12 13 14 15 16 17 18 19 20 21 22 8 9 10 11 12 13 14 12 13 14 15 16 17 18 19 20 21 22

R 57 z7 z8 z 14
Dark Gray White Blue Black

1 2 3 4
5 4 3 2 1 1 2 3 4 5 6
1 2 3 4 5
5 6 7 8 7 8 9 10 11 12
10 9 8 7 6
6 7 8 9 10

2A 2C
Black White

1 2 3 4 5
6 7 8 9 10 11 12 13 1 2 3 4 5 6 7 8 9 10 11 12 13 14 15 16 17 18

19 20 21 22 23 24 25 26 27 28 29 30 31 32 33 34 35 36

5B 5H
Gray Gray

1 2 3 4 5 6 7 8 9 10 11 12 1 2 3 4 5 6 7 8 9 10 11 12

-2-
Horn

PA
White

7 8 9 10 11 12 13 14 15 16 17 18 19 20 21 22
1 2 3 4 5 6
23 24 25 26 27 28 29 30 31 32 33 34 35 36 37 38
39 40 41 42 43 44 45 46 47 48 49 50 51 52 53 54 55 56 57 58 59 60

AR1
White

11 10 9 8 7 6 5 4 3 2 1
1 2 3 4 5 6 7 8 9 10 11
22 21 20 19 18 17 16 15 14 13 12
12 13 14 15 16 17 18 19 20 21 22

LR1

cardiagn.com
White

7 8 9 10 11 12 13 14 15 16 17 18 19 20 21 22
1 2 3 4 5 6
23 24 25 26 27 28 29 30 31 32 33 34 35 36 37 38
39 40 41 42 43 44 22 21 20 19 18 17 16 15 14 13 12 11 10 9 8 7
45 46 47 48 49 50 51 52 53 54 55 56 57 58 59 60 6 5 4 3 2 1
38 37 36 35 34 33 32 31 30 29 28 27 26 25 24 23
60 59 58 57 56 55 54 53 52 51 50 49 48 47 46 45 44 43 42 41 40 39

-3-
Heated Steering Wheel System

(IG) (IG) (BAT)

D MPX–B 1
D–IG1–1
15A
D–IG1–4

5A

10A
z13(B)
Steering Wheel Heater Controller 44 DA 21 DA 36 DA

Steering Heater

GR

B
12 5F 5 5F

12 5I 5 5I

B
Heater Control
Assembly
11 12
IG B

Outer Mirror Switch


L23(A), z13(B)

3 B 1 B 2 B 4 B

cardiagn.com
Spiral Cable

Steering Heater Switch

Assembly
EHT BTM ETM BHT
2 A 1 A 3 A 4 A STHS STHI E

L6
9 5 1
W–B

W–B
GR
BE

BE
L

1 5I

1 5F
W–B

57 DA

40 DA
W–B
W–B

W–B

L2 L4

-1-
Heated Steering Wheel System

L6 L 23 z 13 5F
White Black White Gray

1 2 3 4 5 6 7 8 9 10 11 12

1 2 1 2
1 2 3 4 5 6
3 4 3 4
7 8 9 10 11 12

5I DA
White White

1 2 3 4 5 6 7 8 9 10 11 12

7 8 9 10 11 12 13 14 15 16 17 18 19 20 21 22
1 2 3 4 5 6
23 24 25 26 27 28 29 30 31 32 33 34 35 36 37 38
39 40 41 42 43 44 45 46 47 48 49 50 51 52 53 54 55 56 57 58 59 60

cardiagn.com

-2-
Interior Light

(BAT) (BAT)

10A 10A
D MPX–B 1 DOME

48 DA 59 DA X4(A), X6(B)
Overhead Module
R
B

7 3H CPU

7 3G

Interior

DOOR
OFF
ON
Light
B

cardiagn.com
GND4 RILL ILLB DOME
20 B 18 B 11 A 27 A
W–B

GR
R
L

2 2
Connector

Connector
Junction

Junction
X17

X15
W–B

1 1 3
W–B

10
Connector
Junction
L100

8 25 LX1 23 LX1
W–B

W–B

41 DA

L
40 DA
W–B

L4

-1-
Interior Light

X4(A), X6(B)
Overhead Module

CPU

5V 5V
12V
Center Console

Center Console
Spot Light

Spot Light

DOOR

cardiagn.com
+B1 RRVS RRVT +B2 RLVS RLVT
10 A 13 A 14 B 26 A 12 A 16 B
V

B
L

1 3 2 1 3 2
B E RRVS B E RLVS

X14 X11
Rear Vanity Light RH Rear Vanity Light LH

R R

L L

Y Y

B B

-2-
Interior Light

X4(A), X6(B)
Overhead Module

CPU

12V
5V

Front Map Light

Front Map Light


Switch RH
Switch LH

cardiagn.com
Map Light RH
Map Light LH

RRMP RLMP RDSW RRSW RLSW GND6 GND9 +B LIN


8 B 7 B 14 A 4 A 3 A 15 A 16 A 6 A 2 B
W–B
W

G
B

10 2 7 5 4 3 3
Connector
Junction

L
B B RDSW E E RGND
X17
RH

Rear Interior
LH

Light Switch

1
RH

LH

W–B

21 LX1

25 LX1
Rear Map Light

B
W–B

Interior Light Interior Light

10
X12

Connector
Junction

B E B E
L100

8 9 1 6
8
W–B
W–B

W–B
Y

R
6 LX2 1 3H 45 DA 41 DA
L

2 3G 40 DA
W–B

Y W–B

B L

L4

-3-
Interior Light

V
(BAT)

10A
DOME

46 DA 37 DA

S61(A), S62(B), S63(C)


Rear Junction Block ECU
R

13 DA 25 DA RSPL RSPR LIN


21 B 25 A 9 B
V

L
7 5F 6 5F 6 3H 6 3L 17 Se1 1 RS4 14 LS1

cardiagn.com
V
17 Re1

L
7 5G 7 5E 6 5E 6 3J

Front Footwell Light LH

V
R

V
Front Footwell

1 1 1 ek4 1 ek3 3 LX2


8 LX1
Light RH

Rear Footwell Light RH


Rear Footwell Light LH
L81

L29

L
2 2
1 1
W

W R
R

2 2
k2

k1
1 1
Front Vanity

Front Vanity

B–W

B–W
Light RH
Light LH

2 2
X2

X9

W–B 2 ek4 2 ek3


W

1 3C
2 2
4 Se1 4 Re1
Visor RH
Visor LH

R
X10

1 3H
X1

1 1
8 LS1 51 LR1
W–B

W
R

R
W

45 DA 11 3E 11 3I

10 LX1
40 DA 11 3J 11 3H
W–B

W–B

L4

-4-
Interior Light

V V

(BAT) (BAT) (IG)

RR MPX–B 1

RR MPX–B 2
∗ 1 : w/o Power Trunk Opener and Closer System

RR–IG1–2
∗ 2 : w/ Power Trunk Opener and Closer System

10A
10A

5A
7 15 8
MPXB LGLB IG
S61(A), S62(B), S63(C)
Rear Junction Block ECU

BDCY LCTY LGLP LGCY PGND SG DBIL PBIL CANP CANN


16 C 9 C 11 C 8 B 4 17 21 A 13 B 20 B 28 B

W
R
P

B
15 LA 43 LA 29 LA
7 Se1 15 RS1

cardiagn.com
W–B

W–B
(∗1)

(∗1)

GR
G

B
L

R
7 Re1
P
Luggage Compartment

Front Seat Inner Belt Switch RH


Luggage Closer Motor

Front Seat Inner Belt Switch LH


Luggage Room Light

6 7

R
+B CTY 1 2
4 4
Door Light

B B
E
S36

S34

S26

2 1
8

E E
e54

e12
(∗1)

3 3
B

20
18 S55
Junction
W–B

W–B

Connector
16
W–B

7
S55
Junction 18 Se1 18 Re1
Connector
10

W
W–B

W–B

W–B

W–B

W–B

7 1
6

S54
S1 Junction S3 R3
Connector

-5-
B
V

W
5
W–B W–B V

11 A

L4
40 DA
FSPT

GND1
4
W–B

41 DA
GND2

8
11
15
W–B

1 A
IG
(IG)

GND3
L100
Junction 10A D–IG1–3
Connector

1
R W W

24 C

4 4F
4 4E

14 DA

30 DD
22

DCTY
ACC
(ACC)

S6
Front Door Courtesy Switch LH
5A D–ACC

1
L L

21 B

13 LR1
PCTY
R6
Main Body ECU
6

Front Door Courtesy Switch RH


ALTB
(BAT)

17
L11(A), L12(B), L13(C)

1
L L

12 DD
5A AM1
LCTY

S14

-6-
Rear Door Courtesy Switch LH
Interior Light

1
R R
7 B

16 RL2
RCTY

R12
Rear Door Courtesy Switch RH

W–B W
15 A

1 4J

40 PA
CANN

5
11

GND
SWIL

W–B W–B W–B W R B


16 A

25 C

L3
2 4E

1 4H

39 PA
51 PA
SWIL
CANP

L36
Power Switch
6
2

13

SB R
S43
35 LA
(BAT)

Power Trunk Lid (∗2) (∗2)


ILL–
ILL+

Control ECU
5A
RR MPX–B 2

7
3
1

11
14
12

W–B SB SB

S2
ILL

GND

(∗2) (∗2) (∗2)


ILL–

S55

S57
Junction

B
B

W
W

Connector

Junction
S40

Connector
Power Trunk Lid Switch

cardiagn.com
Interior Light

W
B

B
(IG) (BAT) (BAT)

RR MPX–B 1
RR–IG1–2

30A PTL 3 14 11 22

Connector
Junction
10A

10A

L95
5 16 4 15

60 LA 3 LA 55 LA

W
B

B
27 A 28 A
CANH CANL
(∗2)

(∗2)

(∗2)
G
Y

L15(A)
Certification ECU

cardiagn.com
8 12 10 W

W
B

B
IG B ECUB
S43
Power Trunk Lid Control ECU
59 LS1 60 LS1 60 LR1 59 LR1
LCTY BDCY CANL CANH
W
22 9 5 6
W

W
B

B B
(∗2)

(∗2)

(∗2)

(∗2)
W
G

B
L

R48
7 6 13 2 15 4 2 13 5 16 15 4 Junction Connector
Luggage Closer Motor

Connector

CTY +B
Junction
S60

14 3 S59 3 14 4 15 13 2 12 1
Junction
E Connector
S36

W
R

R
B

8
(∗2)
B

14 OS1 15 OS1 2 NS2 1 NS2 15 OR1 14 OR1 9 NR2 8 NR2


18
Connector
Junction

W
R

R
S55

16
W
W–B
(∗2)

7 W
Connector
Junction

W
S55

10
R
W–B
(∗2)

W W

B R

6
S54
Junction
Connector
∗ 2 : w/ Power Trunk Opener and Closer System

S1

-7-
Interior Light

(BAT) (BAT) (IG) (BAT)

10A 25A 10A 10A


P DOOR 2 P DOOR 1 P–IG1–1 P MPX–B
N8
Front Door Lock Motor RH

19 PJ 20 PJ 13 PJ 28 PJ

Detection
Unlock
Switch
GR
R

R
V
LSSR E
7 8
4 NR2 3 NR1 13 NR2 12 NR2
BE
R

R
V

B
16 A 6 A 3 A 11 A 25 B 13 B
BDG1 BDR SIG CPUB LSW LSWE

N1(A), N2(B), P4(C), z9(D)


Front Door Control ECU RH

cardiagn.com
CANP CANN GND CTYB CYL LED+ LED– LP– LP+
9 A 10 A 1 A 6 C 7 C 10 C 22 C 12 D 2 D
W–B

LG

LG
W

W
R

R
B
L

5 NR1

2 1
W–B

+ –

Outer Foot Light


1 2

P5
Front Door P2
Courtesy Light Front Inside
RH Handle Illumination
Light RH

z9(D)
Outer Rear View Mirror RH

R R

W W

W W

R R

W W

R R
W–B

R3

-8-
Interior Light

(BAT) (BAT) (BAT) (IG) (BAT)


P–D/C CUT

D MPX–B 1
D DOOR 2

D DOOR 1

D–IG1–3
10A
10A

25A

10A
N15
5A

Front Door Lock Motor LH


B

4 DD 1 DD 8 DD 17 DD

Detection
4 4A 48 LS1

Unlock
Switch
GR
R
B

B
L
LSSR E
5 4H 8 7
6 NS2 15 NS2 3 NS1 17 NS2 18 NS2
B

BE
R

R
B

B
L
57 PA

2 1 4 B 16 B 6 B 3 B 11 B 25 A 13 A
BCUT CUTD BCUT BDG1 BDR SIG CPUB LSW LSWE

N9(A), N10(B), P10(C), z10(D)


Front Door Control ECU LH

cardiagn.com
Electric Power
Control ECU CANN CANP GND CTYB CYL LED+ LED– LP– LP+
10 B 9 B 1 B 6 C 7 C 10 C 22 C 12 D 2 D
W–B

LG

LG
W

W
R

R
B
L

5 NS1

2 1
W–B

+ –

Outer Foot Light


1 2

P11
Front Door P8
Courtesy Light Front Inside
LH Handle Illumination
Light LH

z10(D)
Outer Rear View Mirror LH

R R

W W

W W

R R
W–B

S3

-9-
Interior Light

(BAT) (BAT) (IG) (BAT) (BAT) (IG)


P RR DOOR

25A D RR DOOR

5A RR MPX–B 2
P MPX–B

10A RR–IG1–2
P–IG1–2
10A

5A
25A

23 PJ 26 PJ 12 PJ 2 DD 10 LD 12 LD

Y
L

Junction Connector
R42(A), R44(B)
19 A

Rear Door Courtesy

Rear Door Courtesy


1
Connector
Junction
R

R
L

L
2 2

S56
12 B 2

Light RH

Light LH
Q10
Q5

1 1
LG

LG
Y
L

cardiagn.com
1 OR1 11 OR1 10 OR1 8 OQ1 7 OQ1 1 OS1 18 OS1 17 OS1 8 OQ2 7 OQ2
GR

LG

LG
R

Y
L

L
6 B 11 B 3 B 6 A 7 A 6 B 11 B 3 B 6 C 7 C
BDR CPUB SIG CTYB CYL BDR CPUB SIG CTYB CYL

O2(A), O3(B) O14(B), O15(C)


Rear Door Control ECU RH Rear Door Control ECU LH

CANP CANN LED+ LED– GND CANN CANP LED+ LED– GND
9 B 10 B 11 A 12 A 1 B 10 B 9 B 11 C 12 C 1 B
W–B

W–B
W

W
R

R
B

3 OQ1 2 OQ1 2 OR1 3 OQ2 2 OQ2 2 OS1


W–B

W–B
R

R
B

B
Illumination Light RH

Illumination Light LH
Rear Inside Handle

Rear Inside Handle

2 2
Q1

Q6

1 1

W
W–B

W–B

4
W–B 1 R41
Junction
Connector

R3 R1 S2

- 10 -
Interior Light

L 11 L 12 L 13
White White White

1 2 3 4 5 6
1 4 1 2 3 4 5 6 7 8 9 10
2 3
11 12 13 14 15 16 17 18 19 20
5 6 7 8 9 10 7 8 9 10 11 12 13 14 15 16 17
21 22 23 24 25 26 27 28
11 12 13 14 15 16 18 19 20 21 22 23 24 25 26

L 15 L 29 L 36
White Gray Black

1 2
1 2 3 4 5 6 7 8 9 10 11 12 13 14 15 16 17 1 2 3 4 5 6 7
18 19 20 21 22 23 24 25 26 27 28 29 30 31 32 33 34 35 36 37 38 39 40 8 9 10 11 12 13 14

L 81 L 95 L100 N1
Gray Gray Blue White

cardiagn.com
1 2 3 4 5
1 2 6 7 8 9 10 11 12

1 2 3 4 5 6 7 8 9 10 11 1 2 5 6
3 4
12 13 14 15 16 17 18 19 20 21 22
7 8 9 10 11 12 13 14 15 16

17 18 19 20 21 22 23 24

N2 N8 N9
White White White

1 2 3 4
1 2 3 4 5 6 1 2 3 4 5 6
5 6 7 8 9 10

7 8 9 10 11 12 13 14 15 16 17 7 8 9 10 11 12 13 14 15 16 17
18 19 20 21 22 23 24 25 26 18 19 20 21 22 23 24 25 26

N 10 N 15 O2
White White White

1 2 3 4
1 2 5 6 1 10
3 4 5 6 7 8 9 10 2 3 4 5 6 7 8 9

7 8 9 10 11 12 13 14 15 16 11 12 13 14 15 16 17 18 19 20 21 22

17 18 19 20 21 22 23 24 23 24 25 26 27 28 29 30

- 11 -
Interior Light

O3 O 14 O 15
White White White

1 2 5 6 1 2 5 6 1 10
3 4 3 4 2 3 4 5 6 7 8 9

7 8 9 10 11 12 13 14 15 16 7 8 9 10 11 12 13 14 15 16 11 12 13 14 15 16 17 18 19 20 21 22

17 18 19 20 21 22 23 24 17 18 19 20 21 22 23 24 23 24 25 26 27 28 29 30

P2 P4 P5 P8
White White White White

1 2
1 2 1 2

1 10
2 3 4 5 6 7 8 9

11 12 13 14 15 16 17 18 19 20 21 22

23 24 25 26 27 28 29 30

cardiagn.com
P 10 P 11 Q1 Q5 Q6
White White White White White

1 2 1 2
1 2 1 2

1 10
2 3 4 5 6 7 8 9

11 12 13 14 15 16 17 18 19 20 21 22

23 24 25 26 27 28 29 30

Q 10 R6 R 12 R 41 R 42
White White White White Black

1 2 1 1 1 2 3
4 5 6 7 8 1 2 3 4 5 6 7 8 9 10 11
12 13 14 15 16 17 18 19 20 21 22

R 44 R 48 S6 S 14
Black Black White White

1 1

1 2 3 4 5 6 7 8 9 10 11 1 2 3 4 5 6 7 8 9 10 11
12 13 14 15 16 17 18 19 20 21 22 12 13 14 15 16 17 18 19 20 21 22

S 26 S 34 S 36 S 40
Gray Gray White Black

1 2 3
1 2 1 2 4 5 6 7 8
1 2 3 4 5 6

- 12 -
Interior Light

S 43 S 54 S 55
White White White

1 2 3
4 5 6 7 8 1 2 3 4 5 6 7 8 9 10 11
1 2 3 10 11 12
4 5 6 7 8 9 12 13 14 15 16 17 18 19 20 21 22
13 14 15 16 17 18 19 20 21 22 23 24 25 26

S 56 S 57 S 59
White White Black

1 2 3

1 2 3 4 5 6 7 8 9 10 11 4 5 6 7 8 1 2 3 4 5 6 7 8 9 10 11
12 13 14 15 16 17 18 19 20 21 22 12 13 14 15 16 17 18 19 20 21 22

S 60 S 61 S 62
Black White White

cardiagn.com
1 2 3 4 5 6 7 8 9 10 11 1 2 3 4 5 6
1 2 3 4 5 6 7 8 9 10
12 13 14 15 16 17 18 19 20 21 22 11 12 13 14 15 16 17 18 19 20
7 8 9 10 11 12 13 14 15 16 17
21 22 23 24 25 26 27 28
18 19 20 21 22 23 24 25 26

S 63 X1 X2
White White Gray

1 2

1 4
2 3
5 6 7 8 9 10
11 12 13 14 15 16
2 1

X4 X6 X9
White White Gray

1 2

1 2 3 4 5 6 7 8 9 10 11 12 13 14 15 16 1 2 3 4 5 6 7 8 9 10

17 18 19 20 21 22 23 24 25 26 27 28 29 30 31 32 11 12 13 14 15 16 17 18 19 20

- 13 -
Interior Light

X 10 X 11 X 12 X 14
White White White White

1 2 3 1 2 3
1 2 3 4 5
6 7 8 9 10

2 1

X 15 X 17 e 12 e 54 k1 k2
Black Black White White Black Black

1 2 3 4 1 2 3 4
4 3 2 1 1 2 1 2
2 1
4 3

z9 z 10 3C
White White White

cardiagn.com
1 2 3 4 5 6 7 8 9 10 11 12

1 2 3 4 5 6 7 8 1 2 3 4 5 6 7 8
9 10 11 12 13 14 15 16 9 10 11 12 13 14 15 16

3E 3G
White White

1 2 3 4 5 6 7 8 9 10 11 12 1 2 3 4 5 6 7 8 9 10 11 12

3H 3I
Gray White

1 2 3 4 5 6 7 8 9 10 11 12 1 2 3 4 5 6 7 8 9 10 11 12

3J 3L
Gray Gray

1 2 3 4 5 6 7 8 9 10 11 12 1 2 3 4 5 6 7 8 9 10 11 12

4A 4E
White White

1 2 3 4 5 6 7 8 9 10 11 12 1 2 3 4 5 6 7 8 9 10 11 12

4F 4H
Gray Gray

1 2 3 4 5 6 7 8 9 10 11 12 1 2 3 4 5 6 7 8 9 10 11 12

4J 5E
Gray White

1 2 3 4 5 6 7 8 9 10 11 12 1 2 3 4 5 6 7 8 9 10 11 12

- 14 -
Interior Light

5F 5G
Gray White

1 2 3 4 5 6 7 8 9 10 11 12 1 2 3 4 5 6 7 8 9 10 11 12

DA
White

7 8 9 10 11 12 13 14 15 16 17 18 19 20 21 22
1 2 3 4 5 6
23 24 25 26 27 28 29 30 31 32 33 34 35 36 37 38
39 40 41 42 43 44 45 46 47 48 49 50 51 52 53 54 55 56 57 58 59 60

DD
Gray

7 8 9 10 11 12
1 2 3 4 5 6
13 14 15 16 17 18
19 20 21 22 23 24 25 26 27 28 29 30

cardiagn.com
LA
White

7 8 9 10 11 12 13 14 15 16 17 18 19 20 21 22
1 2 3 4 5 6
23 24 25 26 27 28 29 30 31 32 33 34 35 36 37 38
39 40 41 42 43 44 45 46 47 48 49 50 51 52 53 54 55 56 57 58 59 60

LD
Gray

7 8 9 10 11 12
1 2 3 4 5 6
13 14 15 16 17 18
19 20 21 22 23 24 25 26 27 28 29 30

PA
White

7 8 9 10 11 12 13 14 15 16 17 18 19 20 21 22
1 2 3 4 5 6
23 24 25 26 27 28 29 30 31 32 33 34 35 36 37 38
39 40 41 42 43 44 45 46 47 48 49 50 51 52 53 54 55 56 57 58 59 60

- 15 -
Interior Light

PJ
Gray

7 8 9 10 11 12
1 2 3 4 5 6
13 14 15 16 17 18
19 20 21 22 23 24 25 26 27 28 29 30

LR1
White

7 8 9 10 11 12 13 14 15 16 17 18 19 20 21 22
1 2 3 4 5 6
23 24 25 26 27 28 29 30 31 32 33 34 35 36 37 38
39 40 41 42 43 44 22 21 20 19 18 17 16 15 14 13 12 11 10 9 8 7
45 46 47 48 49 50 51 52 53 54 55 56 57 58 59 60 6 5 4 3 2 1
38 37 36 35 34 33 32 31 30 29 28 27 26 25 24 23
60 59 58 57 56 55 54 53 52 51 50 49 48 47 46 45 44 43 42 41 40 39

LS1

cardiagn.com
White

7 8 9 10 11 12 13 14 15 16 17 18 19 20 21 22
1 2 3 4 5 6
23 24 25 26 27 28 29 30 31 32 33 34 35 36 37 38
39 40 41 42 43 44 22 21 20 19 18 17 16 15 14 13 12 11 10 9 8 7
45 46 47 48 49 50 51 52 53 54 55 56 57 58 59 60 6 5 4 3 2 1
38 37 36 35 34 33 32 31 30 29 28 27 26 25 24 23
60 59 58 57 56 55 54 53 52 51 50 49 48 47 46 45 44 43 42 41 40 39

LX1
White

9 8 7 6 5 4 3 2 1
1 2 3 4 5 6 7 8 9
25 16 15 14 13 12 11 10 17
17 10 11 12 13 14 15 16 25 24 23 22 21 20 19 18
18 19 20 21 22 23 24

LX2 NR1
White White

9 8 7 6 5 4 3 2 1 1 2 3 4 5
1 2 3 4 5 6 7 8 9 5 4 3 2 1
18 17 16 15 14 13 12 11 10 6 7 8 9 10 10 9 8 7 6
10 11 12 13 14 15 16 17 18

- 16 -
Interior Light

NR2 NS1
White White

9 8 7 6 5 4 3 2 1 1 2 3 4 5
1 2 3 4 5 6 7 8 9 5 4 3 2 1
18 17 16 15 14 13 12 11 10 6 7 8 9 10 10 9 8 7 6
10 11 12 13 14 15 16 17 18

NS2
White

9 8 7 6 5 4 3 2 1
1 2 3 4 5 6 7 8 9
18 17 16 15 14 13 12 11 10
10 11 12 13 14 15 16 17 18

cardiagn.com
OQ1
White

9 8 7 6 5 4 3 2 1
1 2 3 4 5 6 7 8 9
25 16 15 14 13 12 11 10 17
17 10 11 12 13 14 15 16 25 24 23 22 21 20 19 18
18 19 20 21 22 23 24

OQ2
White

9 8 7 6 5 4 3 2 1
1 2 3 4 5 6 7 8 9
25 16 15 14 13 12 11 10 17
17 10 11 12 13 14 15 16 25 24 23 22 21 20 19 18
18 19 20 21 22 23 24

- 17 -
Interior Light

OR1
White

6 5 4 3 2 1

1 2 3 4 5 6 21 20 19 11 10 9 8 7 13 12
7 8 9 10 11 19 18 17 16 15 14
12 13 20 21
14 15 16 17 18

OS1
White

cardiagn.com
6 5 4 3 2 1

1 2 3 4 5 6 21 20 19 11 10 9 8 7 13 12
7 8 9 10 11 19 18 17 16 15 14
12 13 20 21
14 15 16 17 18

RL2
White

11 10 9 8 7 6 5 4 3 2 1
1 2 3 4 5 6 7 8 9 10 11
22 21 20 19 18 17 16 15 14 13 12
12 13 14 15 16 17 18 19 20 21 22

RS1 RS4
White Dark Gray

2 1
1 2
4 3
11 10 9 8 7 6 5 4 3 2 1 3 4
1 2 3 4 5 6 7 8 9 10 11
22 21 20 19 18 17 16 15 14 13 12
12 13 14 15 16 17 18 19 20 21 22

- 18 -
Interior Light

Re1
White

1 2 8 9
9 8 2 1
10 11 3 4 5 6 7 17 18
12 13 14 15 16 18 17 7 6 5 4 3 11 10
16 15 14 13 12

Se1 ek3
White Black

1 2 8 9 1 2
9 8 2 1 2 1
10 11 3 4 5 6 7 17 18
12 13 14 15 16 18 17 7 6 5 4 3 11 10
16 15 14 13 12

cardiagn.com
ek4
Black

1 2

2 1

- 19 -
Illumination

(BAT) (BAT) (IG) (BAT) (BAT) (BAT) (IG)

25A D RR DOOR

5A RR MPX–B 2
D MPX–B 1

10A RR–IG1–2
D DOOR 2

D DOOR 1

D–IG1–3
10A
10A

25A

10A
4 DD 1 DD 8 DD 17 DD 2 DD 10 LD 12 LD

Y
1 W

Connector
Junction
GR
R

R
B
L

S56
R
2

Y
15 NS2 3 NS1 17 NS2 18 NS2 1 OS1 18 OS1 17 OS1
BE
R

R
B

Y
L

cardiagn.com
16 B 6 B 3 B 11 B 6 B 11 B 3 B 10 B 9 B
BDG1 BDR SIG CPUB BDR CPUB SIG CANN CANP

N10(B), P10(C) O14(B), O15(C)


Front Door Control ECU LH Rear Door Control ECU LH

MSW+ MSW– GND PNLI CANN CANP ASH+ ASH– GND MSW+ MSW– PNLI
24 C 23 C 1 B 18 B 10 B 9 B 16 C 15 C 1 B 24 C 23 C 13 B
W–B

W–B
GR

BR
LG

LG

LG
W

G
R
P

5 NS1 16 NS2 2 OS1 15 OQ2 22 OQ2 10 OS1


6 3
Rear Ashtray Light LH

ILL+ ILL–
W–B

W–B

BR

BE
LG

LG
1
6 8
ILL+ ILL–
O17

P7
Front Seat Memory
Switch LH

Q7
Rear Seat Memory
Switch LH

LG

LG
W–B

W–B

S3 S2

-1-
Illumination

W R

W
R
W

W
R

14 OS1 15 OS1 59 LS1 60 LS1

cardiagn.com
W

W
R

R
B

B L95
Junction
3 14 5 16 15 4 8 19 Connector

S60 4 15 18 7 3 14 22 11
Junction
Connector
W

W
R

B
2 NS2 1 NS2
W
R

LG LG

LG LG

-2-
Illumination

(IG) (BAT) (BAT) (IG) (BAT)

P DOOR 2

P DOOR 1

P MPX–B
P–IG1–1
5A
D–IG1–1

10A

10A
10A

25A
19 PJ 20 PJ 13 PJ 28 PJ
21 DA

GR
R

R
V
G

R 4 NR2 3 NR1 13 NR2 12 NR2


12 5F
W

BE
R

R
V
12 5J
16 A 6 A 3 A 11 A
W–B
G

BDG1 BDR SIG CPUB

6 A 5 A 2 A 1 A 8 A N1(A), P4(C)
Windshield Wiper Switch

CANN CANP IG B E Front Door Control ECU RH

GND PNLI MSW+ MSW– CANN CANP

cardiagn.com
L25(A), z6(B)

1 A 18 A 24 C 23 C 10 A 9 A
W

W–B

LG

LG

R
P
12 B 19 B 18 B
EL A T
1 5J 9 NR2 8 NR2
5 NR1 6 NR2 6 3

EL AUTO T H ILL+ ILL–

R
1 5F
W–B

LG

OFF
R
Tail
W–B

Head
P12
Front Seat Memory
AUTO Switch RH
57 DA
Light Control Switch

z6(B)
Headlight Dimmer Switch 40 DA
W

B B

W W

W W

B B

LG

LG LG

LG LG

B B

W W
W–B

L4 R3

-3-
Illumination

(BAT) (BAT) (IG)


L11(A), L12(B)

P RR DOOR
Main Body ECU

P MPX–B

P–IG1–2
CANN CANP

10A

5A
25A 15 A 16 A

B
23 PJ 26 PJ 12 PJ

L
R
L

19 A
R42(A), R44(B)
Junction
Connector
12 B
L

1 OR1 11 OR1 10 OR1


GR
R
L

6 B 11 B 3 B
BDR CPUB SIG
O2(A), O3(B)

cardiagn.com
Rear Door Control ECU RH
CANP CANN MSW+ MSW– GND PNLI ASH+ ASH–
9 B 10 B 24 A 23 A 1 B 13 B 16 A 15 A
W–B

GR
SB

LG
W
R

P
L

14 OR1 15 OR1 15 OQ1 22 OQ1 2 OR1 17 OR1


Junction Connector
W
R

2 13
W–B
SB

LG
L

R 1
R48

Rear Ashtray Light RH


Junction Connector

6 8
4 12 15
ILL+ ILL–
2 A 1
W

W
B

R42(A)

59 LR1 60 LR1 1 A
O6

W
Q2
B Rear Seat Memory
Switch RH
W

LG

B B

LG LG

LG LG

B B

W W

LG
4
W–B 1 R41 LG
Junction
Connector

R3 R1

-4-
Illumination

L11(A), L12(B)
Main Body ECU
ALTB ACC IG GND1 GND2 GND3
6 22 15 5 4 1 A

(IG) (ACC) (BAT)


10A D–IG1–3

5A D–ACC

5A AM1

W–B
40 DA 41 DA

W–B

W–B
11

Connector
Junction
L100
8

cardiagn.com
W–B

B B

LG LG

LG LG

B B

W W

LG LG

LG LG

L4

-5-
Illumination

L11(A), L12(B)
Main Body ECU
PANL
8 B

(BAT) (BAT) G
GR

G
20A 80A
D S/HTR D–J/B
ALT G

G
1 1G

B 9 DD 38 DA 60 DA 49 DA

34 DA 1 DF

G
PANEL Relay

10A
PANEL
11 LX1

cardiagn.com
G
11 B
ILL+
Interior Light Switch
Map Light Switch

Emergency Switch
Opener Switch

Control Switch
Garage Door

Sliding Roof

ILL–
X6(B) 13 B
Overhead Module
LG

LG

B B

LG LG

LG LG

B B

W W

LG LG

LG LG

-6-
Illumination

L11(A), L12(B)
Main Body ECU

G G

G G

G G

10 3C 10 3H G

10 3D 10 3F 10 3E 10 3I
G

cardiagn.com
2 1 8 8
Front Seat Climate

Front Seat Climate


Control Switch RH
Control Switch LH
Illumination Light

ILL+ ILL+ ILL+ ILL+


Electric Parking
Brake Switch

Shift Lever

ILL– ILL– ILL– ILL–


L39

L69

L67

L68

4 2 1 1
LG

LG

LG

LG

9 3D 9 3F 9 3E 9 3I

9 3C 9 3H 8 DA 28 DD 16 DD 29 DD 15 DA 31 DA
LG

LG

LG

LG

LG

LG

LG

LG
17 LX1
LG

LG

LG

B B

LG

LG

B B

W W

LG LG

LG LG

-7-
Illumination

L11(A), L12(B)
Main Body ECU

G G

G G

10 4F

10 4D 11 4C 10 4B 10 4E 10 4C
G

G
Luggage Door Opening
8

cardiagn.com
3 2 4 5
ILL+
Hazard Warning

ILL+ ILL+ ILL+ ILL+


Front Cigarette
Signal Switch

Light Control Rheostat


Trip Switch

Headlight
Rheostat

Cleaner
Control

Switch
Lighter

Switch

Light
L112

ILL– ILL– ILL– ILL–


L45

L46

L3

6 8 3 1

ILL–

L8
6
LG

LG

LG

LG

LG

LG

9 4D 8 4C 8 4B 9 4E 9 4C 9 4J 32 PA

9 4F 9 4G 9 4B 17 PJ 18 PJ 16 PA
LG

LG

LG

LG

LG

LG LG

LG LG

LG LG

LG

B B

LG

B B

W W

LG

LG

-8-
R63
Front Console Box

B
B
G
G

W
LG
LG
LG
LG
LG
Light Assembly

1
2
W–B G

22 B
2 B

ILL–
ILL+
Junction
Connector
R42(A), R44(B)

6
1
2
W–B W–B G G G

20 B
21 B
1 B
11 A
10 5E

R2
29 LR1

ILL–
ILL+
R44(B)

R43
Junction R61
Connector Rear Console Box

Junction
Connector
Light Assembly

17
LG G

ILL–
ILL+
(∗4) (∗4)

L113
Radio Receiver
Assembly

LG G G

12 A
2 A
10 5F

8 5G
9 5G

ILL–
ILL+
(∗3) (∗3)

L51(A)

-9-
Radio Receiver
L11(A), L12(B)
Main Body ECU

Assembly
Illumination

3
2
LG LG G

9 5J
10 5J

9 5B
L5
Register Illumination
(Driver Side)
4

LG
Fuse

ACC

(∗4)
P–ACC

3
2

LG G

9 5D
5 5D

ILL–
ILL+

(∗3)

L38
Clock
5
12

LG 9 5F LG G
9 5A
10 5A

ILL+

HILL

(∗3) (∗3)
22

G
5 5A

DR

(∗3)

B
B
G

W
LG
LG
LG
L35
Integration Control
and Panel Assembly

cardiagn.com
Illumination

L11(A), L12(B)
Main Body ECU

G G

10 5C 10 5D 10 5A 5 5A 10 5K 10 5M

Glove Box Illumination


(∗4)

(∗4)
G

2 2

cardiagn.com
Display & Navigation
Register Illumination

Register Illumination

2 SL1 +B B
(Passenger Side)

2 2 12 D 26 D
L59(D), L117(C)

Console Box
Module Display

Illumination
G

G
ILL+ ILL+ ILL+ DR

Light
L

L80
(Center)

Light
2 SU1 E

U1
1
ILL– ILL– HILL
L79

L92

W–B
3 3 1 C

W–B
(∗4)
LG

LG

LG

2 5M

1 SU1
9 5C 8 5D 9 5A
W–B

3 5K 1 5F
7 SL1

9 5I 9 5H

W–B W–B
LG

LG

LG

LG

LG LG

LG LG

B B

LG LG

B B

W W

∗ 3 : w/o Multi Display


∗ 4 : w/ Multi Display

- 10 -
Illumination

∗ 2 : w/o Ottoman
L11(A), L12(B) ∗16 : w/ Paddle Shift
Main Body ECU ∗17 : w/o Paddle Shift
ACAN ∗18 : 4–Seater
∗19 : 5–Seater
16 B

G
G G

G B

L134(A), z7(C),
5 5B 34 PA 5 3L 14 A 7 A

Spiral Cable
ILL– +B

LG

z14(F)
6 F 12 F (∗16)
50 PA 5 3K 5 3M 6 C 12 C (∗17)

10 5L G

(∗17)

(∗16)
W
R
B
G

G
Coin Box Illumination

23

cardiagn.com
2
Transceiver)

ILL+
(Telematics

Steering
DCM
L111
Light

E Switch ECU
1
L4

Steering Pad Switch


z7(C), z8(D), z14(F)
4

with Modulator
W–B
LG

R–W
B–W

4
Connector

6 5L 57 DA
Junction

5 D 2 D
L100

ILL––1 ILL+–1
8
Y

6 5I 40 DA 41 DA
W–B

Steering Pad Switch


LG

W–B

z8(D)
LG

LG

LG LG

LG LG

LG LG

B B

LG LG

B B

W W
W–B

L4

- 11 -
B
B
B
G

W
LG
LG
LG
LG
LG
S56
Junction
Connector

1
2
8

11
W–B G
(∗18) (∗18)
S16
Cooling Box
Illumination Light

4
2

19
21
10
Y Y GR GR

16 SY2
18 SY2
(∗18) (∗18) (∗18) (∗18)

ILL–
ILL+
Y6
Seat Vibrator Switch

Y
GR

(∗19)
(∗19)

4
2
Y GR

18 rS3
15 rS3

ILL–
ILL+
(∗19) (∗19)

r6
Seat Vibrator Switch

- 12 -
Illumination

1
2
9

20
LG LG G G

15 SY2
19 SY2

(∗18) (∗18) (∗18) (∗18)


Y5
Rear Cigarette Lighter
4 Illumination Light
3

LG G
ILL–
ILL+

(∗2) (∗2)

S9
Rear Cigarette
Lighter Socket

S56
Junction Connector

B
B
B

W
LG
LG
LG
LG
W–B
(∗18)

cardiagn.com
Illumination

(BAT) ∗ 1 : w/ Ottoman
∗ 2 : w/o Ottoman
∗ 5 : w/ Climate Control Seat (Rear Passenger' s Seat)
5A ∗ 6 : w/o Climate Control Seat (Rear Passenger' s Seat)
RR MPX–B 2 ∗18 : 4–Seater
∗19 : 5–Seater
∗20 : w/ Power Seat
∗21 : w/o Power Seat
57 LA

11 6
W
rS3 rS4
(∗19)
(∗20) (∗21)
(∗18)

(∗19)
W

W
6 11 A
B B

Rear Console Switch


Rear Power Seat Switch Rear Audio Switch
Rear A/C Switch Rear Power Seat Switch
Rear Console Switch

Rear Audio Switch Rear A/C Switch

r1(B), r2(A)

cardiagn.com
Rear Seat Climate Control Switch
Rear Sunshade Switch ILL– CTY ILL+ ILL–
Rear Door Sunshade Switch
8 A 9 A 18 B 4 B
ILL–
S15

(∗19)

(∗19)

(∗19)

(∗19)
8
LG

Y
2 6 14
Courtesy Light Switch

+ ILL+ ILL–
Rear Sunshade Switch
Rear Door Sunshade Switch
(∗18)

(Armrest)
LG

Rear Seat Climate Control


Switch (∗5)
– Rear Seat Heater
10 8
r4

LG Switch (∗6)
rS3 rS4 1
(∗19)
W–B

(∗19) r3
(∗20) (∗21)
Rear Console Switch Sub
22 (Curtain Switch)
S56
Junction 21 rS3 (∗20)
Connector 13 rS4 (∗21)

W–B W–B
(∗18) (∗18)

LG LG

LG LG
(∗19)
W–B

LG LG

B B

B B

LG LG

B B

W W

4
S57
Junction
Connector

S2

- 13 -
Illumination

(IG) (IG) (BAT)

5A D–IG1–1

D MPX–B 1
10A
RR–IG1–2

10A
18 LD 21 DA 36 DA

B
(∗1 ∗19, ∗2 ∗20)
12 5F 5 5F

Y
Illumination Light

2 12 5I 5 5I
Cooling Box

B
S31

11 12
IG B
(∗1 ∗19, ∗2 ∗20)

Outer Mirror Switch


Outer Mirror Switch

cardiagn.com
AFS OFF Switch
W–B

Clearance Sonar Switch


Steering Heater Switch
Assembly

CIL– ILL– E
L6

4 6 1

W–B
LG

LG

1 5I

1 5F
W–B

W–B W–B 57 DA
(∗18) (∗18)

LG

LG 40 DA
W–B

W–B

LG LG

B B

B B

LG LG

B B

W W

1
S57
Junction
Connector

S2 L4

- 14 -
Illumination

(BAT)
∗ 1 : w/ Ottoman
∗ 2 : w/o Ottoman
5A ∗ 5 : w/ Climate Control Seat (Rear Passenger' s Seat)
P–D/C
CUT ∗ 6 : w/o Climate Control Seat (Rear Passenger' s Seat)
∗18 : 4–Seater
∗19 : 5–Seater

2
BCUT
Electric Power
Control ECU
CUTD
1

z5(B), z16(C)
35 PA 57 PA Integration Control and Panel Assembly
B

8 5B 5 4H
(∗1 ∗19)

(∗1 ∗19)
Front Passenger' s Seat

Front Passenger' s Seat


Reclining Control Switch

Rear Sunshade Switch

Control Switch (∗5)


Rear Seat Heater
Rear Seat Climate
Sunshade Switch
Slide Control Switch

Return Switch
Rear Seat

cardiagn.com
Switch (∗6)
Rear Door
8 5H 8 5J 5 4B
(∗1 ∗19)

(∗1 ∗19)
B

(∗1 ∗19)
B–W

R–Y
7 B 4 B (∗18, ∗2 ∗19)
1 A 9 C 4 C (∗1 ∗19)
B

HEIGHT HIGH Switch


Slip OFF Switch
Suspension Control Switch
ECT Pattern Select Switch

ILL– E
2 A L75(A), z5(B), z16(C) 5 A
Console Switch
W–B
LG

LG

B W–B

LG LG

B B

W W

- 15 -
Illumination

(IG) (BAT)

10A 10A
P–J/B D MPX–B 2

30 2C 42 DA
L

L
1
L136
6 LA1 Junction
Connector
2
P
L

L10
14 13 Combination Meter
IG2 B

cardiagn.com
5V IC

CPU
CAN CONTROLLER

CAN I/F

CANP CANN ES RHUP RHDW ILL– E2


22 23 18 8 7 16 17

W–B
BR
W

R
B

LG

Connector
Junction
3 7

L100
UP DOWN
8
Down
Up

W–B

1 4C 1 4B 1 4H 1 4J
W–B

W–B

W–B

W–B

E
5 L8
58 PA Light Control 51 PA 40 PA 41 DA
W–B

Rheostat

43 PA 39 PA 40 DA
W–B

LG

B
W–B

W–B

W
BR

W–B

L1 L3 L4

- 16 -
Illumination

L3 L4 L5 L6 L8
Black Gray White White White

1 2
1 2 3 4 5 1 2 3 4 5 1 2 3 4 5 6 1 2 3 4
7 8 9 10 11 12 5 6 7 8

L 10 L 11 L 12 L 25
Black White White White

1 2 3 4
1 2 3 4 5 6 7 8 9 10 11 12 1 4 1 2 3 4 5 6 7 8 9 10
2 3 5 6 7 8
13 14 15 16 17 18 19 20 21 22 23 24 11 12 13 14 15 16 17 18 19 20
5 6 7 8 9 10
21 22 23 24 25 26 27 28
11 12 13 14 15 16

L 35 L 38 L 39 L 45
White White White Black

cardiagn.com
1 2 3 4
1 2 3 4 5 1 2 3 4
1 2 3 10 11 12
4 5 6 7 8 9 5 6 7 8 6 7 8 9 10 5 6 7 8

13 14 15 16 17 18 19 20 21 22 23 24 25 26

L 46 L 51 L 59
White White White

1 2 1 10
2 3 4 5 6 7 8 9
3 4 1 2 3 10 11 12
11 12 13 14 15 16 17 18 19 20
4 5 6 7 8 9
13 14 15 16 17 18 19 20 21 22 23 24 25 26

L 67 L 68 L 69 L 75
Gray Black White White

1 2

1 2 3 4 5 6 7 8 1 2 3 4 5
1 2 3 4 5 6 7 8

L 79 L 80 L 92 L 95
White Gray White Gray

1 2
1 2 3 4 5 1 2 3 4 5 1 2 3 4 5 6 7 8 9 10 11
12 13 14 15 16 17 18 19 20 21 22

- 17 -
Illumination

L100 L111
Blue White

1 2 3 4 5
6 7 8 9 10 11 12

1 2 3 4 5 6

7 8 9 10 11 12 13 14 15 16 17 18 19 20 21 22

23 24 25 26 27 28 29 30 31 32 33 34 35 36 37 38

L112 L113 L117


White White Blue

1 2 3

1 2 3 4 5 6 7 8 9 10 11 12 13 14 4 5 6
1 2 3 4 5 6 7 8
15 16 17 18 19 20 21 22 23 24 25 26 27 28

cardiagn.com
L134 L136 N1 N 10
Black Black White White

1 2 3 4

1 2 3 4 5 6 7 1 2 5 6 1 2 5 6
8 9 10 11 12 13 14 3 4 3 4

7 8 9 10 11 12 13 14 15 16 7 8 9 10 11 12 13 14 15 16

17 18 19 20 21 22 23 24 17 18 19 20 21 22 23 24

O2 O3 O6
White White Black

1 2
1 10 1 2 5 6
2 3 4 5 6 7 8 9 3 4

11 12 13 14 15 16 17 18 19 20 21 22 7 8 9 10 11 12 13 14 15 16

23 24 25 26 27 28 29 30 17 18 19 20 21 22 23 24

O 14 O 15 O 17
White White Black

1 2
1 2 5 6 1 10
3 4 2 3 4 5 6 7 8 9

7 8 9 10 11 12 13 14 15 16 11 12 13 14 15 16 17 18 19 20 21 22

17 18 19 20 21 22 23 24 23 24 25 26 27 28 29 30

- 18 -
Illumination

P4 P7 P 10
White White White

1 10 1 2 3 4 5 6 7 8 1 10
2 3 4 5 6 7 8 9 2 3 4 5 6 7 8 9

11 12 13 14 15 16 17 18 19 20 21 22 11 12 13 14 15 16 17 18 19 20 21 22

23 24 25 26 27 28 29 30 23 24 25 26 27 28 29 30

P 12 Q2 Q7
White White White

1 2 3 4 5 6 7 8 1 2 3 4 5 6 7 8 1 2 3 4 5 6 7 8

R 41 R 42 R 43
White Black White

cardiagn.com
1 2 3 1 2 3
4 5 6 7 8 1 2 3 4 5 6 7 8 9 10 11 4 5 6 7 8

12 13 14 15 16 17 18 19 20 21 22

R 44 R 48 R 61 R 63
Black Black White White

1 2 1 2

1 2 3 4 5 6 7 8 9 10 11 1 2 3 4 5 6 7 8 9 10 11
12 13 14 15 16 17 18 19 20 21 22 12 13 14 15 16 17 18 19 20 21 22

S9 S 15 S 16 S 31 S 56
White White White Gray White

1 2 1 2
2 1
1 2 3 4 5 6 7 8
4 3 1 2 3 4 5 6 7 8 9 10 11
9 10 11 12 13 14 15 16
12 13 14 15 16 17 18 19 20 21 22

S 57 S 60 U1 X6
White Black White White

1 2 3 1 2
4 5 6 7 8 1 2 3 4 5 6 7 8 9 10 11 1 2 3 4 5 6 7 8 9 10

12 13 14 15 16 17 18 19 20 21 22 11 12 13 14 15 16 17 18 19 20

- 19 -
Illumination

Y5 Y6 r1
White White White

1 2
1 2 3 4 5 6 7 8 9
1 2 3 4 5
10 11 12 13 14 15 16 17 18 19 20 21 22 23 24
6 7 8 9 10

r2 r3 r4 r6
White White White White

1 2 3 4 5 2 1
1 2 3 4 5 6 7 8 9 10 1 2 3 4 5
6 7 8 9 10 11 12 13 14 15 16
11 12 13 14 15 16 17 18 19 20 6 7 8 9 10

z5 z6 z7 z8
White White White Blue

cardiagn.com
1 2 3 4 5 6 7 8 9 10 5 4 3 2 1
1 2 3 4 5 6 1 2 3 4 5
11 12 13 14 15 16 17 18 19 20 10 9 8 7 6
7 8 9 10 11 12 6 7 8 9 10

z 14 z 16 1G
Black White

1 2 3 4 5 6 1 2 3 4 5 6 7 8
7 8 9 10 11 12
9 10 11 12 13 14 15 16

2C 3C
White White

1 2 3 4 5 6 7 8 9 10 11 12

1 2 3 4 5 6 7 8 9 10 11 12 13 14 15 16 17 18

19 20 21 22 23 24 25 26 27 28 29 30 31 32 33 34 35 36

3D 3E
Gray White

1 2 3 4 5 6 7 8 9 10 11 12 1 2 3 4 5 6 7 8 9 10 11 12

3F 3H
Gray Gray

1 2 3 4 5 6 7 8 9 10 11 12 1 2 3 4 5 6 7 8 9 10 11 12

- 20 -
Illumination

3I 3K
White White

1 2 3 4 5 6 7 8 9 10 11 12 1 2 3 4 5 6 7 8 9 10 11 12

3L 3M
Gray White

1 2 3 4 5 6 7 8 9 10 11 12 1 2 3 4 5 6 7 8 9 10 11 12

4B 4C
Gray White

1 2 3 4 5 6 7 8 9 10 11 12 1 2 3 4 5 6 7 8 9 10 11 12

4D 4E
Gray White

1 2 3 4 5 6 7 8 9 10 11 12 1 2 3 4 5 6 7 8 9 10 11 12

4F 4G
Gray White

cardiagn.com
1 2 3 4 5 6 7 8 9 10 11 12 1 2 3 4 5 6 7 8 9 10 11 12

4H 4J
Gray Gray

1 2 3 4 5 6 7 8 9 10 11 12 1 2 3 4 5 6 7 8 9 10 11 12

5A 5B
White Gray

1 2 3 4 5 6 7 8 9 10 11 12 1 2 3 4 5 6 7 8 9 10 11 12

5C 5D
White Gray

1 2 3 4 5 6 7 8 9 10 11 12 1 2 3 4 5 6 7 8 9 10 11 12

5E 5F
White Gray

1 2 3 4 5 6 7 8 9 10 11 12 1 2 3 4 5 6 7 8 9 10 11 12

5G 5H
White Gray

1 2 3 4 5 6 7 8 9 10 11 12 1 2 3 4 5 6 7 8 9 10 11 12

5I 5J
White Gray

1 2 3 4 5 6 7 8 9 10 11 12 1 2 3 4 5 6 7 8 9 10 11 12

5K 5L
White Gray

1 2 3 4 5 6 7 8 9 10 11 12 1 2 3 4 5 6 7 8 9 10 11 12

- 21 -
Illumination

5M DA
White White

1 2 3 4 5 6 7 8 9 10 11 12

7 8 9 10 11 12 13 14 15 16 17 18 19 20 21 22
1 2 3 4 5 6
23 24 25 26 27 28 29 30 31 32 33 34 35 36 37 38
39 40 41 42 43 44 45 46 47 48 49 50 51 52 53 54 55 56 57 58 59 60

DD DF
Gray White

7 8 9 10 11 12
1 2 3 4 5 6
13 14 15 16 17 18 1
19 20 21 22 23 24 25 26 27 28 29 30

LA
White

cardiagn.com
7 8 9 10 11 12 13 14 15 16 17 18 19 20 21 22
1 2 3 4 5 6
23 24 25 26 27 28 29 30 31 32 33 34 35 36 37 38
39 40 41 42 43 44 45 46 47 48 49 50 51 52 53 54 55 56 57 58 59 60

LD
Gray

7 8 9 10 11 12
1 2 3 4 5 6
13 14 15 16 17 18
19 20 21 22 23 24 25 26 27 28 29 30

PA
White

7 8 9 10 11 12 13 14 15 16 17 18 19 20 21 22
1 2 3 4 5 6
23 24 25 26 27 28 29 30 31 32 33 34 35 36 37 38
39 40 41 42 43 44 45 46 47 48 49 50 51 52 53 54 55 56 57 58 59 60

PJ
Gray

7 8 9 10 11 12
1 2 3 4 5 6
13 14 15 16 17 18
19 20 21 22 23 24 25 26 27 28 29 30

- 22 -
Illumination

LA1
White

7 8 9 10 11 12 13 14 15 16 17 18 19 20 21 22
1 2 3 4 5 6
23 24 25 26 27 28 29 30 31 32 33 34 35 36 37 38
39 40 41 42 43 44 22 21 20 19 18 17 16 15 14 13 12 11 10 9 8 7
45 46 47 48 49 50 51 52 53 54 55 56 57 58 59 60 6 5 4 3 2 1
38 37 36 35 34 33 32 31 30 29 28 27 26 25 24 23
60 59 58 57 56 55 54 53 52 51 50 49 48 47 46 45 44 43 42 41 40 39

LR1
White

7 8 9 10 11 12 13 14 15 16 17 18 19 20 21 22
1 2 3 4 5 6
23 24 25 26 27 28 29 30 31 32 33 34 35 36 37 38
39 40 41 42 43 44 22 21 20 19 18 17 16 15 14 13 12 11 10 9 8 7
45 46 47 48 49 50 51 52 53 54 55 56 57 58 59 60 6 5 4 3 2 1
38 37 36 35 34 33 32 31 30 29 28 27 26 25 24 23
60 59 58 57 56 55 54 53 52 51 50 49 48 47 46 45 44 43 42 41 40 39

cardiagn.com
LS1
White

7 8 9 10 11 12 13 14 15 16 17 18 19 20 21 22
1 2 3 4 5 6
23 24 25 26 27 28 29 30 31 32 33 34 35 36 37 38
39 40 41 42 43 44 22 21 20 19 18 17 16 15 14 13 12 11 10 9 8 7
45 46 47 48 49 50 51 52 53 54 55 56 57 58 59 60 6 5 4 3 2 1
38 37 36 35 34 33 32 31 30 29 28 27 26 25 24 23
60 59 58 57 56 55 54 53 52 51 50 49 48 47 46 45 44 43 42 41 40 39

LX1 NR1
White White

9 8 7 6 5 4 3 2 1
1 9 1 2 3 4 5 5 4 3 2 1
2 3 4 5 6 7 8
25 16 15 14 13 12 11 10 17 6 7 8 9 10 10 9 8 7 6
17 10 11 12 13 14 15 16 25 24 23 22 21 20 19 18
18 19 20 21 22 23 24

NR2 NS1
White White

9 8 7 6 5 4 3 2 1 1 2 3 4 5
1 2 3 4 5 6 7 8 9 5 4 3 2 1
18 17 16 15 14 13 12 11 10 6 7 8 9 10 10 9 8 7 6
10 11 12 13 14 15 16 17 18

- 23 -
Illumination

NS2
White

9 8 7 6 5 4 3 2 1
1 2 3 4 5 6 7 8 9
18 17 16 15 14 13 12 11 10
10 11 12 13 14 15 16 17 18

OQ1
White

9 8 7 6 5 4 3 2 1
1 2 3 4 5 6 7 8 9
25 16 15 14 13 12 11 10 17
17 10 11 12 13 14 15 16 25 24 23 22 21 20 19 18
18 19 20 21 22 23 24

cardiagn.com
OQ2
White

9 8 7 6 5 4 3 2 1
1 2 3 4 5 6 7 8 9
25 16 15 14 13 12 11 10 17
17 10 11 12 13 14 15 16 25 24 23 22 21 20 19 18
18 19 20 21 22 23 24

OR1
White

6 5 4 3 2 1

1 2 3 4 5 6 21 20 19 11 10 9 8 7 13 12
7 8 9 10 11 19 18 17 16 15 14
12 13 20 21
14 15 16 17 18

- 24 -
Illumination

OS1
White

6 5 4 3 2 1

1 2 3 4 5 6 21 20 19 11 10 9 8 7 13 12
7 8 9 10 11 19 18 17 16 15 14
12 13 20 21
14 15 16 17 18

SL1 SU1
White White

1 2
1 2 3 4 5 6 7 7 6 5 4 3 2 1

cardiagn.com
14 13 12 11 10 9 8 2 1
8 9 10 11 12 13 14

SY2
White

9 8 7 6 5 4 3 2 1
1 2 3 4 5 6 7 8 9
25 16 15 14 13 12 11 10 17
17 10 11 12 13 14 15 16 25 24 23 22 21 20 19 18
18 19 20 21 22 23 24

rS3
White

11 10 9 8 7 6 5 4 3 2 1
1 2 3 4 5 6 7 8 9 10 11
22 21 20 19 18 17 16 15 14 13 12
12 13 14 15 16 17 18 19 20 21 22

- 25 -
Illumination

rS4
White

1 2 3 4 5 6 7 7 6 5 4 3 2 1

8 9 10 11 12 13 14 14 13 12 11 10 9 8

cardiagn.com

- 26 -
Ignition

(IG)

10A
IGN

5 2D 6 2D
R
P

14 EA2 3 EA2
R

R R

cardiagn.com
R R R

W–B W–B

W–B W–B
W–B

W–B

W–B

W–B
R

R
1 4 1 4 1 4 1 4
Ignition Coil (No. 1)

Ignition Coil (No. 4)

Ignition Coil (No. 6)

Ignition Coil (No. 7)

+B GND +B GND +B GND +B GND

IGT1 IGF1 IGT4 IGF1 IGT6 IGF1 IGT7 IGF1


E38

E33

E34

E45

3 2 3 2 3 2 3 2
R–L

P–L
LG

LG

LG

LG

18 B 17 B
G–B

E52(A), E53(B)
LG

Connector
Junction

18 A 16 A 17 A
LG

27 F 22 D 32 F 21 D 24 F
IGT1 IGT4 IGF1 IGT6 IGT7
E2(D), E4(F)
Engine Control Module

-1-
Ignition

R R

cardiagn.com
R R

W–B W–B W–B

W–B W–B W–B


W–B

W–B

W–B

W–B
R

1 4 1 4 1 4 1 4
Ignition Coil (No. 2)

Ignition Coil (No. 3)

Ignition Coil (No. 5)

Ignition Coil (No. 8)

+B GND +B GND +B GND +B GND

IGT2 IGF2 IGT3 IGF2 IGT5 IGF2 IGT8 IGF2


E30

E41

E42

E36

3 2 3 2 3 2 3 2
B–W
L–W

G–B

G–B

G–B

G–B
L–Y

6 A 5 A
E52(A), E53(B)
Connector
Junction

6 B 5 B 7 B
G–B

W–B

W–B

23 D 26 F 28 D 25 F 20 D
IGT2 IGT3 IGF2 IGT5 IGT8
E2(D), E4(F)
Engine Control Module

E4 E5

-2-
Ignition

E2 E4 E 30
White White Gray

1 2 3 4
1 2 3 4 5 6 7 1 2 3 4 5 6 7

8 9 10 11 12 13 14 15 16 17 18 19 8 9 10 11 12 13 14 15 16 17
20 21 22 23 24 25 26 27 18 19 20 21 22 23 24 25 26 27
28 29 30 31 32 33 34 35 28 29 30 31 32

E 33 E 34 E 36 E 38
Black Gray Black Gray

1 2 3 4 1 2 3 4 1 2 3 4 1 2 3 4

E 41 E 42 E 45 E 52
Black Gray Black Black

1 2 3 4 1 2 3 4 1 2 3 4

cardiagn.com
1 2 3 4 5 6 7 8 9 10 11
12 13 14 15 16 17 18 19 20 21 22

E 53 2D
Black Black

1 2 3 4
5 6 7 8 9 10
1 2 3 4 5 6 7 8 9 10 11
12 13 14 15 16 17 18 19 20 21 22

EA2
White

11 10 9 8 7 6 5 4 3 2 1
1 2 3 4 5 6 7 8 9 10 11
22 21 20 19 18 17 16 15 14 13 12
12 13 14 15 16 17 18 19 20 21 22

-3-
1
2
15
W–B B W

3 A
IG

2 3L

1 3H
(IG)

TMSW
L83
Luggage Compartment 10A D–IG1–3
Door Opener Cancel
Switch

22
ACC
(ACC)

W–B

45 DA
5A D–ACC

6
ALTB
(BAT)

5
W–B W–B

L4
40 DA
5A AM1

GND1
4
W–B

41 DA
GND2

8
11
W–B

1 A
GND3
L100
Junction
Connector

-1-
L1
Luggage

W–B
Compartment
Door

3
4
W–B W–B B L
26 C

L3
1 4E

1 4H

39 PA
51 PA
L
TSW

B
L11(A), L13(C)
Main Body ECU

L3
W–B Luggage Door Opening Switch

1 4J

40 PA
Luggage Compartment Door Opener and Closer

3
4
2
5
4
3

B B B B B
16 A

59 LS1
CANP

14
15
13
16
15
14

W W W W W
15 A

60 LS1
CANN

S59 S60 L95


Junction Connector Junction Connector Junction Connector

B
W
cardiagn.com
Luggage Compartment Door Opener and Closer

(BAT) (BAT) (IG)

RR MPX–B 1

RR MPX–B 2

RR–IG1–2
10A
10A

5A

S62(B), S63(C)
7 15 8 Rear Junction Block ECU
MPXB LGLB IG

CANN CANP BDCY LCLS LOPN LCTY LCM+ LCM– TKUL PGND SG
28 B 20 B 16 C 2 C 3 C 9 C 12 13 10 C 4 17

cardiagn.com
1 LA 39 LA 43 LA 29 LA

W–B

W–B
W

G
B

V
L

R–B

Luggage Compartment
Door Lock Cylinder
6 5 2 7 1 4 2
+B CLS OPN CTY M+ M–

E
S39

S36 8 1
Luggage Closer Motor
B

18
Connector
Junction
S55

16
W–B

7
Connector
Junction

8 B
S55

10
W–B

W–B

W–B

W
7
B W–B 6 1

S54
Junction
S1 Connector

-2-
Luggage Compartment Door Opener and Closer

L3 L 11 L 13 L 83
Black White White Blue

1 2
1 2 3 4 5 1 2 3 4 5 6
1 4
2 3
5 6 7 8 9 10 7 8 9 10 11 12 13 14 15 16 17
11 12 13 14 15 16 18 19 20 21 22 23 24 25 26

L 95 L100 S 36 S 39
Gray Blue White White

1 2 3 4 5 1 2 3
6 7 8 9 10 11 12 4 5 6 7 8
1 2
1 2 3 4 5 6 7 8 9 10 11
12 13 14 15 16 17 18 19 20 21 22

S 54 S 55 S 59
White White Black

cardiagn.com
1 2 3
4 5 6 7 8 1 2 3 4 5 6 7 8 9 10 11 1 2 3 4 5 6 7 8 9 10 11
12 13 14 15 16 17 18 19 20 21 22 12 13 14 15 16 17 18 19 20 21 22

S 60 S 62 S 63
Black White White

1 2 3 4 5 6 7 8 9 10 11 1 2 3 4 5 6 7 8 9 10 1 4
2 3
12 13 14 15 16 17 18 19 20 21 22 11 12 13 14 15 16 17 18 19 20
5 6 7 8 9 10
21 22 23 24 25 26 27 28
11 12 13 14 15 16

3H 3L
Gray Gray

1 2 3 4 5 6 7 8 9 10 11 12 1 2 3 4 5 6 7 8 9 10 11 12

4E 4H
White Gray

1 2 3 4 5 6 7 8 9 10 11 12 1 2 3 4 5 6 7 8 9 10 11 12

4J DA
Gray White

1 2 3 4 5 6 7 8 9 10 11 12

7 8 9 10 11 12 13 14 15 16 17 18 19 20 21 22
1 2 3 4 5 6
23 24 25 26 27 28 29 30 31 32 33 34 35 36 37 38
39 40 41 42 43 44 45 46 47 48 49 50 51 52 53 54 55 56 57 58 59 60

-3-
Luggage Compartment Door Opener and Closer

LA
White

7 8 9 10 11 12 13 14 15 16 17 18 19 20 21 22
1 2 3 4 5 6
23 24 25 26 27 28 29 30 31 32 33 34 35 36 37 38
39 40 41 42 43 44 45 46 47 48 49 50 51 52 53 54 55 56 57 58 59 60

PA
White

7 8 9 10 11 12 13 14 15 16 17 18 19 20 21 22
1 2 3 4 5 6
23 24 25 26 27 28 29 30 31 32 33 34 35 36 37 38
39 40 41 42 43 44 45 46 47 48 49 50 51 52 53 54 55 56 57 58 59 60

LS1
White

cardiagn.com
7 8 9 10 11 12 13 14 15 16 17 18 19 20 21 22
1 2 3 4 5 6
23 24 25 26 27 28 29 30 31 32 33 34 35 36 37 38
39 40 41 42 43 44 22 21 20 19 18 17 16 15 14 13 12 11 10 9 8 7
45 46 47 48 49 50 51 52 53 54 55 56 57 58 59 60 6 5 4 3 2 1
38 37 36 35 34 33 32 31 30 29 28 27 26 25 24 23
60 59 58 57 56 55 54 53 52 51 50 49 48 47 46 45 44 43 42 41 40 39

-4-
LEXUS ENFORM , Safety Connect

X4(A), X6(B)
Overhead Module

Microphone and
Microphone Amplifier

Emergency
GND9 IND1 IND2 Switch SIG1 GND3 ACC MII+ MIC– SIN2
16 A 4 B 5 B 30 A 32 A 22 A 21 A 20 A 31 A

BE
W–B

L139
Navigation
3
Connector

Antenna
LG
Junction

G
P
L

Assembly
X17

(Shielded)
1

R
B
W–B

ANT2

cardiagn.com
1

25 LX1 16 LX2 15 LX2 18 LX2 14 LX2 13 LX2 12 LX2 11 LX2 10 LX2

#
(Shielded)
LG

W
G

R
P

B
L

11 A 12 A 27 A 26 A 33 A 34 A 35 A 32 A 1 D
IND1 IND2 SIG1 SIG– MCVD MCI+ MCI– SGND ANT2
L111(A), L126(C), L130(B), L140(D)
DCM (Telematics Transceiver)

E GSW SPO+ SPO–


4 A 22 A 5 A 6 A
W–B

L
B

GPS Antenna

10 4
Connector

10 LR1
Junction
L100

1 2
8
L

L84
W–B

Front Tweeter RH
11 PJ

41 DA
8 PA
W

40 DA

24 A
W–B

GSW3

L73(A)
Center Airbag ECU
L4

-1-
LEXUS ENFORM , Safety Connect

(ACC) (BAT) (IG)

5A 20A 10A # : There is no wire color information.


P–ACC RADIO IGN
NO. 1

17 PA 1 PA 18 2C
LG

R
BE BE

L125
Telephone Antenna
8 4J 7 PK Assembly
1
Connector
Junction
L94

ANT1

cardiagn.com
3
8 4H 17 PK Y
1

BR
LG

33 LA3

BR
Y
R

8 A 1 A 7 A 1 C 18 A 19 A
ACC +B IG2 ANT1 MCO+ MCO–
L111(A), L126(C), L130(B), L140(D)
DCM (Telematics Transceiver)

MUTE SPI– SPI+ USBG VOT+ VOT– VOR– VOR+ USB USBV
17 A 3 A 2 A 2 B 3 B 5 B 6 B 7 B 1 B 2 B
SB

LG

17 RL2 40 RL1 39 RL1


#

#
SB

SB

-2-
LEXUS ENFORM , Safety Connect

# : There is no wire color information.

∗ 1 : w/ Multi Display
∗ 2 : w/o Multi Display

BE
BE

cardiagn.com
Y 17 LX2

BR
(Shielded)

BR

BE
Y

R34(F), R35(A), R39(E), R70(D)


6 D 5 D 7 D 20 D Stereo Component Amplifier
MIN– MIN+ SGND SNS2

L59(D), L131(G)
Display & Navigation
Module Display
FR+ FR– TMUT SPD
USBV DCM VOT+ VOT– VOR– VOR+ UGND 4 E 10 E 7 D 2 D (∗1)
4 G 1 G 3 G 5 G 6 G 7 G 2 G 8 A 7 A 24 F 11 F (∗2)
#

SB
B

V
(Shielded)

#
#

SB

-3-
LEXUS ENFORM , Safety Connect

(IG) (BAT)

10A 10A
P–J/B D MPX–B 2

30 2C 42 DA

L
1
L136
6 LA1 Junction
Connector
2

P
L
L10
Combination Meter 14 13
IG2 B
TFT Module

TFT Panel CPU

cardiagn.com
TFT
CPU

MPX–B

5V IC
IG2

Master
Back Light
Body
Earth
CPU
Signal
Earth LED DRIVER

SI +S ES E2
9 10 18 17
W–B
BR
V
L

6
Connector
Junction
L100

Front Speed Sensor 18 PA 14 PA


8
W–B

13 PK 30 PJ
B

58 PA 41 DA
L

V
Skid Control ECU

16 C 15 C 16 A 15 A 23 A
A19(A), A21(C)

FL+ FL– FR+ FR– SP1


43 PA 40 DA

RL+ RL– RR+ RR–


W–B
BR

11 A 10 A 11 C 10 C
Y

Y
L

Rear Speed Sensor


L1 L4
V

-4-
LEXUS ENFORM , Safety Connect

A 19
Black

3 4 5 6 7 8 9 10 11 12 13 14 15 16
1 2
17 18 19 20 21 22 23 24 25 26 27 28 29 30

31 32
33 34 35 36 37 38 39 40 41 42 43 44 45 46

A 21 L 10
Gray Black

1 2 3 4 5 6 7 8 9 10 11 12
3 4 5 6 7 8 9 10 11 12 13 14 15 16 13 14 15 16 17 18 19 20 21 22 23 24
1 2
17 18 19 20 21 22 23 24 25 26 27 28 29 30

cardiagn.com
31 32
33 34 35 36 37 38 39 40 41 42 43 44 45 46

L 59 L 73 L 84
White Yellow White

1 2 3 4 5 6 7 8 9 10
1 2
1 2 3 10 11 12 11 12 13 14 15 16 17 18 19 20
4 5 6 7 8 9
13 14 15 16 17 18 19 20 21 22 23 24 25 26
21 22 23 24 25 26 27 28 29 30

L 94 L100 L111
Black Blue White

1 2 3 4 1 2 3 4 5
6 7 8 9 10 11 12

1 2 3 4 5 6

7 8 9 10 11 12 13 14 15 16 17 18 19 20 21 22

23 24 25 26 27 28 29 30 31 32 33 34 35 36 37 38

-5-
LEXUS ENFORM , Safety Connect

L125 L126 L130 L131 L136


White Blue White White Black

1 2 3 4
2 3 4 2 3 4
1 1 1
5 6 7 5 6 7
1 3 2

L139 L140 R 34 R 35
Gray Gray White White

1 1 2 3 4
1
5 6 7 8 9 10
1 2 3 4 5 6 7 8 9 10 11 12
13 14 15 16 17 18 19 20 21 22 23 24

R 39 R 70 X4
White Gray White

1 2 3 4
5 6 7 8 9 10 1

cardiagn.com
1 2 3 4 5 6 7 8 9 10 11 12 13 14 15 16
17 18 19 20 21 22 23 24 25 26 27 28 29 30 31 32

X6 X 17
White Black

1 2 3 4

1 2 3 4 5 6 7 8 9 10
11 12 13 14 15 16 17 18 19 20

2C 4H
White Gray

1 2 3 4 5 6 7 8 9 10 11 12

1 2 3 4 5 6 7 8 9 10 11 12 13 14 15 16 17 18

19 20 21 22 23 24 25 26 27 28 29 30 31 32 33 34 35 36

4J DA
Gray White

1 2 3 4 5 6 7 8 9 10 11 12

7 8 9 10 11 12 13 14 15 16 17 18 19 20 21 22
1 2 3 4 5 6
23 24 25 26 27 28 29 30 31 32 33 34 35 36 37 38
39 40 41 42 43 44 45 46 47 48 49 50 51 52 53 54 55 56 57 58 59 60

-6-
LEXUS ENFORM , Safety Connect

PA
White

7 8 9 10 11 12 13 14 15 16 17 18 19 20 21 22
1 2 3 4 5 6
23 24 25 26 27 28 29 30 31 32 33 34 35 36 37 38
39 40 41 42 43 44 45 46 47 48 49 50 51 52 53 54 55 56 57 58 59 60

PJ PK
Gray Gray

7 8 9 10 11 12
1 2 3 4 5 6
13 14 15 16 17 18 1 2 5 6
19 20 21 22 23 24 25 26 27 28 29 30 3 4

7 8 9 10 11 12 13 14 15 16

17 18 19 20 21 22 23 24

LA1
White

cardiagn.com
7 8 9 10 11 12 13 14 15 16 17 18 19 20 21 22
1 2 3 4 5 6
23 24 25 26 27 28 29 30 31 32 33 34 35 36 37 38
39 40 41 42 43 44 22 21 20 19 18 17 16 15 14 13 12 11 10 9 8 7
45 46 47 48 49 50 51 52 53 54 55 56 57 58 59 60 6 5 4 3 2 1
38 37 36 35 34 33 32 31 30 29 28 27 26 25 24 23
60 59 58 57 56 55 54 53 52 51 50 49 48 47 46 45 44 43 42 41 40 39

LA3
White

7 8 9 10 11 12 13 14 15 16 17 18 19 20 21 22
1 2 3 4 5 6
23 24 25 26 27 28 29 30 31 32 33 34 35 36 37 38
39 40 41 42 43 44 22 21 20 19 18 17 16 15 14 13 12 11 10 9 8 7
45 46 47 48 49 50 51 52 53 54 55 56 57 58 59 60 6 5 4 3 2 1
38 37 36 35 34 33 32 31 30 29 28 27 26 25 24 23
60 59 58 57 56 55 54 53 52 51 50 49 48 47 46 45 44 43 42 41 40 39

LR1
White

7 8 9 10 11 12 13 14 15 16 17 18 19 20 21 22
1 2 3 4 5 6
23 24 25 26 27 28 29 30 31 32 33 34 35 36 37 38
39 40 41 42 43 44 22 21 20 19 18 17 16 15 14 13 12 11 10 9 8 7
45 46 47 48 49 50 51 52 53 54 55 56 57 58 59 60 6 5 4 3 2 1
38 37 36 35 34 33 32 31 30 29 28 27 26 25 24 23
60 59 58 57 56 55 54 53 52 51 50 49 48 47 46 45 44 43 42 41 40 39

-7-
LEXUS ENFORM , Safety Connect

LX1
White

9 8 7 6 5 4 3 2 1
1 2 3 4 5 6 7 8 9
25 16 15 14 13 12 11 10 17
17 10 11 12 13 14 15 16 25 24 23 22 21 20 19 18
18 19 20 21 22 23 24

LX2
White

9 8 7 6 5 4 3 2 1
1 2 3 4 5 6 7 8 9
18 17 16 15 14 13 12 11 10
10 11 12 13 14 15 16 17 18

cardiagn.com
RL1
White

7 8 9 10 11 12 13 14 15 16 17 18 19 20 21 22
1 2 3 4 5 6
23 24 25 26 27 28 29 30 31 32 33 34 35 36 37 38
39 40 41 42 43 44 22 21 20 19 18 17 16 15 14 13 12 11 10 9 8 7
45 46 47 48 49 50 51 52 53 54 55 56 57 58 59 60 6 5 4 3 2 1
38 37 36 35 34 33 32 31 30 29 28 27 26 25 24 23
60 59 58 57 56 55 54 53 52 51 50 49 48 47 46 45 44 43 42 41 40 39

RL2
White

11 10 9 8 7 6 5 4 3 2 1
1 2 3 4 5 6 7 8 9 10 11
22 21 20 19 18 17 16 15 14 13 12
12 13 14 15 16 17 18 19 20 21 22

-8-
Lane Keeping Assist

(IG) 10A D–IG1–3 (IG)

5A
P–IG1–2

47 DA 12 PJ
L

BR

BR
R

R
L

Junction Connector
12 3H

R42(A), R43(B)
19 A

12 3C 48 LR1 49 LR1 50 LR1 1 RL6 3 gR1 4 gR1 5 gR1


13 B
BR

LG
R

B
L

BR

R
B

L
20 LX1 9 LX2 7 LX2 8 LX2 1 LX3 15 gR1

V
BR

Object Recognition Camera


R
V

B
L

cardiagn.com
Junction Connector

1 12 B 14 B 13 B 1 A 1 A 14 B 13 B 12 B 6 B
X18(B), X19(A)

SGND TX RX GVI+ GVI+ TX RX SGND IG


X16

R67(A), g1(B)
2 Object Recognition ECU
IG GND
8 B 9 B GND CA1N CA1P IRFP IRR
10 B 5 B 16 B 11 B 3 B
W–B
B
L

W–B

GR
W

Y
9 A 7 A 9 B
IG IG3 GND5 11 gR1 2 gR1 1 gR1 6 gR1 7 gR1
W–B

BR
W

GND4
X4(A), X6(B) 20 B
Overhead Module
7 AR1 9 AR1
BR
W–B

W–B
2
Connector

24 BA2 23 BA2
Junction
X17

BR
1

10
Connector

W–B
Junction

Y
L100

8
25 LX1 B
W–B

W–B

W
41 DA

8 B
R43(B)
40 DA Junction
Connector
W–B
W–B

L4 R2 R1

-1-
Lane Keeping Assist

B1
Headlight LH

Light Failure
Near Infrared Projector Indicator Sensor

IRFL IRLY E SOL RFOT E FRIG


6 5 11 4 19 16 10

W–B

W–B

BR
BE
R

Y
L

cardiagn.com
R67(A), g1(B)
Object Recognition ECU
22 BA2 14 BA2 16 BA2

LG
B
IRDV IRL
9 B 7 B B

LG

BE BE
SB
LG

8 gR1 9 gR1
BE
R
BE

8 AR1 10 AR1 21 BA2


W–B
Y

W–B W–B
BE

BR BR

Y Y Y

B B

W W

-2-
Lane Keeping Assist

(IG) (IG)

10A 10A
NV IR E/G RM–IG1–2
B11
Headlight RH

Light Failure
20 2C 29 2C Near Infrared Projector Indicator Sensor

E IRLY SOL IRFR E FRIG RFOT


11 5 4 6 16 10 19
B

W–B

W–B
GR

BR

BR
BE
P

Y
2 B 1 B 16 A 17 A
A63(A), A64(B)

A63(A), A64(B)
Connector

Connector
Junction

Junction

cardiagn.com
10 A 18 B

15 BA2 18 BA2
LG
B

P
B

LG

BE
W–B

W–B W–B

BR

B B

W W
W–B

W–B

W–B

B1 B2

-3-
Lane Keeping Assist

(IG)

5A
D–IG1–2

24 DH
Y

13
B
A33
Driving Support ECU
SGND IGB CA1P CA1N GND CA1H CA1L
26 36 40 39 25 1 2

W–B
W

W
B

B
59 LA3 60 LA3 11 DH

cardiagn.com
W

Junction Connector
B

8 19 10 DH
L96

9 20 11 22

BR

A60(A), E51(B)
W

W
B

9 A

Connector
Junction
37 LA3 38 LA3 18 LR1 19 LR1

10 B
W

W
B

Junction Connector
W
Y

R46(A), R71(C)

BR

1 A 2 A
11 BA2 10 BA2 11 BA1 10 BA1

1 C 2 C
Y

B
L

2 5 4 3
W
B

SGND IGB CA1P CA1N

B9
Front Center Millimeter W
Wave Radar Sensor
B
B

W
BR

E3

-4-
Lane Keeping Assist

(IG) (BAT)

10A 5A
ECU–IG STOP
∗ 3 : w/ Paddle Shift Switch
∗ 4 : w/o Paddle Shift Switch

27 2C 16 DH

G
R

A61(A), A62(B)
16 A

Connector
Junction
A33
Driving Support ECU
17 B
CA2H CA2L CCHG CANN CANP CCS STP– ST1–
16 17 30 18 19 27 11 34
LG
W

R
B

V
3 2

cardiagn.com
21 LA1 5 AS1 4 AS1 6 BA2

Stop Light
Connector
2 B

Switch
BE

Junction

A35
A62(B)
Junction Connector
LG

4 1
1 B
17 6

L
S60

V
16 5 15 DH
V
W

12 DH
60 LS1 59 LS1
W

BE

LG

W W

B B

-5-
Lane Keeping Assist

V
W
BR

8 BA2 R
2 5H

V
L134(A), z2(B), z7(C), z14(F)

2 5F 20 LA1

W–B
W–B
BR

LG

R
V
BR

1 5H

16 DA 2 A 1 A 8 A 9 A 10 A 3 A
Spiral Cable

ECC CCS R/N CANN CANP NOSB

1 5F

cardiagn.com
10 DH 4 B 3 B 1 B 1 C 2 C 8 C (∗4)
1 F 2 F 8 F (∗3)
W
R
B

W–B
BR

ON–OFF
A60(A), E51(B)

W–R(∗3)
9 A BR(∗4)

G
Y
Connector
Junction

+ RES
MODE

10 B
Cruise Control Main Switch

– SET 57 DA
BR

Steering Switch ECU


CANCEL
40 DA
z2(B)

z7(C), z14(F)
V Steering Pad
Switch with Modulator
B B

W W

LG

W W

B B

W W

B B
BR

W–B

E3 L4

-6-
Lane Keeping Assist

∗ 1 : w/ Auto Wiper
∗ 2 : w/o Auto Wiper

L25(A), z6(B)
Windshield Wiper Switch
W

R AUTO (∗1)
EW OFF LO HI MIST
INT (∗2)

MIST

OFF

AUTO (∗1)
INT (∗2)

Wiper Switch
LO

HI

cardiagn.com
CANN CANP
6 A 5 A

W
R
Y
W

W
R

15 B 13 B 12 B
9 20 19 8
TL TR EL
Connector
Junction
L95

TL TR EL
4 15 18 7
LH
W

W
B

RH

Turn Switch
B
z6(B)
W Headlight Dimmer Switch

W W

B B

W W

B B

-7-
Lane Keeping Assist

(IG) (BAT)
A13(A)
Engine Control Module

P–D/C CUT
D–IG1–1
CA2L CA2H
5A

17 A 18 A

5A
2
21 DA BCUT
Electric Power
Control ECU

LG

L
CUTD
G

Junction Connector
12 5F
35 PA 21 10
B

A65
12 5J
8 5B 22 11 8 19

W
B

Junction Connector
8 5J
G

4 15

cardiagn.com
B

L25(A), z6(B)
Windshield Wiper Switch

A66
2 A 1 A
IG B 1 12 14 3
W

W
B

B
E
8 A
W–B

1 5J 4 AR1 3 AR1

1 5F
W–B

57 DA

40 DA
B

W P

B V

W W

B B

B B

W W
W–B

L4

-8-
Lane Keeping Assist

A13(A)
Engine Control Module
CANL CANH
13 A 14 A

S69
Rear Height Control Sensor LH R56
Rear Pad Wear Indicator Switch Rear Height Control Sensor RH
Rear Speed Sensor LH Rear Pad Wear Indicator Switch
Rear Height Control Rear Speed Sensor RH
Sensor LH Rear Height Control
Sensor RH

R
SHB SHRL SHG
SHB SHRR SHG
2 1 5
GR 2 1 5
BR

LG

53 LA 36 LA 34 LA

52 LA 18 LA 33 LA
GR
BR

LG

cardiagn.com
2 RS3 1 RS3 3 RS3
GR
BR

LG

24 C 30 C 23 C 26 C 28 C 25 C

A39(A), L88(B),
Air Suspension
SBL2 SHRL SGL2 SBR2 SHRR SGR2

Control ECU
R1(C)
CA2H CA2L SHFL SBL1 SGL1 SHFR SBR1 SGR1
22 C 21 C 22 A 18 B 22 B 20 A 20 B 21 B
LG
R

R
B

V
L

53 LA3 56 LA3 55 LA3 54 LA3


W
B

GR
BR

R
V

Control Sensor RH
Control Sensor LH

2 3 1 2 3 1
SHFL SHB SHG SHFR SHB SHG
Front Height

Front Height

B R

W G
A54
A4

P P

V V

W W

B B

B B

W W

-9-
Lane Keeping Assist

Skid Control Buzzer

W
B
1

Buzzer
48 LA1 49 LA1
G
R

A67

L2

W
B
2 Junction
1 12 Connector

B
45 LA1 46 LA1 41 LA1 40 LA1
2 13 15 4

LG

W
G
R

cardiagn.com
Skid Control ECU
22 A 41 A 30 C 29 C

A19(A), A21(C)
BZ VBZ CA1H CA1L

CANL CANH FL+ FL– FR+ FR– RL+ RL– RR+ RR–
8 C 9 C 16 C 15 C 16 A 15 A 11 A 10 A 11 C 10 C
P

Y
L

11 22 21 10 Front Speed Sensor Rear Speed Sensor

9 20 A67
Junction
Connector
G
R

P P

V V

B B

W W

- 10 -
Lane Keeping Assist

R R

G G

B B

W W

W
B
C5
Steering Torque Sensor 3 14

Connector
Junction
L99
4 15

INCS INSN TRQV OUCS OUSN TQG2 TQG1

W
B
1 2 4 5 6 7 8
21 LA3 22 LA3
G–W

L–W
G–B

R–B
Y–B
R–L

LG
W

cardiagn.com
10 C 9 C 4 C 12 C 11 C 13 C 6 C 2 A 3 A
INCS INSN TRQV OUCS OUSN TQG2 TQG1 CA1H CA1L
A44(A), C1(B), C2(C)
Power Steering ECU
SRZG RZV RZSN RZCS RZG W U V CA2L CA2H
2 C 3 C 7 C 8 C 1 C 3 B 2 B 1 B 8 A 1 A
BR

(Shielded)
(Shielded)

W
G

R
B

3 B 1 B 4 B 2 B 2 A 3 A 1 A
RZV RZSN RZCS RZG V U W

C3(A), C4(B)
Power Steering Motor

B B

W W

- 11 -
Lane Keeping Assist

W
W

55 LS1 54 LS1
W

12 1
Connector
Junction
S58

cardiagn.com
13 2
W

38 LS1 37 LS1
W

R
B

Junction Connector
21 10 22 11 15 4

L97
19 8 20 9 16 5
W

G
R

R
B

9 10 2 3
CA1L CA1H CA1L CA1H

L21 L71
Steering Angle Sensor Yaw Rate Sensor R

B B

W W

- 12 -
Lane Keeping Assist

(IG) (BAT)

10A 10A
P–J/B D MPX–B 2

30 2C 42 DA

L
1
L136
6 LA1 Junction
Connector
2

P
L
L10
Combination Meter 14 13
IG2 B
TFT Module

cardiagn.com
TFT Panel CPU
TFT Buzzer
CPU

MPX–B
5V IC
I/F

Master

LKA
IG2
Back Light
CPU
Body
Earth LED DRIVER
CAN CONTROLLER

Signal
Earth

CAN I/F

CANH CANL CANP CANN ES E2


20 21 22 23 18 17

W–B
BR

Connector
Junction
L100

8
W

W–B
G
R

58 PA 41 DA

G
43 PA 40 DA
B
W–B

W
BR

L1 L4

- 13 -
Lane Keeping Assist

A4 A 13
Black White

1 2 3
1 2 3 4 5 6

7 8 9 10 11 12 13 14 15 16
17 18 19 20 21 22 23 24 25 26 27
28 29 30 31 32 33 34 35

A 19
Black

3 4 5 6 7 8 9 10 11 12 13 14 15 16
1 2
17 18 19 20 21 22 23 24 25 26 27 28 29 30

31 32
33 34 35 36 37 38 39 40 41 42 43 44 45 46

cardiagn.com
A 21
Gray

3 4 5 6 7 8 9 10 11 12 13 14 15 16
1 2
17 18 19 20 21 22 23 24 25 26 27 28 29 30

31 32
33 34 35 36 37 38 39 40 41 42 43 44 45 46

A 33 A 35 A 39
White Green Black

1 2 3 4 5 6 7 8 9 10 11 12 13 14 15 16 17 1 2
3 4 1 2 5 6
18 19 20 21 22 23 24 25 26 27 28 29 30 31 32 33 34 35 36 37 38 39 40
3 4
7 8 9 10 11 12 13 14 15 16
17 18 19 20 21 22 23 24

- 14 -
Lane Keeping Assist

A 44 A 54 A 60
Black Black Blue

1 2 3
1 2 3 4 5 6
7 8 9 10 11 12

1 2 3
4 5 6 7 8
9 10 11

A 61 A 62 A 63
Black Blue Black

1 2 3 4 5 6 7 8 9 10 11 1 2 3 4 5 6 7 8 9 10 11 1 2 3 4 5 6 7 8 9 10 11
12 13 14 15 16 17 18 19 20 21 22 12 13 14 15 16 17 18 19 20 21 22 12 13 14 15 16 17 18 19 20 21 22

cardiagn.com
A 64 A 65 A 66
Black Gray Black

1 2 3 4 5 6 7 8 9 10 11 1 2 3 4 5 6 7 8 9 10 11 1 2 3 4 5 6 7 8 9 10 11
12 13 14 15 16 17 18 19 20 21 22 12 13 14 15 16 17 18 19 20 21 22 12 13 14 15 16 17 18 19 20 21 22

A 67 B1 B9
Black Black Black

1 2 3 4 5
1 2 3 4 5 6 7 8 9 10 11
3 4 5 6 7 8 9
12 13 14 15 16 17 18 19 20 21 22 1 2
10 11 12 13 14 15
16 17
18 19 20 21 22 23 24

B 11 C1 C2
Black Black Black

1 2 3 4 5 6
3 4 5 6 7 8 9 7 8 9 10 11 12 13
1 2
10 11 12 13 14 15 1
16 17
18 19 20 21 22 23 24 2

- 15 -
Lane Keeping Assist

C3 C4 C5 E 51
Gray Gray Gray Blue

1 2 1 2 3 4 1 2 3 4 5 6
3 4 5 6 7 8
7 8 9 10 11 12

1
2

L2 L 10 L 21 L 25
Blue Black White White

1 2 1 2 3 4 5 6 7 8 9 10 1 2 3 4
1 2 3 4 5 6 7 8 9 10 11 12
5 6 7 8
13 14 15 16 17 18 19 20 21 22 23 24

cardiagn.com
L 71 L 88 L 95
Black Black Gray

1 2 3 4 5 6
1 2 3 4 5 6 1 2 3 4 5 6 7 8 9 10 11
12 13 14 15 16 17 18 19 20 21 22
7 8 9 10 11 12 13 14 15 16 17
18 19 20 21 22 23 24 25 26

L 96 L 97 L 99
Black Black Black

1 2 3 4 5 6 7 8 9 10 11 1 2 3 4 5 6 7 8 9 10 11 1 2 3 4 5 6 7 8 9 10 11
12 13 14 15 16 17 18 19 20 21 22 12 13 14 15 16 17 18 19 20 21 22 12 13 14 15 16 17 18 19 20 21 22

L100 L134 L136 R1


Blue Black Black Black

1 2 3 4 5 1 2 3 4
6 7 8 9 10 11 12
1 2 3 4 5 6 7 1 10
8 9 10 11 12 13 14 2 3 4 5 6 7 8 9

11 12 13 14 15 16 17 18 19 20 21 22

23 24 25 26 27 28 29 30

- 16 -
Lane Keeping Assist

R 42 R 43 R 46 R 56
Black White White White

1 2 3
1
1 2 3 4 5 6 7 8 9 10 11 4 5 6 7 8 4 3 2 1
2 8 7 6 5
12 13 14 15 16 17 18 19 20 21 22

R 67 R 71 S 58 S 60
Blue White Black Black

1
1
1 2 3 4 5 6 7 8 9 10 11 1 2 3 4 5 6 7 8 9 10 11
2
12 13 14 15 16 17 18 19 20 21 22 12 13 14 15 16 17 18 19 20 21 22

S 69 X4 X6
White White White

cardiagn.com
4 3 2 1 1 2 3 4 5 6 7 8 9 10 11 12 13 14 15 16 1 2 3 4 5 6 7 8 9 10
8 7 6 5 11 12 13 14 15 16 17 18 19 20
17 18 19 20 21 22 23 24 25 26 27 28 29 30 31 32

X 16 X 17 X 18 X 19
Black Black White White

1 2 3 4 1 2 3 4
1
1 2 3 4 5 6 7
8 9 10 11 12 13 14

g1 z2 z6 z7
White White White White

1 2 3 4 5
1 2 3 4 5 6 7 8 9 10 1 2 3 4 5
1 2
6 7 8 9 10 11 12 13 14 15 16
11 12 13 14 15 16 17 18 19 20 6 7 8 9 10
3 4

z 14 2C
Black White

1 2 3 4 5 6 1 2 3 4 5 6 7 8 9 10 11 12 13 14 15 16 17 18
7 8 9 10 11 12
19 20 21 22 23 24 25 26 27 28 29 30 31 32 33 34 35 36

- 17 -
Lane Keeping Assist

3C 3H
White Gray

1 2 3 4 5 6 7 8 9 10 11 12 1 2 3 4 5 6 7 8 9 10 11 12

5B 5F
Gray Gray

1 2 3 4 5 6 7 8 9 10 11 12 1 2 3 4 5 6 7 8 9 10 11 12

5H 5J
Gray Gray

1 2 3 4 5 6 7 8 9 10 11 12 1 2 3 4 5 6 7 8 9 10 11 12

DA DH
White Gray

7 8 9 10 11 12 13 14 15 16 17 18 19 20 21 22
1 2 3 4 5 6
23 24 25 26 27 28 29 30 31 32 33 34 35 36 37 38 1 2 5 6
39 40 41 42 43 44 45 46 47 48 49 50 51 52 53 54 55 56 57 58 59 60 3 4

7 8 9 10 11 12 13 14 15 16

cardiagn.com
17 18 19 20 21 22 23 24

LA
White

7 8 9 10 11 12 13 14 15 16 17 18 19 20 21 22
1 2 3 4 5 6
23 24 25 26 27 28 29 30 31 32 33 34 35 36 37 38
39 40 41 42 43 44 45 46 47 48 49 50 51 52 53 54 55 56 57 58 59 60

PA
White

7 8 9 10 11 12 13 14 15 16 17 18 19 20 21 22
1 2 3 4 5 6
23 24 25 26 27 28 29 30 31 32 33 34 35 36 37 38
39 40 41 42 43 44 45 46 47 48 49 50 51 52 53 54 55 56 57 58 59 60

PJ
Gray

7 8 9 10 11 12
1 2 3 4 5 6
13 14 15 16 17 18
19 20 21 22 23 24 25 26 27 28 29 30

- 18 -
Lane Keeping Assist

AR1
White

11 10 9 8 7 6 5 4 3 2 1
1 2 3 4 5 6 7 8 9 10 11
22 21 20 19 18 17 16 15 14 13 12
12 13 14 15 16 17 18 19 20 21 22

AS1
White

11 10 9 8 7 6 5 4 3 2 1
1 2 3 4 5 6 7 8 9 10 11
22 21 20 19 18 17 16 15 14 13 12
12 13 14 15 16 17 18 19 20 21 22

cardiagn.com
BA1
White

9 8 7 6 5 4 3 2 1
1 2 3 4 5 6 7 8 9
18 17 16 15 14 13 12 11 10
10 11 12 13 14 15 16 17 18

BA2
Gray

9 8 7 6 5 4 3 2 1
1 2 3 4 5 6 7 8 9
25 16 15 14 13 12 11 10 17
17 10 11 12 13 14 15 16 25 24 23 22 21 20 19 18
18 19 20 21 22 23 24

LA1
White

7 8 9 10 11 12 13 14 15 16 17 18 19 20 21 22
1 2 3 4 5 6
23 24 25 26 27 28 29 30 31 32 33 34 35 36 37 38
39 40 41 42 43 44 22 21 20 19 18 17 16 15 14 13 12 11 10 9 8 7
45 46 47 48 49 50 51 52 53 54 55 56 57 58 59 60 6 5 4 3 2 1
38 37 36 35 34 33 32 31 30 29 28 27 26 25 24 23
60 59 58 57 56 55 54 53 52 51 50 49 48 47 46 45 44 43 42 41 40 39

- 19 -
Lane Keeping Assist

LA3
White

7 8 9 10 11 12 13 14 15 16 17 18 19 20 21 22
1 2 3 4 5 6
23 24 25 26 27 28 29 30 31 32 33 34 35 36 37 38
39 40 41 42 43 44 22 21 20 19 18 17 16 15 14 13 12 11 10 9 8 7
45 46 47 48 49 50 51 52 53 54 55 56 57 58 59 60 6 5 4 3 2 1
38 37 36 35 34 33 32 31 30 29 28 27 26 25 24 23
60 59 58 57 56 55 54 53 52 51 50 49 48 47 46 45 44 43 42 41 40 39

LR1
White

7 8 9 10 11 12 13 14 15 16 17 18 19 20 21 22
1 2 3 4 5 6
23 24 25 26 27 28 29 30 31 32 33 34 35 36 37 38
39 40 41 42 43 44 22 21 20 19 18 17 16 15 14 13 12 11 10 9 8 7
45 46 47 48 49 50 51 52 53 54 55 56 57 58 59 60 6 5 4 3 2 1
38 37 36 35 34 33 32 31 30 29 28 27 26 25 24 23
60 59 58 57 56 55 54 53 52 51 50 49 48 47 46 45 44 43 42 41 40 39

cardiagn.com
LS1
White

7 8 9 10 11 12 13 14 15 16 17 18 19 20 21 22
1 2 3 4 5 6
23 24 25 26 27 28 29 30 31 32 33 34 35 36 37 38
39 40 41 42 43 44 22 21 20 19 18 17 16 15 14 13 12 11 10 9 8 7
45 46 47 48 49 50 51 52 53 54 55 56 57 58 59 60 6 5 4 3 2 1
38 37 36 35 34 33 32 31 30 29 28 27 26 25 24 23
60 59 58 57 56 55 54 53 52 51 50 49 48 47 46 45 44 43 42 41 40 39

LX1
White

9 8 7 6 5 4 3 2 1
1 2 3 4 5 6 7 8 9
25 16 15 14 13 12 11 10 17
17 10 11 12 13 14 15 16 25 24 23 22 21 20 19 18
18 19 20 21 22 23 24

LX2 LX3
White Blue

1
1
9 8 7 6 5 4 3 2 1
1 2 3 4 5 6 7 8 9
18 17 16 15 14 13 12 11 10
10 11 12 13 14 15 16 17 18

- 20 -
Lane Keeping Assist

RL6 RS3
Blue White

1
1
1 2 3 4 5 5 4 3 2 1

6 7 8 9 10 10 9 8 7 6

gR1
White

11 10 9 8 7 6 5 4 3 2 1
1 2 3 4 5 6 7 8 9 10 11
22 21 20 19 18 17 16 15 14 13 12
12 13 14 15 16 17 18 19 20 21 22

cardiagn.com

- 21 -
Multiplex Communication System <AVC-LAN>

L51(A), L52(B) L114(F), L116(H)


Radio Receiver Assembly Display & Navigation Module Display

TX+ TX– ATX+ ATX– TX1+ TX1– TX3+ TX3–


9 B 10 B 5 A 15 A 1 F 2 F 9 H 10 H
(∗4)

(∗4)
Y

cardiagn.com
30 RL1 31 RL1
(∗4)

(∗4)

(∗3)

(∗3)

(∗3)

(∗3)
LG

R
Y

B
L

(∗4)

(∗4)
B

19 18 8 F 7 F 31 A 32 A 6 5
TX2+ TX2– TX+ TX– TX+ TX– TX+1 TX–1

L35 R34(F) L90(A) L38


Integration Control Stereo Component Amplifier Parking Assist ECU Clock
and Panel Assembly

-1-
Multiplex Communication System <AVC-LAN>

∗ 1 : 4–Seater
∗ 2 : 5–Seater
∗ 3 : w/ Multi Display
∗ 4 : w/o Multi Display
L114(F), L116(H)
Display & Navigation Module Display

TX2+ TX2–
12 F 13 F

cardiagn.com
(∗3)

(∗3)
LG
L

(∗2 ∗3)

(∗1 ∗3)

(∗2 ∗3)

(∗1 ∗3)
BR

BR

(∗2 ∗3)

(∗2 ∗3)
BR
R
56 RL1 55 RL1 13 RS1 12 RS1 4 rS3 5 rS3
(∗1 ∗3)

(∗1 ∗3)

(∗2 ∗3)

(∗2 ∗3)
(∗3)

(∗3)

(∗3)

(∗3)
BR

BR
LG

G
R

R
L

9 A 10 A 5 B 4 B 10 11 4 A 5 A
TX1+ TX1– TX2– TX2+ MPX+ MPX– MPX+ MPX–

R65(A), R66(B) S15 r2(A)


Multi–Media Interface ECU Rear Console Switch Rear Console Switch

-2-
Multiplex Communication System <AVC-LAN>

L 35 L 38 L 51
White White White

1 2 3 4 1 10
2 3 4 5 6 7 8 9
1 2 3 10 11 12
5 6 7 8 11 12 13 14 15 16 17 18 19 20
4 5 6 7 8 9
13 14 15 16 17 18 19 20 21 22 23 24 25 26

L 52 L 90
White White

1 2 3 4 5 6 7 8 9 10 11 12 13
1 2 3 4 5 6 7 8 9 10
14 15 16 17 18 19 20 21 22 23 24 25 26 27 28 29 30 31 32
11 12 13 14 15 16 17 18 19 20

L114 L116 R 34
White White White

cardiagn.com
1 2 3 4 5 6
1 2 3 4 5 6 7 8 9 10 11 12
7 8 9 10 11 12
1 2 3 4 5 6 7 8 9 10 11 13 14 15 16 17 18 19 20 21 22 23 24
12 13 14 15 16 17 18 19 20 21 22

R 65 R 66 S 15 r2
Black White White White

1 2 3 4 5 6 1 2 3 4 5 6 7 8 1 2 3 4 5 6 7 8 1 2 3 4 5

7 8 9 10 11 12 9 10 11 12 13 14 15 16 9 10 11 12 13 14 15 16 6 7 8 9 10 11 12 13 14 15 16

RL1
White

7 8 9 10 11 12 13 14 15 16 17 18 19 20 21 22
1 2 3 4 5 6
23 24 25 26 27 28 29 30 31 32 33 34 35 36 37 38
39 40 41 42 43 44 22 21 20 19 18 17 16 15 14 13 12 11 10 9 8 7
45 46 47 48 49 50 51 52 53 54 55 56 57 58 59 60 6 5 4 3 2 1
38 37 36 35 34 33 32 31 30 29 28 27 26 25 24 23
60 59 58 57 56 55 54 53 52 51 50 49 48 47 46 45 44 43 42 41 40 39

-3-
Multiplex Communication System <AVC-LAN>

RS1
White

11 10 9 8 7 6 5 4 3 2 1
1 2 3 4 5 6 7 8 9 10 11
22 21 20 19 18 17 16 15 14 13 12
12 13 14 15 16 17 18 19 20 21 22

rS3
White

11 10 9 8 7 6 5 4 3 2 1
1 2 3 4 5 6 7 8 9 10 11
22 21 20 19 18 17 16 15 14 13 12
12 13 14 15 16 17 18 19 20 21 22

cardiagn.com

-4-
Multiplex Communication System <CAN>

S43
Power Trunk Lid
Control ECU

CANL CANH
5 6

cardiagn.com
W

B
W

Junction Connector
13 2 15 4

S59
13 2 14 3
W
(∗8 ∗9) B
(∗8 ∗10)
B
(∗8 ∗9)
W
(∗8 ∗10)
W

B
(∗7)

(∗7)
W

7 rS3 6 rS3 3 rS4 2 rS4


(∗8 ∗10)

(∗8 ∗10)
W

B
(∗8 ∗9)

W
(∗8 ∗9)

5 6 2 A 1 A 28 B 20 B
CANL CANH CANN CANP CANN CANP

S15 r2(A) S62(B)


Rear Console Switch Rear Console Switch Rear Junction
Block ECU

-1-
Multiplex Communication System <CAN>

A33
Driving Support ECU
∗ 7 : 4–Seater
∗ 8 : 5–Seater
∗ 9 : w/ Power Seat
∗10 : w/o Power Seat
CANP CANN
19 18

W
B

B
59 LS1 60 LS1 4 AS1 5 AS1

cardiagn.com
W

B
W

W
B

Junction Connector
2 13 5 16 6 17

S60
1 12 3 14 4 15
W

W
R

10 Se2 9 Se2 14 OS1 15 OS1 2 NS2 1 NS2


W

W
R

25 B 24 B 9 B 10 B 9 B 10 B
CANP CANN CANP CANN CANP CANN

e46(B) O14(B) N10(B)


Front Power Seat Rear Door Control Front Door Control
Control ECU and ECU LH ECU LH
Switch LH

-2-
Multiplex Communication System <CAN>

B B

W W

A33
Driving Support ECU

CA1P CA1N CA2L CA2H CA1L CA1H


40 39 17 16 2 1

Driver Monitor
W

W
B

B
ECU

CANH CANL
L18

59 LA3 60 LA3 9 24

cardiagn.com
W

W
B

8 19 10 21
Connector
Junction
L96

9 20 11 22
W

W
B

37 LA3 38 LA3 18 LR1 19 LR1


W

W
B

R46(A), R47(B), R71(C)


1 A 2 A Junction Connector
11 BA1 10 BA1
ST–Plug

2
B

3
4 3
CA1P CA1N 1

1 C 2 C 1 B
W
B

B9
Front Center
Millimeter B
W–B

Wave Radar Sensor


1 gR1 8 gR1
W
W
B

16 B 5 B W
CA1P CA1N

7
Connector
Junction
R43

g1(B)
Object Recognition
ECU
R2

-3-
Multiplex Communication System <CAN>

B B

W W

G
R
45 LA1 46 LA1

G
R

A67 A67
Junction Connector 11 22 Junction Connector

cardiagn.com
10 21 9 20
3 14 4 15

W
G
R
V

B
Engine Control Module

14 A 13 A 12 A 11 A
CANH CANL CA1H CA1L
A13(A)

CA2L CA2H CAN+ CAN–


17 A 18 A 10 A 9 A
LG

W
B
L

18 A 28 A
CAN+ CAN–

A12(A)
Transmission Control Module
L

LG

B B

W W

-4-
Multiplex Communication System <CAN>

B B

W W

R R

G G

W
W
B

48 LA1 49 LA1
W

W
B

B
A65
Junction Connector

1 12 Junction Connector 8 19

cardiagn.com
A67

9 20 10 21 11 22 7 18
2 13
LG

LG

W
B

B
L

30 C 29 C 7 A 6 A 5 AS2 6 AS2
CA1H CA1L CA2H CA2L

CANL CANH
8 C 9 C A19(A), A21(C)
Skid Control ECU

W
P

9 B 1 B
CA2H CA2L

S48(B)
Parking Brake ECU
L

LG

-5-
Multiplex Communication System <CAN>

∗ 3 : w/ Advanced Parking Guidance System


∗ 4 : w/o Advanced Parking Guidance System

B B

W W

R R

G G

B B

W W

W
W

A66
15 4 Junction Connector

cardiagn.com
16 5 14 3 13 2 12 1
W

W
B

24 LA3 23 LA3 4 AR1 3 AR1


W

V
W

B
(∗3)

(∗3)

(∗4)

(∗4)
W

W
B

Steering Control ECU

Power Steering ECU


10 A 9 A 5 3 21 C 22 C 9 B 4 B 8 A 1 A
A41(A), A42(B)
Air Suspension
L88(B), R1(C)

CA2L CA2H CA2L CA2H CA2L CA2H CA2L CA2H CA2L CA2H
Control ECU

CANL CANH CA1L CA1H CA1L CA1H A44(A)

L90(A) L19 8 B 7 B 20 A 9 A 3 A 2 A
Parking Assist ECU Clearance Sonar ECU
LG
W

W
B

LG

-6-
Multiplex Communication System <CAN>

B B

W W

R R

G G

B B

W W

55 LS1 54 LS1 37 LS1 38 LS1

W
B

B
L99
Junction Connector 3 14 12 1 2 13

cardiagn.com
4 15 5 16 1 12 14 3 S58
Junction Connector
W

W
B

21 LA3 22 LA3 39 LA3 40 LA3


W

B
LG

W
B
L

2 B 1 B
CANL CANH

S47(B)
Seat Belt Control ECU

LG

-7-
Multiplex Communication System <CAN>

∗ 5 : w/ Multi Display
∗ 6 : w/o Multi Display

B B

W W

R R

G G

B B

W W

B B

W W

A69(A)
Electric Power A37 L77(B)
Control ECU AFS ECU A/C Amplifier

CANH CANL CANH CANL CANH CANL

cardiagn.com
15 A 14 A 12 13 3 B 4 B
G

G
R

G
R
18 LA3 19 LA3 15 LA3 16 LA3
G

G
R

L98
6 17 11 22 Junction Connector 10 21

8 19 9 20 7 18
(∗5)

(∗5)

(∗6)

(∗6)
G

G
R

13 A 22 A 21 D 22 D 26 25
CANH CANL CANH CANL CANH CANL

L73(A) L59(D) L35


Center Airbag ECU Display & Navigation Integration Control and
Module Display Panel Assembly

-8-
Multiplex Communication System <CAN>

B B

W W

R G

G R

cardiagn.com
W

G
R

R
B

L97
21 10 22 11 Junction Connector 15 4 16 5

19 8 20 9 13 2 12 1 14 3
W

G
R

R
B

9 10 2 3 14 6
CA1L CA1H CA1L CA1H CANL CANH

L21 L71 L31


Steering Angle Sensor Yaw Rate Sensor DLC3

G R

R G

-9-
Multiplex Communication System <CAN>

R
B

L6
L134(A) Outer Mirror Switch
Combination Meter

20 21 Spiral Cable Assembly


CANH CANL

CANP CANN CANP CANN CANP CANN


L10

22 23 10 A 9 A 2 3

cardiagn.com
W

W
R
B

B
7 18 9 20 10 21 4 15 11 22

5 16 6 17 8 19 3 14 L95
Junction Connector
W

W
R
B

27 A 28 A 5 14 5 A 6 A 16 A 15 A
Main Body ECU

CANH CANL CANP CANN CANP CANN CANP CANN


L11(A)

CANH CANL
L15(A) L34 L25(A) 5 A 6 A
Certification ECU Multiplex Tilt and Windshield Wiper Switch
Telescopic ECU
G
R

- 10 -
Multiplex Communication System <CAN>

L89
Tire Pressure
Warning ECU

B
CANN CANP
12 6

B
60 LR1 59 LR1 38 LR1 37 LR1
W

Junction Connector
B

B
15 4 16 5

R48
12 1 13 2 14 3

cardiagn.com
W

W
R

9 NR2 8 NR2 15 OR1 14 OR1


W

B
W

W
R

R57
10 A 9 A 10 B 9 B 7 5 Junction Connector
CANN CANP CANN CANP

3 1 8 6
N1(A) O3(B)
Front Door Control Rear Door Control
ECU RH ECU RH
W

R
B

21 AR1 20 AR1 9 Re2 10 Re2


W

R
B

4 A 3 A 24 B 25 B
CANN CANP CANN CANP

A50(A) e20(B)
Front Controller Front Power Seat
Control ECU and
Switch RH

- 11 -
Multiplex Communication System <CAN>

A 12 A 13
Gray White

1 2 3 4 5 6 7 1 2 3 4 5 6

8 9 10 11 12 13 14 15 16 17 7 8 9 10 11 12 13 14 15 16
18 19 20 21 22 23 24 25 26 27 17 18 19 20 21 22 23 24 25 26 27
28 29 30 31 32 33 34 28 29 30 31 32 33 34 35

A 19
Black

3 4 5 6 7 8 9 10 11 12 13 14 15 16
1 2
17 18 19 20 21 22 23 24 25 26 27 28 29 30

31 32
33 34 35 36 37 38 39 40 41 42 43 44 45 46

cardiagn.com
A 21
Gray

3 4 5 6 7 8 9 10 11 12 13 14 15 16
1 2
17 18 19 20 21 22 23 24 25 26 27 28 29 30

31 32
33 34 35 36 37 38 39 40 41 42 43 44 45 46

A 33
White

1 2 3 4 5 6 7 8 9 10 11 12 13 14 15 16 17
18 19 20 21 22 23 24 25 26 27 28 29 30 31 32 33 34 35 36 37 38 39 40

A 37 A 41 A 42
White White White

1 2 3 4
1 2 3 4 5 6 7 8 9 10 11 12 13 7 8
1 2 3 4 5 6 7 8 9 10 5 6 9 10
14 15 16 17 18 19 20 21 22 23 24 25 26 27 28 29 30 31 32
11 12 13 14 15 16 17 18 19 20

- 12 -
Multiplex Communication System <CAN>

A 44 A 50 A 65
Black White Gray

1 2 3 4 5 6 7 8 9 10 11
1 2
12 13 14 15 16 17 18 19 20 21 22
3 4 5 6
1 2 3
4 5 7 8 9 10
6 7 8
9 10 11

A 66 A 67 A 69
Black Black White

1 2 3 4 5 6 7 8 9 10 11 1 2 3 4 5 6 7 8 9 10 11 1 2 3 4 5 6 7 8 9 10

12 13 14 15 16 17 18 19 20 21 22 12 13 14 15 16 17 18 19 20 21 22 11 12 13 14 15 16 17 18 19 20

cardiagn.com
B9 L6 L 10 L 11
Black White Black White

1 2 3 4 5
1 2 3 4 5 6
1 2 3 4 5 6 7 8 9 10 11 12 1 4
7 8 9 10 11 12 2 3
13 14 15 16 17 18 19 20 21 22 23 24
5 6 7 8 9 10
11 12 13 14 15 16

L 15 L 18
White White

1 2 3 4 5 6 7 8 9 10 11 12 13 14 15 16 17 1 2 3 4 5 6 7 8 9

18 19 20 21 22 23 24 25 26 27 28 29 30 31 32 33 34 35 36 37 38 39 40 10 11 12 13 14 15 16 17 18 19 20 21 22 23 24

L 19 L 21 L 25
White White White

1 2 3 4 5 6 7 8 9 1 2 3 4 5 6 7 8 9 10 1 2 3 4
10 11 12 13 14 15 16 17 18 19 20 21 22 23 24 5 6 7 8

- 13 -
Multiplex Communication System <CAN>

L 31 L 34
White White

1 2 3 4 5 6 7 8 9

10 11 12 13 14 15 16 17 18
16 15 14 13 12 11 10 9

8 7 6 5 4 3 2 1

L 35 L 59
White White

1 2 3 10 11 12 1 2 3 10 11 12
4 5 6 7 8 9 4 5 6 7 8 9
13 14 15 16 17 18 19 20 21 22 23 24 25 26 13 14 15 16 17 18 19 20 21 22 23 24 25 26

cardiagn.com
L 71 L 73 L 77
Black Yellow White

1 2 3 4 5 6 7 8 9 10
1 2 3 4 5 6
1 2 3 4 5 6
11 12 13 14 15 16 17 18 19 20
7 8 9 10 11 12 13 14 15 16
17 18 19 20 21 22 23 24 25 26 27
21 22 23 24 25 26 27 28 29 30
28 29 30 31 32 33 34 35

L 88 L 89 L 90
Black Black White

1 2 3 4 5 6 1 2 3 4 5 6 7 8 9 10 11 12 13
1 2 3 4 5 6
7 8 9 10 11 12 14 15 16 17 18 19 20 21 22 23 24 25 26 27 28 29 30 31 32

7 8 9 10 11 12 13 14 15 16 17
18 19 20 21 22 23 24 25 26

L 95 L 96 L 97
Gray Black Black

1 2 3 4 5 6 7 8 9 10 11 1 2 3 4 5 6 7 8 9 10 11 1 2 3 4 5 6 7 8 9 10 11
12 13 14 15 16 17 18 19 20 21 22 12 13 14 15 16 17 18 19 20 21 22 12 13 14 15 16 17 18 19 20 21 22

- 14 -
Multiplex Communication System <CAN>

L 98 L 99 L134
Gray Black Black

1 2 3 4 5 6 7 8 9 10 11 1 2 3 4 5 6 7 8 9 10 11 1 2 3 4 5 6 7

12 13 14 15 16 17 18 19 20 21 22 12 13 14 15 16 17 18 19 20 21 22 8 9 10 11 12 13 14

N1 N 10 O3
White White White

1 2 5 6 1 2 5 6 1 2 5 6
3 4 3 4 3 4

7 8 9 10 11 12 13 14 15 16 7 8 9 10 11 12 13 14 15 16 7 8 9 10 11 12 13 14 15 16

17 18 19 20 21 22 23 24 17 18 19 20 21 22 23 24 17 18 19 20 21 22 23 24

O 14 R1 R 43 R 46
White Black White White

cardiagn.com
1 2 3
1
1 2 5 6 1 10 4 5 6 7 8
3 4 2 3 4 5 6 7 8 9 2
7 8 9 10 11 12 13 14 15 16 11 12 13 14 15 16 17 18 19 20 21 22

17 18 19 20 21 22 23 24 23 24 25 26 27 28 29 30

R 47 R 48 R 57 R 71
White Black Dark Gray White

1
1 2 3 4 1
1 2 3 4 5 6 7 8 9 10 11
5 6 7 8
2
12 13 14 15 16 17 18 19 20 21 22

S 15 S 43 S 47
White White White

1 2 3 4 5 6 7 8 1 2 3 4
1 2 3 10 11 12
9 10 11 12 13 14 15 16 4 5 6 7 8 9 5 6 7 8

13 14 15 16 17 18 19 20 21 22 23 24 25 26

S 48 S 58 S 59
White Black Black

1 2 3 4 5 6 7 8
1 2 3 4 5 6 7 8 9 10 11 1 2 3 4 5 6 7 8 9 10 11
9 10 11 12 13 14 15 16
12 13 14 15 16 17 18 19 20 21 22 12 13 14 15 16 17 18 19 20 21 22

- 15 -
Multiplex Communication System <CAN>

S 60 S 62
Black White

1 2 3 4 5 6 7 8 9 10 11 1 2 3 4 5 6 7 8 9 10
12 13 14 15 16 17 18 19 20 21 22 11 12 13 14 15 16 17 18 19 20
21 22 23 24 25 26 27 28

e 20 e 46
White White

1 2 3 10 11 12 1 2 3 10 11 12
4 5 6 7 8 9 4 5 6 7 8 9
13 14 15 16 17 18 19 20 21 22 23 24 25 26 13 14 15 16 17 18 19 20 21 22 23 24 25 26

g1 r2

cardiagn.com
White White

1 2 3 4 5 1 2 3 4 5
6 7 8 9 10 11 12 13 14 15 16 6 7 8 9 10 11 12 13 14 15 16

AR1
White

11 10 9 8 7 6 5 4 3 2 1
1 2 3 4 5 6 7 8 9 10 11
22 21 20 19 18 17 16 15 14 13 12
12 13 14 15 16 17 18 19 20 21 22

AS1
White

11 10 9 8 7 6 5 4 3 2 1
1 2 3 4 5 6 7 8 9 10 11
22 21 20 19 18 17 16 15 14 13 12
12 13 14 15 16 17 18 19 20 21 22

- 16 -
Multiplex Communication System <CAN>

AS2
White

1 2 8 9
9 8 2 1
10 11 3 4 5 6 7 17 18
12 13 14 15 16 18 17 7 6 5 4 3 11 10
16 15 14 13 12

BA1
White

9 8 7 6 5 4 3 2 1
1 2 3 4 5 6 7 8 9
18 17 16 15 14 13 12 11 10
10 11 12 13 14 15 16 17 18

cardiagn.com
LA1
White

7 8 9 10 11 12 13 14 15 16 17 18 19 20 21 22
1 2 3 4 5 6
23 24 25 26 27 28 29 30 31 32 33 34 35 36 37 38
39 40 41 42 43 44 22 21 20 19 18 17 16 15 14 13 12 11 10 9 8 7
45 46 47 48 49 50 51 52 53 54 55 56 57 58 59 60 6 5 4 3 2 1
38 37 36 35 34 33 32 31 30 29 28 27 26 25 24 23
60 59 58 57 56 55 54 53 52 51 50 49 48 47 46 45 44 43 42 41 40 39

LA3
White

7 8 9 10 11 12 13 14 15 16 17 18 19 20 21 22
1 2 3 4 5 6
23 24 25 26 27 28 29 30 31 32 33 34 35 36 37 38
39 40 41 42 43 44 22 21 20 19 18 17 16 15 14 13 12 11 10 9 8 7
45 46 47 48 49 50 51 52 53 54 55 56 57 58 59 60 6 5 4 3 2 1
38 37 36 35 34 33 32 31 30 29 28 27 26 25 24 23
60 59 58 57 56 55 54 53 52 51 50 49 48 47 46 45 44 43 42 41 40 39

LR1
White

7 8 9 10 11 12 13 14 15 16 17 18 19 20 21 22
1 2 3 4 5 6
23 24 25 26 27 28 29 30 31 32 33 34 35 36 37 38
39 40 41 42 43 44 22 21 20 19 18 17 16 15 14 13 12 11 10 9 8 7
45 46 47 48 49 50 51 52 53 54 55 56 57 58 59 60 6 5 4 3 2 1
38 37 36 35 34 33 32 31 30 29 28 27 26 25 24 23
60 59 58 57 56 55 54 53 52 51 50 49 48 47 46 45 44 43 42 41 40 39

- 17 -
Multiplex Communication System <CAN>

LS1
White

7 8 9 10 11 12 13 14 15 16 17 18 19 20 21 22
1 2 3 4 5 6
23 24 25 26 27 28 29 30 31 32 33 34 35 36 37 38
39 40 41 42 43 44 22 21 20 19 18 17 16 15 14 13 12 11 10 9 8 7
45 46 47 48 49 50 51 52 53 54 55 56 57 58 59 60 6 5 4 3 2 1
38 37 36 35 34 33 32 31 30 29 28 27 26 25 24 23
60 59 58 57 56 55 54 53 52 51 50 49 48 47 46 45 44 43 42 41 40 39

NR2
White

9 8 7 6 5 4 3 2 1
1 2 3 4 5 6 7 8 9
18 17 16 15 14 13 12 11 10
10 11 12 13 14 15 16 17 18

cardiagn.com
NS2
White

9 8 7 6 5 4 3 2 1
1 2 3 4 5 6 7 8 9
18 17 16 15 14 13 12 11 10
10 11 12 13 14 15 16 17 18

OR1
White

6 5 4 3 2 1

1 2 3 4 5 6 21 20 19 11 10 9 8 7 13 12
7 8 9 10 11 19 18 17 16 15 14
12 13 20 21
14 15 16 17 18

- 18 -
Multiplex Communication System <CAN>

OS1
White

6 5 4 3 2 1

1 2 3 4 5 6 21 20 19 11 10 9 8 7 13 12
7 8 9 10 11 19 18 17 16 15 14
12 13 20 21
14 15 16 17 18

Re2 Se2
White White

1 2 3 4 5 5 4 3 2 1 1 2 3 4 5 5 4 3 2 1

cardiagn.com
6 7 8 9 10 10 9 8 7 6 6 7 8 9 10 10 9 8 7 6

gR1
White

11 10 9 8 7 6 5 4 3 2 1
1 2 3 4 5 6 7 8 9 10 11
22 21 20 19 18 17 16 15 14 13 12
12 13 14 15 16 17 18 19 20 21 22

rS3
White

11 10 9 8 7 6 5 4 3 2 1
1 2 3 4 5 6 7 8 9 10 11
22 21 20 19 18 17 16 15 14 13 12
12 13 14 15 16 17 18 19 20 21 22

rS4
White

1 2 3 4 5 6 7 7 6 5 4 3 2 1

8 9 10 11 12 13 14 14 13 12 11 10 9 8

- 19 -
Parking Assist <Intuitive Parking Assist>

(IG)

10A
P–IG1–1
2 2
Z– Z–

31 PA

Front Clearance
Warning Buzzer

Warning Buzzer
Rear Clearance
V

R21
Z+ Z+
L48
12 4H 1 1

B
12 4M 12 RL2 13 RL2
W
W

W
V

B
B

15 1 2 10 11 5 3
IG CBZ EE BBZ EF CA2L CA2H

cardiagn.com
E BOR SOR E2 BOF SOF E1
17 7 24 18 L19 21 9 19
Clearance Sonar ECU
W–B

G
R

R
B

B
7 LR1 9 LR1 8 LR1 45 LA3 46 LA3 47 LA3
1 4M Z1
No. 1 Ultrasonic Sensor
(Rear Left)
G

G
R

R
B

1 4H 1 4J
3 ZR1 2 ZR1 1 ZR1 BI SI EI 2 AD1 7 AD1 3 AD1
1 3 5
W–B

W–B

BE
G

G
R

R
B

B
L
No. 1 Ultrasonic Sensor

No. 1 Ultrasonic Sensor

No. 1 Ultrasonic Sensor


(Rear Left Center)

51 PA 40 PA 1 3 5 2 4 6 1 3 5
(Front Left Side)

BI SI EI BO SO EO BI SI EI
(Rear Right)

BO SO EO BI SI EI BO SO EO
D1
Z4

Z2

39 PA 2 4 6 1 3 5 2 4 6
W–B

BE

R
P

B
L

BE

P
L

1 3 5 2 4 6
BI SI EI BO SO EO
1 3 5
BI SI EI

Z3
No. 1 Ultrasonic Sensor
(Rear Right Center)
D2
W–B No. 1 Ultrasonic Sensor
(Front Left)

L3 L1

-1-
Parking Assist <Intuitive Parking Assist>

(IG)

R
10A
E/G RM–IG1–1
G

45 LA1 46 LA1
L
7 2A

Junction Connector

G
R

Junction Connector
E52(A), E53(B)
19 A 15 A
11 22
G

A67
13 B 22 B
2 EA4 9 20 10 21
G

G
R

P
W
2
A13(A), E1(C), E3(E)
B PL RB NL Engine Control Module
18 C 14 A 13 A
Position Switch

VC CANH CANL
Park/Neutral

N NE+ NE– N P CA2L CA2H


E49

cardiagn.com
6 9 27 C 34 C 13 E 12 E 17 A 18 A
W

G–R

LG
W

W
P
L

L
Connector

3 A 11 A
Junction

3 1 2
E52(A)

VC NE NE–
4 A 10 A
P
G–R
W

E54 V
Crankshaft Position Sensor
L

LG

D4
No. 1 Ultrasonic Sensor (Front Right Center)

BI SI EI BO SO EO
1 3 5 2 4 6
No. 1 Ultrasonic Sensor
BE

R
P

B
L

No. 1 Ultrasonic Sensor

2 4 6 1 3 5
BO SO EO BI SI EI
(Front Right)
(Front Left Center)

BI SI EI BO SO EO
D6

1 3 5 2 4 6
D3

BE
G

R
B

P
L

2 4 6 1 3 5
BO SO EO BI SI EI

D2 D5
No. 1 Ultrasonic Sensor No. 1 Ultrasonic Sensor
(Front Left) (Front Right Side)

-2-
Parking Assist <Intuitive Parking Assist>

R R

G G

W
B

Junction Connector
A65
Junction Connector 8 19
15 4
Front Speed Sensor Rear Speed Sensor

A66
9 20 10 21 16 5

B
LG
B

P
L

L
16 C 15 C 16 A 15 A 11 A 10 A 11 C 10 C 7 A 6 A 24 LA3 23 LA3

cardiagn.com
FL+ FL– FR+ FR– RL+ RL– RR+ RR– CA2H CA2L

CANL CANH
A19(A), A21(C) 8 C 9 C
Skid Control ECU
P

B
P

LG

-3-
Parking Assist <Intuitive Parking Assist>

(IG) (BAT)

D MPX–B 1
R
5A
D–IG1–1
G

10A
21 DA 36 DA

B
12 5F 5 5F

12 5I 5 5I

B
11 12

Outer Mirror Switch


IG B

Assembly
Clearance Sonar Switch

E CANN CANP

L6

cardiagn.com
1 3 2

W–B

B
G

G
R

Junction Connector

1 5I

Junction Connector
15 4 16 5 21 10
L97

L95
12 1 14 3 1 5F
18 7
W–B

B
G

G
R

57 DA
Junction Connector

18 7
L98

40 DA
21 10
W–B
G

G
R

B
4 B 3 B 6 A 5 A
Main Body ECU

CANL CANH CANL CANH W

G
L11(A)

CANN CANP
L77(B) 15 A 16 A R
A/C Amplifier
B B

W W

L4

-4-
Parking Assist <Intuitive Parking Assist>

(IG) (BAT) (BAT) (BAT)

E/G RM–IG1–2

FR CTRL BAT

FR CTRL ALT
10A ECU–B

20A
30A
10A
28 2C 4 2C 5 2A 4 2A

LG
Y

L
5 A 1 A 1 C 5 C
FMIG FMB3 BATB ALTB
60 LR1 59 LR1
A50(A), A52(C), B14(D)
Front Controller
CANP CANN E TM TME
Junction Connector
W

3 A 4 A 2 A 20 D 19 D
B

15 4

W–B
W
B

L
R48

cardiagn.com
14 3
W

W
B

Ambient Temperature
1
Junction Connector
Junction Connector

11 22 7 5

Sensor
R57

B5
W–B
3 1 2
L95

3 14
A63(A), A64(B)

15 A
W

W
B

Connector
Junction

21 B

21 AR1 20 AR1
W–B
W

B B

W W

G G

R R

A8

-5-
Parking Assist <Intuitive Parking Assist>

(IG) (BAT)

10A 10A
P–J/B D MPX–B 2

30 2C 42 DA

L
1
L136
6 LA1 Junction
Connector
2

P
L
L10
Combination Meter 14 13
IG2 B
TFT Module

cardiagn.com
TFT Panel CPU
TFT Buzzer
CPU

MPX–B

Master
5V IC
I/F

IG2
Back Light
CPU
Body
Earth LED DRIVER
CAN CONTROLLER

Signal
Earth

CAN I/F

CANP CANN CANL CANH ES E2


22 23 21 20 18 17

W–B
BR

Connector
Junction
L100

8
W–B

58 PA 41 DA
B

G 43 PA 40 DA

R
W–B
BR

L1 L4

-6-
Parking Assist <Intuitive Parking Assist>

A 13 A 19
White Black

1 2 3 4 5 6

7 8 9 10 11 12 13 14 15 16 3 4 5 6 7 8 9 10 11 12 13 14 15 16
1 2
17 18 19 20 21 22 23 24 25 26 27 17 18 19 20 21 22 23 24 25 26 27 28 29 30

28 29 30 31 32 33 34 35 31 32
33 34 35 36 37 38 39 40 41 42 43 44 45 46

A 21 A 50
Gray White

1 2
3 4 5 6 7 8 9 10 11 12 13 14 15 16
1 2
17 18 19 20 21 22 23 24 25 26 27 28 29 30 3 4 5 6

cardiagn.com
7 8 9 10
31 32
33 34 35 36 37 38 39 40 41 42 43 44 45 46

A 52 A 63 A 64
White Black Black

1 2 3 4 5 6 1 2 3 4 5 6 7 8 9 10 11 1 2 3 4 5 6 7 8 9 10 11
12 13 14 15 16 17 18 19 20 21 22 12 13 14 15 16 17 18 19 20 21 22
7 8 9 10 11 12 13 14 15 16 17
18 19 20 21 22 23 24 25 26

A 65 A 66 A 67
Gray Black Black

1 2 3 4 5 6 7 8 9 10 11 1 2 3 4 5 6 7 8 9 10 11 1 2 3 4 5 6 7 8 9 10 11
12 13 14 15 16 17 18 19 20 21 22 12 13 14 15 16 17 18 19 20 21 22 12 13 14 15 16 17 18 19 20 21 22

B5 B 14 D1 D2
Black White Black Black

1 2 3 4 5 6 1 2 3 4 5 6
1 2
1 2 5 6
3 4

7 8 9 10 11 12 13 14 15 16

17 18 19 20 21 22 23 24

-7-
Parking Assist <Intuitive Parking Assist>

D3 D4 D5 D6
Black Black Black Black

1 2 3 4 5 6 1 2 3 4 5 6 1 2 3 4 5 6 1 2 3 4 5 6

E1 E3 E 49
White White Gray

1 2 3 4 5 6 7 1 2 3 4 5 6 1 2 3 4

7 8 9 10 11 12 13 14 15 16 5 6 7 8 9
8 9 10 11 12 13 14 15 16 17
17 18 19 20 21 22 23 24 25 26
18 19 20 21 22 23 24 25 26 27
27 28 29 30 31 32 33
28 29 30 31 32 33 34

E 52 E 53 E 54
Black Black Black

cardiagn.com
1 2 3
1 2 3 4 5 6 7 8 9 10 11 1 2 3 4 5 6 7 8 9 10 11
12 13 14 15 16 17 18 19 20 21 22 12 13 14 15 16 17 18 19 20 21 22

L6 L 10 L 11
White Black White

1 2 3 4 5 6
1 2 3 4 5 6 7 8 9 10 11 12 1 4
7 8 9 10 11 12 2 3
13 14 15 16 17 18 19 20 21 22 23 24
5 6 7 8 9 10
11 12 13 14 15 16

L 19 L 48 L 77
White Black White

1 2 3 4 5 6 7 8 9 1 2
1 2 3 4 5 6
10 11 12 13 14 15 16 17 18 19 20 21 22 23 24
7 8 9 10 11 12 13 14 15 16
17 18 19 20 21 22 23 24 25 26 27
28 29 30 31 32 33 34 35

L 95 L 97 L 98
Gray Black Gray

1 2 3 4 5 6 7 8 9 10 11 1 2 3 4 5 6 7 8 9 10 11 1 2 3 4 5 6 7 8 9 10 11
12 13 14 15 16 17 18 19 20 21 22 12 13 14 15 16 17 18 19 20 21 22 12 13 14 15 16 17 18 19 20 21 22

-8-
Parking Assist <Intuitive Parking Assist>

L100 L136 R 21 R 48
Blue Black Black Black

1 2 3 4 5 1 2 3 4
6 7 8 9 10 11 12 1 2

1 2 3 4 5 6 7 8 9 10 11
12 13 14 15 16 17 18 19 20 21 22

R 57 Z1 Z2 Z3
Dark Gray Black Black Black

1 2 3 4 1 2 3 4 5 6 1 2 3 4 5 6 1 2 3 4 5 6

5 6 7 8

Z4 2A
Black Black

1 2 3 4 5
1 2 3 4 5 6

cardiagn.com
6 7 8 9 10 11 12 13

2C 4H
White Gray

1 2 3 4 5 6 7 8 9 10 11 12

1 2 3 4 5 6 7 8 9 10 11 12 13 14 15 16 17 18

19 20 21 22 23 24 25 26 27 28 29 30 31 32 33 34 35 36

4J 4M
Gray White

1 2 3 4 5 6 7 8 9 10 11 12 1 2 3 4 5 6 7 8 9 10 11 12

5F 5I
Gray White

1 2 3 4 5 6 7 8 9 10 11 12 1 2 3 4 5 6 7 8 9 10 11 12

DA
White

7 8 9 10 11 12 13 14 15 16 17 18 19 20 21 22
1 2 3 4 5 6
23 24 25 26 27 28 29 30 31 32 33 34 35 36 37 38
39 40 41 42 43 44 45 46 47 48 49 50 51 52 53 54 55 56 57 58 59 60

-9-
Parking Assist <Intuitive Parking Assist>

PA AD1
White Black

7 8 9 10 11 12 13 14 15 16 17 18 19 20 21 22
1 2 3 4 5 6
23 24 25 26 27 28 29 30 31 32 33 34 35 36 37 38
39 40 41 42 43 44 1 2 3 4 5 5 4 3 2 1
45 46 47 48 49 50 51 52 53 54 55 56 57 58 59 60
6 7 8 9 10 10 9 8 7 6

AR1 EA4
White White

11 10 9 8 7 6 5 4 3 2 1 1 2
1 2 3 4 5 6 7 8 9 10 11
3 4 2 1
22 21 20 19 18 17 16 15 14 13 12
12 13 14 15 16 17 18 19 20 21 22
4 3

LA1

cardiagn.com
White

7 8 9 10 11 12 13 14 15 16 17 18 19 20 21 22
1 2 3 4 5 6
23 24 25 26 27 28 29 30 31 32 33 34 35 36 37 38
39 40 41 42 43 44 22 21 20 19 18 17 16 15 14 13 12 11 10 9 8 7
45 46 47 48 49 50 51 52 53 54 55 56 57 58 59 60 6 5 4 3 2 1
38 37 36 35 34 33 32 31 30 29 28 27 26 25 24 23
60 59 58 57 56 55 54 53 52 51 50 49 48 47 46 45 44 43 42 41 40 39

LA3
White

7 8 9 10 11 12 13 14 15 16 17 18 19 20 21 22
1 2 3 4 5 6
23 24 25 26 27 28 29 30 31 32 33 34 35 36 37 38
39 40 41 42 43 44 22 21 20 19 18 17 16 15 14 13 12 11 10 9 8 7
45 46 47 48 49 50 51 52 53 54 55 56 57 58 59 60 6 5 4 3 2 1
38 37 36 35 34 33 32 31 30 29 28 27 26 25 24 23
60 59 58 57 56 55 54 53 52 51 50 49 48 47 46 45 44 43 42 41 40 39

LR1
White

7 8 9 10 11 12 13 14 15 16 17 18 19 20 21 22
1 2 3 4 5 6
23 24 25 26 27 28 29 30 31 32 33 34 35 36 37 38
39 40 41 42 43 44 22 21 20 19 18 17 16 15 14 13 12 11 10 9 8 7
45 46 47 48 49 50 51 52 53 54 55 56 57 58 59 60 6 5 4 3 2 1
38 37 36 35 34 33 32 31 30 29 28 27 26 25 24 23
60 59 58 57 56 55 54 53 52 51 50 49 48 47 46 45 44 43 42 41 40 39

- 10 -
Parking Assist <Intuitive Parking Assist>

RL2 ZR1
White Gray

1 2 3 3 2 1
11 10 9 8 7 6 5 4 3 2 1
1 2 3 4 5 6 7 8 9 10 11
22 21 20 19 18 17 16 15 14 13 12
12 13 14 15 16 17 18 19 20 21 22

cardiagn.com

- 11 -
Pre-Collision System

(IG) 10A D–IG1–3 (IG)

5A
P–IG1–2

47 DA 12 PJ

(∗1)
(∗1)
L

Junction Connector
(∗1)

(∗1)

(∗1)

(∗1)

(∗1)

(∗1)

(∗1)
BR

BR
R

R
B
L

L
12 3H

R42(A), R44(B)
19 A

12 3C 48 LR1 49 LR1 50 LR1 1 RL6 3 gR1 4 gR1 5 gR1


13 B
(∗1)

(∗1)

(∗1)

(∗1)

(∗1)
(∗1)

BR

LG
R

B
L

(∗1)

(∗1)

(∗1)

(∗1)
BR

R
B

L
20 LX1 9 LX2 7 LX2 8 LX2 1 LX3
15 gR1
(∗1)

(∗1)

(∗1)

(∗1)

(∗1)

(∗1)
BR

Object Recognition Camera


R
V

V
L

cardiagn.com
Junction Connector

12 B 14 B 13 B 1 A 1 A 14 B 13 B 12 B 6 B
X18(B), X19(A)

1 SGND TX RX GVI+ GVI+ TX RX SGND IG


R67(A), g1(B)
X16

Object Recognition ECU


IG GND
2
8 B 9 B GND CA1N CA1P IRFP IRR
10 B 5 B 16 B 11 B 3 B
W–B
(∗1)

(∗1)

(∗1)
B
L

(∗1)

(∗1)
GR
Y
W–B
(∗1)

(∗1)

(∗1)
W

9 A 7 A 9 B 6 gR1 7 gR1
IG IG3 GND5
(∗1)

(∗1)
BR
Y

GND4
X4(A), X6(B) 20 B
Overhead Module 7 AR1 9 AR1
W–B
(∗1)

(∗1)

(∗1)
BR
Y

W–B 2
Connector
Junction

(∗1) 24 BA2 23 BA2


X17

BR
1
(∗1)
(∗1)
Y

10
Connector
Junction

Y
W–B
(∗1)
L100

(∗1)
8
B
25 LX1
W–B

(∗1)
(∗1)

W
W–B
(∗1)

41 DA (∗1)

8
R43
40 DA Junction
Connector
W–B
W–B
(∗1)

(∗1)

L4 R2 R1

-1-
Pre-Collision System

B1
Headlight LH

Light Failure
Near Infrared Projector Indicator Sensor

IRFL IRLY E SOL RFOT E FRIG


6 5 11 4 19 16 10

W–B

W–B
(∗1)

(∗1)

(∗1)

(∗1)

(∗1)

(∗1)

(∗1)
BR
BE
R

Y
L
22 BA2

cardiagn.com
14 BA2 16 BA2

R67(A), g1(B)
Object Recognition ECU

(∗1)

(∗1)
LG
B B
IRDV IRL (∗1)
9 B 7 B
LG
(∗1)
R

(∗1)
(∗1)

(∗1)
LG

SB

BE BE
(∗1) (∗1)
8 gR1 9 gR1
(∗1)
BE
(∗1)

(∗1)
BE

8 AR1 10 AR1 21 BA2


(∗1)

W–B
R

(∗1)

(∗1)
Y

W–B W–B
BE (∗1) (∗1)
(∗1)
BR BR
(∗1) (∗1)

Y Y Y
(∗1) (∗1) (∗1)

B B
(∗1) (∗1)

W W
(∗1) (∗1)

∗ 1 : w/ Object Recognition Camera

-2-
Pre-Collision System

(IG) (IG)

10A 10A
NV IR E/G RM–IG1–2
B11
Headlight RH

Light Failure
20 2C 29 2C Near Infrared Projector Indicator Sensor

E IRLY SOL IRFR E FRIG RFOT


11 5 4 6 16 10 19
(∗1)

(∗1)

(∗1)

(∗1)
B

W–B

W–B
(∗1)

(∗1)

(∗1)

(∗1)

(∗1)

(∗1)

(∗1)

(∗1)

(∗1)
GR

BR

BR
BE
P

Y
2 B 1 B 16 A 17 A
A63(A), A64(B)

A63(A), A64(B)
Connector

Connector
Junction

Junction

cardiagn.com
10 A 18 B

15 BA2 18 BA2
(∗1)

(∗1)
LG
B

(∗1)

(∗1)
B

P
B
(∗1)

LG
(∗1)

BE
(∗1)
W–B
(∗1)

W–B W–B
(∗1) (∗1)

BR
(∗1)

Y
(∗1)

B B
(∗1) (∗1)

W W
(∗1) (∗1)
W–B

W–B
(∗1)

(∗1)

W–B
(∗1)

B1 B2

-3-
Pre-Collision System

(IG) (IG)

5A 5A
D–IG1–1 D–IG1–2

21 DA 24 DH
G

Y
L20
Driver Monitor Camera A33
12 5F 13 Driving Support ECU
B

CB+ CGND CV+ CV– LS


12 5M SGND IGB CA1P CA1N
1 2 4 5 3
26 36 40 39
(Shielded)

W
Y

B
W
G

R
B

11 BA2 10 BA2 59 LA3 60 LA3


1 6 8 22 23 17

cardiagn.com
IG CB+ CGND CV+ CV– LS

W
Y

B
L
L18
Driver Monitor ECU 8 19
Front Center Millimeter
Wave Radar Sensor

2 5
GND CANL CANH

Connector
SGND IGB

Junction
11 24 9

L96
9 20
CA1N CA1P
B9
W
B

3 4

W
B
1 5M
B
L

37 LA3 38 LA3

1 5F

W
B
W–B

11 BA1 10 BA1
B

57 DA

40 DA

B B
(∗1) (∗1)

W W
(∗1) (∗1)

∗ 1 : w/ Object Recognition Camera


W–B

L4

-4-
Pre-Collision System

A33
Driving Support ECU

FCAS GND
6 25

W–B
L

cardiagn.com
22 LA1 11 DH

L
L96
Junction Connector
10 DH
2

Pre–Collision System
ECU

Cancel Switch
10 21 11 22
(∗1)

(∗1)

BR
W

W
B

GND

L27
1

18 LR1 19 LR1
B

A60(A), E51(B)
9 A

Connector
Junction Connector
(∗1)

(∗1)
W

Junction
B

3 3F
R46(A), R71(C)

1 A 2 A 10 B

1 C 2 C 1 3H
W–B
(∗1)

(∗1)

BR
W
B

45 DA
B

B 40 DA
(∗1)

W
W–B

(∗1)
BR

L4 E3

-5-
Pre-Collision System

∗ 1 : w/ Object Recognition Camera


(IG) (BAT)

10A 5A
ECU–IG STOP

27 2C 16 DH

G
R
A33
Driving Support ECU

A61(A), A62(B)
16 A

Connector
Junction
CANN CANP CA1L CA1H CA2L CA2H STP– ST1–
18 19 2 1 17 16 11 34 17 B
W

W
B

G
R
BE
W

G
B

cardiagn.com
5 AS1 4 AS1
3 2

Stop Light
Connector
2 B

Switch
Junction

A35
A62(B)
4 1
W

1 B

L
V

17 6
Connector
Junction
S60

16 5
W

15 DH

60 LS1 59 LS1

12 DH 13 DH

B
W

BE

15 4
Connector
Junction

B
L95

14 3
W

-6-
Pre-Collision System

(BAT) (BAT)

50A 50A
ABS MTR1 ABS MTR2

2 2

3 2B

Skid Control Buzzer


1
3 3

Buzzer
ABS MTR

5 1

ABS MTR2 Relay

L2
Relay

B
3 2

1 2B 13 2G 14 2G 11 2G 19 2C 3 3 41 LA1 40 LA1

cardiagn.com
W–B

W–B
GR

GR
P

B
L
Connector

19 B 36 C 22 A 41 A
BE

Junction
B

A64(B)

MR2 BZ VBZ

21 B
R2– MR1 R1– STP
37 C 35 A 36 A 25 C A19(A), A20(B), A21(C)
Skid Control ECU
W–B

GR

BE
P

B B

W W

B B

W W

B B

W W

A8

-7-
Pre-Collision System

A27
Brake Actuator

PCK1 PCK2 SMC1 BS1 SMC2 BS2 FRA+ FRA– FRR+ FRR– FLA+ FLA– FLR+ FLR–
37 42 20 19 6 7 8 5 22 21 13 14 27 28
GR

BR
LG

LG
W
G

Y
L

cardiagn.com
9 A 7 C 5 A 32 A 6 C 32 C 17 A 18 A 4 A 3 A 17 C 18 C 4 C 3 C
PCK1 PCK2 SMC1 BS01 SMC2 BS02 FRA+ FRA– FRR+ FRR– FLA+ FLA– FLR+ FLR–

MTT VCSK SKG SKS SKS2


37 A 5 B 4 B 3 B 1 B A19(A), A20(B), A21(C)
Skid Control ECU
L

A23(A), A24(B)
(Shielded)

1 A Brake Accumulator Pump


W
G

MTT
BR

BR

M
21 DH
A60(A), E51(B)

3 1 4 2 10 B
Connector

VCSK SKG SKS1 SKS2


Junction

BM2 BM1 GND1 GND2


2 B 2 A 4 A 1 B 10 DH 9 A

L
W–B

W–B

A34
Brake Stroke Sensor
B BR

B B

W W

B B

W W

B B

W W

W–B
BR

A3 A4 E3

-8-
Pre-Collision System

A27
Brake Actuator

RRA+ RRA– RRR+ RRR– RLA+ RLA– RLR+ RLR– VCM PAC1 PMC1 PFR PRL E
12 11 26 25 10 9 24 23 35 46 38 34 36 45
BR

BE
LG

G
R
Y

cardiagn.com
20 C 21 C 34 C 33 C 19 A 20 A 34 A 33 A 27 A 26 A 14 A 44 A 42 A 28 A
RRA+ RRA– RRR+ RRR– RLA+ RLA– RLR+ RLR– VCM PAC1 PMC1 PFR PRL E

FL+ FL– FR+ FR– RL+ RL– RR+ RR–


16 C 15 C 16 A 15 A A19(A), A20(B), A21(C) 11 A 10 A 11 C 10 C
Skid Control ECU
B

Y
L

Front Speed Sensor Rear Speed Sensor

B B

W W

B B

W W

B B

W W

-9-
Pre-Collision System

A27 V
Brake Actuator

G
R
45 LA1 46 LA1

G
R
VCM2 PMC2 PFL PRR E2 A67
Junction Connector 11 22
40 43 39 41 44

10 21 9 20
W
G
R
B

cardiagn.com
G
R
V

Engine Control Module


28 C 14 C 45 C 43 C 44 C 6 A 7 A 9 C 8 C 14 A 13 A
VCM2 PMC2 PFL PRR E2 CA2L CA2H CANH CANL CANH CANL

A13(A)
CA1L CA1H CA2L CA2H
A19(A), A20(B), A21(C) 29 C 30 C 17 A 18 A
Skid Control ECU
LG

LG
B

L L

LG

LG

B B

W W

B B

W W

B B

W W

- 10 -
Pre-Collision System

R R

G G

P B

V W

W
B
48 LA1 49 LA1
V

W
B

B
A67
9 20 8 19 Junction Connector 1 12
Connector
Junction

cardiagn.com
A65

10 21 11 22 2 13 4 15
LG

LG
W

W
B

B
L

LG

LG

B B

W W

- 11 -
Pre-Collision System

R R

G G

B B

W W

B B

W W

W
T1 T2
Rear Suspension Rear Suspension
Control Actuator LH 3 Control Actuator RH
E RR

E RL RAL+ RAL– RBL+ RBL– RAR+ RAR– RBR+ RBR–


3 2 5 1 4 2 5 1 4
W–B

W–B

LG

LG

W
G

G
Y

B
3 TR1 3 TS1 4 TS1 1 TS1 5 TS1 2 TS1 4 TR1 1 TR1 5 TR1 2 TR1 3 AR1 4 AR1

cardiagn.com
BR
BE
G
L

7 RS3 8 RS3 6 RS3 9 RS3


BR
BE

LG

W
G

G
Y

B
L

Air Suspension Control ECU


A39(A), L88(B), R1(C)
6 C 7 C 8 C 20 C 13 C 3 C 4 C 5 C 22 C 21 C
RAL+ RAL– RBL+ RBL– RAR+ RAR– RBR+ RBR– CA2H CA2L

FAR+ FAR– FBR+ FBR– FAL+ FAL– FBL+ FBL– CANL CANH
9 A 11 A 3 A 4 A 13 A 14 A 15 A 16 A 8 B 7 B
BE

BE
LG

W
R

B
L

2 5 1 4 2 5 1 4
FAR+ FAR– FBR+ FBR– FAL+ FAL– FBL+ FBL–

E FR E FL
3 A45 3 A15
Front Suspension Front Suspension
W–B

W–B

Control Actuator RH Control Actuator LH

19 A 22 A
A63(A), A64(B) A61(A), A62(B) B
Junction Junction
Connector Connector
W–B

W–B

W
12 B 12 B
B B

W W

2 1
Connector

Connector

A70
Junction

Junction

W–B

W–B 6
Junction
R41

S54

Connector

R1 S1 A8 A2

- 12 -
Pre-Collision System

R R

G G

B B

W W

B B

W W

W
W

W
B

Junction Connector
14 3 15 4 3 14

L99

cardiagn.com
13 2 A66 5 16 1 12
Junction Connector

W
B

B
39 LA3 40 LA3
W

W
A41(A), A42(B), A43(C) B
9 B 4 B Steering Control ECU 9 A 20 A
CAN– CAN+ CA1H CA1L

BMU BMV BMW SG RV S1 S2 RG LV LG SG2+


2 C 1 C 3 C 6 C 6 A 4 A 14 A 15 A 3 A 12 A 16 A
BR
(Shielded)

(Shielded)
W

G
R
B

Y
L

3 Ax2 2 Ax2 1 Ax2 1 Ax1 2 Ax1 6 Ax1 7 Ax1 4 Ax1 10 Ax1


BR
W

W
G
R

3 A 2 A 1 A 1 B 2 B 6 B 7 B 4 B 10 B
U V W RV S1 S2 RG LV LG

x1(A), x2(B)
VGRS Actuator
B

B B

W W

- 13 -
Pre-Collision System

R R

G G

(BAT) (IG)
55 LS1 54 LS1 37 LS1 38 LS1

30A 5A
PSB RR–IG1–1
W

W
B

B
12 1 2 13

4 LA 22 LA

cardiagn.com
14 3 S58
Junction Connector
W
G
B

7 A 8 B 2 B 1 B
+B IG1 CANL CANH
S45(A), S47(B)
Seat Belt Control ECU

MOL+ MOL– MOR+ MOR– PGND


3 A 4 A 2 A 1 A 8 A
W–B
G
R

W
B

21 10 22 B
11
W

2 RS4 4 RS4
Connector
Junction
L97

19 8 20 9
G
R

W
R

9 10 2 3
CA1L CA1H CA1L CA1H

1 2 1 2
M M

S4 R2 L21 L71
Front Pre–Collision Front Pre–Collision Steering Angle Yaw Rate Sensor
Seat Belt Motor LH Seat Belt Motor RH Sensor

B B

W W

4
S54
Junction
Connector

S1

- 14 -
Pre-Collision System

G e13
Front Seat Inner Belt Switch RH

Buckle Switch

RBE+ RBE–
1 2

Y
13 14

Detection ECU
BSW BGND

Occupant
FSR+ FSR–

e10
11 12

B
2 Re3 3 Re3

cardiagn.com
W

B
L59(D)

L73(A), R5(B), S8(C)


Center Airbag ECU
Display & Navigation
Module Display 16 B 22 B
FSR+ FSR–

CANL CANH CANL CANH LBE+


22 D 21 D 22 A 13 A 10 C
G

G
R

W–B

20 9 19 8 1 3
LBE+ LBE–
Buckle
Switch

18 7 L98
Junction Connector
G

G
R

L97 S17
15 4 12 1 Junction Connector Front Seat Inner
Belt Switch LH

14 3 13 2 16 5
G

G
R

6 A 5 A 14 6
Main Body ECU

CANL CANH CANL CANH


L11(A)

CANP CANN
16 A 15 A L31
DLC3
W–B

R
B
G
W

5
Connector
Junction
S57

S2

- 15 -
Pre-Collision System

(IG) (BAT)

10A 10A
P–J/B D MPX–B 2

30 2C 42 DA

L
1
L136
6 LA1 Junction
Connector
2

P
L
L10
Combination Meter 14 13
IG2 B
TFT Module

cardiagn.com
TFT Panel CPU
TFT Buzzer
CPU

MPX–B
5V IC
I/F

Master

PCS
IG2
Back Light
CPU
Body
Earth LED DRIVER
CAN CONTROLLER

Signal
Earth

CAN I/F

CANH CANL ES E2
20 21 18 17
W–B

6 Connector
BR

Junction
G
R

L100

8
W–B

58 PA 41 DA

43 PA 40 DA
W–B
BR

L1 L4

- 16 -
Pre-Collision System

A 13 A 15
White Black

1 2 3 4 5
1 2 3 4 5 6

7 8 9 10 11 12 13 14 15 16
17 18 19 20 21 22 23 24 25 26 27
28 29 30 31 32 33 34 35

A 19 A 20
Black Black

1 2 3 4 5

3 4 5 6 7 8 9 10 11 12 13 14 15 16
1 2
17 18 19 20 21 22 23 24 25 26 27 28 29 30

31 32
33 34 35 36 37 38 39 40 41 42 43 44 45 46

cardiagn.com
A 21 A 23 A 24
Gray Black Black

1 2

3 4 1 2
3 4 5 6 7 8 9 10 11 12 13 14 15 16
1 2
17 18 19 20 21 22 23 24 25 26 27 28 29 30

31 32
33 34 35 36 37 38 39 40 41 42 43 44 45 46

A 27
Black

3 4 5 6 7 8 9 10 11 12 13 14 15 16
1 2
17 18 19 20 21 22 23 24 25 26 27 28 29 30

31 32
33 34 35 36 37 38 39 40 41 42 43 44 45 46

- 17 -
Pre-Collision System

A 33 A 34 A 35
White Black Green

1 2 3 4
1 2 3 4 5 6 7 8 9 10 11 12 13 14 15 16 17 1 2
3 4
18 19 20 21 22 23 24 25 26 27 28 29 30 31 32 33 34 35 36 37 38 39 40

A 39 A 41 A 42
Black White White

1 2 3 4
5 6 7 8 9 10
1 2 3 4 5 6 7 8 9 10
1 2 5 6
3 4 11 12 13 14 15 16 17 18 19 20
7 8 9 10 11 12 13 14 15 16
17 18 19 20 21 22 23 24

A 43 A 45 A 60 A 61
White Black Blue Black

cardiagn.com
1 2
1 2 3 4 5 1 2 3 4 5 6
3 8 1 2 3 4 5 6 7 8 9 10 11
4 5 6 7 7 8 9 10 11 12
12 13 14 15 16 17 18 19 20 21 22

A 62 A 63 A 64
Blue Black Black

1 2 3 4 5 6 7 8 9 10 11 1 2 3 4 5 6 7 8 9 10 11 1 2 3 4 5 6 7 8 9 10 11
12 13 14 15 16 17 18 19 20 21 22 12 13 14 15 16 17 18 19 20 21 22 12 13 14 15 16 17 18 19 20 21 22

A 65 A 66 A 67
Gray Black Black

1 2 3 4 5 6 7 8 9 10 11 1 2 3 4 5 6 7 8 9 10 11 1 2 3 4 5 6 7 8 9 10 11
12 13 14 15 16 17 18 19 20 21 22 12 13 14 15 16 17 18 19 20 21 22 12 13 14 15 16 17 18 19 20 21 22

A 70 B1 B9
Gray Black Black

1 2 3 1 2 3 4 5
4 5 6
3 4 5 6 7 8 9
1 2
10 11 12 13 14 15
16 17
18 19 20 21 22 23 24

- 18 -
Pre-Collision System

B 11 E 51 L2
Black Blue Blue

1 2 3 4 5 6 1 2

3 4 5 6 7 8 9 7 8 9 10 11 12
1 2
10 11 12 13 14 15
16 17
18 19 20 21 22 23 24

L 10 L 11 L 18
Black White White

1 2 3 4 5 6 7 8 9
1 2 3 4 5 6 7 8 9 10 11 12 1 4
2 3 10 11 12 13 14 15 16 17 18 19 20 21 22 23 24
13 14 15 16 17 18 19 20 21 22 23 24
5 6 7 8 9 10
11 12 13 14 15 16

cardiagn.com
L 20 L 21 L 27
White White Gray

1 2 3 4 5 6 7 8 9 10 1 2
1 2 3 4 5

L 31 L 59
White White

1 2 3 10 11 12
16 15 14 13 12 11 10 9 4 5 6 7 8 9
13 14 15 16 17 18 19 20 21 22 23 24 25 26
8 7 6 5 4 3 2 1

L 71 L 73 L 88
Black Yellow Black

1 2 3 4 5 6 7 8 9 10
1 2 3 4 5 6
1 2 3 4 5 6
11 12 13 14 15 16 17 18 19 20

7 8 9 10 11 12 13 14 15 16 17
21 22 23 24 25 26 27 28 29 30
18 19 20 21 22 23 24 25 26

- 19 -
Pre-Collision System

L 95 L 96 L 97
Gray Black Black

1 2 3 4 5 6 7 8 9 10 11 1 2 3 4 5 6 7 8 9 10 11 1 2 3 4 5 6 7 8 9 10 11
12 13 14 15 16 17 18 19 20 21 22 12 13 14 15 16 17 18 19 20 21 22 12 13 14 15 16 17 18 19 20 21 22

L 98 L 99 L100 L136
Gray Black Blue Black

1 2 3 4 5 1 2 3 4
6 7 8 9 10 11 12

1 2 3 4 5 6 7 8 9 10 11 1 2 3 4 5 6 7 8 9 10 11
12 13 14 15 16 17 18 19 20 21 22 12 13 14 15 16 17 18 19 20 21 22

R1 R2 R5 R 41
Black White Yellow White

1 2 3 4 5 6 7 8
1 2 3

cardiagn.com
1 2
1 10 4 5 6 7 8
2 3 4 5 6 7 8 9 9 10 11 12 13 14 15 16

11 12 13 14 15 16 17 18 19 20 21 22
17 18 19 20 21 22 23 24
23 24 25 26 27 28 29 30

R 42 R 43 R 44 R 46
Black White Black White

1 2 3
1
1 2 3 4 5 6 7 8 9 10 11 4 5 6 7 8 1 2 3 4 5 6 7 8 9 10 11
2
12 13 14 15 16 17 18 19 20 21 22 12 13 14 15 16 17 18 19 20 21 22

R 67 R 71 S4 S8 S 17
Blue White White Yellow Gray

1 2 3 4 5 6 7 8
1
1 1 2 1 2
3 4
9 10 11 12 13 14 15 16
2

17 18 19 20 21 22 23 24

S 45 S 47 S 54 S 57
White White White White

1 2 3 4 1 2 3 1 2 3

5 6 7 8 9 10 1 2 3 4 4 5 6 7 8 4 5 6 7 8
5 6 7 8

- 20 -
Pre-Collision System

S 58 S 60 T1
Black Black Black

1 2 3 4 5
1 2 3 4 5 6 7 8 9 10 11 1 2 3 4 5 6 7 8 9 10 11
12 13 14 15 16 17 18 19 20 21 22 12 13 14 15 16 17 18 19 20 21 22

T2 X4 X6
Black White White

1 2 3 4 5
1 2 3 4 5 6 7 8 9 10 11 12 13 14 15 16 1 2 3 4 5 6 7 8 9 10

17 18 19 20 21 22 23 24 25 26 27 28 29 30 31 32 11 12 13 14 15 16 17 18 19 20

X 16 X 17 X 18 X 19
Black Black White White

1 2 3 4 1 2 3 4

cardiagn.com
1
1 2 3 4 5 6 7
8 9 10 11 12 13 14

e 10 e 13 g1
Black White White

2 1

1 2 3 4 5
6 7 8 9 10 11 12 13 14 15 16
1 2 3 4 5 6 7 8 9
10 11 12 13 14 15 16 17 18

x1 x2 2B
Gray White Black

1 2 3 4 5
6 7 8 9 10 1 2
1 2 3
3 4

2C 2G
White Black

1 2 3 4 5 6 7
1 2 3 4 5 6 7 8 9 10 11 12 13 14 15 16 17 18
8 9 10 11 12 13 14
19 20 21 22 23 24 25 26 27 28 29 30 31 32 33 34 35 36

- 21 -
Pre-Collision System

3C 3F
White Gray

1 2 3 4 5 6 7 8 9 10 11 12 1 2 3 4 5 6 7 8 9 10 11 12

3H 5F
Gray Gray

1 2 3 4 5 6 7 8 9 10 11 12 1 2 3 4 5 6 7 8 9 10 11 12

5M DA
White White

1 2 3 4 5 6 7 8 9 10 11 12

7 8 9 10 11 12 13 14 15 16 17 18 19 20 21 22
1 2 3 4 5 6
23 24 25 26 27 28 29 30 31 32 33 34 35 36 37 38
39 40 41 42 43 44 45 46 47 48 49 50 51 52 53 54 55 56 57 58 59 60

DH LA
Gray White

cardiagn.com
7 8 9 10 11 12 13 14 15 16 17 18 19 20 21 22
1 2 3 4 5 6
1 2 5 6 23 24 25 26 27 28 29 30 31 32 33 34 35 36 37 38
3 4 39 40 41 42 43 44 45 46 47 48 49 50 51 52 53 54 55 56 57 58 59 60
7 8 9 10 11 12 13 14 15 16

17 18 19 20 21 22 23 24

PA
White

7 8 9 10 11 12 13 14 15 16 17 18 19 20 21 22
1 2 3 4 5 6
23 24 25 26 27 28 29 30 31 32 33 34 35 36 37 38
39 40 41 42 43 44 45 46 47 48 49 50 51 52 53 54 55 56 57 58 59 60

PJ
Gray

7 8 9 10 11 12
1 2 3 4 5 6
13 14 15 16 17 18
19 20 21 22 23 24 25 26 27 28 29 30

AR1
White

11 10 9 8 7 6 5 4 3 2 1
1 2 3 4 5 6 7 8 9 10 11
22 21 20 19 18 17 16 15 14 13 12
12 13 14 15 16 17 18 19 20 21 22

- 22 -
Pre-Collision System

AS1
White

11 10 9 8 7 6 5 4 3 2 1
1 2 3 4 5 6 7 8 9 10 11
22 21 20 19 18 17 16 15 14 13 12
12 13 14 15 16 17 18 19 20 21 22

Ax1 Ax2
Black Gray

1 2 3 4 5 5 4 3 2 1
6 7 8 9 10 3 2 1
10 9 8 7 6 1 2 3

BA1

cardiagn.com
White

9 8 7 6 5 4 3 2 1
1 2 3 4 5 6 7 8 9
18 17 16 15 14 13 12 11 10
10 11 12 13 14 15 16 17 18

BA2
Gray

9 8 7 6 5 4 3 2 1
1 2 3 4 5 6 7 8 9
25 16 15 14 13 12 11 10 17
17 10 11 12 13 14 15 16 25 24 23 22 21 20 19 18
18 19 20 21 22 23 24

LA1
White

7 8 9 10 11 12 13 14 15 16 17 18 19 20 21 22
1 2 3 4 5 6
23 24 25 26 27 28 29 30 31 32 33 34 35 36 37 38
39 40 41 42 43 44 22 21 20 19 18 17 16 15 14 13 12 11 10 9 8 7
45 46 47 48 49 50 51 52 53 54 55 56 57 58 59 60 6 5 4 3 2 1
38 37 36 35 34 33 32 31 30 29 28 27 26 25 24 23
60 59 58 57 56 55 54 53 52 51 50 49 48 47 46 45 44 43 42 41 40 39

- 23 -
Pre-Collision System

LA3
White

7 8 9 10 11 12 13 14 15 16 17 18 19 20 21 22
1 2 3 4 5 6
23 24 25 26 27 28 29 30 31 32 33 34 35 36 37 38
39 40 41 42 43 44 22 21 20 19 18 17 16 15 14 13 12 11 10 9 8 7
45 46 47 48 49 50 51 52 53 54 55 56 57 58 59 60 6 5 4 3 2 1
38 37 36 35 34 33 32 31 30 29 28 27 26 25 24 23
60 59 58 57 56 55 54 53 52 51 50 49 48 47 46 45 44 43 42 41 40 39

LR1
White

7 8 9 10 11 12 13 14 15 16 17 18 19 20 21 22
1 2 3 4 5 6
23 24 25 26 27 28 29 30 31 32 33 34 35 36 37 38
39 40 41 42 43 44 22 21 20 19 18 17 16 15 14 13 12 11 10 9 8 7
45 46 47 48 49 50 51 52 53 54 55 56 57 58 59 60 6 5 4 3 2 1
38 37 36 35 34 33 32 31 30 29 28 27 26 25 24 23
60 59 58 57 56 55 54 53 52 51 50 49 48 47 46 45 44 43 42 41 40 39

cardiagn.com
LS1
White

7 8 9 10 11 12 13 14 15 16 17 18 19 20 21 22
1 2 3 4 5 6
23 24 25 26 27 28 29 30 31 32 33 34 35 36 37 38
39 40 41 42 43 44 22 21 20 19 18 17 16 15 14 13 12 11 10 9 8 7
45 46 47 48 49 50 51 52 53 54 55 56 57 58 59 60 6 5 4 3 2 1
38 37 36 35 34 33 32 31 30 29 28 27 26 25 24 23
60 59 58 57 56 55 54 53 52 51 50 49 48 47 46 45 44 43 42 41 40 39

LX1
White

9 8 7 6 5 4 3 2 1
1 2 3 4 5 6 7 8 9
25 16 15 14 13 12 11 10 17
17 10 11 12 13 14 15 16 25 24 23 22 21 20 19 18
18 19 20 21 22 23 24

LX2 LX3
White Blue

1
1
9 8 7 6 5 4 3 2 1
1 2 3 4 5 6 7 8 9
18 17 16 15 14 13 12 11 10
10 11 12 13 14 15 16 17 18

- 24 -
Pre-Collision System

RL6 RS3 RS4


Blue White Dark Gray

2 1
1 1 2
1 4 3
1 2 3 4 5 5 4 3 2 1 3 4

6 7 8 9 10 10 9 8 7 6

Re3 TR1
Gray Blue

1 2 2 1
4 3 1 2 3 4 5 5 4 3 2 1
3 4

cardiagn.com
TS1 gR1
Blue White

1 2 3 4 5 5 4 3 2 1 11 10 9 8 7 6 5 4 3 2 1
1 2 3 4 5 6 7 8 9 10 11
22 21 20 19 18 17 16 15 14 13 12
12 13 14 15 16 17 18 19 20 21 22

- 25 -
Power Outlet <12V>

(ACC) (ACC)

15A 15A
RR–CIG PWR OUTLET ∗ 1 : w/ Ottoman
∗ 2 : 5–Seater

23 LD 6 DA
(∗1 ∗2)
P

10 US1

P
(∗1 ∗2)
P
Rear Power Outlet Socket (12V)

Power Outlet Socket (12V)

1 1

cardiagn.com
ACC B

E E
L72
U4

2 2
(∗1 ∗2)
W–B

W–B

1 A
L109(A), L110(B)
20 US1 Short Connector
(Cigarette Lighter)
1 B
(∗1 ∗2)
W–B

W–B

2
S54
Junction
Connector

S1 L2

-1-
Power Outlet <12V>

L 72 L109 L110 S 54 U4
Gray White White White White

2 1 1 1 2 3
1
4 5 6 7 8 1 2

DA
White

7 8 9 10 11 12 13 14 15 16 17 18 19 20 21 22
1 2 3 4 5 6
23 24 25 26 27 28 29 30 31 32 33 34 35 36 37 38
39 40 41 42 43 44 45 46 47 48 49 50 51 52 53 54 55 56 57 58 59 60

LD US1
Gray White

7 8 9 10 11 12
1 2 3 4 5 6

cardiagn.com
13 14 15 16 17 18
19 20 21 22 23 24 25 26 27 28 29 30 5 4 3 2 1
1 2 3 4 5
8 7 6
6 7 8 13 9
9 13 12 11 10
10 11 12

-2-
Power Outlet <115V>

(IG) (BAT)

10A 50A
RR–IG1–2 LUG–J/B ALT
∗ 1 : 4–Seater
∗ 2 : 5–Seater
∗ 3 : w/ Ottoman
∗ 4 : w/o Ottoman
23 LA 4 1D

W
3 AS4

W
V

27 LD 1 LG

cardiagn.com
INV
Relay

15A
AC100/120V

43 LA 6 LA
W–B

SB

1
IG

S68
Voltage Inverter

GND AC1 AC2


4 3 7
W
(∗2 ∗3)

P
(∗2 ∗3)
(∗1, ∗2 ∗4)

(∗1, ∗2 ∗4)

1 US1 9 US1
W–B

W
P

(∗2 ∗3)

(∗2 ∗3)
GR

4 1 2 1
ACC1 ACC2 ACC1 ACC2

7
S54
Junction
Connector S66 U3
Power Outlet Socket (115V) Power Outlet Socket (115V)
S1 S3

-1-
Power Outlet <115V>

S 54 S 66 S 68 U3 1D
White Black White Black White

1 2 3
1 2 3 4 5 6 7 8
1 2 3 4 1 2 3 4
4 5 6 7 8 1 2

3 4

LA
White

7 8 9 10 11 12 13 14 15 16 17 18 19 20 21 22
1 2 3 4 5 6
23 24 25 26 27 28 29 30 31 32 33 34 35 36 37 38
39 40 41 42 43 44 45 46 47 48 49 50 51 52 53 54 55 56 57 58 59 60

LD LG AS4
Gray White White

7 8 9 10 11 12

cardiagn.com
1 2 3 4 5 6
13 14 15 16 17 18 1
19 20 21 22 23 24 25 26 27 28 29 30 3 2 1
1 2 3

US1
White

5 4 3 2 1
1 2 3 4 5
8 7 6
6 7 8 13 9
9 13 12 11 10
10 11 12

-2-
Power Source

R(∗2)

W(∗1)

80A D–J/B ALT 50A PTC HTR 2 25A PTC HTR 1


1 2
B B 1 2 Y
1G 1A 1

60A P–J/B ALT 60A PTC HTR 25A PTC HTR 3


1 1
B B 1 2 L
1J 1F 1 1

50A LUG–J/B ALT 80A E/G RM1


4 1
W(∗1) W W
1D 1H
R(∗2)
40A DEFOG 30A H–LP CLN 25A EFI MAIN2
3 1
R B 1 2 R
1B 1A 2

cardiagn.com
50A HTR 40A EFI NO. 1 25A EFI MAIN
3 2
R R 1 2 B
1C 1E 2 2

40A AIR SUS 30A BAT VB 5A VSSR


4 2
W B 1 2 BE
1C 1B 1 1

30A RR A/C 30A E/G RM B2 30A D/C CUT2


3 1
L Y 1 2 R
1D 1E 2 2

80A FAN NO. 1 80A EPS 5A ECU–B2


1 1
B B 1 2 BE
1I 1M 2

40A VGRS 10A ABS MAIN3


1 1
B–L L 1 2 BE
1O 1C 2

40A NOISE FILTER 40A P–J/B B


4 2
L L L
1B 1C

40A D–J/B B
2
180A ALT

2 Y Y
1D
(Ghost Buster)

+B
Noise Filter

40A LUG J/B B


E
A72

1
B B
1 1D

1 1N 80A EFI
1
B

B B
W–B

1L

80A E/G RM B
Battery

1
W W
1K

A8

-1-
Power Source

R(∗2) R(∗2)

3
W(∗1) W(∗1) W
AS4
B B

B B

W
∗ 1 : w/ Pre–Collision System
∗ 2 : w/o Pre–Collision System W

W W

EFI MAIN2 10A EFI


Relay
R 5 3 B 1 2 B
2 2 2 2

cardiagn.com
1 2 10A EFI–B

1 2 L
2

6 10A P MPX–B
PK
42 44
R R
PA LS1
5A AM2 19
W
R PA
20A RADIO NO. 1 28
W
PA
5A PMG
30A AMP
5A P–D/C CUT 1 2

10A P DOOR 2
5A STOP
25A P RR DOOR
25A D DOOR 1
25A P DOOR 1
25A D RR DOOR

30A AMP 10A HAZ


1 30A E–PKB
L 1 2
PM 10A D DOOR 2 1 2

20A STR LOCK


5A TAIL
1 5A SECURITY
Y Y
DG 10A STOP LP 2

10A STOP LP 1

2 1 10A ABS MAIN 4


B B B
AS4 LH

B B

W W

-2-
Power Source

W W

B B

B B

R R

W W

W W

20A FR CTRL ALT

50A ABS MTR1 25A DEICER


1 2

1 10A NV IR
W
2F
5 3 10A E/G RM–IG1–1

FR FOG Relay 10A E/G RM–IG1–2


15A FR FOG 1 2
30A WIP

cardiagn.com
IG1 Relay 5
V
2C

40A VVT

1 2

10A IGN
10A ETCS
H–LP LO RH 10A INJ
Relay
15A H–LP RL 10A ABS MAIN1
10A ECU–IG 25
G
IG2 Relay 2C
5 3 10A P–J/B

1 2
H–LP LO LH
Relay
15A H–LP LL 8
P
2C

11
W–B
2G

19
W–B
2C
A/F Relay
10A H–LP LVL 15A A/F

30A FR CTRL BAT

10A EPS ECU

10A ABS MAIN2 INJ1 Relay


25A EDU1

30A ST

1 2

50A ABS MTR2 INJ2 Relay


1 25A EDU2
B
2E 1 2

10A ECU–B

2 30A D/C CUT1 35


W G
2E 2C

-3-
Power Source

W W

B B

B B

R R

W L12(B), L13(C)
Main Body ECU

6 22 7 7
W G G G
C AM1 ACCD C 4E 4F

1 3 8 8
W V V
B AM2 IG1D C 4E 4F

11 P
IG2D B

16 L
SSW2 C

17 W
SSW1 C

cardiagn.com
V

7 2
SS1 SS2

SS1 SS2 GND

5A P RR–IG2 Free

1 5A P IG2 Full
G Traveling
PK
GND
L36 5
Power Switch
W

V
9
P P
LA3

W–B
W

W–B
2 4E

1 4J 1 4H
W–B

W–B

19 B
A64(B)
Junction 40 PA 51 PA
Connector
21 B

39 PA
10A D MPX–B 2
W–B

W–B

W–B

10A DOME
W–B
6 10A D MPX–B 1
G
DH

A8 L1 L3

-4-
Power Source

W W

B B

B V

R
1 DF 25 DD

D–ACC Relay
5A D–ACC

15A PWR OUTLET


19
G G
DA

35
P
DA

30A D RR S/HTR

30A D P/SEAT

10A D RR SEAT

cardiagn.com
5A AM1

30A TI&TE

30A S/ROOF

20A D S/HTR

PANEL Relay
10A PANEL

5A D–IG1–1

32 15A D–IG1–4
V V
DA
5A D–IG1–2
D–IG1 Relay
10A D–IG1–3 23
L
DD

54
V
DA

40 DA

V V

R
W–B

L4

-5-
Power Source

W
B

1 PL 1 LG

30A P RR S/HTR 10A OBD

30A P P/SEAT 1 15A FUEL OPN

30A RR SEAT 30A PTL

10A P RR SEAT 30A PSB

20A P S/HTR 10A RR S/SHADE

cardiagn.com
10A A/C 10A B/ANC

30A RL SEAT
P–ACC Relay
5A P–ACC
RR–ACC Relay
15A P–CIG 15A RR–CIG
13
PA 5A RR–ACC
V

2
AIR SUS Relay LD
20A AIR SUS
INV Relay
15A AC100/120V

L 10A P–IG1–4

10A P–IG1–1
RR–IG1 Relay
5A P–IG1–3 5A RR–IG1–1
P–IG1 Relay
5A P–IG1–2 10A RR–IG1–2
24
LD 10A RR–IG1–4
15
V
PA 10A RR–IG1–3
L

10
V
PK
39 PA

P
5A RR MPX–B 2

4 10A RR MPX–B 1
R R
LD
43 LA
W–B
W–B

7
S54
Junction
Connector

L3 S1

-6-
Power Source

A 64 A 72 L 12
Black Gray White

1 2 3 4 5 6 7 8 9 10 11 1 2 1 2 3 4 5 6 7 8 9 10
12 13 14 15 16 17 18 19 20 21 22 11 12 13 14 15 16 17 18 19 20
21 22 23 24 25 26 27 28

L 13 L 36 S 54 1A
White Black White White

1 2 3
1 2
1 2 3 4 5 6 1 2 3 4 5 6 7 4 5 6 7 8
8 9 10 11 12 13 14
7 8 9 10 11 12 13 14 15 16 17
18 19 20 21 22 23 24 25 26

cardiagn.com
1B 1C 1D 1E 1F
White White White Gray

1
1 2
1 2 1 2 1 2

3 4 3 4 3 4

1G 1H 1I 1J 1K

1 1 1 1 1

1L 1M 1N 1O

1 1 1 1

2C 2E 2F
White Black Black

1 2 3 4 5 6 7 8 9 10 11 12 13 14 15 16 17 18 1 2
1
19 20 21 22 23 24 25 26 27 28 29 30 31 32 33 34 35 36

2G 4E 4F
Black White Gray

1 2 3 4 5 6 7 8 9 10 11 12 1 2 3 4 5 6 7 8 9 10 11 12

1 2 3 4 5 6 7

8 9 10 11 12 13 14

-7-
Power Source

4H 4J
Gray Gray

1 2 3 4 5 6 7 8 9 10 11 12 1 2 3 4 5 6 7 8 9 10 11 12

DA
White

7 8 9 10 11 12 13 14 15 16 17 18 19 20 21 22
1 2 3 4 5 6
23 24 25 26 27 28 29 30 31 32 33 34 35 36 37 38
39 40 41 42 43 44 45 46 47 48 49 50 51 52 53 54 55 56 57 58 59 60

DD DF DG
Gray White White

7 8 9 10 11 12
1 2 3 4 5 6
13 14 15 16 17 18 1 1
19 20 21 22 23 24 25 26 27 28 29 30

cardiagn.com
DH LA
Gray White

7 8 9 10 11 12 13 14 15 16 17 18 19 20 21 22
1 2 3 4 5 6
1 2 5 6 23 24 25 26 27 28 29 30 31 32 33 34 35 36 37 38
3 4 39 40 41 42 43 44 45 46 47 48 49 50 51 52 53 54 55 56 57 58 59 60
7 8 9 10 11 12 13 14 15 16

17 18 19 20 21 22 23 24

LD LG LH
Gray White White

7 8 9 10 11 12
1 2 3 4 5 6
13 14 15 16 17 18 1 1
19 20 21 22 23 24 25 26 27 28 29 30

PA PK
White Gray

7 8 9 10 11 12 13 14 15 16 17 18 19 20 21 22
1 2 3 4 5 6
23 24 25 26 27 28 29 30 31 32 33 34 35 36 37 38 1 2 5 6
39 40 41 42 43 44 45 46 47 48 49 50 51 52 53 54 55 56 57 58 59 60 3 4

7 8 9 10 11 12 13 14 15 16

17 18 19 20 21 22 23 24

-8-
Power Source

PL PM AS4
White White White

1 1
3 2 1
1 2 3

LA3
White

7 8 9 10 11 12 13 14 15 16 17 18 19 20 21 22
1 2 3 4 5 6
23 24 25 26 27 28 29 30 31 32 33 34 35 36 37 38
39 40 41 42 43 44 22 21 20 19 18 17 16 15 14 13 12 11 10 9 8 7
45 46 47 48 49 50 51 52 53 54 55 56 57 58 59 60 6 5 4 3 2 1
38 37 36 35 34 33 32 31 30 29 28 27 26 25 24 23
60 59 58 57 56 55 54 53 52 51 50 49 48 47 46 45 44 43 42 41 40 39

LS1

cardiagn.com
White

7 8 9 10 11 12 13 14 15 16 17 18 19 20 21 22
1 2 3 4 5 6
23 24 25 26 27 28 29 30 31 32 33 34 35 36 37 38
39 40 41 42 43 44 22 21 20 19 18 17 16 15 14 13 12 11 10 9 8 7
45 46 47 48 49 50 51 52 53 54 55 56 57 58 59 60 6 5 4 3 2 1
38 37 36 35 34 33 32 31 30 29 28 27 26 25 24 23
60 59 58 57 56 55 54 53 52 51 50 49 48 47 46 45 44 43 42 41 40 39

-9-
Power Shoulder Belt Anchorage

(BAT) RR MPX–B 1 (BAT) (IG) (BAT)

RR MPX–B 2

10A B/ANC
RR–IG1–2

Shoulder Belt Anchor RH


10A
10A

M
5A

UP DOWN VCP BESP EP

R8
5 3 2 4 6

LG
R
V

Y
L
5 SR1 10 SR1 9 SR1 8 SR1 7 SR1

LG
R
V

Y
L
7 15 8 9 22 B 23 B 3 B 4 B 27 B
MPXB LGLB IG BANC PBM+ PBM– PVC PBES PSSE
S61(A), S62(B)
Rear Junction Block ECU
PGND SG CANP CANN DBM+ DBM– VC BES E

cardiagn.com
4 17 20 B 28 B 10 A 8 A 15 A 14 A 13 A

W
R
Y

Y
L
43 LA 29 LA
W
B

5 3 2 4 6
UP DOWN VC BES E
Junction Connector

3 14
S59
W–B

W–B

4 15
W
B

S7
Shoulder Belt Anchor LH
W
B

59 LS1 60 LS1
W

W
B

B
Junction Connector

L95
2 13 5 16 15 4 Junction Connector
S60

1 12 4 15
16 5
W

W
R

10 Se2 9 Se2 2 NS2 1 NS2


28 A 27 A
CANL CANH
W

W
R

R
W–B

L15(A)
25 B 24 B Certification ECU
CANP CANN
W
7
1 R

S54 e46(B)
Junction Front Power Seat
Connector Control ECU and
S1 Switch LH

-1-
Power Shoulder Belt Anchorage

(BAT) (BAT) (IG) (BAT)

10A 25A 10A 10A


P DOOR 2 P DOOR 1 P–IG1–1 P MPX–B

19 PJ 20 PJ 13 PJ 28 PJ
GR
R

R
V
4 NR2 3 NR1 13 NR2 12 NR2
BE
R

R
V

16 A 6 A 3 A 11 A
BDG1 BDR SIG CPUB

N1(A), P4(C)
Front Door Control ECU RH

cardiagn.com
CANP CANN PSUP PSDN PSE MSWE M1 M2 M3 MM GND
9 A 10 A 18 C 17 C 28 C 29 C 13 C 14 C 15 C 16 C 1 A

W–B
BE
R
V

Y
W
R

BE
R
B

8 NR2 9 NR2
7 4 2 1 5 5 NR1
E M1 M2 M3 MRY
2 4 3
W
R

W–B
UP DW UL
1 12
Connector

SET
Junction

3
R48

4 15
W
B

P1 P12
Height Adjustable Front Seat Memory Switch RH
59 LR1 60 LR1 Anchor Switch RH
W
B

Junction Connector

11 22
L95

3 14
W
B

W W

R R

R3

-2-
Power Shoulder Belt Anchorage

Electric Power
(BAT) (BAT) (IG) (BAT) Control ECU (BAT)

D MPX–B 1

P–D/C CUT
D DOOR 2

D DOOR 1

D–IG1–3
CUTD BCUT

10A
10A

25A

10A
1 2

5A
57 PA
4 DD 1 DD 8 DD 17 DD

B
48 LS1
GR
R

B
L
5 4H

B
15 NS2 3 NS1 17 NS2 18 NS2 6 NS2 4 4A
BE
R

B
L

16 B 6 B 3 B 11 B 4 B
BDG1 BDR SIG CPUB BCUT

N10(B), P10(C)
Front Door Control ECU LH

cardiagn.com
CANN CANP MSWE M1 M2 M3 MM DSUP DSDN DSE
10 B 9 B 29 C 13 C 14 C 15 C 16 C 18 C 17 C 28 C
BE
R
V

BE
W

R
7 4 2 1 5 B
E 1 2 3 MMRY
4 2 3
UP DW UL
SET
1

P7 P6
Front Seat Memory Switch LH Height Adjustable
Anchor Switch LH

W W

B B

-3-
Power Shoulder Belt Anchorage

G
(IG) (ACC) (BAT)
10A D–IG1–3 R

5A D–ACC

5A AM1
(IG)

10A
E/G RM–IG1–1

7 2A

G
15 22 6 6 A 5 A
IG ACC ALTB CANL CANH
2 EA4
L11(A), L13(C)
Main Body ECU
CANN CANP GND2 GND1 GND3 DCTY

G
15 A 16 A 4 5 1 A 24 C

2
E49
PL RB NL Park/Neutral
W

cardiagn.com
Position Switch
P
40 DA 41 DA
4 4E
N
W–B

W–B

W–B

6 9
W

B
4 4F

3 A 11 A
E52(A)
Junction
W

11
Connector

Connector
Junction

4 A 10 A
L100

14 DA
G–R
8
W

12 E 13 E
30 DD P N A13(A), E3(E)
Engine Control
Module
CANL CANH
Front Door Courtesy Switch LH
R

13 A 14 A
G

1
A67
20 9 Junction Connector
S6

21 10 22 11

Front Speed Sensor Rear Speed Sensor


R

G
W
B

V
L

16 C 15 C 16 A 15 A 11 A 10 A 11 C 10 C 8 C 9 C
W–B

FL+ FL– FR+ FR– RL+ RL– RR+ RR– CANL CANH

L4 A19(A), A21(C)
Skid Control ECU

-4-
Power Shoulder Belt Anchorage

G
(IG) (BAT)
R

10A 10A
P–J/B D MPX–B 2

30 2C 42 DA

L
1
L136
6 LA1 Junction
Connector
2

P
L
14 13
IG2 B

cardiagn.com
G
R

5V IC
Junction Connector

3 14

CPU
L97

4 15 5 16 CAN
CONTROLLER

Combination Meter
CAN I/F
G

G
R

CANL CANH ES E2

L10
45 LA1 46 LA1 21 20 18 17

W–B
BR
G

Connector
Junction
L100
G
R

8
W–B

58 PA 41 DA

43 PA 40 DA

R
W–B
BR

L1 L4

-5-
Power Shoulder Belt Anchorage

A 13 A 19
White Black

1 2 3 4 5 6

7 8 9 10 11 12 13 14 15 16 3 4 5 6 7 8 9 10 11 12 13 14 15 16
1 2
17 18 19 20 21 22 23 24 25 26 27 17 18 19 20 21 22 23 24 25 26 27 28 29 30

28 29 30 31 32 33 34 35 31 32
33 34 35 36 37 38 39 40 41 42 43 44 45 46

A 21 A 67
Gray Black

1 2 3 4 5 6 7 8 9 10 11
3 4 5 6 7 8 9 10 11 12 13 14 15 16 12 13 14 15 16 17 18 19 20 21 22
1 2
17 18 19 20 21 22 23 24 25 26 27 28 29 30

cardiagn.com
31 32
33 34 35 36 37 38 39 40 41 42 43 44 45 46

E3 E 49 E 52
White Gray Black

1 2 3 4 5 6 1 2 3 4
1 2 3 4 5 6 7 8 9 10 11
7 8 9 10 11 12 13 14 15 16 5 6 7 8 9
12 13 14 15 16 17 18 19 20 21 22
17 18 19 20 21 22 23 24 25 26
27 28 29 30 31 32 33

L 10 L 11 L 13
Black White White

1 2 3 4 5 6 7 8 9 10 11 12 1 2 3 4 5 6
1 4
2 3
13 14 15 16 17 18 19 20 21 22 23 24
5 6 7 8 9 10 7 8 9 10 11 12 13 14 15 16 17
11 12 13 14 15 16 18 19 20 21 22 23 24 25 26

L 15 L 95
White Gray

1 2 3 4 5 6 7 8 9 10 11 12 13 14 15 16 17
1 2 3 4 5 6 7 8 9 10 11
18 19 20 21 22 23 24 25 26 27 28 29 30 31 32 33 34 35 36 37 38 39 40
12 13 14 15 16 17 18 19 20 21 22

-6-
Power Shoulder Belt Anchorage

L 97 L100 L136 N1
Black Blue Black White

1 2 3 4 5 1 2 3 4
6 7 8 9 10 11 12

1 2 3 4 5 6 7 8 9 10 11 1 2 5 6
3 4
12 13 14 15 16 17 18 19 20 21 22
7 8 9 10 11 12 13 14 15 16

17 18 19 20 21 22 23 24

N 10 P1 P4 P6
White White White White

1 2 5 6 1 2 3 4 5 1 10 1 2 3 4 5
3 4 2 3 4 5 6 7 8 9

7 8 9 10 11 12 13 14 15 16 11 12 13 14 15 16 17 18 19 20 21 22

17 18 19 20 21 22 23 24 23 24 25 26 27 28 29 30

cardiagn.com
P7 P 10 P 12
White White White

1 2 3 4 5 6 7 8 1 10 1 2 3 4 5 6 7 8
2 3 4 5 6 7 8 9

11 12 13 14 15 16 17 18 19 20 21 22

23 24 25 26 27 28 29 30

R8 R 48 S6 S7 S 54
Black Black White Black White

1 2 1 1 2 1 2 3
3 4 3 4 4 5 6 7 8
1 2 3 4 5 6 7 8 9 10 11
5 6 5 6
12 13 14 15 16 17 18 19 20 21 22

S 59 S 60 S 61
Black Black White

1 2 3 4 5 6 7 8 9 10 11 1 2 3 4 5 6 7 8 9 10 11 1 2 3 4 5 6
12 13 14 15 16 17 18 19 20 21 22 12 13 14 15 16 17 18 19 20 21 22
7 8 9 10 11 12 13 14 15 16 17
18 19 20 21 22 23 24 25 26

-7-
Power Shoulder Belt Anchorage

S 62 e 46 2A
White White Black

1 2 3 4 5
6 7 8 9 10 11 12 13
1 2 3 4 5 6 7 8 9 10 1 2 3 10 11 12
4 5 6 7 8 9
11 12 13 14 15 16 17 18 19 20
13 14 15 16 17 18 19 20 21 22 23 24 25 26
21 22 23 24 25 26 27 28

2C 4A
White White

1 2 3 4 5 6 7 8 9 10 11 12

1 2 3 4 5 6 7 8 9 10 11 12 13 14 15 16 17 18

19 20 21 22 23 24 25 26 27 28 29 30 31 32 33 34 35 36

4E 4F

cardiagn.com
White Gray

1 2 3 4 5 6 7 8 9 10 11 12 1 2 3 4 5 6 7 8 9 10 11 12

4H DA
Gray White

1 2 3 4 5 6 7 8 9 10 11 12

7 8 9 10 11 12 13 14 15 16 17 18 19 20 21 22
1 2 3 4 5 6
23 24 25 26 27 28 29 30 31 32 33 34 35 36 37 38
39 40 41 42 43 44 45 46 47 48 49 50 51 52 53 54 55 56 57 58 59 60

DD
Gray

7 8 9 10 11 12
1 2 3 4 5 6
13 14 15 16 17 18
19 20 21 22 23 24 25 26 27 28 29 30

LA
White

7 8 9 10 11 12 13 14 15 16 17 18 19 20 21 22
1 2 3 4 5 6
23 24 25 26 27 28 29 30 31 32 33 34 35 36 37 38
39 40 41 42 43 44 45 46 47 48 49 50 51 52 53 54 55 56 57 58 59 60

-8-
Power Shoulder Belt Anchorage

PA
White

7 8 9 10 11 12 13 14 15 16 17 18 19 20 21 22
1 2 3 4 5 6
23 24 25 26 27 28 29 30 31 32 33 34 35 36 37 38
39 40 41 42 43 44 45 46 47 48 49 50 51 52 53 54 55 56 57 58 59 60

PJ EA4
Gray White

7 8 9 10 11 12
1 2 3 4 5 6
13 14 15 16 17 18
19 20 21 22 23 24 25 26 27 28 29 30 1 2
3 4 2 1
4 3

LA1
White

cardiagn.com
7 8 9 10 11 12 13 14 15 16 17 18 19 20 21 22
1 2 3 4 5 6
23 24 25 26 27 28 29 30 31 32 33 34 35 36 37 38
39 40 41 42 43 44 22 21 20 19 18 17 16 15 14 13 12 11 10 9 8 7
45 46 47 48 49 50 51 52 53 54 55 56 57 58 59 60 6 5 4 3 2 1
38 37 36 35 34 33 32 31 30 29 28 27 26 25 24 23
60 59 58 57 56 55 54 53 52 51 50 49 48 47 46 45 44 43 42 41 40 39

LR1
White

7 8 9 10 11 12 13 14 15 16 17 18 19 20 21 22
1 2 3 4 5 6
23 24 25 26 27 28 29 30 31 32 33 34 35 36 37 38
39 40 41 42 43 44 22 21 20 19 18 17 16 15 14 13 12 11 10 9 8 7
45 46 47 48 49 50 51 52 53 54 55 56 57 58 59 60 6 5 4 3 2 1
38 37 36 35 34 33 32 31 30 29 28 27 26 25 24 23
60 59 58 57 56 55 54 53 52 51 50 49 48 47 46 45 44 43 42 41 40 39

LS1
White

7 8 9 10 11 12 13 14 15 16 17 18 19 20 21 22
1 2 3 4 5 6
23 24 25 26 27 28 29 30 31 32 33 34 35 36 37 38
39 40 41 42 43 44 22 21 20 19 18 17 16 15 14 13 12 11 10 9 8 7
45 46 47 48 49 50 51 52 53 54 55 56 57 58 59 60 6 5 4 3 2 1
38 37 36 35 34 33 32 31 30 29 28 27 26 25 24 23
60 59 58 57 56 55 54 53 52 51 50 49 48 47 46 45 44 43 42 41 40 39

-9-
Power Shoulder Belt Anchorage

NR1 NR2
White White

1 2 3 4 5 9 8 7 6 5 4 3 2 1
5 4 3 2 1 1 2 3 4 5 6 7 8 9
6 7 8 9 10 10 9 8 7 6 18 17 16 15 14 13 12 11 10
10 11 12 13 14 15 16 17 18

NS1 NS2
White White

1 2 3 4 5 9 8 7 6 5 4 3 2 1
5 4 3 2 1 1 2 3 4 5 6 7 8 9
6 7 8 9 10 10 9 8 7 6 18 17 16 15 14 13 12 11 10
10 11 12 13 14 15 16 17 18

cardiagn.com
SR1 Se2
White White

1 2 3 4 5 5 4 3 2 1
6 7 8 9 10 10 9 8 7 6 1 2 3 4 5 5 4 3 2 1

6 7 8 9 10 10 9 8 7 6

- 10 -
Power Seat <Driver's Seat>

(BAT) (BAT)

10A 30A
D MPX–B 1 D P/SEAT

11 DD 3 DD
G
B

Motor (Forward–Back)
Front Lumbar Support

Front Lumbar Support


Motor (Up–Down)
2 1
6 Se2 1 Se1
M M

e49

e52
1 2

G–Y
B–R

L–R

R–L
R
B

4 B 7 A 2 A 9 A 10 A 1 A

cardiagn.com
SYSB +B LV– LV+ L+ L–

e45(A), e46(B)
Front Power Seat Control ECU and Switch LH

SSRS SLD– SLD+ SSFV FRV+ FRV– SSRC C+ C–


23 B 11 B 12 B 19 B 1 B 12 A 20 B 10 B 4 A

R–B
GR
LG

W
R
B

Y
Front Power Seat Position

Front Power Seat Position


Motor and Sensor LH

Motor and Sensor LH

Motor and Sensor LH


Front Power Seat
(Vertical Position)

2 3 4 2 3 4 2 3 4

Cushion Control
(Slide Position)

O/P BACK FWD O/P UP DOWN O/P FWD BACK

VCC GND VCC GND VCC GND


e63

e64

e65
5 6 5 6 5 6
BR

BR

BR
V

2 13 3 14 1 12

e55
Junction Connector

-1-
Power Seat <Driver's Seat>

Position Motor LH
Front Power Seat
1 (Lift Position)
R
M
W
e44

2
B–R

2 B 5 A 25 B 24 B

cardiagn.com
RRV+ RRV– CANP CANN

e45(A), e46(B)
Front Power Seat Control ECU and Switch LH
SSRV SSRR RCL– RCL+ H+ H– SSRH PVCC SGND GND
9 B 22 B 3 A 3 B 11 A 8 A 21 B 8 B 18 B 6 A

W–B
B–W

G–B
GR

BR
BE

V
L

L
Front Power Seat Position
Motor and Sensor LH
Position Sensor LH

(Reclining Position)

Motor and Position


Front Power Seat

1 2 3 4 1 5 4
Front Headrest
(Lift Position)

O/P O/P BACK FWD UP DOWN O/P


Sensor LH

VCC GND VCC GND VCC GND


e43

e66

e53

3 2 5 6 2 3 18 Se1
W–B
BR

BR

BR
V

4 15 5 17 6 18 7 16

e55
Junction Connector

S3

-2-
Power Seat <Driver's Seat>

W
W

9 Se2 10 Se2 60 LS1 59 LS1

cardiagn.com
W
B
W

W
R

Junction Connector

Junction Connector
12 1 16 5 4 15
S60

L95
15 4 5 16 3 14
W

1 NS2 2 NS2
W

W
B

B
W

-3-
Power Seat <Driver's Seat>

(IG) (ACC) (BAT)

10A D–IG1–3

5A D–ACC

5A AM1
15 22 6
IG ACC ALTB
L11(A), L13(C)
Main Body ECU
CANN CANP GND2 GND1 GND3 DCTY LIN2 CANL CANH
15 A 16 A 4 5 1 A 24 C 10 A 6 A 5 A

W–B
W

R
B

L
40 DA 41 DA 4 4E 3 3L
W–B

W–B

cardiagn.com
4 4F 3 3B
11
Connector
Junction

W
L100

L
8
14 DA 12 DA

30 DD 15 DD
R

L
Front Door Courtesy

1
Switch LH
S6

W W

B B

R R

W W

G
W–B

L4

-4-
Power Seat <Driver's Seat>

(BAT) (IG) (BAT) (BAT)

P–D/C CUT
SECURITY
P MPX–B

P IG2
5A
10A

5A

5A
22 PA 60 PA 17 DA
R

L
7 4J 10 4H 11 4F

7 4A 10 4A 11 4A

2
BCUT
Electric Power
R

Control ECU

cardiagn.com
CUTD
20 A 18 A 1 A 1
CUTB IG +B1

L15(A) 57 PA
Certification ECU

CANL CANH RC0 RDA ASEL RSSI E

B
28 A 27 A 29 A 38 A 37 A 39 A 17 A
W–B
W

W
G

R
B

1 4A 5 4H
3 LR1 41 LR1 42 LR1 4 LR1
W
G

1 4H 1 4J 4 4A
W–B

W–B

2 3 4 5
+5 DATA ASEL RSSI
51 PA 40 PA

GND
R37 6
Door Control
Receiver 39 PA

W
W–B

W–B

B B

L L

R R

W W

R R

G G

1
R43 W–B
Junction
Connector

R2 L3 L1

-5-
Power Seat <Driver's Seat>

(BAT) (BAT) (IG) (BAT)

D MPX–B 1
D DOOR 2

D DOOR 1

D–IG1–3
10A
10A

25A

10A
4 DD 1 DD 8 DD 17 DD
GR
R

B
L

R
B

L
15 NS2 3 NS1 17 NS2 18 NS2

2 PN2 7 PN2 3 PN2


BE
R

R
B

B
L

R
B

L
16 B 6 B 3 B 11 B 27 C 1 C 26 C
BDG1 BDR SIG CPUB SGND LIN2 CPBJ
11 17 12

N10(B), P10(C) B LIN1 GND


+B
Front Door Control ECU LH

cardiagn.com
BCUT LIN1 CANP CANN MSWE M1 M2 M3 MM GND
4 B 8 B 9 B 10 B 29 C 13 C 14 C 15 C 16 C 1 B 12V
BE
W
R

R
B

Y
L

W–B

6 NS2 14 NS2 7 4 2 1 5 5V
E 1 2 3 MMRY
B

SET

Control Circuit
1

5 NS1

48 LS1
W–B

Door Lock

Unlock
Lock
Switch

P7
B

Front Seat Memory Switch LH

N13
Power Window Regulator
Master Switch

R R

G G
W–B

S3

-6-
Power Seat <Driver's Seat>

(IG)

10A
E/G RM–IG1–1

7 2A

G
Front Speed Sensor

2 EA4

G
B

2
A19(A), A21(C)
Skid Control ECU PL RB NL
16 C 15 C 16 A 15 A

Position Switch
FL+ FL– FR+ FR–

Park/Neutral
P

RL+ RL– RR+ RR– CANH CANL N

E49
11 A 10 A 11 C 10 C 9 C 8 C 6 9

cardiagn.com
W
Y

B
L

Connector
3 A 11 A

Junction
E52(A)
4 A 10 A
Rear Speed Sensor
G–R
W

12 E 13 E
Engine Control
A13(A), E3(E)
P N
Module

CANH CANL
14 A 13 A
G
R
V

10 21 9 20
Connector
Junction
A67

11 22
G
R

45 LA1 46 LA1
G
R

4 15
Connector
Junction
L97

3 14 5 16
G

G
R

R G

G R

-7-
Power Seat <Driver's Seat>

(IG) (BAT)

10A 10A
P–J/B D MPX–B 2

30 2C 42 DA
L

L1
L136
6 LA1 Junction
Connector
2
P
L

L10
14 13 Combination Meter
IG2 B

cardiagn.com
5V IC

CPU

CAN
CONTROLLER

CAN I/F

CANL CANH ES E2
21 20 18 17
W–B
G

BR

6
Connector
Junction
L100

8
W–B

58 PA 41 DA

43 PA 40 DA
W–B
BR

L1 L4

-8-
Power Seat <Driver's Seat>

A 13 A 19
White Black

1 2 3 4 5 6

7 8 9 10 11 12 13 14 15 16 3 4 5 6 7 8 9 10 11 12 13 14 15 16
1 2
17 18 19 20 21 22 23 24 25 26 27 17 18 19 20 21 22 23 24 25 26 27 28 29 30

28 29 30 31 32 33 34 35 31 32
33 34 35 36 37 38 39 40 41 42 43 44 45 46

A 21 A 67
Gray Black

1 2 3 4 5 6 7 8 9 10 11
3 4 5 6 7 8 9 10 11 12 13 14 15 16 12 13 14 15 16 17 18 19 20 21 22
1 2
17 18 19 20 21 22 23 24 25 26 27 28 29 30

cardiagn.com
31 32
33 34 35 36 37 38 39 40 41 42 43 44 45 46

E3 E 49 E 52
White Gray Black

1 2 3 4 5 6 1 2 3 4
1 2 3 4 5 6 7 8 9 10 11
7 8 9 10 11 12 13 14 15 16 5 6 7 8 9
12 13 14 15 16 17 18 19 20 21 22
17 18 19 20 21 22 23 24 25 26
27 28 29 30 31 32 33

L 10 L 11 L 13
Black White White

1 2 3 4 5 6 7 8 9 10 11 12 1 2 3 4 5 6
1 4
2 3
13 14 15 16 17 18 19 20 21 22 23 24
5 6 7 8 9 10 7 8 9 10 11 12 13 14 15 16 17
11 12 13 14 15 16 18 19 20 21 22 23 24 25 26

L 15 L 95
White Gray

1 2 3 4 5 6 7 8 9 10 11 12 13 14 15 16 17
1 2 3 4 5 6 7 8 9 10 11
18 19 20 21 22 23 24 25 26 27 28 29 30 31 32 33 34 35 36 37 38 39 40
12 13 14 15 16 17 18 19 20 21 22

-9-
Power Seat <Driver's Seat>

L 97 L100 L136 N 10
Black Blue Black White

1 2 3 4 5 1 2 3 4
6 7 8 9 10 11 12

1 2 3 4 5 6 7 8 9 10 11 1 2 5 6
3 4
12 13 14 15 16 17 18 19 20 21 22
7 8 9 10 11 12 13 14 15 16

17 18 19 20 21 22 23 24

N 13 P7 P 10
White White White

1 2 3 4 5 6 7 8 9 10 1 2 3 4 5 6 7 8 1 10
2 3 4 5 6 7 8 9
11 12 13 14 15 16 17 18 19 20
11 12 13 14 15 16 17 18 19 20 21 22

23 24 25 26 27 28 29 30

cardiagn.com
R 37 R 43 S6 S 60
White White White Black

1 2 3 1 2 3 1

4 5 6 7 4 5 6 7 8 1 2 3 4 5 6 7 8 9 10 11
12 13 14 15 16 17 18 19 20 21 22

e 43 e 44 e 45 e 46
White Blue White White

1 2 3 4 5
6 7 8 9 10 11 12
1 2 3 1 2
1 2 3 10 11 12
4 5 6 7 8 9
13 14 15 16 17 18 19 20 21 22 23 24 25 26

e 49 e 52 e 53 e 55 e 63
White Orange White Gray White

1 2
1 2 1 2 5 4 3 2 1
1 2 3 4 5 6 7 8 9 10 11 3 4 5 6

12 13 14 15 16 17 18 19 20 21 22

e 64 e 65 e 66 2A
Orange Blue Orange Black

1 2 1 2 1 2 1 2 3 4 5

3 4 5 6 3 4 5 6 3 4 5 6 6 7 8 9 10 11 12 13

- 10 -
Power Seat <Driver's Seat>

2C 3B
White Gray

1 2 3 4 5 6 7 8 9 10 11 12

1 2 3 4 5 6 7 8 9 10 11 12 13 14 15 16 17 18

19 20 21 22 23 24 25 26 27 28 29 30 31 32 33 34 35 36

3L 4A
Gray White

1 2 3 4 5 6 7 8 9 10 11 12 1 2 3 4 5 6 7 8 9 10 11 12

4E 4F
White Gray

1 2 3 4 5 6 7 8 9 10 11 12 1 2 3 4 5 6 7 8 9 10 11 12

4H 4J
Gray Gray

cardiagn.com
1 2 3 4 5 6 7 8 9 10 11 12 1 2 3 4 5 6 7 8 9 10 11 12

DA
White

7 8 9 10 11 12 13 14 15 16 17 18 19 20 21 22
1 2 3 4 5 6
23 24 25 26 27 28 29 30 31 32 33 34 35 36 37 38
39 40 41 42 43 44 45 46 47 48 49 50 51 52 53 54 55 56 57 58 59 60

DD
Gray

7 8 9 10 11 12
1 2 3 4 5 6
13 14 15 16 17 18
19 20 21 22 23 24 25 26 27 28 29 30

PA EA4
White White

7 8 9 10 11 12 13 14 15 16 17 18 19 20 21 22
1 2 3 4 5 6
23 24 25 26 27 28 29 30 31 32 33 34 35 36 37 38
39 40 41 42 43 44 45 46 47 48 49 50 51 52 53 54 55 56 57 58 59 60 1 2
3 4 2 1
4 3

- 11 -
Power Seat <Driver's Seat>

LA1
White

7 8 9 10 11 12 13 14 15 16 17 18 19 20 21 22
1 2 3 4 5 6
23 24 25 26 27 28 29 30 31 32 33 34 35 36 37 38
39 40 41 42 43 44 22 21 20 19 18 17 16 15 14 13 12 11 10 9 8 7
45 46 47 48 49 50 51 52 53 54 55 56 57 58 59 60 6 5 4 3 2 1
38 37 36 35 34 33 32 31 30 29 28 27 26 25 24 23
60 59 58 57 56 55 54 53 52 51 50 49 48 47 46 45 44 43 42 41 40 39

LR1
White

7 8 9 10 11 12 13 14 15 16 17 18 19 20 21 22
1 2 3 4 5 6
23 24 25 26 27 28 29 30 31 32 33 34 35 36 37 38
39 40 41 42 43 44 22 21 20 19 18 17 16 15 14 13 12 11 10 9 8 7
45 46 47 48 49 50 51 52 53 54 55 56 57 58 59 60 6 5 4 3 2 1
38 37 36 35 34 33 32 31 30 29 28 27 26 25 24 23
60 59 58 57 56 55 54 53 52 51 50 49 48 47 46 45 44 43 42 41 40 39

cardiagn.com
LS1
White

7 8 9 10 11 12 13 14 15 16 17 18 19 20 21 22
1 2 3 4 5 6
23 24 25 26 27 28 29 30 31 32 33 34 35 36 37 38
39 40 41 42 43 44 22 21 20 19 18 17 16 15 14 13 12 11 10 9 8 7
45 46 47 48 49 50 51 52 53 54 55 56 57 58 59 60 6 5 4 3 2 1
38 37 36 35 34 33 32 31 30 29 28 27 26 25 24 23
60 59 58 57 56 55 54 53 52 51 50 49 48 47 46 45 44 43 42 41 40 39

NS1 NS2
White White

1 2 3 4 5 9 8 7 6 5 4 3 2 1
5 4 3 2 1 1 2 3 4 5 6 7 8 9
6 7 8 9 10 10 9 8 7 6 18 17 16 15 14 13 12 11 10
10 11 12 13 14 15 16 17 18

PN2 Se1
White White

1 2 8 9
1 2 3 4 9 8 2 1
4 3 2 1 10 11 3 4 5 6 7 17 18
5 6 7 8 7 6 5 4 3
8 7 6 5 12 13 14 15 16 18 17 11 10
16 15 14 13 12

- 12 -
Power Seat <Driver's Seat>

Se2
White

1 2 3 4 5 5 4 3 2 1

6 7 8 9 10 10 9 8 7 6

cardiagn.com

- 13 -
Power Seat <Front Passenger's Seat>

(BAT) (BAT)

10A 30A
P MPX–B P P/SEAT 1

24 PJ 4 PJ
R

Position Motor RH
Front Power Seat
2

(Lift Position)
M

e8
1
6 Re2 1 Re1

G–B
R

cardiagn.com
4 B 7 A 2 B 5 A
SYSB +B RUP RDWN

e18(A), e20(B)
Front Power Seat Control ECU and Switch RH

SGND SSRL SSFV FDWN FUP SSRS SLD+ SLD–


18 B 9 B 20 B 12 A 1 B 23 B 12 B 11 B
V

V
GR
BR

LG

LG
R

R
V

B
L
Front Power Seat Position
Motor and Sensor RH
Position Sensor RH
Front Power Seat

(Vertical Position)

1 3 2 3 4 5 2 3 4 5
(Lift Position)

O/P VCC O/P DOWN UP VCC O/P FWD BACK VCC

GND GND GND


e28

e60

2 6 6 e59
Front Power Seat Position
Motor and Sensor RH
(Slide Position)
BR

BR

BR

17 19 14

18 e56
Junction Connector

-1-
Power Seat <Front Passenger's Seat>

∗ 1 : Except Korea
∗ 2 : Korea

Front Lumbar Support

1
Motor RH

M
e24

2
G–Y
R–L

cardiagn.com
10 A 1 A
L+ L–

e18(A), e20(B)
Front Power Seat Control ECU and Switch RH

SSRR RCL– RCL+ SSRH PVCC SSRH H– H+


22 B 3 A 3 B 21 B 8 B 21 B 8 A 11 A
V
W
V (∗2)
(∗1)

(∗1)

(∗1)
BE

W
V

Y
V

2 1 6 4 5
Y
B–W

(∗2)

Front Headrest Motor RH


(∗2)
BE
LG

V
L

e56 3
Junction Connector
V
2
(∗2)
(∗1)
V

1 3 4 5 1 3 M
4 2 1 5
e26

O/P BACK FWD VCC O/P VCC


1
VCC O/P DOWN UP

GND GND
e61 e23 GND
6 2
Front Power Seat Position Front Headrest 3 e25
Motor and Sensor RH Position Front Headrest Motor
(Reclining Position) Sensor RH and Position Sensor RH
(∗2)

(∗1)
BR

BR

BR

15 16
12 BR

e56
Junction Connector

-2-
Power Seat <Front Passenger's Seat>

∗ 3 : 5–Seater w/ Ottoman B

(BAT)

B
5A
RR MPX–B 2

7 5
R57
Junction 57 LA
Connector
8 6

R
9 Re2 10 Re2

W
V
W

Junction Connector
3 6

cardiagn.com
Rear Console Switch
24 B 25 B LIN B
CANN CANP 4
Rear Power
S56
e18(A), e20(B) Seat Switch
Front Power Seat Control ECU and Switch RH
6
E CANN CANP

S15
HRFS HRRS SLDF SLDR GND
5 2 1
15 B 14 B 17 B 16 B 6 A
V

W–B

B
W–B
W

G
R

6 RS1
V

4 5 2 1
HRFS HRRS SLDF SLDR
Full Front

Slide

6 Rf1
Front

Front
Rear

Rear

18 Re1
Junction Connector
V

E 12
3 e30
Front Power Seat Switch
f20
W–B

14
V

W
BR
W–B

4
S57
Junction
Connector

R3 S2

-3-
V
B
B

W
W

1
4
2
5
B B B B

59 LS1

12
15
13
16
W W W W

60 LS1
S59 S60
Junction Connector Junction Connector

L L L B
z16(C)

3 A
10 C

3 5I
3 5F
3 4F
4 4B

29 DA
51 DA
MPX
(∗3) (∗3) (∗3)

Front Passenger' s
Seat Reclining Control
Switch
G–L

-4-
8 C
Integration Control and Panel Assembly

16 C Y

L75(A), z16(C)
Console Switch
Front Passenger' s
Seat Slide Control
Power Seat <Front Passenger's Seat>

Switch
G–B

L
7 C

(∗3)
G–O
15 C

L95
Junction
Connector

3
21
W 15 W

CANN
(∗3)

7
2
4

10
B B

MPX
CANP
(∗3)

L6
Outer Mirror

V
B
W

Switch Assembly

cardiagn.com
Power Seat <Front Passenger's Seat>

W
(BAT) (BAT) (IG) (BAT)
B

P DOOR 2

P DOOR 1

P MPX–B
P–IG1–1
10A

10A
10A

25A
19 PJ 20 PJ 13 PJ 28 PJ

GR
R

R
V
4 NR2 3 NR1 13 NR2 12 NR2

BE
R

R
V
16 A 6 A 3 A 11 A
BDG1 BDR SIG CPUB
W
B

N1(A), P4(C)
3 14 Front Door Control ECU RH
Connector

cardiagn.com
Junction

CANN CANP MSWE M1 M2 M3 MM GND


R48

10 A 9 A 29 C 13 C 14 C 15 C 16 C 1 A
4 15 1 12

W–B
BE
W

R
B

Y
W

59 LR1 60 LR1 9 NR2 8 NR2


7 4 2 1 5 5 NR1
E M1 M2 M3 MRY

W–B
W
B

SET
1

3
R

11 22
Connector

P12
Junction

Front Seat Memory Switch RH


L95

3 14
W
B

V V

R3

-5-
Power Seat <Front Passenger's Seat>

(IG) (ACC) (BAT)

10A D–IG1–3

5A D–ACC

5A AM1

L11(A), L12(B)
15 22 6 Main Body ECU
IG ACC ALTB

cardiagn.com
CANN CANP GND1 GND2 GND3 PCTY CANH CANL
15 A 16 A 5 4 1 A 21 B 5 A 6 A
W–B
W

G
R
B

40 DA 41 DA
13 LR1
W–B

W–B

Front Door Courtesy Switch RH


L

11
Connector
Junction
L100

8 1
R6

W
W–B

V V

L4

-6-
Power Seat <Front Passenger's Seat>

e13
Front Seat Inner Belt
Switch RH (IG)

Buckle Switch
10A
E/G RM–IG1–1

7 2A

RBE+ RBE–

G
1 2 Front Speed Sensor
W

2 EA4
13 14
Detection ECU

BSW BGND

G
Occupant

V
2
FSR+ FSR–
e10

A19(A), A21(C)
Skid Control ECU PL RB NL
11 12 16 C 15 C 16 A 15 A

Position Switch
FL+ FL– FR+ FR–

Park/Neutral
P
W

RL+ RL– RR+ RR– CANH CANL N

E49
11 A 10 A 11 C 10 C 9 C 8 C 6 9
2 Re3 3 Re3

cardiagn.com
W
Y

B
L

L
W

Connector
3 A 11 A
Center Airbag ECU

Junction
E52(A)
16 B 22 B
L73(A), R5(B)

FSR+ FSR–
4 A 10 A
Rear Speed Sensor
CANL CANH

G–R
W
22 A 13 A

12 E 13 E

Engine Control
G

A13(A), E3(E)
P N

19 8

Module
Connector
Junction

CANH CANL
L98

14 A 13 A
18 7 G
R
G

10 21 9 20 Connector
Junction

12 1
A67
Connector
Junction

11 22
L97

G
R

14 3 15 4
G

G
R

45 LA1 46 LA1

G
G
R

V V

-7-
Power Seat <Front Passenger's Seat>

(BAT) (BAT)

10A 30A
P MPX–B RR SEAT

27 PJ 1 PJ
R

R42(A), R44(B)

8 A
Connector
Junction

3 B
R

8 Rf1 9 Rf1

cardiagn.com
R

f4(A), f37(B)
16 B 1 A Rear Power Seat Control ECU RH
SYSB +B

LIN SSRR PVCC OTO+ OTO– SGND GND


19 B 8 B 17 B 4 A 11 A 23 B 6 A

W–B
G–B

BR
V

15 Rf1 1 Rf1
and Position Sensor RH
G

Rear Power Seat Motor

W–B
Motor and Sensor RH
Ottoman Reclining

2 5 1
SSRR ROUP RODW
R58

GND PVCC PVCC


f16

6 5 4
B

10 16
Connector
Junction

16 Rf1 14 Rf1 Y 11 18
f20

f20
8 19 Junction
W–B

Connector
W–B

W–B
Y

17 Rf1
W–B

6
8 W–B

R41
Junction
R1 Connector

-8-
Power Seat <Front Passenger's Seat>

A 13 A 19
White Black

1 2 3 4 5 6

7 8 9 10 11 12 13 14 15 16 3 4 5 6 7 8 9 10 11 12 13 14 15 16
1 2
17 18 19 20 21 22 23 24 25 26 27 17 18 19 20 21 22 23 24 25 26 27 28 29 30

28 29 30 31 32 33 34 35 31 32
33 34 35 36 37 38 39 40 41 42 43 44 45 46

A 21 A 67
Gray Black

1 2 3 4 5 6 7 8 9 10 11
3 4 5 6 7 8 9 10 11 12 13 14 15 16 12 13 14 15 16 17 18 19 20 21 22
1 2
17 18 19 20 21 22 23 24 25 26 27 28 29 30

cardiagn.com
31 32
33 34 35 36 37 38 39 40 41 42 43 44 45 46

E3 E 49 E 52
White Gray Black

1 2 3 4 5 6 1 2 3 4
1 2 3 4 5 6 7 8 9 10 11
7 8 9 10 11 12 13 14 15 16 5 6 7 8 9
12 13 14 15 16 17 18 19 20 21 22
17 18 19 20 21 22 23 24 25 26
27 28 29 30 31 32 33

L6 L 11 L 12
White White White

1 2 3 4 5 6
1 4 1 2 3 4 5 6 7 8 9 10
7 8 9 10 11 12 2 3
11 12 13 14 15 16 17 18 19 20
5 6 7 8 9 10
21 22 23 24 25 26 27 28
11 12 13 14 15 16

-9-
Power Seat <Front Passenger's Seat>

L 73 L 75 L 95
Yellow White Gray

1 2 3 4 5 6 7 8 9 10

1 2 3 4 5 1 2 3 4 5 6 7 8 9 10 11
11 12 13 14 15 16 17 18 19 20
12 13 14 15 16 17 18 19 20 21 22

21 22 23 24 25 26 27 28 29 30

L 97 L 98 L100
Black Gray Blue

1 2 3 4 5
6 7 8 9 10 11 12

1 2 3 4 5 6 7 8 9 10 11 1 2 3 4 5 6 7 8 9 10 11
12 13 14 15 16 17 18 19 20 21 22 12 13 14 15 16 17 18 19 20 21 22

N1 P4 P 12
White White White

cardiagn.com
1 2 5 6 1 10 1 2 3 4 5 6 7 8
3 4 2 3 4 5 6 7 8 9

7 8 9 10 11 12 13 14 15 16 11 12 13 14 15 16 17 18 19 20 21 22

17 18 19 20 21 22 23 24 23 24 25 26 27 28 29 30

R5 R6 R 41 R 42
Yellow White White Black

1 2 3 4 5 6 7 8
1 1 2 3
4 5 6 7 8 1 2 3 4 5 6 7 8 9 10 11
9 10 11 12 13 14 15 16
12 13 14 15 16 17 18 19 20 21 22

17 18 19 20 21 22 23 24

R 44 R 48 R 57
Black Black Dark Gray

1 2 3 4
1 2 3 4 5 6 7 8 9 10 11 1 2 3 4 5 6 7 8 9 10 11
5 6 7 8
12 13 14 15 16 17 18 19 20 21 22 12 13 14 15 16 17 18 19 20 21 22

R 58 S 15 S 56 S 57
Black White White White

1 2 1 2 3

3 4 5 6 1 2 3 4 5 6 7 8 4 5 6 7 8
1 2 3 4 5 6 7 8 9 10 11
9 10 11 12 13 14 15 16
12 13 14 15 16 17 18 19 20 21 22

- 10 -
Power Seat <Front Passenger's Seat>

S 59 S 60 e8
Black Black Blue

1 2
1 2 3 4 5 6 7 8 9 10 11 1 2 3 4 5 6 7 8 9 10 11
12 13 14 15 16 17 18 19 20 21 22 12 13 14 15 16 17 18 19 20 21 22

e 10 e 13 e 18
Black White White

1 2 3 4 5
2 1
6 7 8 9 10 11 12

1 2 3 4 5 6 7 8 9
10 11 12 13 14 15 16 17 18

e 20 e 23 e 24 e 25
White White Orange White

cardiagn.com
1 2 3 1 2 5 4 3 2 1
1 2 3 10 11 12
4 5 6 7 8 9
13 14 15 16 17 18 19 20 21 22 23 24 25 26

e 26 e 28 e 30 e 56
Blue White White Gray

1 2 1 2 3
1 2 3 4 5 1 2 3 4 5 6 7 8 9 10 11
12 13 14 15 16 17 18 19 20 21 22

e 59 e 60 e 61 f4 f 16
White Orange Orange White White

1 2 3 4 5
1 2 1 2 1 2 6 7 8 9 10 11 12

3 4 5 6 3 4 5 6 3 4 5 6 1 2 3 4 5
6 7 8
9 13
10 11 12

f 20 f 37 z 16
White White White

1 2 3 4 5 6 7 8 9 10 11 1 2 3 4 5 6 7 8
1 2 3 10 11 12
12 13 14 15 16 17 18 19 20 21 22 4 5 6 7 8 9 9 10 11 12 13 14 15 16
13 14 15 16 17 18 19 20 21 22 23 24 25 26

- 11 -
Power Seat <Front Passenger's Seat>

2A 4B 4F
Black Gray Gray

1 2 3 4 5 6 7 8 9 10 11 12 1 2 3 4 5 6 7 8 9 10 11 12
1 2 3 4 5
6 7 8 9 10 11 12 13

5F 5I
Gray White

1 2 3 4 5 6 7 8 9 10 11 12 1 2 3 4 5 6 7 8 9 10 11 12

DA
White

7 8 9 10 11 12 13 14 15 16 17 18 19 20 21 22
1 2 3 4 5 6
23 24 25 26 27 28 29 30 31 32 33 34 35 36 37 38
39 40 41 42 43 44 45 46 47 48 49 50 51 52 53 54 55 56 57 58 59 60

cardiagn.com
LA
White

7 8 9 10 11 12 13 14 15 16 17 18 19 20 21 22
1 2 3 4 5 6
23 24 25 26 27 28 29 30 31 32 33 34 35 36 37 38
39 40 41 42 43 44 45 46 47 48 49 50 51 52 53 54 55 56 57 58 59 60

PJ EA4
Gray White

7 8 9 10 11 12
1 2 3 4 5 6
13 14 15 16 17 18
19 20 21 22 23 24 25 26 27 28 29 30 1 2
3 4 2 1
4 3

LA1
White

7 8 9 10 11 12 13 14 15 16 17 18 19 20 21 22
1 2 3 4 5 6
23 24 25 26 27 28 29 30 31 32 33 34 35 36 37 38
39 40 41 42 43 44 22 21 20 19 18 17 16 15 14 13 12 11 10 9 8 7
45 46 47 48 49 50 51 52 53 54 55 56 57 58 59 60 6 5 4 3 2 1
38 37 36 35 34 33 32 31 30 29 28 27 26 25 24 23
60 59 58 57 56 55 54 53 52 51 50 49 48 47 46 45 44 43 42 41 40 39

- 12 -
Power Seat <Front Passenger's Seat>

LR1
White

7 8 9 10 11 12 13 14 15 16 17 18 19 20 21 22
1 2 3 4 5 6
23 24 25 26 27 28 29 30 31 32 33 34 35 36 37 38
39 40 41 42 43 44 22 21 20 19 18 17 16 15 14 13 12 11 10 9 8 7
45 46 47 48 49 50 51 52 53 54 55 56 57 58 59 60 6 5 4 3 2 1
38 37 36 35 34 33 32 31 30 29 28 27 26 25 24 23
60 59 58 57 56 55 54 53 52 51 50 49 48 47 46 45 44 43 42 41 40 39

LS1
White

7 8 9 10 11 12 13 14 15 16 17 18 19 20 21 22
1 2 3 4 5 6
23 24 25 26 27 28 29 30 31 32 33 34 35 36 37 38
39 40 41 42 43 44 22 21 20 19 18 17 16 15 14 13 12 11 10 9 8 7
45 46 47 48 49 50 51 52 53 54 55 56 57 58 59 60 6 5 4 3 2 1
38 37 36 35 34 33 32 31 30 29 28 27 26 25 24 23
60 59 58 57 56 55 54 53 52 51 50 49 48 47 46 45 44 43 42 41 40 39

cardiagn.com
NR1 NR2
White White

1 2 3 4 5 9 8 7 6 5 4 3 2 1
5 4 3 2 1 1 2 3 4 5 6 7 8 9
6 7 8 9 10 10 9 8 7 6 18 17 16 15 14 13 12 11 10
10 11 12 13 14 15 16 17 18

RS1
White

11 10 9 8 7 6 5 4 3 2 1
1 2 3 4 5 6 7 8 9 10 11
22 21 20 19 18 17 16 15 14 13 12
12 13 14 15 16 17 18 19 20 21 22

Re1 Re2
White White

1 2 8 9
9 8 2 1 1 2 3 4 5 5 4 3 2 1
10 11 3 4 5 6 7 17 18
18 17 7 6 5 4 3 11 10 6 7 8 9 10 10 9 8 7 6
12 13 14 15 16
16 15 14 13 12

- 13 -
Power Seat <Front Passenger's Seat>

Re3 Rf1
Gray White

2 1 1 2 8 9
1 2
4 3 9 8 2 1
3 4 10 11 3 4 5 6 7 17 18
12 13 14 15 16 18 17 7 6 5 4 3 11 10
16 15 14 13 12

cardiagn.com

- 14 -
Power Seat <Rear Passenger's Seat>

(BAT) (BAT)

5A 30A
RR MPX–B 2 RL SEAT

16 LD 1 LD

(Lumbar Support Position)


Rear Power Seat Position
R

Motor LH
M
7 Sf1 9 Sf1

f42
2

LG

W
R

16 B 1 A 1 B 2 B 19 B
SYSB +B LVM+ LVM– LIN

cardiagn.com
f24(A), f40(B)
Rear Power Seat Control ECU LH

GND PVCC SSRS SLD+ SLD– SGND HDWN HUP SSRH MR– MR+ SSMR
6 A 17 B 5 B 3 A 8 A 23 B 12 A 5 A 6 B 10 A 9 A 7 B
W–B

BR

LG
W

R
Y

Y
L

Motor and Sensor LH (Fold Position)


Rear Power Seat Motor and

Rear Power Seat Position


Rear Headrest Motor and
Position Sensor LH
Position Sensor LH

6 13 9 1 5 2 3 4 2
SSRS FWD BACK DOWN UP SSRV RNBL RNFL SSMR

PVCC GND GND PVCC GND PVCC


f33

f26

f41
8 7 3 4 6 5
W–B

W–B

W–B
BR
Y

9 11 18 19
Connector

Connector
Junction

Junction

1 Sf1
f36

f36

4 10 22 16 21
W–B

W–B

W–B

BR
Y

17 Sf1
W–B

6
W–B 8 2 W–B

S57
Junction
S2 Connector S3

-1-
Power Seat <Rear Passenger's Seat>

∗ 3 : 4–Seater
(BAT) ∗ 4 : 5–Seater

5A
RR MPX–B 2

57 LA
(∗4)
W

(∗4)

(∗3)

(∗3)

(∗3)
W
V

V
2

Connector
Junction
11 rS3 8 rS3
3 6

f36

Rear Console Switch


1 LIN B

cardiagn.com
(∗4)

(∗4)
W

Rear Power Seat Switch

E CANN CANP

S15
11 A 6 A 6 Sf1
Rear Console Switch

B LIN 5 2 1

Rear Power Seat Switch


V

W–B
(∗3)

(∗3)

(∗3)
W
r2(A)

B
E CANN CANP 5
3 A 2 A 1 A 4

6 S56
Junction Connector
W–B
(∗4)

(∗4)

(∗4)
W

22 rS3 7 rS3 6 rS3 6 RS1


W–B
(∗4)

(∗4)

(∗4)
W

6 Rf1
V

12
14 V V

f20
Junction B(∗3)
Connector
B(∗4)

W(∗3)

W(∗4)

4
S57
Junction
Connector

S2

-2-
Power Seat <Rear Passenger's Seat>

(BAT) (BAT)

10A 30A
P MPX–B RR SEAT

27 PJ 1 PJ
R

L
R42(A), R44(B)

8 A
Connector
Junction

3 B
R

8 Rf1 9 Rf1
R

6 B 1 A
SYSB +B

cardiagn.com
f4(A), f37(B)
Rear Power Seat Control ECU RH
LIN SSRR RCL+ RCL– PVCC SSRO OTO+ OTO– SSRS SLD+ SLD–
19 B 8 B 2 A 7 A 17 B 9 B 4 A 11 A 5 B 3 A 8 A
G–B
(∗1)

(∗1)

(∗1)

(∗1)

(∗1)

(∗1)

W
G

R
Y

B
L
V

2 5 1 6 9 13
15 Rf1 11 Rf1 10 Rf1 SSRO ROUP RODW SSRS FWD BACK
(∗1)

(∗1)

(∗1)

Motor and Sensor RH


G

PVCC PVCC GND GND


Ottoman Reclining

2 4 3 f16
4 8 3 7
SSRR RBFW RBBA Rear Power Seat Motor
and Position Sensor RH

W–B

W–B
(∗1)
Y

Y
R58

GND PVCC f20


10 9 Junction Connector 21 20
Connector

6 5
Junction

11
f20
(∗1)

(∗1)
B

8 7 19 18 22 17 16
W–B

W–B

W–B
(∗1)

BR
BR
(∗1)
Y

16 Rf1 14 Rf1
BR
17 Rf1
W–B
W–B
W–B
(∗1)

(∗1)
Y

B(∗3) B(∗3)

B(∗4) B(∗4)

W(∗3) W(∗3)

W(∗4) W(∗4)

6
8 W–B W–B

R41
Junction
R1 Connector

-3-
Power Seat <Rear Passenger's Seat>

∗ 1 : w/ Ottoman
∗ 3 : 4–Seater
∗ 4 : 5–Seater

(Lumbar Support Position)


Position Motor RH
Rear Power Seat

M
f39

1
B
LG

1 B 2 B 26 B 25 B
LVM+ LVM– SEL SEL2

cardiagn.com
f4(A), f37(B)
Rear Power Seat Control ECU RH

SGND HDWN HUP SSRH MR– MR+ SSMR GND


23 B 12 A 5 A 3 B 10 A 9 A 7 B 6 A
BR

BE

BE
W

P
L

W–B
Motor and Position

1 5 2 4 3 2
Rear Headrest

DOWN UP SSRV RNBR RNFR SSMR


Sensor RH

GND PVCC PVCC GND


f6

3 4 3 6 f38
Rear Power Seat
Position Motor and
W–B
BR

Sensor RH
Y

(Fold Position)

5
4 1 Rf1

6 f20
Junction
BR Connector
W–B
Y

BR

W–B

B(∗3) B(∗3)

B(∗4) B(∗4)

W(∗3) W(∗3)

W(∗4) W(∗4)

W–B

-4-
Power Seat <Rear Passenger's Seat>

(BAT)

P–D/C CUT
5A

2
Electric Power
Control ECU

BCUT

CUTD
1
z5(B), z16(C)
Integration Control and
57 PA Panel Assembly
B

L
5 4H 3 4F 51 DA
Return Switch

L6
Rear Seat

Outer Mirror Switch Assembly

5 4B 4 4B 29 DA

cardiagn.com
L

L MPX CANN CANP


7 3 2
G

3 5F
B
B

5 B 8 B (∗3, ∗2 ∗4)

B
L
1 A 5 C 8 C (∗1 ∗4) 3 A
B MPX
3 5I
L

E
5 A L75(A), z5(B), z16(C) B
Console Switch
W–B

1 4B 1 4H 1 4J
W–B

W–B

W–B

51 PA 40 PA

39 PA
W–B

B(∗3) B(∗3)

B(∗4) B(∗4)

W(∗3) W(∗3)

W(∗4) W(∗4)

W–B

L1 L3

-5-
Power Seat <Rear Passenger's Seat>

∗ 1 : w/ Ottoman
(IG) (ACC) (BAT) ∗ 2 : w/o Ottoman
∗ 3 : 4–Seater
10A D–IG1–3 ∗ 4 : 5–Seater

5A D–ACC

5A AM1

15 22 6
IG ACC ALTB

L11(A), L12(B)
Main Body ECU

GND1 GND2 GND3 CANP CANN LCTY RCTY


5 4 1 A 16 A 15 A 17 7 B

cardiagn.com
12 DD
W
B
W–B

R
L
40 DA 41 DA
L95
3 14 Junction Connector
W–B

W–B

16 RL2
11
Connector

10 21 4 15 18 7 22 11
Junction
L100

W
B

B
W
B

W
B

59 LS1 60 LS1

Rear Door Courtesy Switch RH


Rear Door Courtesy Switch LH

R
L
W
B

S60
B Junction
5 16 Connector

W 1 1

2 13 3 14
R12
S14
W

W
R
B

4 15
Connector
Junction

B
S59

1 12
W

B(∗3)

B(∗4) B

W(∗3) W

W(∗4)

W
W–B

L4

-6-
Power Seat <Rear Passenger's Seat>

(BAT) (BAT) (IG)

RR MPX–B 2
D RR DOOR

RR–IG1–2
25A

10A
5A
2 DD 10 LD 12 LD

Junction Connector
L11(A), L12(B) 1

R
L
Main Body ECU

S56
2

CANL CANH LIN2

Y
6 A 5 A 10 A
L

cardiagn.com
1 OS1 18 OS1 17 OS1
G

Junction Connector

3 3L
R

Y
L

14 3 O14(B), O15(C)
6 B 11 B 3 B Rear Door Control ECU LH
L97

BDR CPUB SIG


16 5 3 3K 3 3B

LIN1 CANN CANP GND MSWE IND CAN SET M


18 B 10 B 9 B 1 B 29 C 17 C 18 C 22 C 19 C
W–B
G

BE
LG
W

W
R

B
L

11 OS1 15 OS1 14 OS1 2 OS1 21 OQ2 14 OQ2 13 OQ2 12 OQ2 20 OQ2

10 PA 12 DA
W–B

BE
LG
W

R
P

B
L

5 7 1 3 2
7 PJ 27 DD SGND IND CAN SET M
SET

M
C
L

Q7
Rear Seat Memory Switch LH

B B

W W

B B

W W

W
W–B

S3

-7-
Power Seat <Rear Passenger's Seat>

(BAT) (BAT) (IG)

P RR DOOR

P MPX–B

P–IG1–2
10A

5A
25A
23 PJ 26 PJ 12 PJ

Junction Connector
R42(A), R44(B)
19 A
R
L

12 BL

cardiagn.com
1 OR1 11 OR1 10 OR1
GR
R
L

O2(A), O3(B)
6 B 11 B 3 B Rear Door Control ECU RH
BDR CPUB SIG

CANP CANN LIN1 MSWE IND CAN SET M GND


9 B 10 B 18 B 29 A 17 A 18 A 22 A 19 A 1 B

W–B
BE
LG

W
P

B
L
W
R

14 OR1 15 OR1 18 OR1 21 OQ1 14 OQ1 13 OQ1 12 OQ1 20 OQ1 2 OR1


W
R

W–B
BE
LG

R
P

B
L

2 13
Connector
Junction
R48

5 7 1 3 2
4 15 SGND IND CAN SET M
W
B

SET

M
C

59 LR1 60 LR1
W
B

W–B

Q2
Rear Seat Memory Switch RH

B B

W W

R R

G G

4
W–B 1 R41
Junction
Connector

R3 R1

-8-
Power Seat <Rear Passenger's Seat>

(IG) (BAT)

10A 10A
P–J/B D MPX–B 2

30 2C 42 DA

L
1
L136
6 LA1 Junction
Connector
2

P
L
L10
Combination Meter 14 13
IG2 B
TFT Module

cardiagn.com
TFT Panel CPU
TFT Buzzer
CPU

MPX–B

Master
5V IC
I/F

IG2
Back Light
CPU
Body
Earth LED DRIVER
CAN CONTROLLER

Signal
Earth

CAN I/F

CANP CANN CANH CANL ES E2


22 23 20 21 18 17

W–B
BR
W

G
R
B

Connector
Junction
L100

8
W–B

58 PA 41 DA

43 PA 40 DA
B
W–B

W
BR

L1 L4

-9-
Power Seat <Rear Passenger's Seat>

L6 L 10 L 11
White Black White

1 2 3 4 5 6
1 2 3 4 5 6 7 8 9 10 11 12 1 4
7 8 9 10 11 12 2 3
13 14 15 16 17 18 19 20 21 22 23 24
5 6 7 8 9 10
11 12 13 14 15 16

L 12 L 75 L 95
White White Gray

1 2 3 4 5 1 2 3 4 5 6 7 8 9 10 11
1 2 3 4 5 6 7 8 9 10
11 12 13 14 15 16 17 18 19 20 12 13 14 15 16 17 18 19 20 21 22

21 22 23 24 25 26 27 28

cardiagn.com
L 97 L100 L136 O2
Black Blue Black White

1 2 3 4 5 1 2 3 4
6 7 8 9 10 11 12

1 2 3 4 5 6 7 8 9 10 11 1 10
2 3 4 5 6 7 8 9
12 13 14 15 16 17 18 19 20 21 22
11 12 13 14 15 16 17 18 19 20 21 22

23 24 25 26 27 28 29 30

O3 O 14 O 15
White White White

1 2 5 6 1 2 5 6 1 10
3 4 3 4 2 3 4 5 6 7 8 9

7 8 9 10 11 12 13 14 15 16 7 8 9 10 11 12 13 14 15 16 11 12 13 14 15 16 17 18 19 20 21 22

17 18 19 20 21 22 23 24 17 18 19 20 21 22 23 24 23 24 25 26 27 28 29 30

Q2 Q7 R 12 R 41
White White White White

1 1 2 3

1 2 3 4 5 6 7 8 1 2 3 4 5 6 7 8 4 5 6 7 8

- 10 -
Power Seat <Rear Passenger's Seat>

R 42 R 44 R 48
Black Black Black

1 2 3 4 5 6 7 8 9 10 11 1 2 3 4 5 6 7 8 9 10 11 1 2 3 4 5 6 7 8 9 10 11
12 13 14 15 16 17 18 19 20 21 22 12 13 14 15 16 17 18 19 20 21 22 12 13 14 15 16 17 18 19 20 21 22

R 58 S 14 S 15 S 56
Black White White White

1 2 1

3 4 5 6 1 2 3 4 5 6 7 8
1 2 3 4 5 6 7 8 9 10 11
9 10 11 12 13 14 15 16
12 13 14 15 16 17 18 19 20 21 22

S 57 S 59 S 60
White Black Black

1 2 3

cardiagn.com
4 5 6 7 8 1 2 3 4 5 6 7 8 9 10 11 1 2 3 4 5 6 7 8 9 10 11
12 13 14 15 16 17 18 19 20 21 22 12 13 14 15 16 17 18 19 20 21 22

f4 f6 f 16 f 20
White White White White

1 2 3 4 5
6 7 8 9 10 11 12
1 2 3 4 5
1 2 3 4 5
1 2 3 4 5 6 7 8 9 10 11
6 7 8
9 13 12 13 14 15 16 17 18 19 20 21 22
10 11 12

f 24 f 26 f 33 f 36
White White White White

1 2 3 4 5
6 7 8 9 10 11 12
1 2 3 4 5
1 2 3 4 5
1 2 3 4 5 6 7 8 9 10 11
6 7 8
9 13 12 13 14 15 16 17 18 19 20 21 22
10 11 12

f 37 f 38 f 39
White White Orange

1 2
1 2
3 4 5 6
1 2 3 10 11 12
4 5 6 7 8 9
13 14 15 16 17 18 19 20 21 22 23 24 25 26

- 11 -
Power Seat <Rear Passenger's Seat>

f 40 f 41 f 42
White White Orange

1 2
1 2
3 4 5 6
1 2 3 10 11 12
4 5 6 7 8 9
13 14 15 16 17 18 19 20 21 22 23 24 25 26

r2 z5 z 16
White White White

1 2 3 4 5
1 2 3 4 5 6 1 2 3 4 5 6 7 8
6 7 8 9 10 11 12 13 14 15 16
7 8 9 10 11 12 9 10 11 12 13 14 15 16

2C 3B
White Gray

cardiagn.com
1 2 3 4 5 6 7 8 9 10 11 12

1 2 3 4 5 6 7 8 9 10 11 12 13 14 15 16 17 18

19 20 21 22 23 24 25 26 27 28 29 30 31 32 33 34 35 36

3K 3L
White Gray

1 2 3 4 5 6 7 8 9 10 11 12 1 2 3 4 5 6 7 8 9 10 11 12

4B 4F
Gray Gray

1 2 3 4 5 6 7 8 9 10 11 12 1 2 3 4 5 6 7 8 9 10 11 12

4H 4J
Gray Gray

1 2 3 4 5 6 7 8 9 10 11 12 1 2 3 4 5 6 7 8 9 10 11 12

5F 5I
Gray White

1 2 3 4 5 6 7 8 9 10 11 12 1 2 3 4 5 6 7 8 9 10 11 12

DA
White

7 8 9 10 11 12 13 14 15 16 17 18 19 20 21 22
1 2 3 4 5 6
23 24 25 26 27 28 29 30 31 32 33 34 35 36 37 38
39 40 41 42 43 44 45 46 47 48 49 50 51 52 53 54 55 56 57 58 59 60

- 12 -
Power Seat <Rear Passenger's Seat>

DD
Gray

7 8 9 10 11 12
1 2 3 4 5 6
13 14 15 16 17 18
19 20 21 22 23 24 25 26 27 28 29 30

LA
White

7 8 9 10 11 12 13 14 15 16 17 18 19 20 21 22
1 2 3 4 5 6
23 24 25 26 27 28 29 30 31 32 33 34 35 36 37 38
39 40 41 42 43 44 45 46 47 48 49 50 51 52 53 54 55 56 57 58 59 60

LD
Gray

cardiagn.com
7 8 9 10 11 12
1 2 3 4 5 6
13 14 15 16 17 18
19 20 21 22 23 24 25 26 27 28 29 30

PA
White

7 8 9 10 11 12 13 14 15 16 17 18 19 20 21 22
1 2 3 4 5 6
23 24 25 26 27 28 29 30 31 32 33 34 35 36 37 38
39 40 41 42 43 44 45 46 47 48 49 50 51 52 53 54 55 56 57 58 59 60

PJ
Gray

7 8 9 10 11 12
1 2 3 4 5 6
13 14 15 16 17 18
19 20 21 22 23 24 25 26 27 28 29 30

LA1
White

7 8 9 10 11 12 13 14 15 16 17 18 19 20 21 22
1 2 3 4 5 6
23 24 25 26 27 28 29 30 31 32 33 34 35 36 37 38
39 40 41 42 43 44 22 21 20 19 18 17 16 15 14 13 12 11 10 9 8 7
45 46 47 48 49 50 51 52 53 54 55 56 57 58 59 60 6 5 4 3 2 1
38 37 36 35 34 33 32 31 30 29 28 27 26 25 24 23
60 59 58 57 56 55 54 53 52 51 50 49 48 47 46 45 44 43 42 41 40 39

- 13 -
Power Seat <Rear Passenger's Seat>

LR1
White

7 8 9 10 11 12 13 14 15 16 17 18 19 20 21 22
1 2 3 4 5 6
23 24 25 26 27 28 29 30 31 32 33 34 35 36 37 38
39 40 41 42 43 44 22 21 20 19 18 17 16 15 14 13 12 11 10 9 8 7
45 46 47 48 49 50 51 52 53 54 55 56 57 58 59 60 6 5 4 3 2 1
38 37 36 35 34 33 32 31 30 29 28 27 26 25 24 23
60 59 58 57 56 55 54 53 52 51 50 49 48 47 46 45 44 43 42 41 40 39

LS1
White

7 8 9 10 11 12 13 14 15 16 17 18 19 20 21 22
1 2 3 4 5 6
23 24 25 26 27 28 29 30 31 32 33 34 35 36 37 38
39 40 41 42 43 44 22 21 20 19 18 17 16 15 14 13 12 11 10 9 8 7
45 46 47 48 49 50 51 52 53 54 55 56 57 58 59 60 6 5 4 3 2 1
38 37 36 35 34 33 32 31 30 29 28 27 26 25 24 23
60 59 58 57 56 55 54 53 52 51 50 49 48 47 46 45 44 43 42 41 40 39

cardiagn.com
OQ1
White

9 8 7 6 5 4 3 2 1
1 2 3 4 5 6 7 8 9
25 16 15 14 13 12 11 10 17
17 10 11 12 13 14 15 16 25 24 23 22 21 20 19 18
18 19 20 21 22 23 24

OQ2
White

9 8 7 6 5 4 3 2 1
1 2 3 4 5 6 7 8 9
25 16 15 14 13 12 11 10 17
17 10 11 12 13 14 15 16 25 24 23 22 21 20 19 18
18 19 20 21 22 23 24

- 14 -
Power Seat <Rear Passenger's Seat>

OR1
White

6 5 4 3 2 1

1 2 3 4 5 6 21 20 19 11 10 9 8 7 13 12
7 8 9 10 11 19 18 17 16 15 14
12 13 20 21
14 15 16 17 18

OS1
White

cardiagn.com
6 5 4 3 2 1

1 2 3 4 5 6 21 20 19 11 10 9 8 7 13 12
7 8 9 10 11 19 18 17 16 15 14
12 13 20 21
14 15 16 17 18

RL2
White

11 10 9 8 7 6 5 4 3 2 1
1 2 3 4 5 6 7 8 9 10 11
22 21 20 19 18 17 16 15 14 13 12
12 13 14 15 16 17 18 19 20 21 22

RS1
White

11 10 9 8 7 6 5 4 3 2 1
1 2 3 4 5 6 7 8 9 10 11
22 21 20 19 18 17 16 15 14 13 12
12 13 14 15 16 17 18 19 20 21 22

- 15 -
Power Seat <Rear Passenger's Seat>

Rf1
White

1 2 8 9
9 8 2 1
10 11 3 4 5 6 7 17 18
12 13 14 15 16 18 17 7 6 5 4 3 11 10
16 15 14 13 12

Sf1
White

1 2 8 9
9 8 2 1
10 11 3 4 5 6 7 17 18
12 13 14 15 16 18 17 7 6 5 4 3 11 10
16 15 14 13 12

cardiagn.com
rS3
White

11 10 9 8 7 6 5 4 3 2 1
1 2 3 4 5 6 7 8 9 10 11
22 21 20 19 18 17 16 15 14 13 12
12 13 14 15 16 17 18 19 20 21 22

- 16 -
Power Trunk Opener and Closer

(IG) (BAT) (BAT)

10A 30A 10A


RR–IG1–2 PTL RR MPX–B 1

60 LA 3 LA 55 LA
G
Y

S43
8 12 10 Power Trunk Lid Control ECU
IG B ECUB

GND CANL CANH HALF PAWL LCTY BDCY LOPN LCM+ LCM– LPSW LDDN

cardiagn.com
11 5 6 7 20 22 9 24 2 1 19 4
W–B

R–B

BR
W

W
G

G
B

B
L

L
Luggage Electrical
3 5 7 6 2 1 4 2 4

Power Trunk Lid


FSW CLS CTY +B OPN M+ M–

Key Switch

Switch
S38

S40
1 3
E
W–B

W–B
S36 8
Luggage Closer Motor
B

21
Connector
Junction

18
S55

16
W–B

7 11
Connector
Junction
S55

10 8
W–B

B
W–B

7
S57 W–B
Junction
Connector

S2

-1-
Power Trunk Opener and Closer

(IG) (BAT) (BAT) (BAT) (IG) (BAT)

RR MPX–B 2

RR MPX–B 1

SECURITY
RR–IG1–2

P MPX–B

5A P IG2
10A
10A

10A

5A
5A
W

B
22 PA 60 PA 17 DA

L
7 4J 10 4H 11 4F

7 4A 10 4A 11 4A

W
R

B
L

L
8 15 7 20 A 18 A 1 A 28 A 27 A
IG LGLB MPXB CUTB IG +B1 CANL CANH
S62(B), S63(C) L15(A)
Rear Junction Block ECU Certification ECU
TKUL PGND SG CANN CANP RC0 RDA ASEL RSSI E

cardiagn.com
10 C 4 17 28 B 20 B 29 A 38 A 37 A 39 A 17 A

43 LA 29 LA

W–B
W
G

L 1 4A
W–B

W–B

W
V

3 LR1 41 LR1 42 LR1 4 LR1


Luggage Compartment

1 4H 1 4J
Door Lock Cylinder

2
W
G

W–B

W–B
2 3 4 5
S39

1 +5 DATA ASEL RSSI


51 PA 40 PA
B

GND
R37 6
Door Control
Receiver 39 PA
W–B

W–B
W–B

W–B

B W

B B

W W

7 1 1
W–B 6 S54 R43 W–B
Junction Junction
Connector Connector

S1 R2 L3 L1

-2-
Power Trunk Opener and Closer

R
(IG)
G
W
10A
E/G RM–IG1–1
B

G
R
B

Junction Connector

Junction Connector
5 16 3 14 3 14
7 2A
L95

L97
G
4 15 4 15 5 16

2 EA4
W

G
R

R
B

G
59 LS1 60 LS1 2
E49
PL RB Park/Neutral
Position Switch 45 LA1 46 LA1
P

cardiagn.com
6
W
B

Junction Connector

G
R

Junction Connector
5 16
11 22
S60

3 A
E52(A)
2 13 Junction

A67
Connector
4 A 9 20 10 21
W
B

Junction Connector

G
R

4 15 P

12 E 14 A 13 A
S59

P CANH CANL
3 14 2 13

A13(A), E3(E)
W

W
B

Engine Control Module


V

A19(A), A21(C)
Skid Control ECU 9 C 8 C
CANH CANL

FL+ FL– FR+ FR– RL+ RL– RR+ RR–


16 C 15 C 16 A 15 A 11 A 10 A 11 C 10 C
B

Y
L

W Front Speed Sensor Rear Speed Sensor

B
G
W
R

-3-
Power Trunk Opener and Closer

W (IG) (ACC) (BAT)

R
10A 5A 5A
D–IG1–3 D–ACC AM1
G

W
G

6 A 5 A 15 A 16 A 15 22 6
CANL CANH CANN CANP IG ACC ALTB
L11(A), L13(C)
Main Body ECU
TMSW GND1 GND2 GND3 TSW

cardiagn.com
3 A 5 4 1 A 26 C
W–B
W

L
Luggage Compartment

45 DA 40 DA 41 DA
Door Opener Cancel

4
2
B

Compartment

Opening Switch
Luggage Door
W–B

W–B

W–B

Luggage
Switch

Door
L83

11 L
Connector

L3
Junction

3
L100

8
B

2 3L 1 4E

1 3H 1 4H 1 4J
W–B

W–B

W–B

51 PA 40 PA

39 PA
W–B

W–B

G G

R R

W–B

L4 L1 L3

-4-
Power Trunk Opener and Closer

(IG) (BAT)

10A 10A
P–J/B D MPX–B 2

30 2C 42 DA
L

L
1
L136
6 LA1 Junction
Connector
2
P
L

L10
14 13 Combination Meter
IG2 B

cardiagn.com
5V IC

CPU

CAN
CONTROLLER

CAN I/F

CANL CANH ES E2
21 20 18 17
W–B
G

BR

6
Connector
Junction
L100

8
W–B

58 PA 41 DA

43 PA 40 DA
W–B
BR

L1 L4

-5-
Power Trunk Opener and Closer

A 13 A 19
White Black

1 2 3 4 5 6

7 8 9 10 11 12 13 14 15 16 3 4 5 6 7 8 9 10 11 12 13 14 15 16
1 2
17 18 19 20 21 22 23 24 25 26 27 17 18 19 20 21 22 23 24 25 26 27 28 29 30

28 29 30 31 32 33 34 35 31 32
33 34 35 36 37 38 39 40 41 42 43 44 45 46

A 21 A 67
Gray Black

1 2 3 4 5 6 7 8 9 10 11
3 4 5 6 7 8 9 10 11 12 13 14 15 16 12 13 14 15 16 17 18 19 20 21 22
1 2
17 18 19 20 21 22 23 24 25 26 27 28 29 30

cardiagn.com
31 32
33 34 35 36 37 38 39 40 41 42 43 44 45 46

E3 E 49 E 52
White Gray Black

1 2 3 4 5 6 1 2 3 4
1 2 3 4 5 6 7 8 9 10 11
7 8 9 10 11 12 13 14 15 16 5 6 7 8 9
12 13 14 15 16 17 18 19 20 21 22
17 18 19 20 21 22 23 24 25 26
27 28 29 30 31 32 33

L3 L 10 L 11
Black Black White

1 2 3 4 5
1 2 3 4 5 6 7 8 9 10 11 12 1 4
2 3
13 14 15 16 17 18 19 20 21 22 23 24
5 6 7 8 9 10
11 12 13 14 15 16

-6-
Power Trunk Opener and Closer

L 13 L 15 L 83
White White Blue

1 2 3 4 5 6 7 8 9 10 11 12 13 14 15 16 17 1 2
1 2 3 4 5 6
18 19 20 21 22 23 24 25 26 27 28 29 30 31 32 33 34 35 36 37 38 39 40

7 8 9 10 11 12 13 14 15 16 17
18 19 20 21 22 23 24 25 26

L 95 L 97 L100 L136
Gray Black Blue Black

1 2 3 4 5 1 2 3 4
6 7 8 9 10 11 12

1 2 3 4 5 6 7 8 9 10 11 1 2 3 4 5 6 7 8 9 10 11
12 13 14 15 16 17 18 19 20 21 22 12 13 14 15 16 17 18 19 20 21 22

R 37 R 43 S 36 S 38 S 39
White White White White White

cardiagn.com
1 2 3
1 2 3 1 2 3 4 5 6 7 8
7 1 2
4 5 6 4 5 6 7 8
2 1

S 40 S 43 S 54
Black White White

1 2 3
1 2 3 4 5 6 4 5 6 7 8
1 2 3 10 11 12
4 5 6 7 8 9
13 14 15 16 17 18 19 20 21 22 23 24 25 26

S 55 S 57 S 59
White White Black

1 2 3

1 2 3 4 5 6 7 8 9 10 11 4 5 6 7 8 1 2 3 4 5 6 7 8 9 10 11
12 13 14 15 16 17 18 19 20 21 22 12 13 14 15 16 17 18 19 20 21 22

S 60 S 62 S 63
Black White White

1 2 3 4 5 6 7 8 9 10 11 1 2 3 4 5 6 7 8 9 10 1 4
2 3
12 13 14 15 16 17 18 19 20 21 22 11 12 13 14 15 16 17 18 19 20
5 6 7 8 9 10
21 22 23 24 25 26 27 28
11 12 13 14 15 16

-7-
Power Trunk Opener and Closer

2A 2C
Black White

1 2 3 4 5
6 7 8 9 10 11 12 13 1 2 3 4 5 6 7 8 9 10 11 12 13 14 15 16 17 18

19 20 21 22 23 24 25 26 27 28 29 30 31 32 33 34 35 36

3H 3L
Gray Gray

1 2 3 4 5 6 7 8 9 10 11 12 1 2 3 4 5 6 7 8 9 10 11 12

4A 4E
White White

1 2 3 4 5 6 7 8 9 10 11 12 1 2 3 4 5 6 7 8 9 10 11 12

4F 4H
Gray Gray

cardiagn.com
1 2 3 4 5 6 7 8 9 10 11 12 1 2 3 4 5 6 7 8 9 10 11 12

4J DA
Gray White

1 2 3 4 5 6 7 8 9 10 11 12

7 8 9 10 11 12 13 14 15 16 17 18 19 20 21 22
1 2 3 4 5 6
23 24 25 26 27 28 29 30 31 32 33 34 35 36 37 38
39 40 41 42 43 44 45 46 47 48 49 50 51 52 53 54 55 56 57 58 59 60

LA
White

7 8 9 10 11 12 13 14 15 16 17 18 19 20 21 22
1 2 3 4 5 6
23 24 25 26 27 28 29 30 31 32 33 34 35 36 37 38
39 40 41 42 43 44 45 46 47 48 49 50 51 52 53 54 55 56 57 58 59 60

PA EA4
White White

7 8 9 10 11 12 13 14 15 16 17 18 19 20 21 22
1 2 3 4 5 6
23 24 25 26 27 28 29 30 31 32 33 34 35 36 37 38
39 40 41 42 43 44 45 46 47 48 49 50 51 52 53 54 55 56 57 58 59 60 1 2
3 4 2 1
4 3

-8-
Power Trunk Opener and Closer

LA1
White

7 8 9 10 11 12 13 14 15 16 17 18 19 20 21 22
1 2 3 4 5 6
23 24 25 26 27 28 29 30 31 32 33 34 35 36 37 38
39 40 41 42 43 44 22 21 20 19 18 17 16 15 14 13 12 11 10 9 8 7
45 46 47 48 49 50 51 52 53 54 55 56 57 58 59 60 6 5 4 3 2 1
38 37 36 35 34 33 32 31 30 29 28 27 26 25 24 23
60 59 58 57 56 55 54 53 52 51 50 49 48 47 46 45 44 43 42 41 40 39

LR1
White

7 8 9 10 11 12 13 14 15 16 17 18 19 20 21 22
1 2 3 4 5 6
23 24 25 26 27 28 29 30 31 32 33 34 35 36 37 38
39 40 41 42 43 44 22 21 20 19 18 17 16 15 14 13 12 11 10 9 8 7
45 46 47 48 49 50 51 52 53 54 55 56 57 58 59 60 6 5 4 3 2 1
38 37 36 35 34 33 32 31 30 29 28 27 26 25 24 23
60 59 58 57 56 55 54 53 52 51 50 49 48 47 46 45 44 43 42 41 40 39

cardiagn.com
LS1
White

7 8 9 10 11 12 13 14 15 16 17 18 19 20 21 22
1 2 3 4 5 6
23 24 25 26 27 28 29 30 31 32 33 34 35 36 37 38
39 40 41 42 43 44 22 21 20 19 18 17 16 15 14 13 12 11 10 9 8 7
45 46 47 48 49 50 51 52 53 54 55 56 57 58 59 60 6 5 4 3 2 1
38 37 36 35 34 33 32 31 30 29 28 27 26 25 24 23
60 59 58 57 56 55 54 53 52 51 50 49 48 47 46 45 44 43 42 41 40 39

-9-
Power Tilt and Power Telescopic

W
(BAT) (IG) (BAT)
B

30A 5A 10A
TI&TE D–IG1–1 D MPX–B 1

3 DA 21 DA 36 DA
G

12 5F 5 5F
B

12 5K 5 5K

cardiagn.com
W
G

B
L34
2 8 9 Multiplex Tilt and Telescopic ECU 14 5
+B IG ECUB CANN CANP

TIM+ TIM– VCI TIS E1 TEM+ TEM– VCE TES E1 GND


10 1 6 7 17 11
GR

LG

G
Y

W–B
1 2 4 5 6
TIM+ TIM– VCI TIS E1
M Telescopic Sensor

M Tilt Sensor Telescopic


Motor
Tilt Motor GND
L26 3
Power Tilt Motor
W–B

1 5K

1 5F 1 5J

W–B W–B

57 40
W–B W–B
DA DA W–B

L4 L2

-1-
Power Tilt and Power Telescopic

W W

B B

(IG) (BAT)

P–D/C CUT
D–IG1–1
5A

5A
21 DA
2
BCUT
Electric Power
Control ECU
CUTD
1

35 PA 57 PA

cardiagn.com
G

B
12 5F 8 5B 5 4H

12 5J 8 5J 4 4A
Windshield Wiper Switch
W

G
R

6 A 5 A 2 A 1 A
L25(A), z6(B)

CANN CANP IG B

E
8 A
G–W

G–R

W–B

8 B 10 B
VC MSW
Telescopic

Telescopic

Tilt Down
Tilt Up
Stretch

Shrink

Tilt and Telescopic Switch

z6(B)
Headlight Dimmer Switch
W–B B

-2-
Power Tilt and Power Telescopic

W W

B B

W W

R R

(BAT) (IG) (BAT)

10A 5A 5A
P MPX–B P IG2 SECURITY

22 PA 60 PA 17 DA
R

7 4J 10 4H 11 4F

cardiagn.com
7 4A 10 4A 11 4A
R

20 A 18 A 1 A
CUTB IG +B1

L15(A)
Certification ECU
RC0 RDA ASEL RSSI E CANL CANH
29 A 38 A 37 A 39 A 17 A 28 A 27 A
W–B
W

W
G

B
L

1 4A
3 LR1 41 LR1 42 LR1 4 LR1

1 4H 1 4J
W
G

W–B

W–B

2 3 4 5
+5 DATA ASEL RSSI
51 PA 40 PA

GND
R37 6
Door Control
Receiver 39 PA
W–B

W–B

B B

B
1
R43 W–B W
Junction
Connector

R2 L3 L1

-3-
Power Tilt and Power Telescopic

W W

B B

W W

R R

(BAT) (BAT) (IG) (BAT) (IG) (ACC) (BAT)

10A D–IG1–3
D MPX–B 1

5A D–ACC
D DOOR 2

D DOOR 1

D–IG1–3

5A AM1
L11(A), L13(C)
Main Body ECU

10A
10A

25A

10A
ALTB ACC IG
6 22 15

4 DD 1 DD 8 DD 17 DD
GR
R

B
L

15 NS2 3 NS1 17 NS2 18 NS2

cardiagn.com
R
B

L
BE
R

R
B

B
L

2 PN2 7 PN2 3 PN2

16 B 6 B 3 B 11 B 27 C 1 C 26 C

R
B

L
BDG1 BDR SIG CPUB SGND LIN2 CPBJ

11 17 12
N10(B), P10(C)
Front Door Control ECU LH B LIN1 GND
+B
MSWE M1 M2 M3 MM BCUT GND CANN CANP
29 C 13 C 14 C 15 C 16 C 4 B 1 B 10 B 9 B
12V
W–B
BE

W
R

R
V

7 4 2 1 5
6 NS2 5 NS1 5V
E 1 2 3 MMRY
W–B
SET

B
1

Control Circuit

48 LS1
Door Lock

Unlock
Lock

P7
Power Window Regulator

Switch

Front Seat Memory Switch LH


B

Master Switch
N13

B W

B B

W W

S3

-4-
Power Tilt and Power Telescopic

W W

B B

W W

R R

L11(A), L13(C)
Main Body ECU
GND1 GND2 GND3 DCTY CANL CANH
5 4 1 A 24 C 6 A 5 A
W–B

R
40 DA 41 DA
W–B

W–B

4 4E

11
Connector
Junction

cardiagn.com
L100

8 4 4F

W
W

14 DA

15 4 2 13
Connector

30 DD
Junction

Connector
Junction
S59

S60

14 3
1 12
Front Door Courtesy Switch LH
R

W
R

1
W

10 Se2 9 Se2
S6

W
R

28 B 20 B 25 B 24 B
CANN CANP CANP CANN
W–B

S62(B) e46(B)
Rear Junction Front Power Seat
Block ECU Control ECU and
Switch LH
R R

W W

B B

W W

R
L4
G

-5-
Power Tilt and Power Telescopic

L11(A), L13(C)
Main Body ECU
CANP CANN
16 A 15 A
W

W
R
B

B
Junction Connector

3 14 8 19 6 17
L95

4 15 5 16

cardiagn.com
W

W
B

59 LS1 60 LS1
W
B

Junction Connector

5 16
S60

4 15
W
R

2 NS2 1 NS2
W
R

R R

G G

-6-
Power Tilt and Power Telescopic

(IG)

10A
E/G RM–IG1–1

7 2A

Front Speed Sensor

G
2 EA4
B

G
A19(A), A21(C)
16 C 15 C 16 A 15 A Skid Control ECU 2
FL+ FL– FR+ FR– PL RB NL

Position Switch
Park/Neutral
RL+ RL– RR+ RR– CANH CANL P
11 A 10 A 11 C 10 C 9 C 8 C
N

E49

cardiagn.com
6 9
Y

P
L

Connector
3 A 11 A

Junction
E52(A)
Rear Speed Sensor
4 A 10 A

G–R
W
12 E 13 E

Engine Control
A13(A), E3(E)
P N

Module
CANH CANL
14 A 13 A
G
R
V

10 21 9 20
Connector
Junction
A67

11 22
G
R

45 LA1 46 LA1
Junction Connector
G
R

4 15
L97

3 14 5 16
G

G
R

-7-
Power Tilt and Power Telescopic

(IG) (BAT)

10A 10A
P–J/B D MPX–B 2

30 2C 42 DA
L

1
L136
6 LA1 Junction
Connector
2
P
L

L10
14 13 Combination Meter
IG2 B

cardiagn.com
5V IC

CPU

CAN
CONTROLLER

CAN I/F

CANL CANH ES E2
21 20 18 17
W–B
G

BR

6
Connector
Junction
L100

8
W–B

58 PA 41 DA

43 PA 40 DA
W–B
BR

L1 L4

-8-
Power Tilt and Power Telescopic

A 13 A 19
White Black

1 2 3 4 5 6

7 8 9 10 11 12 13 14 15 16 3 4 5 6 7 8 9 10 11 12 13 14 15 16
1 2
17 18 19 20 21 22 23 24 25 26 27 17 18 19 20 21 22 23 24 25 26 27 28 29 30

28 29 30 31 32 33 34 35 31 32
33 34 35 36 37 38 39 40 41 42 43 44 45 46

A 21 A 67
Gray Black

1 2 3 4 5 6 7 8 9 10 11
3 4 5 6 7 8 9 10 11 12 13 14 15 16 12 13 14 15 16 17 18 19 20 21 22
1 2
17 18 19 20 21 22 23 24 25 26 27 28 29 30

cardiagn.com
31 32
33 34 35 36 37 38 39 40 41 42 43 44 45 46

E3 E 49 E 52
White Gray Black

1 2 3 4 5 6 1 2 3 4
1 2 3 4 5 6 7 8 9 10 11
7 8 9 10 11 12 13 14 15 16 5 6 7 8 9
12 13 14 15 16 17 18 19 20 21 22
17 18 19 20 21 22 23 24 25 26
27 28 29 30 31 32 33

L 10 L 11 L 13
Black White White

1 2 3 4 5 6 7 8 9 10 11 12 1 2 3 4 5 6
1 4
2 3
13 14 15 16 17 18 19 20 21 22 23 24
5 6 7 8 9 10 7 8 9 10 11 12 13 14 15 16 17
11 12 13 14 15 16 18 19 20 21 22 23 24 25 26

L 15 L 25 L 26
White White White

1 2
1 2 3 4 5 6 7 8 9 10 11 12 13 14 15 16 17 1 2 3 4 3 4 5 6
18 19 20 21 22 23 24 25 26 27 28 29 30 31 32 33 34 35 36 37 38 39 40 5 6 7 8

-9-
Power Tilt and Power Telescopic

L 34 L 95 L 97
White Gray Black

1 2 3 4 5 6 7 8 9
1 2 3 4 5 6 7 8 9 10 11 1 2 3 4 5 6 7 8 9 10 11
10 11 12 13 14 15 16 17 18
12 13 14 15 16 17 18 19 20 21 22 12 13 14 15 16 17 18 19 20 21 22

L100 L136 N 10 N 13
Blue Black White White

1 2 3 4 5 1 2 3 4
6 7 8 9 10 11 12

1 2 5 6 1 2 3 4 5 6 7 8 9 10
3 4
11 12 13 14 15 16 17 18 19 20
7 8 9 10 11 12 13 14 15 16

17 18 19 20 21 22 23 24

P7 P 10 R 37
White White White

cardiagn.com
1 2 3
4 5 6 7
1 2 3 4 5 6 7 8 1 10
2 3 4 5 6 7 8 9

11 12 13 14 15 16 17 18 19 20 21 22

23 24 25 26 27 28 29 30

R 43 S6 S 59 S 60
White White Black Black

1 2 3 1
4 5 6 7 8 1 2 3 4 5 6 7 8 9 10 11 1 2 3 4 5 6 7 8 9 10 11
12 13 14 15 16 17 18 19 20 21 22 12 13 14 15 16 17 18 19 20 21 22

S 62 e 46
White White

1 2 3 4 5 6 7 8 9 10 1 2 3 10 11 12
4 5 6 7 8 9
11 12 13 14 15 16 17 18 19 20
13 14 15 16 17 18 19 20 21 22 23 24 25 26
21 22 23 24 25 26 27 28

z6 2A
White Black

1 2 3 4 5

1 2 3 4 5 6 7 8 9 10 6 7 8 9 10 11 12 13

11 12 13 14 15 16 17 18 19 20

- 10 -
Power Tilt and Power Telescopic

2C 4A
White White

1 2 3 4 5 6 7 8 9 10 11 12

1 2 3 4 5 6 7 8 9 10 11 12 13 14 15 16 17 18

19 20 21 22 23 24 25 26 27 28 29 30 31 32 33 34 35 36

4E 4F
White Gray

1 2 3 4 5 6 7 8 9 10 11 12 1 2 3 4 5 6 7 8 9 10 11 12

4H 4J
Gray Gray

1 2 3 4 5 6 7 8 9 10 11 12 1 2 3 4 5 6 7 8 9 10 11 12

5B 5F
Gray Gray

cardiagn.com
1 2 3 4 5 6 7 8 9 10 11 12 1 2 3 4 5 6 7 8 9 10 11 12

5J 5K
Gray White

1 2 3 4 5 6 7 8 9 10 11 12 1 2 3 4 5 6 7 8 9 10 11 12

DA
White

7 8 9 10 11 12 13 14 15 16 17 18 19 20 21 22
1 2 3 4 5 6
23 24 25 26 27 28 29 30 31 32 33 34 35 36 37 38
39 40 41 42 43 44 45 46 47 48 49 50 51 52 53 54 55 56 57 58 59 60

DD
Gray

7 8 9 10 11 12
1 2 3 4 5 6
13 14 15 16 17 18
19 20 21 22 23 24 25 26 27 28 29 30

PA EA4
White White

7 8 9 10 11 12 13 14 15 16 17 18 19 20 21 22
1 2 3 4 5 6
23 24 25 26 27 28 29 30 31 32 33 34 35 36 37 38
39 40 41 42 43 44 45 46 47 48 49 50 51 52 53 54 55 56 57 58 59 60 1 2
3 4 2 1
4 3

- 11 -
Power Tilt and Power Telescopic

LA1
White

7 8 9 10 11 12 13 14 15 16 17 18 19 20 21 22
1 2 3 4 5 6
23 24 25 26 27 28 29 30 31 32 33 34 35 36 37 38
39 40 41 42 43 44 22 21 20 19 18 17 16 15 14 13 12 11 10 9 8 7
45 46 47 48 49 50 51 52 53 54 55 56 57 58 59 60 6 5 4 3 2 1
38 37 36 35 34 33 32 31 30 29 28 27 26 25 24 23
60 59 58 57 56 55 54 53 52 51 50 49 48 47 46 45 44 43 42 41 40 39

LR1
White

7 8 9 10 11 12 13 14 15 16 17 18 19 20 21 22
1 2 3 4 5 6
23 24 25 26 27 28 29 30 31 32 33 34 35 36 37 38
39 40 41 42 43 44 22 21 20 19 18 17 16 15 14 13 12 11 10 9 8 7
45 46 47 48 49 50 51 52 53 54 55 56 57 58 59 60 6 5 4 3 2 1
38 37 36 35 34 33 32 31 30 29 28 27 26 25 24 23
60 59 58 57 56 55 54 53 52 51 50 49 48 47 46 45 44 43 42 41 40 39

cardiagn.com
LS1
White

7 8 9 10 11 12 13 14 15 16 17 18 19 20 21 22
1 2 3 4 5 6
23 24 25 26 27 28 29 30 31 32 33 34 35 36 37 38
39 40 41 42 43 44 22 21 20 19 18 17 16 15 14 13 12 11 10 9 8 7
45 46 47 48 49 50 51 52 53 54 55 56 57 58 59 60 6 5 4 3 2 1
38 37 36 35 34 33 32 31 30 29 28 27 26 25 24 23
60 59 58 57 56 55 54 53 52 51 50 49 48 47 46 45 44 43 42 41 40 39

NS1 NS2
White White

1 2 3 4 5 9 8 7 6 5 4 3 2 1
5 4 3 2 1 1 2 3 4 5 6 7 8 9
6 7 8 9 10 10 9 8 7 6 18 17 16 15 14 13 12 11 10
10 11 12 13 14 15 16 17 18

PN2 Se2
White White

1 2 3 4 1 2 3 4 5 5 4 3 2 1
4 3 2 1
5 6 7 8 6 7 8 9 10 10 9 8 7 6
8 7 6 5

- 12 -
Power Window

(BAT) (BAT) (BAT) (IG) (BAT) B


P–D/C CUT

D MPX–B 1
D DOOR 2

D DOOR 1
BE

D–IG1–3
10A
10A

25A
L

10A
5A

4 DD 1 DD 8 DD 17 DD L

GR B
R

B
L

L
15 NS2 3 NS1 17 NS2 18 NS2 14 NS2

cardiagn.com
BE

BE
R

R
B

B
L

L
2 16 B 6 B 3 B 11 B 8 B 2 B 5 B 13 B 27 C 1 C 26 C
Electric Power
Control ECU

BCUT BDG1 BDR SIG CPUB LIN1 PWE BDRJ LIN3 SGND LIN2 CPBJ
N9(A), N10(B), P10(C)
Front Door Control ECU LH
CUTD
BCUT GND KL KUL LSWE CANN CANP
1
4 B 1 B 23 A 22 A 13 A 10 B 9 B

57 PA
W–B

GR

R
B

B
B

5 4H 6 NS2 5 NS1 9 10 7
L UL E
W–B
B

Unlock
Lock
Key

Key

4 4A
48 LS1

B
N15
Front Door Lock Motor LH

W
W–B

S3

-1-
Power Window

L L

BE

BE

B
L
L

B 9 2 1
LIN B E
HALL IC

M
UP1 DWN1 LED
R
B

10 N11 7 5
Front Power Window
2 PN2 7 PN2 3 PN2 Regulator Motor LH

GR

BR
R
B

cardiagn.com
11 17 12 20 15 18
B LIN1 GND UP DOWN LED
+B 12V 12V 12V
Down Switch

12V
Driver Side

Driver Side
Up Switch

+B +B

5V

Control Circuit
Front Passenger

Control Switch

Control Switch
Rear RH Side
Window Lock

Rear LH Side
Auto Switch
Driver Side

Side Control
Switch

Switch

N13
Power Window Regulator
Master Switch

R R

W W

-2-
Power Window

L L

L
(BAT) P DOOR 2 (BAT) (IG) (BAT)

P DOOR 1

P MPX–B
P–IG1–1
10A

10A
10A

25A

19 PJ 20 PJ 13 PJ 28 PJ
GR
R

R
V

L
N3
Front Power Window Regulator Motor RH

M HALL IC

4 NR2 3 NR1 13 NR2 12 NR2 14 NR2

E B LIN UP1 DWN1 AUTO LED


1 2 9 10 7 4 5
BE
R

R
V

cardiagn.com
GR

BR
BE
B

Y
L

L
16 A 6 A 3 A 11 A 8 A 2 A 5 A 13 A
BDG1 BDR SIG CPUB LIN1 PWE BDRJ LIN3
N1(A), P4(C)
Front Door Control ECU RH
GND CANN CANP SGND
1 A 10 A 9 A 27 C
W–B

5 NR1 5 PN1
W–B

GR

BR
R

Y
L

5 2 10 4 8
GND UP DOWN AUTO LED
Auto Down
Auto Up
Down
Up

N6
Front Power Window Switch RH

R R

W W
W–B

R3

-3-
Power Window

L L

L L

L
(BAT) (BAT) (IG)

RR MPX–B 2
D RR DOOR

RR–IG1–2
10A
25A

5A

2 DD 10 LD 12 LD
Y

O19
Rear Power Window Regulator Motor LH
1
Connector
Junction
R
L

M HALL IC
S56

2
Y

1 OS1 18 OS1 17 OS1 11 OS1 E B LIN UP1 DWN1 AUTO LED


1 2 9 10 7 4 5

cardiagn.com
GR
BR
BE
R

Y
L

L
6 B 11 B 3 B 18 B 2 B 5 B 8 B
BDR CPUB SIG LIN1 PWE BDRJ LIN3
O14(B), O15(C)
Rear Door Control ECU LH
GND CANN CANP SGND
1 B 10 B 9 B 25 C
W–B

2 OS1
W–B

GR
BR
R

L
5 2 10 4 8
GND UP DOWN AUTO LED
Auto Down
Auto Up
Down
Up

O18
Rear Power Window Switch LH

R R

W W

R R

W W
W–B

S2

-4-
Power Window

L L

L L

L L

L
(BAT) (BAT) (IG)
P RR DOOR

P MPX–B

P–IG1–2
10A

5A
25A

23 PJ 26 PJ 12 PJ
L

O8
R42(A), R44(B)

19 A Rear Power Window Regulator Motor RH


R
L

Connector
Junction

M HALL IC
12 B

cardiagn.com
L

E B LIN UP1 DWN1 AUTO LED


1 2 9 10 7 4 5
1 OR1 11 OR1 10 OR1 18 OR1
GR

GR
BR
BE
R

Y
L

L
6 B 11 B 3 B 18 B 2 B 5 B 8 B
BDR CPUB SIG LIN1 PWE BDRJ LIN3
O2(A), O3(B)
Rear Door Control ECU RH
GND CANN CANP SGND
1 B 10 B 9 B 25 A
W–B

GR
BR
W

L
2 OR1 5 2 10 4 8
GND UP DOWN AUTO LED

Rear Power Window


W–B

Auto Down
Auto Up
Down
Up

Switch RH
O7

R R

W W

R R

W W

R R

W W

4
Connector
Junction

1 W–B
R41

R1 R3

-5-
Power Window

L L

L L

L L

L L

W
B

B
3 14 5 16

Connector
Junction
L95
4 15 11 22
W

W
B

cardiagn.com
59 LS1 60 LS1 59 LR1 60 LR1
W

W
B

S60 R48
Junction Junction
Connector 5 16 4 15 Connector

3 14 4 15 2 13 1 12
W

W
R

14 OS1 15 OS1 2 NS2 1 NS2 14 OR1 15 OR1 8 NR2 9 NR2


W

W
R

-6-
Power Window

L L

L L

L L

L L

B B

W W

B
(BAT) (IG) (BAT)
W

SECURITY
P MPX–B

P IG2
5A
10A

5A
22 PA 60 PA 17 DA
R

L
7 4J 10 4H 11 4F

cardiagn.com
7 4A 10 4A 11 4A
W

R
B

L
L15(A)
28 A 27 A 20 A 18 A Certification ECU 1 A
CANL CANH CUTB IG +B1

RC0 RDA ASEL RSSI E


29 A 38 A 37 A 39 A 17 A
W–B
W
G

3 LR1 41 LR1 42 LR1 4 LR1 1 4A


W
G

1 4H 1 4J
W–B

W–B

2 3 4 5
+5 DATA ASEL RSSI
51 PA 40 PA

GND
R37 6
Door Control Receiver
39 PA
W–B

W–B

1
R43 W–B
Junction
Connector

R2 L3 L1

-7-
Power Window

(IG) (ACC) 5A D–ACC (BAT)


D–IG1–3

5A AM1
10A

cardiagn.com
W

15 22 6 15 A 16 A
IG ACC ALTB CANN CANP
L11(A), L13(C)
Main Body ECU
GND1 GND2 GND3 DCTY LIN2
5 4 1 A 24 C 10 A
W–B

L
40 DA 41 DA 4 4E 3 3L 7 PJ 8 PJ 27 DD 15 DD
11
Connector
Junction
L100
W–B

W–B

8
4 4F 3 3B 3 3K 10 PA 12 DA
W

14 DA L

30 DD
Front Door Courtesy Switch LH
R

1
S6
W–B

L4

-8-
Power Window

L 11 L 13
White White

1 2 3 4 5 6
1 4
2 3
5 6 7 8 9 10 7 8 9 10 11 12 13 14 15 16 17
11 12 13 14 15 16 18 19 20 21 22 23 24 25 26

L 15 L 95
White Gray

1 2 3 4 5 6 7 8 9 10 11 12 13 14 15 16 17
1 2 3 4 5 6 7 8 9 10 11
18 19 20 21 22 23 24 25 26 27 28 29 30 31 32 33 34 35 36 37 38 39 40
12 13 14 15 16 17 18 19 20 21 22

L100 N1 N3 N6
Blue White White White

cardiagn.com
1 2 3 4 5
6 7 8 9 10 11 12
1 2 3 4 5 6
1 2 5 6
3 4 1 2 7 8 9 10 11 12

7 8 9 10 11 12 13 14 15 16 3 4 5 6

17 18 19 20 21 22 23 24 7 8 9 10

N9 N 10 N 11
White White White

1 2 3 4 5 6 1 2 5 6
3 4 1 2

7 8 9 10 11 12 13 14 15 16 17 7 8 9 10 11 12 13 14 15 16 3 4 5 6

18 19 20 21 22 23 24 25 26 17 18 19 20 21 22 23 24 7 8 9 10

N 13 N 15 O2
White White White

1 2 3 4
1 2 3 4 5 6 7 8 9 10 1 10
5 6 7 8 9 10 2 3 4 5 6 7 8 9
11 12 13 14 15 16 17 18 19 20
11 12 13 14 15 16 17 18 19 20 21 22

23 24 25 26 27 28 29 30

-9-
Power Window

O3 O7 O8 O 14
White White White White

1 2 3 4 5 6
1 2 5 6 1 2 5 6
3 4 7 8 9 10 11 12 1 2 3 4

7 8 9 10 11 12 13 14 15 16 3 4 5 6 7 8 9 10 11 12 13 14 15 16

17 18 19 20 21 22 23 24 7 8 9 10 17 18 19 20 21 22 23 24

O 15 O 18 O 19
White White White

1 2 3 4 5 6
1 10
2 3 4 5 6 7 8 9 7 8 9 10 11 12 1 2

11 12 13 14 15 16 17 18 19 20 21 22 3 4 5 6

23 24 25 26 27 28 29 30 7 8 9 10

cardiagn.com
P4 P 10 R 37
White White White

1 2 3
4 5 6 7
1 10 1 10
2 3 4 5 6 7 8 9 2 3 4 5 6 7 8 9

11 12 13 14 15 16 17 18 19 20 21 22 11 12 13 14 15 16 17 18 19 20 21 22

23 24 25 26 27 28 29 30 23 24 25 26 27 28 29 30

R 41 R 42 R 43
White Black White

1 2 3 1 2 3
4 5 6 7 8 1 2 3 4 5 6 7 8 9 10 11 4 5 6 7 8

12 13 14 15 16 17 18 19 20 21 22

R 44 R 48 S6
Black Black White

1 2 3 4 5 6 7 8 9 10 11 1 2 3 4 5 6 7 8 9 10 11
12 13 14 15 16 17 18 19 20 21 22 12 13 14 15 16 17 18 19 20 21 22

S 56 S 60 3B
White Black Gray

1 2 3 4 5 6 7 8 9 10 11 12

1 2 3 4 5 6 7 8 9 10 11 1 2 3 4 5 6 7 8 9 10 11
12 13 14 15 16 17 18 19 20 21 22 12 13 14 15 16 17 18 19 20 21 22

- 10 -
Power Window

3K 3L
White Gray

1 2 3 4 5 6 7 8 9 10 11 12 1 2 3 4 5 6 7 8 9 10 11 12

4A 4E
White White

1 2 3 4 5 6 7 8 9 10 11 12 1 2 3 4 5 6 7 8 9 10 11 12

4F 4H
Gray Gray

1 2 3 4 5 6 7 8 9 10 11 12 1 2 3 4 5 6 7 8 9 10 11 12

4J DA
Gray White

1 2 3 4 5 6 7 8 9 10 11 12

7 8 9 10 11 12 13 14 15 16 17 18 19 20 21 22
1 2 3 4 5 6
23 24 25 26 27 28 29 30 31 32 33 34 35 36 37 38
39 40 41 42 43 44 45 46 47 48 49 50 51 52 53 54 55 56 57 58 59 60

cardiagn.com
DD LD
Gray Gray

7 8 9 10 11 12 7 8 9 10 11 12
1 2 3 4 5 6 1 2 3 4 5 6
13 14 15 16 17 18 13 14 15 16 17 18
19 20 21 22 23 24 25 26 27 28 29 30 19 20 21 22 23 24 25 26 27 28 29 30

PA
White

7 8 9 10 11 12 13 14 15 16 17 18 19 20 21 22
1 2 3 4 5 6
23 24 25 26 27 28 29 30 31 32 33 34 35 36 37 38
39 40 41 42 43 44 45 46 47 48 49 50 51 52 53 54 55 56 57 58 59 60

PJ
Gray

7 8 9 10 11 12
1 2 3 4 5 6
13 14 15 16 17 18
19 20 21 22 23 24 25 26 27 28 29 30

- 11 -
Power Window

LR1
White

7 8 9 10 11 12 13 14 15 16 17 18 19 20 21 22
1 2 3 4 5 6
23 24 25 26 27 28 29 30 31 32 33 34 35 36 37 38
39 40 41 42 43 44 22 21 20 19 18 17 16 15 14 13 12 11 10 9 8 7
45 46 47 48 49 50 51 52 53 54 55 56 57 58 59 60 6 5 4 3 2 1
38 37 36 35 34 33 32 31 30 29 28 27 26 25 24 23
60 59 58 57 56 55 54 53 52 51 50 49 48 47 46 45 44 43 42 41 40 39

LS1
White

7 8 9 10 11 12 13 14 15 16 17 18 19 20 21 22
1 2 3 4 5 6
23 24 25 26 27 28 29 30 31 32 33 34 35 36 37 38
39 40 41 42 43 44 22 21 20 19 18 17 16 15 14 13 12 11 10 9 8 7
45 46 47 48 49 50 51 52 53 54 55 56 57 58 59 60 6 5 4 3 2 1
38 37 36 35 34 33 32 31 30 29 28 27 26 25 24 23
60 59 58 57 56 55 54 53 52 51 50 49 48 47 46 45 44 43 42 41 40 39

cardiagn.com
NR1 NR2
White White

1 2 3 4 5 9 8 7 6 5 4 3 2 1
5 4 3 2 1 1 2 3 4 5 6 7 8 9
6 7 8 9 10 10 9 8 7 6 18 17 16 15 14 13 12 11 10
10 11 12 13 14 15 16 17 18

NS1 NS2
White White

1 2 3 4 5 9 8 7 6 5 4 3 2 1
5 4 3 2 1 1 2 3 4 5 6 7 8 9
6 7 8 9 10 10 9 8 7 6 18 17 16 15 14 13 12 11 10
10 11 12 13 14 15 16 17 18

- 12 -
Power Window

OR1
White

6 5 4 3 2 1

1 2 3 4 5 6 21 20 19 11 10 9 8 7 13 12
7 8 9 10 11 19 18 17 16 15 14
12 13 20 21
14 15 16 17 18

OS1
White

cardiagn.com
6 5 4 3 2 1

1 2 3 4 5 6 21 20 19 11 10 9 8 7 13 12
7 8 9 10 11 19 18 17 16 15 14
12 13 20 21
14 15 16 17 18

PN1 PN2
White White

1 2 3 4 1 2 3 4
4 3 2 1 4 3 2 1
5 6 7 8 5 6 7 8
8 7 6 5 8 7 6 5

- 13 -
Remote Control Mirror

(BAT) (BAT) (BAT) (IG) (BAT) R

P–D/C CUT

D MPX–B 1
D DOOR 2

D DOOR 1

D–IG1–3
10A
10A

25A

10A
5A

4 DD 1 DD 8 DD 17 DD

P7
GR
R

B
L
Front Seat Memory Switch LH

SET
1

3
15 NS2 3 NS1 17 NS2 18 NS2

E 1 2 3 MMRY
7 4 2 1 5

cardiagn.com
BE

BE

W
R

R
B

Y
L

2 16 B 6 B 3 B 11 B 29 C 13 C 14 C 15 C 16 C 10 B 9 B
Electric Power
Control ECU

BCUT BDG1 BDR SIG CPUB MSWE M1 M2 M3 MM CANN CANP


N10(B), P10(C), z10(D)
Front Door Control ECU LH
CUTD
BCUT GND MR MF RMVR RM+R RMHR VSSR RVC HSSR RE1
1
4 B 1 B 3 D 11 D 1 D 10 D 9 D 6 D 5 D 13 D 14 D

57 PA
R–W
W–B

Y–B

GR
BR
G

R
B

P
L

5 4H 6 NS2 5 NS1
W–B
B

Mirror Motor

4 4A
Retractable

Left/Right
Up/Down

48 LS1
M M M
B

Mirror Position Sensor

z10(D)
Outer Rear View Mirror LH
W–B

S3

-1-
Remote Control Mirror

W W

R R

W
(BAT) (BAT) (IG) (BAT)
R

P DOOR 2

P DOOR 1

P MPX–B
P–IG1–1
10A

10A
10A

25A
19 PJ 20 PJ 13 PJ 28 PJ
GR

W
R

R
V

4 NR2 3 NR1 13 NR2 12 NR2 9 NR2 8 NR2

cardiagn.com
BE

W
R

R
V

16 A 6 A 3 A 11 A 10 A 9 A
BDG1 BDR SIG CPUB CANN CANP
N1(A), z9(D)
Front Door Control ECU RH
GND MR MF RMVR RM+R RMHR VSSR RVC HSSR RE1
1 A 3 D 11 D 1 D 10 D 9 D 6 D 5 D 13 D 14 D
R–W
W–B

Y–B

GR
BR
G

R
V

P
L

5 NR1
W–B

Mirror Motor
Retractable

Left/Right
Up/Down

M M M

Mirror Position Sensor

z9(D)
Outer Rear View Mirror RH
W–B

R3

-2-
Remote Control Mirror

R (IG) (BAT)

5A D–IG1–1

10A D MPX–B 1
W

21 DA 36 DA

W
R
L15(A)

B
Certification ECU 1 12

Connector
Junction
R48
4 15 12 5F 5 5F
CANH CANL
27 A 28 A

W
B

12 5I 5 5I

59 LR1 60 LR1
W
B

B
W
B

11 12

Outer Mirror Switch


L95

cardiagn.com
IG B
5 16 Junction Connector 11 22
Outer Mirror Switch

Assembly
CANN CANP E

L6
3 14 10 21 4 15 3 2 1

W–B
W

W
R
B

B
59 LS1 60 LS1 2 NS2 1 NS2 1 5I
W

W
R
B

1 5F
5 16 4 15

W–B
S60 W–B
1 12
Junction
Connector
W
R

10 Se2 9 Se2
W
R

Front Power Seat Control


ECU and Switch LH

25 B 24 B
CANP CANN
e46(B)

-3-
Remote Control Mirror

(IG) (ACC) (BAT) (IG)

5A D–ACC
D–IG1–3

5A AM1
10A
E/G RM–IG1–1
10A

7 2A

G
2 EA4

G
2

15 22 6 PL RB RL NL

IG ACC ALTB P

cardiagn.com
Position Switch
L11(A), L13(C)

Park/Neutral
Main Body ECU R
GND1 GND2 GND3 DCTY CANN CANP CANL CANH
N

E49
5 4 1 A 24 C 15 A 16 A 6 A 5 A
6 1 9
W–B

R
B

57 DA 40 DA 41 DA 4 4E

B
11
Connector
Junction
L100
W–B

W–B

W–B

Connector
4 4F 3 A 1 A 11 A

Junction
E52(A)
W

4 A 2 A 10 A

14 DA

W–B
G–R
W

G
Front Door Courtesy Switch LH

30 DD

12 E 11 E 13 E Engine Control
R

A13(A), E3(E)

P R N
1
Module

CANL CANH
13 A 14 A
S6

G
W–B

W R

B G

L4

-4-
Remote Control Mirror

(IG) (BAT)

10A 10A
P–J/B D MPX–B 2

30 2C 42 DA

L
Front Speed Sensor
1
L136
6 LA1 Junction
Connector
2
B

P
L
A19(A), A21(C)
16 C 15 C 16 A 15 A Skid Control ECU 14 13
FL+ FL– FR+ FR– IG2 B

cardiagn.com
RL+ RL– RR+ RR– CANH CANL
11 A 10 A 11 C 10 C 9 C 8 C
5V IC
Y

V
L

CPU

CAN
Combination Meter

Rear Speed Sensor CONTROLLER

10 21 CAN I/F
L10
Connector
Junction

CANL CANH ES E2
A67

21 20 18 17
9 20 11 22
W–B
G

G
R

BR

6
Connector
Junction
L100

8
45 LA1 46 LA1
W–B

58 PA 41 DA
Junction Connector
G
R

4 15
L97

43 PA 40 DA
3 14 5 16
W–B
BR
G

G
R

L1 L4

-5-
Remote Control Mirror

A 13 A 19
White Black

1 2 3 4 5 6

7 8 9 10 11 12 13 14 15 16 3 4 5 6 7 8 9 10 11 12 13 14 15 16
1 2
17 18 19 20 21 22 23 24 25 26 27 17 18 19 20 21 22 23 24 25 26 27 28 29 30

28 29 30 31 32 33 34 35 31 32
33 34 35 36 37 38 39 40 41 42 43 44 45 46

A 21 A 67
Gray Black

1 2 3 4 5 6 7 8 9 10 11
3 4 5 6 7 8 9 10 11 12 13 14 15 16 12 13 14 15 16 17 18 19 20 21 22
1 2
17 18 19 20 21 22 23 24 25 26 27 28 29 30

cardiagn.com
31 32
33 34 35 36 37 38 39 40 41 42 43 44 45 46

E3 E 49 E 52
White Gray Black

1 2 3 4 5 6 1 2 3 4
1 2 3 4 5 6 7 8 9 10 11
7 8 9 10 11 12 13 14 15 16 5 6 7 8 9
12 13 14 15 16 17 18 19 20 21 22
17 18 19 20 21 22 23 24 25 26
27 28 29 30 31 32 33

L6 L 10 L 11
White Black White

1 2 3 4 5 6
1 2 3 4 5 6 7 8 9 10 11 12 1 4
7 8 9 10 11 12 2 3
13 14 15 16 17 18 19 20 21 22 23 24
5 6 7 8 9 10
11 12 13 14 15 16

-6-
Remote Control Mirror

L 13 L 15
White White

1 2 3 4 5 6 7 8 9 10 11 12 13 14 15 16 17
1 2 3 4 5 6
18 19 20 21 22 23 24 25 26 27 28 29 30 31 32 33 34 35 36 37 38 39 40

7 8 9 10 11 12 13 14 15 16 17
18 19 20 21 22 23 24 25 26

L 95 L 97 L100 L136
Gray Black Blue Black

1 2 3 4 5 1 2 3 4
6 7 8 9 10 11 12

1 2 3 4 5 6 7 8 9 10 11 1 2 3 4 5 6 7 8 9 10 11
12 13 14 15 16 17 18 19 20 21 22 12 13 14 15 16 17 18 19 20 21 22

N1 N 10 P7
White White White

cardiagn.com
1 2 5 6 1 2 5 6 1 2 3 4 5 6 7 8
3 4 3 4

7 8 9 10 11 12 13 14 15 16 7 8 9 10 11 12 13 14 15 16

17 18 19 20 21 22 23 24 17 18 19 20 21 22 23 24

P 10 R 48 S6
White Black White

1 10 1 2 3 4 5 6 7 8 9 10 11
2 3 4 5 6 7 8 9
12 13 14 15 16 17 18 19 20 21 22
11 12 13 14 15 16 17 18 19 20 21 22

23 24 25 26 27 28 29 30

S 60 e 46 z9
Black White White

1 2 3 4 5 6 7 8
1 2 3 4 5 6 7 8 9 10 11 1 2 3 10 11 12
9 10 11 12 13 14 15 16
12 13 14 15 16 17 18 19 20 21 22 4 5 6 7 8 9
13 14 15 16 17 18 19 20 21 22 23 24 25 26

z 10 2A
White Black

1 2 3 4 5
1 2 3 4 5 6 7 8 6 7 8 9 10 11 12 13
9 10 11 12 13 14 15 16

-7-
Remote Control Mirror

2C 4A
White White

1 2 3 4 5 6 7 8 9 10 11 12

1 2 3 4 5 6 7 8 9 10 11 12 13 14 15 16 17 18

19 20 21 22 23 24 25 26 27 28 29 30 31 32 33 34 35 36

4E 4F
White Gray

1 2 3 4 5 6 7 8 9 10 11 12 1 2 3 4 5 6 7 8 9 10 11 12

4H 5F
Gray Gray

1 2 3 4 5 6 7 8 9 10 11 12 1 2 3 4 5 6 7 8 9 10 11 12

5I DA
White White

cardiagn.com
1 2 3 4 5 6 7 8 9 10 11 12

7 8 9 10 11 12 13 14 15 16 17 18 19 20 21 22
1 2 3 4 5 6
23 24 25 26 27 28 29 30 31 32 33 34 35 36 37 38
39 40 41 42 43 44 45 46 47 48 49 50 51 52 53 54 55 56 57 58 59 60

DD
Gray

7 8 9 10 11 12
1 2 3 4 5 6
13 14 15 16 17 18
19 20 21 22 23 24 25 26 27 28 29 30

PA
White

7 8 9 10 11 12 13 14 15 16 17 18 19 20 21 22
1 2 3 4 5 6
23 24 25 26 27 28 29 30 31 32 33 34 35 36 37 38
39 40 41 42 43 44 45 46 47 48 49 50 51 52 53 54 55 56 57 58 59 60

PJ EA4
Gray White

7 8 9 10 11 12
1 2 3 4 5 6
13 14 15 16 17 18
19 20 21 22 23 24 25 26 27 28 29 30 1 2
3 4 2 1
4 3

-8-
Remote Control Mirror

LA1
White

7 8 9 10 11 12 13 14 15 16 17 18 19 20 21 22
1 2 3 4 5 6
23 24 25 26 27 28 29 30 31 32 33 34 35 36 37 38
39 40 41 42 43 44 22 21 20 19 18 17 16 15 14 13 12 11 10 9 8 7
45 46 47 48 49 50 51 52 53 54 55 56 57 58 59 60 6 5 4 3 2 1
38 37 36 35 34 33 32 31 30 29 28 27 26 25 24 23
60 59 58 57 56 55 54 53 52 51 50 49 48 47 46 45 44 43 42 41 40 39

LR1
White

7 8 9 10 11 12 13 14 15 16 17 18 19 20 21 22
1 2 3 4 5 6
23 24 25 26 27 28 29 30 31 32 33 34 35 36 37 38
39 40 41 42 43 44 22 21 20 19 18 17 16 15 14 13 12 11 10 9 8 7
45 46 47 48 49 50 51 52 53 54 55 56 57 58 59 60 6 5 4 3 2 1
38 37 36 35 34 33 32 31 30 29 28 27 26 25 24 23
60 59 58 57 56 55 54 53 52 51 50 49 48 47 46 45 44 43 42 41 40 39

cardiagn.com
LS1
White

7 8 9 10 11 12 13 14 15 16 17 18 19 20 21 22
1 2 3 4 5 6
23 24 25 26 27 28 29 30 31 32 33 34 35 36 37 38
39 40 41 42 43 44 22 21 20 19 18 17 16 15 14 13 12 11 10 9 8 7
45 46 47 48 49 50 51 52 53 54 55 56 57 58 59 60 6 5 4 3 2 1
38 37 36 35 34 33 32 31 30 29 28 27 26 25 24 23
60 59 58 57 56 55 54 53 52 51 50 49 48 47 46 45 44 43 42 41 40 39

NR1 NR2
White White

1 2 3 4 5 9 8 7 6 5 4 3 2 1
5 4 3 2 1 1 2 3 4 5 6 7 8 9
6 7 8 9 10 10 9 8 7 6 18 17 16 15 14 13 12 11 10
10 11 12 13 14 15 16 17 18

NS1 NS2
White White

1 2 3 4 5 9 8 7 6 5 4 3 2 1
5 4 3 2 1 1 2 3 4 5 6 7 8 9
6 7 8 9 10 10 9 8 7 6 18 17 16 15 14 13 12 11 10
10 11 12 13 14 15 16 17 18

-9-
Remote Control Mirror

Se2
White

1 2 3 4 5 5 4 3 2 1

6 7 8 9 10 10 9 8 7 6

cardiagn.com

- 10 -
Rear Door Sunshade

(BAT)

5A ∗ 3 : 4–Seater
RR MPX–B 2 ∗ 4 : 5–Seater
∗ 5 : w/ Power Seat
∗ 6 : w/o Power Seat

57 LA
6 11
W
rS4 rS3
(∗4)
(∗6) (∗5)

(∗3)
(∗4)
W

W
r1(B), r2(A) S15
11 A Rear Console Switch 6 Rear Console Switch
B B
Rear Door Sunshade Switch
CANP CANN E
1 2 5
SW3 SW2 SWE2 E CANP CANN
3 B 7 B 16 B 3 A 1 A 2 A

cardiagn.com
(∗4 ∗6)

(∗4 ∗5)

W–B
(∗3)

(∗3)

(∗3)
(∗4)

W
W

B
R

6 rS3 7 rS3 (∗5)


2 rS4 3 rS4 (∗6)
W–B
(∗4)

(∗4)

(∗4)

(∗4)
G

R
L

W
(∗4)
B

(∗4)

1 12
Connector
Junction

13 18 4
S59

SW3 SW2 SWE2 4 15


W
B

Rear Door
Sunshade Switch S60
2 13 Junction Connector

r3
Rear Console Switch Sub
(Curtain Switch)
3 14 5 16
W

W
R

B
W–B
(∗4)

14 OS1 15 OS1 59 LS1 60 LS1

22 rS3 (∗5)
W

W
R

14 rS4 (∗6)
W

W
W–B
(∗4)

W–B
(∗3)
4
S57
Junction
Connector

S2

-1-
Rear Door Sunshade

(BAT) (BAT) (IG)


P RR DOOR

P MPX–B

P–IG1–2
10A

5A
25A

23 PJ 26 PJ 12 PJ
L

R42(A), R44(B)
19 A
Connector
Junction
R
L

12 B
L

1 OR1 11 OR1 10 OR1


GR
R
L

L6
6 B 11 B 3 B Outer Mirror Switch Assembly
BDR CPUB SIG

cardiagn.com
O2(A), O3(B)
Rear Door Control ECU RH
SSA– SSA+ SHSE SHSB SHS2 SHS1 GND CANN CANP CANN CANP MPX
10 A 1 A 30 A 8 A 28 A 27 A 1 B 10 B 9 B 3 2 7
W–B

W
R

R
B

B
L

L
1 2 3 4 5 6 2 OR1 15 OR1 14 OR1
SSA– SSA+ SHSE SHSB SHS2 SHS1 3 5I
W

13 2
Connector
Junction
R48

O5 3 5F
Rear Door Shade RH 15 4
W–B

L
W

29 DA
60 LR1 59 LR1
W

51 DA
22 11 21 10

15 4 L95
Junction
Connector
W

B L

W W

R R

4
W–B 1 R41
Junction
Connector

R3 R1

-2-
Rear Door Sunshade

(BAT) Electric Power


Control ECU

P–D/C CUT
1 : w/ Ottoman
∗ 2 : w/o Ottoman
∗ 3 : 4–Seater

5A
4 : 5–Seater
BCUT CUTD
2 1

z5(B), z16(C)
57 PA Integration Control
and Panel Assembly

Sunshade Switch
5 4H

Rear Door
5 4B

G–R

cardiagn.com
B
B

11 B 8 B (∗3, ∗2 ∗4)
1 A 13 C 10 C (∗1 ∗4)
B

MPX E
3 A 5 A L75(A), z5(B), z16(C)
Console Switch
W–B
L

4 4B 1 4B

3 4F 1 4H 1 4J
W–B

W–B

51 PA 40 PA

L 39 PA

W W

R R
W–B

W–B

L1 L3

-3-
Rear Door Sunshade

(BAT) (BAT) (IG)

25A D RR DOOR

10A RR–IG1–2
5A RR MPX–B 2
2 DD 10 LD 12 LD

Junction Connector
1
R
L

S56
2
Y

1 OS1 18 OS1 17 OS1

cardiagn.com
R

Y
L

6 B 11 B 3 B
BDR CPUB SIG

O14(B), O15(C)
Rear Door Control ECU LH
CANN CANP SSA– SSA+ SHSE SHSB SHS2 SHS1 GND
10 B 9 B 10 C 1 C 30 C 8 C 28 C 27 C 1 B
W–B
W

R
B

B
L

1 2 3 4 5 6
SSA– SSA+ SHSE SHSB SHS2 SHS1

O16
Rear Door Shade LH

2 OS1

R
W–B

S2

-4-
Rear Door Sunshade

L6 L 75 L 95
White White Gray

1 2 3 4 5 6 1 2 3 4 5 1 2 3 4 5 6 7 8 9 10 11
7 8 9 10 11 12
12 13 14 15 16 17 18 19 20 21 22

O2 O3 O5
White White White

1 2

1 10 1 2 5 6 3 4 5 6
2 3 4 5 6 7 8 9 3 4

11 12 13 14 15 16 17 18 19 20 21 22 7 8 9 10 11 12 13 14 15 16

23 24 25 26 27 28 29 30 17 18 19 20 21 22 23 24

O 14 O 15 O 16
White White Gray

cardiagn.com
1 2

1 2 5 6 1 10 3 4 5 6
3 4 2 3 4 5 6 7 8 9

7 8 9 10 11 12 13 14 15 16 11 12 13 14 15 16 17 18 19 20 21 22

17 18 19 20 21 22 23 24 23 24 25 26 27 28 29 30

R 41 R 42 R 44
White Black Black

1 2 3
4 5 6 7 8 1 2 3 4 5 6 7 8 9 10 11 1 2 3 4 5 6 7 8 9 10 11
12 13 14 15 16 17 18 19 20 21 22 12 13 14 15 16 17 18 19 20 21 22

R 48 S 15 S 56
Black White White

1 2 3 4 5 6 7 8
1 2 3 4 5 6 7 8 9 10 11 1 2 3 4 5 6 7 8 9 10 11
9 10 11 12 13 14 15 16
12 13 14 15 16 17 18 19 20 21 22 12 13 14 15 16 17 18 19 20 21 22

S 57 S 59 S 60
White Black Black

1 2 3
4 5 6 7 8 1 2 3 4 5 6 7 8 9 10 11 1 2 3 4 5 6 7 8 9 10 11
12 13 14 15 16 17 18 19 20 21 22 12 13 14 15 16 17 18 19 20 21 22

-5-
Rear Door Sunshade

r1 r2
White White

1 2 3 4 5 6 7 8 9 1 2 3 4 5
10 11 12 13 14 15 16 17 18 19 20 21 22 23 24 6 7 8 9 10 11 12 13 14 15 16

r3 z5 z 16
White White White

1 2 3 4 5 6 7 8 9 10 1 2 3 4 5 6 1 2 3 4 5 6 7 8
11 12 13 14 15 16 17 18 19 20 7 8 9 10 11 12 9 10 11 12 13 14 15 16

4B 4F
Gray Gray

1 2 3 4 5 6 7 8 9 10 11 12 1 2 3 4 5 6 7 8 9 10 11 12

cardiagn.com
4H 4J
Gray Gray

1 2 3 4 5 6 7 8 9 10 11 12 1 2 3 4 5 6 7 8 9 10 11 12

5F 5I
Gray White

1 2 3 4 5 6 7 8 9 10 11 12 1 2 3 4 5 6 7 8 9 10 11 12

DA
White

7 8 9 10 11 12 13 14 15 16 17 18 19 20 21 22
1 2 3 4 5 6
23 24 25 26 27 28 29 30 31 32 33 34 35 36 37 38
39 40 41 42 43 44 45 46 47 48 49 50 51 52 53 54 55 56 57 58 59 60

DD
Gray

7 8 9 10 11 12
1 2 3 4 5 6
13 14 15 16 17 18
19 20 21 22 23 24 25 26 27 28 29 30

-6-
Rear Door Sunshade

LA
White

7 8 9 10 11 12 13 14 15 16 17 18 19 20 21 22
1 2 3 4 5 6
23 24 25 26 27 28 29 30 31 32 33 34 35 36 37 38
39 40 41 42 43 44 45 46 47 48 49 50 51 52 53 54 55 56 57 58 59 60

LD
Gray

7 8 9 10 11 12
1 2 3 4 5 6
13 14 15 16 17 18
19 20 21 22 23 24 25 26 27 28 29 30

PA
White

cardiagn.com
7 8 9 10 11 12 13 14 15 16 17 18 19 20 21 22
1 2 3 4 5 6
23 24 25 26 27 28 29 30 31 32 33 34 35 36 37 38
39 40 41 42 43 44 45 46 47 48 49 50 51 52 53 54 55 56 57 58 59 60

PJ
Gray

7 8 9 10 11 12
1 2 3 4 5 6
13 14 15 16 17 18
19 20 21 22 23 24 25 26 27 28 29 30

LR1
White

7 8 9 10 11 12 13 14 15 16 17 18 19 20 21 22
1 2 3 4 5 6
23 24 25 26 27 28 29 30 31 32 33 34 35 36 37 38
39 40 41 42 43 44 22 21 20 19 18 17 16 15 14 13 12 11 10 9 8 7
45 46 47 48 49 50 51 52 53 54 55 56 57 58 59 60 6 5 4 3 2 1
38 37 36 35 34 33 32 31 30 29 28 27 26 25 24 23
60 59 58 57 56 55 54 53 52 51 50 49 48 47 46 45 44 43 42 41 40 39

-7-
Rear Door Sunshade

LS1
White

7 8 9 10 11 12 13 14 15 16 17 18 19 20 21 22
1 2 3 4 5 6
23 24 25 26 27 28 29 30 31 32 33 34 35 36 37 38
39 40 41 42 43 44 22 21 20 19 18 17 16 15 14 13 12 11 10 9 8 7
45 46 47 48 49 50 51 52 53 54 55 56 57 58 59 60 6 5 4 3 2 1
38 37 36 35 34 33 32 31 30 29 28 27 26 25 24 23
60 59 58 57 56 55 54 53 52 51 50 49 48 47 46 45 44 43 42 41 40 39

OR1
White

6 5 4 3 2 1

1 2 3 4 5 6 21 20 19 11 10 9 8 7 13 12
7 8 9 10 11 19 18 17 16 15 14

cardiagn.com
12 13 20 21
14 15 16 17 18

OS1
White

6 5 4 3 2 1

1 2 3 4 5 6 21 20 19 11 10 9 8 7 13 12
7 8 9 10 11 19 18 17 16 15 14
12 13 20 21
14 15 16 17 18

rS3
White

11 10 9 8 7 6 5 4 3 2 1
1 2 3 4 5 6 7 8 9 10 11
22 21 20 19 18 17 16 15 14 13 12
12 13 14 15 16 17 18 19 20 21 22

-8-
Rear Door Sunshade

rS4
White

1 2 3 4 5 6 7 7 6 5 4 3 2 1

8 9 10 11 12 13 14 14 13 12 11 10 9 8

cardiagn.com

-9-
Rear Seat Entertainment System <Console Type>

(ACC) (BAT) (BAT)


RR–ACC

30A 30A
AMP AMP
5A

2 2
M1 N12
5 PJ 5 DD Center Speaker Front Woofer LH
48 LA 1 2 1 2

B
(∗16)

GR
G

2 LM1 7 LM1 1 NS1 2 NS1

B
7 RS2 3 RS4
B

41 RL1 42 RL1 2 RS2 1 RS2


(∗16)

GR
G

cardiagn.com
8 E 7 E 6 B 8 B (∗15)
12 F 3 C 1 C 3 E 9 E 4 E 10 E (∗16)
ACC +B2 +B CTR+ CTR– WFL+ WFL–

R34(F), R35(A), R36(B), R38(C), R39(E), R60(D)


Stereo Component Amplifier

GND GND2 TWL+ TWL– TWR+ TWR–


2 C 6 C 4 B 11 B 5 B 12 B (∗15)
3 A 9 A 4 A 10 A (∗16)
W

8 RS2 9 RS2
W–B

W–B

P
W

20 OS1 19 OS1 19 OR1 20 OR1


W

17 OQ2 1 OQ2 17 OQ1 1 OQ1


(∗1)

(∗1)

(∗1)

(∗1)
W

Rear Tweeter RH
Rear Tweeter LH

1 2 1 2
+TW –TW +TW –TW
(∗2)

(∗2)

(∗2)

(∗2)
W

RLD+ RLD– RRD+ RRD–


Q8

Q3

3 4 3 4
(∗1)

(∗1)

(∗1)

(∗1)
B

25 OQ2 9 OQ2 25 OQ1 9 OQ1


B

1 2 1 2
4
2 R43
Junction O21 O10
Connector Rear Squawker LH Rear Squawker RH

R2

-1-
Rear Seat Entertainment System <Console Type>

∗ 1 : MARK LEVINSON
∗ 2 : Except MARK LEVINSON
∗15 : w/ Multi Display
∗16 : w/o Multi Display

N4 L9
Front Woofer RH Front Tweeter LH
1 2 1 2

LG
B

L
R20
Woofer
2 NR1 1 NR1 43 RL1 44 RL1

WF2+ WF2– WF1– WF1+


2 4 3 1
LG

R
B

B
L

cardiagn.com
10 B 2 B 3 E 9 E (∗15)
1 A 5 A 2 A 6 A (∗16) 2 E 6 E 5 E 1 E
WFR+ WFR– FL+ FL– WF2+ WF2– WF1– WF1+

R34(F), R35(A), R36(B), R38(C), R39(E), R60(D)


Stereo Component Amplifier

RL+ RL– RR+ RR– SL+ SL– SR+ SR–


3 A 9 A 4 A 10 A 1 A 5 A 2 A 6 A
(∗1)

(∗1)

(∗1)

(∗1)

(∗1)

(∗1)
W

R
P

18 RS2 17 RS2 4 OR1 5 OR1 11 RS2 10 RS2


(∗1)

(∗1)
P

(∗1)

(∗1)

(∗1)

(∗1)

(∗1)

(∗1)
W

5 OS1 4 OS1
(∗1)

(∗1)
P

1 2 1 2 1 2 1 2

O12 O1 S18 R18


Rear Door Rear Door Rear Speaker Rear Speaker
Speaker LH Speaker RH LH RH

-2-
Rear Seat Entertainment System <Console Type>

L51(A), L113(C)
(ACC) (BAT) Radio Receiver Assembly

5A 10A
P–ACC D
MPX–B 2
B ACC MUTE R+ R– L+ L– SLD
14 C (∗15) 11 A 7 A 8 A 18 A 9 A 19 A 10 A
1 A (∗16)

33 PA 42 DA

(Shielded)
(∗16)

(∗16)

(∗16)

(∗16)

(∗16)

(∗16)

(∗16)
LG

R
V

B
L
(∗16)
LG

Connector
Junction
L136
11 5G 28 RL1 24 RL1 25 RL1 26 RL1 27 RL1 23 RL1
1

(Shielded)
11 5B

(∗16)

(∗16)
(∗16)

(∗16)

(∗16)

(∗16)
W

R
V

cardiagn.com
1 F 5 F 4 F 3 F 2 F 6 F
MUTE R+ R– L+ L– SLD

R34(F), R35(A), R36(B), R38(C), R39(E), R60(D)


Stereo Component Amplifier

FR+ FR–
4 E 10 E (∗15)
8 A 7 A (∗16)
B

39 RL1 40 RL1
(∗8)

(∗8)
LG
L

(Telematics Transceiver)

2 A 3 A
SPI+ SPI–
(∗9)

(∗9)

∗ 8 : w/ LEXUS ENFORM or Safety Connect


LG
L111(A)
L

∗ 9 : w/o LEXUS ENFORM or Safety Connect


DCM

SPO+ SPO–
∗15 : w/ Multi Display
5 A 6 A
∗16 : w/o Multi Display
(∗8)

(∗8)
V

1 2

L84
Front Tweeter
RH

-3-
Rear Seat Entertainment System <Console Type>

L51(A), L113(C)
Radio Receiver Assembly

WUO MO+ MO– SLDI GND


26 C 11 C 25 C 24 C 15 C (∗15)
20 A (∗16)

(∗15)
BR

W–B
(∗15)
Y

(Shielded)

(Shielded)
(∗15)

(∗15)
(∗15)

(∗15)

W
B
R
(∗15)
54 RL1
30 RL1 31 RL1 29 RL1

R
(∗15)
(∗15)

(Shielded)

(Shielded)
Y

(∗15)
(∗15)

(∗15)

(∗15)
W
B

cardiagn.com
3 D 4 D 10 D
WUI MI+ MI–

R34(F), R35(A), R36(B), R38(C), R39(E), R60(D)


Stereo Component Amplifier

SLDO MO– MO+ WUO SLDI


11 D 12 D 6 D 9 D 5 D
(∗15)
BR
SB
V

Y
L

SB

L3

-4-
Rear Seat Entertainment System <Console Type>

L51(A), L113(C)
Radio Receiver Assembly

(BAT)

10A
RR
MPX–B 1

12 LA
B

cardiagn.com
14 RS1
B

R62(A), R68(B)
Television Display Assembly
+B +B2 WUI MI+ MI– SLDI GND2 GND
28 A 14 A 7 A 1 A 2 A 3 A 11 A 10 A
SB

V
V

(Shielded)

7 6
Connector
Junction

W–B

W–B
R42

5
V

SB

3
R43
Junction
Connector

R2

-5-
Rear Seat Entertainment System <Console Type>

L51(A), L113(C)
Radio Receiver Assembly

(Shielded)

BE

(Shielded)

B B

W W
(Shielded)

(Shielded) Y
BE
G

cardiagn.com
P
BE

21 A 22 A 23 A 9 A 6 A 5 A 4 A 8 A
SLD SGN1 NTSC VMTR MO+ MO– SLDO WUO
R62(A), R68(B)
Television Display Assembly
HP1L HP1R SLD1 HP2R HP2L SLD2 GVIF
15 A 17 A 16 A 20 A 18 A 19 A 1 B
(Shielded)

(Shielded)

BR
W

9 RS1 10 RS1 11 RS1 21 RS1 20 RS1 22 RS1


(Shielded)

(Shielded)

BR
W

2 rS3 3 rS3 1 rS3 14 rS3 13 rS3 12 rS3


(Shielded)

(Shielded)

BR
W

Headphone Terminal RH
Headphone Terminal LH

2 1 3 5 6 7
HP1L HP1R SGN1 HP2R HP2L SGN2

B
r7

r8

-6-
Rear Seat Entertainment System <Console Type>

L51(A), L113(C)
Radio Receiver Assembly

(Shielded) (Shielded)

G G

R R

BE BE

B (BAT)

W 10A

LG
P MPX–B

Y 45 RL1

22 PA

cardiagn.com
LG
BE

R
R64
9 3 2 1 Disc Player Assembly 8
WUI SLD1 MI– MI+ +B 7 4J

SLD SGND NTSC GND SLD2 MO– MO+


14 15 16 13 4 5 6 6 4K
GR
(Shielded)

W–B
G
R

(Shielded)

(Shielded)
Y
L
G

(Shielded)

B B

3
R41
Junction
Connector

R1

-7-
Rear Seat Entertainment System <Console Type>

L51(A), L113(C)
Radio Receiver Assembly

MI+ MI– SLDI WUI NTSC GND SLD


9 C 23 C 10 C 12 C 8 C 22 C 7 C

(Shielded)

(∗15)

(∗15)
GR
R

L
BE

19 RL1 21 RL1 20 RL1 22 RL1


(Shielded)

(Shielded)
(∗15)

(∗15)

(∗15)

(∗15)
G
R
(Shielded)

(Shielded)
(∗15)

(∗15)

(∗15)
BE

W
G
R

cardiagn.com
(∗15)
L
4 E 4 F 14 F 15 F 3 E 7 E 6 E 8 E 9 F 20 F
VMTR NTSO SGND SLD2 MO+ MO– SLDO WUO VV+ VV–

L59(D), L114(F), L115(E), L116(H), L118(B), L127(L)


Display & Navigation Module Display

MI+ MI– SLDI NTSC SG RSE GND1


1 E 5 E 2 E 8 F 19 F 1 L 10 D
GR

(Shielded)

W–B
G

B
(Shielded)

(Shielded)
Y

58 RL1 59 RL1 60 RL1 1 RL5


G

(Shielded)
G

52 RL1 53 RL1 51 RL1

(Shielded)

∗15 : w/ Multi Display

L3

-8-
Rear Seat Entertainment System <Console Type>

(IG) (ACC) (BAT)

10A 5A 20A
RADIO L
P–IG1–1 P–ACC
NO. 1
(Shielded)

BR
53 PA 33 PA 1 PA
Y
LG

R
V

12 5B 11 5B
1
Connector
Junction

(Shielded)

BR
L94

Y
L
2
11 5A

cardiagn.com
12 5A
LG

R
V

3 D 2 D 1 D 8 B 5 B 6 B 2 B
IG ACC +B1 ADPG SG VV– VV+

L59(D), L114(F), L115(E), L116(H), L118(B), L127(L)


Display & Navigation Module Display

GND +B ACC AGND VA– VAL+ VAR+


7 H 12 H 11 H 1 B 7 B 4 B 3 B
(Shielded)
BR

BE
LG

W
R

(Shielded)

BE

LG

BR

-9-
Rear Seat Entertainment System <Console Type>

L L

(Shielded) (Shielded)

BR BR

Y Y

R65(A), R66(B)
Multi–Media Interface ECU

cardiagn.com
URO+ ULO+ UGD1 USD1 ACC +B GND
2 A 3 A 4 A 1 A 11 A 12 A 7 A
(Shielded)

BR
BE

LG
W

R
B

9 RL1 10 RL1 8 RL1 7 RL1 11 RL1 12 RL1 46 RL1


BR
BE

LG
W

R
B

(Shielded)

BE

LG

BR

- 10 -
Rear Seat Entertainment System <Console Type>

(Shielded)

BR

49 RL1 48 RL1 50 RL1 47 RL1

R65(A), R66(B)
Multi–Media Interface ECU

(Shielded)

BR
Y

cardiagn.com
VLI VRI VGN SGND
9 B 1 B 10 B 2 B

14 RS2 15 RS2 16 RS2 5 RS2


(Shielded)

R
B

(Shielded)

BR

(Shielded)

- 11 -
Rear Seat Entertainment System <Console Type>

U2
Video Terminal

ADPG VV– VV+ SG VA– VAR+ VAL+


8 6 5 7 3 1 2

(Shielded)

(Shielded)
BR

W
R
Y

B
L

8 US1 10 US1 12 US1 11 US1 6 US1 2 US1 3 US1 4 US1


(Shielded)

(Shielded)
BR

W
R
Y

B
L

cardiagn.com
1 RS1 2 RS1 3 RS1 4 RS1
(Shielded)

W
R

B
L

(Shielded)

BR

(Shielded)

- 12 -
Rear Seat Entertainment System <Console Type>

L9 L 51 L 59
White White White

1 2 1 10
2 3 4 5 6 7 8 9
1 2 3 10 11 12
11 12 13 14 15 16 17 18 19 20
4 5 6 7 8 9
13 14 15 16 17 18 19 20 21 22 23 24 25 26

L 84 L 94 L111
White Black White

1 2 3 4

1 2

1 2 3 4 5 6

7 8 9 10 11 12 13 14 15 16 17 18 19 20 21 22

23 24 25 26 27 28 29 30 31 32 33 34 35 36 37 38

cardiagn.com
L113 L114 L115
White White White

1 2 3 4
1 2 3 4 5 6 7 8 9 10 11 12 13 14
5 6 7 8
15 16 17 18 19 20 21 22 23 24 25 26 27 28 1 2 3 4 5 6 7 8 9 10 11
12 13 14 15 16 17 18 19 20 21 22

L116 L118 L127 L136 M1 N4


White White Brown Black White White

1 2 3 4
1
1 2 1
1 2 3 4 5 6 1 2 3 4
7 8 9 10 11 12 5 6 7 8 2

N 12 O1 O 10 O 12 O 21 Q3 Q8
White White White White White White White

1 1 1 2 1 1 2 1 2 1 2

2 2 2 3 4 3 4

R 18 R 20 R 34 R 35
White White White White

1 2 3 4
1 2 1 2
5 6 7 8 9 10
3 4 1 2 3 4 5 6 7 8 9 10 11 12
13 14 15 16 17 18 19 20 21 22 23 24

- 13 -
Rear Seat Entertainment System <Console Type>

R 36 R 38 R 39 R 41
Gray White White White

1 2 3 4 5 1 2 1 2 3 4
6 7 8 9 10 11 12 1 2 3
3 4 5 6 5 6 7 8 9 10
4 5 6 7 8

R 42 R 43 R 60
Black White White

1 2 3
4 5 6 7 8 1 2 3 4 5 6
1 2 3 4 5 6 7 8 9 10 11
7 8 9 10 11 12
12 13 14 15 16 17 18 19 20 21 22

R 62 R 64 R 65
White White Black

1 2 3 4 5 6 7 8 1 2 3 4 5 6

cardiagn.com
1 2 3 4 5 6 7 8 9 10 11 12 13 14
9 10 11 12 13 14 15 16 7 8 9 10 11 12
15 16 17 18 19 20 21 22 23 24 25 26 27 28

R 66 R 68 S 18 U2 r7
White Blue White White Gray

1
1 2
1 2 3 4 5 6 7 8 1 2 3 4 1 2 3 4
9 10 11 12 13 14 15 16 5 6 7 8

r8 4J 4K
White Gray White

1 2 3 4 5 6 7 8 9 10 11 12 1 2 3 4 5 6 7 8 9 10 11 12

1 2 3 4
5 6 7 8

5A 5B
White Gray

1 2 3 4 5 6 7 8 9 10 11 12 1 2 3 4 5 6 7 8 9 10 11 12

5G DA
White White

1 2 3 4 5 6 7 8 9 10 11 12

7 8 9 10 11 12 13 14 15 16 17 18 19 20 21 22
1 2 3 4 5 6
23 24 25 26 27 28 29 30 31 32 33 34 35 36 37 38
39 40 41 42 43 44 45 46 47 48 49 50 51 52 53 54 55 56 57 58 59 60

- 14 -
Rear Seat Entertainment System <Console Type>

DD
Gray

7 8 9 10 11 12
1 2 3 4 5 6
13 14 15 16 17 18
19 20 21 22 23 24 25 26 27 28 29 30

LA
White

7 8 9 10 11 12 13 14 15 16 17 18 19 20 21 22
1 2 3 4 5 6
23 24 25 26 27 28 29 30 31 32 33 34 35 36 37 38
39 40 41 42 43 44 45 46 47 48 49 50 51 52 53 54 55 56 57 58 59 60

PA
White

cardiagn.com
7 8 9 10 11 12 13 14 15 16 17 18 19 20 21 22
1 2 3 4 5 6
23 24 25 26 27 28 29 30 31 32 33 34 35 36 37 38
39 40 41 42 43 44 45 46 47 48 49 50 51 52 53 54 55 56 57 58 59 60

PJ LM1
Gray White

7 8 9 10 11 12
1 2 3 4 5 6
13 14 15 16 17 18 1 2
19 20 21 22 23 24 25 26 27 28 29 30 3 4 5 6 7 2 1
7 6 5 4 3

NR1 NS1
White White

1 2 3 4 5 5 4 3 2 1 1 2 3 4 5 5 4 3 2 1
6 7 8 9 10 10 9 8 7 6 6 7 8 9 10 10 9 8 7 6

- 15 -
Rear Seat Entertainment System <Console Type>

OQ1
White

9 8 7 6 5 4 3 2 1
1 2 3 4 5 6 7 8 9
25 16 15 14 13 12 11 10 17
17 10 11 12 13 14 15 16 25 24 23 22 21 20 19 18
18 19 20 21 22 23 24

OQ2
White

9 8 7 6 5 4 3 2 1
1 2 3 4 5 6 7 8 9
25 16 15 14 13 12 11 10 17
17 10 11 12 13 14 15 16 25 24 23 22 21 20 19 18
18 19 20 21 22 23 24

cardiagn.com
OR1
White

6 5 4 3 2 1

1 2 3 4 5 6 21 20 19 11 10 9 8 7 13 12
7 8 9 10 11 19 18 17 16 15 14
12 13 20 21
14 15 16 17 18

OS1
White

6 5 4 3 2 1

1 2 3 4 5 6 21 20 19 11 10 9 8 7 13 12
7 8 9 10 11 19 18 17 16 15 14
12 13 20 21
14 15 16 17 18

- 16 -
Rear Seat Entertainment System <Console Type>

RL1
White

7 8 9 10 11 12 13 14 15 16 17 18 19 20 21 22
1 2 3 4 5 6
23 24 25 26 27 28 29 30 31 32 33 34 35 36 37 38
39 40 41 42 43 44 22 21 20 19 18 17 16 15 14 13 12 11 10 9 8 7
45 46 47 48 49 50 51 52 53 54 55 56 57 58 59 60 6 5 4 3 2 1
38 37 36 35 34 33 32 31 30 29 28 27 26 25 24 23
60 59 58 57 56 55 54 53 52 51 50 49 48 47 46 45 44 43 42 41 40 39

RL5 RS1
White White

1
1
11 10 9 8 7 6 5 4 3 2 1
1 2 3 4 5 6 7 8 9 10 11
22 21 20 19 18 17 16 15 14 13 12
12 13 14 15 16 17 18 19 20 21 22

cardiagn.com
RS2 RS4
White Dark Gray

2 1
1 2 8 9 1 2
4 3
9 8 2 1 3 4
10 11 3 4 5 6 7 17 18
12 13 14 15 16 18 17 7 6 5 4 3 11 10
16 15 14 13 12

US1 rS3
White White

5 4 3 2 1
1 2 3 4 5 11 10 9 8 7 6 5 4 3 2 1
8 7 6 1 2 3 4 5 6 7 8 9 10 11
6 7 8 13 9 22 21 20 19 18 17 16 15 14 13 12
9 13 12 11 10 12 13 14 15 16 17 18 19 20 21 22
10 11 12

- 17 -
Rear Seat Entertainment System <Roof Type>

(ACC) (BAT) (BAT)


RR–ACC

30A 30A
AMP AMP
5A

M1 N12
Center Speaker Front Woofer LH
1 2 1 2
2 2

5 PJ 5 DD
48 LA

B
GR
2 LM1 7 LM1 1 NS1 2 NS1
(∗16)
G

B
7 RS2 3 RS4
B

41 RL1 42 RL1 2 RS2 1 RS2


(∗16)

GR
G

cardiagn.com
8 E 7 E 6 B 8 B (∗15)
12 F 3 C 1 C 3 E 9 E 4 E 10 E (∗16)
ACC +B2 +B CTR+ CTR– WFL+ WFL–

R34(F), R35(A), R36(B), R38(C), R39(E), R60(D)


Stereo Component Amplifier

GND GND2 TWL+ TWL– TWR+ TWR–


2 C 6 C 4 B 11 B 5 B 12 B (∗15)
3 A 9 A 4 A 10 A (∗16)
W

8 RS2 9 RS2
W–B

W–B

P
W

20 OS1 19 OS1 19 OR1 20 OR1


W

17 OQ2 1 OQ2 17 OQ1 1 OQ1


(∗1)

(∗1)

(∗1)

(∗1)
W

Rear Tweeter RH
Rear Tweeter LH

1 2 1 2
+TW –TW +TW –TW
(∗2)

(∗2)

(∗2)

(∗2)
W

RLD+ RLD– RRD+ RRD–


Q8

Q3

3 4 3 4
(∗1)

(∗1)

(∗1)

(∗1)
B

25 OQ2 9 OQ2 25 OQ1 9 OQ1


B

1 2 1 2

4 O21 O10
2 R43 Rear Squawker LH Rear Squawker RH
Junction
Connector

R2

-1-
Rear Seat Entertainment System <Roof Type>

∗ 1 : MARK LEVINSON
∗ 2 : Except MARK LEVINSON
∗15 : w/ Multi Display
∗16 : w/o Multi Display
N4 L9
Front Woofer RH Front Tweeter LH
1 2 1 2

LG
B

L
R20
Woofer
2 NR1 1 NR1 43 RL1 44 RL1

WF2+ WF2– WF1– WF1+


2 4 3 1

LG

R
B

B
L

cardiagn.com
10 B 2 B 3 E 9 E (∗15)
1 A 5 A 2 A 6 A (∗16) 2 E 6 E 5 E 1 E
WFR+ WFR– FL+ FL– WF2+ WF2– WF1– WF1+

R34(F), R35(A), R36(B), R38(C), R39(E), R60(D)


Stereo Component Amplifier

RL+ RL– RR+ RR– SL+ SL– SR+ SR–


3 A 9 A 4 A 10 A 1 A 5 A 2 A 6 A
(∗1)

(∗1)

(∗1)

(∗1)

(∗1)

(∗1)
W

R
P

18 RS2 17 RS2 4 OR1 5 OR1 11 RS2 10 RS2


(∗1)

(∗1)
P

(∗1)

(∗1)

(∗1)

(∗1)

(∗1)

(∗1)
W

5 OS1 4 OS1
(∗1)

(∗1)
P

1 2 1 2 1 2 1 2

O12 O1 S18 R18


Rear Door Rear Door Rear Speaker Rear Speaker
Speaker LH Speaker RH LH RH

-2-
Rear Seat Entertainment System <Roof Type>

L51(A), L113(C)
(ACC) (BAT) Radio Receiver Assembly

5A 10A
P–ACC D
MPX–B 2 B ACC MUTE R+ R– L+ L– SLD
14 C (∗15) 11 A 7 A 8 A 18 A 9 A 19 A 10 A
1 A (∗16)

33 PA 42 DA

(Shielded)
(∗16)

(∗16)

(∗16)

(∗16)

(∗16)

(∗16)

(∗16)
LG

R
V

B
L
(∗16)
LG

Connector
Junction
L136
11 5G 28 RL1 24 RL1 25 RL1 26 RL1 27 RL1 23 RL1
1

(Shielded)
11 5B

(∗16)

(∗16)
(∗16)

(∗16)
(∗16)

(∗16)
W

R
V

cardiagn.com
1 F 5 F 4 F 3 F 2 F 6 F
MUTE R+ R– L+ L– SLD

R34(F), R35(A), R36(B), R38(C), R39(E), R60(D)


Stereo Component Amplifier

FR+ FR–
4 E 10 E (∗15)
8 A 7 A (∗16)
B

39 RL1 40 RL1
(∗8)

(∗8)
LG
L

(Telematics Transceiver)

2 A 3 A
SPI+ SPI–
(∗9)

(∗9)
LG
L111(A)
L

DCM

SPO+ SPO–
5 A 6 A

∗ 8 : w/ LEXUS ENFORM or Safety Connect


(∗8)

(∗8)
V

∗ 9 : w/o LEXUS ENFORM or Safety Connect


∗15 : w/ Multi Display
1 2 ∗16 : w/o Multi Display

L84
Front Tweeter
RH

-3-
Rear Seat Entertainment System <Roof Type>

L51(A), L113(C)
Radio Receiver Assembly

WUO MO+ MO– SLDI GND


26 C 11 C 25 C 24 C 15 C (∗15)
20 A (∗16) SB

(∗15)
BR
V

L
(∗15)
Y

(Shielded)

(Shielded)
Y

W–B
(∗15)

(∗15)
(∗15)

(∗15)

W
B

R
(∗15)
54 RL1
30 RL1 31 RL1 29 RL1

R
(∗15)
(∗15)

(Shielded)

(Shielded)
Y

(∗15)
(∗15)

(∗15)

(∗15)
W
B

cardiagn.com
3 D 4 D 10 D
WUI MI+ MI–

R34(F), R35(A), R36(B), R38(C), R39(E), R60(D)


Stereo Component Amplifier

MO+ MO– SLDO WUO SLDI


6 D 12 D 11 D 9 D 5 D
(∗15)
BR
SB
Y

V
L

L3

-4-
Rear Seat Entertainment System <Roof Type>

L51(A), L113(C)
Radio Receiver Assembly

SB SB

V V

L L

Y Y

(BAT)

10A ∗ 5 : w/ Disc Player Assembly


RR
MPX–B 1

11 LA
GR

LG

cardiagn.com
11 RS1 R16
14 Disc Player Assembly and Headphone Terminal
+B

+B
Disc Player Controller
GND SLD1 SGND NTSC
(Shielded)

GND SLD SGND NTSC


25 26 27 28
(Shielded)
W–B

G
R

(Shielded)

3
R41
Junction
Connector

R1

-5-
Rear Seat Entertainment System <Roof Type>

L51(A), L113(C)
Radio Receiver Assembly

SB SB

V V

L L

Y Y

BE

(Shielded)

BR

(Shielded)

BR

cardiagn.com
Y
R16
Disc Player Assembly and Headphone Terminal 21 17 15 16
WUI SGN2 HP2R HP2L

WUI SGN2 HP2R HP2L


Disc Player Controller
Headphone Terminal RH
SLD2 MO– MO+ MI+ MI– SLD1
(Shielded)

(Shielded)

Headphone Terminal LH
SGN1 HP1R HP1L

SLD2 MO– MO+ MI+ MI– SLD1 SGN1 HP1R HP1L


10 11 12 7 8 9 3 1 2
W
(∗5)

(∗5)
GR

LG

(Shielded)
(Shielded)

(Shielded)

LG(∗5)
(∗5)

(∗5)

(∗5)

(∗5)
Y
L

W(∗5)

B(∗5)

Y(∗5)
(∗5)
G

L(∗5)

G(∗5)

G G

R R

(Shielded) (Shielded)

-6-
Rear Seat Entertainment System <Roof Type>

L51(A), L113(C)
Radio Receiver Assembly

SB

V
BE

(Shielded)

(Shielded)
(Shielded)

L
BR

BR

SB

cardiagn.com
18 A 20 A 19 A 8 A 1 A 2 A 3 A 7 A
HP2L HP2R SLD2 WUO MI+ MI– SLDI WUI
R59(A), R69(B)
Television Display Assembly
HP1L HP1R SLD1 SLD0 MO– MO+
15 A 17 A 16 A 4 A 5 A 6 A
(Shielded)

(∗5)
LG

GR
(∗6)
(Shielded)

(Shielded)

(Shielded)

(Shielded)
(∗5)

(∗5)

(∗5)

(∗5)

(∗6)

(∗6)

(∗6)

(∗6)
W
W

W
B

(Shielded)

LG(∗5) B(∗6)
(∗6)
G

W(∗5) W(∗6)

B(∗5) G(∗6)

Y(∗5) Y(∗5)

L(∗5) L(∗5)

G(∗5) G(∗5)

G G

R R

(Shielded) (Shielded)

-7-
Rear Seat Entertainment System <Roof Type>

L51(A), L113(C)
Radio Receiver Assembly

(Shielded)

(BAT) R

BE
10A
RR MPX–B 1

Connector
Junction
R42
5 7 6
12 LA 22 RL1 20 RL1 21 RL1 19 RL1

(Shielded)
B

BE
G

R
14
RS1

cardiagn.com
28 A 14 A 21 A 22 A 23 A 9 A
+B +B2 SLD SGN1 NTSC VMTR
R59(A), R69(B)
Television Display Assembly
GND2 GND GVIF
11 A
W–B 10 A 1 B

W–B

B
B

∗ 5 : w/ Disc Player Assembly


∗ 6 : w/o Disc Player Assembly

B(∗6) B(∗6)

W(∗6) W(∗6)

G(∗6) G(∗6)

Y(∗5) Y(∗5)

L(∗5) L(∗5)

G(∗5) G(∗5)

G G

R R

(Shielded) (Shielded)

3
R43
Junction
Connector

R2

-8-
Rear Seat Entertainment System <Roof Type>

L51(A), L113(C)
Radio Receiver Assembly

MI+ MI– SLDI WUI


9 C 23 C 10 C 12 C

(Shielded)

(∗15)

(∗15)
GR
L
G

(Shielded)

(Shielded)
BE

(∗15)
(∗15)

(∗15)
(∗15)

G
R
(Shielded)

G
R

(∗15)
L
4 E 4 F 14 F 15 F 3 E 7 E 6 E 8 E
VMTR NTSO SGND SLD2 MO+ MO– SLDO WUO

L59(D), L114(F), L115(E), L116(H), L118(B), L127(L)


Display & Navigation Module Display

cardiagn.com
RSE MI+ MI– SLDI NTSC SG
1 L 1 E 5 E 2 E 8 F 19 F
GR
B

(Shielded)

R
(Shielded)

(Shielded)

1 RL5
Y

B
G

52 RL1 53 RL1 51 RL1 58 RL1 59 RL1 60 RL1


(Shielded)
G

B(∗6)

W(∗6)

G(∗6)

Y(∗5)

L(∗5)

G(∗5)

(Shielded)

-9-
Rear Seat Entertainment System <Roof Type>

L51(A), L113(C)
Radio Receiver Assembly (IG) (ACC) (BAT)

10A 5A 20A
P–IG1–1 P–ACC RADIO
NTSC GND SLD NO. 1
8 C 22 C 7 C

53 PA 33 PA 1 PA

LG

R
V
12 5B 11 5B
(Shielded)

Connector
(∗15)

(∗15)

(∗15)
W

Junction
B

L94
2
12 5A 11 5A

LG

R
V
9 F 20 F 3 D 2 D 1 D
VV+ VV– IG ACC +B1

L59(D), L114(F), L115(E), L116(H), L118(B), L127(L)


Display & Navigation Module Display

cardiagn.com
GND1
10 D
W–B

∗ 5 : w/ Disc Player Assembly


∗ 6 : w/o Disc Player Assembly
∗15 : w/ Multi Display

L3

- 10 -
Rear Seat Entertainment System <Roof Type>

(Shielded)

BR

R65(A), R66(B)
Multi–Media Interface ECU
(Shielded)

BR

Y
L

URO+ ULO+ UGD1 USD1


2 A 3 A 4 A 1 A
8 B 5 B 6 B 2 B
ADPG SG VV– VV+

L59(D), L114(F), L115(E), L116(H), L118(B), L127(L)


Display & Navigation Module Display

cardiagn.com
GND +B ACC AGND VA– VAL+ VAR+
7 H 12 H 11 H 1 B 7 B 4 B 3 B

(Shielded)
BR

BE
LG

R
B
9 RL1 10 RL1 8 RL1 7 RL1
(Shielded)

W
R

R
B

BE

LG

BR

∗ 5 : w/ Disc Player Assembly


∗ 6 : w/o Disc Player Assembly

- 11 -
Rear Seat Entertainment System <Roof Type>

L L

(Shielded) (Shielded)

BR BR

Y Y

R65(A), R66(B)
Multi–Media Interface ECU

ACC +B GND VLI VRI VGN SGND


11 A 12 A 7 A 9 B 1 B 10 B 2 B
BR
BE

LG

cardiagn.com
11 RL1 12 RL1 46 RL1
(Shielded)

(Shielded)
(∗5)

(∗5)

(∗6)
(∗5)

(∗5)

(∗6)

(∗6)

(∗6)
W

W
R

R
B

B
BR
BE

LG

(Shielded) (∗6)

R(∗6)

W(∗6)

B(∗6)

(Shielded) (∗5)

BE R(∗5)

LG W(∗5)

BR B(∗5)

- 12 -
Rear Seat Entertainment System <Roof Type>

L L

(Shielded) (Shielded)

BR BR

Y Y

L78
Video Terminal

SG VA– VAR+ VAL+ ADPG VV– VV+


7 3 1 2 8 6 5

cardiagn.com
(Shielded)

(Shielded)
(∗6)

(∗6)

(∗6)

(∗6)

(∗6)

(∗6)

(∗6)

(∗6)
BR
W
R

Y
L

22 RL2 20 RL2 21 RL2 19 RL2 8 RL2 11 RL2 9 RL2 10 RL2


(∗6)
L

(Shielded) (∗6) Y(∗6)

R(∗6) BR(∗6)

W(∗6) (Shielded) (∗6)

B(∗6) L(∗6)

(Shielded) (∗5) (Shielded) (∗5)

R(∗5) R(∗5)

W(∗5) W(∗5)

B(∗5) B(∗5)

∗ 5 : w/ Disc Player Assembly


∗ 6 : w/o Disc Player Assembly

- 13 -
Rear Seat Entertainment System <Roof Type>

(Shielded)

BR

49 RL1 48 RL1 50 RL1 47 RL1

cardiagn.com
(Shielded)

(Shielded)
L(∗6)

L(∗5)
(∗6)

(∗6)

(∗6)

(∗5)

(∗5)

(∗5)
BR

BR
Y

14 RS2 15 RS2 16 RS2 5 RS2

Y(∗6) L(∗5)

BR(∗6) (Shielded) (∗5)

(Shielded) (∗6) BR(∗5)

L(∗6) Y(∗5)

(Shielded) (∗5) (Shielded) (∗5)

R(∗5) R(∗5)

W(∗5) W(∗5)

B(∗5) B(∗5)

- 14 -
Rear Seat Entertainment System <Roof Type>

Y3
Video Terminal

ADPG VV– VV+ SG VA– VAR+ VAL+


8 (Shielded) 6 5 7 3 1 2

(Shielded)
(∗5)

(∗5)

(∗5)

(∗5)

(∗5)

(∗5)

(∗5)

(∗5)
BR

W
R
Y

B
L

5 SY2 8 SY2 6 SY2 7 SY2 24 SY2 23 SY2 21 SY2 22 SY2

cardiagn.com
(Shielded)

(Shielded)
(∗5)

(∗5)

(∗5)

(∗5)

(∗5)

(∗5)

(∗5)
(∗5)

BR

W
R
Y

B
L

1 RS1 2 RS1 3 RS1 4 RS1


(Shielded)
(∗5)

(∗5)

(∗5)

(∗5)
W
R

L(∗5)

(Shielded) (∗5)

BR(∗5)

Y(∗5)

(Shielded) (∗5)

R(∗5)

W(∗5)

B(∗5)

∗ 5 : w/ Disc Player Assembly

- 15 -
Rear Seat Entertainment System <Roof Type>

L9 L 51 L 59
White White White

1 2 1 10
2 3 4 5 6 7 8 9
1 2 3 10 11 12
11 12 13 14 15 16 17 18 19 20
4 5 6 7 8 9
13 14 15 16 17 18 19 20 21 22 23 24 25 26

L 78 L 84 L 94
White White Black

1 2 3 4

1 2
1 2 3 4
5 6 7 8

L111 L113
White White

cardiagn.com
1 2 3 4 5 6 7 8 9 10 11 12 13 14
1 2 3 4 5 6
15 16 17 18 19 20 21 22 23 24 25 26 27 28

7 8 9 10 11 12 13 14 15 16 17 18 19 20 21 22

23 24 25 26 27 28 29 30 31 32 33 34 35 36 37 38

L114 L115 L116 L118


White White White White

1 2 3 4 1 2 3 4 5 6 1 2 3 4
5 6 7 8 7 8 9 10 11 12 5 6 7 8
1 2 3 4 5 6 7 8 9 10 11
12 13 14 15 16 17 18 19 20 21 22

L127 L136 M1 N4 N 12 O1 O 10
Brown Black White White White White White

1 2 3 4
1
1 2 1 1 1 1 2

2 2 2

O 12 O 21 Q3 Q8 R 16
White White White White White

1 1 2 1 2 1 2
3 4 3 4 1 2 3 4 5 6 7 8 9 10 11 12 13 14
2
15 16 17 18 19 20 21 22 23 24 25 26 27 28

- 16 -
Rear Seat Entertainment System <Roof Type>

R 18 R 20 R 34 R 35
White White White White

1 2 3 4
1 2 1 2
5 6 7 8 9 10
3 4 1 2 3 4 5 6 7 8 9 10 11 12
13 14 15 16 17 18 19 20 21 22 23 24

R 36 R 38 R 39 R 41
Gray White White White

1 2 3 4 5 1 2 1 2 3 4
6 7 8 9 10 11 12 1 2 3
3 4 5 6 5 6 7 8 9 10
4 5 6 7 8

R 42 R 43 R 59
Black White White

1 2 3

cardiagn.com
1 2 3 4 5 6 7 8 9 10 11 4 5 6 7 8
1 2 3 4 5 6 7 8 9 10 11 12 13 14
12 13 14 15 16 17 18 19 20 21 22 15 16 17 18 19 20 21 22 23 24 25 26 27 28

R 60 R 65 R 66 R 69 S 18
White Black White Blue White

1
1 2
1 2 3 4 5 6 1 2 3 4 5 6 1 2 3 4 5 6 7 8
7 8 9 10 11 12 7 8 9 10 11 12 9 10 11 12 13 14 15 16

Y3 5A 5B
White White Gray

1 2 3 4 5 6 7 8 9 10 11 12 1 2 3 4 5 6 7 8 9 10 11 12

1 2 3 4
5 6 7 8

5G DA
White White

1 2 3 4 5 6 7 8 9 10 11 12

7 8 9 10 11 12 13 14 15 16 17 18 19 20 21 22
1 2 3 4 5 6
23 24 25 26 27 28 29 30 31 32 33 34 35 36 37 38
39 40 41 42 43 44 45 46 47 48 49 50 51 52 53 54 55 56 57 58 59 60

- 17 -
Rear Seat Entertainment System <Roof Type>

DD
Gray

7 8 9 10 11 12
1 2 3 4 5 6
13 14 15 16 17 18
19 20 21 22 23 24 25 26 27 28 29 30

LA
White

7 8 9 10 11 12 13 14 15 16 17 18 19 20 21 22
1 2 3 4 5 6
23 24 25 26 27 28 29 30 31 32 33 34 35 36 37 38
39 40 41 42 43 44 45 46 47 48 49 50 51 52 53 54 55 56 57 58 59 60

PA
White

cardiagn.com
7 8 9 10 11 12 13 14 15 16 17 18 19 20 21 22
1 2 3 4 5 6
23 24 25 26 27 28 29 30 31 32 33 34 35 36 37 38
39 40 41 42 43 44 45 46 47 48 49 50 51 52 53 54 55 56 57 58 59 60

PJ LM1
Gray White

7 8 9 10 11 12
1 2 3 4 5 6
13 14 15 16 17 18 1 2
19 20 21 22 23 24 25 26 27 28 29 30 3 4 5 6 7 2 1
7 6 5 4 3

NR1 NS1
White White

1 2 3 4 5 5 4 3 2 1 1 2 3 4 5 5 4 3 2 1
6 7 8 9 10 10 9 8 7 6 6 7 8 9 10 10 9 8 7 6

- 18 -
Rear Seat Entertainment System <Roof Type>

OQ1
White

9 8 7 6 5 4 3 2 1
1 2 3 4 5 6 7 8 9
25 16 15 14 13 12 11 10 17
17 10 11 12 13 14 15 16 25 24 23 22 21 20 19 18
18 19 20 21 22 23 24

OQ2
White

9 8 7 6 5 4 3 2 1
1 2 3 4 5 6 7 8 9
25 16 15 14 13 12 11 10 17
17 10 11 12 13 14 15 16 25 24 23 22 21 20 19 18
18 19 20 21 22 23 24

cardiagn.com
OR1
White

6 5 4 3 2 1

1 2 3 4 5 6 21 20 19 11 10 9 8 7 13 12
7 8 9 10 11 19 18 17 16 15 14
12 13 20 21
14 15 16 17 18

OS1
White

6 5 4 3 2 1

1 2 3 4 5 6 21 20 19 11 10 9 8 7 13 12
7 8 9 10 11 19 18 17 16 15 14
12 13 20 21
14 15 16 17 18

- 19 -
Rear Seat Entertainment System <Roof Type>

RL1
White

7 8 9 10 11 12 13 14 15 16 17 18 19 20 21 22
1 2 3 4 5 6
23 24 25 26 27 28 29 30 31 32 33 34 35 36 37 38
39 40 41 42 43 44 22 21 20 19 18 17 16 15 14 13 12 11 10 9 8 7
45 46 47 48 49 50 51 52 53 54 55 56 57 58 59 60 6 5 4 3 2 1
38 37 36 35 34 33 32 31 30 29 28 27 26 25 24 23
60 59 58 57 56 55 54 53 52 51 50 49 48 47 46 45 44 43 42 41 40 39

RL2 RL5
White White

1
1
11 10 9 8 7 6 5 4 3 2 1
1 2 3 4 5 6 7 8 9 10 11
22 21 20 19 18 17 16 15 14 13 12
12 13 14 15 16 17 18 19 20 21 22

cardiagn.com
RS1
White

11 10 9 8 7 6 5 4 3 2 1
1 2 3 4 5 6 7 8 9 10 11
22 21 20 19 18 17 16 15 14 13 12
12 13 14 15 16 17 18 19 20 21 22

RS2 RS4
White Dark Gray

2 1
1 2 8 9 1 2
4 3
9 8 2 1 3 4
10 11 3 4 5 6 7 17 18
12 13 14 15 16 18 17 7 6 5 4 3 11 10
16 15 14 13 12

SY2
White

9 8 7 6 5 4 3 2 1
1 2 3 4 5 6 7 8 9
25 16 15 14 13 12 11 10 17
17 10 11 12 13 14 15 16 25 24 23 22 21 20 19 18
18 19 20 21 22 23 24

- 20 -
Rear Sunshade

(BAT) B

W
5A
P–D/C
CUT

57 PA z5(B), z16(C)
Integration Control
and Panel Assembly
2 1
B

BCUT CUTD

Rear Sunshade Switch


Electric Power 5 4H
Control ECU

5 4B

W
B

B
G–Y

cardiagn.com
B

12 B 8 B (∗3, ∗2 ∗4)
1 A 14 C 10 C (∗1 ∗4) 2 3
B CANP CANN

L75(A), z5(B), z16(C)


Console Switch

E MPX MPX
5 A 3 A 7 L6
Outer Mirror Switch
Assembly
W–B

1 4B 4 4B 3 5I

1 4H 1 4J 3 4F 3 5F
W–B

W–B

51 PA 40 PA 29 DA

39 PA 51 DA
W–B

W–B

L1 L3

-1-
Rear Sunshade

B B

W W

(BAT)

5A ∗ 1 : w/ Ottoman
RR MPX–B 2 ∗ 2 : w/o Ottoman
∗ 3 : 4–Seater
∗ 4 : 5–Seater
∗ 5 : w/ Power Seat
∗ 6 : w/o Power Seat
57 LA

W
(∗4)

11 rS3 (∗5)
6 rS4 (∗6)
(∗3)
W

(∗4)
W

cardiagn.com
S15 r1(B), r2(A)
6 Rear Console Switch 11 A Rear Console Switch
B B

Rear Sunshade Switch

E CANP CANN GND SW1 E CANP CANN


5 1 2 5 B 20 B 3 A 1 A 2 A
W–B

W–B

W–B
(∗3)

(∗3)

(∗3)

(∗4)

(∗4)

(∗4)

(∗4)
W

W
B

(∗4 ∗6)

(∗4 ∗5)
R

15 8
GND SW1

Rear Sunshade Switch


6 rS3 7 rS3 (∗5)
2 rS4 3 rS4 (∗6)
r3
Rear Console Switch Sub
(Curtain Switch)
W(∗4)

B(∗4)
22 rS3 (∗5)
14 rS4 (∗6)
W–B
(∗4)

W(∗3)

B(∗3)

W–B
(∗3)

4
S57
Junction
Connector

S2

-2-
Rear Sunshade

B (IG)

W L11(A)
Main Body ECU 10A
E/G RM–IG1–1

CANN CANP CANH CANL


15 A 16 A 5 A 6 A
7 2A
W

G
R
B

B
21 10 14 3
3 14

Connector
Junction
2 EA4

L97
15 4 L95 4 15
Junction Connector

G
W

G
R
B

60 LS1 59 LS1 45 LA1 46 LA1

cardiagn.com
W

G
R
B

2
E49
RL RB Park/Neutral
16 5 Position Switch
S60
Junction R
Connector
13 2 1
W

G
R
B

Y
S59
15 4 Junction Connector 11 22
Connector

1 A
E52(A)
Junction

Junction
A67

Connector
9 20 2 A
12 1 14 3

B
W

G
R
B

(∗3)
(∗4)

(∗4)
W

W 14 A 13 A 11 E
(∗3) CANH CANL R

A13(A), E3(E)
W(∗4) Engine Control Module

B(∗4)

∗ 3 : 4–Seater
∗ 4 : 5–Seater

W(∗3) B

B(∗3) W

-3-
Rear Sunshade

(IG) (BAT) (BAT) (BAT)

RR S/SHADE
RR MPX–B 2

RR MPX–B 1
RR–IG1–2
10A

10A

10A
5A

S61(A), S62(B)
8 15 7 5 Rear Junction Block ECU
IG LGLB MPXB RSB

CANP CANN SG PGND MU MD LMT

cardiagn.com
20 B 28 B 17 4 4 A 3 A 22 A

29 LA 43 LA 31 LA
W

W–B

W–B
B

4 2 1 3
RSE RSMU RSMD RSL

S25
Rear Sunshade

B
W–B

W–B

7
1 S54
Junction
Connector

S1

-4-
Rear Sunshade

A 13 A 67 E3
White Black White

1 2 3 4 5 6 1 2 3 4 5 6 7 8 9 10 11 1 2 3 4 5 6

7 8 9 10 11 12 13 14 15 16 12 13 14 15 16 17 18 19 20 21 22 7 8 9 10 11 12 13 14 15 16
17 18 19 20 21 22 23 24 25 26
17 18 19 20 21 22 23 24 25 26 27
27 28 29 30 31 32 33
28 29 30 31 32 33 34 35

E 49 E 52 L6
Gray Black White

1 2 3 4 1 2 3 4 5 6
1 2 3 4 5 6 7 8 9 10 11
5 6 7 8 9 7 8 9 10 11 12
12 13 14 15 16 17 18 19 20 21 22

L 11 L 75 L 95
White White Gray

cardiagn.com
1 2 3 4 5 1 2 3 4 5 6 7 8 9 10 11
1 4
2 3
12 13 14 15 16 17 18 19 20 21 22
5 6 7 8 9 10
11 12 13 14 15 16

L 97 S 15 S 25 S 54
Black White White White

1 2 3
1 2 3 4
1 2 3 4 5 6 7 8 4 5 6 7 8
1 2 3 4 5 6 7 8 9 10 11
9 10 11 12 13 14 15 16
12 13 14 15 16 17 18 19 20 21 22

S 57 S 59 S 60
White Black Black

1 2 3
4 5 6 7 8 1 2 3 4 5 6 7 8 9 10 11 1 2 3 4 5 6 7 8 9 10 11
12 13 14 15 16 17 18 19 20 21 22 12 13 14 15 16 17 18 19 20 21 22

S 61 S 62 r1
White White White

1 2 3 4 5 6 7 8 9
1 2 3 4 5 6
1 2 3 4 5 6 7 8 9 10 10 11 12 13 14 15 16 17 18 19 20 21 22 23 24
11 12 13 14 15 16 17 18 19 20
7 8 9 10 11 12 13 14 15 16 17
21 22 23 24 25 26 27 28
18 19 20 21 22 23 24 25 26

-5-
Rear Sunshade

r2 r3 z5
White White White

1 2 3 4 5
1 2 3 4 5 6 7 8 9 10 1 2 3 4 5 6
6 7 8 9 10 11 12 13 14 15 16
11 12 13 14 15 16 17 18 19 20 7 8 9 10 11 12

z 16 2A 4B
White Black Gray

1 2 3 4 5 6 7 8 9 10 11 12
1 2 3 4 5

1 2 3 4 5 6 7 8 6 7 8 9 10 11 12 13

9 10 11 12 13 14 15 16

4F 4H
Gray Gray

1 2 3 4 5 6 7 8 9 10 11 12 1 2 3 4 5 6 7 8 9 10 11 12

cardiagn.com
4J 5F
Gray Gray

1 2 3 4 5 6 7 8 9 10 11 12 1 2 3 4 5 6 7 8 9 10 11 12

5I DA
White White

1 2 3 4 5 6 7 8 9 10 11 12

7 8 9 10 11 12 13 14 15 16 17 18 19 20 21 22
1 2 3 4 5 6
23 24 25 26 27 28 29 30 31 32 33 34 35 36 37 38
39 40 41 42 43 44 45 46 47 48 49 50 51 52 53 54 55 56 57 58 59 60

LA
White

7 8 9 10 11 12 13 14 15 16 17 18 19 20 21 22
1 2 3 4 5 6
23 24 25 26 27 28 29 30 31 32 33 34 35 36 37 38
39 40 41 42 43 44 45 46 47 48 49 50 51 52 53 54 55 56 57 58 59 60

PA EA4
White White

7 8 9 10 11 12 13 14 15 16 17 18 19 20 21 22
1 2 3 4 5 6
23 24 25 26 27 28 29 30 31 32 33 34 35 36 37 38
39 40 41 42 43 44 45 46 47 48 49 50 51 52 53 54 55 56 57 58 59 60 1 2
3 4 2 1
4 3

-6-
Rear Sunshade

LA1
White

7 8 9 10 11 12 13 14 15 16 17 18 19 20 21 22
1 2 3 4 5 6
23 24 25 26 27 28 29 30 31 32 33 34 35 36 37 38
39 40 41 42 43 44 22 21 20 19 18 17 16 15 14 13 12 11 10 9 8 7
45 46 47 48 49 50 51 52 53 54 55 56 57 58 59 60 6 5 4 3 2 1
38 37 36 35 34 33 32 31 30 29 28 27 26 25 24 23
60 59 58 57 56 55 54 53 52 51 50 49 48 47 46 45 44 43 42 41 40 39

LS1
White

7 8 9 10 11 12 13 14 15 16 17 18 19 20 21 22
1 2 3 4 5 6
23 24 25 26 27 28 29 30 31 32 33 34 35 36 37 38
39 40 41 42 43 44 22 21 20 19 18 17 16 15 14 13 12 11 10 9 8 7
45 46 47 48 49 50 51 52 53 54 55 56 57 58 59 60 6 5 4 3 2 1
38 37 36 35 34 33 32 31 30 29 28 27 26 25 24 23
60 59 58 57 56 55 54 53 52 51 50 49 48 47 46 45 44 43 42 41 40 39

cardiagn.com
rS3
White

11 10 9 8 7 6 5 4 3 2 1
1 2 3 4 5 6 7 8 9 10 11
22 21 20 19 18 17 16 15 14 13 12
12 13 14 15 16 17 18 19 20 21 22

rS4
White

1 2 3 4 5 6 7 7 6 5 4 3 2 1

8 9 10 11 12 13 14 14 13 12 11 10 9 8

-7-
Mirror Heater , Rear Window Defogger

(IG) (IG) (BAT) (BAT) (BAT)

FR CTRL BAT

FR CTRL ALT
10A ECU–B
E/G RM–IG1–2
D–IG1–3
10A

30A

20A
10A B

8 DH 28 2C 4 2CLG 5 2A 4 2A

W
Y

B
L

L
A50(A), A51(B), A52(C), B14(D)
5 A 1 A 1 C 5 C Front Controller 4 A 3 A
FMIG FMB3 BATB ALTB CANN CANP

RDEF E TM TME
12 B 2 A 20 D 19 D

(BAT)

W–B
W

L
40A

Ambient Temperature
DEFOG
1

cardiagn.com
Sensor
3 1B

B5
2

R
W

3 3 3

1 5 1
DEFOG Relay

FILTER
NOISE

2
2 3
W–B

3 3 3 3
W–B

W–B

A63(A), A64(B)
B
L

15 A
Connector
Junction

1 AS3

21 B
B

1 A
Connector

14 B
Junction
A62(B)

12 B
(Rear Window Defogger)

W–B

W–B

W–B
BR
S19(A), W1(B)
Noise Filter

17 EA1 25 EA1
Rear Window
W–B

W–B

BR

Defogger
W–B
BR

6 1 4
Connector

1 B
Junction
W–B

A70

W1 A2 E1 A8

-1-
Mirror Heater , Rear Window Defogger

W
B
20 AR1 21 AR1

W
B

L97

cardiagn.com
1 3 Junction Connector
Connector
Junction
W
R

R57

5 7

2 NS2 1 NS2 14 3 16 5
G

G
R

R
W

W
R

R48
6 A 5 A

Main Body ECU


Junction
3 14 Connector CANL CANH
4 15
Connector
Junction

CANN CANP L11(A)


S60

5 16 4 15 1 12 15 A 16 A
W

W
R
B

59 LS1 60 LS1 59 LR1 60 LR1 8 NR2 9 NR2


W

W
R
B

4 15 11 22
Connector
Junction
L95

W
8 19 3 14

R
W

W
R

-2-
Mirror Heater , Rear Window Defogger

(BAT) (BAT) (IG) (BAT)


Front Speed Sensor Rear Speed Sensor

P DOOR 2

P DOOR 1

P MPX–B
P–IG1–1
10A

10A
10A

25A
B

Y
L

L
16 C 15 C 16 A 15 A 11 A 10 A 11 C 10 C 19 PJ 20 PJ 13 PJ 28 PJ
FL+ FL– FR+ FR– RL+ RL– RR+ RR–

GR
R

R
V
CANL CANH
8 C 9 C A19(A), A21(C)
Skid Control ECU
4 NR2 3 NR1 13 NR2 12 NR2
P

21 10
Connector
Junction

BE
R

R
V
A67

22 11
G

16 A 6 A 3 A 11 A
BDG1 BDR SIG CPUB
46 LA1 45 LA1
N1(A), z9(D)
L77(B) Front Door Control ECU RH
G

A/C Amplifier

cardiagn.com
15 4 CANN CANP HTR+ LP– GND
10 A 9 A 4 D 12 D 1 A
Connector
Junction

CANH CANL
W

R
L97

3 B 4 B

W–B
W

W
12 1
G
R
G

18 7 10 21 5 NR1
Connector
Junction

Mirror Heater
L98

W–B
20 9
(∗1)

(∗1)

(∗2)

(∗2)
G

G
R

z9(D)
22 D 21 D 25 26 Outer Rear View Mirror RH
CANL CANH CANL CANH
Rear Window Rear Window
Defogger Switch Defogger Switch

L59(D) L35
Display & Navigation Integration Control
Module Display and Panel Assembly
W ∗ 1 : w/ Multi Display
∗ 2 : w/o Multi Display
R

W W

R R

R R

W W

R R

G G

R3

-3-
Mirror Heater , Rear Window Defogger

(BAT) (BAT) (IG) (BAT)

D MPX–B 1
D DOOR 2

D DOOR 1

D–IG1–3
10A

25A

10A
10A

B
4 DD 1 DD 8 DD 17 DD
48 LS1

B
GR
R

B
L
4 4A

B
15 NS2 3 NS1 17 NS2 18 NS2 6 NS2

5 4H
BE
R

B
L

B
16 B 6 B 3 B 11 B 4 B B
BDG1 BDR SIG CPUB BCUT

N10(B), z10(D)
Front Door Control ECU LH

cardiagn.com
CANP CANN HTR+ LP– GND
9 B 10 B 4 D 12 D 1 B
W
R

W–B
W

5 NS1
Mirror Heater

W–B

z10(D)
Outer Rear View Mirror LH

W W

R R

R R

G G

S3

-4-
Mirror Heater , Rear Window Defogger

(BAT) (IG)

D–IG1–1
5A
P–D/C

5A
CUT

2
BCUT 21 DA
∗ 3 : w/ Auto Wiper
Electric Power ∗ 4 : w/o Auto Wiper
Control ECU

G
CUTD
1

12 5F

57 PA 35 PA
B

12 5J

B AUTO(∗3)
EW OFF LO HI MIST
8 5B INT(∗4)

G
MIST

OFF

cardiagn.com
8 5J AUTO(∗3)
INT(∗4)

Wiper Switch
LO

HI
B

G
1 A 2 A
B IG

CANN CANP E
6 A 5 A L25(A) 8 A
Windshield Wiper Switch

W–B
W

1 5J

1 5F
W–B

57 DA

W 40 DA

R
W–B

R R

G G

L4

-5-
Mirror Heater , Rear Window Defogger

(IG) (BAT)

10A 10A
P–J/B D MPX–B 2

30 2C 42 DA

L
1
L136
6 LA1 Junction
Connector
2

P
L

14 13
IG2 B

cardiagn.com
5V IC

CPU

CAN
Combination Meter

CONTROLLER

CAN I/F
L10

CANH CANL ES E2
20 21 18 17
W–B
G
R

BR

6
Connector
Junction
L100

8
W–B

58 PA 41 DA

43 PA 40 DA
W–B
BR

L1 L4

-6-
Mirror Heater , Rear Window Defogger

A 19
Black

3 4 5 6 7 8 9 10 11 12 13 14 15 16
1 2
17 18 19 20 21 22 23 24 25 26 27 28 29 30

31 32
33 34 35 36 37 38 39 40 41 42 43 44 45 46

A 21 A 50
Gray White

1 2
3 4 5 6 7 8 9 10 11 12 13 14 15 16
1 2
17 18 19 20 21 22 23 24 25 26 27 28 29 30 3 4 5 6

cardiagn.com
7 8 9 10
31 32
33 34 35 36 37 38 39 40 41 42 43 44 45 46

A 51 A 52 A 62
White White Blue

1 2 8 9

10 11 3 4 5 6 7 17 18 1 2 3 4 5 6 1 2 3 4 5 6 7 8 9 10 11
12 13 14 15 16 12 13 14 15 16 17 18 19 20 21 22
7 8 9 10 11 12 13 14 15 16 17
18 19 20 21 22 23 24 25 26

A 63 A 64 A 67
Black Black Black

1 2 3 4 5 6 7 8 9 10 11 1 2 3 4 5 6 7 8 9 10 11 1 2 3 4 5 6 7 8 9 10 11
12 13 14 15 16 17 18 19 20 21 22 12 13 14 15 16 17 18 19 20 21 22 12 13 14 15 16 17 18 19 20 21 22

A 70 B5 B 14 L 10
Gray Black White Black

1 2 3
1 2
4 5 6 1 2 5 6 1 2 3 4 5 6 7 8 9 10 11 12
3 4
13 14 15 16 17 18 19 20 21 22 23 24
7 8 9 10 11 12 13 14 15 16

17 18 19 20 21 22 23 24

-7-
Mirror Heater , Rear Window Defogger

L 11 L 25 L 35
White White White

1 2 3 4
1 4 1 2 3 10 11 12
2 3 5 6 7 8 4 5 6 7 8 9
5 6 7 8 9 10 13 14 15 16 17 18 19 20 21 22 23 24 25 26
11 12 13 14 15 16

L 59 L 77
White White

1 2 3 4 5 6
1 2 3 10 11 12
4 5 6 7 8 9
7 8 9 10 11 12 13 14 15 16
13 14 15 16 17 18 19 20 21 22 23 24 25 26
17 18 19 20 21 22 23 24 25 26 27
28 29 30 31 32 33 34 35

cardiagn.com
L 95 L 97 L 98
Gray Black Gray

1 2 3 4 5 6 7 8 9 10 11 1 2 3 4 5 6 7 8 9 10 11 1 2 3 4 5 6 7 8 9 10 11
12 13 14 15 16 17 18 19 20 21 22 12 13 14 15 16 17 18 19 20 21 22 12 13 14 15 16 17 18 19 20 21 22

L100 L136 N1 N 10
Blue Black White White

1 2 3 4 5 1 2 3 4
6 7 8 9 10 11 12

1 2 5 6 1 2 5 6
3 4 3 4

7 8 9 10 11 12 13 14 15 16 7 8 9 10 11 12 13 14 15 16

17 18 19 20 21 22 23 24 17 18 19 20 21 22 23 24

R 48 R 57 S 19 S 60
Black Dark Gray White Black

1 2 3 4 1
1 2 3 4 5 6 7 8 9 10 11 1 2 3 4 5 6 7 8 9 10 11
5 6 7 8
12 13 14 15 16 17 18 19 20 21 22 12 13 14 15 16 17 18 19 20 21 22

W1 z9 z 10 1B
White White White White

1 2 3 4 5 6 7 8 1 2 3 4 5 6 7 8 1 2
9 10 11 12 13 14 15 16 9 10 11 12 13 14 15 16 3 4

-8-
Mirror Heater , Rear Window Defogger

2A 2C
Black White

1 2 3 4 5
6 7 8 9 10 11 12 13 1 2 3 4 5 6 7 8 9 10 11 12 13 14 15 16 17 18

19 20 21 22 23 24 25 26 27 28 29 30 31 32 33 34 35 36

4A 4H
White Gray

1 2 3 4 5 6 7 8 9 10 11 12 1 2 3 4 5 6 7 8 9 10 11 12

5B 5F
Gray Gray

1 2 3 4 5 6 7 8 9 10 11 12 1 2 3 4 5 6 7 8 9 10 11 12

5J DA
Gray White

cardiagn.com
1 2 3 4 5 6 7 8 9 10 11 12

7 8 9 10 11 12 13 14 15 16 17 18 19 20 21 22
1 2 3 4 5 6
23 24 25 26 27 28 29 30 31 32 33 34 35 36 37 38
39 40 41 42 43 44 45 46 47 48 49 50 51 52 53 54 55 56 57 58 59 60

DD DH
Gray Gray

7 8 9 10 11 12
1 2 3 4 5 6
13 14 15 16 17 18 1 2 5 6
19 20 21 22 23 24 25 26 27 28 29 30 3 4

7 8 9 10 11 12 13 14 15 16

17 18 19 20 21 22 23 24

PA
White

7 8 9 10 11 12 13 14 15 16 17 18 19 20 21 22
1 2 3 4 5 6
23 24 25 26 27 28 29 30 31 32 33 34 35 36 37 38
39 40 41 42 43 44 45 46 47 48 49 50 51 52 53 54 55 56 57 58 59 60

PJ
Gray

7 8 9 10 11 12
1 2 3 4 5 6
13 14 15 16 17 18
19 20 21 22 23 24 25 26 27 28 29 30

-9-
Mirror Heater , Rear Window Defogger

AR1 AS3
White White

11 10 9 8 7 6 5 4 3 2 1 1 2
1 2 3 4 5 6 7 8 9 10 11
3 4 2 1
22 21 20 19 18 17 16 15 14 13 12
12 13 14 15 16 17 18 19 20 21 22
4 3

EA1
White

9 8 7 6 5 4 3 2 1
1 2 3 4 5 6 7 8 9
25 16 15 14 13 12 11 10 17
17 10 11 12 13 14 15 16 25 24 23 22 21 20 19 18
18 19 20 21 22 23 24

cardiagn.com
LA1
White

7 8 9 10 11 12 13 14 15 16 17 18 19 20 21 22
1 2 3 4 5 6
23 24 25 26 27 28 29 30 31 32 33 34 35 36 37 38
39 40 41 42 43 44 22 21 20 19 18 17 16 15 14 13 12 11 10 9 8 7
45 46 47 48 49 50 51 52 53 54 55 56 57 58 59 60 6 5 4 3 2 1
38 37 36 35 34 33 32 31 30 29 28 27 26 25 24 23
60 59 58 57 56 55 54 53 52 51 50 49 48 47 46 45 44 43 42 41 40 39

LR1
White

7 8 9 10 11 12 13 14 15 16 17 18 19 20 21 22
1 2 3 4 5 6
23 24 25 26 27 28 29 30 31 32 33 34 35 36 37 38
39 40 41 42 43 44 22 21 20 19 18 17 16 15 14 13 12 11 10 9 8 7
45 46 47 48 49 50 51 52 53 54 55 56 57 58 59 60 6 5 4 3 2 1
38 37 36 35 34 33 32 31 30 29 28 27 26 25 24 23
60 59 58 57 56 55 54 53 52 51 50 49 48 47 46 45 44 43 42 41 40 39

LS1
White

7 8 9 10 11 12 13 14 15 16 17 18 19 20 21 22
1 2 3 4 5 6
23 24 25 26 27 28 29 30 31 32 33 34 35 36 37 38
39 40 41 42 43 44 22 21 20 19 18 17 16 15 14 13 12 11 10 9 8 7
45 46 47 48 49 50 51 52 53 54 55 56 57 58 59 60 6 5 4 3 2 1
38 37 36 35 34 33 32 31 30 29 28 27 26 25 24 23
60 59 58 57 56 55 54 53 52 51 50 49 48 47 46 45 44 43 42 41 40 39

- 10 -
Mirror Heater , Rear Window Defogger

NR1 NR2
White White

1 2 3 4 5 9 8 7 6 5 4 3 2 1
5 4 3 2 1 1 2 3 4 5 6 7 8 9
6 7 8 9 10 10 9 8 7 6 18 17 16 15 14 13 12 11 10
10 11 12 13 14 15 16 17 18

NS1 NS2
White White

1 2 3 4 5 9 8 7 6 5 4 3 2 1
5 4 3 2 1 1 2 3 4 5 6 7 8 9
6 7 8 9 10 10 9 8 7 6 18 17 16 15 14 13 12 11 10
10 11 12 13 14 15 16 17 18

cardiagn.com

- 11 -
Engine Immobiliser , Push-Button Start , Steering Lock , Wireless Door Lock Control , Smart Access System with Push-Button Start

(BAT) (BAT) (BAT) (BAT)

80A 80A 80A 60A


E/G EFI D–J/B P–J/B
RM1 ALT ALT

1 1H 1 1L 1 1G 1 1J

V
W

B
V

1 2F 5 2C 1 2E 1 DF 54 DA 32 DA 15 PA 10 PK 1 PL

5 1 5 1

AIR SUS Relay


D–ACC Relay

D–IG1 Relay

P–IG1 Relay
IG1 Relay

IG2 Relay

cardiagn.com
3 2 3 2

19 2C 11 2G 8 2C 40 DA 19 DA 39 PA
W–B

W–B

W–B

W–B
G
P

9 LA3
G
P

19 B
A64(B)
Junction
Connector
21 B
W–B
W–B

W–B

W–B

W–B

A8 L4 L3

-1-
Engine Immobiliser , Push-Button Start , Steering Lock , Wireless Door Lock Control , Smart Access System with Push-Button Start

(BAT) (BAT) (IG) (ACC) (BAT) A68(D), L11(A), L12(B), L13(C)


Main Body ECU

5A 5A 10A 5A 5A ALTB ACC IG STP


AM2 STOP D–IG1–3 D–ACC AM1
6 22 15 23

19 PA 28 PA 16 DH 15 DH
W

L
Stop Light Switch

2
A35

1
L

cardiagn.com
W

V V

G G

P P

-2-
Engine Immobiliser , Push-Button Start , Steering Lock , Wireless Door Lock Control , Smart Access System with Push-Button Start

A68(D), L11(A), L12(B), L13(C)


Main Body ECU

AM2 AM1 IG1D ACCD IG2D GND1 GND2 GND3 DCTY PCTY LCTY RCTY
1 B 6 C 3 C 22 C 11 B 5 4 1 A 24 C 21 B 17 7 B

40 DA 41 DA 12 DD

W–B

W–B

W–B
W

W
G

R
V

L
8 4E 7 4E 4 4E

8 4F 7 4F 4 4F

8 11

Connector

W
Junction
G
V

13 LR1 16 RL2

L100
10
14 DA

cardiagn.com
W–B

W 30 DD

Front Door Courtesy Switch RH


Front Door Courtesy Switch LH

Rear Door Courtesy Switch RH


Rear Door Courtesy Switch LH
R

R
L

L
V

G 1 1 1 1

R12
S14
R6
S6
W–B

L4 W–B

-3-
Engine Immobiliser , Push-Button Start , Steering Lock , Wireless Door Lock Control , Smart Access System with Push-Button Start

A68(D), L11(A), L12(B), L13(C)


Main Body ECU

(BAT)

10A
DOME

59 DA

X4(A), X6(B)
Overhead Module
R

CPU

12V

cardiagn.com
Interior
Light

Center Console

Center Console
Spot Light

Spot Light

DOOR
GND4 GND9 RILL ILLB DOME LIN
20 B 16 A 18 B 11 A 27 A 2 B
W–B

W–B

GR
R
L

L
Junction Connector

Junction Connector

3 LX2
2 9 8 2
23 LX1 3 1
E B
L
X17

X15

1 3

Interior Light
Rear Map Light

Interior Light
W–B

R
Y

E B
X12

6 1
W–B

25 LX1 6 LX2
W–B

W–B

2 1 45 40
W–B W–B
3G 3H DA DA

W–B L4

-4-
Engine Immobiliser , Push-Button Start , Steering Lock , Wireless Door Lock Control , Smart Access System with Push-Button Start

A68(D), L11(A), L12(B), L13(C)


Main Body ECU

HAZ
14 A

(BAT) (BAT) (IG) (BAT)


RR MPX–B 1

RR MPX–B 2

RR–IG1–2

5A TAIL

BE
10A
10A

5A

Hazard Warning
LJB

Signal Switch
Rear Combination Light

L112
FLSW
4

BR

BR

BR

BR

L
7 15 8 1 14 C 13 C 3 D 7 D 8

Flasher Relay

cardiagn.com
MPXB LGLB IG +BT1 TIL3 TIL4 TIL2 TIL1 HAZ
S62(B), S63(C), S64(D)
Rear Junction Block ECU

L1
LIN SG PGND CANP CANN BDCY LCTY LPSW
9 B 17 4 20 B 28 B 16 C 9 C 6 C

29 LA 43 LA
L
(∗2)
W–B

W–B

(∗1)

(∗1)

(∗1)
BR
W

G
B
L

G
(∗2)

14 LS1 BR
(∗2)

6 7 2
L

+B CTY S38
Luggage Electrical
Key Switch
E
S36 8 1
Luggage
Closer Motor
W–B
B

21
18 S55
Junction
Connector
16
W–B

7
S55
Junction
Connector
10
W–B
W–B

W–B

7
1 6 W–B

S54
Junction ∗ 1 : w/o Power Trunk Opener and Closer System
S1 Connector
∗ 2 : w/ Power Trunk Opener and Closer System

-5-
Engine Immobiliser , Push-Button Start , Steering Lock , Wireless Door Lock Control , Smart Access System with Push-Button Start

A68(D), L11(A), L12(B), L13(C)


Main Body ECU

(IG) (BAT) (BAT) (BAT) (IG) (BAT) (BAT)


10A RR–IG1–2

RR MPX–B 1

P–D/C CUT
5A VSSR

5A P IG2
30A PTL

5A PMG
10A

5A
2

60 LA 3 LA 55 LA 1

BE
G
Y

8 12 10 18 A 7 26 2

cardiagn.com
IG B ECUB VB+ IG BECU BCUT
S43 A69(A)
Power Trunk Lid Control ECU Electric Power Control ECU
BDCY LCTY LPSW CANL CANH GND GND VB– STSW CANH CANL
9 22 19 5 6 11 4 8 A 12 A 15 A 14 A
W–B

W–B
(∗2)

(∗2)
BR

W
G

G
R
B

B
39 PA
L
(∗2)

G
W–B

(∗2)

BR
(∗2) 18 LA3 19 LA3

G
R
W

S59
Junction
Connector 13 2

14 3 15 4
W

W
B

R
W–B

W B

B W

7
S57
W–B

W–B

Junction
Connector

S2 L3 A6

-6-
Engine Immobiliser , Push-Button Start , Steering Lock , Wireless Door Lock Control , Smart Access System with Push-Button Start

A68(D), L11(A), L12(B), L13(C)


Main Body ECU

(IG) (BAT)

10A 10A
P–J/B D MPX–B 2

1
L136
6 LA1 Junction
30 2C Connector 42 DA
2

L
P
L10
Combination Meter 14 13
IG2 B
TFT Module

TFT Panel CPU


TFT
CPU

cardiagn.com
MPX–B

Master
5V IC

IG2
Back Light

Body CPU
Earth LED
DRIVER
CAN CONTROLLER
Signal
Earth

CAN I/F

E2 ES CANN CANP CANH CANL SI +S


17 18 23 22 20 21 9 10
W–B

G
R
B

V
L
BR

6
Connector
Junction

V
L100

L
8
W–B

41 DA 58 PA R

W
40 DA 43 PA
G G

R R

B B

B B

W W
W–B

BR

L4 L1

-7-
Engine Immobiliser , Push-Button Start , Steering Lock , Wireless Door Lock Control , Smart Access System with Push-Button Start

A68(D), L11(A), L12(B), L13(C)


Main Body ECU

SPD CANH CANL


9 A 5 A 6 A

G
R
V

Rear Speed Sensor

V
L

L
A67
9 C 8 C 11 A 10 A 11 C 10 C 21 10 Junction Connector
7 3L CANH CANL RL+ RL– RR+ RR–
A19(A), A21(C)
Skid Control ECU
22 11 20 9
SP1 FL+ FL– FR+ FR–
7 3K 23 A 16 C 15 C 16 A 15 A

G
R

R
V

V
L

cardiagn.com
25 PA 13 PK 46 LA1 45 LA1

R
Front Speed Sensor
14 PA 18 PA
L97
Junction Connector 15 4
V

14 3 16 5 12 1
G

G
R

18 7
Connector
Junction
L98

17 6
V
G

B B

W W

G R

R G

B B

B B

W W

-8-
Engine Immobiliser , Push-Button Start , Steering Lock , Wireless Door Lock Control , Smart Access System with Push-Button Start

A68(D), L11(A), L12(B), L13(C)


Main Body ECU

STR2 STR
6 D 8 C

(BAT) Y

BR
30A
ST (IG)

BR

BR
L
10A
ECU–IG

7 2D 5

B L

Position Switch
2 A

Park/Neutral
A61(A), A62(B)
P
Y
L

27 2C

Connector
N

Junction

E49
2 2
R

4
10 B 11 B
A61(A), A62(B)

5 1 16 A
Connector

BR

BR
ST Relay

Junction

cardiagn.com
16 B
3 2
R
18 EA1
2 2
2 2
W–B

G
B

2 5
36 PA 23 PK
ST CUT

4 EA4
Relay

1 3
B

22 PK 24 PK

2 2
1 A
GR

1
B L
W–B

W–B

GR

21 A 20 A
A63(A), A64(B)

M
Connector
Junction

Battery E25(A), F1(B)


Starter
12 B L

BR
W–B

B B

W W

R R

G G

B B

B B

W W
W–B

A8

-9-
Engine Immobiliser , Push-Button Start , Steering Lock , Wireless Door Lock Control , Smart Access System with Push-Button Start

A68(D), L11(A), L12(B), L13(C)


Main Body ECU

STSW ACCR SKSW TACH


4 D 3 B 5 D 8 A

Y (IG)

E/G RM–IG1–1
G

B
BR

10A
B

19 EA1 19 LA1

L 7 2A

G
Y

11 PK 10 3L

G
E52(A), E53(B)
9 B 8 B 19 A 15 A
A61(A), A62(B)

Connector
Junction
Connector

2 EA4
Junction

20 PK 12 PK 10 3B
13 B 22 B

G
3 A

PL RB NL
B

cardiagn.com
Position Switch
Park/Neutral
P
3

Position Sensor
N

E49
24 DA VC

Crankshaft
6 9

NE NE–

E54

B
1 2
17 DH

Connector
3 A 11 A

Junction
E52(A)
4 A 10 A

G–R
W

W
G

R
B

27 B 20 A 19 A 25 B 15 B 27 C 34 C 18 C 12 E 13 E
STSW STA ACCR KSW TACH NE+ NE– VC P N
A13(A), A14(B), E1(C), E3(E)
Engine Control Module
NSW STAR CANH CANL IMO IMI
29 A 2 B 14 A 13 A 30 A 31 A
BR

G
R

B
L

L L

BR B

B B

W W

B B

W W

- 10 -
Engine Immobiliser , Push-Button Start , Steering Lock , Wireless Door Lock Control , Smart Access System with Push-Button Start

A68(D), L11(A), L12(B), L13(C)


Main Body ECU

SLP SLR+ LIN1


18 C 19 C 14
(BAT) (IG) (BAT)
SECURITY

STR LOCK
5A P IG2
23 DA 52 DA

SB
LG
20A
5A

BE

BE
11 DA 46 PA 1 DA

P
L

8 3H 8 3K 2 4F

8 3F 8 3J 2 4A

SB

BE
LG
P
L

L32 L33

cardiagn.com
1 ID Code Box 6 7 4 3 Steering Lock ECU
+B IG2 B SLP1 IGE
M
EFIO EFII GND LIN1
6 5 8 3
W–B

BE
B
L

LIN GND SGND


5 1 2
W–B

BR
BE

29 LA1 30 LA1 2 3F 5 3F 5 3J 4 3J
3
Connector
Junction
L100

8
B
L

1 3H 5 3H 4 3K
W–B

W–B

BR
BE

45 DA 45 PA
41
W–B
DA

L 40 DA 43 PA

B BE

B B

W W
W–B

BR

B B

W W

W–B

L4 L1

- 11 -
Engine Immobiliser , Push-Button Start , Steering Lock , Wireless Door Lock Control , Smart Access System with Push-Button Start

A68(D), L11(A), L12(B), L13(C)


Main Body ECU

SSW1 SSW2 INDS INDW SWIL


17 C 16 C 15 C 14 C 25 C

(BAT) (IG) (BAT)

10A P MPX–B

SECURITY
5A P IG2

5A
W

R
B

P
L

22 PA 60 PA 17 DA

7 2 12 13 11

L
SS1 SS2 INDS INDW SWIL
Antenna Coil 7 4J 10 4H 11 4F

7 4A 10 4A 11 4A
SS1 SS2 GND

L
Free

Full 20 A 18 A 1 A
Traveling

cardiagn.com
CUTB IG +B1

L15(A), L16(B)
Certification ECU

GND AGND CODE TXCT VC5 VC5 TXCT CODE AGND LIN
L36 5 8 10 9 14 30 A 8 A 9 A 40 A 10 A
Power Switch
BE

BE

BE
W

W
V

V
L

L
2 4E

1 4J 1 4H
W–B

W–B

40 PA 51 PA

39 PA
W–B

BE

B B

W W

B B

W W

W–B

L3

- 12 -
Engine Immobiliser , Push-Button Start , Steering Lock , Wireless Door Lock Control , Smart Access System with Push-Button Start

A68(D), L11(A), L12(B), L13(C)


Main Body ECU

L74 S44 S10


Electrical Key Oscillator Luggage Electrical Key Electrical Key Oscillator 2
(Front) Antenna (Inner) (Rear)
L

Wireless Door Lock


Buzzer Controller
CLG3 CLGB CLG6 CLGB CLG4 CLGB
1 3 1 3 1 3
W

Y
B

L30
1
Y
L

56 LS1 57 LS1 19 LS1 20 LS1


W

G
B

L
11 A 12 A 15 A 16 A 13 A 14 A 18 B 19 B

cardiagn.com
CLG5 CG5B CLG7 CG7B CLG6 CG6B BZR3 BZRG

L15(A), L16(B)
Certification ECU

CLG8 CG8B RC0 RDA ASEL RSSI E CG3B CLG3 CG1B CLG1 IND
31 A 32 A 29 A 38 A 37 A 39 A 17 A 9 B 8 B 34 A 33 A 2 A
W–B
W
G

G
R

R
V

P
L

L
Electrical Key
Antenna
R70

ANT 1 4A
1
40 LR1 39 LR1 3 LR1 41 LR1 42 LR1 4 LR1

1 4H 1 4J
W
G

G
R

L
W–B

W–B
Luggage Electrical Key

P
Antenna (Outside)

1 2 2 3 4 5 7
CLG5 CLGB +5 DATA ASEL RSSI ANT 51 PA 40 PA V

R
R40

GND
R37 G
6
Door Control 39 PA
Receiver

B B

W W
W–B

W–B

B B

W W

1
R43 W–B
Junction
Connector

R2 L3 L1

- 13 -
Engine Immobiliser , Push-Button Start , Steering Lock , Wireless Door Lock Control , Smart Access System with Push-Button Start

W
A68(D), L11(A), L12(B), L13(C)
Main Body ECU B
# : There is no wire color information.
CANP CANN
16 A 15 A

W
B

Junction Connector
5 16 3 14 11 22 3 1

R57
7 5
7 18 4 15 L95
Junction Connector
W

W
B

B
59 LS1 60 LS1 60 LR1 59 LR1
W

28 A 27 A
W

W
B

cardiagn.com
Junction Connector
CANL CANH
S60
L15(A), L16(B) 5 16 Junction Connector 15 4 14 3
Certification ECU

R48
CG4B CLG4 CG2B CLG2
11 B 10 B 36 A 35 A 2 13 3 14 4 15 13 2 12 1

R
W

W
R

R
B
LG

LG
L

LG

LG

L L

P P

V V

R R

G G

B W

W W

- 14 -
Engine Immobiliser , Push-Button Start , Steering Lock , Wireless Door Lock Control , Smart Access System with Push-Button Start

W W

B B

(BAT) (BAT) (IG) (BAT)

10A P MPX–B
10A P–IG1–1
P DOOR 2

P DOOR 1
N1(A), N2(B), P4(C)
10A

25A

Front Door Control ECU RH

CPUB SIG BDR BDG1 CANP CANN CLGI CGBI


19 PJ 20 PJ 13 PJ 28 PJ 11 A 3 A 6 A 16 A 9 A 10 A 17 A 7 A
GR

BE

BE
W
R

R
V

P
4 NR2 3 NR1 13 NR2 12 NR2 8 NR2 9 NR2 17 NR2 18 NR2
BE

LG
W
R

R
V

L
1 LR1 2 LR1

cardiagn.com
LG

L
R

LG

LG LG

L L

L L

P P

V V

R R

G G

R R

W W

W W

R R

W W

R R

- 15 -
Engine Immobiliser , Push-Button Start , Steering Lock , Wireless Door Lock Control , Smart Access System with Push-Button Start

W W

B B

N1(A), N2(B), P4(C)


Front Door Control ECU RH

CGBO CLGO OSCB OSCE SENS SEL TRG+


17 B 26 B 12 A 19 A 14 A 15 A 20 A

BE
G
R

L
6 Na1 7 Na1 1 Na1 5 Na1 4 Na1 2 Na1 3 Na1
Electrical Key Oscillator

BR
R
P

B
a2
Front Door Outside
5 10 1 7 6 4 3 Handle RH
(Front Door RH)

CLGB CLG B GND SENS SEL TRG+

cardiagn.com
SGT1 ANT1 ANT2 TRG– TRG– ANT2 ANT1 SGT1
a1

2 3 8 9 1 2 5 6

W
G

G
R

R
L

LG LG

L L

L L

P P

V V

R R

G G

R R

W W

W W

R R

W W

R R

- 16 -
Engine Immobiliser , Push-Button Start , Steering Lock , Wireless Door Lock Control , Smart Access System with Push-Button Start

W W

B B

N1(A), N2(B), P4(C)


Front Door Control ECU RH

A+ A– LSW LSWE SID+ SID– GND SIDI


2 B 1 B 25 B 13 B 8 C 9 C 1 A 23 A

W–B
R

R
B

L
5 NR1 3 NR2

4 1 7 8 2 1

W–B
L UL LSSR E LP1 E1

L
Detection
Unlock
Switch

M
34 LR1

cardiagn.com
P3
Security

L
Indicator RH

N8
Front Door Lock Motor RH

LG LG

L L

L L

P P

V V

R R

G G

R R

W W

W W

R R

W W

R R
W–B

R3

- 17 -
Engine Immobiliser , Push-Button Start , Steering Lock , Wireless Door Lock Control , Smart Access System with Push-Button Start

W W

B B

(BAT) (BAT) (IG)


P RR DOOR

P MPX–B

P–IG1–2
O3(B), O4(C)
10A

5A
25A

Rear Door Control ECU RH

SIG CPUB BDR CLGI CGB1 A+ A– LSW LSWE


23 PJ 26 PJ 12 PJ 3 B 11 B 6 B 7 B 17 B 2 C 1 C 14 C 23 C

GR

LG
R

R
B

B
L

L
L

R42(A), R44(B)

19 A 7 OR1 8 OR1
Connector
Junction

4 1 6 9
R
L

L UL LSSR E

LG

L
12 B

Detection
Unlock
Switch
M
44 LR1 43 LR1

cardiagn.com
L

LG

L
O11
Rear Door Lock Motor RH
1 OR1 11 OR1 10 OR1
R
L

L L

LG

L L

P P

V V

R R

G G

R R

W W

W W

R R

W W

R R

- 18 -
Engine Immobiliser , Push-Button Start , Steering Lock , Wireless Door Lock Control , Smart Access System with Push-Button Start

W W

B B

O3(B), O4(C)
Rear Door Control ECU RH

CANP CANN CGBO CLGO OSCB OSCE SENS SEL TRG+ GND
9 B 10 B 26 C 17 C 12 B 15 B 14 B 16 B 20 B 1 B

W–B
BE
LG
W
R

Y
L

L
14 OR1 15 OR1 7 cO1 6 cO1 1 cO1 5 cO1 4 cO1 2 cO1 3 cO1 2 OR1
Electrical Key Oscillator

BR
W

W–B
R

B
c1
Rear Door Outside
10 5 1 7 6 4 3 Handle RH
(Rear Door RH)

CLG CLGB B GND SENS SEL TRG+

cardiagn.com
SGT6 ANT5 ANT6 TRG– TRG– ANT6 ANT5 SGT5
c2

2 3 8 9 1 2 5 6
G

G
R

R
L

L
W

L L

L L

P P

V V

R R

G G

W W

R R

W W

R R
W–B

4
W–B 1 R41
Junction
Connector

R3 R1

- 19 -
Engine Immobiliser , Push-Button Start , Steering Lock , Wireless Door Lock Control , Smart Access System with Push-Button Start

W W

B B

(BAT) (BAT) (BAT) (IG) (BAT)


P–D/C CUT

D MPX–B 1
D DOOR 2

D DOOR 1

D–IG1–3
N9(A), N10(B), P10(C)

10A
10A

25A

10A
Front Door Control ECU LH
5A

CPUB SIG BDR BDG1 BCUT


4 DD 1 DD 8 DD 17 DD 11 B 3 B 6 B 16 B 4 B

BE
Electric Power

R
B

B
L
Control ECU

BCUT
GR
R

B
CUTD L
1 6 NS2

57 PA

B
15 NS2 3 NS1 17 NS2 18 NS2 48 LS1
B

cardiagn.com
BE
R

B
L

5 4H

4 4A
B

L L

L L

P P

V V

R R

G G

W W

R R

W W

R R

- 20 -
Engine Immobiliser , Push-Button Start , Steering Lock , Wireless Door Lock Control , Smart Access System with Push-Button Start

W W

B B

N9(A), N10(B), P10(C)


Front Door Control ECU LH

SID1 CLGI CGBI CANN CANP A+ A– LSW LSWE SID+ SID–


23 B 17 B 7 B 10 B 9 B 2 A 1 A 25 A 13 A 8 C 9 C
BE

R
P
L

R
B

L
7 NS2 8 NS2 9 NS2 1 NS2 2 NS2

4 1 8 7 2 1
L UL LSSR E LP2 E2
W

R
P

V
L

Detection
Unlock
Switch
M
49 LS1 34 LS1 35 LS1

cardiagn.com
P9
Security
P

V
L

Indicator LH
6 4A
N15
Front Door Lock Motor LH

6 4L 5 4A
L

R R

G G

W W

R R

- 21 -
Engine Immobiliser , Push-Button Start , Steering Lock , Wireless Door Lock Control , Smart Access System with Push-Button Start

W W

B B

N9(A), N10(B), P10(C)


Front Door Control ECU LH

CGBO CLGO OSCB OSCE SENS SEL TRG+ GND


17 A 26 A 12 B 19 B 14 B 15 B 20 B 1 B

W–B
BE
LG

Y
L

L
6 Nb2 7 Nb2 1 Nb2 5 Nb2 4 Nb2 2 Nb2 3 Nb2 5 NS1

W–B
Electrical Key Oscillator

BR
R
P

B
b2
Front Door Outside
5 10 1 7 6 4 3 Handle LH
(Front Door LH)

CLGB CLG B GND SENS SEL TRG+

cardiagn.com
SGT4 ANT3 ANT4 TRG– TRG– ANT4 ANT3 SGT3
b1

2 3 8 9 1 2 5 6
G

G
R

R
L

L
W

R R

G G

W W

R R
W–B

S3

- 22 -
Engine Immobiliser , Push-Button Start , Steering Lock , Wireless Door Lock Control , Smart Access System with Push-Button Start

W W

B B

(BAT) (BAT) (IG)


25A D RR DOOR

5A RR MPX–B 2

10A RR–IG1–2
O13(A), O14(B)
Rear Door Control ECU LH

SIG CPUB BDR CLGI CGB1 A+ A– LSW LSWE


2 DD 10 LD 12 LD 3 B 11 B 6 B 7 B 17 B 2 A 1 A 14 A 23 A

R
Y

B
L

LG

L
1
Connector
Junction

4 1 6 9
S56
R
L

2 8 OS1 7 OS1 L UL LSSR E

Detection
Y

Unlock
Switch
M

G
R

cardiagn.com
1 OS1 18 OS1 17 OS1 21 LS1 22 LS1

O22

G
R

R
Y
L

Rear Door Lock Motor LH

W W

R R

- 23 -
Engine Immobiliser , Push-Button Start , Steering Lock , Wireless Door Lock Control , Smart Access System with Push-Button Start

W W

B B

O13(A), O14(B)
Rear Door Control ECU LH

CANN CANP CGBO CLGO OSCB OSCE SENS SEL TRG+ GND
10 B 9 B 26 A 17 A 12 B 15 B 14 B 16 B 20 B 1 B

W–B
BE
LG
W

Y
L

L
15 OS1 14 OS1 7 dO2 6 dO2 1 dO2 5 dO2 4 dO2 2 dO2 3 dO2 2 OS1

W–B
BR
W

B
Electrical Key Oscillator

d1
Rear Door Outside
10 5 1 7 6 4 3 Handle LH
(Rear Door LH)

CLG CLGB B GND SENS SEL TRG+

cardiagn.com
SGT8 ANT7 ANT8 TRG– TRG– ANT8 ANT7 SGT7
d2

2 3 8 9 1 2 5 6
W
G

G
R

R
L

R
W–B

S2

- 24 -
Engine Immobiliser , Push-Button Start , Steering Lock , Wireless Door Lock Control , Smart Access System with Push-Button Start

(BAT) (IG) (BAT) (BAT) (BAT)

E/G RM–IG1–2

FR CTRL BAT
10A ECU–B

CTRL ALT
E/G RM B
80A

20A
FR
30A
10A

1 1K 28 2C 4 2C 5 2A 4 2A

W
B
20 AR1 21 AR1 Headlight LH Headlight RH
LG
W

W
Y

B
L

LG
G

Y
L
5 A 1 A 1 C 5 C 3 A 4 A 6 D 23 D 24 D 5 D 15 D 16 D
FMIG FMB3 BATB ALTB CANP CANN HLHL CRAL SIDL HLHR CRAR SIDR

cardiagn.com
A50(A), A52(C), B14(D)
Front Controller
HRLY E HORL HORH HDCY SH– BZR
7 A 2 A 1 D 2 D 21 D 4 C 14 C
W–B
BE

W
G

B
6 2G
H–LP LO RH

H–LP LO LH

W
G

B
Hood Courtesy Switch
High Pitched Horn
Low Pitched Horn

Wireless Door Lock Buzzer


Relay
Relay

2 1
Security Horn
1 1 1
B10

A29
B6

B7

1
A28
2 2E 19 2C 11 2G 2
W–B

W–B

W–B
W

15 A
A63(A), A64(B)
Connector
Junction

19 B 21 B
W–B

W–B

W–B

W–B

A8 B2 A3

- 25 -
Engine Immobiliser , Push-Button Start , Steering Lock , Wireless Door Lock Control , Smart Access System with Push-Button Start

A 13 A 14
White White

1 2 3 4 5 6 1 2 3 4 5 6 7

7 8 9 10 11 12 13 14 15 16 8 9 10 11 12 13 14 15 16 17
17 18 19 20 21 22 23 24 25 26 27 18 19 20 21 22 23 24 25
28 29 30 31 32 33 34 35 26 27 28 29 30 31

A 19
Black

3 4 5 6 7 8 9 10 11 12 13 14 15 16
1 2
17 18 19 20 21 22 23 24 25 26 27 28 29 30

31 32
33 34 35 36 37 38 39 40 41 42 43 44 45 46

cardiagn.com
A 21 A 28 A 29
Gray Black Black
1

1 2

3 4 5 6 7 8 9 10 11 12 13 14 15 16
1 2
17 18 19 20 21 22 23 24 25 26 27 28 29 30

31 32
33 34 35 36 37 38 39 40 41 42 43 44 45 46

A 35 A 50 A 52 A 61
Green White White Black

1 2
3 4 1 2 3 4 5 6 1 2 3 4 5 6 7 8 9 10 11
1 2
12 13 14 15 16 17 18 19 20 21 22
3 4 5 6 7 8 9 10 11 12 13 14 15 16 17
7 8 9 10 18 19 20 21 22 23 24 25 26

- 26 -
Engine Immobiliser , Push-Button Start , Steering Lock , Wireless Door Lock Control , Smart Access System with Push-Button Start

A 62 A 63 A 64
Blue Black Black

1 2 3 4 5 6 7 8 9 10 11 1 2 3 4 5 6 7 8 9 10 11 1 2 3 4 5 6 7 8 9 10 11
12 13 14 15 16 17 18 19 20 21 22 12 13 14 15 16 17 18 19 20 21 22 12 13 14 15 16 17 18 19 20 21 22

A 67 A 68 A 69 B6
Black White White Gray
1

1 2 3 4 5 6 7 8 9 10 11 1 2 3 4 5 6 7 8 9 10
1 2
12 13 14 15 16 17 18 19 20 21 22 11 12 13 14 15 16 17 18 19 20
3 4 5 6
7 8 9 10

B7 B 10 B 14 E1
Black Black White White

cardiagn.com
1

1 2
1 2 5 6 1 2 3 4 5 6 7
3 4
8 9 10 11 12 13 14 15 16 17
7 8 9 10 11 12 13 14 15 16
18 19 20 21 22 23 24 25 26 27
17 18 19 20 21 22 23 24
28 29 30 31 32 33 34

E3 E 25 E 49
White Black Gray

1
1 2 3 4 5 6 1 2 3 4

7 8 9 10 11 12 13 14 15 16 5 6 7 8 9

17 18 19 20 21 22 23 24 25 26
27 28 29 30 31 32 33

E 52 E 53 E 54
Black Black Black

1 2 3
1 2 3 4 5 6 7 8 9 10 11 1 2 3 4 5 6 7 8 9 10 11
12 13 14 15 16 17 18 19 20 21 22 12 13 14 15 16 17 18 19 20 21 22

- 27 -
Engine Immobiliser , Push-Button Start , Steering Lock , Wireless Door Lock Control , Smart Access System with Push-Button Start

F1 L1 L 10 L 11
Black Black White

1 1 2 3
4 5 6 7 8

1 2 3 4 5 6 7 8 9 10 11 12 1 4
2 3
13 14 15 16 17 18 19 20 21 22 23 24
5 6 7 8 9 10
11 12 13 14 15 16

L 12 L 13
White White

1 2 3 4 5 6
1 2 3 4 5 6 7 8 9 10
11 12 13 14 15 16 17 18 19 20
7 8 9 10 11 12 13 14 15 16 17
21 22 23 24 25 26 27 28
18 19 20 21 22 23 24 25 26

cardiagn.com
L 15 L 16
White White

1 2 3 4 5 6 7 8 9 10 11 12 13 14 15 16 17 1 2 3 4 5 6 7 8 9 10 11

18 19 20 21 22 23 24 25 26 27 28 29 30 31 32 33 34 35 36 37 38 39 40 12 13 14 15 16 17 18 19 20 21 22 23 24 25 26 27 28

L 30 L 32 L 33 L 36
White White Black Black

1 2
1 2 3 4 5 6 7 8 1 2 3 4 5 6 7 1 2 3 4 5 6 7
8 9 10 11 12 13 14

L 74 L 95 L 97
White Gray Black

1 2 3 1 2 3 4 5 6 7 8 9 10 11 1 2 3 4 5 6 7 8 9 10 11
12 13 14 15 16 17 18 19 20 21 22 12 13 14 15 16 17 18 19 20 21 22

L 98 L100 L112 L136


Gray Blue White Black

1 2 3 4 5 1 2 3 4
6 7 8 9 10 11 12

1 2 3 4 5 6 7 8 9 10 11
1 2 3 4 5 6 7 8
12 13 14 15 16 17 18 19 20 21 22

- 28 -
Engine Immobiliser , Push-Button Start , Steering Lock , Wireless Door Lock Control , Smart Access System with Push-Button Start

N1 N2 N8
White White White

1 2 3 4
1 2 5 6 1 2 3 4 5 6
3 4 5 6 7 8 9 10

7 8 9 10 11 12 13 14 15 16 7 8 9 10 11 12 13 14 15 16 17
17 18 19 20 21 22 23 24 18 19 20 21 22 23 24 25 26

N9 N 10 N 15
White White White

1 2 3 4
1 2 3 4 5 6 1 2 5 6
3 4 5 6 7 8 9 10

7 8 9 10 11 12 13 14 15 16 17 7 8 9 10 11 12 13 14 15 16

18 19 20 21 22 23 24 25 26 17 18 19 20 21 22 23 24

cardiagn.com
O3 O4 O 11
White White White

1 2 3 4
1 2 5 6 1 2 3 4 5 6
3 4 5 6 7 8 9 10

7 8 9 10 11 12 13 14 15 16 7 8 9 10 11 12 13 14 15 16 17
17 18 19 20 21 22 23 24 18 19 20 21 22 23 24 25 26

O 13 O 14 O 22 P3
White White White White

1 2
1 2 3 4
1 2 3 4 5 6 1 2 5 6
3 4 5 6 7 8 9 10

7 8 9 10 11 12 13 14 15 16 17 7 8 9 10 11 12 13 14 15 16

18 19 20 21 22 23 24 25 26 17 18 19 20 21 22 23 24

P4 P9 P 10 R6
White White White White

1 2 1

1 10 1 10
2 3 4 5 6 7 8 9 2 3 4 5 6 7 8 9

11 12 13 14 15 16 17 18 19 20 21 22 11 12 13 14 15 16 17 18 19 20 21 22

23 24 25 26 27 28 29 30 23 24 25 26 27 28 29 30

- 29 -
Engine Immobiliser , Push-Button Start , Steering Lock , Wireless Door Lock Control , Smart Access System with Push-Button Start

R 12 R 37 R 40 R 41
White White White White

1 1 2 3 1 2 3
2 1
4 5 6 7 4 5 6 7 8
4 3
6 5

R 42 R 43 R 44
Black White Black

1 2 3

1 2 3 4 5 6 7 8 9 10 11 4 5 6 7 8 1 2 3 4 5 6 7 8 9 10 11
12 13 14 15 16 17 18 19 20 21 22 12 13 14 15 16 17 18 19 20 21 22

R 48 R 57 R 70 S6 S 10
Black Dark Gray Gray White White

cardiagn.com
1 2 3 4 1
1 2 3 4 5 6 7 8 9 10 11 1 2 3
5 6 7 8
12 13 14 15 16 17 18 19 20 21 22

S 14 S 36 S 38 S 43
White White White White

1 2 3
1 4 5 6 7 8

2 1 1 2 3 10 11 12
4 5 6 7 8 9
13 14 15 16 17 18 19 20 21 22 23 24 25 26

S 44 S 54 S 55
Blue White White

1 2 3
4 5 6 7 8 1 2 3 4 5 6 7 8 9 10 11
1 2 3
12 13 14 15 16 17 18 19 20 21 22

S 56 S 57 S 59
White White Black

1 2 3

1 2 3 4 5 6 7 8 9 10 11 4 5 6 7 8 1 2 3 4 5 6 7 8 9 10 11
12 13 14 15 16 17 18 19 20 21 22 12 13 14 15 16 17 18 19 20 21 22

- 30 -
Engine Immobiliser , Push-Button Start , Steering Lock , Wireless Door Lock Control , Smart Access System with Push-Button Start

S 60 S 62 S 63 S 64
Black White White White

1 2 3 4 5 6 7 8 9 10 11 1 2 3 4 5 6 7 8 9 10 1 4 1 2
2 3
12 13 14 15 16 17 18 19 20 21 22 11 12 13 14 15 16 17 18 19 20
5 6 7 8 9 10 3 4 5 6
21 22 23 24 25 26 27 28
11 12 13 14 15 16 7 8 9 10

X4 X6 X 12
White White White

1 2 3 4 5 6 7 8 9 10 1 2 3 4 5
1 2 3 4 5 6 7 8 9 10 11 12 13 14 15 16
11 12 13 14 15 16 17 18 19 20 6 7 8 9 10
17 18 19 20 21 22 23 24 25 26 27 28 29 30 31 32

X 15 X 17 a1 a2 b1

cardiagn.com
Black Black Black White Black

1 2 3 4 1 2 3 4
1 2 3 4 5 1 2 3 4 5
6 7 8 9 10 1 2 6 7 8 9 10
3 4
5 6

b2 c1 c2 d1
White White Black White

1 2 3 4 5
1 2 1 2 6 7 8 9 10 1 2
3 4 3 4 3 4
5 6 5 6 5 6

d2 1G 1H 1J 1K
White

1 1 1 1

1 2 3 4 5
6 7 8 9 10

1L 2A
Black

1
1 2 3 4 5
6 7 8 9 10 11 12 13

- 31 -
Engine Immobiliser , Push-Button Start , Steering Lock , Wireless Door Lock Control , Smart Access System with Push-Button Start

2C 2D
White Black

1 2 3 4
1 2 3 4 5 6 7 8 9 10 11 12 13 14 15 16 17 18 5 6 7 8 9 10

19 20 21 22 23 24 25 26 27 28 29 30 31 32 33 34 35 36

2E 2F 2G 3B
Black Black Black Gray

1 2 3 4 5 6 7 8 9 10 11 12

1 2 3 4 5 6 7
1 2
1
8 9 10 11 12 13 14

3F 3G
Gray White

1 2 3 4 5 6 7 8 9 10 11 12 1 2 3 4 5 6 7 8 9 10 11 12

cardiagn.com
3H 3J
Gray Gray

1 2 3 4 5 6 7 8 9 10 11 12 1 2 3 4 5 6 7 8 9 10 11 12

3K 3L
White Gray

1 2 3 4 5 6 7 8 9 10 11 12 1 2 3 4 5 6 7 8 9 10 11 12

4A 4E
White White

1 2 3 4 5 6 7 8 9 10 11 12 1 2 3 4 5 6 7 8 9 10 11 12

4F 4H
Gray Gray

1 2 3 4 5 6 7 8 9 10 11 12 1 2 3 4 5 6 7 8 9 10 11 12

4J 4L
Gray Gray

1 2 3 4 5 6 7 8 9 10 11 12 1 2 3 4 5 6 7 8 9 10 11 12

DA
White

7 8 9 10 11 12 13 14 15 16 17 18 19 20 21 22
1 2 3 4 5 6
23 24 25 26 27 28 29 30 31 32 33 34 35 36 37 38
39 40 41 42 43 44 45 46 47 48 49 50 51 52 53 54 55 56 57 58 59 60

- 32 -
Engine Immobiliser , Push-Button Start , Steering Lock , Wireless Door Lock Control , Smart Access System with Push-Button Start

DD DF DH
Gray White Gray

7 8 9 10 11 12
1 2 3 4 5 6
13 14 15 16 17 18 1 1 2 5 6
19 20 21 22 23 24 25 26 27 28 29 30 3 4

7 8 9 10 11 12 13 14 15 16

17 18 19 20 21 22 23 24

LA
White

7 8 9 10 11 12 13 14 15 16 17 18 19 20 21 22
1 2 3 4 5 6
23 24 25 26 27 28 29 30 31 32 33 34 35 36 37 38
39 40 41 42 43 44 45 46 47 48 49 50 51 52 53 54 55 56 57 58 59 60

LD
Gray

cardiagn.com
7 8 9 10 11 12
1 2 3 4 5 6
13 14 15 16 17 18
19 20 21 22 23 24 25 26 27 28 29 30

PA
White

7 8 9 10 11 12 13 14 15 16 17 18 19 20 21 22
1 2 3 4 5 6
23 24 25 26 27 28 29 30 31 32 33 34 35 36 37 38
39 40 41 42 43 44 45 46 47 48 49 50 51 52 53 54 55 56 57 58 59 60

PJ PK PL
Gray Gray White

7 8 9 10 11 12
1 2 3 4 5 6
13 14 15 16 17 18 1 2 5 6 1
19 20 21 22 23 24 25 26 27 28 29 30 3 4

7 8 9 10 11 12 13 14 15 16

17 18 19 20 21 22 23 24

- 33 -
Engine Immobiliser , Push-Button Start , Steering Lock , Wireless Door Lock Control , Smart Access System with Push-Button Start

AR1
White

11 10 9 8 7 6 5 4 3 2 1
1 2 3 4 5 6 7 8 9 10 11
22 21 20 19 18 17 16 15 14 13 12
12 13 14 15 16 17 18 19 20 21 22

EA1 EA4
White White

9 8 7 6 5 4 3 2 1
1 2
1 2 3 4 5 6 7 8 9
2 1
25 16 15 14 13 12 11 10 17 3 4
17 10 11 12 13 14 15 16 25 24 23 22 21 20 19 18 4 3
18 19 20 21 22 23 24

cardiagn.com
LA1
White

7 8 9 10 11 12 13 14 15 16 17 18 19 20 21 22
1 2 3 4 5 6
23 24 25 26 27 28 29 30 31 32 33 34 35 36 37 38
39 40 41 42 43 44 22 21 20 19 18 17 16 15 14 13 12 11 10 9 8 7
45 46 47 48 49 50 51 52 53 54 55 56 57 58 59 60 6 5 4 3 2 1
38 37 36 35 34 33 32 31 30 29 28 27 26 25 24 23
60 59 58 57 56 55 54 53 52 51 50 49 48 47 46 45 44 43 42 41 40 39

LA3
White

7 8 9 10 11 12 13 14 15 16 17 18 19 20 21 22
1 2 3 4 5 6
23 24 25 26 27 28 29 30 31 32 33 34 35 36 37 38
39 40 41 42 43 44 22 21 20 19 18 17 16 15 14 13 12 11 10 9 8 7
45 46 47 48 49 50 51 52 53 54 55 56 57 58 59 60 6 5 4 3 2 1
38 37 36 35 34 33 32 31 30 29 28 27 26 25 24 23
60 59 58 57 56 55 54 53 52 51 50 49 48 47 46 45 44 43 42 41 40 39

LR1
White

7 8 9 10 11 12 13 14 15 16 17 18 19 20 21 22
1 2 3 4 5 6
23 24 25 26 27 28 29 30 31 32 33 34 35 36 37 38
39 40 41 42 43 44 22 21 20 19 18 17 16 15 14 13 12 11 10 9 8 7
45 46 47 48 49 50 51 52 53 54 55 56 57 58 59 60 6 5 4 3 2 1
38 37 36 35 34 33 32 31 30 29 28 27 26 25 24 23
60 59 58 57 56 55 54 53 52 51 50 49 48 47 46 45 44 43 42 41 40 39

- 34 -
Engine Immobiliser , Push-Button Start , Steering Lock , Wireless Door Lock Control , Smart Access System with Push-Button Start

LS1
White

7 8 9 10 11 12 13 14 15 16 17 18 19 20 21 22
1 2 3 4 5 6
23 24 25 26 27 28 29 30 31 32 33 34 35 36 37 38
39 40 41 42 43 44 22 21 20 19 18 17 16 15 14 13 12 11 10 9 8 7
45 46 47 48 49 50 51 52 53 54 55 56 57 58 59 60 6 5 4 3 2 1
38 37 36 35 34 33 32 31 30 29 28 27 26 25 24 23
60 59 58 57 56 55 54 53 52 51 50 49 48 47 46 45 44 43 42 41 40 39

LX1
White

9 8 7 6 5 4 3 2 1
1 2 3 4 5 6 7 8 9
25 16 15 14 13 12 11 10 17
17 10 11 12 13 14 15 16 25 24 23 22 21 20 19 18
18 19 20 21 22 23 24

cardiagn.com
LX2 NR1
White White

9 8 7 6 5 4 3 2 1 1 2 3 4 5
1 2 3 4 5 6 7 8 9 5 4 3 2 1
18 17 16 15 14 13 12 11 10 6 7 8 9 10 10 9 8 7 6
10 11 12 13 14 15 16 17 18

NR2 NS1
White White

9 8 7 6 5 4 3 2 1 1 2 3 4 5
1 2 3 4 5 6 7 8 9 5 4 3 2 1
18 17 16 15 14 13 12 11 10 6 7 8 9 10 10 9 8 7 6
10 11 12 13 14 15 16 17 18

NS2 Na1
White White

1 2 3 4 5 5 4 3 2 1
9 8 7 6 5 4 3 2 1 6 7 8 9 10 10 9 8 7 6
1 2 3 4 5 6 7 8 9
18 17 16 15 14 13 12 11 10
10 11 12 13 14 15 16 17 18

- 35 -
Engine Immobiliser , Push-Button Start , Steering Lock , Wireless Door Lock Control , Smart Access System with Push-Button Start

Nb2
White

1 2 3 4 5 5 4 3 2 1
6 7 8 9 10 10 9 8 7 6

OR1
White

6 5 4 3 2 1

1 2 3 4 5 6 21 20 19 11 10 9 8 7 13 12
7 8 9 10 11 19 18 17 16 15 14
12 13 20 21
14 15 16 17 18

cardiagn.com
OS1
White

6 5 4 3 2 1

1 2 3 4 5 6 21 20 19 11 10 9 8 7 13 12
7 8 9 10 11 19 18 17 16 15 14
12 13 20 21
14 15 16 17 18

RL2
White

11 10 9 8 7 6 5 4 3 2 1
1 2 3 4 5 6 7 8 9 10 11
22 21 20 19 18 17 16 15 14 13 12
12 13 14 15 16 17 18 19 20 21 22

- 36 -
Engine Immobiliser , Push-Button Start , Steering Lock , Wireless Door Lock Control , Smart Access System with Push-Button Start

cO1 dO2
White Black White

1 2 3 4 5 5 4 3 2 1 1 2 3 4 5 5 4 3 2 1
6 7 8 9 10 10 9 8 7 6 6 7 8 9 10 10 9 8 7 6

cardiagn.com

- 37 -
Seat Belt Warning

∗ 1 : w/ Multi Display
(IG) ∗ 2 : w/o Multi Display

10A
P–IG1–1
SB

53 PA
V

SB
12 5B 21 PA

12 5A 37 PA

cardiagn.com
(∗1)

(∗1)

(∗2)

(∗2)
SB

SB
V

3 C 21 C 3 21
IG PBEW IG PBEW

Front Passenger' s Front Passenger' s


Seat Belt Seat Belt
Warning Light Warning Light

L117(C) L35
Display & Navigation Integration Control
Module Display and Panel Assembly
Skid Control ECU
A19(A), A21(C)

FL+ FL– FR+ FR– RL+ RL– RR+ RR– CANL CANH
16 C 15 C 16 A 15 A 11 A 10 A 11 C 10 C 8 C 9 C
B

V
L

P
Front Speed Sensor Rear Speed Sensor

-1-
Seat Belt Warning

(IG) (BAT)

10A 10A
P–J/B D MPX–B 2
SB

30 2C 42 DA

L
1
L136
6 LA1 Junction
Connector
2
SB

P
L
L10
2 Combination Meter 14 13
PBLT IG2 B

Buzzer
Speedometer

Driver' s Seat Belt

cardiagn.com
I/F 5V IC

CPU
CAN CONTROLLER

LED DRIVER
CAN I/F

E2 ES CANH CANL
17 18 20 21
W–B

BR

G
R

Junction Connector

6
Connector
Junction

5 16
L100

8
L97

4 15 12 1
W–B

G
R

41 DA 58 PA
45 LA1 46 LA1
G
R

40 DA 43 PA
11 22
Connector
Junction
W–B

BR

A67

10 21
V

V
R
P
G

L4 L1

-2-
Seat Belt Warning

e13
Front Seat Inner
Belt Switch RH

Buckle Switch

RBE+ RBE–
1 2
W

13 14
Detection ECU

BSW BGND
Occupant

FSR+ FSR–
e10

11 12
W

cardiagn.com
2 Re3 3 Re3
W

16 B 22 B
FSR+ FSR–

L73(A), R5(B), S8(C)


Center Airbag ECU

CANH CANL LBE+


13 A 22 A 10 C
G
R

W–B

1 3
LBE+ LBE–
Buckle
Switch

8 19
Connector

Front Seat Inner


Belt Switch LH
Junction
L98

7 18
S17
G
R

W–B

G
5
S57
Junction
Connector

S2

-3-
Seat Belt Warning

A 19
Black

3 4 5 6 7 8 9 10 11 12 13 14 15 16
1 2
17 18 19 20 21 22 23 24 25 26 27 28 29 30

31 32
33 34 35 36 37 38 39 40 41 42 43 44 45 46

A 21 A 67
Gray Black

1 2 3 4 5 6 7 8 9 10 11
3 4 5 6 7 8 9 10 11 12 13 14 15 16 12 13 14 15 16 17 18 19 20 21 22
1 2
17 18 19 20 21 22 23 24 25 26 27 28 29 30

cardiagn.com
31 32
33 34 35 36 37 38 39 40 41 42 43 44 45 46

L 10 L 35
Black White

1 2 3 4 5 6 7 8 9 10 11 12 1 2 3 10 11 12
4 5 6 7 8 9
13 14 15 16 17 18 19 20 21 22 23 24
13 14 15 16 17 18 19 20 21 22 23 24 25 26

L 73 L 97 L 98
Yellow Black Gray

1 2 3 4 5 6 7 8 9 10

1 2 3 4 5 6 7 8 9 10 11 1 2 3 4 5 6 7 8 9 10 11
11 12 13 14 15 16 17 18 19 20
12 13 14 15 16 17 18 19 20 21 22 12 13 14 15 16 17 18 19 20 21 22

21 22 23 24 25 26 27 28 29 30

-4-
Seat Belt Warning

L100 L117 L136 R5


Blue Blue Black Yellow

1 2 3 4 5 1 2 3 4 1 2 3 4 5 6 7 8
6 7 8 9 10 11 12
1 2 3
4 5 6
9 10 11 12 13 14 15 16

17 18 19 20 21 22 23 24

S8 S 17 S 57
Yellow Gray White

1 2 3 4 5 6 7 8
1 2 3
1 2
3 4 4 5 6 7 8
9 10 11 12 13 14 15 16

17 18 19 20 21 22 23 24

cardiagn.com
e 10 e 13
Black White

2 1

1 2 3 4 5 6 7 8 9
10 11 12 13 14 15 16 17 18

2C 5A
White White

1 2 3 4 5 6 7 8 9 10 11 12

1 2 3 4 5 6 7 8 9 10 11 12 13 14 15 16 17 18

19 20 21 22 23 24 25 26 27 28 29 30 31 32 33 34 35 36

5B DA
Gray White

1 2 3 4 5 6 7 8 9 10 11 12

7 8 9 10 11 12 13 14 15 16 17 18 19 20 21 22
1 2 3 4 5 6
23 24 25 26 27 28 29 30 31 32 33 34 35 36 37 38
39 40 41 42 43 44 45 46 47 48 49 50 51 52 53 54 55 56 57 58 59 60

-5-
Seat Belt Warning

PA
White

7 8 9 10 11 12 13 14 15 16 17 18 19 20 21 22
1 2 3 4 5 6
23 24 25 26 27 28 29 30 31 32 33 34 35 36 37 38
39 40 41 42 43 44 45 46 47 48 49 50 51 52 53 54 55 56 57 58 59 60

LA1
White

7 8 9 10 11 12 13 14 15 16 17 18 19 20 21 22
1 2 3 4 5 6
23 24 25 26 27 28 29 30 31 32 33 34 35 36 37 38
39 40 41 42 43 44 22 21 20 19 18 17 16 15 14 13 12 11 10 9 8 7
45 46 47 48 49 50 51 52 53 54 55 56 57 58 59 60 6 5 4 3 2 1
38 37 36 35 34 33 32 31 30 29 28 27 26 25 24 23
60 59 58 57 56 55 54 53 52 51 50 49 48 47 46 45 44 43 42 41 40 39

Re3

cardiagn.com
Gray

1 2 2 1
3 4 4 3

-6-
Seat Heater <Rear Passenger's Seat>

(IG) (BAT)

10A f3 30A
P–IG1–4 P RR S/HTR
Rear Seat Heater RH

Wing Outer Side


Seat Cushion

Seat Cushion
Seat Back
29 PJ 21 PJ

G
Y

Wing Inner Side


Seat Cushion

cardiagn.com
B E HS H5
1 3 4 2
BR
Y

P
L

f7(A), f8(B)
Rear Seat Climate

G
1 A 5 A 10 A 9 A Control ECU RH
B E HS H5

18 Rf1

IG LIN VER GND SYSB


1 B 13 B 11 B 12 B 2 B
W–B

W–B

G
Y

W–B G
W–B

W–B

7 Rf1 1 Rf1
W–B
Y

W–B

8
R41
Junction
Connector

R1

-1-
Seat Heater <Rear Passenger's Seat>

(IG)

f15 10A
RR–IG1–3
Rear Seat Heater LH

Wing Outer Side


Seat Cushion

Seat Cushion
Seat Back
13 LD

P
Wing Inner Side
Seat Cushion

cardiagn.com
B E HS H5
1 3 4 2
BR
Y

P
L

f13(A), f14(B)
Rear Seat Climate
1 B 5 B 10 B 9 B Control ECU LH
B E HS H5

SYSB GND LIN IG


2 A 12 A 13 A 1 A
W–B
G

G P

2 Rf1 22 RS1
P

W–B V

V V

-2-
Seat Heater <Rear Passenger's Seat>

(BAT)

5A
RR MPX–B 2

57 LA
W

4 15
S59
Junction
Connector
1 12

W
B

cardiagn.com
6 rS4 2 rS4 3 rS4 5 rS4
W

W
R

V
4

Connector
11 A 1 A 2 A 6 A

Junction
Rear Console Switch
B CANP CANN LIN

S56
r1(B), r2(A) 6

V
SW3 SW2 SWE1 R VR IND4 BVR IND3 L VR IND2 IND1 E
3 B 7 B 17 B 1 B 2 B 6 B 8 B 9 B 15 B 19 B 3 A
6 RS1
W–B
GR

BR
G

R
B

V
L

13 18 5 11 12 17 19 20 3 7 14 rS4 6 Rf1
SW3 SW2 SWE1 R VR IND4 BVR IND3 L VR IND2 IND1
W–B

Rear Seat Heater Switch f20


Junction
12 Connector
13
r3
Rear Console Switch Sub 14
(Curtain Switch)
V

4
S57
Junction
Connector

S2

-3-
Seat Heater <Rear Passenger's Seat>

(BAT)

P–D/C CUT
1 : w/ Ottoman
∗ 2 : w/o Ottoman
∗ 3 : 4–Seater

5A
4 : 5–Seater

2
BCUT
Electric Power
B Control ECU
CUTD
1
W
Junction Connector

z5(B), z16(C)
Integration Control
57 PA and Panel Assembly
13 2
S60

16 5

Heater Switch
W

Rear Seat
5 4H

cardiagn.com
60 LS1 59 LS1
W

5 4B
G–W

15 4
Connector

B
Junction

6 B 8 B (∗3, ∗2 ∗4)
L95

21 10 1 A 6 C 10 C (∗1 ∗4)
B
W

3 2
Switch Assembly

L75(A), z5(B), z16(C)


CANN CANP Console Switch
Outer Mirror

MPX MPX E
L6

7 3 A 5 A
W–B
L

3 5I 4 4B 1 4B

3 5F 3 4F 1 4J 1 4H
W–B

W–B
L

29 DA 40 PA 51 PA

51 DA 39 PA
W–B

W–B

L1 L3

-4-
Seat Heater <Rear Passenger's Seat>

L6 L 75 L 95 R 41
White White Gray White

1 2 3
1 2 3 4 5 6 1 2 3 4 5 4 5 6 7 8
1 2 3 4 5 6 7 8 9 10 11
7 8 9 10 11 12
12 13 14 15 16 17 18 19 20 21 22

S 56 S 57 S 59
White White Black

1 2 3

1 2 3 4 5 6 7 8 9 10 11 4 5 6 7 8 1 2 3 4 5 6 7 8 9 10 11
12 13 14 15 16 17 18 19 20 21 22 12 13 14 15 16 17 18 19 20 21 22

S 60 f3 f7
Black Black White

1 2 3 4 5
6 7 8 9 10 11 12

cardiagn.com
1 2
1 2 3 4 5 6 7 8 9 10 11 3 4
12 13 14 15 16 17 18 19 20 21 22

f8 f 13
White White

1 2 3 10 11 12 1 2 3 10 11 12
4 5 6 7 8 9 4 5 6 7 8 9
13 14 15 16 17 18 19 20 21 22 23 24 25 26 13 14 15 16 17 18 19 20 21 22 23 24 25 26

f 14 f 15 f 20
White Black White

1 2 3 4 5
6 7 8 9 10 11 12
1 2
3 4 1 2 3 4 5 6 7 8 9 10 11
12 13 14 15 16 17 18 19 20 21 22

r1 r2
White White

1 2 3 4 5 6 7 8 9 1 2 3 4 5
10 11 12 13 14 15 16 17 18 19 20 21 22 23 24 6 7 8 9 10 11 12 13 14 15 16

-5-
Seat Heater <Rear Passenger's Seat>

r3 z5 z 16
White White White

1 2 3 4 5 6 7 8 9 10 1 2 3 4 5 6 1 2 3 4 5 6 7 8
11 12 13 14 15 16 17 18 19 20 7 8 9 10 11 12 9 10 11 12 13 14 15 16

4B 4F
Gray Gray

1 2 3 4 5 6 7 8 9 10 11 12 1 2 3 4 5 6 7 8 9 10 11 12

4H 4J
Gray Gray

1 2 3 4 5 6 7 8 9 10 11 12 1 2 3 4 5 6 7 8 9 10 11 12

5F 5I
Gray White

1 2 3 4 5 6 7 8 9 10 11 12 1 2 3 4 5 6 7 8 9 10 11 12

cardiagn.com
DA
White

7 8 9 10 11 12 13 14 15 16 17 18 19 20 21 22
1 2 3 4 5 6
23 24 25 26 27 28 29 30 31 32 33 34 35 36 37 38
39 40 41 42 43 44 45 46 47 48 49 50 51 52 53 54 55 56 57 58 59 60

LA
White

7 8 9 10 11 12 13 14 15 16 17 18 19 20 21 22
1 2 3 4 5 6
23 24 25 26 27 28 29 30 31 32 33 34 35 36 37 38
39 40 41 42 43 44 45 46 47 48 49 50 51 52 53 54 55 56 57 58 59 60

LD
Gray

7 8 9 10 11 12
1 2 3 4 5 6
13 14 15 16 17 18
19 20 21 22 23 24 25 26 27 28 29 30

-6-
Seat Heater <Rear Passenger's Seat>

PA
White

7 8 9 10 11 12 13 14 15 16 17 18 19 20 21 22
1 2 3 4 5 6
23 24 25 26 27 28 29 30 31 32 33 34 35 36 37 38
39 40 41 42 43 44 45 46 47 48 49 50 51 52 53 54 55 56 57 58 59 60

PJ
Gray

7 8 9 10 11 12
1 2 3 4 5 6
13 14 15 16 17 18
19 20 21 22 23 24 25 26 27 28 29 30

LS1
White

cardiagn.com
7 8 9 10 11 12 13 14 15 16 17 18 19 20 21 22
1 2 3 4 5 6
23 24 25 26 27 28 29 30 31 32 33 34 35 36 37 38
39 40 41 42 43 44 22 21 20 19 18 17 16 15 14 13 12 11 10 9 8 7
45 46 47 48 49 50 51 52 53 54 55 56 57 58 59 60 6 5 4 3 2 1
38 37 36 35 34 33 32 31 30 29 28 27 26 25 24 23
60 59 58 57 56 55 54 53 52 51 50 49 48 47 46 45 44 43 42 41 40 39

RS1
White

11 10 9 8 7 6 5 4 3 2 1
1 2 3 4 5 6 7 8 9 10 11
22 21 20 19 18 17 16 15 14 13 12
12 13 14 15 16 17 18 19 20 21 22

Rf1
White

1 2 8 9
9 8 2 1
10 11 3 4 5 6 7 17 18
12 13 14 15 16 18 17 7 6 5 4 3 11 10
16 15 14 13 12

-7-
Seat Heater <Rear Passenger's Seat>

rS4
White

1 2 3 4 5 6 7 7 6 5 4 3 2 1

8 9 10 11 12 13 14 14 13 12 11 10 9 8

cardiagn.com

-8-
Stop Light

(BAT) (BAT) (IG) (BAT) (BAT)

10A 5A 10A 10A 10A


RR MPX–B 1 RR MPX–B 2 RR–IG1–2 STOP LP 1 STOP LP 2

7 15 8 6 2
MPXB LGLB IG +BS1 +BS2

STP3 STP2 STP1


4 C S62(B), S63(C), S64(D) 9 D 10 D
Rear Junction Block ECU
R

cardiagn.com
4
6 R

5 S55
Junction
Connector
BR

BR
L

L
BR

BR
R

3 1 3 1
TL STP TL STP
2 1 2 1
T/P B T/P B

Rear Combination Light RH


Rear Combination Light LH
Marker

Marker
Stop

Stop
Tail/

Tail/
Stop

Stop
Tail/

Tail/

E E E E
S51

S52
4 S33 4 S41 4 4
Rear Combination Rear Combination
Light LH Light RH
W–B

W–B

W–B

W–B

W–B

22 9 W–B
16 W–B 7 S55
Junction
Connector
S55 10
Junction
Connector
W–B

W–B

-1-
Stop Light

(BAT)

5A
STOP

16 DH

Stop Light Switch


S62(B), S63(C), S64(D) 2
Rear Junction Block ECU

A35
PGND SG STP4 CANN CANP STOP
1
4 17 6 B 28 B 20 B 16 B

cardiagn.com
6 LF 5 LF 43 LA 29 LA

15 DH

G
B

B
W–B

W–B

W–B

W–B

13 DD
(High Mounted Stop Light)

1 14 3
Connector
Junction
Noise Filter

S59

15 4
S13

2
W

B
(Shielded)

W–B
BR

1
W–B
High Mounted
Stop Light
S20

2
W–B

W–B

W–B

7 1 3
W–B 6 S54 W
Junction
Connector

S1 S4

-2-
Stop Light

(IG) (BAT)

10A 10A
P–J/B D MPX–B 2

30 2C 42 DA

L
1
L136
6 LA1 Junction
Connector
2

P
L
L10
Combination Meter 14 13
IG2 B
TFT Module

cardiagn.com
TFT Panel CPU
TFT Buzzer
CPU

MPX–B

Master
5V IC
I/F

IG2
Back Light
CPU
Body
Earth LED DRIVER
CAN CONTROLLER

Signal
Earth

CAN I/F

CANP CANN ES E2
22 23 18 17
W–B
BR
W
B

6
Connector
Junction
7 18
Connector
Junction

L100
L95

8
4 15
W–B
W
B

59 LS1 60 LS1 58 PA 41 DA
W
B

43 PA 40 DA

5 16
Connector
Junction

W–B
BR
S60

2 13

L1 L4

-3-
Stop Light

A 35 L 10 L 95 L100
Green Black Gray Blue

1 2 3 4 5
6 7 8 9 10 11 12
1 2
3 4 1 2 3 4 5 6 7 8 9 10 11 12 1 2 3 4 5 6 7 8 9 10 11

13 14 15 16 17 18 19 20 21 22 23 24 12 13 14 15 16 17 18 19 20 21 22

L136 S 13 S 20 S 33 S 41
Black Gray White White White

1 2 3 4
1 2
1 2 2 1 2 1
4 3 4 3

S 51 S 52 S 54 S 55
White White White White

1 2 3
2 1 2 1
4 5 6 7 8

cardiagn.com
4 3 4 3 1 2 3 4 5 6 7 8 9 10 11
12 13 14 15 16 17 18 19 20 21 22

S 59 S 60 S 62
Black Black White

1 2 3 4 5 6 7 8 9 10 11 1 2 3 4 5 6 7 8 9 10 11 1 2 3 4 5 6 7 8 9 10
12 13 14 15 16 17 18 19 20 21 22 12 13 14 15 16 17 18 19 20 21 22 11 12 13 14 15 16 17 18 19 20
21 22 23 24 25 26 27 28

S 63 S 64 2C
White White White

1 2 3 4 5 6 7 8 9 10 11 12 13 14 15 16 17 18
1 4 1 2
2 3 19 20 21 22 23 24 25 26 27 28 29 30 31 32 33 34 35 36
5 6 7 8 9 10 3 4 5 6
11 12 13 14 15 16 7 8 9 10

DA
White

7 8 9 10 11 12 13 14 15 16 17 18 19 20 21 22
1 2 3 4 5 6
23 24 25 26 27 28 29 30 31 32 33 34 35 36 37 38
39 40 41 42 43 44 45 46 47 48 49 50 51 52 53 54 55 56 57 58 59 60

-4-
Stop Light

DD DH
Gray Gray

7 8 9 10 11 12
1 2 3 4 5 6
13 14 15 16 17 18 1 2 5 6
19 20 21 22 23 24 25 26 27 28 29 30 3 4

7 8 9 10 11 12 13 14 15 16

17 18 19 20 21 22 23 24

LA LF
White Gray

7 8 9 10 11 12 13 14 15 16 17 18 19 20 21 22
1 2 3 4 5 6
23 24 25 26 27 28 29 30 31 32 33 34 35 36 37 38 1 2 5 6
39 40 41 42 43 44 45 46 47 48 49 50 51 52 53 54 55 56 57 58 59 60 3 4

7 8 9 10 11 12 13 14 15 16

17 18 19 20 21 22 23 24

cardiagn.com
PA
White

7 8 9 10 11 12 13 14 15 16 17 18 19 20 21 22
1 2 3 4 5 6
23 24 25 26 27 28 29 30 31 32 33 34 35 36 37 38
39 40 41 42 43 44 45 46 47 48 49 50 51 52 53 54 55 56 57 58 59 60

LA1
White

7 8 9 10 11 12 13 14 15 16 17 18 19 20 21 22
1 2 3 4 5 6
23 24 25 26 27 28 29 30 31 32 33 34 35 36 37 38
39 40 41 42 43 44 22 21 20 19 18 17 16 15 14 13 12 11 10 9 8 7
45 46 47 48 49 50 51 52 53 54 55 56 57 58 59 60 6 5 4 3 2 1
38 37 36 35 34 33 32 31 30 29 28 27 26 25 24 23
60 59 58 57 56 55 54 53 52 51 50 49 48 47 46 45 44 43 42 41 40 39

LS1
White

7 8 9 10 11 12 13 14 15 16 17 18 19 20 21 22
1 2 3 4 5 6
23 24 25 26 27 28 29 30 31 32 33 34 35 36 37 38
39 40 41 42 43 44 22 21 20 19 18 17 16 15 14 13 12 11 10 9 8 7
45 46 47 48 49 50 51 52 53 54 55 56 57 58 59 60 6 5 4 3 2 1
38 37 36 35 34 33 32 31 30 29 28 27 26 25 24 23
60 59 58 57 56 55 54 53 52 51 50 49 48 47 46 45 44 43 42 41 40 39

-5-
Shift Lock

(IG) (BAT)

10A 5A
D–IG1–3 STOP

47 DA 16 DH

G
2
A35
Stop Light
Switch

1
L

15 DH

cardiagn.com
10 DA
G

12 3H 4 3H

11 3F 4 3F
G
L

12 6
IG STP
Shift Lock Control ECU

SLS+ SLS– E
L47

3
W–B
Shift Lock Solenoid

1 3F

1 3H
W–B

45 DA

40 DA
W–B

L4

-1-
Shift Lock

A 35 L 47 3F
Green White Gray

1 2 3 4 5 6 7 8 9 10 11 12

1 2
1 2 3 4 5 6
3 4
7 8 9 10 11 12

3H DA
Gray White

1 2 3 4 5 6 7 8 9 10 11 12

7 8 9 10 11 12 13 14 15 16 17 18 19 20 21 22
1 2 3 4 5 6
23 24 25 26 27 28 29 30 31 32 33 34 35 36 37 38
39 40 41 42 43 44 45 46 47 48 49 50 51 52 53 54 55 56 57 58 59 60

DH
Gray

cardiagn.com
1 2 5 6
3 4

7 8 9 10 11 12 13 14 15 16

17 18 19 20 21 22 23 24

-2-
Sliding Roof

(BAT) (IG)

30A 10A
S/ROOF D–IG1–3

5 DA 47 DA
L

L
12 3H 3 3L
B

3
L
3C

12 3G 3 3B

L
9 LX1 10 LX1 22 LX1
M
B

L
1 5 4
B M+ M– IG MPX1

cardiagn.com
L
12 DA
E UP DWN OPN CLS
2 X5 10 8 7 9
Sliding Roof Control ECU

15 DD
W–B
Junction Connector
W–B

G
R

1 L
25 LX1
X17

3
W–B

W–B

10 16 A 24 A 23 A 3 B 12 B
L100
Junction GND9 UP DOWN OPN CLS
Connector
8
W–B

1 LX1

41 DA
Control Switch

Down

Close
Open
Sliding Roof

Up

40 DA
L
W–B

W–B

X4(A), X6(B)
Overhead Module
L4

-1-
Sliding Roof

(IG) (ACC) (BAT) (BAT) (IG) (BAT) W

10A D–IG1–3

5A SECURITY
10A P MPX–B
5A D–ACC
B

5A P IG2
5A AM1
22 PA 60 PA 17 DA
L

L
7 4J 10 4H 11 4F

7 4A 10 4A 11 4A

W
R

B
L

L
10 A 15 22 6 20 A 18 A 1 A 28 A 27 A

cardiagn.com
LIN2 IG ACC ALTB CUTB IG +B1 CANL CANH
L11(A), L13(C) L15(A)
Main Body ECU Certification ECU
CANN CANP GND1 GND2 GND3 DCTY RC0 RDA ASEL RSSI E
15 A 16 A 5 4 1 A 24 C 29 A 38 A 37 A 39 A 17 A
W–B

W–B
W

W
G

R
B

40 DA 41 DA
4 4E 1 4A
3 LR1 41 LR1 42 LR1 4 LR1
W–B

W–B

Junction Connector

4 4F 1 4H 1 4J
W
G

11

W–B

W–B
W
L100

2 3 4 5
8
14 DA +5 DATA ASEL RSSI 51 PA 40 PA

GND
R37 6
30 DD Door Control Receiver 39 PA
R

Front Door Courtesy

1
W–B

W–B
Switch LH
S6

L L

1
Connector
Junction

W–B
W–B

R43

L4 R2 L3 L1

-2-
Sliding Roof

(BAT) (BAT) (BAT) (IG) (BAT)


P–D/C CUT

D MPX–B 1
D DOOR 2

D DOOR 1

D–IG1–3
10A
10A

25A

10A
5A

4 DD 1 DD 8 DD 17 DD
GR
R

B
L

15 NS2 3 NS1 17 NS2 18 NS2


BE

W
R

R
B
L

W
R
2 16 B 6 B 3 B 11 B 10 B 9 B

cardiagn.com
Electric Power

2 NS2 1 NS2
Control ECU

BCUT BDG1 BDR SIG CPUB CANN CANP


N9(A), N10(B)
Front Door Control ECU LH
CUTD

Junction Connector
W
R
BCUT LIN1 GND KL KUL LSWE
1
4 B 8 B 1 B 23 A 22 A 13 A
4 15
57 PA
W–B

GR
B

B
L

S60
B

5 16
5 4H 6 NS2 14 NS2 5 NS1 9 10 7
L UL E
W
W–B

B
B

Unlock
Lock
Key

Key

4 4A
48 LS1 59 LS1 60 LS1

B
W

W
B

Junction Connector
N15
Front Door Lock Motor LH
4 15 5 16

L95

3 14 7 18
W

W
B

B W

W B

L
W–B

S3

-3-
Sliding Roof

(IG) (BAT)

10A 10A
P–J/B D MPX–B 2

30 2C 42 DA

L
1
L136
6 LA1 Junction
Connector
2

P
L
L10
Combination Meter 14 13
IG2 B
TFT Module

cardiagn.com
TFT Panel CPU
TFT Buzzer
CPU

MPX–B

Master
5V IC
I/F

IG2
Back Light
CPU
Body
Earth LED DRIVER
CAN CONTROLLER

Signal
Earth

CAN I/F

CANH CANP ES E2
23 22 18 17
W–B
BR
W

6
Connector
Junction
L100

8
W–B

58 PA 41 DA

43 PA 40 DA

W
W–B
BR

L1 L4

-4-
Sliding Roof

L 10 L 11 L 13
Black White White

1 2 3 4 5 6 7 8 9 10 11 12 1 2 3 4 5 6
1 4
2 3
13 14 15 16 17 18 19 20 21 22 23 24
5 6 7 8 9 10 7 8 9 10 11 12 13 14 15 16 17
11 12 13 14 15 16 18 19 20 21 22 23 24 25 26

L 15 L 95
White Gray

1 2 3 4 5 6 7 8 9 10 11 12 13 14 15 16 17
1 2 3 4 5 6 7 8 9 10 11
18 19 20 21 22 23 24 25 26 27 28 29 30 31 32 33 34 35 36 37 38 39 40
12 13 14 15 16 17 18 19 20 21 22

L100 L136 N9 N 10
Blue Black White White

cardiagn.com
1 2 3 4 5 1 2 3 4
6 7 8 9 10 11 12

1 2 3 4 5 6 1 2 5 6
3 4

7 8 9 10 11 12 13 14 15 16 17 7 8 9 10 11 12 13 14 15 16

18 19 20 21 22 23 24 25 26 17 18 19 20 21 22 23 24

N 15 R 37 R 43 S6
White White White White

1 2 3 1 2 3 1
1 2 3 4 7
4 5 6 4 5 6 7 8
5 6 7 8 9 10

S 60 X4 X5
Black White White

1 2 3 4
5 6 7 8 9 10
1 2 3 4 5 6 7 8 9 10 11 1 2 3 4 5 6 7 8 9 10 11 12 13 14 15 16
12 13 14 15 16 17 18 19 20 21 22 17 18 19 20 21 22 23 24 25 26 27 28 29 30 31 32

X6 2C
White White

1 2 3 4 5 6 7 8 9 10 1 2 3 4 5 6 7 8 9 10 11 12 13 14 15 16 17 18

11 12 13 14 15 16 17 18 19 20 19 20 21 22 23 24 25 26 27 28 29 30 31 32 33 34 35 36

-5-
Sliding Roof

3B 3C
Gray White

1 2 3 4 5 6 7 8 9 10 11 12 1 2 3 4 5 6 7 8 9 10 11 12

3G 3H
White Gray

1 2 3 4 5 6 7 8 9 10 11 12 1 2 3 4 5 6 7 8 9 10 11 12

3L 4A
Gray White

1 2 3 4 5 6 7 8 9 10 11 12 1 2 3 4 5 6 7 8 9 10 11 12

4E 4F
White Gray

1 2 3 4 5 6 7 8 9 10 11 12 1 2 3 4 5 6 7 8 9 10 11 12

4H 4J
Gray Gray

cardiagn.com
1 2 3 4 5 6 7 8 9 10 11 12 1 2 3 4 5 6 7 8 9 10 11 12

DA
White

7 8 9 10 11 12 13 14 15 16 17 18 19 20 21 22
1 2 3 4 5 6
23 24 25 26 27 28 29 30 31 32 33 34 35 36 37 38
39 40 41 42 43 44 45 46 47 48 49 50 51 52 53 54 55 56 57 58 59 60

DD
Gray

7 8 9 10 11 12
1 2 3 4 5 6
13 14 15 16 17 18
19 20 21 22 23 24 25 26 27 28 29 30

PA
White

7 8 9 10 11 12 13 14 15 16 17 18 19 20 21 22
1 2 3 4 5 6
23 24 25 26 27 28 29 30 31 32 33 34 35 36 37 38
39 40 41 42 43 44 45 46 47 48 49 50 51 52 53 54 55 56 57 58 59 60

-6-
Sliding Roof

LA1
White

7 8 9 10 11 12 13 14 15 16 17 18 19 20 21 22
1 2 3 4 5 6
23 24 25 26 27 28 29 30 31 32 33 34 35 36 37 38
39 40 41 42 43 44 22 21 20 19 18 17 16 15 14 13 12 11 10 9 8 7
45 46 47 48 49 50 51 52 53 54 55 56 57 58 59 60 6 5 4 3 2 1
38 37 36 35 34 33 32 31 30 29 28 27 26 25 24 23
60 59 58 57 56 55 54 53 52 51 50 49 48 47 46 45 44 43 42 41 40 39

LR1
White

7 8 9 10 11 12 13 14 15 16 17 18 19 20 21 22
1 2 3 4 5 6
23 24 25 26 27 28 29 30 31 32 33 34 35 36 37 38
39 40 41 42 43 44 22 21 20 19 18 17 16 15 14 13 12 11 10 9 8 7
45 46 47 48 49 50 51 52 53 54 55 56 57 58 59 60 6 5 4 3 2 1
38 37 36 35 34 33 32 31 30 29 28 27 26 25 24 23
60 59 58 57 56 55 54 53 52 51 50 49 48 47 46 45 44 43 42 41 40 39

cardiagn.com
LS1
White

7 8 9 10 11 12 13 14 15 16 17 18 19 20 21 22
1 2 3 4 5 6
23 24 25 26 27 28 29 30 31 32 33 34 35 36 37 38
39 40 41 42 43 44 22 21 20 19 18 17 16 15 14 13 12 11 10 9 8 7
45 46 47 48 49 50 51 52 53 54 55 56 57 58 59 60 6 5 4 3 2 1
38 37 36 35 34 33 32 31 30 29 28 27 26 25 24 23
60 59 58 57 56 55 54 53 52 51 50 49 48 47 46 45 44 43 42 41 40 39

LX1 NS1
White White

9 8 7 6 5 4 3 2 1
1 9 1 2 3 4 5 5 4 3 2 1
2 3 4 5 6 7 8
25 16 15 14 13 12 11 10 17 6 7 8 9 10 10 9 8 7 6
17 10 11 12 13 14 15 16 25 24 23 22 21 20 19 18
18 19 20 21 22 23 24

NS2
White

9 8 7 6 5 4 3 2 1
1 2 3 4 5 6 7 8 9
18 17 16 15 14 13 12 11 10
10 11 12 13 14 15 16 17 18

-7-
SRS

(IG)

10A
IGN

18 2C

S27 R22 S3 R3 L7
R

Rear Rear Front Front Driver Side


Pretensioner LH Pretensioner RH Pretensioner LH Pretensioner RH Knee Airbag

7 PK

RL+ RL– RR+ RR– L+ L– R+ R– DK+ DK–


1 2 1 2 1 2 1 2 1 2

7 PA
Y–B

Y–B

Y–B

Y–B

Y–B
B

cardiagn.com
21 A 8 C 7 C 1 B 2 B 5 C 6 C 4 B 3 B 9 A 10 A
IG2 PLR+ PLR– PRR+ PRR– PL+ PL– PR+ PR– DK+ DK–

L73(A), R5(B), S8(C)


Center Airbag ECU

D+ D– D2+ D2– P+ P– P2+ P2– +SL –SL +SR –SR


5 A 6 A 8 A 7 A 4 A 3 A 1 A 2 A 30 A 28 A 29 A 27 A
Y–G
Y–R
Y–B

W
Y

B
Y–G
Y–R
Y–B

1 LK1 2 LK1 3 LK1 4 LK1 1 LA2 2 LA2 1 LA4 2 LA4


Y–G
Y–R
Y–B

W
Y

B
L22(A), z11(B), z12(C)

1 A 2 A 4 A 3 A 2 1 2 1 2 1 2 1
Spiral Cable

D+ D– D2+ D2– P+ P– P2+ P2– +SL –SL +SR –SR

2 B 1 B 1 C 2 C
K2 K1 A8 A53
Front Passenger Front Passenger Front Airbag Front Airbag
Side Squib Side Squib Sensor LH Sensor RH
Circuit 2nd Step Circuit

z11(B) z12(C)
Driver Side Driver Side Squib
Squib Circuit 2nd Step Circuit

-1-
SRS

∗ 2 : w/ LEXUS ENFORM or Safety Connect


∗ 3 : w/ Multi Display
∗ 4 : w/o Multi Display

L117(C) L35
Display & Navigation Integration Control
Module Display and Panel Assembly

L86 S24 R17 Passenger Airbag Passenger Airbag


Passenger Side Curtain Shield Airbag Curtain Shield Airbag ON/OFF Indicator ON/OFF Indicator
Knee Airbag Squib Circuit LH Squib Circuit RH AIR ARON AIR ARON
4 C 3 C 20 9

(∗3)

(∗3)
R
B
PK+ PK– ICL+ ICL– ICR+ ICR–
B
1 2 1 2 1 2
(∗4)

R
(∗4)

54 PA 29 PA
Y–B

Y–B

Y–B
Y

cardiagn.com
49 PA 24 PA

R
B

19 A 20 A 4 C 3 C 5 B 6 B 17 A 23 A
PK+ PK– ICL+ ICL– ICR+ ICR– P–AB PAON

L73(A), R5(B), S8(C)


Center Airbag ECU

SFL+ SFL– SFR+ SFR– RR+ RR– RL+ RL– GSW GSW3
1 C 2 C 8 B 7 B 9 B 10 B 16 C 15 C 18 A 24 A
Y–B

Y–B

(∗2)
W
Y

47 PA 8 PA
Y–B

Y–B
Y

1 Rf2 2 Rf2 1 Sf2 2 Sf2

56 PA 11 PJ
Y–B

Y–B
Y

(∗2)
G

1 2 1 2 1 2 1 2
SFL+ SFL– SFR+ SFR– SRR+ SRR– SRL+ SRL– 10 LR1

53 DA
(∗2)
L

S1 R4 f19 f35
Front Side Airbag Front Side Airbag Rear Side Airbag Rear Side Airbag 16 24 A
Squib Circuit LH Squib Circuit RH Squib Circuit RH Squib Circuit LH
GSW GSW

Main Body ECU L111(A)


DCM
(Telematics
Transceiver)

-2-
SRS

(IG)
e13
Front Seat Inner
Belt Switch RH e16
5A Seat Belt Tension Sensor
P RR–IG2
Buckle Switch

W–B

10 PJ
L31

W–B
DLC3

L
4 Re3 RBE+ RBE– GBT VBT BT 8 Re1
e62
Active Headrest Airbag 1 2 1 2 3
Squib Circuit RH SIL

W–B
GR

BR
W

G
Y
L
7

9 13 14 8 17 16 5
R

AHR– AHR+ IG BSW BGND GBT VBT BT GND


2 1 7 3A
e10
Occupant Detection ECU
Y–G

Y–R

DIA FSR+ FSR– GPS PS VPS


10 11 12 15 6 7
8 3I
2 Re4 1 Re4
W
R

R
B

Occupant Detection

cardiagn.com
3 2 1
30 LR1 1 Re3 2 Re3 3 Re3
Y–G

Y–R

GPS PS VPS

Sensor
W

e11
14 B 13 B 16 B 22 B
AHR– AHR+ FSR+ FSR–

L73(A), R5(B), S8(C)


Center Airbag ECU

AHL– AHL+ BBL+ BBL– BBR+ BBR– RCR+ RCR– E2 E1


11 C 12 C 24 C 23 C 17 B 18 B 12 B 11 B 26 A 25 A
W–B

W–B
Y–G

Y–R

Y–B
(∗5)

(∗5)
B

Y
Front Side Airbag

Front Side Airbag

4 3 4 3
2 Se3 1 Se3 BBL+ BBL– BBR+ BBR– 1 Rf3 2 Rf3 23 PA
Sensor RH
Sensor LH

BCL+ BCL– BCR+ BCR–


Y–G

Y–R

Y–B
(∗5)

(∗5)
R7
S5

1 2 1 2 43 PA
BR
W

W
R

2 1 1 2
AHL– AHL+ RCR+ RCR–
2 1 2 1
BCL+ BCL– BCR+ BCR–

e67 f18
Active Headrest Rear Seat Cushion
Airbag Squib Airbag Squib
Circuit LH S12 R11 Circuit RH
Rear Side Airbag Rear Side Airbag
Sensor LH Sensor RH
W–B

BR

W–B

L4 L1 L3

-3-
SRS

∗ 5 : w/ Ottoman

W–B

A13(A)
Engine Control Module

CANL CANH
13 A 14 A

R
7 18 20 9
Connector

Connector
Junction

Junction
A67
L98

8 19 22 11

cardiagn.com
G
R

46 LA1 45 LA1
G

G
R

R
13 A 22 A
CANH CANL 12 1 15 4

Connector
Junction
L73(A), R5(B), S8(C)
L97
Center Airbag ECU
16 5

LSP+ LBE+
G

9 C 10 C
W

W–B W–B

4 2 1 3
LSP– LSP+ LBE+ LBE–
Buckle
Switch

G
Front Seat Inner
Belt Switch LH
S17

Seat Position
Airbag Sensor
W–B

W–B

5
W–B

S57
Junction
Connector

S2 R3

-4-
SRS

(IG) (BAT)

10A 10A
P–J/B D MPX–B 2

30 2C 42 DA

L
1
L136
6 LA1 Junction
Connector
2

P
L
L10
Combination Meter 14 13
IG2 B

TFT Module

cardiagn.com
TFT Panel CPU
TFT
CPU
Buzzer
MPX–B

Master
5V IC

SRS
I/F
IG2
Back Light
Body CPU
Earth
CAN LED DRIVER
Signal CONTROLLER
Earth

CAN I/F

CANH CANL ES E2
20 21 18 17
W–B
BR
G
R

R 6
Connector
Junction
L100

G
8
W–B

58 PA 41 DA

43 PA 40 DA
W–B
BR

L1 L4

-5-
SRS

A8 A 13 A 53 A 67
Yellow White Yellow Black

1 2 1 2
1 2 3 4 5 6 1 2 3 4 5 6 7 8 9 10 11
7 8 9 10 11 12 13 14 15 16 12 13 14 15 16 17 18 19 20 21 22
17 18 19 20 21 22 23 24 25 26 27
28 29 30 31 32 33 34 35

K1 K2 L7 L 10 L 22
Black Orange Black Black Yellow

1 2 1 2 1 2
1 2 3 4
1 2 3 4 5 6 7 8 9 10 11 12
13 14 15 16 17 18 19 20 21 22 23 24

L 31 L 35

cardiagn.com
White White

1 2 3 10 11 12
16 15 14 13 12 11 10 9 4 5 6 7 8 9
13 14 15 16 17 18 19 20 21 22 23 24 25 26
8 7 6 5 4 3 2 1

L 73 L 86 L 97
Yellow Black Black

1 2 3 4 5 6 7 8 9 10
1 2

1 2 3 4 5 6 7 8 9 10 11
11 12 13 14 15 16 17 18 19 20
12 13 14 15 16 17 18 19 20 21 22

21 22 23 24 25 26 27 28 29 30

L 98 L100
Gray Blue

1 2 3 4 5
6 7 8 9 10 11 12

1 2 3 4 5 6 7 8 9 10 11
12 13 14 15 16 17 18 19 20 21 22

-6-
SRS

L111 L117 L136


White Blue Black

1 2 3 4
1 2 3
4 5 6
1 2 3 4 5 6

7 8 9 10 11 12 13 14 15 16 17 18 19 20 21 22

23 24 25 26 27 28 29 30 31 32 33 34 35 36 37 38

R3 R4 R5 R7
Yellow Yellow Yellow Yellow

1 2 3 4 5 6 7 8
1 2
1 2 3 4
1 2
9 10 11 12 13 14 15 16

17 18 19 20 21 22 23 24

cardiagn.com
R 11 R 17 R 22 S1 S3
Yellow Black Yellow Yellow Yellow

1 2 1 2 1 2
1 2
1 2

S5 S8 S 12 S 17
Yellow Yellow Yellow Gray

1 2 3 4 5 6 7 8
1 2 3 4 1 2 1 2
3 4
9 10 11 12 13 14 15 16

17 18 19 20 21 22 23 24

S 24 S 27 S 57 e 10
Black Yellow White Black

1 2 1 2 1 2 3
4 5 6 7 8

1 2 3 4 5 6 7 8 9
10 11 12 13 14 15 16 17 18

-7-
SRS

e 11 e 13 e 16 e 62 e 67
Black White Gray Yellow Yellow

2 1
3 2 1 3 2 1
1 2 1 2

f 18 f 19 f 35 z 11 z 12
Yellow Yellow Yellow Orange Black

1 2 1 2
1 2
1 2 1 2

2C 3A
White White

1 2 3 4 5 6 7 8 9 10 11 12

cardiagn.com
1 2 3 4 5 6 7 8 9 10 11 12 13 14 15 16 17 18

19 20 21 22 23 24 25 26 27 28 29 30 31 32 33 34 35 36

3I DA
White White

1 2 3 4 5 6 7 8 9 10 11 12

7 8 9 10 11 12 13 14 15 16 17 18 19 20 21 22
1 2 3 4 5 6
23 24 25 26 27 28 29 30 31 32 33 34 35 36 37 38
39 40 41 42 43 44 45 46 47 48 49 50 51 52 53 54 55 56 57 58 59 60

PA
White

7 8 9 10 11 12 13 14 15 16 17 18 19 20 21 22
1 2 3 4 5 6
23 24 25 26 27 28 29 30 31 32 33 34 35 36 37 38
39 40 41 42 43 44 45 46 47 48 49 50 51 52 53 54 55 56 57 58 59 60

PJ PK
Gray Gray

7 8 9 10 11 12
1 2 3 4 5 6
13 14 15 16 17 18 1 2 5 6
19 20 21 22 23 24 25 26 27 28 29 30 3 4

7 8 9 10 11 12 13 14 15 16

17 18 19 20 21 22 23 24

-8-
SRS

LA1
White

7 8 9 10 11 12 13 14 15 16 17 18 19 20 21 22
1 2 3 4 5 6
23 24 25 26 27 28 29 30 31 32 33 34 35 36 37 38
39 40 41 42 43 44 22 21 20 19 18 17 16 15 14 13 12 11 10 9 8 7
45 46 47 48 49 50 51 52 53 54 55 56 57 58 59 60 6 5 4 3 2 1
38 37 36 35 34 33 32 31 30 29 28 27 26 25 24 23
60 59 58 57 56 55 54 53 52 51 50 49 48 47 46 45 44 43 42 41 40 39

LA2 LA4 LK1


Yellow Yellow Yellow

2 1 2 1 4 3 2 1
4 3 4 3 1 2 3 4
1 2 1 2
3 4 3 4

cardiagn.com
LR1
White

7 8 9 10 11 12 13 14 15 16 17 18 19 20 21 22
1 2 3 4 5 6
23 24 25 26 27 28 29 30 31 32 33 34 35 36 37 38
39 40 41 42 43 44 22 21 20 19 18 17 16 15 14 13 12 11 10 9 8 7
45 46 47 48 49 50 51 52 53 54 55 56 57 58 59 60 6 5 4 3 2 1
38 37 36 35 34 33 32 31 30 29 28 27 26 25 24 23
60 59 58 57 56 55 54 53 52 51 50 49 48 47 46 45 44 43 42 41 40 39

Re1 Re3
White Gray

1 2 8 9 2 1
1 2
9 8 2 1 4 3
10 11 3 4 5 6 7 17 18 3 4
12 13 14 15 16 18 17 7 6 5 4 3 11 10
16 15 14 13 12

Re4 Rf2 Rf3


Yellow Yellow Yellow

2 1 2 1
1 2 2 1 1 2
1 2

-9-
SRS

Se3 Sf2
Yellow Yellow

2 1
1 2 2 1
1 2

cardiagn.com

- 10 -
Theft Deterrent

(BAT) (IG) (BAT) (BAT) (BAT)

FR CTRL BAT
10A ECU–B
E/G RM–IG1–2
E/G RM B

FR CTRL ALT
80A

30A

20A
10A
1 1K 28 2C 4 2C 5 2A 4 2A

Headlight RH

LG
W

L
LG
Y
L

5 D 15 D 16 D 5 A 1 A 1 C 5 C
HLHR CRAR SIDR FMIG FMB3 BATB ALTB
A50(A), A52(C), B14(D)
Front Controller
HRLY HLHL CRAL SIDL HORL HORH HDCY SH– CANP CANN
7 A 6 D 23 D 24 D 1 D 2 D 21 D 4 C 3 A 4 A

cardiagn.com
BE
W

W
G

G
P

B
Headlight LH
20 AR1 21 AR1
2 2E 6 2G Hood Courtesy Switch
High Pitched Horn
Low Pitched Horn

2
Security Horn

W
B
1 1 1
B10

A29

Junction Connector
B6

B7

1
H–LP LO RH

H–LP LO LH

1 3

R57
Relay
Relay

5 7
W–B

W
B

19 2C 11 2G
W–B

W–B

19 B
A64(B)
Junction
Connector
21 B

W
W–B

W–B

A8 B2

-1-
Theft Deterrent

(BAT) (BAT) (IG) (BAT) (BAT)


∗ 1 : w/ Power Trunk Opener and Closer System
RR MPX–B 1

RR MPX–B 2
∗ 2 : w/o Power Trunk Opener and Closer System

RR–IG1–2

5A TAIL
10A
DOME

10A
10A

5A
59 DA
Rear Combination Light

BR

BR

BR

BR

R
7 15 8 1 14 C 13 C 3 D 7 D
MPXB LGLB IG +BT1 TIL3 TIL4 TIL2 TIL1
S62(B), S63(C), S64(D)
Rear Junction Block ECU
SG PGND BDCY LCTY CANP CANN LIN
17 4 16 C 9 C 20 B 28 B 9 B

cardiagn.com
29 LA 43 LA
(∗2)

(∗2)

W
G

B
L

L
L(∗1)
W–B

W–B

14 LS1

G(∗1)

L
6 7 22 9
Power Trunk Lid
Closer Motor

+B CTY LCTY BDCY


Control ECU
Luggage

E CANH CANL
S36

S43

3 LX2 23 LX1
8 6 5
(∗1)

(∗1)
W

W
B

18 2 13 3 14
Connector
Junction
S55

R
16
S59 4 15
Junction L
Connector
W–B

7 B
Connector
Junction
S55

10
W–B

W–B

W–B

W W

B B

7
1 6 W–B

S54
Junction
S1 Connector

-2-
Theft Deterrent

CPU

Interior

DOOR
OFF
ON
GND4 GND9 RILL ILLB Light DOME LIN
20 B 16 A 18 B 11 A 27 A 2 B X4(A), X6(B)
Overhead Module
W–B

W–B

GR

cardiagn.com
R
L

L
2
Connector
Junction

3
X17

Junction Connector

1
W–B

9 8 2
1
E B
X15

25 LX1 3
W–B

Interior Light
Rear Map Light

Interior Light
10
Connector

R
Y
Junction
L100

E B
X12

8 6 1
W–B

W–B

W W

B B

41 DA 6 LX2
W–B

40 DA 45 DA
1 2
W–B
3H 3G

W W

B B
W–B

L4

-3-
Theft Deterrent

B
12V
Center Console

Center Console

W
Spot Light

Spot Light

B
DOOR

L95
Junction Connector 14 3

22 11 15 4 16 5

X4(A), X6(B)
W

W
B

B
Overhead Module

cardiagn.com
60 LS1 59 LS1

B
S60
Junction Connector 16 5
60 LR1 59 LR1

13 2 14 3 15 4
W

W
R

R
B

W B

B W

R
R48
Junction
Connector 15 4 W

W
14 3 13 2 12 1

R
W

W
R
B

W R

B W

-4-
B
B

R
R
R
R

W
W
W
W
W
W

4
W–B W–B

16 A

L4
40 DA
CANP

GND2
5
W–B

15 A

41 DA
GND1
CANN

8
11
W–B

1 A
GND3
L100
Junction
Connector

1
15

R W W

24 C
IG

4 4F
4 4E

14 DA

30 DD
(IG)

DCTY

S6
Front Door Courtesy Switch LH 10A D–IG1–3

1
22

L L
21 B
Main Body ECU

13 LR1
ACC

PCTY
(ACC)

R6
L11(A), L12(B), L13(C)

Front Door Courtesy Switch RH 5A D–ACC

-5-
1
6

R R
7 B

16 RL2
ALTB
(BAT)

RCTY
Theft Deterrent

R12
Rear Door Courtesy Switch RH 5A AM1
17

1
L L
12 DD
LCTY

S14
Rear Door Courtesy Switch LH

8
4
5

FLSW
LJB

L BE
14 A

HAZ
HAZ

L1 L112
Flasher Relay Hazard Warning
Signal Switch

R
R
R
R

W
W
W
W
W

cardiagn.com
Theft Deterrent

(BAT) (IG) (BAT)

10A 5A 5A
P MPX–B P IG2 SECURITY

22 PA 60 PA 17 DA
R

L
7 4J 10 4H 11 4F

7 4A 10 4A 11 4A
R

20 A 18 A 1 A
CUTB IG +B1
L15(A)
Certification ECU
CANH CANL RC0 RDA ASEL RSSI E IND

cardiagn.com
27 A 28 A 29 A 38 A 37 A 39 A 17 A 2 A

W–B
W

W
G

R
B

L
1 4A

3 LR1 41 LR1 42 LR1 4 LR1

1 4H 1 4J
W–B

W–B
W
G

2 3 4 5 51 PA 40 PA
+5 DATA ASEL RSSI

GND
R37 6 39 PA
Door Control
Receiver
B
W–B

W–B

W L

R R

W W

R R

W W

R R

W W

R R

W W

1
R43 W–B
Junction
Connector

R2 L3 L1

-6-
Theft Deterrent

(BAT) (BAT) (IG) (BAT)

D MPX–B 1
D DOOR 2

D DOOR 1

D–IG1–3
N15

10A
10A

25A
Front Door Lock Motor LH

10A

Detection
Unlock
4 DD 1 DD 8 DD 17 DD

Lock

Unlock
Switch
Key

Key
GR
R

B
L
L UL LSSR E
9 10 8 7
15 NS2 3 NS1 17 NS2 18 NS2

GR
BE
R

R
B

B
L

16 B 6 B 3 B 11 B 23 A 22 A 25 A 13 A
BDG1 BDR SIG CPUB KL KUL LSW LSWE
N9(A), N10(B), P10(C)
Front Door Control ECU LH
SID1 CANP CANN GND SID+ SID– BCUT

cardiagn.com
23 B 9 B 10 B 1 B 8 C 9 C 4 B
W–B
W
R

B
L

7 NS2 2 NS2 1 NS2 5 NS1 6 NS2

2 1
W–B

LP2 E2
W
R

B
L

49 LS1 48 LS1
P9
Security B
L

Indicator LH
6 4A

5 4A 6 4L
L

L L

R R

W W

R R

W W

R R

W W

S3

-7-
Theft Deterrent

Electric Power
(BAT) Control ECU (BAT) (BAT) (IG)

RR MPX–B 2
D RR DOOR
P–D/C CUT

RR–IG1–2
10A
BCUT CUTD

25A
5A

5A
2 1

2 DD 10 LD 12 LD
57 PA

Junction Connector
O22
Rear Door Lock Motor LH

R
B

L
1

S56

Detection
5 4H

Unlock
2

Switch
Y
LSSR E
4 4A 6 9

1 OS1 18 OS1 17 OS1

cardiagn.com
R

R
B

B
L

6 B 11 B 3 B 14 A 23 A
BDR CPUB SIG LSW LSWE

O13(A), O14(B)
Rear Door Control ECU LH
CANP CANN GND
9 B 10 B 1 B

W–B
W
R

14 OS1 15 OS1 2 OS1


W–B
W
R

L L

R R

W W

R R

W W

S3

-8-
Theft Deterrent

(BAT) (BAT) (IG) (BAT)

10A 25A 10A 10A


P DOOR 2 P DOOR 1 P–IG1–1 P MPX–B

19 PJ 20 PJ 13 PJ 28 PJ

N8
Front Door Lock Motor RH
GR
R

R
V

Detection
Unlock
Switch
4 NR2 3 NR1 13 NR2 12 NR2
LSSR E
7 8
BE
R

R
V

cardiagn.com
16 A 6 A 3 A 11 A 25 B 13 B
BDG1 BDR SIG CPUB LSW LSWE
N1(A), N2(B), P4(C)
Front Door Control ECU RH
SIDI CANP CANN GND SID+ SID–
23 A 9 A 10 A 1 A 8 C 9 C
W–B
W
R

R
L

3 NR2 8 NR2 9 NR2 5 NR1


W–B
W
R
L

34 LR1
2 1
LP1 E1

L
P3
Security Indicator RH

R R

W W

W–B

-9-
Theft Deterrent

(BAT) (BAT) (IG)

25A 10A 5A
P RR DOOR P P–IG1–2
MPX–B

23 PJ 26 PJ 12 PJ

R42(A), R44(B)
19 A O11
Rear Door Lock Motor RH

Connector
Junction
R
L

12 B

Detection
Unlock
Switch
L

LSSR E
1 OR1 11 OR1 10 OR1 6 9
GR
R

B
L

cardiagn.com
6 B 11 B 3 B 14 C 23 C
BDR CPUB SIG LSW LSWE
O3(B), O4(C)
Rear Door Control ECU RH
CANP CANN GND
9 B 10 B 1 B

W–B
W
R

14 OR1 15 OR1 2 OR1


W–B
W
R

W–B

W
4
W–B 1 R41
Junction
W–B W–B Connector

R3 R1

- 10 -
Theft Deterrent

A 29 A 50 A 52 A 64
Black White White Black
1

1 2 3 4 5 6 1 2 3 4 5 6 7 8 9 10 11
1 2
12 13 14 15 16 17 18 19 20 21 22
3 4 5 6 7 8 9 10 11 12 13 14 15 16 17
7 8 9 10 18 19 20 21 22 23 24 25 26

B6 B7 B 10 B 14 L1
Gray Black Black White Black
1 1
1 2 3
4 5 6 7 8
1 2
1 2 5 6
3 4

7 8 9 10 11 12 13 14 15 16

17 18 19 20 21 22 23 24

cardiagn.com
L 11 L 12 L 13
White White White

1 2 3 4 5 6
1 4 1 2 3 4 5 6 7 8 9 10
2 3
11 12 13 14 15 16 17 18 19 20
5 6 7 8 9 10 7 8 9 10 11 12 13 14 15 16 17
21 22 23 24 25 26 27 28
11 12 13 14 15 16 18 19 20 21 22 23 24 25 26

L 15 L 95
White Gray

1 2 3 4 5 6 7 8 9 10 11 12 13 14 15 16 17
1 2 3 4 5 6 7 8 9 10 11
18 19 20 21 22 23 24 25 26 27 28 29 30 31 32 33 34 35 36 37 38 39 40
12 13 14 15 16 17 18 19 20 21 22

L100 L112 N1
Blue White White

1 2 3 4 5
6 7 8 9 10 11 12

1 2 5 6
1 2 3 4 5 6 7 8 3 4

7 8 9 10 11 12 13 14 15 16

17 18 19 20 21 22 23 24

- 11 -
Theft Deterrent

N2 N8 N9
White White White

1 2 3 4
1 2 3 4 5 6 1 2 3 4 5 6
5 6 7 8 9 10

7 8 9 10 11 12 13 14 15 16 17 7 8 9 10 11 12 13 14 15 16 17
18 19 20 21 22 23 24 25 26 18 19 20 21 22 23 24 25 26

N 10 N 15 O3
White White White

1 2 3 4
1 2 5 6 1 2 5 6
3 4 5 6 7 8 9 10 3 4

7 8 9 10 11 12 13 14 15 16 7 8 9 10 11 12 13 14 15 16

17 18 19 20 21 22 23 24 17 18 19 20 21 22 23 24

cardiagn.com
O4 O 11 O 13
White White White

1 2 3 4
1 2 3 4 5 6 1 2 3 4 5 6
5 6 7 8 9 10

7 8 9 10 11 12 13 14 15 16 17 7 8 9 10 11 12 13 14 15 16 17
18 19 20 21 22 23 24 25 26 18 19 20 21 22 23 24 25 26

O 14 O 22 P3 P4
White White White White

1 2
1 2 3 4
1 2 5 6 1 10
3 4 5 6 7 8 9 10 2 3 4 5 6 7 8 9

7 8 9 10 11 12 13 14 15 16 11 12 13 14 15 16 17 18 19 20 21 22

17 18 19 20 21 22 23 24 23 24 25 26 27 28 29 30

P9 P 10 R6 R 12 R 37
White White White White White

1 2 1 1 1 2 3
4 5 6 7
1 10
2 3 4 5 6 7 8 9

11 12 13 14 15 16 17 18 19 20 21 22

23 24 25 26 27 28 29 30

- 12 -
Theft Deterrent

R 41 R 42 R 43
White Black White

1 2 3 1 2 3
4 5 6 7 8 1 2 3 4 5 6 7 8 9 10 11 4 5 6 7 8

12 13 14 15 16 17 18 19 20 21 22

R 44 R 48 R 57 S6
Black Black Dark Gray White

1
1 2 3 4
1 2 3 4 5 6 7 8 9 10 11 1 2 3 4 5 6 7 8 9 10 11
5 6 7 8
12 13 14 15 16 17 18 19 20 21 22 12 13 14 15 16 17 18 19 20 21 22

S 14 S 36 S 43 S 54
White White White White

1 2 3
1 4 5 6 7 8 1 2 3

cardiagn.com
4 5 6 7 8
1 2 3 10 11 12
4 5 6 7 8 9
13 14 15 16 17 18 19 20 21 22 23 24 25 26

S 55 S 56 S 59
White White Black

1 2 3 4 5 6 7 8 9 10 11 1 2 3 4 5 6 7 8 9 10 11 1 2 3 4 5 6 7 8 9 10 11
12 13 14 15 16 17 18 19 20 21 22 12 13 14 15 16 17 18 19 20 21 22 12 13 14 15 16 17 18 19 20 21 22

S 60 S 62 S 63 S 64
Black White White White

1 2 3 4 5 6 7 8 9 10 11 1 2 3 4 5 6 7 8 9 10 1 4 1 2
2 3
12 13 14 15 16 17 18 19 20 21 22 11 12 13 14 15 16 17 18 19 20
5 6 7 8 9 10 3 4 5 6
21 22 23 24 25 26 27 28
11 12 13 14 15 16 7 8 9 10

X4 X6 X 12
White White White

1 2 3 4 5 6 7 8 9 10 1 2 3 4 5
1 2 3 4 5 6 7 8 9 10 11 12 13 14 15 16
11 12 13 14 15 16 17 18 19 20 6 7 8 9 10
17 18 19 20 21 22 23 24 25 26 27 28 29 30 31 32

- 13 -
Theft Deterrent

X 15 X 17 1K 2A
Black Black Black

1 2 3 4 1 2 3 4 1
1 2 3 4 5
6 7 8 9 10 11 12 13

2C 2E
White Black

1 2 3 4 5 6 7 8 9 10 11 12 13 14 15 16 17 18 1 2

19 20 21 22 23 24 25 26 27 28 29 30 31 32 33 34 35 36

2G 3G 3H
Black White Gray

1 2 3 4 5 6 7 8 9 10 11 12 1 2 3 4 5 6 7 8 9 10 11 12

1 2 3 4 5 6 7

cardiagn.com
8 9 10 11 12 13 14

4A 4E
White White

1 2 3 4 5 6 7 8 9 10 11 12 1 2 3 4 5 6 7 8 9 10 11 12

4F 4H
Gray Gray

1 2 3 4 5 6 7 8 9 10 11 12 1 2 3 4 5 6 7 8 9 10 11 12

4J 4L
Gray Gray

1 2 3 4 5 6 7 8 9 10 11 12 1 2 3 4 5 6 7 8 9 10 11 12

DA
White

7 8 9 10 11 12 13 14 15 16 17 18 19 20 21 22
1 2 3 4 5 6
23 24 25 26 27 28 29 30 31 32 33 34 35 36 37 38
39 40 41 42 43 44 45 46 47 48 49 50 51 52 53 54 55 56 57 58 59 60

DD
Gray

7 8 9 10 11 12
1 2 3 4 5 6
13 14 15 16 17 18
19 20 21 22 23 24 25 26 27 28 29 30

- 14 -
Theft Deterrent

LA
White

7 8 9 10 11 12 13 14 15 16 17 18 19 20 21 22
1 2 3 4 5 6
23 24 25 26 27 28 29 30 31 32 33 34 35 36 37 38
39 40 41 42 43 44 45 46 47 48 49 50 51 52 53 54 55 56 57 58 59 60

LD
Gray

7 8 9 10 11 12
1 2 3 4 5 6
13 14 15 16 17 18
19 20 21 22 23 24 25 26 27 28 29 30

PA
White

cardiagn.com
7 8 9 10 11 12 13 14 15 16 17 18 19 20 21 22
1 2 3 4 5 6
23 24 25 26 27 28 29 30 31 32 33 34 35 36 37 38
39 40 41 42 43 44 45 46 47 48 49 50 51 52 53 54 55 56 57 58 59 60

PJ
Gray

7 8 9 10 11 12
1 2 3 4 5 6
13 14 15 16 17 18
19 20 21 22 23 24 25 26 27 28 29 30

AR1
White

11 10 9 8 7 6 5 4 3 2 1
1 2 3 4 5 6 7 8 9 10 11
22 21 20 19 18 17 16 15 14 13 12
12 13 14 15 16 17 18 19 20 21 22

- 15 -
Theft Deterrent

LR1
White

7 8 9 10 11 12 13 14 15 16 17 18 19 20 21 22
1 2 3 4 5 6
23 24 25 26 27 28 29 30 31 32 33 34 35 36 37 38
39 40 41 42 43 44 22 21 20 19 18 17 16 15 14 13 12 11 10 9 8 7
45 46 47 48 49 50 51 52 53 54 55 56 57 58 59 60 6 5 4 3 2 1
38 37 36 35 34 33 32 31 30 29 28 27 26 25 24 23
60 59 58 57 56 55 54 53 52 51 50 49 48 47 46 45 44 43 42 41 40 39

LS1
White

7 8 9 10 11 12 13 14 15 16 17 18 19 20 21 22
1 2 3 4 5 6
23 24 25 26 27 28 29 30 31 32 33 34 35 36 37 38
39 40 41 42 43 44 22 21 20 19 18 17 16 15 14 13 12 11 10 9 8 7
45 46 47 48 49 50 51 52 53 54 55 56 57 58 59 60 6 5 4 3 2 1
38 37 36 35 34 33 32 31 30 29 28 27 26 25 24 23
60 59 58 57 56 55 54 53 52 51 50 49 48 47 46 45 44 43 42 41 40 39

cardiagn.com
LX1
White

9 8 7 6 5 4 3 2 1
1 2 3 4 5 6 7 8 9
25 16 15 14 13 12 11 10 17
17 10 11 12 13 14 15 16 25 24 23 22 21 20 19 18
18 19 20 21 22 23 24

LX2 NR1
White White

9 8 7 6 5 4 3 2 1 1 2 3 4 5
1 2 3 4 5 6 7 8 9 5 4 3 2 1
18 17 16 15 14 13 12 11 10 6 7 8 9 10 10 9 8 7 6
10 11 12 13 14 15 16 17 18

NR2 NS1
White White

9 8 7 6 5 4 3 2 1 1 2 3 4 5
1 2 3 4 5 6 7 8 9 5 4 3 2 1
18 17 16 15 14 13 12 11 10 6 7 8 9 10 10 9 8 7 6
10 11 12 13 14 15 16 17 18

- 16 -
Theft Deterrent

NS2
White

9 8 7 6 5 4 3 2 1
1 2 3 4 5 6 7 8 9
18 17 16 15 14 13 12 11 10
10 11 12 13 14 15 16 17 18

OR1
White

6 5 4 3 2 1

1 2 3 4 5 6 21 20 19 11 10 9 8 7 13 12
7 8 9 10 11 19 18 17 16 15 14
12 13 20 21

cardiagn.com
14 15 16 17 18

OS1
White

6 5 4 3 2 1

1 2 3 4 5 6 21 20 19 11 10 9 8 7 13 12
7 8 9 10 11 19 18 17 16 15 14
12 13 20 21
14 15 16 17 18

RL2
White

11 10 9 8 7 6 5 4 3 2 1
1 2 3 4 5 6 7 8 9 10 11
22 21 20 19 18 17 16 15 14 13 12
12 13 14 15 16 17 18 19 20 21 22

- 17 -
Taillight

(BAT) (IG) (IG) (BAT) (BAT) (BAT)

FR CTRL BAT

FR CTRL ALT
10A ECU–B
P–D/C CUT

E/G RM–IG1–2
D–IG1–1
5A
5A

30A

20A
10A
28 2C 4 2C 5 2A 4 2A
21 DA

35 PA

2 1

LG
G
B

L
BCUT CUTD

Electric Power

A50(A), A52(C), B14(D)


Control ECU

5 A 1 A 1 C 5 C

Front Controller
FMIG FMB3 BATB ALTB

E CANN CANP
8 5B

cardiagn.com
12 5F 2 A 4 A 3 A

W–B

B
8 5J 12 5J
G
B

L25(A), z6(B)
1 A 2 A Windshield Wiper Switch
B IG

E CANN CANP
8 A 6 A 5 A
W

L
W–B

12 B 19 B 18 B
EL A T
1 5J
W–B

EL AUTO T H
A63(A), A64(B)

OFF
1 5F 15 A
Connector

Tail
Junction
W–B

Head
21 B
AUTO
57 DA
W–B

Light Control Switch

z6(B)
40 DA Headlight Dimmer Switch
B

R
W–B

L4 A8

-1-
Taillight

A50(A), A52(C), B14(D) S62(B), S63(C), S64(D)


Front Controller Rear Junction Block ECU

CRAL SIDL CRAR SIDR PGND SG LCE2 TIL4

cardiagn.com
23 D 24 D 15 D 16 D 4 17 15 C 13 C

43 LA 29 LA
LG
P

W–B

W–B

BR

R
8 7 8 7 1 2 1
B B B B T/P B

Rear Combination Light LH


Parking

Parking
Marker

Marker

2 S37
Headlight RH

License Plate
Headlight LH

Stop

Light
Tail/

E E E
B11

S33
B1

W–B

1 1 4
W–B

22
19 16 W–B
W–B

W–B

W–B

W–B

S55
Junction
Connector

B B

W W

R R

W W

1
W–B 7 S54
Junction
Connector

B1 B2 S1

-2-
Taillight

(BAT) (IG) (BAT) (BAT)

10A 5A 10A
5A RR RR W
TAIL RR–
IG1–2 MPX–B MPX–B
2 1
B

16 5

Connector
Junction
S60
13 2

B
15 4

Connector
Junction
S59
14 3

B
S62(B), S63(C), S64(D)
1 8 15 7 Rear Junction Block ECU 28 B 20 B
+BT1 IG LGLB MPXB CANN CANP

TIL3 TIL2 TIL1

cardiagn.com
14 C 3 D 7 D
BR

BR
L

L
BR

3 1 3 1
TL STP TL STP
2 1
T/P B
Rear Combination Light RH

Rear Combination Light RH


Rear Combination Light LH
Marker

Marker
Stop

Stop
Tail/

Tail/
Stop
Tail/

E E E
S41

S51

S52
4 4 4
W–B

W–B

W–B

5 LF 6 LF

9
W–B 7 S55
Junction
Connector 43 LA
10
W–B

W–B

B B

W W

R R

W W

7
W–B 6 S54
Junction
Connector

S1

-3-
Taillight

59 LS1 60 LS1

W
B

L95
4 15 Junction Connector

11 22 8 19 7 18
W

W
R
B

cardiagn.com
59 LR1 60 LR1
Junction Connector
W
B

4 15
R48

3 14
W
B

Junction Connector

5 7
R57

1 3
W
B

20 AR1 21 AR1

R W

W B

-4-
Taillight

(IG) (BAT)

10A 10A
P–J/B D MPX–B 2

30 2C 42 DA

L
1
L136
6 LA1 Junction
Connector
2

P
L
L10
Combination Meter 14 13
IG2 B

TFT Module

TFT Panel CPU

cardiagn.com
TFT
CPU
Buzzer
MPX–B

Tail (Except USA)


Master
5V IC
I/F
IG2
Back Light
Body CPU
Earth
CAN LED DRIVER
Signal CONTROLLER
Earth

CAN I/F

CANN CANP ES E2
23 22 18 17

W–B
BR
W

Connector
Junction
L100

8
W–B

58 PA 41 DA

43 PA 40 DA
W–B
BR

L1 L4

-5-
Taillight

A 50 A 52 A 63
White White Black

1 2 3 4 5 6 1 2 3 4 5 6 7 8 9 10 11
1 2
12 13 14 15 16 17 18 19 20 21 22
3 4 5 6 7 8 9 10 11 12 13 14 15 16 17
7 8 9 10 18 19 20 21 22 23 24 25 26

A 64 B1
Black Black

1 2 3 4 5 6 7 8 9 10 11
3 4 5 6 7 8 9
12 13 14 15 16 17 18 19 20 21 22 1 2
10 11 12 13 14 15
16 17
18 19 20 21 22 23 24

cardiagn.com
B 11 B 14
Black White

1 2 5 6
3 4 5 6 7 8 9 3 4
1 2
10 11 12 13 14 15 7 8 9 10 11 12 13 14 15 16
16 17
18 19 20 21 22 23 24 17 18 19 20 21 22 23 24

L 10 L 25 L 95
Black White Gray

1 2 3 4
1 2 3 4 5 6 7 8 9 10 11 12 1 2 3 4 5 6 7 8 9 10 11
5 6 7 8
13 14 15 16 17 18 19 20 21 22 23 24 12 13 14 15 16 17 18 19 20 21 22

L100 L136 R 48 R 57
Blue Black Black Dark Gray

1 2 3 4 5 1 2 3 4
6 7 8 9 10 11 12
1 2 3 4
1 2 3 4 5 6 7 8 9 10 11
5 6 7 8
12 13 14 15 16 17 18 19 20 21 22

S 33 S 37 S 41 S 51 S 52
White White White White White

2 1 2 1 2 1 2 1 2 1
4 3 4 3 4 3 4 3

-6-
Taillight

S 54 S 55 S 59
White White Black

1 2 3
4 5 6 7 8 1 2 3 4 5 6 7 8 9 10 11 1 2 3 4 5 6 7 8 9 10 11
12 13 14 15 16 17 18 19 20 21 22 12 13 14 15 16 17 18 19 20 21 22

S 60 S 62 S 63 S 64
Black White White White

1 2 3 4 5 6 7 8 9 10 11 1 2 3 4 5 6 7 8 9 10 1 4 1 2
2 3
12 13 14 15 16 17 18 19 20 21 22 11 12 13 14 15 16 17 18 19 20
5 6 7 8 9 10 3 4 5 6
21 22 23 24 25 26 27 28
11 12 13 14 15 16 7 8 9 10

z6 2A
White Black

cardiagn.com
1 2 3 4 5

1 2 3 4 5 6 7 8 9 10 6 7 8 9 10 11 12 13

11 12 13 14 15 16 17 18 19 20

2C 5B
White Gray

1 2 3 4 5 6 7 8 9 10 11 12

1 2 3 4 5 6 7 8 9 10 11 12 13 14 15 16 17 18

19 20 21 22 23 24 25 26 27 28 29 30 31 32 33 34 35 36

5F 5J
Gray Gray

1 2 3 4 5 6 7 8 9 10 11 12 1 2 3 4 5 6 7 8 9 10 11 12

DA
White

7 8 9 10 11 12 13 14 15 16 17 18 19 20 21 22
1 2 3 4 5 6
23 24 25 26 27 28 29 30 31 32 33 34 35 36 37 38
39 40 41 42 43 44 45 46 47 48 49 50 51 52 53 54 55 56 57 58 59 60

-7-
Taillight

LA LF
White Gray

7 8 9 10 11 12 13 14 15 16 17 18 19 20 21 22
1 2 3 4 5 6
23 24 25 26 27 28 29 30 31 32 33 34 35 36 37 38 1 2 5 6
39 40 41 42 43 44 45 46 47 48 49 50 51 52 53 54 55 56 57 58 59 60 3 4

7 8 9 10 11 12 13 14 15 16

17 18 19 20 21 22 23 24

PA
White

7 8 9 10 11 12 13 14 15 16 17 18 19 20 21 22
1 2 3 4 5 6
23 24 25 26 27 28 29 30 31 32 33 34 35 36 37 38
39 40 41 42 43 44 45 46 47 48 49 50 51 52 53 54 55 56 57 58 59 60

AR1
White

cardiagn.com
11 10 9 8 7 6 5 4 3 2 1
1 2 3 4 5 6 7 8 9 10 11
22 21 20 19 18 17 16 15 14 13 12
12 13 14 15 16 17 18 19 20 21 22

LA1
White

7 8 9 10 11 12 13 14 15 16 17 18 19 20 21 22
1 2 3 4 5 6
23 24 25 26 27 28 29 30 31 32 33 34 35 36 37 38
39 40 41 42 43 44 22 21 20 19 18 17 16 15 14 13 12 11 10 9 8 7
45 46 47 48 49 50 51 52 53 54 55 56 57 58 59 60 6 5 4 3 2 1
38 37 36 35 34 33 32 31 30 29 28 27 26 25 24 23
60 59 58 57 56 55 54 53 52 51 50 49 48 47 46 45 44 43 42 41 40 39

LR1
White

7 8 9 10 11 12 13 14 15 16 17 18 19 20 21 22
1 2 3 4 5 6
23 24 25 26 27 28 29 30 31 32 33 34 35 36 37 38
39 40 41 42 43 44 22 21 20 19 18 17 16 15 14 13 12 11 10 9 8 7
45 46 47 48 49 50 51 52 53 54 55 56 57 58 59 60 6 5 4 3 2 1
38 37 36 35 34 33 32 31 30 29 28 27 26 25 24 23
60 59 58 57 56 55 54 53 52 51 50 49 48 47 46 45 44 43 42 41 40 39

-8-
Taillight

LS1
White

7 8 9 10 11 12 13 14 15 16 17 18 19 20 21 22
1 2 3 4 5 6
23 24 25 26 27 28 29 30 31 32 33 34 35 36 37 38
39 40 41 42 43 44 22 21 20 19 18 17 16 15 14 13 12 11 10 9 8 7
45 46 47 48 49 50 51 52 53 54 55 56 57 58 59 60 6 5 4 3 2 1
38 37 36 35 34 33 32 31 30 29 28 27 26 25 24 23
60 59 58 57 56 55 54 53 52 51 50 49 48 47 46 45 44 43 42 41 40 39

cardiagn.com

-9-
Tire Pressure Warning System

(IG)

10A
P–IG1–1

31 PA
V

12 4H

12 4K
V

L89
1 Tire Pressure Warning ECU

cardiagn.com
IG

CANP CANN CLSW GND GND2 RDA RF5V


6 12 8 7 4 9 10
W

R
B

L
1
Tire Pressure Warning

INT
37 LR1 38 LR1 51 LS1 29 LS1 13 LS1
Reset Switch

E
L28
W

R
B

5 16 4 1 5
Connector

B
Junction

GND RDA +5V


R48

4 15

S67
Tire Pressure Warning
Antenna and Receiver
W
B

59 LR1 60 LR1

B
W
B

-1-
Tire Pressure Warning System

(IG) (BAT)

10A 10A
P–J/B D MPX–B 2

30 2C 42 DA

L
1
L136
6 LA1 Junction
Connector
2

P
L
L10
Combination Meter 14 13
IG2 B
TFT Module

cardiagn.com
TFT Panel CPU
TFT Buzzer
CPU

Tire Pressure
MPX–B

Master
5V IC
I/F

IG2
Back Light
CPU
Body
Earth CAN LED DRIVER
CONTROLLER
Signal
Earth

CAN I/F

ES CANP CANN E2
18 22 23 17

W–B
BR

W
B

Connector
L95

Junction
Junction L100
Connector 7 18
8
1 4K 2 4K 1 4J 1 4H
W–B
W–B

W–B

22 11 3 14
B

40 PA 51 PA 58 PA 41 DA

B
W

W
B

39 PA 43 PA 40 DA
B
W–B

BR

W–B

W W

B B

W–B

L3 L1 L4

-2-
Tire Pressure Warning System

Front Speed Sensor


B

Skid Control ECU


16 C 15 C 16 A 15 A

A19(A), A21(C)
FL+ FL– FR+ FR–

RL+ RL– RR+ RR– CANL CANH


11 A 10 A 11 C 10 C 8 C 9 C
Y

V
L

21 10
Connector
Junction
A67

cardiagn.com
22 11
Rear Speed Sensor
G

46 LA1 45 LA1
G

15 4
Connector
Junction
L97

14 3
G

6 A 5 A
Main Body ECU

CANL CANH
L11(A)

CANN CANP
15 A 16 A
W

-3-
Tire Pressure Warning System

A 19
Black

3 4 5 6 7 8 9 10 11 12 13 14 15 16
1 2
17 18 19 20 21 22 23 24 25 26 27 28 29 30

31 32
33 34 35 36 37 38 39 40 41 42 43 44 45 46

A 21 A 67
Gray Black

1 2 3 4 5 6 7 8 9 10 11
3 4 5 6 7 8 9 10 11 12 13 14 15 16 12 13 14 15 16 17 18 19 20 21 22
1 2
17 18 19 20 21 22 23 24 25 26 27 28 29 30

cardiagn.com
31 32
33 34 35 36 37 38 39 40 41 42 43 44 45 46

L 10 L 11 L 28 L 89
Black White Black Black

1 2
1 2 3 4 5 6
1 2 3 4 5 6 7 8 9 10 11 12 1 4
2 3 7 8 9 10 11 12
13 14 15 16 17 18 19 20 21 22 23 24
5 6 7 8 9 10
11 12 13 14 15 16

L 95 L 97 L100 L136
Gray Black Blue Black

1 2 3 4 5 1 2 3 4
6 7 8 9 10 11 12

1 2 3 4 5 6 7 8 9 10 11 1 2 3 4 5 6 7 8 9 10 11
12 13 14 15 16 17 18 19 20 21 22 12 13 14 15 16 17 18 19 20 21 22

R 48 S 67
Black White

1 2 3 4 5 6 7 8 9 10 11 1 2 3 4 5

12 13 14 15 16 17 18 19 20 21 22

-4-
Tire Pressure Warning System

2C 4H
White Gray

1 2 3 4 5 6 7 8 9 10 11 12

1 2 3 4 5 6 7 8 9 10 11 12 13 14 15 16 17 18

19 20 21 22 23 24 25 26 27 28 29 30 31 32 33 34 35 36

4J 4K
Gray White

1 2 3 4 5 6 7 8 9 10 11 12 1 2 3 4 5 6 7 8 9 10 11 12

DA
White

7 8 9 10 11 12 13 14 15 16 17 18 19 20 21 22
1 2 3 4 5 6
23 24 25 26 27 28 29 30 31 32 33 34 35 36 37 38
39 40 41 42 43 44 45 46 47 48 49 50 51 52 53 54 55 56 57 58 59 60

cardiagn.com
PA
White

7 8 9 10 11 12 13 14 15 16 17 18 19 20 21 22
1 2 3 4 5 6
23 24 25 26 27 28 29 30 31 32 33 34 35 36 37 38
39 40 41 42 43 44 45 46 47 48 49 50 51 52 53 54 55 56 57 58 59 60

LA1
White

7 8 9 10 11 12 13 14 15 16 17 18 19 20 21 22
1 2 3 4 5 6
23 24 25 26 27 28 29 30 31 32 33 34 35 36 37 38
39 40 41 42 43 44 22 21 20 19 18 17 16 15 14 13 12 11 10 9 8 7
45 46 47 48 49 50 51 52 53 54 55 56 57 58 59 60 6 5 4 3 2 1
38 37 36 35 34 33 32 31 30 29 28 27 26 25 24 23
60 59 58 57 56 55 54 53 52 51 50 49 48 47 46 45 44 43 42 41 40 39

LR1
White

7 8 9 10 11 12 13 14 15 16 17 18 19 20 21 22
1 2 3 4 5 6
23 24 25 26 27 28 29 30 31 32 33 34 35 36 37 38
39 40 41 42 43 44 22 21 20 19 18 17 16 15 14 13 12 11 10 9 8 7
45 46 47 48 49 50 51 52 53 54 55 56 57 58 59 60 6 5 4 3 2 1
38 37 36 35 34 33 32 31 30 29 28 27 26 25 24 23
60 59 58 57 56 55 54 53 52 51 50 49 48 47 46 45 44 43 42 41 40 39

-5-
Tire Pressure Warning System

LS1
White

7 8 9 10 11 12 13 14 15 16 17 18 19 20 21 22
1 2 3 4 5 6
23 24 25 26 27 28 29 30 31 32 33 34 35 36 37 38
39 40 41 42 43 44 22 21 20 19 18 17 16 15 14 13 12 11 10 9 8 7
45 46 47 48 49 50 51 52 53 54 55 56 57 58 59 60 6 5 4 3 2 1
38 37 36 35 34 33 32 31 30 29 28 27 26 25 24 23
60 59 58 57 56 55 54 53 52 51 50 49 48 47 46 45 44 43 42 41 40 39

cardiagn.com

-6-
Turn Signal and Hazard Warning Light

(IG) (BAT)

10A 10A
D–IG1–3 HAZ

47 DA 2 DA
L

12 3H W

12 3J
L

L1
1 4 Flasher Relay
IG B

E LL LR
7 3 2
G

cardiagn.com
Y
W–B

39 DA 43 DA 22 DA 20 DA

22 DD 21 DD 3 DH 5 DH 2 DH
W–B

LG
G

G
Y

1 3J 19 LD 20 LD 2 AR1 19 BA2 20 BA2


G

G
Y

1 3H 1 LF 2 LF
W–B

11 NR2
Rear Combination

Rear Combination

2 2 9 9
Y

Headlight RH
Headlight LH
Turn

Turn

Turn

Turn
Light RH
Light LH

Front Door Control


S51

S52

B11

24 A
B1
N1(A), z9(D)

4 4 TRNI 1 1
ECU RH

TRN– TRN+
W–B

W–B

W–B

W–B

W–B

8 D 16 D

45 DA 5 LF 6 LF
B–Y

SB

Outer Rear View

40 DA 43 LA
W–B

W–B

Mirror RH

Side Turn
W–B

W–B
z9(D)

7
S54 W–B
Junction
Connector

L4 S1 B1 B2

-1-
Turn Signal and Hazard Warning Light

A68(D), L11(A)
Main Body ECU

TRNL TRNR
25 11

55 DA 56 DA

L
L1
Flasher Relay 5 6
EL ER

HAZ
8
G

cardiagn.com
Y

L
6 4F 5 4F

5 4E 6 4G 5 4G 4 4D 6 4D 5 4D
G

G
Y

Y
G

12 1 3 1
50 LS1 B B
Turn RH

Turn LH
G

Diode (Turn)
Combination Meter

12 NS2
L135

L
2
G

G
L10
Front Door Control

24 B E1 E2 ES
GR
N10(B), z10(D)

TRNI 3 17 18
ECU LH

8 LA1
W–B

W–B

BR

TRN– TRN+
6
Connector

8 D 16 D
Junction

7
L100

GR
B–Y

SB

8
1 4H 1 4J 1 4D
W–B

W–B

W–B

W–B
Outer Rear View

41 DA 58 PA 51 PA 40 PA
Mirror LH

Side Turn
z10(D)

W–B

40 DA 43 PA 39 PA
W–B

W–B
BR

W–B

L4 L1 L3

-2-
Turn Signal and Hazard Warning Light

A68(D), L11(A)
Main Body ECU

HAZ HZSW HZCT


14 A 7 A 9 D

GR
BE

R
5 7
LJB HAZ

Off

On

cardiagn.com
Hazard Warning Signal Switch
L112

FRLY FLSW GND


2 4 8
W–B
G

GR

W–B

-3-
Turn Signal and Hazard Warning Light

(BAT) (IG)

5A 5A
A68(D), L11(A) P–D/C D–IG1–1
Main Body ECU CUT

CANN CANP 21 DA
15 A 16 A
35 PA

G
W

2 1
BCUT CUTD

Electric Power
14 3
Connector

Control ECU
Junction
L95

19 8
W

G
R

cardiagn.com
8 5B 12 5F

8 5J 12 5J
W

G
R

6 A 5 A 1 A 2 A
CANN CANP B IG

E
L25(A), z6(B) 8 A
Windshield Wiper Switch
W
R
Y

W–B

15 B 13 B 12 B
TL TR EL
1 5J

TL TR EL

LH
1 5F
N
W–B

RH

Turn Switch
57 DA
z6(B)
Headlight Dimmer Switch

40 DA
W–B

L4

-4-
Turn Signal and Hazard Warning Light

A 68 B1
White Black

1 2 3 4 5 6 7 8 9
1 2
3 4 5 6 10 11 12 13 14 15
16 17
7 8 9 10 18 19 20 21 22 23 24

B 11 L1 L 10
Black Black Black

1 2 3
4 5 6 7 8

3 4 5 6 7 8 9 1 2 3 4 5 6 7 8 9 10 11 12
1 2 13 14 15 16 17 18 19 20 21 22 23 24
10 11 12 13 14 15
16 17
18 19 20 21 22 23 24

cardiagn.com
L 11 L 25 L 95 L100
White White Gray Blue

1 2 3 4 5
6 7 8 9 10 11 12
1 2 3 4
1 2 3 4 5 6 7 8 9 10 11
1 4 5 6 7 8
2 3
12 13 14 15 16 17 18 19 20 21 22
5 6 7 8 9 10
11 12 13 14 15 16

L112 L135 N1 N 10
White Gray White White

1 2 3

1 2 5 6 1 2 5 6
1 2 3 4 5 6 7 8 3 4 3 4

7 8 9 10 11 12 13 14 15 16 7 8 9 10 11 12 13 14 15 16

17 18 19 20 21 22 23 24 17 18 19 20 21 22 23 24

S 51 S 52 S 54 z6
White White White White

1 2 3
2 1 2 1
4 5 6 7 8 1 2 3 4 5 6 7 8 9 10
4 3 4 3
11 12 13 14 15 16 17 18 19 20

-5-
Turn Signal and Hazard Warning Light

z9 z 10 3H
White White Gray

1 2 3 4 5 6 7 8 9 10 11 12

1 2 3 4 5 6 7 8 1 2 3 4 5 6 7 8
9 10 11 12 13 14 15 16 9 10 11 12 13 14 15 16

3J 4D
Gray Gray

1 2 3 4 5 6 7 8 9 10 11 12 1 2 3 4 5 6 7 8 9 10 11 12

4E 4F
White Gray

1 2 3 4 5 6 7 8 9 10 11 12 1 2 3 4 5 6 7 8 9 10 11 12

4G 4H
White Gray

1 2 3 4 5 6 7 8 9 10 11 12 1 2 3 4 5 6 7 8 9 10 11 12

cardiagn.com
4J 5B
Gray Gray

1 2 3 4 5 6 7 8 9 10 11 12 1 2 3 4 5 6 7 8 9 10 11 12

5F 5J
Gray Gray

1 2 3 4 5 6 7 8 9 10 11 12 1 2 3 4 5 6 7 8 9 10 11 12

DA
White

7 8 9 10 11 12 13 14 15 16 17 18 19 20 21 22
1 2 3 4 5 6
23 24 25 26 27 28 29 30 31 32 33 34 35 36 37 38
39 40 41 42 43 44 45 46 47 48 49 50 51 52 53 54 55 56 57 58 59 60

DD DH
Gray Gray

7 8 9 10 11 12
1 2 3 4 5 6
13 14 15 16 17 18 1 2 5 6
19 20 21 22 23 24 25 26 27 28 29 30 3 4

7 8 9 10 11 12 13 14 15 16

17 18 19 20 21 22 23 24

-6-
Turn Signal and Hazard Warning Light

LA
White

7 8 9 10 11 12 13 14 15 16 17 18 19 20 21 22
1 2 3 4 5 6
23 24 25 26 27 28 29 30 31 32 33 34 35 36 37 38
39 40 41 42 43 44 45 46 47 48 49 50 51 52 53 54 55 56 57 58 59 60

LD LF
Gray Gray

7 8 9 10 11 12
1 2 3 4 5 6
13 14 15 16 17 18 1 2 5 6
19 20 21 22 23 24 25 26 27 28 29 30 3 4

7 8 9 10 11 12 13 14 15 16

17 18 19 20 21 22 23 24

PA
White

cardiagn.com
7 8 9 10 11 12 13 14 15 16 17 18 19 20 21 22
1 2 3 4 5 6
23 24 25 26 27 28 29 30 31 32 33 34 35 36 37 38
39 40 41 42 43 44 45 46 47 48 49 50 51 52 53 54 55 56 57 58 59 60

AR1
White

11 10 9 8 7 6 5 4 3 2 1
1 2 3 4 5 6 7 8 9 10 11
22 21 20 19 18 17 16 15 14 13 12
12 13 14 15 16 17 18 19 20 21 22

BA2
Gray

9 8 7 6 5 4 3 2 1
1 2 3 4 5 6 7 8 9
25 16 15 14 13 12 11 10 17
17 10 11 12 13 14 15 16 25 24 23 22 21 20 19 18
18 19 20 21 22 23 24

-7-
Turn Signal and Hazard Warning Light

LA1
White

7 8 9 10 11 12 13 14 15 16 17 18 19 20 21 22
1 2 3 4 5 6
23 24 25 26 27 28 29 30 31 32 33 34 35 36 37 38
39 40 41 42 43 44 22 21 20 19 18 17 16 15 14 13 12 11 10 9 8 7
45 46 47 48 49 50 51 52 53 54 55 56 57 58 59 60 6 5 4 3 2 1
38 37 36 35 34 33 32 31 30 29 28 27 26 25 24 23
60 59 58 57 56 55 54 53 52 51 50 49 48 47 46 45 44 43 42 41 40 39

LS1
White

7 8 9 10 11 12 13 14 15 16 17 18 19 20 21 22
1 2 3 4 5 6
23 24 25 26 27 28 29 30 31 32 33 34 35 36 37 38
39 40 41 42 43 44 22 21 20 19 18 17 16 15 14 13 12 11 10 9 8 7
45 46 47 48 49 50 51 52 53 54 55 56 57 58 59 60 6 5 4 3 2 1
38 37 36 35 34 33 32 31 30 29 28 27 26 25 24 23
60 59 58 57 56 55 54 53 52 51 50 49 48 47 46 45 44 43 42 41 40 39

cardiagn.com
NR2
White

9 8 7 6 5 4 3 2 1
1 2 3 4 5 6 7 8 9
18 17 16 15 14 13 12 11 10
10 11 12 13 14 15 16 17 18

NS2
White

9 8 7 6 5 4 3 2 1
1 2 3 4 5 6 7 8 9
18 17 16 15 14 13 12 11 10
10 11 12 13 14 15 16 17 18

-8-
Vehicle Dynamics Integrated Management

(IG) (BAT) (BAT) (BAT) (IG)

5A 10A 50A 50A 10A


RR–IG1–1 ABS MAIN 4 ABS MTR1 ABS MTR2 D–IG1–3

2 2

38 LA 17 LA 3 2B 9 DH
G

W
3 3

ABS MTR Relay


5 1

ABS MTR2 Relay

GR

L
3 2

cardiagn.com
1 2B 13 2G 14 2G 11 2G 19 2C 3 3
W–B

W–B
GR
BE
B

P
L
36 C 46 A
MR2 IG1

A19(A), A20(B), A21(C)


Connector

19 B Skid Control ECU


Junction
A64(B)

21 B R2– MR1 R1–


37 C 35 A 36 A
W–B

GR

BE
P

G
W–B

W–B

A8

-1-
Vehicle Dynamics Integrated Management

(IG) (BAT) (BAT) (BAT)

10A 10A 10A 10A


ECU–IG ABS ABS ABS
MAIN1 MAIN2 MAIN3

2
A22
Brake Stroke Simulator
27 2C 6 2C 7 2C 2

BSR SCSS
R

1 2
Junction connector

L
16 A
A61(A)

Short Connector
A25(A), A26(B)
(Brake Stroke
GR

BE

BE
B

Simulator)
18 A 1 B 2 B

1 A 2 A

cardiagn.com
R

L
46 C 43 A 38 C 29 A 22 C 31 A 21 A
IG2 +BI1 +BI2 +BI3 +BI4 BS03 SS

A19(A), A20(B), A21(C)


Skid Control ECU

MTT LBL GND PCK1 PCK2 SMC1 BS01 SMC2 BS02


37 A 45 A 1 A 9 A 7 C 5 A 32 A 6 C 32 C
W–B

GR

BR
LG
W

B
L

A23(A), A24(B)
1 A Brake Accumulator Pump
37 42 20 19 6 7
MTT
PCK1 PCK2 SMC1 BS1 SMC2 BS2
Brake Fluid Level

2
Warning Switch

LBL
M
GND
A18

1
W–B

BM2 BM1 GND1 GND2


2 B 2 A 4 A 1 B A27
L Brake Actuator

B
W–B

W–B

R R

G G

W–B BR

A3 A4 A2

-2-
Vehicle Dynamics Integrated Management

Skid Control Buzzer


1
1 2

Buzzer

Front Pad Wear Indicator Switch

Front Pad Wear Indicator Switch


FL+ FR+

L2

Front Speed Sensor RH


Front Speed Sensor LH
Front Speed

Front Speed
2

Sensor RH
Sensor LH
Y

FL– FR–

A73

A55
2 1
41 LA1 40 LA1

cardiagn.com
Y

V
22 A 41 A 16 C 15 C 16 A 15 A
BZ VBZ FL+ FL– FR+ FR–

A19(A), A20(B), A21(C)


Skid Control ECU

FRA+ FRA– FRR+ FRR– FLA+ FLA– FLR+ FLR– RRA+ RRA– RRR+ RRR– RLA+ RLA–
17 A 18 A 4 A 3 A 17 C 18 C 4 C 3 C 20 C 21 C 34 C 33 C 19 A 20 A
BR

BE
LG

LG
W
B

P
L

8 5 22 21 13 14 27 28 12 11 26 25 10 9
FRA+ FRA– FRR+ FRR– FLA+ FLA– FLR+ FLR– RRA+ RRA– RRR+ RRR– RLA+ RLA–

A27
Brake Actuator

R R

G G

-3-
Vehicle Dynamics Integrated Management

(BAT)

5A
STOP

3 3
16 DH

Rear Pad Wear Indicator Switch

Rear Pad Wear Indicator Switch


Rear Height Control Sensor RH
RL+ RR+
Rear Height Control Sensor LH

G
Rear Speed Sensor RH
Rear Speed Sensor LH
Rear Speed

Rear Speed
Sensor RH
Sensor LH

Front Door Courtesy


1 2

Switch LH

Stop Light
Switch
R56
RL– RR–
S69

A35
S6
4 4 1

L
Y

Y
L

30 DD 15 DH

1 AS1 2 AS1 18 AR1 19 AR1

cardiagn.com
20 DH 13 DH
Y

B
L

11 A 10 A 11 C 10 C 25 A 25 C
RL+ RL– RR+ RR– CTY STP

A19(A), A20(B), A21(C)


Skid Control ECU

RLR+ RLR– VCM PAC1 PMC1 PFR PRL E VCM2 PMC2 PFL PRR E2
34 A 33 A 27 A 26 A 14 A 44 A 42 A 28 A 28 C 14 C 45 C 43 C 44 C
W

W
G

G
R

R
P

V
L

24 23 35 46 38 34 36 45 40 43 39 41 44
RLR+ RLR– VCM PAC1 PMC1 PFR PRL E VCM2 PMC2 PFL PRR E2

A27
Brake Actuator

R R

G G

-4-
Vehicle Dynamics Integrated Management

LG

B
B
8 3A
P

8 3B V

P
B
28 DA

18 DH

cardiagn.com
LG
G

P
24 C 29 C 30 C 6 A 7 A 8 C 9 C
TS CA1L CA1H CA2L CA2H CANL CANH

A19(A), A20(B), A21(C)


Skid Control ECU

CBI1 FAIL ENA CBI2 GND4 VCSK SKG SKS SKS2 SP1
38 A 41 C 8 A 40 C 1 C 5 B 4 B 3 B 1 B 23 A
W

B
L

(Shielded)

W
G

L
2 AS2 13 AS2 4 AS2 11 AS2
W

B
L

BR

1 13 12 7
OUT1 FAIL ENA OUT2 21 DH
Power Supply
Brake Control

3 1 4 2
VCSK SKG SKS1 SKS2

+BC IG1 GND


S49

8 5 14 10 DH
W–B

W–B
G
R

A34
BR

Brake Stroke Sensor


32 LA
Junction Connector
A60(A), E51(B)

9 A

R
43 LA
G 10 B
W–B

L
7
BR

S54
Junction
Connector

S1 A3 E3

-5-
Vehicle Dynamics Integrated Management

B B

LG LG

B B

P P

V V

P
E21
A67 Throttle Position Sensor
E51(B)
10 21 Junction Connector Junction
Connector

E2 VTA VC VTA2 M+ M– 1 B 4 B
11 22 9 20
3 6 5 4 2 1

cardiagn.com
(Shielded)

BR
W

W
G

G
R

B
14 A 13 A 35 D 26 D 34 D 27 D 7 D 6 D 19 D
45 LA1 46 LA1 CANH CANL ETA VTA VCTA VTA2 M+ M– GE01

A13(A), A14(B), E2(D)


Engine Control Module

CA1L CA1H VCP2 EPA2 VPA2 VCPA EPA VPA CA2L CA2H
11 A 12 A 22 B 21 B 28 B 23 B 20 B 29 B 17 A 18 A
BR

BR
BE

LG
W
G
R

R
B

L
1 2 3 4 5 6
VCP2 EPA2 VPA2 VCPA EPA VPA

L
A36
Accelerator Position Sensor LG

L L

-6-
Vehicle Dynamics Integrated Management

B B

LG

B
A66

LG
W
V

B Junction
A67 15 4 Connector
9 20 8 19 2 13 Junction Connector

A65 10 21 3 14 1 12 14 3
Junction Connector

cardiagn.com
LG

W
B

B
L

48 LA1 49 LA1 4 AR1 3 AR1

W
B

B
21 C 22 C

Air Suspension
L88(B), R1(C)
CA2L CA2H

Control ECU
CANL CANH
8 B 7 B
W

LG

G G

R R

L L

-7-
Vehicle Dynamics Integrated Management

∗ 1 : w/ VGRS System

B B

R(∗1)

R(∗1)
P

Junction Connector

12 1
A66

13 2

cardiagn.com
(∗1)

(∗1)
W

R
B

A41(A), A42(B), A43(C)


9 B 4 B Steering Control ECU 10 B 1 A
CA2L CA2H +B1 +BO

BMU BMV BMW SG RV S1 S2 RG LV LG SG2+ CA1L CA1H


2 C 1 C 3 C 6 C 6 A 4 A 14 A 15 A 3 A 12 A 16 A 20 A 9 A
BR

B
(Shielded)

(Shielded)
W

G
R
B

Y
L

3 Ax2 2 Ax2 1 Ax2 1 Ax1 2 Ax1 6 Ax1 7 Ax1 4 Ax1 10 Ax1


BR
W

W
G
R

3 A 2 A 1 A 1 B 2 B 6 B 7 B 4 B 10 B
U V W RV S1 S2 RG LV LG

x1(A), x2(B) W
VGRS Actuator
B B

W W

W W

B B

G G

R R

L L

-8-
Vehicle Dynamics Integrated Management

B B

R(∗1) R(∗1)

R(∗1) R(∗1)

C5
Steering Torque Sensor

INCS INSN TRQV OUCS OUSN TQG2 TQG1


1 2 4 5 6 7 8
G–W

L–W
G–B

R–B
Y–B
R–L

W
V

A44(A), C1(B), C2(C)


1 A 8 A 10 C 9 C 4 C 12 C 11 C 13 C 6 C Power Steering ECU

cardiagn.com
CA2H CA2L INCS INSN TRQV OUCS OUSN TQG2 TQG1

CA1L CA1H RZV RZSN RZCS RZG SRZG W U V


3 A 2 A 3 C 7 C 8 C 1 C 2 C 3 B 2 B 1 B
BR
LG

(Shielded)

(Shielded)
W

W
G

R
B

3 B 1 B 4 B 2 B 2 A 3 A 1 A
RZV RZSN RZCS RZG V U W

C3(A), C4(B)
Power Steering Motor
L

LG

B B

W W

B B

W W

W W

B B

G G

R R

L L

-9-
Vehicle Dynamics Integrated Management

∗ 1 : w/ VGRS System

B B

R(∗1) R(∗1)

R(∗1) R(∗1)

55 LS1 54 LS1 37 LS1 38 LS1

W
B

B
L99
Junction Connector 3 14 12 1 2 13

cardiagn.com
4 15 5 16 1 12 14 3 S58
Junction Connector
W

W
B

B
2 B 1 B
21 LA3 22 LA3 39 LA3 40 LA3 CANL CANH

S47(B)
LG

W
B
L

Seat Belt Control ECU

LG

W W

B B

G G

R R

L L

- 10 -
Vehicle Dynamics Integrated Management

R(∗1) R(∗1)

R(∗1) R(∗1)

B B

W W

B
L31
12 DLC3 16 A 15 A

Main Body ECU


TS CANP CANN

L11(A)
CANL CANH CANL CANH

cardiagn.com
14 6 6 A 5 A
W

G
R

R
B

L97
21 10 Junction Connector 13 2 14 3

22 11 20 9 19 8 15 4 16 5
W

G
R

R
B

W B

B W

G R

R G

L L

- 11 -
Vehicle Dynamics Integrated Management

∗ 1 : w/ VGRS System

R(∗1) R(∗1)

R(∗1) R(∗1)

B
(BAT)
W

P–D/C CUT
5 4H

5A

B
14 3
Connector
Junction
L95

21 10 5 4B

57 PA
W

cardiagn.com
3 2 2 1 1 A
Outer Mirror Switch

CANN CANP BCUT CUTD B

Slip OFF Switch


Assembly

MPX Electric Power MPX E


L6

7 Control ECU 3 A L75(A) 5 A


Console Switch

W–B
L

3 5I 4 4B 1 4B

3 5F 3 4F 1 4J 1 4H
W–B

W–B
L

29 DA 40 PA 51 PA

51 DA 39 PA
W–B

R R

W W

B B

W W

R R

G G

L L

W–B

L1 L3

- 12 -
Vehicle Dynamics Integrated Management

(BAT) (IG) (IG)

10A 5A 10A
P D–IG1–1 P–IG1–1
MPX–B

21 PK 21 DA 31 PA

R(∗1)
(∗2)

G
R

V
R(∗1)

4 LA3 12 5F 12 4H

11 5J 12 4B
G
R

cardiagn.com
3 1 4
Steering Angle Sensor

BAT IG IG

Yaw Rate Sensor


CA1H CA1L ESS CA1H CA1L GND
L21

L71
10 9 2 3 2 1
W–B

W–B
W

W
R

2 5J 2 4B

1 5F 1 4H 1 4J
W–B

W–B

W–B

57 DA 51 PA 40 PA

R 40 DA 39 PA

W
W–B
W–B

R R

G G

L L

W–B

L4 L1 L3

- 13 -
Vehicle Dynamics Integrated Management

(IG) (BAT)

∗ 1 : w/ VGRS System
∗ 2 : w/o VGRS System 10A 10A
P–J/B D MPX–B 2

30 2C 42 DA

L
1
L136
6 LA1 Junction
Connector
2

P
L
L10
Combination Meter 14 13
IG2 B
TFT Module

cardiagn.com
TFT Panel CPU
TFT
CPU
Buzzer
MPX–B

IG2 I/F 5V IC

Body
Earth

CPU
Signal
Back Light

Earth CAN
CONTROLLER

CAN I/F

SI CANH CANL ES
9 20 21 18
BR
G
R
L

18 PA

13 PK

58 PA

R
43 PA
G

L
BR

L1

- 14 -
Vehicle Dynamics Integrated Management

∗ 3 : Electronically Controlled Brake System

L10
Combination Meter

cardiagn.com
Brake (Except USA)

Slip OFF
BRAKE (USA)
Master

ABS

(∗3)
Slip

LED DRIVER

E2
17
W–B

6
Connector
Junction
L100

8
W–B

41 DA

40 DA
W–B

L4

- 15 -
Vehicle Dynamics Integrated Management

A 13 A 14 A 18
White White Black

1 2
1 2 3 4 5 6 1 2 3 4 5 6 7

7 8 9 10 11 12 13 14 15 16 8 9 10 11 12 13 14 15 16 17
17 18 19 20 21 22 23 24 25 26 27 18 19 20 21 22 23 24 25
28 29 30 31 32 33 34 35 26 27 28 29 30 31

A 19 A 20
Black Black

1 2 3 4 5

3 4 5 6 7 8 9 10 11 12 13 14 15 16
1 2
17 18 19 20 21 22 23 24 25 26 27 28 29 30

31 32
33 34 35 36 37 38 39 40 41 42 43 44 45 46

cardiagn.com
A 21 A 22 A 23
Gray Gray Black

1 2 1 2

3 4
3 4 5 6 7 8 9 10 11 12 13 14 15 16
1 2
17 18 19 20 21 22 23 24 25 26 27 28 29 30

31 32
33 34 35 36 37 38 39 40 41 42 43 44 45 46

A 24 A 25 A 26
Black Gray Gray

2 1
1 2
1 2

- 16 -
Vehicle Dynamics Integrated Management

A 27 A 34 A 35
Black Black Green

1 2 3 4
1 2
3 4
3 4 5 6 7 8 9 10 11 12 13 14 15 16
1 2
17 18 19 20 21 22 23 24 25 26 27 28 29 30

31 32
33 34 35 36 37 38 39 40 41 42 43 44 45 46

A 36 A 41 A 42 A 43
Black White White White

1 2 3 4 1 2
1 2 3 4 5 6
5 6 7 8 9 10
1 2 3 4 5 6 7 8 9 10
3 4 5 6 7 8
11 12 13 14 15 16 17 18 19 20

cardiagn.com
A 44 A 55 A 60
Black Gray Blue

2 1
4 3 1 2 3 4 5 6
7 8 9 10 11 12

1 2 3
4 5 6 7 8
9 10 11

A 61 A 64 A 65
Black Black Gray

1 2 3 4 5 6 7 8 9 10 11 1 2 3 4 5 6 7 8 9 10 11 1 2 3 4 5 6 7 8 9 10 11
12 13 14 15 16 17 18 19 20 21 22 12 13 14 15 16 17 18 19 20 21 22 12 13 14 15 16 17 18 19 20 21 22

A 66 A 67 A 73
Black Black Black

1 2 3 4 5 6 7 8 9 10 11 1 2 3 4 5 6 7 8 9 10 11 1 2
3 4
12 13 14 15 16 17 18 19 20 21 22 12 13 14 15 16 17 18 19 20 21 22
5 6

- 17 -
Vehicle Dynamics Integrated Management

C1 C2 C3 C4
Black Black Gray Gray

1 2 3 4 5 6 1 2
3 4
7 8 9 10 11 12 13

1 1
2 2

3 3

C5 E2 E 21 E 51
Gray White Black Blue

1 2 3 4 1 2 3 4 5 6
1 2 3 4 5 6
5 6 7 8 1 2 3 4 5 6 7
7 8 9 10 11 12
8 9 10 11 12 13 14 15 16 17 18 19
20 21 22 23 24 25 26 27
28 29 30 31 32 33 34 35

cardiagn.com
L2 L6 L 10 L 11
Blue White Black White

1 2
1 2 3 4 5 6
1 2 3 4 5 6 7 8 9 10 11 12 1 4
7 8 9 10 11 12 2 3
13 14 15 16 17 18 19 20 21 22 23 24
5 6 7 8 9 10
11 12 13 14 15 16

L 21 L 31 L 71
White White Black

1 2 3 4 5 6
1 2 3 4 5 6 7 8 9 10

16 15 14 13 12 11 10 9

8 7 6 5 4 3 2 1

L 75 L 88 L 95
White Black Gray

1 2 3 4 5 1 2 3 4 5 6 1 2 3 4 5 6 7 8 9 10 11
12 13 14 15 16 17 18 19 20 21 22
7 8 9 10 11 12 13 14 15 16 17
18 19 20 21 22 23 24 25 26

- 18 -
Vehicle Dynamics Integrated Management

L 97 L 99 L100 L136
Black Black Blue Black

1 2 3 4 5 1 2 3 4
6 7 8 9 10 11 12

1 2 3 4 5 6 7 8 9 10 11 1 2 3 4 5 6 7 8 9 10 11
12 13 14 15 16 17 18 19 20 21 22 12 13 14 15 16 17 18 19 20 21 22

R1 R 56 S6 S 47
Black White White White

1
1 2 3 4
1 10 4 3 2 1
2 3 4 5 6 7 8 9 5 6 7 8
8 7 6 5
11 12 13 14 15 16 17 18 19 20 21 22

23 24 25 26 27 28 29 30

S 49 S 54 S 58 S 69
White White Black White

cardiagn.com
1 2 3
1 2 3 4 5 6 7
4 5 6 7 8 1 2 3 4 5 6 7 8 9 10 11 4 3 2 1
8 9 10 11 12 13 14
12 13 14 15 16 17 18 19 20 21 22 8 7 6 5

x1 x2 2B
Gray White Black

1 2 3 4 5
6 7 8 9 10 1 2
1 2 3
3 4

2C 2G
White Black

1 2 3 4 5 6 7
1 2 3 4 5 6 7 8 9 10 11 12 13 14 15 16 17 18
8 9 10 11 12 13 14
19 20 21 22 23 24 25 26 27 28 29 30 31 32 33 34 35 36

3A 3B
White Gray

1 2 3 4 5 6 7 8 9 10 11 12 1 2 3 4 5 6 7 8 9 10 11 12

4B 4F
Gray Gray

1 2 3 4 5 6 7 8 9 10 11 12 1 2 3 4 5 6 7 8 9 10 11 12

- 19 -
Vehicle Dynamics Integrated Management

4H 4J
Gray Gray

1 2 3 4 5 6 7 8 9 10 11 12 1 2 3 4 5 6 7 8 9 10 11 12

5F 5I
Gray White

1 2 3 4 5 6 7 8 9 10 11 12 1 2 3 4 5 6 7 8 9 10 11 12

5J DA
Gray White

1 2 3 4 5 6 7 8 9 10 11 12

7 8 9 10 11 12 13 14 15 16 17 18 19 20 21 22
1 2 3 4 5 6
23 24 25 26 27 28 29 30 31 32 33 34 35 36 37 38
39 40 41 42 43 44 45 46 47 48 49 50 51 52 53 54 55 56 57 58 59 60

DD DH
Gray Gray

cardiagn.com
7 8 9 10 11 12
1 2 3 4 5 6
13 14 15 16 17 18 1 2 5 6
19 20 21 22 23 24 25 26 27 28 29 30 3 4

7 8 9 10 11 12 13 14 15 16

17 18 19 20 21 22 23 24

LA
White

7 8 9 10 11 12 13 14 15 16 17 18 19 20 21 22
1 2 3 4 5 6
23 24 25 26 27 28 29 30 31 32 33 34 35 36 37 38
39 40 41 42 43 44 45 46 47 48 49 50 51 52 53 54 55 56 57 58 59 60

PA PK
White Gray

7 8 9 10 11 12 13 14 15 16 17 18 19 20 21 22
1 2 3 4 5 6
23 24 25 26 27 28 29 30 31 32 33 34 35 36 37 38 1 2 5 6
39 40 41 42 43 44 45 46 47 48 49 50 51 52 53 54 55 56 57 58 59 60 3 4

7 8 9 10 11 12 13 14 15 16

17 18 19 20 21 22 23 24

- 20 -
Vehicle Dynamics Integrated Management

AR1
White

11 10 9 8 7 6 5 4 3 2 1
1 2 3 4 5 6 7 8 9 10 11
22 21 20 19 18 17 16 15 14 13 12
12 13 14 15 16 17 18 19 20 21 22

AS1
White

11 10 9 8 7 6 5 4 3 2 1
1 2 3 4 5 6 7 8 9 10 11
22 21 20 19 18 17 16 15 14 13 12
12 13 14 15 16 17 18 19 20 21 22

cardiagn.com
AS2 Ax1
White Black

1 2 8 9
1 2 3 4 5 5 4 3 2 1
9 8 2 1 6 7 8 9 10 10 9 8 7 6
10 11 3 4 5 6 7 17 18
12 13 14 15 16 18 17 7 6 5 4 3 11 10
16 15 14 13 12

Ax2
Gray

3 2 1
1 2 3

LA1
White

7 8 9 10 11 12 13 14 15 16 17 18 19 20 21 22
1 2 3 4 5 6
23 24 25 26 27 28 29 30 31 32 33 34 35 36 37 38
39 40 41 42 43 44 22 21 20 19 18 17 16 15 14 13 12 11 10 9 8 7
45 46 47 48 49 50 51 52 53 54 55 56 57 58 59 60 6 5 4 3 2 1
38 37 36 35 34 33 32 31 30 29 28 27 26 25 24 23
60 59 58 57 56 55 54 53 52 51 50 49 48 47 46 45 44 43 42 41 40 39

- 21 -
Vehicle Dynamics Integrated Management

LA3
White

7 8 9 10 11 12 13 14 15 16 17 18 19 20 21 22
1 2 3 4 5 6
23 24 25 26 27 28 29 30 31 32 33 34 35 36 37 38
39 40 41 42 43 44 22 21 20 19 18 17 16 15 14 13 12 11 10 9 8 7
45 46 47 48 49 50 51 52 53 54 55 56 57 58 59 60 6 5 4 3 2 1
38 37 36 35 34 33 32 31 30 29 28 27 26 25 24 23
60 59 58 57 56 55 54 53 52 51 50 49 48 47 46 45 44 43 42 41 40 39

LS1
White

7 8 9 10 11 12 13 14 15 16 17 18 19 20 21 22
1 2 3 4 5 6
23 24 25 26 27 28 29 30 31 32 33 34 35 36 37 38
39 40 41 42 43 44 22 21 20 19 18 17 16 15 14 13 12 11 10 9 8 7
45 46 47 48 49 50 51 52 53 54 55 56 57 58 59 60 6 5 4 3 2 1
38 37 36 35 34 33 32 31 30 29 28 27 26 25 24 23
60 59 58 57 56 55 54 53 52 51 50 49 48 47 46 45 44 43 42 41 40 39

cardiagn.com

- 22 -
VGRS System

(BAT) (BAT) (IG)

40A 10A 5A
VGRS P P–
MPX–B IG1–3

1 1C 21 PK 8 PK
L31
DLC3 W

SIL B
7
W

R
LG
7 3A
L
R

P
L

R
7 3I

LG
W
R

R
B

cardiagn.com
26 DA

40 LA3 39 LA3 2 LA3 1 LA3 4 LA3

19 DH

LG
W

R
V

L
8 B 10 B 3 B 7 A 20 A 9 A 4 B 9 B 10 A 19 A 1 A
PIG +BI IG SIL CA1L CA1H CA2H CA2L SS1– SS1+ +BO
A41(A), A42(B), A43(C)
Steering Control ECU
PGND PGD2 BMU BMV BMW SG RV S1 S2 RG LV LG SG2+
7 B 8 C 2 C 1 C 3 C 6 C 6 A 4 A 14 A 15 A 3 A 12 A 16 A
BR
(Shielded)

(Shielded)
W–B

W–B

G
R
B

Y
L

3 Ax2 2 Ax2 1 Ax2 1 Ax1 2 Ax1 6 Ax1 7 Ax1 4 Ax1 10 Ax1


BR
W

W
G
R

3 A 2 A 1 A 1 B 2 B 6 B 7 B 4 B 10 B
U V W RV S1 S2 RG LV LG

x1(A), x2(B)
VGRS Actuator

A5

-1-
VGRS System

(IG)

5A
D–IG1–1

21 DA

W W

B B

B B

W W

LG V
Rear Speed Sensor
L P
G

R Y

P
L

L
12 5F

cardiagn.com
Skid Control ECU
11 A 10 A 11 C 10 C 7 A 6 A

A19(A), A21(C)
RL+ RL– RR+ RR– CA2H CA2L

11 5J FL+ FL– FR+ FR– CANH CANL


16 C 15 C 16 A 15 A 9 C 8 C
G

P
LG
R

Steering Angle Sensor

3 8 7 1
Front Speed Sensor
BAT SS1+ SS1– IG
10 21

Connector
Junction
ESS CA1L CA1H
A67
L21

2 9 10 11 22 9 20
W–B

G
R

Engine Control Module

2 5J
14 A 13 A
CANH CANL
45 LA1 46 LA1
A13(A)

1 5F CA2H CA2L
18 A 17 A
W–B

LG
G
R

57 DA LG

R
40 DA
W
W–B

L4

-2-
VGRS System

W
B
W L99
5 16 Junction Connector
V

P
4 15 3 14
W

A66

W
B

B
13 2 Junction Connector

cardiagn.com
21 LA3 22 LA3 54 LS1 55 LS1
15 4 12 1

LG
W

W
P

B
L

Junction Connector
A44(A), C1(B), C2(C)
20 9 19 8 8 A 1 A Power Steering ECU 2 A 3 A
CA2L CA2H CA1H CA1L 1 12

S58
A65 RZV RZSN RZCS RZG SRZG W U V
21 10 2 13
Junction 3 C 7 C 8 C 1 C 2 C 3 B 2 B 1 B
Connector

W
B
LG

BR

37 LS1 38 LS1
(Shielded)

(Shielded)
W

W
G

R
B

3 B 1 B 4 B 2 B 2 A 3 A 1 A B
RZV RZSN RZCS RZG V U W

C3(A), C4(B)
Power Steering Motor

LG

R R

W W

G G

R R

-3-
VGRS System

(IG) (BAT)

10A 10A
P–J/B D MPX–B 2

30 2C 42 DA

L
1
L136
6 LA1 Junction
Connector
2

P
L
L10
Combination Meter 14 13
IG2 B
TFT Module

cardiagn.com
TFT Panel CPU
TFT Buzzer
CPU

MPX–B

Master
5V IC
I/F

IG2
Back Light
CPU
Body
Earth LED DRIVER
CAN CONTROLLER

Signal
Earth

CAN I/F

CANL CANH CANN CANP ES E1 E2


21 20 23 22 18 3 17
W–B

W–B
BR
W
G

Connector
Junction
W 7
L100
B
8
W–B
W

R
B
Junction Connector

58 PA 41 DA

10 21 16 5
L97

8 19 15 4 43 PA 40 DA
W

W–B
G
R

BR

R B

W W

L1 L4

-4-
VGRS System

(BAT)

5A
P–D/C
CUT

57 PA

B
2 1
BCUT CUTD
5 4H

Electric Power
Control ECU
5 4B

cardiagn.com
B

L75(A)
1 A Console Switch
Outer Mirror Switch

Suspension Control Switch


Assembly

CANP CANN MPX MPX E


L6

2 3 7 3 A 5 A

W–B
W
B

3 5I 4 4B 1 4B

10 21
Connector
Junction
L95

7 18 3 5F 3 4F 1 4H 1 4J
W

W–B

W–B
B

29 DA 51 PA 40 PA

51 DA 39 PA
W–B

W–B

L3 L1

-5-
VGRS System

A 13 A 19
White Black

1 2 3 4 5 6

7 8 9 10 11 12 13 14 15 16 3 4 5 6 7 8 9 10 11 12 13 14 15 16
1 2
17 18 19 20 21 22 23 24 25 26 27 17 18 19 20 21 22 23 24 25 26 27 28 29 30

28 29 30 31 32 33 34 35 31 32
33 34 35 36 37 38 39 40 41 42 43 44 45 46

A 21 A 41
Gray White

1 2 3 4 5 6 7 8 9 10

3 4 5 6 7 8 9 10 11 12 13 14 15 16 11 12 13 14 15 16 17 18 19 20
1 2
17 18 19 20 21 22 23 24 25 26 27 28 29 30

cardiagn.com
31 32
33 34 35 36 37 38 39 40 41 42 43 44 45 46

A 42 A 43 A 44
White White Black

1 2 3 4 1 2
5 6 7 8 9 10
3 4 5 6 7 8

1 2 3
4 5 6 7 8
9 10 11

A 65 A 66 A 67
Gray Black Black

1 2 3 4 5 6 7 8 9 10 11 1 2 3 4 5 6 7 8 9 10 11 1 2 3 4 5 6 7 8 9 10 11
12 13 14 15 16 17 18 19 20 21 22 12 13 14 15 16 17 18 19 20 21 22 12 13 14 15 16 17 18 19 20 21 22

-6-
VGRS System

C1 C2 C3 C4
Black Black Gray Gray

1 2 3 4 5 6 1 2
3 4
7 8 9 10 11 12 13

1 1
2 2

3 3

L6 L 10 L 21
White Black White

1 2 3 4 5 6 1 2 3 4 5 6 7 8 9 10
1 2 3 4 5 6 7 8 9 10 11 12
7 8 9 10 11 12
13 14 15 16 17 18 19 20 21 22 23 24

cardiagn.com
L 31 L 75 L 95
White White Gray

1 2 3 4 5 1 2 3 4 5 6 7 8 9 10 11
16 15 14 13 12 11 10 9 12 13 14 15 16 17 18 19 20 21 22

8 7 6 5 4 3 2 1

L 97 L 99 L100 L136
Black Black Blue Black

1 2 3 4 5 1 2 3 4
6 7 8 9 10 11 12

1 2 3 4 5 6 7 8 9 10 11 1 2 3 4 5 6 7 8 9 10 11
12 13 14 15 16 17 18 19 20 21 22 12 13 14 15 16 17 18 19 20 21 22

S 58 x1 x2 1C
Black Gray White White

1 2 3 4 5
1 2 3 6 7 8 9 10 1 2
1 2 3 4 5 6 7 8 9 10 11
3 4
12 13 14 15 16 17 18 19 20 21 22

-7-
VGRS System

2C 3A
White White

1 2 3 4 5 6 7 8 9 10 11 12

1 2 3 4 5 6 7 8 9 10 11 12 13 14 15 16 17 18

19 20 21 22 23 24 25 26 27 28 29 30 31 32 33 34 35 36

3I 4B
White Gray

1 2 3 4 5 6 7 8 9 10 11 12 1 2 3 4 5 6 7 8 9 10 11 12

4F 4H
Gray Gray

1 2 3 4 5 6 7 8 9 10 11 12 1 2 3 4 5 6 7 8 9 10 11 12

4J 5F
Gray Gray

cardiagn.com
1 2 3 4 5 6 7 8 9 10 11 12 1 2 3 4 5 6 7 8 9 10 11 12

5I 5J
White Gray

1 2 3 4 5 6 7 8 9 10 11 12 1 2 3 4 5 6 7 8 9 10 11 12

DA DH
White Gray

7 8 9 10 11 12 13 14 15 16 17 18 19 20 21 22
1 2 3 4 5 6
23 24 25 26 27 28 29 30 31 32 33 34 35 36 37 38 1 2 5 6
39 40 41 42 43 44 45 46 47 48 49 50 51 52 53 54 55 56 57 58 59 60 3 4

7 8 9 10 11 12 13 14 15 16

17 18 19 20 21 22 23 24

PA PK
White Gray

7 8 9 10 11 12 13 14 15 16 17 18 19 20 21 22
1 2 3 4 5 6
23 24 25 26 27 28 29 30 31 32 33 34 35 36 37 38 1 2 5 6
39 40 41 42 43 44 45 46 47 48 49 50 51 52 53 54 55 56 57 58 59 60 3 4

7 8 9 10 11 12 13 14 15 16

17 18 19 20 21 22 23 24

-8-
VGRS System

Ax1 Ax2
Black Gray

1 2 3 4 5 5 4 3 2 1
6 7 8 9 10 3 2 1
10 9 8 7 6 1 2 3

LA1
White

7 8 9 10 11 12 13 14 15 16 17 18 19 20 21 22
1 2 3 4 5 6
23 24 25 26 27 28 29 30 31 32 33 34 35 36 37 38
39 40 41 42 43 44 22 21 20 19 18 17 16 15 14 13 12 11 10 9 8 7
45 46 47 48 49 50 51 52 53 54 55 56 57 58 59 60 6 5 4 3 2 1
38 37 36 35 34 33 32 31 30 29 28 27 26 25 24 23
60 59 58 57 56 55 54 53 52 51 50 49 48 47 46 45 44 43 42 41 40 39

cardiagn.com
LA3
White

7 8 9 10 11 12 13 14 15 16 17 18 19 20 21 22
1 2 3 4 5 6
23 24 25 26 27 28 29 30 31 32 33 34 35 36 37 38
39 40 41 42 43 44 22 21 20 19 18 17 16 15 14 13 12 11 10 9 8 7
45 46 47 48 49 50 51 52 53 54 55 56 57 58 59 60 6 5 4 3 2 1
38 37 36 35 34 33 32 31 30 29 28 27 26 25 24 23
60 59 58 57 56 55 54 53 52 51 50 49 48 47 46 45 44 43 42 41 40 39

LS1
White

7 8 9 10 11 12 13 14 15 16 17 18 19 20 21 22
1 2 3 4 5 6
23 24 25 26 27 28 29 30 31 32 33 34 35 36 37 38
39 40 41 42 43 44 22 21 20 19 18 17 16 15 14 13 12 11 10 9 8 7
45 46 47 48 49 50 51 52 53 54 55 56 57 58 59 60 6 5 4 3 2 1
38 37 36 35 34 33 32 31 30 29 28 27 26 25 24 23
60 59 58 57 56 55 54 53 52 51 50 49 48 47 46 45 44 43 42 41 40 39

-9-
Vibration Seat

(IG) (IG) (BAT)


r6
Seat Vibrator Switch
5A 10A 10A
RR–IG1–1 RR–IG1–4 P RR
SEAT

6 LD 44 LA 2 PA IG LIN E2 E
1 3 10 5

W–B

W–B
(∗1)

(∗1)

(∗1)

(∗1)
SB
Y

B
(∗2)

(∗1)

BR
SB

SB

16 rS3 17 rS3 10 rS2 20 rS3

6 LR1

W–B

W–B
(∗1)

(∗1)

(∗1)

(∗1)
SB

B
GR

cardiagn.com
S29
1 Seat Vibration ECU
IG

GND LIN
8 3
B
(∗1)
W–B

(∗2)
B

B
(∗2)

SB
(∗2)

W–B
(∗2)

W–B
(∗1)
6 7
S54 S54
Junction Junction
Connector Connector

S1 S1

-1-
Vibration Seat

∗ 1 : 5–Seater
∗ 2 : 4–Seater (BAT)
r6
Seat Vibrator Switch
10A
D RR
SEAT

VSWR MSWR VSWL MSWL 7 DA


6 7 8 9

(∗1)

(∗1)

(∗1)

(∗1)
W
V

B
L
6 rS2 7 rS2 8 rS2 9 rS2 39 LS1
(∗1)

(∗1)

(∗1)

(∗1)
GR

W
V

L
V
(∗2)

P
(∗2)
GR

cardiagn.com
4 RS2 5 RS2
GR
(∗2)

L
(∗2)
P
L

4 Sf1 5 Sf1 W
2 Rf1 4 Rf1 5 Rf1
8 Sf1
GR
W

P
L

3 B 20 B 21 B 20 B 21 B 3 B
Rear Power Seat

Rear Power Seat


Control ECU RH

VB+ VSW MSW VSW MSW VB+ Control ECU LH


f37(B)

f40(B)

VGND SG VIB+ VIB– VGND SG VIB+ VIB–


10 B 24 B 12 B 11 B 10 B 24 B 12 B 11 B
W–B

W–B
(Shielded)

(Shielded)
P

P
L

3 Rf1 3 Sf1
Seat Vibrator RH

1 2 1 2
Seat Vibrator LH

C2 C1 C2 C1
W–B

W–B

f22
f2

B B
(∗2) (∗2)

SB SB
(∗2) (∗2)

W–B W–B
(∗2) (∗2)

W–B W–B
(∗1) (∗1)
5 4
R43 S54
Junction Junction
Connector Connector

R2 S1

-2-
Vibration Seat

∗ 1 : 5–Seater
∗ 2 : 4–Seater
Y6
Seat Vibrator Switch

VSWR MSWR VSWL MSWL LIN IG E2 E


6 7 8 9 3 1 10 5

W–B

W–B
(∗2)

(∗2)

(∗2)

(∗2)

(∗2)

(∗2)

(∗2)

(∗2)
SB
W
V

B
L
2 SY2 3 SY2 10 SY2 11 SY2 20 SY2 12 SY2 4 SY2 13 SY2

W–B

W–B
(∗2)

(∗2)

(∗2)

(∗2)

(∗2)

(∗2)

(∗2)

(∗2)
GR

SB
V

B
L

V
(∗2)

P
(∗2)

cardiagn.com
GR
(∗2)

L
(∗2)

B
(∗2)

SB
(∗2)

W–B
(∗2)

W–B W–B
(∗1) (∗1)
8
S57
Junction
Connector

S2

-3-
Vibration Seat

R 43 S 29 S 54 S 57
White White White White

1 2 3 1 2 3 1 2 3
4 5 6 7 8 1 2 3 4 4 5 6 7 8 4 5 6 7 8
5 6 7 8

Y6 f2 f 22 f 37
White White White White

1 2 1 2
1 2 3 4 5
1 2 3 10 11 12
6 7 8 9 10 4 5 6 7 8 9
13 14 15 16 17 18 19 20 21 22 23 24 25 26

f 40 r6
White White

cardiagn.com
1 2 3 4 5
1 2 3 10 11 12
4 5 6 7 8 9 6 7 8 9 10
13 14 15 16 17 18 19 20 21 22 23 24 25 26

DA
White

7 8 9 10 11 12 13 14 15 16 17 18 19 20 21 22
1 2 3 4 5 6
23 24 25 26 27 28 29 30 31 32 33 34 35 36 37 38
39 40 41 42 43 44 45 46 47 48 49 50 51 52 53 54 55 56 57 58 59 60

LA
White

7 8 9 10 11 12 13 14 15 16 17 18 19 20 21 22
1 2 3 4 5 6
23 24 25 26 27 28 29 30 31 32 33 34 35 36 37 38
39 40 41 42 43 44 45 46 47 48 49 50 51 52 53 54 55 56 57 58 59 60

LD
Gray

7 8 9 10 11 12
1 2 3 4 5 6
13 14 15 16 17 18
19 20 21 22 23 24 25 26 27 28 29 30

-4-
Vibration Seat

PA
White

7 8 9 10 11 12 13 14 15 16 17 18 19 20 21 22
1 2 3 4 5 6
23 24 25 26 27 28 29 30 31 32 33 34 35 36 37 38
39 40 41 42 43 44 45 46 47 48 49 50 51 52 53 54 55 56 57 58 59 60

LR1
White

7 8 9 10 11 12 13 14 15 16 17 18 19 20 21 22
1 2 3 4 5 6
23 24 25 26 27 28 29 30 31 32 33 34 35 36 37 38
39 40 41 42 43 44 22 21 20 19 18 17 16 15 14 13 12 11 10 9 8 7
45 46 47 48 49 50 51 52 53 54 55 56 57 58 59 60 6 5 4 3 2 1
38 37 36 35 34 33 32 31 30 29 28 27 26 25 24 23
60 59 58 57 56 55 54 53 52 51 50 49 48 47 46 45 44 43 42 41 40 39

LS1

cardiagn.com
White

7 8 9 10 11 12 13 14 15 16 17 18 19 20 21 22
1 2 3 4 5 6
23 24 25 26 27 28 29 30 31 32 33 34 35 36 37 38
39 40 41 42 43 44 22 21 20 19 18 17 16 15 14 13 12 11 10 9 8 7
45 46 47 48 49 50 51 52 53 54 55 56 57 58 59 60 6 5 4 3 2 1
38 37 36 35 34 33 32 31 30 29 28 27 26 25 24 23
60 59 58 57 56 55 54 53 52 51 50 49 48 47 46 45 44 43 42 41 40 39

RS2
White

1 2 8 9
9 8 2 1
10 11 3 4 5 6 7 17 18
12 13 14 15 16 18 17 7 6 5 4 3 11 10
16 15 14 13 12

Rf1
White

1 2 8 9
9 8 2 1
10 11 3 4 5 6 7 17 18
12 13 14 15 16 18 17 7 6 5 4 3 11 10
16 15 14 13 12

-5-
Vibration Seat

SY2
White

9 8 7 6 5 4 3 2 1
1 2 3 4 5 6 7 8 9
25 16 15 14 13 12 11 10 17
17 10 11 12 13 14 15 16 25 24 23 22 21 20 19 18
18 19 20 21 22 23 24

Sf1 rS2
White White

1 2 8 9
9 8 2 1 1 2 3 4 5 5 4 3 2 1
10 11 3 4 5 6 7 17 18
18 17 7 6 5 4 3 11 10 6 7 8 9 10 10 9 8 7 6
12 13 14 15 16
16 15 14 13 12

cardiagn.com
rS3
White

11 10 9 8 7 6 5 4 3 2 1
1 2 3 4 5 6 7 8 9 10 11
22 21 20 19 18 17 16 15 14 13 12
12 13 14 15 16 17 18 19 20 21 22

-6-
Wiper and Washer

(BAT) P–D/C CUT R


5A

A50(A), A51(B), A52(C)


Front Controller
2S
14 B
2
BCUT
Electric
Power
Control ECU ∗ 1 : w/ Auto Wiper
CUTD
∗ 2 : w/o Auto Wiper
1
LG

35 PA
B

43 LA3

cardiagn.com
8 5B

EW OFF AUTO(∗1) LO HI MIST


INT(∗2)

MIST
8 5J
OFF

AUTO(∗1)
INT(∗2)

LO
W

R
B

HI

Wiper Switch

1 A 6 A 5 A 3 A
B CANN CANP 2S

L25(A)
Windshield Wiper Switch

-1-
Wiper and Washer

W W

R R

A50(A), A51(B), A52(C)


Front Controller
WIG S/M S/S +2 W+ E
2 B 1 B 8 B 9 B 17 B 2 A

(IG) (IG)

W–B
G

B
L
D–IG1–1

30A WIP
5A

2 2C

21 DA

1 2C
G

cardiagn.com
B

B
L

L
12 5F

2 3 1 4
12 5J B +S +1 +2
WF EW

Off
1
G

Washer Motor
On
M M
Washer Switch

A1
2
2 A
IG

E E
L25(A) 8 A 5 A32
Windshield Wiper Switch Wiper Motor
W–B

W–B

W–B

W–B

1 5J
A63(A), A64(B)

15 A
Connector
Junction

1 5F
21 B
W–B
W–B

57 DA
W–B

W–B

40 DA
W–B

L4 A3 A8

-2-
Wiper and Washer

W W

R R

A50(A), A51(B), A52(C)


Front Controller
LIN CANN CANP
9 A 4 A 3 A

(IG)
(∗1)
L

D–IG1–3

B
10A
23 LA1

47 DA
(∗1)
L

(∗1)
L

4 LX2

cardiagn.com
12 3H
(∗1)
L

3 A (∗3)
3 B (∗4) 12 3C
MPX
Rain Sensor
X8(A), (B)

(∗1)
L

ES SIG
1 A 4 A (∗3) 20 LX1
1 B 4 B (∗4)
(∗1)

(∗1)

(∗1)
BR

LG

L
Overhead Module

19 B 8 A
1
X4(A), X6(B)

GND2 IG2 X16


Junction
Connector
GND4 IG
2
20 B 9 A
W–B
(∗1)

(∗1)
L

25 LX1
W–B
(∗1)

10
L100
Junction
Connector
8
W–B
(∗1)

∗ 1 : w/ Auto Wiper
∗ 3 : w/o Object Recognition Camera
41 DA
∗ 4 : w/ Object Recognition Camera

40 DA
W–B
(∗1)

L4 W

-3-
Wiper and Washer

R R

(IG) (BAT) (BAT) (BAT)

FR CTRL BAT

FR CTRL ALT
10A ECU–B
A50(A), A51(B), A52(C)

E/G RM–IG1–2
Front Controller
ALTB BATB FMB3 FMIG 5 A 6 A

Main Body ECU


30A

20A
5 C 1 C 1 A 5 A CANH CANL

10A

L11(A)
28 2C 4 2C 5 2A 4 2A CANP CANN
16 A 15 A
LG
P

Y
L

W
R

B
LG
Y

Junction Connector
8 19 3 14

L95
11 22

W
B

cardiagn.com
59 LR1 60 LR1

Junction Connector
W
B4 15

R48
3 14

W
B

Junction Connector

5 7
R57

1 3
W
B

20 AR1 21 AR1
W
B

-4-
Wiper and Washer

R (IG) (BAT)

G
10A 10A
P–J/B D MPX–B 2

30 2C 42 DA

L
1
L136
Junction
6 LA1 Connector
G

Junction Connector

P
L
14 3
14 13
IG2 B
L97

cardiagn.com
15 4 16 5

5V IC
G

G
R

Combination Meter
CPU

CAN
CONTROLLER
46 LA1 45 LA1

L10
CAN I/F

CANH CANL ES E2
G

Junction Connector

20 21 18 17
G
R

22 11
W–B
BR
A67

21 10
P

6
L100
Junction
A19(A), A21(C) Connector
8 C 9 C Skid Control ECU
8
CANL CANH
W–B

FL+ FL– FR+ FR– RL+ RL– RR+ RR–


16 C 15 C 16 A 15 A 11 A 10 A 11 C 10 C
58 PA 41 DA
B

Y
L

43 PA 40 DA

Front Speed Sensor Rear Speed Sensor


W–B
BR

L1 L4

-5-
Wiper and Washer

A1 A 19
Black Black

1 2

3 4 5 6 7 8 9 10 11 12 13 14 15 16
1 2
17 18 19 20 21 22 23 24 25 26 27 28 29 30

31 32
33 34 35 36 37 38 39 40 41 42 43 44 45 46

A 21 A 32 A 50
Gray Black White

1 2 3
4 5 1 2
3 4 5 6 7 8 9 10 11 12 13 14 15 16
1 2
17 18 19 20 21 22 23 24 25 26 27 28 29 30 3 4 5 6

cardiagn.com
7 8 9 10
31 32
33 34 35 36 37 38 39 40 41 42 43 44 45 46

A 51 A 52 A 63
White White Black

1 2 8 9

10 11 3 4 5 6 7 17 18 1 2 3 4 5 6 1 2 3 4 5 6 7 8 9 10 11
12 13 14 15 16 12 13 14 15 16 17 18 19 20 21 22
7 8 9 10 11 12 13 14 15 16 17
18 19 20 21 22 23 24 25 26

A 64 A 67 L 10
Black Black Black

1 2 3 4 5 6 7 8 9 10 11 1 2 3 4 5 6 7 8 9 10 11 1 2 3 4 5 6 7 8 9 10 11 12
12 13 14 15 16 17 18 19 20 21 22 12 13 14 15 16 17 18 19 20 21 22 13 14 15 16 17 18 19 20 21 22 23 24

-6-
Wiper and Washer

L 11 L 25 L 95 L 97
White White Gray Black

1 2 3 4
1 2 3 4 5 6 7 8 9 10 11 1 2 3 4 5 6 7 8 9 10 11
1 4 5 6 7 8
2 3
12 13 14 15 16 17 18 19 20 21 22 12 13 14 15 16 17 18 19 20 21 22
5 6 7 8 9 10
11 12 13 14 15 16

L100 L136 R 48 R 57
Blue Black Black Dark Gray

1 2 3 4 5 1 2 3 4
6 7 8 9 10 11 12
1 2 3 4
1 2 3 4 5 6 7 8 9 10 11
5 6 7 8
12 13 14 15 16 17 18 19 20 21 22

X4 X6 X8
White White Blue

cardiagn.com
1 2 3 4
1 2 3 4 5 6 7 8 9 10 11 12 13 14 15 16 1 2 3 4 5 6 7 8 9 10

17 18 19 20 21 22 23 24 25 26 27 28 29 30 31 32 11 12 13 14 15 16 17 18 19 20
(w/ Object Recognition Camera)

X8 X 16 2A
Black Black Black

1 2 3 4
1 2 3 4 5
1 2 3 4 6 7 8 9 10 11 12 13

(w/o Object Recognition Camera)

2C 3C
White White

1 2 3 4 5 6 7 8 9 10 11 12

1 2 3 4 5 6 7 8 9 10 11 12 13 14 15 16 17 18

19 20 21 22 23 24 25 26 27 28 29 30 31 32 33 34 35 36

3H 5B
Gray Gray

1 2 3 4 5 6 7 8 9 10 11 12 1 2 3 4 5 6 7 8 9 10 11 12

5F 5J
Gray Gray

1 2 3 4 5 6 7 8 9 10 11 12 1 2 3 4 5 6 7 8 9 10 11 12

-7-
Wiper and Washer

DA
White

7 8 9 10 11 12 13 14 15 16 17 18 19 20 21 22
1 2 3 4 5 6
23 24 25 26 27 28 29 30 31 32 33 34 35 36 37 38
39 40 41 42 43 44 45 46 47 48 49 50 51 52 53 54 55 56 57 58 59 60

PA
White

7 8 9 10 11 12 13 14 15 16 17 18 19 20 21 22
1 2 3 4 5 6
23 24 25 26 27 28 29 30 31 32 33 34 35 36 37 38
39 40 41 42 43 44 45 46 47 48 49 50 51 52 53 54 55 56 57 58 59 60

AR1
White

cardiagn.com
11 10 9 8 7 6 5 4 3 2 1
1 2 3 4 5 6 7 8 9 10 11
22 21 20 19 18 17 16 15 14 13 12
12 13 14 15 16 17 18 19 20 21 22

LA1
White

7 8 9 10 11 12 13 14 15 16 17 18 19 20 21 22
1 2 3 4 5 6
23 24 25 26 27 28 29 30 31 32 33 34 35 36 37 38
39 40 41 42 43 44 22 21 20 19 18 17 16 15 14 13 12 11 10 9 8 7
45 46 47 48 49 50 51 52 53 54 55 56 57 58 59 60 6 5 4 3 2 1
38 37 36 35 34 33 32 31 30 29 28 27 26 25 24 23
60 59 58 57 56 55 54 53 52 51 50 49 48 47 46 45 44 43 42 41 40 39

LA3
White

7 8 9 10 11 12 13 14 15 16 17 18 19 20 21 22
1 2 3 4 5 6
23 24 25 26 27 28 29 30 31 32 33 34 35 36 37 38
39 40 41 42 43 44 22 21 20 19 18 17 16 15 14 13 12 11 10 9 8 7
45 46 47 48 49 50 51 52 53 54 55 56 57 58 59 60 6 5 4 3 2 1
38 37 36 35 34 33 32 31 30 29 28 27 26 25 24 23
60 59 58 57 56 55 54 53 52 51 50 49 48 47 46 45 44 43 42 41 40 39

-8-
Wiper and Washer

LR1
White

7 8 9 10 11 12 13 14 15 16 17 18 19 20 21 22
1 2 3 4 5 6
23 24 25 26 27 28 29 30 31 32 33 34 35 36 37 38
39 40 41 42 43 44 22 21 20 19 18 17 16 15 14 13 12 11 10 9 8 7
45 46 47 48 49 50 51 52 53 54 55 56 57 58 59 60 6 5 4 3 2 1
38 37 36 35 34 33 32 31 30 29 28 27 26 25 24 23
60 59 58 57 56 55 54 53 52 51 50 49 48 47 46 45 44 43 42 41 40 39

LX1
White

9 8 7 6 5 4 3 2 1
1 2 3 4 5 6 7 8 9
25 16 15 14 13 12 11 10 17
17 10 11 12 13 14 15 16 25 24 23 22 21 20 19 18
18 19 20 21 22 23 24

cardiagn.com
LX2
White

9 8 7 6 5 4 3 2 1
1 2 3 4 5 6 7 8 9
18 17 16 15 14 13 12 11 10
10 11 12 13 14 15 16 17 18

-9-

You might also like