KEMBAR78
Experiment Guide For RC Circuits 1. Capacitors | PDF | Capacitor | Series And Parallel Circuits
0% found this document useful (0 votes)
129 views9 pages

Experiment Guide For RC Circuits 1. Capacitors

A capacitor is a passive electronic component that stores energy in the form of an electrostatic field. The voltage across a capacitor (capacitance C) is directly proportional to the charge Q stored on the plates. RC circuits can oftentimes be modeled simply as resistor and a capacitor.
Copyright
© Attribution Non-Commercial (BY-NC)
We take content rights seriously. If you suspect this is your content, claim it here.
Available Formats
Download as PDF, TXT or read online on Scribd
0% found this document useful (0 votes)
129 views9 pages

Experiment Guide For RC Circuits 1. Capacitors

A capacitor is a passive electronic component that stores energy in the form of an electrostatic field. The voltage across a capacitor (capacitance C) is directly proportional to the charge Q stored on the plates. RC circuits can oftentimes be modeled simply as resistor and a capacitor.
Copyright
© Attribution Non-Commercial (BY-NC)
We take content rights seriously. If you suspect this is your content, claim it here.
Available Formats
Download as PDF, TXT or read online on Scribd
You are on page 1/ 9

EE40 Guide-P1

Lab 4-Lab

Experiment Guide for RC Circuits I. Introduction 1. Capacitors


A capacitor is a passive electronic component that stores energy in the form of an electrostatic field. The unit of capacitance is the farad (coulomb/volt). Practical capacitor values usually lie in the picofarad (1 pF = 10-12 F) to microfarad (1 F = 10-6 F) range. Recall that a current is a flow of charges. When current flows into one plate of a capacitor, the charges don't pass through (although to maintain local charge balance, an equal number of the same polarity charges leave the other plate of the device) but instead accumulate on that plate, increasing the voltage across the capacitor. The voltage V across the capacitor (capacitance C) is directly proportional to the charge Q stored on the plates:

Q = CV
Since Q is the integration of current over time, we can write:
v (t ) = Q(t ) ! i (t )dt = C C

Differentiating this equation, we obtain the I-V characteristic equation for a capacitor:
dV (t ) dt

i (t ) = C

(Eq. 1)

2. RC Circuits
An RC (resistor + capacitor) circuit will have an exponential voltage response of the form

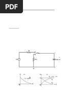
v (t ) = A + Be RC where constant A is the final voltage and constant B is the difference between the initial and the final voltages. ( e x is e to the x power, where e =2.718, the base of the natural logarithm) The product RC is called the time constant (whose units are seconds) and is usually represented by the Greek letter . When the time has reached a value equal to the time constant, , then the voltage is Be !" RC = Be ! l = 0.368 * B volts away from the final value A, or about 5/8 of the way from the initial value (A+B) to the final value (A). The characteristic exponential decay associated with an RC circuit is important to understand, because complicated circuits can oftentimes be modeled simply as resistor and a capacitor. This is especially true in integrated circuits (ICs). A simple RC circuit is drawn in Figure 1 with currents and voltages defined as shown. Equation 2 is obtained from Kirchhoffs Voltage Law, which states that the algebraic sum of voltage drops around a closed loop is zero. Equation 1 (above) is the defining I-V characteristic

!t

EE40 Guide-P2

Lab 4-Lab

equation for a capacitor, and Equation 3 is the defining I-V characteristic equation for a resistor (Ohms Law).

Vin = VC + VR
VR = IR = RC dVC dt

(Eq. 2) (Eq. 3)

Combining Equations 1 and 3 into 2, we obtain the following first-order linear differential equation: dV (Eq. 4) Vin = VC + RC C dt If VIN is a step function at time t=0, then VC and VR are of the form:

VC = A + Be !t RC

(Eq. 5)

VR = A'+ B' e

!t RC

If a voltage difference exists across the resistor (i.e. VR < 0 or VR > 0), then current will flow (Eq. 3). This current flows through the capacitor and causes VC to change (Eq. 1). VC will increase (if I > 0) or decrease (if I < 0) exponentially with time, until it reaches the value of VIN at which time the current goes to zero (since VR = 0). For the square-wave function VIN as shown in Figure 2(a), the responses VC and VR are shown in Figure 2(b) and Figure 2(c), respectively.

EE40 Guide-P3

Lab 4-Lab

Note that if the frequency of the square wave VIN is too high (i.e. if f >> 1/RC), then VC and VR will not have enough time to reach their asymptotic values. If the frequency is too low (i.e. if f << 1/RC), the decay time will be very short relative to the period of the waveform and thus the exponential decay will be difficult to observe. As a rough guideline, the period of the square wave should be chosen such that it is approximately equal to 10RC, in order for the responses shown in Figure 2b-c to be readily observed on an oscilloscope.

3. Inductors
An inductor is a passive electronic device that stores energy in a magnetic field. The unit of inductance is the henry (volt-second/ampere). Practical values of inductance range from one microhenry ( 1H = 1 x 10-6 H) to one henry (1 H). Inductors are usually made by highly coiled wires, in which changing current generate a magnetic field. By Lenzs Law, the changing magnetic flux produces a back-EMF (electromotive force), or a potential in the opposite direction of current flow and magnetic flux. While capacitors act to oppose changes in voltage, inductors oppose changes in current. The voltage v(t) across an inductor (with inductance L) is equal to the inductance multiplied by the change in current, di(t)/dt through the inductor: di (t ) v(t ) = L (Eq. 6) dt

II. Hands On
1. Determining the RC Circuit Configuration In this part of the experiment, you will make ohmmeter measurements to see if you can discover a method to determine if a resistor and capacitor are connected in series or in parallel.

EE40 Guide-P4

Lab 4-Lab

Get a 5.1 k resistor and 100 F capacitor from your TA. <> Recall that an ohmmeter has a built-in current source that sends a small current into the circuit under test. The ohmmeter reads the voltage across the circuit under test and determines the resistance of the circuit using Ohms Law. Build the circuit shown in Figure 3. Note that the ohmmeters current source keeps on charging up the capacitor. (For small values of capacitance, the capacitor will be fully charged almost instantly.) Question 1: Are you able to measure the value of the resistor? If not, explain the reason why you cannot make the measurement. Build the circuit shown in Figure 4. Note that the capacitor stops charging when the current through the resistor is equal to the current from the ohmmeter. Question 2: Explain how you got your ohmmeter reading for the circuit in Figure 4. Why does it take some time before the ohmmeters reading stabilizes? Question 3: Given a black box with either a series or parallel RC circuit, can you determine the RC configuration using an ohmmeter? If so, how? Identifying Physical Values in a Series RC Circuit Black Box and a Parallel RC Circuit Black Box The TA will give you two black boxes (if available). One contains a series RC circuit and the other contains a parallel RC circuit. Determine the basic resistorcapacitor configuration in each black box using an ohmmeter. If you are instructed to build the black box yourself, note that you are not allowed access to the node shared by RB and CB, so you cant measure RB directly. Please use the breadboard. Question 4: Determine whether each block box is a series or parallel RC circuit. 2. Series RC Circuit Black Box Construct the circuit below for the black box that contains the unknown resistor RB and capacitor CB in series. There is an RS = 50 ohms source resistor inside the function generator

EE40 Guide-P5

Lab 4-Lab

(might be negligible) and Rx is the external resistor that is suggested by the TA. (Use Rx = 500 ohms) Measure and record RX.

Figure 5: Circuit to discover series black box properties Set the amplitude of the square wave to about 5 VPP (not critical), with 0 VDC offset. Adjust the frequency of the square wave and the scope viewing scale until you see the exponential characteristic decay (~100 Hz). Make sure that you are using the waveform from the OUTPUT terminal of the function generator, not the SYNC terminal. Note that the voltage across Rx follows the shape of VIN VC (try the math and look at the nice pictures).

EE40 Guide-P6

Lab 4-Lab

From voltage VX across RX, you could use Ohms Law to obtain the current IX, but both IX and VX will have the same time constant. You should trigger on A1 edge and set Main Time Ref to Left, and always use the knobs to zoom in upon your cursor measurements. Your TA should review use of the CURSOR function: Set cursor V1 to ground, set cursor V2 to the peak and record V(A1). Next, move V2 to 0.368 of that value. Move t1 to the start, move t2 to intersect V2. t is the time constant.

EE40 Guide-P7

Lab 4-Lab

Question 5: What is the time constant 1? What is the value of RX? Now increase the value of RX by about a factor of ten. Measure the new RX2. Question 6: What is the time constant 2? What is the value of RX2? Question 7: Solve for the resistance RB and capacitance CB using the formula for the time constant in both trials. = CB (RS + RB + RX). Ask your TA for the resistance and capacitance values. Are they in good agreement with the values you have obtained experimentally? Explain if there are any significant differences. 3.Parallel RC Circuit Black Box Build the Parallel Black Box using unknown RB and CB from your TA. Measure the resistance of the circuit inside the black box using the ohmmeter. The rest of the measurements go toward finding the capacitance CB. Question 8: What is the measured value of the resistor inside the black box? Select a resistor RX (suggested value 5Kohms) of a value comparable to the resistor RB and construct the circuit below. Measure the time constant of the circuit with RX.

Figure 8: Setup for finding R and C of an unknown parallel RC circuit Question 9: Measure the time constant of the circuit with RX, then solve for the value of the capacitor CB. Ask your TA for the values of the resistor and the capacitor inside the black box. Are they in good agreement with the values you have obtained experimentally? Explain if there are any significant differences.

EE40 Guide-P8

Lab 4-Lab

4. Capacitors versus Inductors


Attach Scope A1

1 KHz Kohm
Attach Scope A2

Figure 9:

1 nF
Attach A1, A2 Ground Clip

Build the circuit above. Set the function generator to output a 5 Vpp sinusoidal signal with no DC offset. Set the frequency to 1.5 MHz. IMPORTANT: Make sure you can completely see both inputs on the oscilloscope screen, this is necessary for the following questions. Make sure to pay close attention to the units displayed on your oscilloscope (mV, V, etc), and label your graph with these units. Each input should be set to the same volts/div. After you auto scale and move the two inputs vertically so they line up, adjust the input 2 (capacitor) volts/div to be the same as input 1. Question 10: Sketch the two inputs (voltage across the capacitor and input voltage) of your oscilloscope on the graph provided. Manually find the time shift between the two inputs by using voltage cursors. Measure the period of the inputs (both inputs should have the same period!). Then measure the distance from the first peak of one signal to the first peak of the other signal. Divide the time shift by the period and multiply by 360o to find the phase shift. Use the oscilloscope to directly measure the phase shift (hit time, then hit the next menu softkey twice for phase). How close where your two values? Question 11: Gradually increase the frequency of the input signal to 6 MHz. Observe the change of the wave functions during the process, and graph what you see on the oscilloscope at 6 MHz. Now gradually decrease the frequency of the input signal to 100 KHz. Observe the change of the wave functions during the process, and graph what you see on the oscilloscope at 100 KHz. Now, rebuild the circuit to look like Figure 10 below: (change frequency to 5KHz)
Attach Scope A1

Kohm 1 KHz
Attach Scope A2

Figure 10:

10 mH
Attach A1, A2 Ground Clip

EE40 Guide-P9

Lab 4-Lab

Question 12: Repeat Question 10 for this new RL circuit. Make sure to set the frequency of the function generator down to 5 KHz before starting this question. Question 13: Repeat Question 11 for this circuit, but increase from 5 KHZ to 25 KHz, then decrease from 25KHz to 2 KHz. Question 14: Explain why the circuit in Question 11 behaved differently than the circuit in Question 12. Using the corresponding graphs with the capacitor and with the inductor as a basis, explain the differences between how capacitors and inductors react to time varying input voltages.

You might also like