KEMBAR78
LESSON 3 - Power On Sequence Introduction | PDF
0% found this document useful (0 votes)
560 views8 pages

LESSON 3 - Power On Sequence Introduction

The document outlines general power on sequences and provides specific examples for an Asus P5Q3 motherboard and MSI M3N78-VM motherboard. It also lists some common no power problem debug points such as checking for short circuits, battery voltage, crystal oscillator, standby voltages, and power switch circuits.
Copyright
© © All Rights Reserved
We take content rights seriously. If you suspect this is your content, claim it here.
Available Formats
Download as PPT, PDF, TXT or read online on Scribd
0% found this document useful (0 votes)
560 views8 pages

LESSON 3 - Power On Sequence Introduction

The document outlines general power on sequences and provides specific examples for an Asus P5Q3 motherboard and MSI M3N78-VM motherboard. It also lists some common no power problem debug points such as checking for short circuits, battery voltage, crystal oscillator, standby voltages, and power switch circuits.
Copyright
© © All Rights Reserved
We take content rights seriously. If you suspect this is your content, claim it here.
Available Formats
Download as PPT, PDF, TXT or read online on Scribd
You are on page 1/ 8

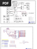
Power On Sequence

Sephiroth Kwon
GRMA
26-05-2009

OUTLINE

General Power On Sequence


Power On Sequence (P5Q3)
Power On Sequence (M3N78-VM)
No Power Problem Debug Point

General Power On Sequence


PSON#
ATX
TOP VIEW
+5

+ 12

+5

5VSB

-5

PWOK

5VSB
1

GND GND

5VSB to 3VSB
Linear Reg.

Cap./
Res.

PWRBTN
3VSB

PANNEL

1/0
1

GND + 5
GND GND
PSON + 5
GND GND
- 12V + 3V
+ 3V

IT8282

+ 3V

PSON
0

PSON Pull low circuit

PWRBTN
0

Super I/O
South
Bridge

General Power On Sequence

+5

+ 12

+5

5VSB

-5

PWOK

CPU SOCKET
(2)

CPURST

GND GND
GND + 5

PG1
IDERST

GND GND

Circuit

IDE SLOT
(4)

PWROK

PSON + 5

PCIRST

(3)

GND GND

PCI SLOT

North Bridge

- 12V + 3V
+ 3V

(5)

+ 3V

Circuit
PSON

South Bridge

(1)
PWRBTN

PANNEL

Power On Sequence (P5Q3 Sample)


S_PLTRST
S_PLTRST
10

GMCH

H_CPURST#

USER PRESS
CRTL+ATL+DEL

B_ATX_PWROK POWER

SUPPLY

O_PWROKO_PWROK_NB
7
7

USER PRESS
POWER BTN

O_PCIRST#_SLOT

S_PCIRST#
8

TPM
JMB363
VA6308P

VCORE

H_CPUPWRGD

9
O_PWROK

O_PWRBTN

CPU

4
S_SLPS4#

User clear
CMOS

ICH10R

S_TRCRST#

9
O_PCIRST#_PCIEX16_12 PCI_PCIEX16
O_PCIRST#_PCIEX1_123

S_SLPS3#

RSTCON#

5
O_RSMRST#

P_VRM_G
D
7

2
O_KB_RST#

O_PWRBTNIN#

EPU
User
press
Rest
button

Super I/O

6 O_PSON#

8
S_PLTRST#

LAN

PCI_PCIEX1
PCI SLOT

Power On Sequence(M3N78-VM)
14. CPU_RST#
13. PCI_RST#

CPU

PCI SLOT 1,2

12. CPU_PWROK#

13. PCIE_RST#

10. 1.2VHT_EN

MCP78

PCIE X1

9. VCORE_PG

1.RSMRST#

4.SUSC#

4.SUSB#

6. 3V

3.SIO_PWRBTN#

6. 12V

11.SIO_RST#

VRM

7.PWROK_SB

8. VCORE_EN

6. 5V

ATX
Power

5. PSON#

SIO
ITE8712F

13.PCIERST#
11. IDE_RST#

2. PWR_BTN#

PCIE X16
IDE Port

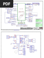
No Power Problem Debug Point


POWER UP PROBLEM
1. Check if any burned components or traces
2. Check no voltages short with GND such as +5, +12 , +5VSB, +3,
-12, +3VSB, VCORE 1.5V, 2.5V
3. Check Battery voltage
4. Check Xtal 32.768 KHz
5. Check 5VSB ,3VSB, PWRBTN#
6. Check PSON signal & related circuit

Thank You!

You might also like