KEMBAR78
FINAL YEAR PROJECT DOCUMENTATION | PDF
1
CHAPTER-1
INTRODUCTION
1.1 AUTOMATED & EMBEDDED SYSTEM AT A GLANCE:-
AUTOMATION IS THE KEY WORD OF THE MODERN WORLD SO ITS
APPLICATIONS&USES GROWING DAY BY DAYS AS PER SOCIETIES AND DEMANDS
. IN A NUTSHELL AUTOMATION IS A TECHNIQUE OF AUTOMATICALLY CONTROL
OF A SYSTEM BY SOME PROGAMMING & ALGORITHM;NOW A DAYS WE CAN SEE
EVERY WHERE THE APPLICATIONS OF AUTOMATION FROM ANY INDUSTRIES TO
ANY PROCESS PLANT AS WELL AS IN HOMEOR SOME WHEE IN FOEIGN COUNTY
ALSO IN MEDICAL WOLD THEY HAVE ALREADY ESTABLISHED AUTOMATED
NURSHING HOME WITH ROBOT AS THE EMPLOYEE . AUTOMATION THOUGH IT IS
A BLESSING OF SCIENCE & EVOLUTION IN THE FIELD OF ENGINEERING BUT AS
WELL AS IT REDUCES THE MANPOWER IN THE WOKING FIELD SO DEAM OF
MAKING SMART WORLD IS THE CAUSE OF TENSION OF LABOUR OF PRESENT
WORLD,THEY ARE ANXIOUS ABOUT THERE SAFETY & SECUIRITY OF THE WELL
ESTABLISHMENT IN FUTURE THOUGH RRESEACHING DEVELOPMENT TAKE
PLACE IN THE FILED OF AUTOMATION BUT CONTRIBUTION OF MAN IN THE
WORLD MAKING FACING OBVIOUSLY A GREAT CHALLENGE TO HUMAN BEINGS.
AUTOMATION IS DONE IN EVERY INDUSTRY TO CONTROL OF A PROCESS PLANT
SYSTEM TO INCREASE THE PERFORMANCE ON THE PRODUCTION &
MANUFACTURING UNIT IN A INDUSTRY BUT DUE TO SMART DEVELOPMENT
MANUAL CONTIBUTION FACING A THREAT OF LOSSING THERE JOB AS WELL AS
THERE SOURCE OF INCOME.
AUTOMATION IS DONE THOUGH SOME ARANGEMENT USING BASIC PROGAMING
OF C LANGUAGE,MICOCONTOLLER PROGAMING,USING SOME OTHER
ELECTONICS BASED ARRANGEMENT LIKE MAKING BASIC CIRCUIT FORMATION
TO MAKE SOME ELECTRONICALLY CONTROLLED DEVICED OPERATED BY
ROBOTICS OPERATION WITH SOME PREPROGRAMMED CHIP OF
MICROCONTROLLER OF DIFFERENT BANDS,WITH SOME UNIQUE SYSTEMS OF
OPERATIONAL METHODS.
AUTOMATION & ROBOTICS CONTOLLED MODEL IS DESIGNED BY SOLDIERING
THE CIRCUIT COMPONENTS, MAKING ITS STRUCTURE ON A PCB LAYOUT O IN A
2
VERRO BOAD WITH CAUTION AND THEN IT IS CONTAINED BY PEPROGAMMED
CHIP OF DIFFEENTS BAND OF MICROCONTROLLER AND HENCEINTEFACING WITH
ANY OTHER ESSENTIAL REQUIED THINGS TO MAKE THE DESIGN HERE WE CAN
NOT DENIED THE CONTRIBUTION OF MICROCONTROLLER BASED EMBEDDED
SYSTEM ,THERE WE ALL KNOW THAT CHIP BUING ISDONE BY SOME COMPILER
THE PROGRAMING DONE BY THE DEVELOPER HERE PLAYS THE ROLE AT THE
TIME OF OPERATIONS OF THE AUTOMATION BASED ROBOTICS CONTROLLED
PROJECTS SO IT IS VERY IMPORRTANT PART OF IT;
THE APPLICATIONS OF AUTOMATION ALSO NOW APPLYING AND ALSO
INCREASING DAY BY DAY ,THE APPLICATION IS ALSO IMPORTANT TO BE
CONTRIBUTED IN SOCIAL WORK LIKE TO RESCUE INNOCENT PEOPLE
GENERALLY VICTIMISED BY FLOOD OR EARTHQUAKE O ALSO REQUIED IN
DEFENCE WORK PERPOUS TO DETECT SUSPICIOUS PRESENT OF ANY BODY
THROUGH OUT THE BOARDER AND SO ON. IT IS REQUIRED IN INDIA AND
DEMAND OF AUTOMATION HERE INCREASING DAY BY DAY,NEW INDIA
GOVERNMENT ALSO TAKE SOME INITIATIVES LIKE MAKE IN INDIA,DIGITAL
INDIA AND THAT SHOULD NEVER BE TOTALLY COMPLETED WITHOUT
APPLICATION OF ELECTRONICS BASED ON INSTRUMENTATION WHICH IS
OBVIOUSLY BASED AUTOMATION BASED ROBOTICS CONTROLLED EMBEDDED
SYSTEMS.SO ITS DEMANDS INCEREASING DAY BY DAY SO APPLICATIONS OF
ITSELF ALONG WITH ESEACH&DEVELOPMENT WORK IS ALSO UNDER
DEVELOPMENT WHICH WILL HELP OUR WOLD AS WELL AS OUR COUNTRY TOO.
HERE WE ARE DISCUSSING ABOUT SOME CONCEPTS AND APPLICATION
FOLLOWED BY A PROJECT WORK THAT IS ONE OF THE CONTIBUTIONS OF
AUTOMATION TECHNOLOGY IN SOCIETY WHICH IS BASED ON MICROCONTOLLE
BASED EMBEDDED SYS ALONG WITH SOME BASIC ELECTONICS APPLICATION
AND CONTROLLED BY ROBOTICS OPERATION.
1.2. HISTORY OF ROBOTICS:-
This history of robotics is intertwined with the histories of technology, science and the
basic principle of progress. Technology used in computing, electricity, even pneumatics
and hydraulics can all be considered a part of the history of robotics. The timeline
presented is therefore far from complete.
Robotics currently represents one of mankind’s greatest accomplishments and is the
single greatest attempt of mankind to produce an artificial, sentient being. It is only in
recent years that manufacturers are making robotics increasingly available and attainable
to the general public.
3
The focus of this timeline is to provide the reader with a general overview of robotics
(with a focus more on mobile robots) and to give an appreciation for the inventors and
innovators in this field who have helped robotics to become what it is today.
The history of robotics is too long to describe It is initiating from before Christ era and
continuing till the day. Here we just describing some of them:-
~77-100BC
In 1901, between the islands of Crete and Kythera, a diver found the remnants
of what might only be considered a mechanical computer. The device is a
complex mix of gears which most likely calculated the position of the sun,
moon or other celestial bodies.The device dates back 2000 years and is
considered to be of Greek origin and was given the name “The Antikythera
Device”.
~270BC
An ancient Greek engineer named Ctesibus made organs and water clocks
with movable figures. The concept for his clock was fairly simple; a reservoir
with a precise hole in the bottom would take 24 hours to empty its contents.
The container was marked into 24 divisions.
278 – 212BC
Archimedes (287-212BC) did not invent robots, but he did invent many
mechanical systems that are used in robotics today, as well as advancing the
field of mathematics.
10-70AD
The Hero of Alexandria, a Mathematician, Physicist and Engineer (10-70AD)
wrote a book titled Automata (Arabic translation, or in Greek “moving itself”)
which is a collection of different devices which could have been used in
temples. The Hero of Alexandria designed an odometer to be mounted on a
cart and measure distances traveled. Among his other inventions are a wind powered
organ, animated statues and the Aeolipile. Although conceived
simply as a trinket, the Aeolipile can be considered the forefather of modern
steam engines.
Medieval times
4
Automatons, human-like figures run by hidden mechanisms, were used to
impress peasant worshippers in church into believing in a higher power.
[These mechanisms] created the illusion of self-motion (moving without
assistance). The clock jack was a mechanical figure that could strike time on a
bell with its axe. This technology was virtually unheard of in the 13th
century.
1495
Leonardo da Vinci designed what may be the first humanoid robot though it
cannot be confirmed if the design was actually ever produced. The robot was
designed to sit up, wave its arms, and move its head via a flexible neck while
opening and closing its jaw.
1645
Blaise Pascal invented a calculating machine to help his father with taxes. The
device was called the Pascaline and about 50 Pascalines were built. Only a
few can be found in museums such as the one on display in the Des Arts et
Metiers Museum in Paris.
1666
A pocket version of the Pascaline was invented by Samuel Morland [9] which
worked “without charging the memory, disturbing the mind, or exposing the
operations to any uncertainty”
18th Century
In the 18th century, miniature automatons became popular as toys for the
very rich. They were made to look and move like humans or small animals.
1709
Jacques de Vaucanson’s most famous creation was undoubtedly "The Duck."
This mechanical device could flap its wings, eat, and digest grain. Each wing
contained over four hundred moving parts and even today it remains
something of a mystery. The original Duck has disappeared.
1801
Joseph-Marie Jacquard invented a machine (essentially a loom) that could be
5
programmed to create designs that could be printed onto cloth or tissue.
1865
John Brainerd created the Steam Man apparently used to pull wheeled carts
and more. In 1885, Frank Reade Jr. built the “Electric Man” which is moreor-
less an electric version of the Steam Man.
1903
The first patents were awarded for the construction of a “printed wire” which
came into use after World War 2. The concept was to replace radio tube with
something less bulky.
1921
The term "robot" was first used in a play called "R.U.R." or "Rossum's
Universal Robots" by the Czech writer Karel Capek. The plot was simple: man
creates a robot to replace him and then robot kills man.
1937-1938
Westinghouse creates ELEKTRO a human-like robot that could walk, talk,
and smoke. ELEKTRO was first unveiled at the 1939 world’s fair.
1941
Science fiction writer Isaac Asimov first used the word "robotics" to describe
the technology of robots and predicted the rise of a powerful robot industry.
The term robotics refers to the study and use of robots; it came about in 1941
and was first adopted by Isaac Asimov, a scientist and writer. It was Asimov
who also proposed the following “Laws of Robotics” in his short story
Runaround in 1942.
1942
Isaac Asimov wrote the "Three Laws of Robotics”. A zeroth law was later
added (law zero below).
Law One: A robot may not injure a human (or humanity), or, through
inaction, allow a human (or humanity) to come to harm.
Law Two: A robot must obey orders given it by human beings, except where
such orders would conflict with a higher order law.
6
Law Three: A robot must protect its own existence as long as such protection
does not conflict with a higher order law]
Law Zero: A robot may not injure a human being, or, through inaction, allow
a human being to come to harm, unless this would violate a higher order law
1942
The first “programmable” mechanism, a paint-sprayer, was designed by
Willard Pollard and Harold Roselund for the DeVilbiss Company. (US Patent
No. 2,286,571).
1946
George Devol patented a general purpose playback device for controlling
machines using magnetic recordings.
1947
On November 14, 1947, Walter Brattain had an accident while trying to
study how electrons acted on the surface of a semiconductor. This accident
brought about the creation of the first transistor.
1948
W. Grey Walter created his first robots; Elmer and Elsie, also known as the
turtle robots. The robots were capable of finding their charging station when
their battery power ran low.
1951
Raymond Goertz designed the first tele-operated articulated arm for the
Atomic Energy Commission. This is generally regarded as a major milestone
in force feedback (haptic) technology.
1954
George Devol designed the first truly programmable robot and called it
UNIMATE for "Universal Automation." (US patent 2 998 237) . Later, in
1956
7
George Devol and Joseph Engelberger formed the world's first robot
company “Unimation” which stands for “universal automation”.As a
result, Engelberger has been called the 'father of robotics’.Unimation is still
in production today, with robots for sale.
1957
History changed on October 4, 1957, when the Soviet Union successfully
launched Sputnik I. The world's first autonomous, artificial satellite was 22.8
inches in diameter and weighed only 183.9 pounds.
1960
One of the first operational, industrial robots in North America appeared in
the early 1960’s in a candy factory in Kitchener, Ontario.
1964
Artificial intelligence research laboratories are opened at M.I.T., Stanford
Research Institute (SRI), Stanford University, and the University of
Edinburgh.
1965
Carnegie Mellon establishes the Robotics Institute.
1968
The first computer controlled walking machine was created by Mcgee and
Frank at the University of South Carolina.
1968
The first manually controlled walking truck was made by R. Mosher. It could
walk up to four miles an hour;
1968
SRI built “Shaky”; a mobile robot equipped with a vision system and
controlled by a computer the size of a room.
8
1969
Victor Scheinman created the Stanford Arm, which was the first successful
electrically-powered, computer-controlled robot arm.
1969
WAP-1 became the first biped robot and was designed by Ichiro Kato. Air bags
connected to the frame were used to stimulate artificial muscles WAP-3 was
designed later and could walk on flat surfaces as well as climb up and down
stairs or slopes. It could also turn while walking.
1973
V.S. Garfunkel, A. Schneider, E.V. Garfunkel and colleagues at the department
of motion control at the Russian Academy of Science create the first six-legged
walking vehicle.
1990
iRobot Corporation was founded by Rodney Brooks, Colin Angle and Helen
Greiner and produced domestic and military robots.
1993
Dante explored Mt. Erebrus in Antarctica. The 8-legged walking robot was
developed at Carnegie-Mellon University. However, the mission failed when
its tether broke.Dante II subsequently explored Mt. Spurr in Alaska in
2004. This was a more robust version of Dante I.
1996
RoboTuna was created by David Barrett at MIT. The robot was used to study
how fish swim.
1996
Honda created the P2, which was the first major step in creating their
ASIMO. The P2 was the first self-regulating, bipedal humanoid robot.
1997
9
NASA's PathFinder landed on Mars. The wheeled robotic rover sent images
and data about Mars back to Earth.
1997
IBM's deep blue supercomputer beat the champion Gary Kasparov at a chess
match. This represented the first time a machine beat a grand champion chess
player.
1997
Honda created the P3, the second major step in creating their ASIMO. The P3
was Honda’s first completely autonomous humanoid robot.
1998
Dr. Cynthia created Kismet, a robotic creature that interacted emotionally
with people.
1998
LEGO released their MINDSTORMS robotic development product line,
which is a system for inventing robots using a modular design and LEGO
plastic bricks.
1998
Campbell Aird was fitted with the first bionic arm called the Edinburg
Modular Arm System (EMAS).
1999
Sony released the first Aibo robotic dog.
1999
Mitsubishi created a robot fish. The intention was to create a robotic version of
an extinct species of fish.
10
1999
Personal Robots released the Cye robot. It performed a variety of household
chores, such as delivering mail, carrying dishes, and vacuuming. It was
created by Probotics Inc.
2000
Sony unveiled the Sony Dream Robots (SDR) at Robodex. SDR was able to
recognize 10 different faces, expresses emotion through speech and body
language, and can walk on flat as well as irregular surfaces. Image of QRIO [4]
2001
iRobotPackbots searched through the rubble of the world Trade Center.
Subsequent versions of the Packbot robots are used in Afghanistan and India
2001
MD Robotics of Canada built the Space Station Remote Manipulator System
(SSRMS). It was successfully launched and worked to assemble the
International Space Station.
2002
Honda created the Advanced Step in Innovative Mobility (ASIMO). It is
intended to be a personal assistant. It recognizes its owner's face, voice, and
name. Can read email and is capable of streaming video from its camera to a
PC.
2002
iRobot released the first generation of Roomba robotic vacuum cleaners.
2003
As part of their mission to explore Mars, NASA launched twin robotic rovers
on June 10 and July 7, 2003 called Spirit and Sojourner.
2003
11
RobotShop Distribution Inc. was founded to provide today’s society with
domestic and professional robot technology that can help increase the pleasure,
knowledge liberty and security of individuals.
2005
The Korean Institute of Science and Technology (KIST), created HUBO, and
claims it is the smartest mobile robot in the world. This robot is linked to a
computer via a high-speed wireless connection; the computer does all of the
thinking for the robot.
2005
Cornell University created self-replicating robots.
This timeline ends in 2005. Information between 2005 and the present can be
found in the “Revolution of Robotics”.
1.3. HISTORY OF ELECTRONICS:-
In this 21st century, every day we are dealing with the electronic circuits and devices in some or
the other forms because gadgets, home appliances, computers, transport systems, cell phones,
cameras, TV, etc. all have electronic components and devices. Today’s world of electronics has
made deep inroads in several areas, such as healthcare, medical diagnosis, automobiles,
industries, electronics project etc. and convinced everyone that without electronics, it is really
impossible to work.
Therefore, looking forward to know the past and about the brief history of electronics is
necessary to revive our minds and to get inspired by those individuals who sacrificed their lives
by engaging themselves in such amazing discoveries and inventions that costs everything for
them, but nothing for us, and, in turn, benefitted us immensely since then.
12
Electronics’ actual history began with the invention of vacuum diode by J.A. Fleming, in 1897;
and, after that, a vacuum triode was implemented by Lee De Forest to amplify electrical signals.
This led to the introduction of tretode and pentode tubes that dominated the world until the
World War II.
Subsequently, the transistor era began with the junction transistor invention in 1948. Even
though, this particular invention got a Nobel Prize, yet it was later replaced with a bulky vacuum
tube that would consume high power for its operation. The use of germanium and silicon
semiconductor materials made theses transistor gain the popularity and wide-acceptance usage in
different electronic circuits.
Integrated circuits (ICs)
The subsequent years witnessed the invention of the integrated circuits (ICs) that drastically
changed the electronic circuits’ nature as the entire electronic circuit got integrated on a single
chip, which resulted in low: cost, size and weight electronic devices. The years 1958 to 1975
marked the introduction of IC with enlarged capabilities of over several thousand components on
a single chip such as small-scale integration, medium-large scale and very-large scale integration
ICs.
13
And the trend further carried forward with the JFETS and MOSFETs that were developed during
1951 to 1958 by improving the device designing process and by making more reliable and
powerful transistors.
Digital integrated circuits were yet another robust IC development that changed the overall
architecture of computers. These ICs were developed with Transistor-transistor logic (TTL),
integrated injection logic (I2L) and emitter coupled logic (ECL) technologies. Later these digital
ICs employed PMOS, NMOS, and CMOS fabrication design technologies.
All these radical changes in all these components led to the introduction of microprocessor in
1969 by Intel. Soon after, the analog integrated circuits were developed that introduced an
operational amplifier for an analog signal processing. These analog circuits include analog
multipliers, ADC and DAC converters and analog filters.
This is all about the fundamental understanding of the electronics history. This history of
electronics technology costs greater investment of time, efforts and talent from the real heroes,
some of them are described below.
Inventors in history of electronics
Luigi Galvani (1737-1798)
Luigi Galvani was a professor in the University of Bologna. He studied the effects of electricity
on animals, especially on frogs. With the help of experiments, he showed the presence of
electricity in frogs in the year 1791.
Charles Coulomb (1737-1806)
Charles coulomb was a great scientist of the 18th century. He experimented with the mechanical
resistance and developed coulomb’s law of electro-static charges in the year 1799.
Allesandro Volta (1745-1827)
14
Allesandro Volta was an Italian scientist. He invented battery in the year 1799. He was the first
to develop a battery (Voltaic cell) that could produce electricity as a result of chemical reaction.
Hans Christian Oersted (1777-1852)
Hans Christian Oersted showed that whenever a current flows through a conductor, a magnetic
field is associated with it. He initiated the study of electromagnetism and discovered Aluminum
in the year 1820.
George Simon Ohm (1789-1854)
George Simon Ohm was a German physicist. He experimented with the electrical circuits and
made his own part including the wire. He found that some conductors worked when compared to
others. He discovered Ohms law in the year 1827, which is a relation between current, voltage&
resistance. The unit for resistance is named after him.
Michael Faraday (1791-1867)
Michael Faraday was a British scientist and great pioneer experimenter in electricity and
magnetism. After the discovery by Oersted, he demonstrated electromagnetic induction in the
year 1831. This is the basic principle of the working of generators.
James Clerk Maxwell (1831-1879)
James Clerk Maxwell was a British physicist, and he wrote treatise on magnetism and electricity
in the year 1873. He developed the electromagnetic field equations in the year 1864. The
equations in it were explained and predicted by hertz’s work and faradays’ work. James Clerk
Maxwell formulated an important theory – that is, electromagnetic theory of light.
Henrich Rudolph Hertz (1857-1894)
Henrich Rudolph Hertz was a German physicist born in 1857 in Hamburg. He demonstrated the
electromagnetic radiation predicted by Maxwell. By using experimental procedures, he proved
the theory by engineering instruments to transmit and receive radio pulses. He was the first
person to demonstrate the photo-electric effect. The unit of frequency was named Hertz in his
honorarium.
Andre Marie Ampere (1775-1836)
Andre Marie Ampere was a French mathematician and physicist. He studied the effects of
electric current and invented solenoid. The SI unit of electric current (the Ampere) was named
after him.
Karl Friedrich Gauss (1777-1855)
15
Karl Friedrich Gauss was a physical scientist and a greatest German mathematician. He
contributed to many fields like algebra, analysis, statistics, electrostatics and astronomy. The
CGS unit of magnetic field density was named after him.
Wilhelm Eduard Weber (1804-1891)
Wilhelm Eduard Weber was a German physicist. He investigated terrestrial magnetism with his
friend Carl fried rich. He devised an electromagnetic telegraph in the year 1833, and also
established a system of absolute electrical units, and the MKS unit of flux was named after
Weber.
Thomas Alva Edison (1847-1932)
Thomas Alva Edison was a businessman and an American inventor. He developed many devices
like, practical electric bulb, motion picture camera, photograph and other such things. While
inventing the electric lamp, he observed the Edison effect.
Nikola Tesla (1856-1943)
Nikola Tesla invented the Tesla coil; the Tesla induction motor; alternating current (AC);
electrical supply system that includes a transformer; 3-phase electricity and motor. In 1891,
Tesla coil was invented and used in electronic equipment, television and radio sets. The unit of
magnetic field density was named after him.
Gustav Robert Kirchhoff (1824-1887)
Gustav Robert Kirchhoff was a German physicist. He developed Kirchhoff’s law that allows
calculation of the voltages, currents and resistance of electrical networks.
James Prescott Joule (1818-1889)
James Prescott Joule was a brewer and an English physicist. He discovered the law of
conservation of energy. The unit of energy – Joule was named in his honor. To develop the scale
of temperature, he worked with Lord Kelvin.
Joseph Henry (1799-1878)
Joseph Henry was an American scientist, and independently discovered electromagnetic
induction in the year 1831 – a year before faraday’s discovery. The unit of induction was named
after him.
Lee De Forest (1873-1961)
16
Lee de forest was an American inventor, and he invented the first triode vacuum tube: Audion
tube in 1906. He was honored as the father of radio.
Walter schottky (1886-1997)
Walter schottky was a German physicist. He defined shot noise-random electron noise in
thermionic tubes, and invented the multiple grid vacuum tube.
Edwin Howard Armstrong (1890-1954)
Edwin Howard Armstrong was an inventor and an American electrical engineer. He invented
electronic oscillator and regenerative feedback. In 1917, he invented super-heterodyne radio and
patented FM radio in the year 1933.
Hope you got somewhat better understanding of this brief history of electronics. Why can’t we
learn something from the above philosophers and great inventors for bettering our world and
technology? Please share your views on this article in the comment section below.
1.4. INSTRUMENTATION TECHNOLOGY:-
Instrumentation is the development or use of measuring instruments for observation,
monitoring or control. An instrument is a device that measures a physical quantity, such as flow,
temperature, level, distance, angle, or pressure. Instruments may be as simple as direct reading
hand-held thermometers or as complex as multi-variable process analyzers. Although
instrumentation is often used to measure and control process variables within a laboratory or
manufacturing area, it can be found in the household as well. A smoke detector is one example
of a common instrument found in many western homes.The ability to make precise, verifiable
and reproducible measurements of the natural world, at levels that were not previously
observable, using scientific instrumentation, has "provided a different texture of the world". This
instrumentation revolution fundamentally changes human abilities to monitor and respond, as is
illustrated in the examples of DDT monitoring and the use of UV spectrophotometry and gas
chromatography to monitor water pollutants.The control of processes is one of the main branches
of applied instrumentation. Instruments are often part of a control system in refineries, factories,
and vehicles. Instruments attached to a control system may provide signals used to operate a
variety of other devices, and to support either remote or automated control capabilities. These are
often referred to as final control elements when controlled remotely or by a control system. As
early as 1954, Wildhack discussed both the productive and destructive potential inherent in
process control.The Oxford English Dictionary says (as its last definition of Instrumentation),
"The design, construction, and provision of instruments for measurement, control, etc; the state
of being equipped with or controlled by such instruments collectively." It notes that this use of
17
the word originated in the U.S.A. in the early 20th century. More traditional uses of the word
were associated with musical or surgical instruments. While the word is traditionally a noun, it is
also used as an adjective (as instrumentation engineer, instrumentation amplifier and
instrumentation system). Other dictionaries note that the word is most common in describing
aeronautical, scientific or industrial instruments.
Measurement instruments have three traditional classes of use:
 Monitoring of processes and operations
 Control of processes and operations
 Experimental engineering analysis
 While these uses appear distinct, in practice they are less so. All measurements have the potential for
decisions and control. A home owner may change a thermostat setting in response to a utility bill
computed from meter readings.
1.4.1 HISTORY OF INSTRUMENTATIONS:-
Elements of industrial instrumentation have long histories. Scales for comparing weights and
simple pointers to indicate position are ancient technologies. Some of the earliest measurements
were of time. One of the oldest water clocks was found in the tomb of the Egyptian pharaoh
Amenhotep I, buried around 1500 BCE. Improvements were incorporated in the clocks. By 270
BCE they had the rudiments of an automatic control system device. In 1663 Christopher
Wren presented the Royal Society with a design for a "weather clock". A drawing shows
meteorological sensors moving pens over paper driven by clockwork. Such devices did not
become standard in meteorology for two centuries. The concept has remained virtually
unchanged as evidenced by pneumatic chart recorders, where a pressurized bellows displaces a
pen. Integrating sensors, displays, recorders and controls was uncommon until the industrial
revolution, limited by both need and practicality.
In the early years of process control, process indicators and control elements such as valves were
monitored by an operator that walked around the unit adjusting the valves to obtain the desired
temperatures, pressures, and flows. As technology evolved pneumatic controllers were invented
and mounted in the field that monitored the process and controlled the valves. This reduced the
amount of time process operators were needed to monitor the process. Later years the actual
controllers were moved to a central room and signals were sent into the control room to monitor
the process and outputs signals were sent to the final control element such as a valve to adjust the
process as needed. These controllers and indicators were mounted on a wall called a control
board. The operators stood in front of this board walking back and forth monitoring the process
indicators. This again reduced the number and amount of time process operators were needed to
walk around the units. The most standard pneumatic signal level used during these years was 3-
15 psig.
18
Electronics enabled wiring to replace pipes. A transmitter is a device that produces an output
signal, often in the form of a 4–20 mA electrical current signal, although many other options
using voltage, frequency, pressure, or ethernet are possible. The transistor was commercialized
by the mid-1950s.Instruments attached to a control system provided signals used to
operate solenoids, valves, regulators, circuit breakers, relays and other devices. Such devices
could control a desired output variable, and provide either remote or automated control
capabilities.Each instrument company introduced their own standard instrumentation signal,
causing confusion until the 4-20 mA range was used as the standard electronic instrument signal
for transmitters and valves. This signal was eventually standardized as ANSI/ISA S50,
“Compatibility of Analog Signals for Electronic Industrial Process Instruments".
19
CHAPTER-2
THEORITICAL APPROACH
2.1. ROBOTICS TECHNOLOGY:-
Robotics is the branch of mechanical engineering, electrical engineering and computer
science that deals with the design, construction, operation, and application of robots, as well as
computer systems for their control, sensory feedback, and information processing.
These technologies deal with automated machines robots for short that can take the place of
humans in dangerous environments or manufacturing processes, or resemble humans in
appearance, behaviour, and or cognition. Many of today's robots are inspired by nature
contributing to the field of bio-inspired robotics.
The concept of creating machines that can operate autonomously dates back to classical times,
but research into the functionality and potential uses of robots did not grow substantially until the
20th century. Throughout history, it has been frequently assumed that robots will one day be able
to mimic human behavior and manage tasks in a human-like fashion. Today, robotics is a rapidly
growing field, as technological advances continue; researching, designing, and building new
robots serve various practical purposes, whether domestically , commercially, or militarily.
Many robots are built to do jobs that are hazardous to people such as defusing bombs, finding
survivors in unstable ruins, and exploring mines and shipwrecks. Robotics is also used in STEM,
a school program that teaches children to create and program robots.
2.1.1. ETYMOLOGY:-
The word robotics was derived from the word robot, which was introduced to the public
by Czech writer Karel Čapek in his play R.U.R. (Rossum's Universal Robots), which was
published in 1920. The word robot comes from the Slavic word robota, which means labour. The
play begins in a factory that makes artificial people called robots, creatures who can be mistaken
for humans – very similar to the modern ideas of androids. Karel Čapek himself did not coin the
word. He wrote a short letter in reference to an etymology in the Oxford English Dictionary in
which he named his brother Josef Čapek as its actual originator.
According to the Oxford English Dictionary, the word robotics was first used in print by Isaac
Asimov, in his science fiction short story "Liar!", published in May 1941 in Astounding Science
Fiction. Asimov was unaware that he was coining the term; since the science and technology of
electrical devices is electronics, he assumed robotics already referred to the science and
technology of robots. In some of Asimov's other works, he states that the first use of the
word robotics was in his short story Runaround (Astounding Science Fiction, March
1942). However, the original publication of "Liar!" predates that of "Runaround" by ten months,
so the former is generally cited as the word's origin.
20
2.1.2. ROBOTICS ASPECTS:-
There are many types of robots; they are used in many different environments and for many
different uses, although being very diverse in application and form they all share three basic
similarities when it comes to their construction:
1. Robots all have some kind of mechanical construction, a frame, form or shape designed
to achieve a particular task. For example, a robot designed to travel across heavy dirt or
mud, might use caterpillar tracks. The mechanical aspect is mostly the creator's solution
to completing the assigned task and dealing with the physics of the environment around
it. Form follows function.
2. Robots have electrical components which power and control the machinery. For
example, the robot with caterpillar tracks would need some kind of power to move the
tracker treads. That power comes in the form of electricity, which will have to travel
through a wire and originate from a battery, a basic electrical circuit. Even petrol
powered machines that get their power mainly from petrol still require an electric current
to start the combustion process which is why most petrol powered machines like cars,
have batteries. The electrical aspect of robots is used for movement (through motors),
sensing (where electrical signals are used to measure things like heat, sound, position,
and energy status) and operation (robots need some level of electrical energy supplied to
their motors and sensors in order to activate and perform basic operations)
3. All robots contain some level of computer programming code. A program is how a robot
decides when or how to do something. In the caterpillar track example, a robot that needs
to move across a muddy road may have the correct mechanical construction, and receive
the correct amount of power from its battery, but would not go anywhere without a
program telling it to move. Programs are the core essence of a robot, it could have
excellent mechanical and electrical construction, but if its program is poorly constructed
its performance will be very poor (or it may not perform at all). There are three different
types of robotic programs: remote control, artificial intelligence and hybrid. A robot
with remote control programing has a preexisting set of commands that it will only
perform if and when it receives a signal from a control source, typically a human being
with a remote control. It is perhaps more appropriate to view devices controlled
primarily by human commands as falling in the discipline of automation rather than
robotics. Robots that useartificial intelligence interact with their environment on their
own without a control source, and can determine reactions to objects and problems they
encounter using their preexisting programming. Hybrid is a form of programming that
incorporates both AI and RC functions.
21
2.1.3. Applications
As more and more robots are designed for specific tasks this method of classification becomes
more relevant. For example, many robots are designed for assembly work, which may not be
readily adaptable for other applications. They are termed as 'assembly robots'. For seam welding,
some suppliers provide complete welding systems with the robot i.e. the welding equipment
along with other material handling facilities like turntables etc. as an integrated unit. Such an
integrated robotic system is called a 'welding robot' even though its discrete manipulator unit
could be adapted to a variety of tasks. Some robots are specifically designed for heavy load
manipulation, and are labelled as 'heavy duty robots.'
 Combat, robot – hobby or sport event where two or more robots fight in an arena to disable
each other. This has developed from a hobby in the 1990s to several TV series worldwide.
Another application area for robotics that is receiving increased interest is in the effort to
deactivate and decommission (D&D) unnecessary and/or unusable facilities across the U.S.
Department of Energy (DOE) complex. Many of these facilities pose hazards which prevent the
use of traditional industrial demolition techniques. Such hazards include radiological, chemical,
and hazardous materials contamination and structural instability. Efficient and safe D&D of the
facilities will almost certainly require the use of remotely operated technologies to protect
personnel and the environment during potentially hazardous D&D activities and operations. One
database, developed by DOE, contains information on almost 500 existing robotic technologies
and can be found on the D&D Knowledge Management Information Tool.
2.1.4. Components
1. Power source
At present mostly (lead–acid) batteries are used as a power source. Many different types of
batteries can be used as a power source for robots. They range from lead–acid batteries, which
are safe and have relatively long shelf lives but are rather heavy compared to silver–cadmium
batteries that are much smaller in volume and are currently much more expensive. Designing a
battery-powered robot needs to take into account factors such as safety, cycle lifetime
and weight. Generators, often some type of internal combustion engine, can also be used.
However, such designs are often mechanically complex and need fuel, require heat dissipation
and are relatively heavy. A tether connecting the robot to a power supply would remove the
power supply from the robot entirely. This has the advantage of saving weight and space by
moving all power generation and storage components elsewhere. However, this design does
come with the drawback of constantly having a cable connected to the robot, which can be
difficult to manage.Potential power sources could be:
 pneumatic (compressed gases)
22
 Solar power (using the sun's energy and converting it into electrical power)
 hydraulics (liquids)
 flywheel energy storage
 organic garbage (through anaerobic digestion)
 nuclear
2. Electric motors
The vast majority of robots use electric motors, often brushed and brushless DC motors in
portable robots or AC motors in industrial robots and CNC machines. These motors are often
preferred in systems with lighter loads, and where the predominant form of motion is rotational.
Pneumatic artificial muscles, also known as air muscles, are special tubes that expand(typically
up to 40%) when air is forced inside them. They are used in some robot applications.
3. Wire
Muscle wire, also known as shape memory alloy, Nitinol® or Flexinol® wire, is a material
which contracts (under 5%) when electricity is applied. They have been used for some small
robot applications.
4. Sensing Element
Sensors allow robots to receive information about a certain measurement of the environment, or
internal components. This is essential for robots to perform their tasks, and act upon any changes
in the environment to calculate the appropriate response. They are used for various forms of
measurements, to give the robots warnings about safety or malfunctions, and to provide real time
information of the task it is performing.
5. Touch
Current robotic and prosthetic hands receive far less tactile information than the human hand.
Recent research has developed a tactile sensor array that mimics the mechanical properties and
touch receptors of human fingertips. The sensor array is constructed as a rigid core surrounded
by conductive fluid contained by an elastomeric skin. Electrodes are mounted on the surface of
the rigid core and are connected to an impedance-measuring device within the core. When the
artificial skin touches an object the fluid path around the electrodes is deformed, producing
impedance changes that map the forces received from the object. The researchers expect that an
important function of such artificial fingertips will be adjusting robotic grip on held objects.
Scientists from several European countries and Israel developed a prosthetic hand in 2009, called
SmartHand, which functions like a real one—allowing patients to write with it, type on
23
a keyboard, play piano and perform other fine movements. The prosthesis has sensors which
enable the patient to sense real feeling in its fingertips.
6. Vision
Computer vision is the science and technology of machines that see. As a scientific discipline,
computer vision is concerned with the theory behind artificial systems that extract information
from images. The image data can take many forms, such as video sequences and views from
cameras.
In most practical computer vision applications, the computers are pre-programmed to solve a
particular task, but methods based on learning are now becoming increasingly common.
Computer vision systems rely on image sensors which detect electromagnetic radiation which is
typically in the form of either visible light or infra-red light. The sensors are designed
using solid-state physics. The process by which light propagates and reflects off surfaces is
explained using optics. Sophisticated image sensors even require quantum mechanics to provide
a complete understanding of the image formation process. Robots can also be equipped with
multiple vision sensors to be better able to compute the sense of depth in the environment. Like
human eyes, robots' "eyes" must also be able to focus on a particular area of interest, and also
adjust to variations in light intensities.
There is a subfield within computer vision where artificial systems are designed to mimic the
processing and behavior of biological system, at different levels of complexity. Also, some of the
learning-based methods developed within computer vision have their background in biology.
2.1.5. Environmental interaction and navigation
Though a significant percentage of robots in commission today are either human controlled, or
operate in a static environment, there is an increasing interest in robots that can operate
autonomously in a dynamic environment. These robots require some combination of navigation
hardware and software in order to traverse their environment. In particular unforeseen events
(e.g. people and other obstacles that are not stationary) can cause problems or collisions. Some
highly advanced robots such as ASIMO, and Meinü robot have particularly good robot
navigation hardware and software. Most of these robots employ a GPS navigation device with
waypoints, along with radar, sometimes combined with other sensory data such as lidar,video
cameras, and inertial guidance systems for better navigation between waypoints.
2.2 MICROCONTRROLLER AS EMBEDDED APPLICATIONS:-
 Features
24
• High-performance, Low-power Atmel®AVR® 8-bit Microcontroller
• Advanced RISC Architecture
• 131 Powerful Instructions – Most Single-clock Cycle Execution
• 32 × 8 General Purpose Working Registers
• Fully Static Operation
• 0p to 16 MIPS Throughput at 16MHz
• On-chip 2-cycle Multiplier
• High Endurance Non-volatile Memory segments
• 32Kbytes of In-System Self-programmable Flash program memory
• 1024Bytes EEPROM
• 2Kbytes Internal SRAM
• Write/Erase Cycles: 10,000 Flash/100,000 EEPROM
• Data retention: 20 years at 85°C/100 years at 25°C
• Optional Boot Code Section with Independent Lock Bits
• In-System Programming by On-chip Boot Program
• True Read-While-Write Operation
• Programming Lock for Software Section
• JTAG (IEEE std. 1149.1 Compliant) Interface
• Boundary-scan Capabilities According to the JTAG Standard
• Extensive On-chip Debug Support
• Programming of Flash, EEPROM, Fuses, and Lock Bits through the JTAG Interface
 Peripheral Features
• Two 8-bit Timer/Counters with Separate Prescalers and Compare Modes
• One 16-bit Timer/Counter with Separate Prescaler, Compare Mode, and Capture Mode
• Real Time Counter with Separate Oscillator
• Four PWM Channels 8-channel, 10-bit ADC
• 8 Single-ended Channels
• 7 Differential Channels in TQFP Package Only
• 2 Differential Channels with Programmable Gain at 1x, 10x, or 200x
• Byte-oriented Two-wire Serial Interface
• Programmable Serial USART
• Master/Slave SPI Serial Interface
• Programmable Watchdog Timer with Separate On-chip Oscillator
• On-chip Analog Comparator
• Special Microcontroller Features
• Power-on Reset and Programmable Brown-out Detection
• Internal Calibrated RC Oscillator
• External and Internal Interrupt Sources
25
• Six Sleep Modes: Idle, ADC Noise Reduction, Power-save, Power-down, Standby
and Extended Standby
• I/O and Packages
• 32 Programmable I/O Lines
• 40-pin PDIP, 44-lead TQFP, and 44-pad QFN/MLF
 Operating Voltages
• 2.7V - 5.5V for ATmega16
• 4.5V - 5.5V for ATmega16
 Speed Grades
• 0 - 8MHz for ATmega32L
• 0 - 16MHz for ATmega32
• Power Consumption at 1MHz, 3V, 25°C
• Active: 1.1mA
• Idle Mode: 0.35mA
• Power-down Mode: < 1Μa
 Disadvantages of microprocessor
• The overall system cost is high
• A large sized PCB is required for assembling all the components
• Overall product design requires more time
• Physical size of the product is big
• A discrete components are used, the system is not reliable.
 Advantages of Microcontroller based System
• As the peripherals are integrated into a single chip, the overall system cost is very less
• The product is of small size compared to microprocessor based system
• The system design now requires very little efforts
• As the peripherals are integrated with a microprocessor the system is more reliable
26
• Though microcontroller may have on chip ROM,RAM and I/O ports, addition ROM,
RAM I/O ports may be interfaced externally if required
• On chip ROM provide a software security
 Three criteria in Choosing a Microcontroller
• meeting the computing needs of the task efficiently and cost effectively
– speed, the amount of ROM and RAM, the number of I/O ports and timers, size,
packaging, power consumption
– easy to upgrade
– cost per unit
– Noise of environment
• availability of software development tools
– assemblers, debuggers, C compilers, emulator, simulator, technical support
• wide availability and reliable sources of the microcontrollers
• meeting the computing needs of the task efficiently and cost effectively
– speed, the amount of ROM and RAM, the number of I/O ports and timers, size,
packaging, power consumption
– easy to upgrade
– cost per unit
– Noise of environment
• availability of software development tools
– assemblers, debuggers, C compilers, emulator, simulator, technical support
• wide availability and reliable sources of the microcontrollers
27
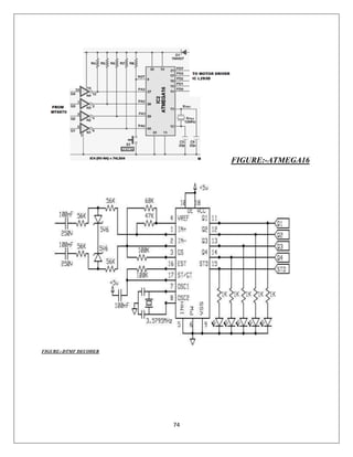
2.3 ATMEGA16 MICROCONTROLLER (HEART OF PROJECT)
High-performance, Low-power AVR® 8-bit Microcontroller
1) Advanced RISC Architecture
131 Powerful Instructions – Most Single Clock Cycle Execution
32 x 8 General Purpose Working Registers
Fully Static Operation
Up to 16 MIPS Throughput at 16 MHz
On-chip 2-cycle Multiplier
2) Nonvolatile Program and Data Memories
16K Bytes of In-System Reprogrammable Flash Endurance: 10,000 Write/Erase Cycles
Optional Boot Code Section with Independent Lock Bits
In-System Programming by On-chip Boot Program
True Read-While-Write Operation
512 Bytes EEPROM
1K Bytes Internal SRAM
Programming Lock for Software Security
3) JTAG (IEEE std. 1149.1 Compliant) Interface
Boundary-scan Capabilities According to the JTAG Standard
Extensive On-chip Debug Support
Programming of Flash, EEPROM, Fuses and Lock Bits through the JTAG Interface
4) Peripheral Features
Two 8-bit Timer/Counters with Separate Prescalers and Compare Modes
28
One 16-bit Timer/Counter with Separate Prescaler, Compare Mode, and Capture Mode
Real Time Counter with Separate Oscillator
Four PWM Channels
8-channel, 10-bit ADC
Byte-oriented Two-wire Serial Interface
Programmable Serial USART
Master/Slave SPI Serial Interface
Programmable Watchdog Timer with Separate On-chip Oscillator
On-chip Analog Comparator
5) Special Microcontroller Features
Power-on Reset and Programmable Brown-out Detection
Internal Calibrated RC Oscillator
External and Internal Interrupt Sources
Six Sleep Modes: Idle, ADC Noise Reduction, Power-save, Power-down, Standby, and
Extended Standby
Software Selectable Clock Frequency
6) Operating Voltages
2.7 - 5.5V for ATmega16L
4.5 - 5.5V for ATmega16
7) Speed Grades
0 - 8 MHz for ATmega16L
0 - 16 MHz for ATmega16
PIN DIAGRAM :-
Pin No. Pin name Description Alternate Function
1
(XCK/T0)
PB0
I/O PORTB, Pin 0
T0: Timer0 External Counter Input.
XCK : USART External Clock I/O
2 (T1) PB1 I/O PORTB, Pin 1 T1:Timer1 External Counter Input
3
(INT2/AIN0)
PB2
I/O PORTB, Pin 2
AIN0: Analog Comparator Positive I/P
INT2: External Interrupt 2 Input
4
(OC0/AIN1)
PB3
I/O PORTB, Pin 3
AIN1: Analog Comparator Negative I/P
OC0 : Timer0 Output Compare Match
Output
5 (SS) PB4 I/O PORTB, Pin 4 In System Programmer (ISP)
29
6 (MOSI) PB5 I/O PORTB, Pin 5 Serial Peripheral Interface (SPI)
7 (MISO) PB6 I/O PORTB, Pin 6
8 (SCK) PB7 I/O PORTB, Pin 7
9 RESET
Reset Pin, Active
Low Reset
10 Vcc Vcc = +5V
11 GND GROUND
12 XTAL2 Output to Inverting Oscillator Amplifier
13 XTAL1 Input to Inverting Oscillator Amplifier
14 (RXD) PD0 I/O PORTD, Pin 0
USART Serial Communication Interface
15 (TXD) PD1 I/O PORTD, Pin 1
16 (INT0) PD2 I/O PORTD, Pin 2 External Interrupt INT0
17 (INT1) PD3 I/O PORTD, Pin 3 External Interrupt INT1
18 (OC1B) PD4 I/O PORTD, Pin 4
PWM Channel Outputs
19 (OC1A) PD5 I/O PORTD, Pin 5
20 (ICP) PD6 I/O PORTD, Pin 6 Timer/Counter1 Input Capture Pin
21 PD7 (OC2) I/O PORTD, Pin 7
Timer/Counter2 Output Compare Match
Output
22 PC0 (SCL) I/O PORTC, Pin 0
TWI Interface
23 PC1 (SDA) I/O PORTC, Pin 1
24 PC2 (TCK) I/O PORTC, Pin 2
JTAG Interface
25 PC3 (TMS) I/O PORTC, Pin 3
26 PC4 (TDO) I/O PORTC, Pin 4
27 PC5 (TDI) I/O PORTC, Pin 5
28
PC6
(TOSC1)
I/O PORTC, Pin 6 Timer Oscillator Pin 1
29
PC7
(TOSC2)
I/O PORTC, Pin 7 Timer Oscillator Pin 2
30 AVcc Voltage Supply = Vcc for ADC
30
31 GND GROUND
32 AREF Analog Reference Pin for ADC
33 PA7 (ADC7) I/O PORTA, Pin 7 ADC Channel 7
34 PA6 (ADC6) I/O PORTA, Pin 6 ADC Channel 6
35 PA5 (ADC5) I/O PORTA, Pin 5 ADC Channel 5
36 PA4 (ADC4) I/O PORTA, Pin 4 ADC Channel 4
37 PA3 (ADC3) I/O PORTA, Pin 3 ADC Channel 3
38 PA2 (ADC2) I/O PORTA, Pin 2 ADC Channel 2
39 PA1 (ADC1) I/O PORTA, Pin 1 ADC Channel 1
40 PA0 (ADC0) I/O PORTA, Pin 0 ADC Channel 0
31
2.4 MOTOR DRIVER (L 293D IC)
2.4.1. DESCRIPTION
The Device is a monolithic integrated high voltage, high current four channel driver designed to
accept standard DTL or TTL logic levels and drive inductive loads (such as relays solenoids, DC
and stepping motors) and switching power transistors.
To simplify use as two bridges each pair of channels is equipped with an enable input. A separate
supply input is provided for the logic, allowing operation at a lower voltage and internal clamp
diodes are included. This device is suitable for use in switching application at frequencies up to 5
kHz. The L293D is assembled in a 16 lead plastic Package which has 4 center pins connected
32
together and used for heat sinking The L293DD is assembled in a 20 lead surface Mount which
has 8 center pins connected together and used for heat sinking.
L293D is a dual H-bridge motor driver integrated circuit (IC). Motor drivers act as current
amplifiers since they take a low-current control signal and provide a higher-current signal. This
higher current signal is used to drive the motors.
L293D contains two inbuilt H-bridge driver circuits. In its common mode of operation, two DC
motors can be driven simultaneously, both in forward and reverse direction. The motor
operations of two motors can be controlled by input logic at pins 2 & 7 and 10 & 15. Input logic
00 or 11 will stop the corresponding motor. Logic 01 and 10 will rotate it in clockwise and
anticlockwise directions, respectively.
Enable pins 1 and 9 (corresponding to the two motors) must be high for motors to start operating.
When an enable input is high, the associated driver gets enabled. As a result, the outputs become
active and work in phase with their inputs. Similarly, when the enable input is low, that driver is
disabled, and their outputs are off and in the high-impedance state.
Pin Diagram:
33
Pin Description :
Pin
No
Function Name
1 Enable pin for Motor 1; active high Enable 1,2
2 Input 1 for Motor 1 Input 1
3 Output 1 for Motor 1 Output 1
4 Ground (0V) Ground
5 Ground (0V) Ground
6 Output 2 for Motor 1 Output 2
7 Input 2 for Motor 1 Input 2
8 Supply voltage for Motors; 9-12V (up to 36V) Vcc 2
9 Enable pin for Motor 2; active high Enable 3,4
10 Input 1 for Motor 1 Input 3
11 Output 1 for Motor 1 Output 3
12 Ground (0V) Ground
13 Ground (0V) Ground
14 Output 2 for Motor 1 Output 4
15 Input2 for Motor 1 Input 4
16 Supply voltage; 5V (up to 36V) Vcc 1
34
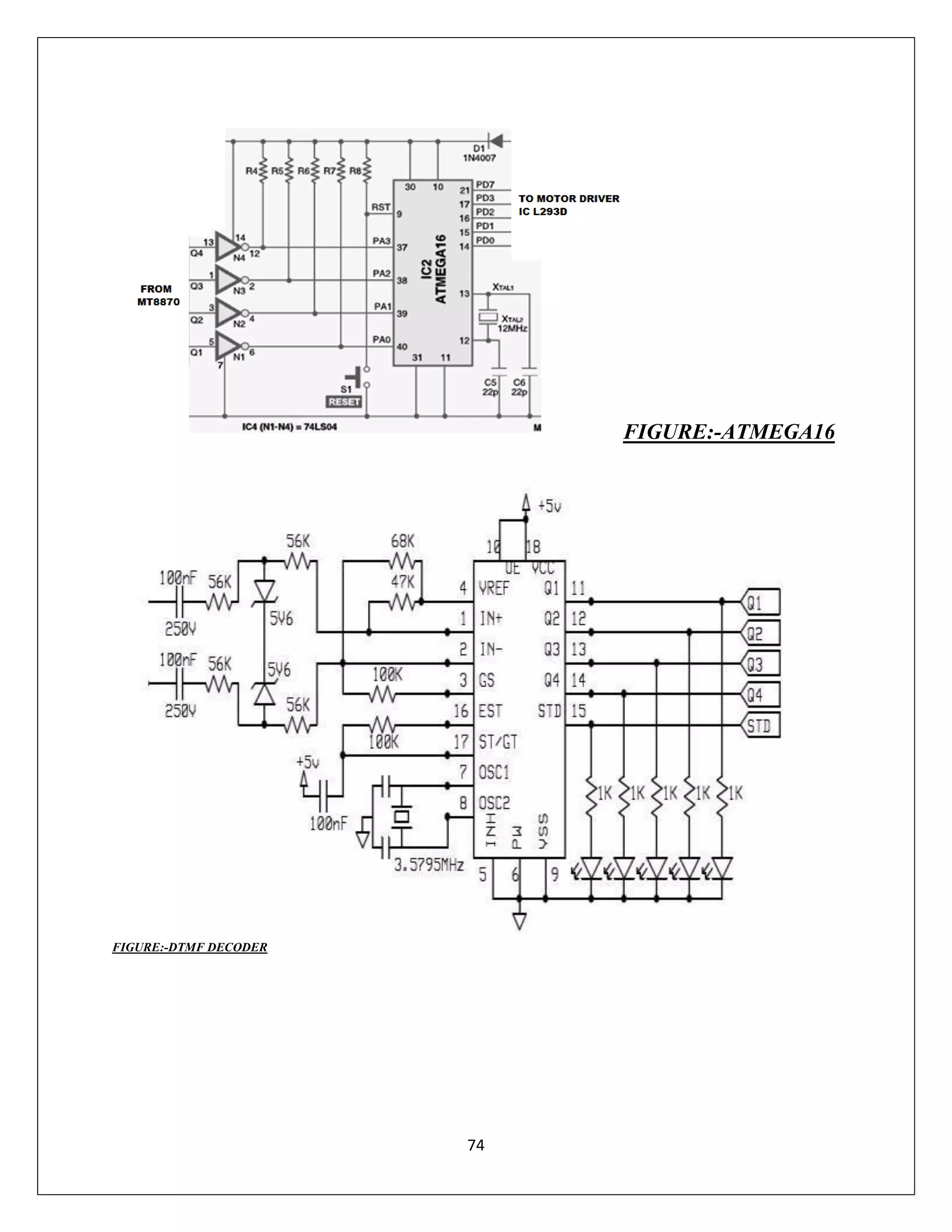
2.5 MT8870-DTMF DECODER:-
The M-8870 is a full DTMF Receiver that integrates both bandsplit filter and decoder functions
into a single18-pin DIP or SOIC package. Manufactured using CMOS process technology, the
M-8870 offers low power consumption (35 mW max) and precise data handling. Its filter section
uses switched capacitor technology for both the high and low group filters and for dial tone
rejection. Its decoder uses digital counting techniques to detect and decode all 16 DTMF tone
pairs into a 4-bit code. External component count is minimized by provision of an on-chip
differential input amplifier, clock generator, and latched tri-state interface bus. Minimal external
components required include a low-cost 3.579545 MHz color burst crystal, a timing resistor, and
a timing capacitor. The M-8870-02 provides a “power-down” option which, when enabled, drops
consumption to less than 0.5 mW. The M-8870-02 can also inhibit the decoding of fourth
column digits
35
Functional Description
M-8870 operating functions include a band split filter that separates the high and low tones of the
received pair, and a digital decoder that verifies both the frequency and duration of the received
tones before passing the resulting 4-bit code to the output bus.
Filter
The low and high group tones are separated by applying the dual-tone signal to the inputs of two
6th order switched capacitor bandpass filters with bandwidths
That corresponds to the bands enclosing the low and high group tones. The filter also
incorporates notches at 350 and 440 Hz, providing excellent dial tone rejection. Each filter
output is followed by a single-order switched capacitor section that smooths the signals prior to
limiting. Signal limiting is performed by highgain comparators provided with hysteresis to
prevent detection of unwanted low-level signals and noise.The comparator outputs provide full-
rail logic swings at the frequencies of the incoming tones.
2.6 CAMERA DESCRIPTION :-
Opeating frequency is 439MHz having a garbage value . The antenna is small due to high
operating frequency , allows only analog transmission and works at a range of 10 – 20 feet. The
camera works on dc voltage of value 9 and at the receiver end of value 12 volt.
2.7 DESCRIPTION ABOUT PRINTED CIRCUIT BOARD(PCB):-
2.7.1 HISTORY:-
Development of the methods used in modern printed circuit boards started early in the 20th
century. In 1903, a German inventor, Albert Hanson, described flat foil conductors laminated to
an insulating board, in multiple layers. Thomas Edison experimented with chemical methods of
plating conductors onto linen paper in 1904. Arthur Berry in 1913 patented a print-and-etch
method in Britain, and in the United States Max Schoop obtained a patent[
to flame-spray metal
36
onto a board through a patterned mask. Charles Ducas in 1927 patented a method of
electroplating circuit patterns.
The Austrian engineer Paul Eisler invented the printed circuit as part of a radio set while working
in England around 1936. Around 1943 the USA began to use the technology on a large scale to
make proximity fuses for use in World War II. After the war, in 1948, the USA released the
invention for commercial use. Printed circuits did not become commonplace in consumer
electronics until the mid-1950s, after the Auto-Sembly process was developed by the United
States Army. At around the same time in Britain work along similar lines was carried out
by Geoffrey Dummer, then at the RRDE.
An example of hand drawn etched traces on a PCB
Before printed circuits (and for a while after their invention), point-to-point construction was
used. For prototypes, or small production runs,wire wrap or turret board can be more efficient.
Predating the printed circuit invention, and similar in spirit, was John Sargrove's 1936–1947
Electronic Circuit Making Equipment (ECME) which sprayed metal onto a Bakelite plastic
board. The ECME could produce 3 radios per minute.
During World War II, the development of the anti-aircraft proximity fuse required an electronic
circuit that could withstand being fired from a gun, and could be produced in quantity. The
Centralab Division of Globe Union submitted a proposal which met the requirements: a ceramic
plate would be screenprinted with metallic paint for conductors and carbon material for resistors,
with ceramic disc capacitors and subminiature vacuum tubes soldered in place.[47]
The technique
proved viable, and the resulting patent on the process, which was classified by the U.S. Army, was
assigned to Globe Union. It was not until 1984 that the Institute of Electrical and Electronics
Engineers (IEEE) awarded Mr. Harry W. Rubinstein, the former head of Globe Union's Centralab
Division, its coveted Cledo Brunetti Award for early key contributions to the development of printed
components and conductors on a common insulating substrate.[48]
As well, Mr. Rubinstein was
honored in 1984 by his alma mater, the University of Wisconsin-Madison, for his innovations in the
technology of printed electronic circuits and the fabrication of capacitors.[49]
37
A PCB as a design on a computer (left) and realized as a board assembly populated with components (right).
The board is double sided, with through-hole plating, green solder resist and a white legend. Both surface
mount and through-hole components have been used.
Originally, every electronic component had wire leads, and the PCB had holes drilled for each
wire of each component. The components' leads were then passed through the holes
and soldered to the PCB trace. This method of assembly is called through-hole construction. In
1949, Moe Abramson and Stanislaus F. Danko of the United States Army Signal
Corps developed the Auto-Sembly process in which component leads were inserted into a copper
foil interconnection pattern and dip soldered. The patent they obtained in 1956 was assigned to
the U.S. Army.[50]
With the development of board lamination and etching techniques, this
concept evolved into the standard printed circuit board fabrication process in use today.
Soldering could be done automatically by passing the board over a ripple, or wave, of molten
solder in a wave-soldering machine. However, the wires and holes are wasteful since drilling
holes is expensive and the protruding wires are merely cut off.
From the 1980s small surface mount parts have been used increasingly instead of through-hole
components; this has led to smaller boards for a given functionality and lower production costs,
but with some additional difficulty in servicing faulty boards.
Historically many measurements related to PCB design were specified in multiples of
a thousandth of an inch, often called "mils". For example, DIP and most other through-hole
components have pins located on a grid spacing of 100 mils, in order to be breadboard-friendly.
Surface-mount SOIC components have a pin pitch of 50 mils. SOP components have a pin pitch
of 25 mils. Level B technology recommends a minimum trace width of 8 mils, which allows
"double-track" – two traces between DIP pins.
2.7.2. DESCRIPTION:-
A printed circuit board (PCB) mechanically supports and electrically connects electronic
components using conductive tracks, pads and other features etched from copper
sheets laminated onto a non-conductive substrate. Components — capacitors, resistors or active
devices — are generally soldered on the PCB. Advanced PCBs may contain components
embedded in the substrate.
38
PCBs can be single sided (one copper layer), double sided (two copper layers) or multi-
layer (outer and inner layers). Conductors on different layers are connected with vias. Multi-
layer PCBs allow for much higher component density.
FR-4 glass epoxy is the primary insulating substrate. A basic building block of the PCB an FR-4
panel with a thin layer of copper foil is laminated to one or both sides. In multi-layer boards
multiple layers of material are laminated together.
Printed circuit boards are used in all but the simplest electronic products. Alternatives to PCBs
include wire wrap and point-to-point construction. PCBs require the additional design effort to
lay out the circuit, but manufacturing and assembly can be automated. Manufacturing circuits
with PCBs is cheaper and faster than with other wiring methods as components are mounted and
wired with one single part. Furthermore, operator wiring errors are eliminated.
When the board has no embedded components it is more correctly called a printed wiring
board (PWB) or etched wiring board. However, the term printed wiring board has fallen into
disuse. A PCB populated with electronic components is called a printed circuit
assembly (PCA), printed circuit board assembly or PCB assembly (PCBA). The IPC preferred
term for assembled boards is circuit card assembly (CCA), and for assembled backplanes it
is backplane assemblies. The term PCB is used informally both for bare and assembled boards.
The world market for bare PCBs exceeded $60.2 billion in 2014.
Design
A board designed in 1967; the sweeping curves in the traces are evidence of freehand design
using adhesive tape
Initially PCBs were designed manually by creating a photomask on a clear mylar sheet, usually
at two or four times the true size. Starting from the schematic diagram the component pin pads
were laid out on the mylar and then traces were routed to connect the pads. Rub-ondry
transfers of common component footprints increased efficiency. Traces were made with self-
adhesive tape. Pre-printed non-reproducing grids on the mylar assisted in layout. To fabricate the
board, the finished photomask was photolithographically reproduced onto a photoresist coating
on the blank copper-clad boards.
39
Modern PCBs are designed with dedicated layout software, generally in the following steps :-
1. Schematic capture through an electronic design automation (EDA) tool.
2. Card dimensions and template are decided based on required circuitry and case of the
PCB.
3. The positions of the components and heat sinks are determined.
4. Layer stack of the PCB is decided, with one to tens of layers depending on
complexity. Ground and power planes are decided. A power plane is the counterpart to a
ground plane and behaves as an AC signal ground while providing DC power to the
circuits mounted on the PCB. Signal interconnections are traced on signal planes. Signal
planes can be on the outer as well as inner layers. For optimal EMI performance high
frequency signals are routed in internal layers between power or ground planes.
5. Line impedance is determined using dielectric layer thickness, routing copper thickness
and trace-width. Trace separation is also taken into account in case of differential
signals. Microstrip, stripline or dual stripline can be used to route signals.
6. Components are placed. Thermal considerations and geometry are taken into
account. Vias and lands are marked.
7. Signal traces are routed. Electronic design automation tools usually create clearances and
connections in power and ground planes automatically.
8. Gerber files are generated for manufacturing.
2.7.3. Manufacturing:-
PCB manufacturing consists of many steps.
1. PCB CAM
Manufacturing starts from the PCB fabrication data generated by CAD: Gerber layer images,
Gerber or Excellon drill files, IPC-D-356 netlist and component information. The Gerber or
Excellon files in the fabrication data are never used directly on the manufacturing equipment but
always read into the CAM (Computer Aided Manufacturing) software. CAM performs the
following functions
40
• Input of the fabrication data
• Verification of the data; optionally DFM
• Compensation for deviations in the manufacturing processes (e.g. scaling to
compensate for distortions during lamination
• Output of the digital tools (copper patterns, solder resist image, legend image, drill
files, automated optical inspection data, electrical test files)
2. Panelization
Panelization is a procedure whereby a number of PCBs are grouped for manufacturing onto a
larger board - the panel. Usually a panel consists of a single design but sometimes multiple
designs are mixed on a single panel. There are two types of panels: assembly panels - often
called arrays - and bare board manufacturing panels. The assemblers often mount components on
panels rather than single PCBs because this is efficient.[10]
The bare board manufactures always
uses panels, not only for efficiency, but because of the requirements the plating process. Thus a
manufacturing panel can consist of a grouping of individual PCBs or of arrays, depending on
what must be delivered.
The panel is eventually broken apart into individual PCBs; this is called depaneling. Separating
the individual PCBs is frequently aided by drilling or routing perforations along the boundaries
of the individual circuits, much like a sheet of postage stamps. Another method, which takes less
space, is to cut V-shaped grooves across the full dimension of the panel. The individual PCBs
can then be broken apart along this line of weakness.[11]
Today depaneling is often done by lasers
which cut the board with no contact. Laser panelization reduces stress on the fragile circuits.
3.Copper Patterning
The first step is to replicate the pattern in the fabricator's CAM system on a protective mask on
the copper foil PCB layers. Subsequent etching removes the unwanted copper. (Alternatively, a
conductive ink can be ink-jetted on a blank (non-conductive) board. This technique is also used
in the manufacture of hybrid circuits.)
• Silk screen printing uses etch-resistant inks to create the protective mask.
• Photoengraving uses a photomask and developer to selectively remove a UV-sensitive
photoresist coating and thus create a photoresist mask. Direct imaging techniques are
sometimes used for high-resolution requirements. Experiments were made with thermal
resist.
41
• PCB milling uses a two or three-axis mechanical milling system to mill away the copper
foil from the substrate. A PCB milling machine (referred to as a 'PCB Prototyper')
operates in a similar way to a plotter, receiving commands from the host software that
control the position of the milling head in the x, y, and (if relevant) z axis.
• Laser resist ablation Spray black paint onto copper clad laminate, place into CNC laser
plotter. The laser raster-scans the PCB and ablates (vaporizes) the paint where no resist is
wanted. (Note: laser copper ablation is rarely used and is considered experimental.
The method chosen depends on the number of boards to be produced and the required resolution.
• Large Volume
– Silk screen printing – Used for PCBs with bigger features
– Photoengraving – Used when finer features are required
–
• Small Volume
– Print onto transparent film and use as photo mask along with photo-sensitized boards
(i.e., pre-sensitized boards), then etch. (Alternatively, use a film photoplotter)
– Laser resist ablation
– PCB milling
–
• Hobbyist
– Laser-printed resist: Laser-print onto toner transfer paper, heat-transfer with an iron
or modified laminator onto bare laminate, soak in water bath, touch up with a marker,
then etch.
– Vinyl film and resist, non-washable marker, some other methods. Labor-intensive,
only suitable for single board.
4.Subtractive, additive and semi-additive processes
The two processing methods used to produce a double-sided PCB with plated through
holes.Subtractive methods remove copper from an entirely copper-coated board to leave
only the desired copper pattern. In additive methods the pattern is electroplated onto a
bare substrate using a complex process. The advantage of the additive method is that less
material is needed and less waste is produced. In the full additive process the bare
laminate is covered with a photosensitive film which is imaged (exposed to light through
a mask and then developed which removes the unexposed film). The exposed areas are
sensitized in a chemical bath, usually containing palladium and similar to that used for
through hole plating which makes the exposed area capable of bonding metal ions. The
laminate is then plated with copper in the sensitized areas. When the mask is stripped, the
PCB is finished.
42
Semi-additive is the most common process: The unpatterned board has a thin layer of copper
already on it. A reverse mask is then applied. (Unlike a subtractive process mask, this mask
exposes those parts of the substrate that will eventually become the traces.) Additional copper is
then plated onto the board in the unmasked areas; copper may be plated to any desired weight.
Tin-lead or other surface platings are then applied. The mask is stripped away and a brief etching
step removes the now-exposed bare original copper laminate from the board, isolating the
individual traces. Some single-sided boards which have plated-through holes are made in this
way. General Electric made consumer radio sets in the late 1960s using additive boards.
The (semi-)additive process is commonly used for multi-layer boards as it facilitates the plating-
through of the holes to produce conductive vias in the circuit board.
PCB copper electroplating line in the process of pattern plating copper
PCBs in process of having copper pattern plated (note the blue dry film resist)
5.Chemical etching
Chemical etching is usually done with ammonium persulfate or ferric chloride. For PTH (plated-
through holes), additional steps of electroless deposition are done after the holes are drilled, then
copper is electroplated to build up the thickness, the boards are screened, and plated with
tin/lead. The tin/lead becomes the resist leaving the bare copper to be etched away.
The simplest method, used for small-scale production and often by hobbyists, is immersion
etching, in which the board is submerged in etching solution such as ferric chloride. Compared
with methods used for mass production, the etching time is long. Heat and agitation can be
applied to the bath to speed the etching rate. In bubble etching, air is passed through the etchant
bath to agitate the solution and speed up etching. Splash etching uses a motor-driven paddle to
splash boards with etchant; the process has become commercially obsolete since it is not as fast
as spray etching. In spray etching, the etchant solution is distributed over the boards by nozzles,
43
and recirculated by pumps. Adjustment of the nozzle pattern, flow rate, temperature, and etchant
composition gives predictable control of etching rates and high production rates.
As more copper is consumed from the boards, the etchant becomes saturated and less effective;
different etchants have different capacities for copper, with some as high as 150 grams of copper
per litre of solution. In commercial use, etchants can be regenerated to restore their activity, and
the dissolved copper recovered and sold. Small-scale etching requires attention to disposal of
used etchant, which is corrosive and toxic due to its metal content.
The etchant removes copper on all surfaces exposed by the resist. "Undercut" occurs when
etchant attacks the thin edge of copper under the resist; this can reduce conductor widths and
cause open-circuits. Careful control of etch time is required to prevent undercut. Where metallic
plating is used as a resist, it can "overhang" which can cause short-circuits between adjacent
traces when closely spaced. Overhang can be removed by wire-brushing the board after etching.
6.Inner layer automated optical inspection (AOI)
The inner layers are given a complete machine inspection before lamination because afterwards
mistakes cannot be corrected. The automatic optical inspection system scans the board and
compares it with the digital image generated from the original design data.
7.Lamination
Cut through a SDRAM-module, a multi-layer PCB. Note the via, visible as a bright copper-
colored band running between the top and bottom layers of the board.
Multi-layer printed circuit boards have trace layers inside the board. This is achieved by
laminating a stack of materials in a press by applying pressure and heat for a period of time. This
results in an inseparable one piece product. For example, a four-layer PCB can be fabricated by
starting from a two-sided copper-clad laminate, etch the circuitry on both sides, then laminate to
the top and bottom pre-preg and copper foil. It is then drilled, plated, and etched again to get
traces on top and bottom layers.
44
8.Drilling
Eyelets (hollow)
Holes through a PCB are typically drilled with small-diameter drill bits made of solid
coated tungsten carbide. Coated tungsten carbide is recommended since many board materials
are very abrasive and drilling must be high RPM and high feed to be cost effective. Drill bits
must also remain sharp so as not to mar or tear the traces. Drilling with high-speed-steel is
simply not feasible since the drill bits will dull quickly and thus tear the copper and ruin the
boards. The drilling is performed by automated drilling machines with placement controlled by
a drill tape or drill file. These computer-generated files are also called numerically controlled
drill (NCD) files or "Excellon files". The drill file describes the location and size of each drilled
hole.
Holes may be made conductive, by electroplating or inserting metal eyelets (hollow), to
electrically and thermally connect board layers. Some conductive holes are intended for the
insertion of through-hole-component leads. Others, typically smaller and used to connect board
layers, are called vias.
When very small vias are required, drilling with mechanical bits is costly because of high rates
of wear and breakage. In this case, the vias may be laser drilled—evaporated by lasers. Laser-
drilled vias typically have an inferior surface finish inside the hole. These holes are called micro
vias.
It is also possible with controlled-depth drilling, laser drilling, or by pre-drilling the individual
sheets of the PCB before lamination, to produce holes that connect only some of the copper
layers, rather than passing through the entire board. These holes are called blind viaswhen they
connect an internal copper layer to an outer layer, or buried vias when they connect two or more
internal copper layers and no outer layers.
The hole walls for boards with two or more layers can be made conductive and then electroplated
with copper to form plated-through holes. These holes electrically connect the conducting layers
of the PCB. For multi-layer boards, those with three layers or more, drilling typically produces
a smear of the high temperature decomposition products of bonding agent in the laminate
system. Before the holes can be plated through, this smear must be removed by a chemical de-
smear process, or by plasma-etch. The de-smear process ensures that a good connection is made
45
to the copper layers when the hole is plated through. On high reliability boards a process called
etch-back is performed chemically with a potassium permanganate based etchant or plasma.The
etch-back removes resin and the glass fibers so that the copper layers extend into the hole and as
the hole is plated become integral with the deposited copper.
9.Plating and coating
PCBs are plated with solder, tin, or gold over nickel as a resist for etching away the unneeded
underlying copper.
After PCBs are etched and then rinsed with water, the solder mask is applied, and then any
exposed copper is coated with solder, nickel/gold, or some other anti-corrosion coating.
Matte solder is usually fused to provide a better bonding surface or stripped to bare copper.
Treatments, such as benzimidazolethiol, prevent surface oxidation of bare copper. The places to
which components will be mounted are typically plated, because untreated bare copper oxidizes
quickly, and therefore is not readily solderable. Traditionally, any exposed copper was coated
with solder by hot air solder levelling (HASL). The HASL finish prevents oxidation from the
underlying copper, thereby guaranteeing a solderable surface. This solder was a tin-lead alloy,
however new solder compounds are now used to achieve compliance with the RoHS directive in
the EU and US, which restricts the use of lead. One of these lead-free compounds is SN100CL,
made up of 99.3% tin, 0.7% copper, 0.05% nickel, and a nominal of 60ppm germanium.
It is important to use solder compatible with both the PCB and the parts used. An example is ball
grid array (BGA) using tin-lead solder balls for connections losing their balls on bare copper
traces or using lead-free solder paste.
Other platings used are OSP (organic surface protectant), immersion silver (IAg), immersion tin,
electroless nickel with immersion gold coating (ENIG), electroless nickel electroless palladium
immersion gold (ENEPIG) and direct gold plating (over nickel). Edge connectors, placed along
one edge of some boards, are often nickel plated then gold plated. Another coating consideration
is rapid diffusion of coating metal into Tin solder. Tin forms intermetallics such as Cu5Sn6 and
Ag3Cu that dissolve into the Tin liquidus or solidus(@50C), stripping surface coating or leaving
voids.
Electrochemical migration (ECM) is the growth of conductive metal filaments on or in a printed
circuit board (PCB) under the influence of a DC voltage bias.[24][25]
Silver, zinc, and aluminum
are known to grow whiskers under the influence of an electric field. Silver also grows conducting
surface paths in the presence of halide and other ions, making it a poor choice for electronics use.
Tin will grow "whiskers" due to tension in the plated surface. Tin-Lead or solder plating also
grows whiskers, only reduced by the percentage Tin replaced. Reflow to melt solder or tin plate
to relieve surface stress lowers whisker incidence. Another coating issue is tin pest, the
transformation of tin to a powdery allotrope at low temperature.
46
10.Solder resist application
Areas that should not be soldered may be covered with solder resist (solder mask). One of the
most common solder resists used today is called "LPI" (liquid photoimageable solder mask).A
photo-sensitive coating is applied to the surface of the PWB, then exposed to light through the
solder mask image film, and finally developed where the unexposed areas are washed away. Dry
film solder mask is similar to the dry film used to image the PWB for plating or etching. After
being laminated to the PWB surface it is imaged and develop as LPI. Once common but no
longer commonly used because of its low accuracy and resolution is to screen print epoxy ink.
Solder resist also provides protection from the environment.
11.Legend printing
A legend is often printed on one or both sides of the PCB. It contains the component designators,
switch settings, test points and other indications helpful in assembling, testing and servicing the
circuit board.
There are three methods to print the legend.
1. Silk screen printing epoxy ink was the established method. It was so common that legend
is often misnamed silk or silkscreen.
2. Liquid photo imaging is a more accurate method than screen printing.
3. Ink jet printing is new but increasingly used. Ink jet can print variable data such as a text
or bar code with a serial number.
12.Bare-board test
Unpopulated boards are usually bare-board tested for "shorts" and "opens". A short is a
connection between two points that should not be connected. An open is a missing connection
between points that should be connected. For high-volume production a fixture or a rigid needle
adapter is used to make contact with copper lands on the board. Building the adapter is a
significant fixed cost and is only economical for high-volume or high-value production. For
small or medium volume production flying probe testers are used where test probes are moved
over the board by an XY drive to make contact with the copper lands.The CAM
system instructs the electrical tester to apply a voltage to each contact point as required and to
check that this voltage appears on the appropriate contact points and only on these.
47
13.Assembly
PCB with test connection pads
In assembly the bare board is populated with electronic components to form a functional printed
circuit assembly (PCA), sometimes called a "printed circuit board assembly"
(PCBA). In through-hole technology component leads are inserted in holes. In surface-mount
technology (SMT) the components are glued on pads or lands on the surfaces of the PCB. In
both component leads are then mechanically fixed and electrically connected to the board
by soldering.
There are a variety of soldering techniques used to attach components to a PCB. High volume
production is usually done with SMT placement machine and bulk wave soldering or reflow
ovens, but skilled technicians are able to solder very tiny parts (for instance 0201 packages
which are 0.02 in. by 0.01 in.) by hand under a microscope, using tweezers and a fine
tip soldering iron for small volume prototypes. Some parts cannot be soldered by hand, such
as BGA packages.
Often, through-hole and surface-mount construction must be combined in a single assembly
because some required components are available only in surface-mount packages, while others
are available only in through-hole packages. Another reason to use both methods is that through-
hole mounting can provide needed strength for components likely to endure physical stress,
while components that are expected to go untouched will take up less space using surface-mount
techniques. For further comparison, see the SMT page.
After the board has been populated it may be tested in a variety of ways:
 While the power is off, visual inspection, automated optical inspection. JEDEC guidelines
for PCB component placement, soldering, and inspection are commonly used to
maintain quality control in this stage of PCB manufacturing.
 While the power is off, analog signature analysis, power-off testing.
 While the power is on, in-circuit test, where physical measurements (for example, voltage)
can be done.
 While the power is on, functional test, just checking if the PCB does what it had been
designed to do.
48
To facilitate these tests, PCBs may be designed with extra pads to make temporary connections.
Sometimes these pads must be isolated with resistors. The in-circuit test may also
exercise boundary scan test features of some components. In-circuit test systems may also be
used to program nonvolatile memory components on the board.
In boundary scan testing, test circuits integrated into various ICs on the board form temporary
connections between the PCB traces to test that the ICs are mounted correctly. Boundary scan
testing requires that all the ICs to be tested use a standard test configuration procedure, the most
common one being the Joint Test Action Group (JTAG) standard. The JTAG test architecture
provides a means to test interconnects between integrated circuits on a board without using
physical test probes. JTAG tool vendors provide various types of stimulus and sophisticated
algorithms, not only to detect the failing nets, but also to isolate the faults to specific nets,
devices, and pins.
When boards fail the test, technicians may desolder and replace failed components, a task known
as rework.
14.Protection and packaging
PCBs intended for extreme environments often have a conformal coating, which is applied by
dipping or spraying after the components have been soldered. The coat prevents corrosion and
leakage currents or shorting due to condensation. The earliest conformal coats were wax; modern
conformal coats are usually dips of dilute solutions of silicone rubber, polyurethane, acrylic, or
epoxy. Another technique for applying a conformal coating is for plastic to be sputtered onto the
PCB in a vacuum chamber. The chief disadvantage of conformal coatings is that servicing of the
board is rendered extremely difficult.
Many assembled PCBs are static sensitive, and therefore must be placed in antistatic bags during
transport. When handling these boards, the user must be grounded (earthed). Improper handling
techniques might transmit an accumulated static charge through the board, damaging or
destroying components. Even bare boards are sometimes static sensitive. Traces have become so
fine that it's quite possible to blow an etch off the board (or change its characteristics) with a
static charge. This is especially true on non-traditional PCBs such as MCMs and microwave
PCBs.
2.7.4. PCB characteristics :-
Much of the electronics industry's PCB design, assembly, and quality control follows standards
published by the IPC organization.
1. Through-hole technology
49
Through-hole (leaded) resistors
The first PCBs used through-hole technology, mounting electronic components by leads inserted
through holes on one side of the board and soldered onto copper traces on the other side. Boards
may be single-sided, with an unplated component side, or more compact double-sided boards,
with components soldered on both sides. Horizontal installation of through-hole parts with two
axial leads (such as resistors, capacitors, and diodes) is done by bending the leads 90 degrees in
the same direction, inserting the part in the board (often bending leads located on the back of the
board in opposite directions to improve the part's mechanical strength), soldering the leads, and
trimming off the ends. Leads may be soldered either manually or by a wave soldering machine.
Through-hole PCB technology almost completely replaced earlier electronics assembly
techniques such as point-to-point construction. From the second generation of computers in the
1950s until surface-mount technology became popular in the late 1980s, every component on a
typical PCB was a through-hole component.
Through-hole manufacture adds to board cost by requiring many holes to be drilled accurately,
and limits the available routing area forsignal traces on layers immediately below the top layer
on multi-layer boards since the holes must pass through all layers to the opposite side. Once
surface-mounting came into use, small-sized SMD components were used where possible, with
through-hole mounting only of components unsuitably large for surface-mounting due to power
requirements or mechanical limitations, or subject to mechanical stress which might damage the
PCB.
50
Through-hole devices mounted on the circuit board of a mid-
1980s home computer
A box of drill bits used for making holes in printed circuit boards.
While tungsten-carbide bits are very hard, they eventually wear out or
break. Drilling is a considerable part of the cost of a through-hole
printed circuit board.
2. Surface-mount technology
Surface mount components, including resistors, transistors and an integrated circuit
Surface-mount technology emerged in the 1960s, gained momentum in the early 1980s and
became widely used by the mid-1990s. Components were mechanically redesigned to have small
metal tabs or end caps that could be soldered directly onto the PCB surface, instead of wire leads
to pass through holes. Components became much smaller and component placement on both
sides of the board became more common than with through-hole mounting, allowing much
smaller PCB assemblies with much higher circuit densities. Surface mounting lends itself well to
a high degree of automation, reducing labor costs and greatly increasing production rates.
Components can be supplied mounted on carrier tapes. Surface mount components can be about
one-quarter to one-tenth of the size and weight of through-hole components, and passive
components much cheaper; prices of semiconductor surface mount devices (SMDs) are
51
determined more by the chip itself than the package, with little price advantage over larger
packages. Some wire-ended components, such as 1N4148 small-signal switch diodes, are
actually significantly cheaper than SMD equivalents.
2.7.5. Circuit properties of the PCB :-
Each trace consists of a flat, narrow part of the copper foil that remains after etching. The
resistance, determined by width and thickness, of the traces must be sufficiently low for the
current the conductor will carry. Power and ground traces may need to be wider than signal
traces. In a multi-layer board one entire layer may be mostly solid copper to act as a ground
plane for shielding and power return. Formicrowave circuits, transmission lines can be laid out in
the form of stripline and microstrip with carefully controlled dimensions to assure a
consistent impedance. In radio-frequency and fast switching circuits
the inductance and capacitance of the printed circuit board conductors become significant circuit
elements, usually undesired; but they can be used as a deliberate part of the circuit design,
obviating the need for additional discrete components.
2.7.6. Materials
Excluding exotic products using special materials or processes all printed circuit boards
manufactured today can be built using the following four materials:
1. Laminates
2. Copper-clad laminates
3. Resin impregnated B-stage cloth (Pre-preg)
4. Copper foil
 Laminates
Laminates are manufactured by curing under pressure and temperature layers of cloth or paper
with thermoset resin to form an integral final piece of uniform thickness. The size can be up to 4
by 8 feet (1.2 by 2.4 m) in width and length. Varying cloth weaves (threads per inch or cm),
cloth thickness, and resin percentage are used to achieve the desired final thickness
and dielectric characteristics. Available standard laminate thickness are listed in
Table 1
Standard laminate thickness per ANSI/IPC-D-275[37][Note 1]
IPC laminate Thickness Thickness IPC laminate Thickness Thickness
52
number in inches in millimeters number in inches in millimeters
L1 0.002 0.05 L9 0.028 0.70
L2 0.004 0.10 L10 0.035 0.90
L3 0.006 0.15 L11 0.043 1.10
L4 0.008 0.20 L12 0.055 1.40
L5 0.010 0.25 L13 0.059 1.50
L6 0.012 0.30 L14 0.075 1.90
L7 0.016 0.40 L15 0.090 2.30
L8 0.020 0.50 L16 0.122 3.10
The cloth or fiber material used, resin material, and the cloth to resin ratio determine the
laminate's type designation (FR-4, CEM-1, G-10, etc.) and therefore the characteristics of the
laminate produced. Important characteristics are the level to which the laminate is fire retardant,
the dielectric constant (er), the loss factor (tδ), the tensile strength, the shear strength, the glass
transition temperature (Tg), and the Z-axis expansion coefficient (how much the thickness
changes with temperature).
There are quite a few different dielectrics that can be chosen to provide different insulating
values depending on the requirements of the circuit. Some of these dielectrics
arepolytetrafluoroethylene (Teflon), FR-4, FR-1, CEM-1 or CEM-3. Well known pre-preg
materials used in the PCB industry are FR-2 (phenolic cotton paper), FR-3 (cotton paper and
epoxy), FR-4 (woven glass and epoxy), FR-5 (woven glass and epoxy), FR-6 (matte glass and
polyester), G-10 (woven glass and epoxy), CEM-1 (cotton paper and epoxy), CEM-2 (cotton
paper and epoxy), CEM-3 (non-woven glass and epoxy), CEM-4 (woven glass and epoxy),
53
CEM-5 (woven glass and polyester). Thermal expansion is an important consideration especially
with ball grid array (BGA) and naked die technologies, and glass fiber offers the best
dimensional stability.
FR-4 is by far the most common material used today. The board with copper on it is called
"copper-clad laminate".
With decreasing size of board features and increasing frequencies, small nonhomogeneities like
uneven distribution of fiberglass or other filler, thickness variations, and bubbles in the resin
matrix, and the associated local variations in the dielectric constant, are gaining importance.
• Key substrate parameters
The circuitboard substrates are usually dielectric composite materials. The composites contain a
matrix (usually an epoxy resin), a reinforcement (usually a woven, sometimes nonwoven, glass
fibers, sometimes even paper), and in some cases a filler is added to the resin (e.g. ceramics;
titanate ceramics can be used to increase the dielectric constant).
The reinforcement type defines two major classes of materials - woven and non-woven. Woven
reinforcements are cheaper, but the high dielectric constant of glass may not be favorable for
many higher-frequency applications. The spatially nonhomogeneous structure also introduces
local variations in electrical parameters, due to different resin/glass ratio at different areas of the
weave pattern. Nonwoven reinforcements, or materials with low or no reinforcement, are more
expensive but more suitable for some RF/analog applications.
The substrates are characterized by several key parameters, chiefly thermomechanical (glass
transition temperature, tensile strength, shear strength, thermal expansion), electrical (dielectric
constant, loss tangent, dielectric breakdown voltage, leakage current, tracking resistance...), and
others (e.g. moisture absorption).
At the glass transition temperature the resin in the composite softens and significantly increases
thermal expansion; exceeding Tg then exerts mechanical overload on the board components - e.g.
the joints and the vias. Below Tg the thermal expansion of the resin roughly matches copper and
glass, above it gets significantly higher. As the reinforcement and copper confine the board along
the plane, virtually all volume expansion projects to the thickness and stresses the plated-through
holes. Repeated soldering or other exposition to higher temperatures can cause failure of the
plating, especially with thicker boards; thick boards therefore require high Tg matrix.
The materials used determine the substrate's dielectric constant. This constant is also dependent
on frequency, usually decreasing with frequency. As this constant determines the signal
propagation speed, frequency dependence introduces phase distortion in wideband applications;
as flat dielectric constant vs frequency characteristics as achievable is important here. The
impedance of transmission lines decreases with frequency, therefore faster edges of signals
reflect more than slower ones.
54
Dielectric breakdown voltage determines the maximum voltage gradient the material can be
subjected to before suffering a breakdown.
Tracking resistance determines how the material resists high voltage electrical discharges
creeping over the board surface.
Loss tangent determines how much of the electromagnetic energy from the signals in the
conductors is absorbed in the board material. This factor is important for high frequencies. Low-
loss materials are more expensive. Choosing unnecessarily low-loss material is a common error
in high-frequency digital design; it increases the cost of the boards without a corresponding
benefit. Signal degradation by loss tangent and dielectric constant can be easily assessed by
an eye pattern.
Moisture absorption occurs when the material is exposed to high humidity or water. Both the
resin and the reinforcement may absorb water; water may be also soaked by capillary forces
through voids in the materials and along the reinforcement. Epoxies of the FR-4 materials aren't
too susceptible, with absorption of only 0.15%. Teflon has very low absorption of 0.01%.
Polyimides and cyanate esters, on the other side, suffer from high water absorption. Absorbed
water can lead to significant degradation of key parameters; it impairs tracking resistance,
breakdown voltage, and dielectric parameters. Relative dielectric constant of water is about 73,
compared to about 4 for common circuitboard materials. Absorbed moisture can also vaporize on
heating and cause cracking and delamination, the same effect responsible for "popcorning"
damage on wet packaging of electronic parts. Careful baking of the substrates may be required.
• Common substrates
Often encountered materials:
– FR-2 (Flame Resistant 2), phenolic paper or phenolic cotton paper, paper impregnated
with a phenol formaldehyde resin. Cheap, common in low-end consumer electronics with
single-sided boards. Electrical properties inferior to FR-4. Poor arc resistance. Generally
rated to 105 °C. Resin composition varies by supplier.
– FR-4 (Flame Resistant 4), a woven fiberglass cloth impregnated with an epoxy resin.
Low water absorption (up to about 0.15%), good insulation properties, good arc
resistance. Well-proven, properties well understood by manufacturers. Very common,
workhorse of the industry. Several grades with somewhat different properties are
available. Typically rated to 130 °C. Thin FR-4, about 0.1 mm, can be used for bendable
circuitboards. Many different grades exist, with varying parameters; versions are with
higher Tg, higher tracking resistance, etc.
– Aluminium, or metal core board, clad with thermally conductive thin dielectric - used
for parts requiring significant cooling - power switches, LEDs. Consists of usually single,
sometimes double layer thin circuitboard based on e.g. FR-4, laminated on an
aluminiumsheetmetal, commonly 0.8, 1, 1.5, 2 or 3mm thick. The thicker laminates
sometimes come also with thicker copper metalization.
55
– Flexible substrates - can be a standalone copper-clad foil or can be laminated to a thin
stiffener, e.g. 50-130 µm
– Kapton, a polyimide foil. Used for flexible printed circuits, in this form common
in small form-factor consumer electronics or for flexible interconnects. Resistant
to high temperatures.
– Pyralux, a polyimide-fluoropolymer composite foil.[40]
Copper layer can
delaminate during soldering.
Less-often encountered materials:
– FR-1 (Flame Resistant 1), like FR-2, typically specified to 105 °C, some grades rated to
130 °C. Room-temperature punchable. Similar to cardboard. Poor moisture resistance.
Low arc resistance.
– FR-3 (Flame Resistant 3), cotton paper impregnated with epoxy. Typically rated to
105 °C.
– FR-5 (Flame Resistant 5), woven fiberglass and epoxy, high strength at higher
temperatures, typically specified to 170 °C.
– FR-6 (Flame Resistant 6), matte glass and polyester
– G-10, woven glass and epoxy - high insulation resistance, low moisture absorption, very
high bond strength. Typically rated to 130 °C.
– G-11, woven glass and epoxy - high resistance to solvents, high flexural strength
retention at high temperatures.[41]
Typically rated to 170 °C.
– CEM-1, cotton paper and epoxy
– CEM-2, cotton paper and epoxy
– CEM-3, non-woven glass and epoxy
– CEM-4, woven glass and epoxy
– CEM-5, woven glass and polyester
– PTFE, pure - expensive, low dielectric loss, for high frequency applications, very low
moisture absorption (0.01%), mechanically soft. Difficult to laminate, rarely used in
multilayer applications.
– PTFE, ceramic filled - expensive, low dielectric loss, for high frequency applications.
Varying ceramics/PTFE ratio allows adjusting dielectric constant and thermal expansion.
– RF-35, fiberglass-reinforced ceramics-filled PTFE. Relatively less expensive, good
mechanical properties, good high-frequency properties.
– Alumina, a ceramic. Hard, brittle, very expensive, very high performance, good thermal
conductivity.
56
– Polyimide, a high-temperature polymer. Expensive, high-performance. Higher water
absorption (0.4%). Can be used from cryogenic temperatures to over 260 °C.
2.7.7. Copper thickness
Copper thickness of PCBs can be specified as units of length (in micrometers or mils) but is
often specified as weight of copper per area (in ounce per square foot) which is easier to
measure. One ounce per square foot is 1.344 mils or 34 micrometers thickness.
The printed circuit board industry defines heavy copper as layers exceeding three ounces of
copper, or approximately 0.0042 inches (4.2 mils, 105 μm) thick. PCB designers and fabricators
often use heavy copper when design and manufacturing circuit boards in order to increase
current-carrying capacity as well as resistance to thermal strains. Heavy copper plated vias
transfer heat to external heat sinks. IPC 2152 is a standard for determining current-carrying
capacity of printed circuit board traces.
On the common FR-4 substrates, 1 oz copper (35 µm) is the usual, most common thickness; 2 oz
(70 µm) and 0.5 oz (18 µm) thickness is often an option. Less common are 12 and 105 µm, 9 µm
is sometimes available on some substrates. Flexible substrates typically have thinner
metalization; 18 and 35 µm seem to be common, with 9 and 70 µm sometimes available.
Aluminium or metal-core boards for high power devices commonly use thicker copper; 35 µm is
usual but also 140 and 400 µm can be encountered.
2.7.8. Safety certification (US)
Safety Standard UL 796 covers component safety requirements for printed wiring boards for use
as components in devices or appliances. Testing analyzes characteristics such as flammability,
maximum operating temperature, electrical tracking, heat deflection, and direct support of live
electrical parts.
2.7.9. Multiwireboards
Multiwire is a patented technique of interconnection which uses machine-routed insulated wires
embedded in a non-conducting matrix (often plastic resin). It was used during the 1980s and
1990s. (Kollmorgen Technologies Corp, U.S. Patent 4,175,816 filed 1978) Multiwire is still
available in 2010 through Hitachi. There are other competitive discrete wiring technologies that
have been developed (Jumatech , layered sheets).
Since it was quite easy to stack interconnections (wires) inside the embedding matrix, the
approach allowed designers to forget completely about the routing of wires (usually a time-
consuming operation of PCB design): Anywhere the designer needs a connection, the machine
57
will draw a wire in straight line from one location/pin to another. This led to very short design
times (no complex algorithms to use even for high density designs) as well as
reduced crosstalk (which is worse when wires run parallel to each other—which almost never
happens in Multiwire), though the cost is too high to compete with cheaper PCB technologies
when large quantities are needed.
Corrections can be made to a Multiwire board more easily than to a PCB.
2.7.10. CROSSWOOD CONSTRUCTION:-
Cordwood construction can save significant space and was often used with wire-ended
components in applications where space was at a premium (such as missile guidance and
telemetry systems) and in high-speed computers, where short traces were important. In cordwood
construction, axial-leaded components were mounted between two parallel planes. The
components were either soldered together with jumper wire, or they were connected to other
components by thin nickel ribbon welded at right angles onto the component leads. To avoid
shorting together different interconnection layers, thin insulating cards were placed between
them. Perforations or holes in the cards allowed component leads to project through to the next
interconnection layer. One disadvantage of this system was that special nickel-leaded
components had to be used to allow the interconnecting welds to be made. Differential thermal
expansion of the component could put pressure on the leads of the components and the PCB
traces and cause physical damage (as was seen in several modules on the Apollo program).
Additionally, components located in the interior are difficult to replace. Some versions of
cordwood construction used soldered single-sided PCBs as the interconnection method (as
pictured), allowing the use of normal-leaded components.
Before the advent of integrated circuits, this method allowed the highest possible component
packing density; because of this, it was used by a number of computer vendors including Control
Data Corporation. The cordwood method of construction was used only rarely once
semiconductor electronics and PCBs became widespread.
2.8. SENSOR SYSTEMS&TECHNOLOGY
In the broadest definition, a sensor is an object whose purpose is to detect events or changes in
its environment, and then provide a corresponding output. A sensor is a type of transducer;
sensors may provide various types of output, but typically use electrical or optical signals. For
example, a thermocouple generates a known voltage (the output) in response to its temperature
(the environment). A mercury-in-glass thermometer, similarly, converts measured temperature
into expansion and contraction of a liquid, which can be read on a calibrated glass tube.
58
Sensors are used in everyday objects such as touch-sensitive elevator buttons (tactile sensor) and
lamps which dim or brighten by touching the base, besides innumerable applications of which
most people are never aware. With advances in micromachinery and easy-to-use micro
controller platforms, the uses of sensors have expanded beyond the most traditional fields of
temperature, pressure or flow measurement, for example into MARG sensors. Moreover, analog
sensors such as potentiometers and force-sensing resistors are still widely used. Applications
include manufacturing and machinery, airplanes and aerospace, cars, medicine, and robotics.it is
also included in our day-to-day life.
A sensor's sensitivity indicates how much the sensor's output changes when the input quantity
being measured changes. For instance, if the mercury in a thermometer moves 1 cm when the
temperature changes by 1 °C, the sensitivity is 1 cm/°C (it is basically the slope Dy/Dx assuming
a linear characteristic). Some sensors can also have an impact on what they measure; for
instance, a room temperature thermometer inserted into a hot cup of liquid cools the liquid while
the liquid heats the thermometer. Sensors need to be designed to have a small effect on what is
measured; making the sensor smaller often improves this and may introduce other
advantages.Technological progress allows more and more sensors to be manufactured on
a microscopic scale as microsensors using MEMS technology. In most cases, a microsensor
reaches a significantly higher speed and sensitivity compared with macroscopic approaches.
Classification of measurement errors
An infrared sensor
A good sensor obeys the following rules:[citation needed]
:
 it is sensitive to the measured property,
 it is insensitive to any other property likely to be encountered in its application, and
 it does not influence the measured property.
The sensitivity is then defined as the ratio between the output signal and measured property. For
example, if a sensor measures temperature and has a voltage output, the sensitivity is a constant
with the unit [V/K]; this sensor is linear because the ratio is constant at all points of
measurement.
For an analog sensor signal to be processed, or used in digital equipment, it needs to be
converted to a digital signal, using an analog-to-digital converter.
59
2.8.1. Sensor deviations
If the sensor is not ideal, several types of deviations can be observed:
 The sensitivity may in practice differ from the value specified. This is called a sensitivity
error.
 Since the range of the output signal is always limited, the output signal will eventually reach
a minimum or maximum when the measured property exceeds the limits. The full
scale range defines the maximum and minimum values of the measured property.[citation needed]
 If the output signal is not zero when the measured property is zero, the sensor has an offset
or bias. This is defined as the output of the sensor at zero input.
 If the sensitivity is not constant over the range of the sensor, this is called nonlinearity.
Usually, this is defined by the amount the output differs from ideal behavior over the full
range of the sensor, often noted as a percentage of the full range.
 If the deviation is caused by a rapid change of the measured property over time, there is
a dynamic error. Often, this behavior is described with a bode plot showing sensitivity error
and phase shift as a function of the frequency of a periodic input signal.
 If the output signal slowly changes independent of the measured property, this is defined
as drift (telecommunication). Long term drift usually indicates a slow degradation of sensor
properties over a long period of time.
 Noise is a random deviation of the signal that varies in time.
 Hysteresis is an error caused by when the measured property reverses direction, but there is
some finite lag in time for the sensor to respond, creating a different offset error in one
direction than in the other.
 If the sensor has a digital output, the output is essentially an approximation of the measured
property. The approximation error is also called digitization error.
 If the signal is monitored digitally, limitation of the sampling frequency also can cause a
dynamic error, or if the variable or added noise changes periodically at a frequency near a
multiple of the sampling rate may induce aliasing errors.
 The sensor may to some extent be sensitive to properties other than the property being
measured. For example, most sensors are influenced by the temperature of their
environment.
All these deviations can be classified as systematic errors or random errors. Systematic errors
can sometimes be compensated for by means of some kind of calibration strategy. Noise is a
random error that can be reduced by signal processing, such as filtering, usually at the expense of
the dynamic behavior of the sensor.
2.8.2. Resolution
The resolution of a sensor is the smallest change it can detect in the quantity that it is measuring.
Often in a digital display, the least significant digit will fluctuate, indicating that changes of that
60
magnitude are only just resolved. The resolution is related to the precision with which the
measurement is made. For example, a scanning tunneling probe (a fine tip near a surface collects
an electron tunneling current) can resolve atoms and molecules.
Types
 Pressure sensor
 Ultrasonic sensor
 Humidity sensor
 Gas sensor
 PIR motion sensor
 Acceleration sensor
 Displacement sensor
 Force measurement sensor
 color sensor
 gyro sensor
 ultrasonic sensor
2.8.3. Sensors in nature
All living organisms contain biological sensors with functions similar to those of the mechanical
devices described. Most of these are specialized cells that are sensitive to:
 Light, motion, temperature, magnetic fields, gravity, humidity, moisture, vibration,
pressure, electrical fields, sound, and other physical aspects of the external environment
 Physical aspects of the internal environment, such as stretch, motion of the organism, and
position of appendages (proprioception)
 Environmental molecules, including toxins, nutrients, and pheromones
 Estimation of biomolecules interaction and some kinetics parameters
 Internal metabolic indicators, such as glucose level, oxygen level, or osmolality
 Internal signal molecules, such as hormones, neurotransmitters, and cytokines
 Differences between proteins of the organism itself and of the environment or alien
creatures.
2.8.4. Chemical sensor:-
A chemical sensor is a self-contained analytical device that can provide information about the
chemical composition of its environment, that is, a liquid or a gas phase.[2]
The information is
provided in the form of a measurable physical signal that is correlated with the concentration of a
certain chemical species (termed as analyte). Two main steps are involved in the functioning of a
61
chemical sensor, namely, recognition and transduction. In the recognition step, analyte molecules
interact selectively with receptor molecules or sites included in the structure of the recognition
element of the sensor. Consequently, a characteristic physical parameter varies and this variation
is reported by means of an integrated transducer that generates the output signal. A chemical
sensor based on recognition material of biological nature is a biosensor. However, as
synthetic biomimeticmaterials are going to substitute to some extent recognition biomaterials, a
sharp distinction between a biosensor and a standard chemical sensor is superfluous. Typical
biomimetic materials used in sensor development are molecularly imprinted
polymers and aptamers.
2.8.6. Biosensor
In biomedicine and biotechnology, sensors which detect analytes thanks to a biological
component, such as cells, protein, nucleic acid or biomimetic polymers, are calledbiosensors.
Whereas a non-biological sensor, even organic (=carbon chemistry), for biological analytes is
referred to as sensor or nanosensor. This terminology applies for both in-vitro and in vivo
applications. The encapsulation of the biological component in biosensors, presents a slightly
different problem that ordinary sensors; this can either be done by means of a semipermeable
barrier, such as a dialysis membrane or a hydrogel, or a 3D polymer matrix, which either
physically constrains the sensing macromolecule or chemically constrains the macromolecule by
bounding it to the scaffold.
2.8.7. PASSIVE INFRARED (PIR)MOTION SENSOR:-
62
FIGURE CIRCUIT DIAGRAM OF PIR MOTION SENSOR;
63
2.9 DUAL TONE MULTIPLE FREQUENCY SYTEMS IN A BRIEF:-
Dual-tone multi-frequency signaling (DTMF) is an in-band telecommunication
signaling system using the voice-frequency band over telephone lines
between telephone equipment and other communications devices and switching centers. DTMF
was first developed in theBell System in the United States, and became known under the
trademark Touch-Tone for use in push-button telephones supplied to telephone customers,
starting in 1963. DTMF is standardized by ITU-T Recommendation Q.23. It is also known in the
UK as MF4.
The Touch-Tone system using a telephone keypad gradually replaced the use of rotary dial and
has become the industry standard forlandline and mobile service. Other multi-frequency systems
are used for internal signaling within the telephone network.
Multi frequency signaling
Prior to the development of DTMF, telephone numbers were dialed by users with a loop-
disconnect (LD) signaling, more commonly known as pulse dialing (dial pulse, DP) in the U.S. It
functions by interrupting the current in the local loop between the telephone exchange and
the calling party's telephone at a precise rate with a switch in the telephone that is operated by
the rotary dial as it spins back to its rest position after having been rotated to each desired
number. The exchange equipment responds to the dial pulses either directly by operating relays,
or by storing the number in a digit register recording the dialed number. The physical distance
for which this type of dialing was possible was restricted by electrical distortions and was only
possible on direct metallic links between end points of a line. Placing calls over longer distances
required either operator assistance or provision of special subscriber trunk dialing equipment.
Operators used an earlier type of multi-frequency signaling.
Multi-frequency signaling is a group of signaling methods that use a mixture of two pure
tone (pure sine wave) sounds. Various MF signaling protocols were devised by the Bell
System and CCITT. The earliest of these were for in-band signaling between switching centers,
where long-distance telephone operators used a 16-digit keypad to input the next portion of the
destination telephone number in order to contact the next downstream long-distance telephone
operator. This semi-automated signaling and switching proved successful in both speed and cost
effectiveness. Based on this prior success with using MF by specialists to establish long-
distance telephone calls, dual-tone multi-frequency signaling was developed for end-user
signaling without the assistance of operators.
The DTMF system uses a set of eight audio frequencies transmitted in pairs to represent 16
signals, represented by the ten digits, the letters A to D, and the symbols # and *. As the signals
are audible tones in the voice frequency range, they can be transmitted through electrical
repeaters and amplifiers, and over radio and microwave links, thus eliminating the need for
intermediate operators on long-distance circuits.
64
AT&T described the product as "a method for pushbutton signaling from customer stations using
the voice transmission path." In order to prevent consumer telephones from interfering with the
MF-based routing and switching between telephone switching centers, DTMF frequencies differ
from all of the pre-existing MF signaling protocols between switching centers: MF/R1, R2,
CCS4, CCS5, and others that were later replaced by SS7 digital signaling. DTMF was known
throughout the Bell System by the trademark Touch-Tone. The term was first used by AT&T in
commerce on July 5, 1960 and was introduced to the public on November 18, 1963, when the
first push-button telephone was made available to the public. It was a registered trademark by
AT&T from September 4, 1962 to March 13, 1984. It is standardized by ITU-
T Recommendation Q.23. In the UK, it is also known as MF4.
Other vendors of compatible telephone equipment called the Touch-Tone feature tone
dialing or DTMF, or used their other trade names such as Digitone by Northern Electric
Company in Canada.
As a method of in-band signaling, DTMF signals were also used by cable
television broadcasters to indicate the start and stop times of local commercial insertion points
during station breaks for the benefit of cable companies. Until out-of-band signaling equipment
was developed in the 1990s, fast, unacknowledged DTMF tone sequences could be heard during
the commercial breaks of cable channels in the United States and elsewhere. Previously,
terrestrial television stations used DTMF tones to control remote transmitters.
#, *, A, B, C, and D
DTMF keypad layout.
The engineers had envisioned telephones being used to access computers, and automated
response systems. They consulted with companies to determine the requirements. This led to the
addition of the number sign (#, ''pound'' or "diamond" in this context, "hash", "square" or "gate"
in the UK, and "octothorpe'' by the original engineers) and asterisk or "star" (*) keys as well as a
group of keys for menu selection: A, B, C and D. In the end, the lettered keys were dropped from
65
most phones, and it was many years before the two symbol keys became widely used for vertical
service codes such as *67 in the United States of America and Canada to suppress caller ID.
Public payphones that accept credit cards use these additional codes to send the information from
the magnetic strip.
The AUTOVON telephone system of the United States Armed Forces used these signals to assert
certain privilege and priority levels when placing telephone calls.[3]
Precedence is still a feature
of military telephone networks, but using number combinations. For example, entering 93 before
a number is a priority call.
Present-day uses of the A, B, C and D signals on telephone networks are few, and are exclusive
to network control. For example, the A key is used on some networks to cycle through different
carriers at will. The A, B, C and D tones are used in radio phone patch and repeater operations to
allow, among other uses, control of the repeater while connected to an active phone line.
The *, #, A, B, C and D keys are still widely used worldwide by amateur radio operators and
commercial two-way radio systems for equipment control, repeater control, remote-base
operations and some telephone communications systems.
DTMF signaling tones can also be heard at the start or end of some VHS (Video Home System)
cassette tapes. Information on the master version of the video tape is encoded in the DTMF tone.
The encoded tone provides information to automatic duplication machines, such as format,
duration and volume levels, in order to replicate the original video as closely as possible.
DTMF tones are used in some caller ID systems to transfer the caller ID information, but in the
United States only Bell 202 modulated FSK signaling is used to transfer the data.
Keypad
1209 Hz on 697 Hz to make the 1 tone
The DTMF telephone keypad is laid out in a 4×4 matrix of push buttons in which each row
represents the low frequency component and each column represents the high frequency
component of the DTMF signal. Pressing a key sends a combination of the row and column
frequencies. For example, the key 1 produces a superimposition of tones of 697 and
66
1209 hertz (Hz). Initial pushbutton designs employed levers, so that each button activated two
contacts. The tones are decoded by the switching center to determine the keys pressed by the
user.
DTMF keypad frequencies (with sound clips)
1209 Hz 1336 Hz 1477 Hz 1633 Hz
697 Hz 1 2 3 A
770 Hz 4 5 6 B
852 Hz 7 8 9 C
941 Hz * 0 # D
Decoding
DTMF was originally decoded by tuned filter banks. By the end of the 20th century, digital
signal processing became the predominant technology for decoding. DTMF decoding algorithms
often use the Goertzel algorithm to detect tones.
Other multiple frequency signals
National telephone systems define other tones that indicate the status of lines, equipment, or the
result of calls. Such call-progress tones are often also composed of multiple frequencies and are
standardized in each country. The Bell System defines them in the Precise Tone Plan. However,
such signaling systems are not considered to belong to the DTMF system.
67
CHAPTER-3
ASSIGNED PROJECT DESCRIPTION
3.1 INTRODUCTION:-
Conventionally, wireless-controlled robots use RF circuits, which have the drawbacks of limited
working range, limited frequency range and limited control. Use of a mobile phone for robotic
control can overcome these limitations. It provides the advantages of robust control, working
range as large as the coverage area of the service provider, no interference with other controllers
and up to twelve controls. Although the appearance and capabilities of robots vary vastly, all
robots share the features of a mechanical, movable structure under some form of control. The
control of robot involves three distinct phases: perception, processing and action. Generally, the
preceptors are sensors mounted on the robot, processing is done by the on-board microcontroller
or processor, and the task (action) is performed using motors or with some other
actuators.Mostlywireless-controlled robots use RF circuits, which have the drawbacks of limited
frequency, limited control&limited frequency range. Since here cell phone is used for control the
operation of robot, can overcome these limitations. The cell phone signal have a wide range over
the surface that’s why robot can be operated from far away without disturbance and interference
with other signals. The control action of robot is includes three parts Perception, processing and
action. Generally, the preceptors are sensors mounted on the robot, processing is done by the on-
board microcontroller or processor, and the action is performed using motors.
Radio control (often abbreviated to R/C or simply RC) is the use of radio signals to remotely
control device. The term is used frequently to refer to the control of model vehicles from a hand-
held radio transmitter. Industrial, military, and scientific research organizations make use of
radio-controlled vehicles as well. A remote control vehicle (RCV) is defined as any mobile
device that is controlled by a means that does not restrict its motion with an origin external to the
device. This is often a radio control device, cable between control and vehicle, or an infrared
controller. A RCV is always controlled by a human and takes no positive action autonomously.
One of the key technologies which underpin this field is that of remote vehicle control. It is vital
that a vehicle should be capable of proceeding accurately to a target area maneuvering within
that area to fulfill its mission and returning equally accurately and safely to base. This project
includes a robotic car consisting of a cell phone, DTMF decoder and microcontroller. The
transmitter is a handheld mobile phone. The technology used is explained in section II, the
circuit design, construction and working are in section III and IV. The applications and future
scope of the project is explained in the further sections.
68
• Aim of the project is to use a mobile phone to control a robotic arm mounted on a land
rover
• Provides robust control, large working range and 16 controls.
• Control of robot involves 4 different phases:
a) Perception
b) Processing
c) Action&
d)Detection
3.2 PROJECT OVERVIEW:-
In this project, the robot is controlled by a mobile phone that makes a call to the mobile phone
attached to the robot. In the course of a call, if any button is pressed,a tone corresponding to the
button pressed is heard at the other end of the call. This tone is called ‘dual-tone multiple
frequency’ (DTMF) tone. The robot perceives this DTMF tone.
PARTS LIST :-
Semiconductors:
IC1 - MT8870 DTMF decoder
IC2 - ATmega16 AVR
Microcontroller
IC3 - L293D motor driver
IC4 - 74LS04 NOT gate
D1 - 1N4007 rectifier diode
Resistors (all ¼-watt, ±5% carbon):
R1, R2 - 100-kilo-ohm
R3 - 330-kilo-ohm
R4-R8 - 10-kilo-ohm
Capacitors:
C1 - 0.47μF ceramic disk
C2, C3, C5, C6 - 22pF ceramic disk
C4 - 0.1μF ceramic disk
Miscellaneous:
XTAL1 - 3.57MHz crystal
XTAL2 - 12MHz crystal
69
S1 - Push-to-on switch
M1, M2 - 6V, 50-rpm geared
DC motor
Batt. - 6V, 4.5Ah battery
with the help of the phone stacked in the robot. The received tone is processed bythe ATmega16
microcontroller with the help of DTMF decoder MT8870. The decoder decodes the DTMF tone
into its equivalent binary digit and this binary number is sent to the microcontroller.The
microcontroller is preprogrammed to take a decision for any given input and outputs its decision
to motor drivers in order to drive the motors for forward or backward motion oraturn.Themobi le
that makes a call to the mobile phone stacked in the robot acts as a remote. So this simple robotic
project does not require the construction of receiver and transmitter units.DTMF signaling is
used for telephone signaling over the line in thevoice-frequency band to
the call switching centre. The version of DTMF used for telephone tone dialing is known as
‘Touch-Tone.’ DTMF assigns a specific frequency (consisting
of two separate tones) to each key so that it can easily be identified by the electronic circuit. The
signal generated by the DTMF encoder is a direct algebraicsummation, in real time, of the
amplitudes of two sine (cosine) waves of different frequencies, i.e.,pressing ‘5’ will send a tone
made by adding 1336 Hz and 770 Hz to the other end of the line. The tones and assignments in a
DTMF system are Shown in TABLE
3.3 TECHNOLOGY USED:-
.
DTMF Decoder (MT8870) DTMF dialing uses a keypad with 12/16 buttons. Each key when
pressed, generates two tons of specific frequencies, so a voice or a random signal cannot imitate
70
the tones..One tone isgenerated from a high frequency group of tones and the other from low
frequency group. The frequencies generated on pressing different phone
The tones produced when dialing on the keypad on the phone could be used to represent the
digits, and a separate tone is used for each digit. However, there is always a chance that a
random sound will be on the same frequency which will trip up the system. It was suggested that
if twotones were used to represent a digit, the likelihood of a false signal occurring is ruled out.
This is the basis of using dual tone in DTMF communication.
3.3.1 Dual-Tone Multi-Frequency (DTMF)
Dual-tone multi-frequency (DTMF) signaling is used for telecommunication signaling over
analog telephone lines in the voice-frequency band between telephone handset and other
communications devices and the switching center. The version of DTMF used for telephone tone
dialing is known by the trademarked term Touch-Tone (canceled March 13, 1984), and is
standardized by ITU-T Recommendation It is also known in the UK as MF4. Other multi-
frequency systems are used for signaling internal to the telephone network . 2.2 Telephone
Keypad The contemporary keypad is laid out in a 3×4grid, although the original DTMF keypad
had an additional column for four now-defunct menu selector keys. When used to dial a
telephone number, pressing a single key will produce a pitch consisting of two simultaneous pure
tone sinusoidal frequencies. The row in which the key appears determines the low frequency, and
the column determines the high frequency .
For example, pressing the '1' key will result in a sound composed of both a 697 and a 1209 hertz
(Hz) tone as shown in Fig. 2.1. The original keypads had levers inside, so each button activated
two contacts. The multiple tones are the reason for calling the system multi frequency. These
tones are then decoded by the switching center to determine which key was pressed .
3.3.2 Tones #, *, A, B, C, and D
The engineers had envisioned phones being used to access computers, and surveyed a number of
companies to see what they would need for this role. This led to the addition of the number sign
(#, sometimes called 'octothorpe' in this context) and asterisk or "star" (*) keys as well as a group
of keys for menu selection: A, B, C and D. In the end, the lettered keys were dropped from most
phones, and it was many years before these keys became widely used for vertical service codes
such as *67 in the United States and Canada to suppress caller ID.
The U.S. military also used the letters, relabeled, in their now defunct Autovon phone system.
Here they were used before dialing the phone in order to give some calls priority, cutting in over
existing calls if need be. The idea was to allow important traffic to get through every time. The
71
levels of priority available were Flash Override (A), Flash (B), Immediate (C), and Priority (D),
with Flash Override being the highest priority .
DTMF Data Output
Low High Digit OE D3 D2 D1 D0
697 1209 1 H L L L H
697 1336 2 H L L H L
697 1477 3 H L L H H
770 1209 4 H L H L L
770 1336 5 H L H L H
770 1477 6 H L H H L
852 1209 7 H L H H H
852 1336 8 H H L L L
852 1477 9 H H L L H
941 1336 0 H H L H L
941 1209 * H H L H H
941 1477 # H H H L L
697 1633 A H H H L H
770 1633 B H H H H L
852 1633 C H H H H H
941 1633 D H L L L L
- - ANY L Z Z Z Z
Actions Performed Corresponding to the Keys Pressed
72
Number Output of HT9170 Input to the Output from Action
pressed DTMF decoder microcontroller microcontroller performed
by user
2 0×02 0×FD 0×89 Forward motion
00000010 11111101 10001001
4 0×04 0XFB 0×85 Left turn
00000100 11111011 10000101 Right motor forwarded
Left motor backwarded
6 0×06 0XF9 0×8A Right turn
00000110 11111001 10001010 Right motor backwarded
Left motor forwarded
8 0×08 0XF7 0×86 Backward motion
00001000 11110111 10000110
5 0×05 0XFA 0×00 Stop
00000101 11111010 00000000
3.4 CIRCUIT DESIGN & DESCRIPTION:-
Fig. 1 shows the block diagram of the microcontroller-based mobile phone operated land rover.
The important components of this rover are a DTMF decoder, microcontroller and motor
driver. An MT8870 series DTMF decoder is used here. All types of the MT8870 series use
digital counting techniques to detect and decode all the 16 DTMF tone pairs into a 4-bit code
output. The built-in dial tone rejection circuit eliminates the need for pre-filtering. When the
input signal given at pin 2 (IN-) in single-ended input configuration is recognised to be effective,
the correct 4-bit decode signal of the DTMF tone is transferred to Q1 (pin 11) through Q4
(pin 14) outputs. Table II shows the DTMF data output table of MT8870. Q1 throughQ4 outputs
of the DTMF decoder (IC1) are connected to port pins PA0 through PA3 of ATmega16
microcontroller (IC2) after inversion by N1 through N4, respectively. The ATmega16 is a low-
power, 8-bit, CMOS microcontroller based on the AVR enhanced RISC architecture. It provides
the following features: 16 Kb of in-system programmable Flash program memory with read-
while-write capabilities, 512 bytes of EEPROM, 1kB SRAM, 32 general-purpose input/output
73
(I/O) lines and 32 general-purpose working registers. All the 32 registers are directly connected
to the arithmetic logic unit, allowing two independent registers to be accessed in one single
instruction executed in one clock cycle. The resulting architecture is more code-efficient
.Outputs from port pins PD0 through PD3 and PD7 of the microcontroller are fed to inputs
IN1through IN4 and enable pins (EN1 and EN2) of motor driver L293D, respectively, to drive
two geared DC motors. Switch S1 is used for manual reset. The microcontroller output is not
sufficient to drive the DC motors, so current drivers are required for motor rotation. The L293D
is a quad, high-current, half-H driver designed to provide bidirectional drive currents of up to
600 mA at voltages from 4.5V to36V. It makes it easier to drive the DC motors. The L293D
consists of four drivers. Pins IN1 through IN4 and OUT1 through OUT4 are input and output
pins, respectively, of driver 1 through driver 4. Drivers 1 and 2, and drivers 3 and 4 are enabled
by enable pin 1 (EN1) and pin 9 (EN2), respectively. When enable input EN1 (pin1) is high,
drivers 1 and 2 are enabled and the outputs corresponding to their inputs are active. Similarly,
enable input EN2 (pin 9) enables drivers 3 and 4. An actual-size, single-side PCB LAY OUT for
cellphone-operated land rover is Used in Our Project.
MOTOR DRIVER;
74
FIGURE:-ATMEGA16
FIGURE:-DTMF DECODER
75
FIGURE:-
MICROCONTROLLER CIRCUIT DIAGRAM:
FIGURE:-CIRCUIT DIAGRAM OF A CELL PHONE OPERATED LAND ROVER;
3.5. SOFTWARE DESCRIPTION:-
The software is written in ‘C’ language and compiled using CodeVision AVR ‘C’ compiler. The
source program is converted into hex code by the compiler. Burn this hex code into ATmega16
76
AVR microcontroller . The source program is well commented and easy to understand. First
include the register name defined specifically for ATmega16 and also declare the variable. Set
port A as the input and port D as the output. The program will run forever by using ‘while’ loop.
Under ‘while’ loop, read port A and test the received input using ‘switch’ statement. The
corresponding data will output at port D after testing of the received data.
Two Software’s are needs to install 1. AVR Studio: -AVR Studio, with its Integrated
Development Environment (IDE), is the ideal software for all AVR development. It has an
editor, an assembler and a debugger and is front-end for all AVR emulators. And needs the GCC
compiler i.e. WIN-AVR tool 2. AVR GCC Compiler: -WinAVR is a suite of executable, open
source software development tools for the Atmel AVR series of RISC microprocessors and
AVR32 series of microprocessors hosted on the Windows platform. It includes the GNU GCC
compiler for C and C++. WinAVR is a collection of executable software development tools for
the Atmel AVR processor hosted on Windows. Procedure:- The program can be written in “C”
language and compiled using Code Vision AVR “C” compiler. The source program is converted
into hex code by the compiler. Burn this hex code into Atmega16 AVR microcontroller. These
software development tools include:-
Programmer software:-
-Circuit Emulator software
Editor / IDE
3.6. CONSTUCTION:-
When constructing any robot, one major mechanical constraint is the numberof motors being
used. You can have either a two wheel drive or a four-wheel drive. Though four-wheel drive is
more complex than two-wheel drive, it provides more torque and good control. Two-wheel drive,
on the other hand, is very easy to construct. Top view of a four-wheel-driven land rover is shown
in Figure . The chassis used in this model is a 10×18cm2 sheet made up of parax. Motors are
77
fixed to the bottom of this sheet and the circuit is affixed firmly on top of the sheet. A cellphone
is also mounted on the sheet as shown in the
picture. In the four-wheel drive system, the two motors on a side are controlled in parallel. So a
single L293D driver IC can drive the rover. For this robot, beads affixed with glue act as support
wheels.
While constructing any robot, one major mechanical constraint is the number of motors being
used. You can have either a two- wheel drive or a four-wheel drive. Though four-wheel drive is
more complex than two-wheel drive, it provides more torque and good control. Two-wheel drive,
on the other hand, is very easy to construct. Motors are fixed to the bottom of this sheet and the
circuit is affixed firmly on top of the sheet. A cell phone is also mounted on the sheet. In the
four-wheel drive system, the two motors on a side are controlled in parallel. So a single L293D
driver IC can drive the Robotic Car. In order to control the robot, you need to make a call to the
cell phone attached to the robot (through head phone) from any phone, which sends DTMF tunes
on pressing the numeric buttons. The cell phone in the robot is kept in ‘auto answer’ mode.
So after a ring, the cell phone accepts the call. Now you may press any button on your mobile to
perform actions. The DTMF tones thus produced are received by the cell phone in the robot.
These tones are fed to the circuit by the headset of the cell phone. The MT8870 decodes the
received tone and sends the equivalent binary number to the microcontroller. According to the
program in the microcontroller, the robot starts moving. When key ‘2’ is pressed on the mobile
phone, the microcontroller outputs for forward motion. When you press key ‘8’ on your mobile
phone, the microcontroller outputs for Reverse motion. When you press key ‘4’ on your mobile
phone, the microcontroller outputs for Left direction motion. When you press key ‘6’ on your
mobile phone, the microcontroller outputs for Right direction motion. Four keys on the keypad
are used for motion control of the robotic car. The rest can be configured to serve various other
purposes depending on the area of application of the vehicle.
3.7. WORKING:-
In order to control the robot, you need to make a call to the cell phone attached to the robot
(through head phone) from any phone, which sends DTMF tunes on pressing the numeric
buttons. The cell phone in the robot is kept in ‘auto answer’ mode. (If the mobile does not have
the auto answering facility, receive the call by ‘OK’ key on the rover-connected mobile and then
made it in hands-free mode.) So after a ring, the cellphone accepts the call. Now you may press
any button on your mobile to perform actions as listed in Table III. The DTMF tones
thus produced are received by the cellphone in the robot. These tones are fed to the circuit by the
headset of the cellphone. The MT8870 decodes the received tone and sends the equivalent binary
number to the microcontroller . According to the program in the microcontroller, the robot starts
moving. When you press key ‘2’ (binary equivalent 00000010) on your mobile phone, the
78
microcontroller outputs ‘10001001’ binary equivalent. Port pins PD0, PD3 and PD7 are high.
The high output at PD7 of the microcontroller drives the motor driver (L293D). Port pins PD0
and PD3 drive motors M1 and M2 in forward direction . Similarly, motors M1and M2 move for
left turn, right turn, backward motion and stop condition.
SOURCE PROGRAM :-
#include <mega16.h>
void main(void)
{
unsigned int k, h;
DDRA=0x00;
DDRD=0XFF;
while (1)
{
k =~PINA;
h=k & 0x0F;
switch (h)
{
case 0x02: //if I/P is 0x02
{
PORTD=0x89;//O/P 0x89 ie Forward
break;
}
case 0x08: //if I/P is 0x08
{
PORTD=0x86; //O/P 0x86 ie Backward
break;
}
case 0x04:
{
PORTD=0x85; // Left turn
break;
}
case 0x06:
{
79
PORTD=0x8A; // Right turn
break;
}
case 0x05:
{
PORTD=0x00; // Stop
break;
}
}
}
}
3.8. FUTURE SCOPE& APPLICATIONS:-
3.8.1 Scientific Use
Remote control vehicles have various scientific uses including hazardous environments. Majority
of the probes to the other planets in our solar system have been remote control vehicles, although
some of the more recent ones were partially autonomous. The sophistication of these devices has
fueled greater debate on the need for manned spaceflight and exploration. The Voyager I
spacecraft is the first craft of any kind to leave the solar system. The Martian explorers Spirit and
Opportunity have provided continuous data about the surface of Mars since January 3 , 2004.
3.8.2 Military and Law Enforcement Use
Military usage of remotely controlled military vehicles dates back the first half of 20th century.
Soviet Red Army used remotely controlled Tele tanks during 1930s in the Winter War and early
80
stage of World War II. There were also remotely controlled cutters and experimental remotely
controlled planes in the Red Army.
Remote control vehicles are used in law enforcement and military engagements for some of the
same reasons. Exposure to hazards is mitigated to the person who operates the vehicle from a
location of relative safety. Remote controlled vehicles are used by many police department
bomb-squads to defuse or detonate explosives.
Unmanned Aerial Vehicles (UAVs) have undergone a dramatic evolution in capability in the
past decade. Early UAV's were capable of reconnaissance missions alone and then only with a
limited range. Current UAV's can hover around possible targets until they are positively
identified before releasing their payload of weaponry. Backpack sized UAV's will provide
ground troops with over the horizon surveillance capabilities.
3.8.3 Search and Rescue
UAVs will likely play an increased role in search and rescue in the United States. Slowly
otherEuropean countries (even some developing nations) are thinking about making use of these
vehicles in case of natural calamities &emergencies. This can be a great asset to save lives of
both people along with soldiers in case of terrorist attacks like the one happened in 26 Nov, 2008
in Mumbai, India. The loss of military personnel can be largely reduced by using these advanced
methods. This was demonstrated by the successful use of UAVs during the 2008 hurricanes that
struck Louisiana and Texas.
3.8.4 Forest Conservation
In the recent times, there has been a serious endangerment to the wildlife population. A lot of
animals are on the verge of becoming extinct, including the tiger. The spy robotic car can aid us
in this purpose. Since it is a live streaming device and also mobile, it can keep the forest guards
constantly updated about the status of different areas which are prone to attack. As a result, it can
help to prevent further destruction of the forest resources by enabling correct prohibitory action
at the appropriate times.
3.8.6 IR Sensors
IR sensors can be used to automatically detect & avoid obstacles if the robot goes beyond line of
sight. This avoids damage to the vehicle if we are maneuvering it from a distant place.
3.8.7 Password Protection
Project can be modified in order to password protect the robot so that it can be operated only if
correct password is entered. Either cell phone should be password protected or necessary
81
modification should be made in the assembly language code. This introduces conditioned access
and increases security to a great extent.
3.8.8 Alarm Phone Dialer
By replacing DTMF Decoder IC CM8870 by a 'DTMF Transceiver IC CM8880, DTMF tones
can be generated from the robot. So, a project called 'Alarm Phone Dialer' can be built which will
generate necessary alarms for something that is desired to be monitored (usually by triggering a
relay). For example, a high water alarm, low temperature alarm, opening of back window, garage
door, etc. When the system is activated it will call a number of programmed numbers to let the
user know the alarm has been activated. This would be great to get alerts of alarm conditions
from home when user is at work.
82
CHAPTER-4
4.1. CONCLUSION :-
By developing a cell phone operated robotic car, we have over come the drawbacks of the
conventionally used RF circuits. This RCV includes advantages such as robust control, minimal
interference and a large working range. The car requires four commands for motion control. The
remaining twelve controls are available to serve purposes dependant on the area of application of
the RCV.
Today it seen that wireless controlled robot have some limitation of short working range, limited
frequency range and limited control. As the operation of robot is control by cellular frequency
which having very large range compare to any other wireless remote control. It provides the
advantages of robust control, working range as large as the coverage area of the service provider,
no interference with other controllers and up to twelve controls. Although the appearance and
capabilities of robots vary vastly, all robots share the features of a mechanical, movable structure
under some form of control. The control of robot involves three distinct phases: reception,
processing and action. Generally, the preceptors are sensors mounted on the robot, processing is
done by the on-board microcontroller or processor, and the task (action) is performed using
motors or with some other actuators. So the motive is that to increase the range of remote
controlled products. For this mobile phone operated control is best because we can globalize our
project & no limitation of range.
83
CHAPTER 5
5.1 REFFERENCE & BIBILIOGAPHY :-
[1] “The 8051 Microcontroller and Embedded Systems” By Muhammad Ali Mazidi and Janice
GillispieMazidi. Pearson Education.
[2] S. Chemishkian, “Building smart services for smart home”, Proceedings of IEEE
4thInternational Workshop on Networked Appliances, 2011 pp: 2 15 -224.s
[3] R. Sharma, K. Kumar, and S. Viq, “DTMF Based Remote Control System,” IEEE
International Conference ICIT 2006, pp. 2380-2383, December 200
[4] Robotics and automation proceedings,1997 IEEE international conference on robotics &
control systems.
[5] Intelligent control 1989 proceedings IEEE international symposium on robotics & control
systems.
[6] Emerging trends in robotics and communication technologies, 2010 International conference
on Robotics & control systems.
[7] http://www.alldatasheet.com
[8] http://www.atmel.com/literature
[9] L. Schenker, "Pushbutton Calling with a Two- Group Voice-Frequency Code", The Bell
System Technical Journal, 39(1), 1960, 235–255, ISSN 0005-8580 .
[10] S. A. Nasar, I. Boldea, Electric Drives (CRC/Taylor and Francis, 2006).
[11] V. Subramanyam, Electric Drives (Mc-Graw Hill, 1996).
[12] Edwin Wise, Robotics Demystified (Mc-Graw Hill, 2005).
[13]www.google.com

FINAL YEAR PROJECT DOCUMENTATION

  • 1.
    1 CHAPTER-1 INTRODUCTION 1.1 AUTOMATED &EMBEDDED SYSTEM AT A GLANCE:- AUTOMATION IS THE KEY WORD OF THE MODERN WORLD SO ITS APPLICATIONS&USES GROWING DAY BY DAYS AS PER SOCIETIES AND DEMANDS . IN A NUTSHELL AUTOMATION IS A TECHNIQUE OF AUTOMATICALLY CONTROL OF A SYSTEM BY SOME PROGAMMING & ALGORITHM;NOW A DAYS WE CAN SEE EVERY WHERE THE APPLICATIONS OF AUTOMATION FROM ANY INDUSTRIES TO ANY PROCESS PLANT AS WELL AS IN HOMEOR SOME WHEE IN FOEIGN COUNTY ALSO IN MEDICAL WOLD THEY HAVE ALREADY ESTABLISHED AUTOMATED NURSHING HOME WITH ROBOT AS THE EMPLOYEE . AUTOMATION THOUGH IT IS A BLESSING OF SCIENCE & EVOLUTION IN THE FIELD OF ENGINEERING BUT AS WELL AS IT REDUCES THE MANPOWER IN THE WOKING FIELD SO DEAM OF MAKING SMART WORLD IS THE CAUSE OF TENSION OF LABOUR OF PRESENT WORLD,THEY ARE ANXIOUS ABOUT THERE SAFETY & SECUIRITY OF THE WELL ESTABLISHMENT IN FUTURE THOUGH RRESEACHING DEVELOPMENT TAKE PLACE IN THE FILED OF AUTOMATION BUT CONTRIBUTION OF MAN IN THE WORLD MAKING FACING OBVIOUSLY A GREAT CHALLENGE TO HUMAN BEINGS. AUTOMATION IS DONE IN EVERY INDUSTRY TO CONTROL OF A PROCESS PLANT SYSTEM TO INCREASE THE PERFORMANCE ON THE PRODUCTION & MANUFACTURING UNIT IN A INDUSTRY BUT DUE TO SMART DEVELOPMENT MANUAL CONTIBUTION FACING A THREAT OF LOSSING THERE JOB AS WELL AS THERE SOURCE OF INCOME. AUTOMATION IS DONE THOUGH SOME ARANGEMENT USING BASIC PROGAMING OF C LANGUAGE,MICOCONTOLLER PROGAMING,USING SOME OTHER ELECTONICS BASED ARRANGEMENT LIKE MAKING BASIC CIRCUIT FORMATION TO MAKE SOME ELECTRONICALLY CONTROLLED DEVICED OPERATED BY ROBOTICS OPERATION WITH SOME PREPROGRAMMED CHIP OF MICROCONTROLLER OF DIFFERENT BANDS,WITH SOME UNIQUE SYSTEMS OF OPERATIONAL METHODS. AUTOMATION & ROBOTICS CONTOLLED MODEL IS DESIGNED BY SOLDIERING THE CIRCUIT COMPONENTS, MAKING ITS STRUCTURE ON A PCB LAYOUT O IN A
  • 2.
    2 VERRO BOAD WITHCAUTION AND THEN IT IS CONTAINED BY PEPROGAMMED CHIP OF DIFFEENTS BAND OF MICROCONTROLLER AND HENCEINTEFACING WITH ANY OTHER ESSENTIAL REQUIED THINGS TO MAKE THE DESIGN HERE WE CAN NOT DENIED THE CONTRIBUTION OF MICROCONTROLLER BASED EMBEDDED SYSTEM ,THERE WE ALL KNOW THAT CHIP BUING ISDONE BY SOME COMPILER THE PROGRAMING DONE BY THE DEVELOPER HERE PLAYS THE ROLE AT THE TIME OF OPERATIONS OF THE AUTOMATION BASED ROBOTICS CONTROLLED PROJECTS SO IT IS VERY IMPORRTANT PART OF IT; THE APPLICATIONS OF AUTOMATION ALSO NOW APPLYING AND ALSO INCREASING DAY BY DAY ,THE APPLICATION IS ALSO IMPORTANT TO BE CONTRIBUTED IN SOCIAL WORK LIKE TO RESCUE INNOCENT PEOPLE GENERALLY VICTIMISED BY FLOOD OR EARTHQUAKE O ALSO REQUIED IN DEFENCE WORK PERPOUS TO DETECT SUSPICIOUS PRESENT OF ANY BODY THROUGH OUT THE BOARDER AND SO ON. IT IS REQUIRED IN INDIA AND DEMAND OF AUTOMATION HERE INCREASING DAY BY DAY,NEW INDIA GOVERNMENT ALSO TAKE SOME INITIATIVES LIKE MAKE IN INDIA,DIGITAL INDIA AND THAT SHOULD NEVER BE TOTALLY COMPLETED WITHOUT APPLICATION OF ELECTRONICS BASED ON INSTRUMENTATION WHICH IS OBVIOUSLY BASED AUTOMATION BASED ROBOTICS CONTROLLED EMBEDDED SYSTEMS.SO ITS DEMANDS INCEREASING DAY BY DAY SO APPLICATIONS OF ITSELF ALONG WITH ESEACH&DEVELOPMENT WORK IS ALSO UNDER DEVELOPMENT WHICH WILL HELP OUR WOLD AS WELL AS OUR COUNTRY TOO. HERE WE ARE DISCUSSING ABOUT SOME CONCEPTS AND APPLICATION FOLLOWED BY A PROJECT WORK THAT IS ONE OF THE CONTIBUTIONS OF AUTOMATION TECHNOLOGY IN SOCIETY WHICH IS BASED ON MICROCONTOLLE BASED EMBEDDED SYS ALONG WITH SOME BASIC ELECTONICS APPLICATION AND CONTROLLED BY ROBOTICS OPERATION. 1.2. HISTORY OF ROBOTICS:- This history of robotics is intertwined with the histories of technology, science and the basic principle of progress. Technology used in computing, electricity, even pneumatics and hydraulics can all be considered a part of the history of robotics. The timeline presented is therefore far from complete. Robotics currently represents one of mankind’s greatest accomplishments and is the single greatest attempt of mankind to produce an artificial, sentient being. It is only in recent years that manufacturers are making robotics increasingly available and attainable to the general public.
  • 3.
    3 The focus ofthis timeline is to provide the reader with a general overview of robotics (with a focus more on mobile robots) and to give an appreciation for the inventors and innovators in this field who have helped robotics to become what it is today. The history of robotics is too long to describe It is initiating from before Christ era and continuing till the day. Here we just describing some of them:- ~77-100BC In 1901, between the islands of Crete and Kythera, a diver found the remnants of what might only be considered a mechanical computer. The device is a complex mix of gears which most likely calculated the position of the sun, moon or other celestial bodies.The device dates back 2000 years and is considered to be of Greek origin and was given the name “The Antikythera Device”. ~270BC An ancient Greek engineer named Ctesibus made organs and water clocks with movable figures. The concept for his clock was fairly simple; a reservoir with a precise hole in the bottom would take 24 hours to empty its contents. The container was marked into 24 divisions. 278 – 212BC Archimedes (287-212BC) did not invent robots, but he did invent many mechanical systems that are used in robotics today, as well as advancing the field of mathematics. 10-70AD The Hero of Alexandria, a Mathematician, Physicist and Engineer (10-70AD) wrote a book titled Automata (Arabic translation, or in Greek “moving itself”) which is a collection of different devices which could have been used in temples. The Hero of Alexandria designed an odometer to be mounted on a cart and measure distances traveled. Among his other inventions are a wind powered organ, animated statues and the Aeolipile. Although conceived simply as a trinket, the Aeolipile can be considered the forefather of modern steam engines. Medieval times
  • 4.
    4 Automatons, human-like figuresrun by hidden mechanisms, were used to impress peasant worshippers in church into believing in a higher power. [These mechanisms] created the illusion of self-motion (moving without assistance). The clock jack was a mechanical figure that could strike time on a bell with its axe. This technology was virtually unheard of in the 13th century. 1495 Leonardo da Vinci designed what may be the first humanoid robot though it cannot be confirmed if the design was actually ever produced. The robot was designed to sit up, wave its arms, and move its head via a flexible neck while opening and closing its jaw. 1645 Blaise Pascal invented a calculating machine to help his father with taxes. The device was called the Pascaline and about 50 Pascalines were built. Only a few can be found in museums such as the one on display in the Des Arts et Metiers Museum in Paris. 1666 A pocket version of the Pascaline was invented by Samuel Morland [9] which worked “without charging the memory, disturbing the mind, or exposing the operations to any uncertainty” 18th Century In the 18th century, miniature automatons became popular as toys for the very rich. They were made to look and move like humans or small animals. 1709 Jacques de Vaucanson’s most famous creation was undoubtedly "The Duck." This mechanical device could flap its wings, eat, and digest grain. Each wing contained over four hundred moving parts and even today it remains something of a mystery. The original Duck has disappeared. 1801 Joseph-Marie Jacquard invented a machine (essentially a loom) that could be
  • 5.
    5 programmed to createdesigns that could be printed onto cloth or tissue. 1865 John Brainerd created the Steam Man apparently used to pull wheeled carts and more. In 1885, Frank Reade Jr. built the “Electric Man” which is moreor- less an electric version of the Steam Man. 1903 The first patents were awarded for the construction of a “printed wire” which came into use after World War 2. The concept was to replace radio tube with something less bulky. 1921 The term "robot" was first used in a play called "R.U.R." or "Rossum's Universal Robots" by the Czech writer Karel Capek. The plot was simple: man creates a robot to replace him and then robot kills man. 1937-1938 Westinghouse creates ELEKTRO a human-like robot that could walk, talk, and smoke. ELEKTRO was first unveiled at the 1939 world’s fair. 1941 Science fiction writer Isaac Asimov first used the word "robotics" to describe the technology of robots and predicted the rise of a powerful robot industry. The term robotics refers to the study and use of robots; it came about in 1941 and was first adopted by Isaac Asimov, a scientist and writer. It was Asimov who also proposed the following “Laws of Robotics” in his short story Runaround in 1942. 1942 Isaac Asimov wrote the "Three Laws of Robotics”. A zeroth law was later added (law zero below). Law One: A robot may not injure a human (or humanity), or, through inaction, allow a human (or humanity) to come to harm. Law Two: A robot must obey orders given it by human beings, except where such orders would conflict with a higher order law.
  • 6.
    6 Law Three: Arobot must protect its own existence as long as such protection does not conflict with a higher order law] Law Zero: A robot may not injure a human being, or, through inaction, allow a human being to come to harm, unless this would violate a higher order law 1942 The first “programmable” mechanism, a paint-sprayer, was designed by Willard Pollard and Harold Roselund for the DeVilbiss Company. (US Patent No. 2,286,571). 1946 George Devol patented a general purpose playback device for controlling machines using magnetic recordings. 1947 On November 14, 1947, Walter Brattain had an accident while trying to study how electrons acted on the surface of a semiconductor. This accident brought about the creation of the first transistor. 1948 W. Grey Walter created his first robots; Elmer and Elsie, also known as the turtle robots. The robots were capable of finding their charging station when their battery power ran low. 1951 Raymond Goertz designed the first tele-operated articulated arm for the Atomic Energy Commission. This is generally regarded as a major milestone in force feedback (haptic) technology. 1954 George Devol designed the first truly programmable robot and called it UNIMATE for "Universal Automation." (US patent 2 998 237) . Later, in 1956
  • 7.
    7 George Devol andJoseph Engelberger formed the world's first robot company “Unimation” which stands for “universal automation”.As a result, Engelberger has been called the 'father of robotics’.Unimation is still in production today, with robots for sale. 1957 History changed on October 4, 1957, when the Soviet Union successfully launched Sputnik I. The world's first autonomous, artificial satellite was 22.8 inches in diameter and weighed only 183.9 pounds. 1960 One of the first operational, industrial robots in North America appeared in the early 1960’s in a candy factory in Kitchener, Ontario. 1964 Artificial intelligence research laboratories are opened at M.I.T., Stanford Research Institute (SRI), Stanford University, and the University of Edinburgh. 1965 Carnegie Mellon establishes the Robotics Institute. 1968 The first computer controlled walking machine was created by Mcgee and Frank at the University of South Carolina. 1968 The first manually controlled walking truck was made by R. Mosher. It could walk up to four miles an hour; 1968 SRI built “Shaky”; a mobile robot equipped with a vision system and controlled by a computer the size of a room.
  • 8.
    8 1969 Victor Scheinman createdthe Stanford Arm, which was the first successful electrically-powered, computer-controlled robot arm. 1969 WAP-1 became the first biped robot and was designed by Ichiro Kato. Air bags connected to the frame were used to stimulate artificial muscles WAP-3 was designed later and could walk on flat surfaces as well as climb up and down stairs or slopes. It could also turn while walking. 1973 V.S. Garfunkel, A. Schneider, E.V. Garfunkel and colleagues at the department of motion control at the Russian Academy of Science create the first six-legged walking vehicle. 1990 iRobot Corporation was founded by Rodney Brooks, Colin Angle and Helen Greiner and produced domestic and military robots. 1993 Dante explored Mt. Erebrus in Antarctica. The 8-legged walking robot was developed at Carnegie-Mellon University. However, the mission failed when its tether broke.Dante II subsequently explored Mt. Spurr in Alaska in 2004. This was a more robust version of Dante I. 1996 RoboTuna was created by David Barrett at MIT. The robot was used to study how fish swim. 1996 Honda created the P2, which was the first major step in creating their ASIMO. The P2 was the first self-regulating, bipedal humanoid robot. 1997
  • 9.
    9 NASA's PathFinder landedon Mars. The wheeled robotic rover sent images and data about Mars back to Earth. 1997 IBM's deep blue supercomputer beat the champion Gary Kasparov at a chess match. This represented the first time a machine beat a grand champion chess player. 1997 Honda created the P3, the second major step in creating their ASIMO. The P3 was Honda’s first completely autonomous humanoid robot. 1998 Dr. Cynthia created Kismet, a robotic creature that interacted emotionally with people. 1998 LEGO released their MINDSTORMS robotic development product line, which is a system for inventing robots using a modular design and LEGO plastic bricks. 1998 Campbell Aird was fitted with the first bionic arm called the Edinburg Modular Arm System (EMAS). 1999 Sony released the first Aibo robotic dog. 1999 Mitsubishi created a robot fish. The intention was to create a robotic version of an extinct species of fish.
  • 10.
    10 1999 Personal Robots releasedthe Cye robot. It performed a variety of household chores, such as delivering mail, carrying dishes, and vacuuming. It was created by Probotics Inc. 2000 Sony unveiled the Sony Dream Robots (SDR) at Robodex. SDR was able to recognize 10 different faces, expresses emotion through speech and body language, and can walk on flat as well as irregular surfaces. Image of QRIO [4] 2001 iRobotPackbots searched through the rubble of the world Trade Center. Subsequent versions of the Packbot robots are used in Afghanistan and India 2001 MD Robotics of Canada built the Space Station Remote Manipulator System (SSRMS). It was successfully launched and worked to assemble the International Space Station. 2002 Honda created the Advanced Step in Innovative Mobility (ASIMO). It is intended to be a personal assistant. It recognizes its owner's face, voice, and name. Can read email and is capable of streaming video from its camera to a PC. 2002 iRobot released the first generation of Roomba robotic vacuum cleaners. 2003 As part of their mission to explore Mars, NASA launched twin robotic rovers on June 10 and July 7, 2003 called Spirit and Sojourner. 2003
  • 11.
    11 RobotShop Distribution Inc.was founded to provide today’s society with domestic and professional robot technology that can help increase the pleasure, knowledge liberty and security of individuals. 2005 The Korean Institute of Science and Technology (KIST), created HUBO, and claims it is the smartest mobile robot in the world. This robot is linked to a computer via a high-speed wireless connection; the computer does all of the thinking for the robot. 2005 Cornell University created self-replicating robots. This timeline ends in 2005. Information between 2005 and the present can be found in the “Revolution of Robotics”. 1.3. HISTORY OF ELECTRONICS:- In this 21st century, every day we are dealing with the electronic circuits and devices in some or the other forms because gadgets, home appliances, computers, transport systems, cell phones, cameras, TV, etc. all have electronic components and devices. Today’s world of electronics has made deep inroads in several areas, such as healthcare, medical diagnosis, automobiles, industries, electronics project etc. and convinced everyone that without electronics, it is really impossible to work. Therefore, looking forward to know the past and about the brief history of electronics is necessary to revive our minds and to get inspired by those individuals who sacrificed their lives by engaging themselves in such amazing discoveries and inventions that costs everything for them, but nothing for us, and, in turn, benefitted us immensely since then.
  • 12.
    12 Electronics’ actual historybegan with the invention of vacuum diode by J.A. Fleming, in 1897; and, after that, a vacuum triode was implemented by Lee De Forest to amplify electrical signals. This led to the introduction of tretode and pentode tubes that dominated the world until the World War II. Subsequently, the transistor era began with the junction transistor invention in 1948. Even though, this particular invention got a Nobel Prize, yet it was later replaced with a bulky vacuum tube that would consume high power for its operation. The use of germanium and silicon semiconductor materials made theses transistor gain the popularity and wide-acceptance usage in different electronic circuits. Integrated circuits (ICs) The subsequent years witnessed the invention of the integrated circuits (ICs) that drastically changed the electronic circuits’ nature as the entire electronic circuit got integrated on a single chip, which resulted in low: cost, size and weight electronic devices. The years 1958 to 1975 marked the introduction of IC with enlarged capabilities of over several thousand components on a single chip such as small-scale integration, medium-large scale and very-large scale integration ICs.
  • 13.
    13 And the trendfurther carried forward with the JFETS and MOSFETs that were developed during 1951 to 1958 by improving the device designing process and by making more reliable and powerful transistors. Digital integrated circuits were yet another robust IC development that changed the overall architecture of computers. These ICs were developed with Transistor-transistor logic (TTL), integrated injection logic (I2L) and emitter coupled logic (ECL) technologies. Later these digital ICs employed PMOS, NMOS, and CMOS fabrication design technologies. All these radical changes in all these components led to the introduction of microprocessor in 1969 by Intel. Soon after, the analog integrated circuits were developed that introduced an operational amplifier for an analog signal processing. These analog circuits include analog multipliers, ADC and DAC converters and analog filters. This is all about the fundamental understanding of the electronics history. This history of electronics technology costs greater investment of time, efforts and talent from the real heroes, some of them are described below. Inventors in history of electronics Luigi Galvani (1737-1798) Luigi Galvani was a professor in the University of Bologna. He studied the effects of electricity on animals, especially on frogs. With the help of experiments, he showed the presence of electricity in frogs in the year 1791. Charles Coulomb (1737-1806) Charles coulomb was a great scientist of the 18th century. He experimented with the mechanical resistance and developed coulomb’s law of electro-static charges in the year 1799. Allesandro Volta (1745-1827)
  • 14.
    14 Allesandro Volta wasan Italian scientist. He invented battery in the year 1799. He was the first to develop a battery (Voltaic cell) that could produce electricity as a result of chemical reaction. Hans Christian Oersted (1777-1852) Hans Christian Oersted showed that whenever a current flows through a conductor, a magnetic field is associated with it. He initiated the study of electromagnetism and discovered Aluminum in the year 1820. George Simon Ohm (1789-1854) George Simon Ohm was a German physicist. He experimented with the electrical circuits and made his own part including the wire. He found that some conductors worked when compared to others. He discovered Ohms law in the year 1827, which is a relation between current, voltage& resistance. The unit for resistance is named after him. Michael Faraday (1791-1867) Michael Faraday was a British scientist and great pioneer experimenter in electricity and magnetism. After the discovery by Oersted, he demonstrated electromagnetic induction in the year 1831. This is the basic principle of the working of generators. James Clerk Maxwell (1831-1879) James Clerk Maxwell was a British physicist, and he wrote treatise on magnetism and electricity in the year 1873. He developed the electromagnetic field equations in the year 1864. The equations in it were explained and predicted by hertz’s work and faradays’ work. James Clerk Maxwell formulated an important theory – that is, electromagnetic theory of light. Henrich Rudolph Hertz (1857-1894) Henrich Rudolph Hertz was a German physicist born in 1857 in Hamburg. He demonstrated the electromagnetic radiation predicted by Maxwell. By using experimental procedures, he proved the theory by engineering instruments to transmit and receive radio pulses. He was the first person to demonstrate the photo-electric effect. The unit of frequency was named Hertz in his honorarium. Andre Marie Ampere (1775-1836) Andre Marie Ampere was a French mathematician and physicist. He studied the effects of electric current and invented solenoid. The SI unit of electric current (the Ampere) was named after him. Karl Friedrich Gauss (1777-1855)
  • 15.
    15 Karl Friedrich Gausswas a physical scientist and a greatest German mathematician. He contributed to many fields like algebra, analysis, statistics, electrostatics and astronomy. The CGS unit of magnetic field density was named after him. Wilhelm Eduard Weber (1804-1891) Wilhelm Eduard Weber was a German physicist. He investigated terrestrial magnetism with his friend Carl fried rich. He devised an electromagnetic telegraph in the year 1833, and also established a system of absolute electrical units, and the MKS unit of flux was named after Weber. Thomas Alva Edison (1847-1932) Thomas Alva Edison was a businessman and an American inventor. He developed many devices like, practical electric bulb, motion picture camera, photograph and other such things. While inventing the electric lamp, he observed the Edison effect. Nikola Tesla (1856-1943) Nikola Tesla invented the Tesla coil; the Tesla induction motor; alternating current (AC); electrical supply system that includes a transformer; 3-phase electricity and motor. In 1891, Tesla coil was invented and used in electronic equipment, television and radio sets. The unit of magnetic field density was named after him. Gustav Robert Kirchhoff (1824-1887) Gustav Robert Kirchhoff was a German physicist. He developed Kirchhoff’s law that allows calculation of the voltages, currents and resistance of electrical networks. James Prescott Joule (1818-1889) James Prescott Joule was a brewer and an English physicist. He discovered the law of conservation of energy. The unit of energy – Joule was named in his honor. To develop the scale of temperature, he worked with Lord Kelvin. Joseph Henry (1799-1878) Joseph Henry was an American scientist, and independently discovered electromagnetic induction in the year 1831 – a year before faraday’s discovery. The unit of induction was named after him. Lee De Forest (1873-1961)
  • 16.
    16 Lee de forestwas an American inventor, and he invented the first triode vacuum tube: Audion tube in 1906. He was honored as the father of radio. Walter schottky (1886-1997) Walter schottky was a German physicist. He defined shot noise-random electron noise in thermionic tubes, and invented the multiple grid vacuum tube. Edwin Howard Armstrong (1890-1954) Edwin Howard Armstrong was an inventor and an American electrical engineer. He invented electronic oscillator and regenerative feedback. In 1917, he invented super-heterodyne radio and patented FM radio in the year 1933. Hope you got somewhat better understanding of this brief history of electronics. Why can’t we learn something from the above philosophers and great inventors for bettering our world and technology? Please share your views on this article in the comment section below. 1.4. INSTRUMENTATION TECHNOLOGY:- Instrumentation is the development or use of measuring instruments for observation, monitoring or control. An instrument is a device that measures a physical quantity, such as flow, temperature, level, distance, angle, or pressure. Instruments may be as simple as direct reading hand-held thermometers or as complex as multi-variable process analyzers. Although instrumentation is often used to measure and control process variables within a laboratory or manufacturing area, it can be found in the household as well. A smoke detector is one example of a common instrument found in many western homes.The ability to make precise, verifiable and reproducible measurements of the natural world, at levels that were not previously observable, using scientific instrumentation, has "provided a different texture of the world". This instrumentation revolution fundamentally changes human abilities to monitor and respond, as is illustrated in the examples of DDT monitoring and the use of UV spectrophotometry and gas chromatography to monitor water pollutants.The control of processes is one of the main branches of applied instrumentation. Instruments are often part of a control system in refineries, factories, and vehicles. Instruments attached to a control system may provide signals used to operate a variety of other devices, and to support either remote or automated control capabilities. These are often referred to as final control elements when controlled remotely or by a control system. As early as 1954, Wildhack discussed both the productive and destructive potential inherent in process control.The Oxford English Dictionary says (as its last definition of Instrumentation), "The design, construction, and provision of instruments for measurement, control, etc; the state of being equipped with or controlled by such instruments collectively." It notes that this use of
  • 17.
    17 the word originatedin the U.S.A. in the early 20th century. More traditional uses of the word were associated with musical or surgical instruments. While the word is traditionally a noun, it is also used as an adjective (as instrumentation engineer, instrumentation amplifier and instrumentation system). Other dictionaries note that the word is most common in describing aeronautical, scientific or industrial instruments. Measurement instruments have three traditional classes of use:  Monitoring of processes and operations  Control of processes and operations  Experimental engineering analysis  While these uses appear distinct, in practice they are less so. All measurements have the potential for decisions and control. A home owner may change a thermostat setting in response to a utility bill computed from meter readings. 1.4.1 HISTORY OF INSTRUMENTATIONS:- Elements of industrial instrumentation have long histories. Scales for comparing weights and simple pointers to indicate position are ancient technologies. Some of the earliest measurements were of time. One of the oldest water clocks was found in the tomb of the Egyptian pharaoh Amenhotep I, buried around 1500 BCE. Improvements were incorporated in the clocks. By 270 BCE they had the rudiments of an automatic control system device. In 1663 Christopher Wren presented the Royal Society with a design for a "weather clock". A drawing shows meteorological sensors moving pens over paper driven by clockwork. Such devices did not become standard in meteorology for two centuries. The concept has remained virtually unchanged as evidenced by pneumatic chart recorders, where a pressurized bellows displaces a pen. Integrating sensors, displays, recorders and controls was uncommon until the industrial revolution, limited by both need and practicality. In the early years of process control, process indicators and control elements such as valves were monitored by an operator that walked around the unit adjusting the valves to obtain the desired temperatures, pressures, and flows. As technology evolved pneumatic controllers were invented and mounted in the field that monitored the process and controlled the valves. This reduced the amount of time process operators were needed to monitor the process. Later years the actual controllers were moved to a central room and signals were sent into the control room to monitor the process and outputs signals were sent to the final control element such as a valve to adjust the process as needed. These controllers and indicators were mounted on a wall called a control board. The operators stood in front of this board walking back and forth monitoring the process indicators. This again reduced the number and amount of time process operators were needed to walk around the units. The most standard pneumatic signal level used during these years was 3- 15 psig.
  • 18.
    18 Electronics enabled wiringto replace pipes. A transmitter is a device that produces an output signal, often in the form of a 4–20 mA electrical current signal, although many other options using voltage, frequency, pressure, or ethernet are possible. The transistor was commercialized by the mid-1950s.Instruments attached to a control system provided signals used to operate solenoids, valves, regulators, circuit breakers, relays and other devices. Such devices could control a desired output variable, and provide either remote or automated control capabilities.Each instrument company introduced their own standard instrumentation signal, causing confusion until the 4-20 mA range was used as the standard electronic instrument signal for transmitters and valves. This signal was eventually standardized as ANSI/ISA S50, “Compatibility of Analog Signals for Electronic Industrial Process Instruments".
  • 19.
    19 CHAPTER-2 THEORITICAL APPROACH 2.1. ROBOTICSTECHNOLOGY:- Robotics is the branch of mechanical engineering, electrical engineering and computer science that deals with the design, construction, operation, and application of robots, as well as computer systems for their control, sensory feedback, and information processing. These technologies deal with automated machines robots for short that can take the place of humans in dangerous environments or manufacturing processes, or resemble humans in appearance, behaviour, and or cognition. Many of today's robots are inspired by nature contributing to the field of bio-inspired robotics. The concept of creating machines that can operate autonomously dates back to classical times, but research into the functionality and potential uses of robots did not grow substantially until the 20th century. Throughout history, it has been frequently assumed that robots will one day be able to mimic human behavior and manage tasks in a human-like fashion. Today, robotics is a rapidly growing field, as technological advances continue; researching, designing, and building new robots serve various practical purposes, whether domestically , commercially, or militarily. Many robots are built to do jobs that are hazardous to people such as defusing bombs, finding survivors in unstable ruins, and exploring mines and shipwrecks. Robotics is also used in STEM, a school program that teaches children to create and program robots. 2.1.1. ETYMOLOGY:- The word robotics was derived from the word robot, which was introduced to the public by Czech writer Karel Čapek in his play R.U.R. (Rossum's Universal Robots), which was published in 1920. The word robot comes from the Slavic word robota, which means labour. The play begins in a factory that makes artificial people called robots, creatures who can be mistaken for humans – very similar to the modern ideas of androids. Karel Čapek himself did not coin the word. He wrote a short letter in reference to an etymology in the Oxford English Dictionary in which he named his brother Josef Čapek as its actual originator. According to the Oxford English Dictionary, the word robotics was first used in print by Isaac Asimov, in his science fiction short story "Liar!", published in May 1941 in Astounding Science Fiction. Asimov was unaware that he was coining the term; since the science and technology of electrical devices is electronics, he assumed robotics already referred to the science and technology of robots. In some of Asimov's other works, he states that the first use of the word robotics was in his short story Runaround (Astounding Science Fiction, March 1942). However, the original publication of "Liar!" predates that of "Runaround" by ten months, so the former is generally cited as the word's origin.
  • 20.
    20 2.1.2. ROBOTICS ASPECTS:- Thereare many types of robots; they are used in many different environments and for many different uses, although being very diverse in application and form they all share three basic similarities when it comes to their construction: 1. Robots all have some kind of mechanical construction, a frame, form or shape designed to achieve a particular task. For example, a robot designed to travel across heavy dirt or mud, might use caterpillar tracks. The mechanical aspect is mostly the creator's solution to completing the assigned task and dealing with the physics of the environment around it. Form follows function. 2. Robots have electrical components which power and control the machinery. For example, the robot with caterpillar tracks would need some kind of power to move the tracker treads. That power comes in the form of electricity, which will have to travel through a wire and originate from a battery, a basic electrical circuit. Even petrol powered machines that get their power mainly from petrol still require an electric current to start the combustion process which is why most petrol powered machines like cars, have batteries. The electrical aspect of robots is used for movement (through motors), sensing (where electrical signals are used to measure things like heat, sound, position, and energy status) and operation (robots need some level of electrical energy supplied to their motors and sensors in order to activate and perform basic operations) 3. All robots contain some level of computer programming code. A program is how a robot decides when or how to do something. In the caterpillar track example, a robot that needs to move across a muddy road may have the correct mechanical construction, and receive the correct amount of power from its battery, but would not go anywhere without a program telling it to move. Programs are the core essence of a robot, it could have excellent mechanical and electrical construction, but if its program is poorly constructed its performance will be very poor (or it may not perform at all). There are three different types of robotic programs: remote control, artificial intelligence and hybrid. A robot with remote control programing has a preexisting set of commands that it will only perform if and when it receives a signal from a control source, typically a human being with a remote control. It is perhaps more appropriate to view devices controlled primarily by human commands as falling in the discipline of automation rather than robotics. Robots that useartificial intelligence interact with their environment on their own without a control source, and can determine reactions to objects and problems they encounter using their preexisting programming. Hybrid is a form of programming that incorporates both AI and RC functions.
  • 21.
    21 2.1.3. Applications As moreand more robots are designed for specific tasks this method of classification becomes more relevant. For example, many robots are designed for assembly work, which may not be readily adaptable for other applications. They are termed as 'assembly robots'. For seam welding, some suppliers provide complete welding systems with the robot i.e. the welding equipment along with other material handling facilities like turntables etc. as an integrated unit. Such an integrated robotic system is called a 'welding robot' even though its discrete manipulator unit could be adapted to a variety of tasks. Some robots are specifically designed for heavy load manipulation, and are labelled as 'heavy duty robots.'  Combat, robot – hobby or sport event where two or more robots fight in an arena to disable each other. This has developed from a hobby in the 1990s to several TV series worldwide. Another application area for robotics that is receiving increased interest is in the effort to deactivate and decommission (D&D) unnecessary and/or unusable facilities across the U.S. Department of Energy (DOE) complex. Many of these facilities pose hazards which prevent the use of traditional industrial demolition techniques. Such hazards include radiological, chemical, and hazardous materials contamination and structural instability. Efficient and safe D&D of the facilities will almost certainly require the use of remotely operated technologies to protect personnel and the environment during potentially hazardous D&D activities and operations. One database, developed by DOE, contains information on almost 500 existing robotic technologies and can be found on the D&D Knowledge Management Information Tool. 2.1.4. Components 1. Power source At present mostly (lead–acid) batteries are used as a power source. Many different types of batteries can be used as a power source for robots. They range from lead–acid batteries, which are safe and have relatively long shelf lives but are rather heavy compared to silver–cadmium batteries that are much smaller in volume and are currently much more expensive. Designing a battery-powered robot needs to take into account factors such as safety, cycle lifetime and weight. Generators, often some type of internal combustion engine, can also be used. However, such designs are often mechanically complex and need fuel, require heat dissipation and are relatively heavy. A tether connecting the robot to a power supply would remove the power supply from the robot entirely. This has the advantage of saving weight and space by moving all power generation and storage components elsewhere. However, this design does come with the drawback of constantly having a cable connected to the robot, which can be difficult to manage.Potential power sources could be:  pneumatic (compressed gases)
  • 22.
    22  Solar power(using the sun's energy and converting it into electrical power)  hydraulics (liquids)  flywheel energy storage  organic garbage (through anaerobic digestion)  nuclear 2. Electric motors The vast majority of robots use electric motors, often brushed and brushless DC motors in portable robots or AC motors in industrial robots and CNC machines. These motors are often preferred in systems with lighter loads, and where the predominant form of motion is rotational. Pneumatic artificial muscles, also known as air muscles, are special tubes that expand(typically up to 40%) when air is forced inside them. They are used in some robot applications. 3. Wire Muscle wire, also known as shape memory alloy, Nitinol® or Flexinol® wire, is a material which contracts (under 5%) when electricity is applied. They have been used for some small robot applications. 4. Sensing Element Sensors allow robots to receive information about a certain measurement of the environment, or internal components. This is essential for robots to perform their tasks, and act upon any changes in the environment to calculate the appropriate response. They are used for various forms of measurements, to give the robots warnings about safety or malfunctions, and to provide real time information of the task it is performing. 5. Touch Current robotic and prosthetic hands receive far less tactile information than the human hand. Recent research has developed a tactile sensor array that mimics the mechanical properties and touch receptors of human fingertips. The sensor array is constructed as a rigid core surrounded by conductive fluid contained by an elastomeric skin. Electrodes are mounted on the surface of the rigid core and are connected to an impedance-measuring device within the core. When the artificial skin touches an object the fluid path around the electrodes is deformed, producing impedance changes that map the forces received from the object. The researchers expect that an important function of such artificial fingertips will be adjusting robotic grip on held objects. Scientists from several European countries and Israel developed a prosthetic hand in 2009, called SmartHand, which functions like a real one—allowing patients to write with it, type on
  • 23.
    23 a keyboard, playpiano and perform other fine movements. The prosthesis has sensors which enable the patient to sense real feeling in its fingertips. 6. Vision Computer vision is the science and technology of machines that see. As a scientific discipline, computer vision is concerned with the theory behind artificial systems that extract information from images. The image data can take many forms, such as video sequences and views from cameras. In most practical computer vision applications, the computers are pre-programmed to solve a particular task, but methods based on learning are now becoming increasingly common. Computer vision systems rely on image sensors which detect electromagnetic radiation which is typically in the form of either visible light or infra-red light. The sensors are designed using solid-state physics. The process by which light propagates and reflects off surfaces is explained using optics. Sophisticated image sensors even require quantum mechanics to provide a complete understanding of the image formation process. Robots can also be equipped with multiple vision sensors to be better able to compute the sense of depth in the environment. Like human eyes, robots' "eyes" must also be able to focus on a particular area of interest, and also adjust to variations in light intensities. There is a subfield within computer vision where artificial systems are designed to mimic the processing and behavior of biological system, at different levels of complexity. Also, some of the learning-based methods developed within computer vision have their background in biology. 2.1.5. Environmental interaction and navigation Though a significant percentage of robots in commission today are either human controlled, or operate in a static environment, there is an increasing interest in robots that can operate autonomously in a dynamic environment. These robots require some combination of navigation hardware and software in order to traverse their environment. In particular unforeseen events (e.g. people and other obstacles that are not stationary) can cause problems or collisions. Some highly advanced robots such as ASIMO, and Meinü robot have particularly good robot navigation hardware and software. Most of these robots employ a GPS navigation device with waypoints, along with radar, sometimes combined with other sensory data such as lidar,video cameras, and inertial guidance systems for better navigation between waypoints. 2.2 MICROCONTRROLLER AS EMBEDDED APPLICATIONS:-  Features
  • 24.
    24 • High-performance, Low-powerAtmel®AVR® 8-bit Microcontroller • Advanced RISC Architecture • 131 Powerful Instructions – Most Single-clock Cycle Execution • 32 × 8 General Purpose Working Registers • Fully Static Operation • 0p to 16 MIPS Throughput at 16MHz • On-chip 2-cycle Multiplier • High Endurance Non-volatile Memory segments • 32Kbytes of In-System Self-programmable Flash program memory • 1024Bytes EEPROM • 2Kbytes Internal SRAM • Write/Erase Cycles: 10,000 Flash/100,000 EEPROM • Data retention: 20 years at 85°C/100 years at 25°C • Optional Boot Code Section with Independent Lock Bits • In-System Programming by On-chip Boot Program • True Read-While-Write Operation • Programming Lock for Software Section • JTAG (IEEE std. 1149.1 Compliant) Interface • Boundary-scan Capabilities According to the JTAG Standard • Extensive On-chip Debug Support • Programming of Flash, EEPROM, Fuses, and Lock Bits through the JTAG Interface  Peripheral Features • Two 8-bit Timer/Counters with Separate Prescalers and Compare Modes • One 16-bit Timer/Counter with Separate Prescaler, Compare Mode, and Capture Mode • Real Time Counter with Separate Oscillator • Four PWM Channels 8-channel, 10-bit ADC • 8 Single-ended Channels • 7 Differential Channels in TQFP Package Only • 2 Differential Channels with Programmable Gain at 1x, 10x, or 200x • Byte-oriented Two-wire Serial Interface • Programmable Serial USART • Master/Slave SPI Serial Interface • Programmable Watchdog Timer with Separate On-chip Oscillator • On-chip Analog Comparator • Special Microcontroller Features • Power-on Reset and Programmable Brown-out Detection • Internal Calibrated RC Oscillator • External and Internal Interrupt Sources
  • 25.
    25 • Six SleepModes: Idle, ADC Noise Reduction, Power-save, Power-down, Standby and Extended Standby • I/O and Packages • 32 Programmable I/O Lines • 40-pin PDIP, 44-lead TQFP, and 44-pad QFN/MLF  Operating Voltages • 2.7V - 5.5V for ATmega16 • 4.5V - 5.5V for ATmega16  Speed Grades • 0 - 8MHz for ATmega32L • 0 - 16MHz for ATmega32 • Power Consumption at 1MHz, 3V, 25°C • Active: 1.1mA • Idle Mode: 0.35mA • Power-down Mode: < 1Μa  Disadvantages of microprocessor • The overall system cost is high • A large sized PCB is required for assembling all the components • Overall product design requires more time • Physical size of the product is big • A discrete components are used, the system is not reliable.  Advantages of Microcontroller based System • As the peripherals are integrated into a single chip, the overall system cost is very less • The product is of small size compared to microprocessor based system • The system design now requires very little efforts • As the peripherals are integrated with a microprocessor the system is more reliable
  • 26.
    26 • Though microcontrollermay have on chip ROM,RAM and I/O ports, addition ROM, RAM I/O ports may be interfaced externally if required • On chip ROM provide a software security  Three criteria in Choosing a Microcontroller • meeting the computing needs of the task efficiently and cost effectively – speed, the amount of ROM and RAM, the number of I/O ports and timers, size, packaging, power consumption – easy to upgrade – cost per unit – Noise of environment • availability of software development tools – assemblers, debuggers, C compilers, emulator, simulator, technical support • wide availability and reliable sources of the microcontrollers • meeting the computing needs of the task efficiently and cost effectively – speed, the amount of ROM and RAM, the number of I/O ports and timers, size, packaging, power consumption – easy to upgrade – cost per unit – Noise of environment • availability of software development tools – assemblers, debuggers, C compilers, emulator, simulator, technical support • wide availability and reliable sources of the microcontrollers
  • 27.
    27 2.3 ATMEGA16 MICROCONTROLLER(HEART OF PROJECT) High-performance, Low-power AVR® 8-bit Microcontroller 1) Advanced RISC Architecture 131 Powerful Instructions – Most Single Clock Cycle Execution 32 x 8 General Purpose Working Registers Fully Static Operation Up to 16 MIPS Throughput at 16 MHz On-chip 2-cycle Multiplier 2) Nonvolatile Program and Data Memories 16K Bytes of In-System Reprogrammable Flash Endurance: 10,000 Write/Erase Cycles Optional Boot Code Section with Independent Lock Bits In-System Programming by On-chip Boot Program True Read-While-Write Operation 512 Bytes EEPROM 1K Bytes Internal SRAM Programming Lock for Software Security 3) JTAG (IEEE std. 1149.1 Compliant) Interface Boundary-scan Capabilities According to the JTAG Standard Extensive On-chip Debug Support Programming of Flash, EEPROM, Fuses and Lock Bits through the JTAG Interface 4) Peripheral Features Two 8-bit Timer/Counters with Separate Prescalers and Compare Modes
  • 28.
    28 One 16-bit Timer/Counterwith Separate Prescaler, Compare Mode, and Capture Mode Real Time Counter with Separate Oscillator Four PWM Channels 8-channel, 10-bit ADC Byte-oriented Two-wire Serial Interface Programmable Serial USART Master/Slave SPI Serial Interface Programmable Watchdog Timer with Separate On-chip Oscillator On-chip Analog Comparator 5) Special Microcontroller Features Power-on Reset and Programmable Brown-out Detection Internal Calibrated RC Oscillator External and Internal Interrupt Sources Six Sleep Modes: Idle, ADC Noise Reduction, Power-save, Power-down, Standby, and Extended Standby Software Selectable Clock Frequency 6) Operating Voltages 2.7 - 5.5V for ATmega16L 4.5 - 5.5V for ATmega16 7) Speed Grades 0 - 8 MHz for ATmega16L 0 - 16 MHz for ATmega16 PIN DIAGRAM :- Pin No. Pin name Description Alternate Function 1 (XCK/T0) PB0 I/O PORTB, Pin 0 T0: Timer0 External Counter Input. XCK : USART External Clock I/O 2 (T1) PB1 I/O PORTB, Pin 1 T1:Timer1 External Counter Input 3 (INT2/AIN0) PB2 I/O PORTB, Pin 2 AIN0: Analog Comparator Positive I/P INT2: External Interrupt 2 Input 4 (OC0/AIN1) PB3 I/O PORTB, Pin 3 AIN1: Analog Comparator Negative I/P OC0 : Timer0 Output Compare Match Output 5 (SS) PB4 I/O PORTB, Pin 4 In System Programmer (ISP)
  • 29.
    29 6 (MOSI) PB5I/O PORTB, Pin 5 Serial Peripheral Interface (SPI) 7 (MISO) PB6 I/O PORTB, Pin 6 8 (SCK) PB7 I/O PORTB, Pin 7 9 RESET Reset Pin, Active Low Reset 10 Vcc Vcc = +5V 11 GND GROUND 12 XTAL2 Output to Inverting Oscillator Amplifier 13 XTAL1 Input to Inverting Oscillator Amplifier 14 (RXD) PD0 I/O PORTD, Pin 0 USART Serial Communication Interface 15 (TXD) PD1 I/O PORTD, Pin 1 16 (INT0) PD2 I/O PORTD, Pin 2 External Interrupt INT0 17 (INT1) PD3 I/O PORTD, Pin 3 External Interrupt INT1 18 (OC1B) PD4 I/O PORTD, Pin 4 PWM Channel Outputs 19 (OC1A) PD5 I/O PORTD, Pin 5 20 (ICP) PD6 I/O PORTD, Pin 6 Timer/Counter1 Input Capture Pin 21 PD7 (OC2) I/O PORTD, Pin 7 Timer/Counter2 Output Compare Match Output 22 PC0 (SCL) I/O PORTC, Pin 0 TWI Interface 23 PC1 (SDA) I/O PORTC, Pin 1 24 PC2 (TCK) I/O PORTC, Pin 2 JTAG Interface 25 PC3 (TMS) I/O PORTC, Pin 3 26 PC4 (TDO) I/O PORTC, Pin 4 27 PC5 (TDI) I/O PORTC, Pin 5 28 PC6 (TOSC1) I/O PORTC, Pin 6 Timer Oscillator Pin 1 29 PC7 (TOSC2) I/O PORTC, Pin 7 Timer Oscillator Pin 2 30 AVcc Voltage Supply = Vcc for ADC
  • 30.
    30 31 GND GROUND 32AREF Analog Reference Pin for ADC 33 PA7 (ADC7) I/O PORTA, Pin 7 ADC Channel 7 34 PA6 (ADC6) I/O PORTA, Pin 6 ADC Channel 6 35 PA5 (ADC5) I/O PORTA, Pin 5 ADC Channel 5 36 PA4 (ADC4) I/O PORTA, Pin 4 ADC Channel 4 37 PA3 (ADC3) I/O PORTA, Pin 3 ADC Channel 3 38 PA2 (ADC2) I/O PORTA, Pin 2 ADC Channel 2 39 PA1 (ADC1) I/O PORTA, Pin 1 ADC Channel 1 40 PA0 (ADC0) I/O PORTA, Pin 0 ADC Channel 0
  • 31.
    31 2.4 MOTOR DRIVER(L 293D IC) 2.4.1. DESCRIPTION The Device is a monolithic integrated high voltage, high current four channel driver designed to accept standard DTL or TTL logic levels and drive inductive loads (such as relays solenoids, DC and stepping motors) and switching power transistors. To simplify use as two bridges each pair of channels is equipped with an enable input. A separate supply input is provided for the logic, allowing operation at a lower voltage and internal clamp diodes are included. This device is suitable for use in switching application at frequencies up to 5 kHz. The L293D is assembled in a 16 lead plastic Package which has 4 center pins connected
  • 32.
    32 together and usedfor heat sinking The L293DD is assembled in a 20 lead surface Mount which has 8 center pins connected together and used for heat sinking. L293D is a dual H-bridge motor driver integrated circuit (IC). Motor drivers act as current amplifiers since they take a low-current control signal and provide a higher-current signal. This higher current signal is used to drive the motors. L293D contains two inbuilt H-bridge driver circuits. In its common mode of operation, two DC motors can be driven simultaneously, both in forward and reverse direction. The motor operations of two motors can be controlled by input logic at pins 2 & 7 and 10 & 15. Input logic 00 or 11 will stop the corresponding motor. Logic 01 and 10 will rotate it in clockwise and anticlockwise directions, respectively. Enable pins 1 and 9 (corresponding to the two motors) must be high for motors to start operating. When an enable input is high, the associated driver gets enabled. As a result, the outputs become active and work in phase with their inputs. Similarly, when the enable input is low, that driver is disabled, and their outputs are off and in the high-impedance state. Pin Diagram:
  • 33.
    33 Pin Description : Pin No FunctionName 1 Enable pin for Motor 1; active high Enable 1,2 2 Input 1 for Motor 1 Input 1 3 Output 1 for Motor 1 Output 1 4 Ground (0V) Ground 5 Ground (0V) Ground 6 Output 2 for Motor 1 Output 2 7 Input 2 for Motor 1 Input 2 8 Supply voltage for Motors; 9-12V (up to 36V) Vcc 2 9 Enable pin for Motor 2; active high Enable 3,4 10 Input 1 for Motor 1 Input 3 11 Output 1 for Motor 1 Output 3 12 Ground (0V) Ground 13 Ground (0V) Ground 14 Output 2 for Motor 1 Output 4 15 Input2 for Motor 1 Input 4 16 Supply voltage; 5V (up to 36V) Vcc 1
  • 34.
    34 2.5 MT8870-DTMF DECODER:- TheM-8870 is a full DTMF Receiver that integrates both bandsplit filter and decoder functions into a single18-pin DIP or SOIC package. Manufactured using CMOS process technology, the M-8870 offers low power consumption (35 mW max) and precise data handling. Its filter section uses switched capacitor technology for both the high and low group filters and for dial tone rejection. Its decoder uses digital counting techniques to detect and decode all 16 DTMF tone pairs into a 4-bit code. External component count is minimized by provision of an on-chip differential input amplifier, clock generator, and latched tri-state interface bus. Minimal external components required include a low-cost 3.579545 MHz color burst crystal, a timing resistor, and a timing capacitor. The M-8870-02 provides a “power-down” option which, when enabled, drops consumption to less than 0.5 mW. The M-8870-02 can also inhibit the decoding of fourth column digits
  • 35.
    35 Functional Description M-8870 operatingfunctions include a band split filter that separates the high and low tones of the received pair, and a digital decoder that verifies both the frequency and duration of the received tones before passing the resulting 4-bit code to the output bus. Filter The low and high group tones are separated by applying the dual-tone signal to the inputs of two 6th order switched capacitor bandpass filters with bandwidths That corresponds to the bands enclosing the low and high group tones. The filter also incorporates notches at 350 and 440 Hz, providing excellent dial tone rejection. Each filter output is followed by a single-order switched capacitor section that smooths the signals prior to limiting. Signal limiting is performed by highgain comparators provided with hysteresis to prevent detection of unwanted low-level signals and noise.The comparator outputs provide full- rail logic swings at the frequencies of the incoming tones. 2.6 CAMERA DESCRIPTION :- Opeating frequency is 439MHz having a garbage value . The antenna is small due to high operating frequency , allows only analog transmission and works at a range of 10 – 20 feet. The camera works on dc voltage of value 9 and at the receiver end of value 12 volt. 2.7 DESCRIPTION ABOUT PRINTED CIRCUIT BOARD(PCB):- 2.7.1 HISTORY:- Development of the methods used in modern printed circuit boards started early in the 20th century. In 1903, a German inventor, Albert Hanson, described flat foil conductors laminated to an insulating board, in multiple layers. Thomas Edison experimented with chemical methods of plating conductors onto linen paper in 1904. Arthur Berry in 1913 patented a print-and-etch method in Britain, and in the United States Max Schoop obtained a patent[ to flame-spray metal
  • 36.
    36 onto a boardthrough a patterned mask. Charles Ducas in 1927 patented a method of electroplating circuit patterns. The Austrian engineer Paul Eisler invented the printed circuit as part of a radio set while working in England around 1936. Around 1943 the USA began to use the technology on a large scale to make proximity fuses for use in World War II. After the war, in 1948, the USA released the invention for commercial use. Printed circuits did not become commonplace in consumer electronics until the mid-1950s, after the Auto-Sembly process was developed by the United States Army. At around the same time in Britain work along similar lines was carried out by Geoffrey Dummer, then at the RRDE. An example of hand drawn etched traces on a PCB Before printed circuits (and for a while after their invention), point-to-point construction was used. For prototypes, or small production runs,wire wrap or turret board can be more efficient. Predating the printed circuit invention, and similar in spirit, was John Sargrove's 1936–1947 Electronic Circuit Making Equipment (ECME) which sprayed metal onto a Bakelite plastic board. The ECME could produce 3 radios per minute. During World War II, the development of the anti-aircraft proximity fuse required an electronic circuit that could withstand being fired from a gun, and could be produced in quantity. The Centralab Division of Globe Union submitted a proposal which met the requirements: a ceramic plate would be screenprinted with metallic paint for conductors and carbon material for resistors, with ceramic disc capacitors and subminiature vacuum tubes soldered in place.[47] The technique proved viable, and the resulting patent on the process, which was classified by the U.S. Army, was assigned to Globe Union. It was not until 1984 that the Institute of Electrical and Electronics Engineers (IEEE) awarded Mr. Harry W. Rubinstein, the former head of Globe Union's Centralab Division, its coveted Cledo Brunetti Award for early key contributions to the development of printed components and conductors on a common insulating substrate.[48] As well, Mr. Rubinstein was honored in 1984 by his alma mater, the University of Wisconsin-Madison, for his innovations in the technology of printed electronic circuits and the fabrication of capacitors.[49]
  • 37.
    37 A PCB asa design on a computer (left) and realized as a board assembly populated with components (right). The board is double sided, with through-hole plating, green solder resist and a white legend. Both surface mount and through-hole components have been used. Originally, every electronic component had wire leads, and the PCB had holes drilled for each wire of each component. The components' leads were then passed through the holes and soldered to the PCB trace. This method of assembly is called through-hole construction. In 1949, Moe Abramson and Stanislaus F. Danko of the United States Army Signal Corps developed the Auto-Sembly process in which component leads were inserted into a copper foil interconnection pattern and dip soldered. The patent they obtained in 1956 was assigned to the U.S. Army.[50] With the development of board lamination and etching techniques, this concept evolved into the standard printed circuit board fabrication process in use today. Soldering could be done automatically by passing the board over a ripple, or wave, of molten solder in a wave-soldering machine. However, the wires and holes are wasteful since drilling holes is expensive and the protruding wires are merely cut off. From the 1980s small surface mount parts have been used increasingly instead of through-hole components; this has led to smaller boards for a given functionality and lower production costs, but with some additional difficulty in servicing faulty boards. Historically many measurements related to PCB design were specified in multiples of a thousandth of an inch, often called "mils". For example, DIP and most other through-hole components have pins located on a grid spacing of 100 mils, in order to be breadboard-friendly. Surface-mount SOIC components have a pin pitch of 50 mils. SOP components have a pin pitch of 25 mils. Level B technology recommends a minimum trace width of 8 mils, which allows "double-track" – two traces between DIP pins. 2.7.2. DESCRIPTION:- A printed circuit board (PCB) mechanically supports and electrically connects electronic components using conductive tracks, pads and other features etched from copper sheets laminated onto a non-conductive substrate. Components — capacitors, resistors or active devices — are generally soldered on the PCB. Advanced PCBs may contain components embedded in the substrate.
  • 38.
    38 PCBs can besingle sided (one copper layer), double sided (two copper layers) or multi- layer (outer and inner layers). Conductors on different layers are connected with vias. Multi- layer PCBs allow for much higher component density. FR-4 glass epoxy is the primary insulating substrate. A basic building block of the PCB an FR-4 panel with a thin layer of copper foil is laminated to one or both sides. In multi-layer boards multiple layers of material are laminated together. Printed circuit boards are used in all but the simplest electronic products. Alternatives to PCBs include wire wrap and point-to-point construction. PCBs require the additional design effort to lay out the circuit, but manufacturing and assembly can be automated. Manufacturing circuits with PCBs is cheaper and faster than with other wiring methods as components are mounted and wired with one single part. Furthermore, operator wiring errors are eliminated. When the board has no embedded components it is more correctly called a printed wiring board (PWB) or etched wiring board. However, the term printed wiring board has fallen into disuse. A PCB populated with electronic components is called a printed circuit assembly (PCA), printed circuit board assembly or PCB assembly (PCBA). The IPC preferred term for assembled boards is circuit card assembly (CCA), and for assembled backplanes it is backplane assemblies. The term PCB is used informally both for bare and assembled boards. The world market for bare PCBs exceeded $60.2 billion in 2014. Design A board designed in 1967; the sweeping curves in the traces are evidence of freehand design using adhesive tape Initially PCBs were designed manually by creating a photomask on a clear mylar sheet, usually at two or four times the true size. Starting from the schematic diagram the component pin pads were laid out on the mylar and then traces were routed to connect the pads. Rub-ondry transfers of common component footprints increased efficiency. Traces were made with self- adhesive tape. Pre-printed non-reproducing grids on the mylar assisted in layout. To fabricate the board, the finished photomask was photolithographically reproduced onto a photoresist coating on the blank copper-clad boards.
  • 39.
    39 Modern PCBs aredesigned with dedicated layout software, generally in the following steps :- 1. Schematic capture through an electronic design automation (EDA) tool. 2. Card dimensions and template are decided based on required circuitry and case of the PCB. 3. The positions of the components and heat sinks are determined. 4. Layer stack of the PCB is decided, with one to tens of layers depending on complexity. Ground and power planes are decided. A power plane is the counterpart to a ground plane and behaves as an AC signal ground while providing DC power to the circuits mounted on the PCB. Signal interconnections are traced on signal planes. Signal planes can be on the outer as well as inner layers. For optimal EMI performance high frequency signals are routed in internal layers between power or ground planes. 5. Line impedance is determined using dielectric layer thickness, routing copper thickness and trace-width. Trace separation is also taken into account in case of differential signals. Microstrip, stripline or dual stripline can be used to route signals. 6. Components are placed. Thermal considerations and geometry are taken into account. Vias and lands are marked. 7. Signal traces are routed. Electronic design automation tools usually create clearances and connections in power and ground planes automatically. 8. Gerber files are generated for manufacturing. 2.7.3. Manufacturing:- PCB manufacturing consists of many steps. 1. PCB CAM Manufacturing starts from the PCB fabrication data generated by CAD: Gerber layer images, Gerber or Excellon drill files, IPC-D-356 netlist and component information. The Gerber or Excellon files in the fabrication data are never used directly on the manufacturing equipment but always read into the CAM (Computer Aided Manufacturing) software. CAM performs the following functions
  • 40.
    40 • Input ofthe fabrication data • Verification of the data; optionally DFM • Compensation for deviations in the manufacturing processes (e.g. scaling to compensate for distortions during lamination • Output of the digital tools (copper patterns, solder resist image, legend image, drill files, automated optical inspection data, electrical test files) 2. Panelization Panelization is a procedure whereby a number of PCBs are grouped for manufacturing onto a larger board - the panel. Usually a panel consists of a single design but sometimes multiple designs are mixed on a single panel. There are two types of panels: assembly panels - often called arrays - and bare board manufacturing panels. The assemblers often mount components on panels rather than single PCBs because this is efficient.[10] The bare board manufactures always uses panels, not only for efficiency, but because of the requirements the plating process. Thus a manufacturing panel can consist of a grouping of individual PCBs or of arrays, depending on what must be delivered. The panel is eventually broken apart into individual PCBs; this is called depaneling. Separating the individual PCBs is frequently aided by drilling or routing perforations along the boundaries of the individual circuits, much like a sheet of postage stamps. Another method, which takes less space, is to cut V-shaped grooves across the full dimension of the panel. The individual PCBs can then be broken apart along this line of weakness.[11] Today depaneling is often done by lasers which cut the board with no contact. Laser panelization reduces stress on the fragile circuits. 3.Copper Patterning The first step is to replicate the pattern in the fabricator's CAM system on a protective mask on the copper foil PCB layers. Subsequent etching removes the unwanted copper. (Alternatively, a conductive ink can be ink-jetted on a blank (non-conductive) board. This technique is also used in the manufacture of hybrid circuits.) • Silk screen printing uses etch-resistant inks to create the protective mask. • Photoengraving uses a photomask and developer to selectively remove a UV-sensitive photoresist coating and thus create a photoresist mask. Direct imaging techniques are sometimes used for high-resolution requirements. Experiments were made with thermal resist.
  • 41.
    41 • PCB millinguses a two or three-axis mechanical milling system to mill away the copper foil from the substrate. A PCB milling machine (referred to as a 'PCB Prototyper') operates in a similar way to a plotter, receiving commands from the host software that control the position of the milling head in the x, y, and (if relevant) z axis. • Laser resist ablation Spray black paint onto copper clad laminate, place into CNC laser plotter. The laser raster-scans the PCB and ablates (vaporizes) the paint where no resist is wanted. (Note: laser copper ablation is rarely used and is considered experimental. The method chosen depends on the number of boards to be produced and the required resolution. • Large Volume – Silk screen printing – Used for PCBs with bigger features – Photoengraving – Used when finer features are required – • Small Volume – Print onto transparent film and use as photo mask along with photo-sensitized boards (i.e., pre-sensitized boards), then etch. (Alternatively, use a film photoplotter) – Laser resist ablation – PCB milling – • Hobbyist – Laser-printed resist: Laser-print onto toner transfer paper, heat-transfer with an iron or modified laminator onto bare laminate, soak in water bath, touch up with a marker, then etch. – Vinyl film and resist, non-washable marker, some other methods. Labor-intensive, only suitable for single board. 4.Subtractive, additive and semi-additive processes The two processing methods used to produce a double-sided PCB with plated through holes.Subtractive methods remove copper from an entirely copper-coated board to leave only the desired copper pattern. In additive methods the pattern is electroplated onto a bare substrate using a complex process. The advantage of the additive method is that less material is needed and less waste is produced. In the full additive process the bare laminate is covered with a photosensitive film which is imaged (exposed to light through a mask and then developed which removes the unexposed film). The exposed areas are sensitized in a chemical bath, usually containing palladium and similar to that used for through hole plating which makes the exposed area capable of bonding metal ions. The laminate is then plated with copper in the sensitized areas. When the mask is stripped, the PCB is finished.
  • 42.
    42 Semi-additive is themost common process: The unpatterned board has a thin layer of copper already on it. A reverse mask is then applied. (Unlike a subtractive process mask, this mask exposes those parts of the substrate that will eventually become the traces.) Additional copper is then plated onto the board in the unmasked areas; copper may be plated to any desired weight. Tin-lead or other surface platings are then applied. The mask is stripped away and a brief etching step removes the now-exposed bare original copper laminate from the board, isolating the individual traces. Some single-sided boards which have plated-through holes are made in this way. General Electric made consumer radio sets in the late 1960s using additive boards. The (semi-)additive process is commonly used for multi-layer boards as it facilitates the plating- through of the holes to produce conductive vias in the circuit board. PCB copper electroplating line in the process of pattern plating copper PCBs in process of having copper pattern plated (note the blue dry film resist) 5.Chemical etching Chemical etching is usually done with ammonium persulfate or ferric chloride. For PTH (plated- through holes), additional steps of electroless deposition are done after the holes are drilled, then copper is electroplated to build up the thickness, the boards are screened, and plated with tin/lead. The tin/lead becomes the resist leaving the bare copper to be etched away. The simplest method, used for small-scale production and often by hobbyists, is immersion etching, in which the board is submerged in etching solution such as ferric chloride. Compared with methods used for mass production, the etching time is long. Heat and agitation can be applied to the bath to speed the etching rate. In bubble etching, air is passed through the etchant bath to agitate the solution and speed up etching. Splash etching uses a motor-driven paddle to splash boards with etchant; the process has become commercially obsolete since it is not as fast as spray etching. In spray etching, the etchant solution is distributed over the boards by nozzles,
  • 43.
    43 and recirculated bypumps. Adjustment of the nozzle pattern, flow rate, temperature, and etchant composition gives predictable control of etching rates and high production rates. As more copper is consumed from the boards, the etchant becomes saturated and less effective; different etchants have different capacities for copper, with some as high as 150 grams of copper per litre of solution. In commercial use, etchants can be regenerated to restore their activity, and the dissolved copper recovered and sold. Small-scale etching requires attention to disposal of used etchant, which is corrosive and toxic due to its metal content. The etchant removes copper on all surfaces exposed by the resist. "Undercut" occurs when etchant attacks the thin edge of copper under the resist; this can reduce conductor widths and cause open-circuits. Careful control of etch time is required to prevent undercut. Where metallic plating is used as a resist, it can "overhang" which can cause short-circuits between adjacent traces when closely spaced. Overhang can be removed by wire-brushing the board after etching. 6.Inner layer automated optical inspection (AOI) The inner layers are given a complete machine inspection before lamination because afterwards mistakes cannot be corrected. The automatic optical inspection system scans the board and compares it with the digital image generated from the original design data. 7.Lamination Cut through a SDRAM-module, a multi-layer PCB. Note the via, visible as a bright copper- colored band running between the top and bottom layers of the board. Multi-layer printed circuit boards have trace layers inside the board. This is achieved by laminating a stack of materials in a press by applying pressure and heat for a period of time. This results in an inseparable one piece product. For example, a four-layer PCB can be fabricated by starting from a two-sided copper-clad laminate, etch the circuitry on both sides, then laminate to the top and bottom pre-preg and copper foil. It is then drilled, plated, and etched again to get traces on top and bottom layers.
  • 44.
    44 8.Drilling Eyelets (hollow) Holes througha PCB are typically drilled with small-diameter drill bits made of solid coated tungsten carbide. Coated tungsten carbide is recommended since many board materials are very abrasive and drilling must be high RPM and high feed to be cost effective. Drill bits must also remain sharp so as not to mar or tear the traces. Drilling with high-speed-steel is simply not feasible since the drill bits will dull quickly and thus tear the copper and ruin the boards. The drilling is performed by automated drilling machines with placement controlled by a drill tape or drill file. These computer-generated files are also called numerically controlled drill (NCD) files or "Excellon files". The drill file describes the location and size of each drilled hole. Holes may be made conductive, by electroplating or inserting metal eyelets (hollow), to electrically and thermally connect board layers. Some conductive holes are intended for the insertion of through-hole-component leads. Others, typically smaller and used to connect board layers, are called vias. When very small vias are required, drilling with mechanical bits is costly because of high rates of wear and breakage. In this case, the vias may be laser drilled—evaporated by lasers. Laser- drilled vias typically have an inferior surface finish inside the hole. These holes are called micro vias. It is also possible with controlled-depth drilling, laser drilling, or by pre-drilling the individual sheets of the PCB before lamination, to produce holes that connect only some of the copper layers, rather than passing through the entire board. These holes are called blind viaswhen they connect an internal copper layer to an outer layer, or buried vias when they connect two or more internal copper layers and no outer layers. The hole walls for boards with two or more layers can be made conductive and then electroplated with copper to form plated-through holes. These holes electrically connect the conducting layers of the PCB. For multi-layer boards, those with three layers or more, drilling typically produces a smear of the high temperature decomposition products of bonding agent in the laminate system. Before the holes can be plated through, this smear must be removed by a chemical de- smear process, or by plasma-etch. The de-smear process ensures that a good connection is made
  • 45.
    45 to the copperlayers when the hole is plated through. On high reliability boards a process called etch-back is performed chemically with a potassium permanganate based etchant or plasma.The etch-back removes resin and the glass fibers so that the copper layers extend into the hole and as the hole is plated become integral with the deposited copper. 9.Plating and coating PCBs are plated with solder, tin, or gold over nickel as a resist for etching away the unneeded underlying copper. After PCBs are etched and then rinsed with water, the solder mask is applied, and then any exposed copper is coated with solder, nickel/gold, or some other anti-corrosion coating. Matte solder is usually fused to provide a better bonding surface or stripped to bare copper. Treatments, such as benzimidazolethiol, prevent surface oxidation of bare copper. The places to which components will be mounted are typically plated, because untreated bare copper oxidizes quickly, and therefore is not readily solderable. Traditionally, any exposed copper was coated with solder by hot air solder levelling (HASL). The HASL finish prevents oxidation from the underlying copper, thereby guaranteeing a solderable surface. This solder was a tin-lead alloy, however new solder compounds are now used to achieve compliance with the RoHS directive in the EU and US, which restricts the use of lead. One of these lead-free compounds is SN100CL, made up of 99.3% tin, 0.7% copper, 0.05% nickel, and a nominal of 60ppm germanium. It is important to use solder compatible with both the PCB and the parts used. An example is ball grid array (BGA) using tin-lead solder balls for connections losing their balls on bare copper traces or using lead-free solder paste. Other platings used are OSP (organic surface protectant), immersion silver (IAg), immersion tin, electroless nickel with immersion gold coating (ENIG), electroless nickel electroless palladium immersion gold (ENEPIG) and direct gold plating (over nickel). Edge connectors, placed along one edge of some boards, are often nickel plated then gold plated. Another coating consideration is rapid diffusion of coating metal into Tin solder. Tin forms intermetallics such as Cu5Sn6 and Ag3Cu that dissolve into the Tin liquidus or solidus(@50C), stripping surface coating or leaving voids. Electrochemical migration (ECM) is the growth of conductive metal filaments on or in a printed circuit board (PCB) under the influence of a DC voltage bias.[24][25] Silver, zinc, and aluminum are known to grow whiskers under the influence of an electric field. Silver also grows conducting surface paths in the presence of halide and other ions, making it a poor choice for electronics use. Tin will grow "whiskers" due to tension in the plated surface. Tin-Lead or solder plating also grows whiskers, only reduced by the percentage Tin replaced. Reflow to melt solder or tin plate to relieve surface stress lowers whisker incidence. Another coating issue is tin pest, the transformation of tin to a powdery allotrope at low temperature.
  • 46.
    46 10.Solder resist application Areasthat should not be soldered may be covered with solder resist (solder mask). One of the most common solder resists used today is called "LPI" (liquid photoimageable solder mask).A photo-sensitive coating is applied to the surface of the PWB, then exposed to light through the solder mask image film, and finally developed where the unexposed areas are washed away. Dry film solder mask is similar to the dry film used to image the PWB for plating or etching. After being laminated to the PWB surface it is imaged and develop as LPI. Once common but no longer commonly used because of its low accuracy and resolution is to screen print epoxy ink. Solder resist also provides protection from the environment. 11.Legend printing A legend is often printed on one or both sides of the PCB. It contains the component designators, switch settings, test points and other indications helpful in assembling, testing and servicing the circuit board. There are three methods to print the legend. 1. Silk screen printing epoxy ink was the established method. It was so common that legend is often misnamed silk or silkscreen. 2. Liquid photo imaging is a more accurate method than screen printing. 3. Ink jet printing is new but increasingly used. Ink jet can print variable data such as a text or bar code with a serial number. 12.Bare-board test Unpopulated boards are usually bare-board tested for "shorts" and "opens". A short is a connection between two points that should not be connected. An open is a missing connection between points that should be connected. For high-volume production a fixture or a rigid needle adapter is used to make contact with copper lands on the board. Building the adapter is a significant fixed cost and is only economical for high-volume or high-value production. For small or medium volume production flying probe testers are used where test probes are moved over the board by an XY drive to make contact with the copper lands.The CAM system instructs the electrical tester to apply a voltage to each contact point as required and to check that this voltage appears on the appropriate contact points and only on these.
  • 47.
    47 13.Assembly PCB with testconnection pads In assembly the bare board is populated with electronic components to form a functional printed circuit assembly (PCA), sometimes called a "printed circuit board assembly" (PCBA). In through-hole technology component leads are inserted in holes. In surface-mount technology (SMT) the components are glued on pads or lands on the surfaces of the PCB. In both component leads are then mechanically fixed and electrically connected to the board by soldering. There are a variety of soldering techniques used to attach components to a PCB. High volume production is usually done with SMT placement machine and bulk wave soldering or reflow ovens, but skilled technicians are able to solder very tiny parts (for instance 0201 packages which are 0.02 in. by 0.01 in.) by hand under a microscope, using tweezers and a fine tip soldering iron for small volume prototypes. Some parts cannot be soldered by hand, such as BGA packages. Often, through-hole and surface-mount construction must be combined in a single assembly because some required components are available only in surface-mount packages, while others are available only in through-hole packages. Another reason to use both methods is that through- hole mounting can provide needed strength for components likely to endure physical stress, while components that are expected to go untouched will take up less space using surface-mount techniques. For further comparison, see the SMT page. After the board has been populated it may be tested in a variety of ways:  While the power is off, visual inspection, automated optical inspection. JEDEC guidelines for PCB component placement, soldering, and inspection are commonly used to maintain quality control in this stage of PCB manufacturing.  While the power is off, analog signature analysis, power-off testing.  While the power is on, in-circuit test, where physical measurements (for example, voltage) can be done.  While the power is on, functional test, just checking if the PCB does what it had been designed to do.
  • 48.
    48 To facilitate thesetests, PCBs may be designed with extra pads to make temporary connections. Sometimes these pads must be isolated with resistors. The in-circuit test may also exercise boundary scan test features of some components. In-circuit test systems may also be used to program nonvolatile memory components on the board. In boundary scan testing, test circuits integrated into various ICs on the board form temporary connections between the PCB traces to test that the ICs are mounted correctly. Boundary scan testing requires that all the ICs to be tested use a standard test configuration procedure, the most common one being the Joint Test Action Group (JTAG) standard. The JTAG test architecture provides a means to test interconnects between integrated circuits on a board without using physical test probes. JTAG tool vendors provide various types of stimulus and sophisticated algorithms, not only to detect the failing nets, but also to isolate the faults to specific nets, devices, and pins. When boards fail the test, technicians may desolder and replace failed components, a task known as rework. 14.Protection and packaging PCBs intended for extreme environments often have a conformal coating, which is applied by dipping or spraying after the components have been soldered. The coat prevents corrosion and leakage currents or shorting due to condensation. The earliest conformal coats were wax; modern conformal coats are usually dips of dilute solutions of silicone rubber, polyurethane, acrylic, or epoxy. Another technique for applying a conformal coating is for plastic to be sputtered onto the PCB in a vacuum chamber. The chief disadvantage of conformal coatings is that servicing of the board is rendered extremely difficult. Many assembled PCBs are static sensitive, and therefore must be placed in antistatic bags during transport. When handling these boards, the user must be grounded (earthed). Improper handling techniques might transmit an accumulated static charge through the board, damaging or destroying components. Even bare boards are sometimes static sensitive. Traces have become so fine that it's quite possible to blow an etch off the board (or change its characteristics) with a static charge. This is especially true on non-traditional PCBs such as MCMs and microwave PCBs. 2.7.4. PCB characteristics :- Much of the electronics industry's PCB design, assembly, and quality control follows standards published by the IPC organization. 1. Through-hole technology
  • 49.
    49 Through-hole (leaded) resistors Thefirst PCBs used through-hole technology, mounting electronic components by leads inserted through holes on one side of the board and soldered onto copper traces on the other side. Boards may be single-sided, with an unplated component side, or more compact double-sided boards, with components soldered on both sides. Horizontal installation of through-hole parts with two axial leads (such as resistors, capacitors, and diodes) is done by bending the leads 90 degrees in the same direction, inserting the part in the board (often bending leads located on the back of the board in opposite directions to improve the part's mechanical strength), soldering the leads, and trimming off the ends. Leads may be soldered either manually or by a wave soldering machine. Through-hole PCB technology almost completely replaced earlier electronics assembly techniques such as point-to-point construction. From the second generation of computers in the 1950s until surface-mount technology became popular in the late 1980s, every component on a typical PCB was a through-hole component. Through-hole manufacture adds to board cost by requiring many holes to be drilled accurately, and limits the available routing area forsignal traces on layers immediately below the top layer on multi-layer boards since the holes must pass through all layers to the opposite side. Once surface-mounting came into use, small-sized SMD components were used where possible, with through-hole mounting only of components unsuitably large for surface-mounting due to power requirements or mechanical limitations, or subject to mechanical stress which might damage the PCB.
  • 50.
    50 Through-hole devices mountedon the circuit board of a mid- 1980s home computer A box of drill bits used for making holes in printed circuit boards. While tungsten-carbide bits are very hard, they eventually wear out or break. Drilling is a considerable part of the cost of a through-hole printed circuit board. 2. Surface-mount technology Surface mount components, including resistors, transistors and an integrated circuit Surface-mount technology emerged in the 1960s, gained momentum in the early 1980s and became widely used by the mid-1990s. Components were mechanically redesigned to have small metal tabs or end caps that could be soldered directly onto the PCB surface, instead of wire leads to pass through holes. Components became much smaller and component placement on both sides of the board became more common than with through-hole mounting, allowing much smaller PCB assemblies with much higher circuit densities. Surface mounting lends itself well to a high degree of automation, reducing labor costs and greatly increasing production rates. Components can be supplied mounted on carrier tapes. Surface mount components can be about one-quarter to one-tenth of the size and weight of through-hole components, and passive components much cheaper; prices of semiconductor surface mount devices (SMDs) are
  • 51.
    51 determined more bythe chip itself than the package, with little price advantage over larger packages. Some wire-ended components, such as 1N4148 small-signal switch diodes, are actually significantly cheaper than SMD equivalents. 2.7.5. Circuit properties of the PCB :- Each trace consists of a flat, narrow part of the copper foil that remains after etching. The resistance, determined by width and thickness, of the traces must be sufficiently low for the current the conductor will carry. Power and ground traces may need to be wider than signal traces. In a multi-layer board one entire layer may be mostly solid copper to act as a ground plane for shielding and power return. Formicrowave circuits, transmission lines can be laid out in the form of stripline and microstrip with carefully controlled dimensions to assure a consistent impedance. In radio-frequency and fast switching circuits the inductance and capacitance of the printed circuit board conductors become significant circuit elements, usually undesired; but they can be used as a deliberate part of the circuit design, obviating the need for additional discrete components. 2.7.6. Materials Excluding exotic products using special materials or processes all printed circuit boards manufactured today can be built using the following four materials: 1. Laminates 2. Copper-clad laminates 3. Resin impregnated B-stage cloth (Pre-preg) 4. Copper foil  Laminates Laminates are manufactured by curing under pressure and temperature layers of cloth or paper with thermoset resin to form an integral final piece of uniform thickness. The size can be up to 4 by 8 feet (1.2 by 2.4 m) in width and length. Varying cloth weaves (threads per inch or cm), cloth thickness, and resin percentage are used to achieve the desired final thickness and dielectric characteristics. Available standard laminate thickness are listed in Table 1 Standard laminate thickness per ANSI/IPC-D-275[37][Note 1] IPC laminate Thickness Thickness IPC laminate Thickness Thickness
  • 52.
    52 number in inchesin millimeters number in inches in millimeters L1 0.002 0.05 L9 0.028 0.70 L2 0.004 0.10 L10 0.035 0.90 L3 0.006 0.15 L11 0.043 1.10 L4 0.008 0.20 L12 0.055 1.40 L5 0.010 0.25 L13 0.059 1.50 L6 0.012 0.30 L14 0.075 1.90 L7 0.016 0.40 L15 0.090 2.30 L8 0.020 0.50 L16 0.122 3.10 The cloth or fiber material used, resin material, and the cloth to resin ratio determine the laminate's type designation (FR-4, CEM-1, G-10, etc.) and therefore the characteristics of the laminate produced. Important characteristics are the level to which the laminate is fire retardant, the dielectric constant (er), the loss factor (tδ), the tensile strength, the shear strength, the glass transition temperature (Tg), and the Z-axis expansion coefficient (how much the thickness changes with temperature). There are quite a few different dielectrics that can be chosen to provide different insulating values depending on the requirements of the circuit. Some of these dielectrics arepolytetrafluoroethylene (Teflon), FR-4, FR-1, CEM-1 or CEM-3. Well known pre-preg materials used in the PCB industry are FR-2 (phenolic cotton paper), FR-3 (cotton paper and epoxy), FR-4 (woven glass and epoxy), FR-5 (woven glass and epoxy), FR-6 (matte glass and polyester), G-10 (woven glass and epoxy), CEM-1 (cotton paper and epoxy), CEM-2 (cotton paper and epoxy), CEM-3 (non-woven glass and epoxy), CEM-4 (woven glass and epoxy),
  • 53.
    53 CEM-5 (woven glassand polyester). Thermal expansion is an important consideration especially with ball grid array (BGA) and naked die technologies, and glass fiber offers the best dimensional stability. FR-4 is by far the most common material used today. The board with copper on it is called "copper-clad laminate". With decreasing size of board features and increasing frequencies, small nonhomogeneities like uneven distribution of fiberglass or other filler, thickness variations, and bubbles in the resin matrix, and the associated local variations in the dielectric constant, are gaining importance. • Key substrate parameters The circuitboard substrates are usually dielectric composite materials. The composites contain a matrix (usually an epoxy resin), a reinforcement (usually a woven, sometimes nonwoven, glass fibers, sometimes even paper), and in some cases a filler is added to the resin (e.g. ceramics; titanate ceramics can be used to increase the dielectric constant). The reinforcement type defines two major classes of materials - woven and non-woven. Woven reinforcements are cheaper, but the high dielectric constant of glass may not be favorable for many higher-frequency applications. The spatially nonhomogeneous structure also introduces local variations in electrical parameters, due to different resin/glass ratio at different areas of the weave pattern. Nonwoven reinforcements, or materials with low or no reinforcement, are more expensive but more suitable for some RF/analog applications. The substrates are characterized by several key parameters, chiefly thermomechanical (glass transition temperature, tensile strength, shear strength, thermal expansion), electrical (dielectric constant, loss tangent, dielectric breakdown voltage, leakage current, tracking resistance...), and others (e.g. moisture absorption). At the glass transition temperature the resin in the composite softens and significantly increases thermal expansion; exceeding Tg then exerts mechanical overload on the board components - e.g. the joints and the vias. Below Tg the thermal expansion of the resin roughly matches copper and glass, above it gets significantly higher. As the reinforcement and copper confine the board along the plane, virtually all volume expansion projects to the thickness and stresses the plated-through holes. Repeated soldering or other exposition to higher temperatures can cause failure of the plating, especially with thicker boards; thick boards therefore require high Tg matrix. The materials used determine the substrate's dielectric constant. This constant is also dependent on frequency, usually decreasing with frequency. As this constant determines the signal propagation speed, frequency dependence introduces phase distortion in wideband applications; as flat dielectric constant vs frequency characteristics as achievable is important here. The impedance of transmission lines decreases with frequency, therefore faster edges of signals reflect more than slower ones.
  • 54.
    54 Dielectric breakdown voltagedetermines the maximum voltage gradient the material can be subjected to before suffering a breakdown. Tracking resistance determines how the material resists high voltage electrical discharges creeping over the board surface. Loss tangent determines how much of the electromagnetic energy from the signals in the conductors is absorbed in the board material. This factor is important for high frequencies. Low- loss materials are more expensive. Choosing unnecessarily low-loss material is a common error in high-frequency digital design; it increases the cost of the boards without a corresponding benefit. Signal degradation by loss tangent and dielectric constant can be easily assessed by an eye pattern. Moisture absorption occurs when the material is exposed to high humidity or water. Both the resin and the reinforcement may absorb water; water may be also soaked by capillary forces through voids in the materials and along the reinforcement. Epoxies of the FR-4 materials aren't too susceptible, with absorption of only 0.15%. Teflon has very low absorption of 0.01%. Polyimides and cyanate esters, on the other side, suffer from high water absorption. Absorbed water can lead to significant degradation of key parameters; it impairs tracking resistance, breakdown voltage, and dielectric parameters. Relative dielectric constant of water is about 73, compared to about 4 for common circuitboard materials. Absorbed moisture can also vaporize on heating and cause cracking and delamination, the same effect responsible for "popcorning" damage on wet packaging of electronic parts. Careful baking of the substrates may be required. • Common substrates Often encountered materials: – FR-2 (Flame Resistant 2), phenolic paper or phenolic cotton paper, paper impregnated with a phenol formaldehyde resin. Cheap, common in low-end consumer electronics with single-sided boards. Electrical properties inferior to FR-4. Poor arc resistance. Generally rated to 105 °C. Resin composition varies by supplier. – FR-4 (Flame Resistant 4), a woven fiberglass cloth impregnated with an epoxy resin. Low water absorption (up to about 0.15%), good insulation properties, good arc resistance. Well-proven, properties well understood by manufacturers. Very common, workhorse of the industry. Several grades with somewhat different properties are available. Typically rated to 130 °C. Thin FR-4, about 0.1 mm, can be used for bendable circuitboards. Many different grades exist, with varying parameters; versions are with higher Tg, higher tracking resistance, etc. – Aluminium, or metal core board, clad with thermally conductive thin dielectric - used for parts requiring significant cooling - power switches, LEDs. Consists of usually single, sometimes double layer thin circuitboard based on e.g. FR-4, laminated on an aluminiumsheetmetal, commonly 0.8, 1, 1.5, 2 or 3mm thick. The thicker laminates sometimes come also with thicker copper metalization.
  • 55.
    55 – Flexible substrates- can be a standalone copper-clad foil or can be laminated to a thin stiffener, e.g. 50-130 µm – Kapton, a polyimide foil. Used for flexible printed circuits, in this form common in small form-factor consumer electronics or for flexible interconnects. Resistant to high temperatures. – Pyralux, a polyimide-fluoropolymer composite foil.[40] Copper layer can delaminate during soldering. Less-often encountered materials: – FR-1 (Flame Resistant 1), like FR-2, typically specified to 105 °C, some grades rated to 130 °C. Room-temperature punchable. Similar to cardboard. Poor moisture resistance. Low arc resistance. – FR-3 (Flame Resistant 3), cotton paper impregnated with epoxy. Typically rated to 105 °C. – FR-5 (Flame Resistant 5), woven fiberglass and epoxy, high strength at higher temperatures, typically specified to 170 °C. – FR-6 (Flame Resistant 6), matte glass and polyester – G-10, woven glass and epoxy - high insulation resistance, low moisture absorption, very high bond strength. Typically rated to 130 °C. – G-11, woven glass and epoxy - high resistance to solvents, high flexural strength retention at high temperatures.[41] Typically rated to 170 °C. – CEM-1, cotton paper and epoxy – CEM-2, cotton paper and epoxy – CEM-3, non-woven glass and epoxy – CEM-4, woven glass and epoxy – CEM-5, woven glass and polyester – PTFE, pure - expensive, low dielectric loss, for high frequency applications, very low moisture absorption (0.01%), mechanically soft. Difficult to laminate, rarely used in multilayer applications. – PTFE, ceramic filled - expensive, low dielectric loss, for high frequency applications. Varying ceramics/PTFE ratio allows adjusting dielectric constant and thermal expansion. – RF-35, fiberglass-reinforced ceramics-filled PTFE. Relatively less expensive, good mechanical properties, good high-frequency properties. – Alumina, a ceramic. Hard, brittle, very expensive, very high performance, good thermal conductivity.
  • 56.
    56 – Polyimide, ahigh-temperature polymer. Expensive, high-performance. Higher water absorption (0.4%). Can be used from cryogenic temperatures to over 260 °C. 2.7.7. Copper thickness Copper thickness of PCBs can be specified as units of length (in micrometers or mils) but is often specified as weight of copper per area (in ounce per square foot) which is easier to measure. One ounce per square foot is 1.344 mils or 34 micrometers thickness. The printed circuit board industry defines heavy copper as layers exceeding three ounces of copper, or approximately 0.0042 inches (4.2 mils, 105 μm) thick. PCB designers and fabricators often use heavy copper when design and manufacturing circuit boards in order to increase current-carrying capacity as well as resistance to thermal strains. Heavy copper plated vias transfer heat to external heat sinks. IPC 2152 is a standard for determining current-carrying capacity of printed circuit board traces. On the common FR-4 substrates, 1 oz copper (35 µm) is the usual, most common thickness; 2 oz (70 µm) and 0.5 oz (18 µm) thickness is often an option. Less common are 12 and 105 µm, 9 µm is sometimes available on some substrates. Flexible substrates typically have thinner metalization; 18 and 35 µm seem to be common, with 9 and 70 µm sometimes available. Aluminium or metal-core boards for high power devices commonly use thicker copper; 35 µm is usual but also 140 and 400 µm can be encountered. 2.7.8. Safety certification (US) Safety Standard UL 796 covers component safety requirements for printed wiring boards for use as components in devices or appliances. Testing analyzes characteristics such as flammability, maximum operating temperature, electrical tracking, heat deflection, and direct support of live electrical parts. 2.7.9. Multiwireboards Multiwire is a patented technique of interconnection which uses machine-routed insulated wires embedded in a non-conducting matrix (often plastic resin). It was used during the 1980s and 1990s. (Kollmorgen Technologies Corp, U.S. Patent 4,175,816 filed 1978) Multiwire is still available in 2010 through Hitachi. There are other competitive discrete wiring technologies that have been developed (Jumatech , layered sheets). Since it was quite easy to stack interconnections (wires) inside the embedding matrix, the approach allowed designers to forget completely about the routing of wires (usually a time- consuming operation of PCB design): Anywhere the designer needs a connection, the machine
  • 57.
    57 will draw awire in straight line from one location/pin to another. This led to very short design times (no complex algorithms to use even for high density designs) as well as reduced crosstalk (which is worse when wires run parallel to each other—which almost never happens in Multiwire), though the cost is too high to compete with cheaper PCB technologies when large quantities are needed. Corrections can be made to a Multiwire board more easily than to a PCB. 2.7.10. CROSSWOOD CONSTRUCTION:- Cordwood construction can save significant space and was often used with wire-ended components in applications where space was at a premium (such as missile guidance and telemetry systems) and in high-speed computers, where short traces were important. In cordwood construction, axial-leaded components were mounted between two parallel planes. The components were either soldered together with jumper wire, or they were connected to other components by thin nickel ribbon welded at right angles onto the component leads. To avoid shorting together different interconnection layers, thin insulating cards were placed between them. Perforations or holes in the cards allowed component leads to project through to the next interconnection layer. One disadvantage of this system was that special nickel-leaded components had to be used to allow the interconnecting welds to be made. Differential thermal expansion of the component could put pressure on the leads of the components and the PCB traces and cause physical damage (as was seen in several modules on the Apollo program). Additionally, components located in the interior are difficult to replace. Some versions of cordwood construction used soldered single-sided PCBs as the interconnection method (as pictured), allowing the use of normal-leaded components. Before the advent of integrated circuits, this method allowed the highest possible component packing density; because of this, it was used by a number of computer vendors including Control Data Corporation. The cordwood method of construction was used only rarely once semiconductor electronics and PCBs became widespread. 2.8. SENSOR SYSTEMS&TECHNOLOGY In the broadest definition, a sensor is an object whose purpose is to detect events or changes in its environment, and then provide a corresponding output. A sensor is a type of transducer; sensors may provide various types of output, but typically use electrical or optical signals. For example, a thermocouple generates a known voltage (the output) in response to its temperature (the environment). A mercury-in-glass thermometer, similarly, converts measured temperature into expansion and contraction of a liquid, which can be read on a calibrated glass tube.
  • 58.
    58 Sensors are usedin everyday objects such as touch-sensitive elevator buttons (tactile sensor) and lamps which dim or brighten by touching the base, besides innumerable applications of which most people are never aware. With advances in micromachinery and easy-to-use micro controller platforms, the uses of sensors have expanded beyond the most traditional fields of temperature, pressure or flow measurement, for example into MARG sensors. Moreover, analog sensors such as potentiometers and force-sensing resistors are still widely used. Applications include manufacturing and machinery, airplanes and aerospace, cars, medicine, and robotics.it is also included in our day-to-day life. A sensor's sensitivity indicates how much the sensor's output changes when the input quantity being measured changes. For instance, if the mercury in a thermometer moves 1 cm when the temperature changes by 1 °C, the sensitivity is 1 cm/°C (it is basically the slope Dy/Dx assuming a linear characteristic). Some sensors can also have an impact on what they measure; for instance, a room temperature thermometer inserted into a hot cup of liquid cools the liquid while the liquid heats the thermometer. Sensors need to be designed to have a small effect on what is measured; making the sensor smaller often improves this and may introduce other advantages.Technological progress allows more and more sensors to be manufactured on a microscopic scale as microsensors using MEMS technology. In most cases, a microsensor reaches a significantly higher speed and sensitivity compared with macroscopic approaches. Classification of measurement errors An infrared sensor A good sensor obeys the following rules:[citation needed] :  it is sensitive to the measured property,  it is insensitive to any other property likely to be encountered in its application, and  it does not influence the measured property. The sensitivity is then defined as the ratio between the output signal and measured property. For example, if a sensor measures temperature and has a voltage output, the sensitivity is a constant with the unit [V/K]; this sensor is linear because the ratio is constant at all points of measurement. For an analog sensor signal to be processed, or used in digital equipment, it needs to be converted to a digital signal, using an analog-to-digital converter.
  • 59.
    59 2.8.1. Sensor deviations Ifthe sensor is not ideal, several types of deviations can be observed:  The sensitivity may in practice differ from the value specified. This is called a sensitivity error.  Since the range of the output signal is always limited, the output signal will eventually reach a minimum or maximum when the measured property exceeds the limits. The full scale range defines the maximum and minimum values of the measured property.[citation needed]  If the output signal is not zero when the measured property is zero, the sensor has an offset or bias. This is defined as the output of the sensor at zero input.  If the sensitivity is not constant over the range of the sensor, this is called nonlinearity. Usually, this is defined by the amount the output differs from ideal behavior over the full range of the sensor, often noted as a percentage of the full range.  If the deviation is caused by a rapid change of the measured property over time, there is a dynamic error. Often, this behavior is described with a bode plot showing sensitivity error and phase shift as a function of the frequency of a periodic input signal.  If the output signal slowly changes independent of the measured property, this is defined as drift (telecommunication). Long term drift usually indicates a slow degradation of sensor properties over a long period of time.  Noise is a random deviation of the signal that varies in time.  Hysteresis is an error caused by when the measured property reverses direction, but there is some finite lag in time for the sensor to respond, creating a different offset error in one direction than in the other.  If the sensor has a digital output, the output is essentially an approximation of the measured property. The approximation error is also called digitization error.  If the signal is monitored digitally, limitation of the sampling frequency also can cause a dynamic error, or if the variable or added noise changes periodically at a frequency near a multiple of the sampling rate may induce aliasing errors.  The sensor may to some extent be sensitive to properties other than the property being measured. For example, most sensors are influenced by the temperature of their environment. All these deviations can be classified as systematic errors or random errors. Systematic errors can sometimes be compensated for by means of some kind of calibration strategy. Noise is a random error that can be reduced by signal processing, such as filtering, usually at the expense of the dynamic behavior of the sensor. 2.8.2. Resolution The resolution of a sensor is the smallest change it can detect in the quantity that it is measuring. Often in a digital display, the least significant digit will fluctuate, indicating that changes of that
  • 60.
    60 magnitude are onlyjust resolved. The resolution is related to the precision with which the measurement is made. For example, a scanning tunneling probe (a fine tip near a surface collects an electron tunneling current) can resolve atoms and molecules. Types  Pressure sensor  Ultrasonic sensor  Humidity sensor  Gas sensor  PIR motion sensor  Acceleration sensor  Displacement sensor  Force measurement sensor  color sensor  gyro sensor  ultrasonic sensor 2.8.3. Sensors in nature All living organisms contain biological sensors with functions similar to those of the mechanical devices described. Most of these are specialized cells that are sensitive to:  Light, motion, temperature, magnetic fields, gravity, humidity, moisture, vibration, pressure, electrical fields, sound, and other physical aspects of the external environment  Physical aspects of the internal environment, such as stretch, motion of the organism, and position of appendages (proprioception)  Environmental molecules, including toxins, nutrients, and pheromones  Estimation of biomolecules interaction and some kinetics parameters  Internal metabolic indicators, such as glucose level, oxygen level, or osmolality  Internal signal molecules, such as hormones, neurotransmitters, and cytokines  Differences between proteins of the organism itself and of the environment or alien creatures. 2.8.4. Chemical sensor:- A chemical sensor is a self-contained analytical device that can provide information about the chemical composition of its environment, that is, a liquid or a gas phase.[2] The information is provided in the form of a measurable physical signal that is correlated with the concentration of a certain chemical species (termed as analyte). Two main steps are involved in the functioning of a
  • 61.
    61 chemical sensor, namely,recognition and transduction. In the recognition step, analyte molecules interact selectively with receptor molecules or sites included in the structure of the recognition element of the sensor. Consequently, a characteristic physical parameter varies and this variation is reported by means of an integrated transducer that generates the output signal. A chemical sensor based on recognition material of biological nature is a biosensor. However, as synthetic biomimeticmaterials are going to substitute to some extent recognition biomaterials, a sharp distinction between a biosensor and a standard chemical sensor is superfluous. Typical biomimetic materials used in sensor development are molecularly imprinted polymers and aptamers. 2.8.6. Biosensor In biomedicine and biotechnology, sensors which detect analytes thanks to a biological component, such as cells, protein, nucleic acid or biomimetic polymers, are calledbiosensors. Whereas a non-biological sensor, even organic (=carbon chemistry), for biological analytes is referred to as sensor or nanosensor. This terminology applies for both in-vitro and in vivo applications. The encapsulation of the biological component in biosensors, presents a slightly different problem that ordinary sensors; this can either be done by means of a semipermeable barrier, such as a dialysis membrane or a hydrogel, or a 3D polymer matrix, which either physically constrains the sensing macromolecule or chemically constrains the macromolecule by bounding it to the scaffold. 2.8.7. PASSIVE INFRARED (PIR)MOTION SENSOR:-
  • 62.
    62 FIGURE CIRCUIT DIAGRAMOF PIR MOTION SENSOR;
  • 63.
    63 2.9 DUAL TONEMULTIPLE FREQUENCY SYTEMS IN A BRIEF:- Dual-tone multi-frequency signaling (DTMF) is an in-band telecommunication signaling system using the voice-frequency band over telephone lines between telephone equipment and other communications devices and switching centers. DTMF was first developed in theBell System in the United States, and became known under the trademark Touch-Tone for use in push-button telephones supplied to telephone customers, starting in 1963. DTMF is standardized by ITU-T Recommendation Q.23. It is also known in the UK as MF4. The Touch-Tone system using a telephone keypad gradually replaced the use of rotary dial and has become the industry standard forlandline and mobile service. Other multi-frequency systems are used for internal signaling within the telephone network. Multi frequency signaling Prior to the development of DTMF, telephone numbers were dialed by users with a loop- disconnect (LD) signaling, more commonly known as pulse dialing (dial pulse, DP) in the U.S. It functions by interrupting the current in the local loop between the telephone exchange and the calling party's telephone at a precise rate with a switch in the telephone that is operated by the rotary dial as it spins back to its rest position after having been rotated to each desired number. The exchange equipment responds to the dial pulses either directly by operating relays, or by storing the number in a digit register recording the dialed number. The physical distance for which this type of dialing was possible was restricted by electrical distortions and was only possible on direct metallic links between end points of a line. Placing calls over longer distances required either operator assistance or provision of special subscriber trunk dialing equipment. Operators used an earlier type of multi-frequency signaling. Multi-frequency signaling is a group of signaling methods that use a mixture of two pure tone (pure sine wave) sounds. Various MF signaling protocols were devised by the Bell System and CCITT. The earliest of these were for in-band signaling between switching centers, where long-distance telephone operators used a 16-digit keypad to input the next portion of the destination telephone number in order to contact the next downstream long-distance telephone operator. This semi-automated signaling and switching proved successful in both speed and cost effectiveness. Based on this prior success with using MF by specialists to establish long- distance telephone calls, dual-tone multi-frequency signaling was developed for end-user signaling without the assistance of operators. The DTMF system uses a set of eight audio frequencies transmitted in pairs to represent 16 signals, represented by the ten digits, the letters A to D, and the symbols # and *. As the signals are audible tones in the voice frequency range, they can be transmitted through electrical repeaters and amplifiers, and over radio and microwave links, thus eliminating the need for intermediate operators on long-distance circuits.
  • 64.
    64 AT&T described theproduct as "a method for pushbutton signaling from customer stations using the voice transmission path." In order to prevent consumer telephones from interfering with the MF-based routing and switching between telephone switching centers, DTMF frequencies differ from all of the pre-existing MF signaling protocols between switching centers: MF/R1, R2, CCS4, CCS5, and others that were later replaced by SS7 digital signaling. DTMF was known throughout the Bell System by the trademark Touch-Tone. The term was first used by AT&T in commerce on July 5, 1960 and was introduced to the public on November 18, 1963, when the first push-button telephone was made available to the public. It was a registered trademark by AT&T from September 4, 1962 to March 13, 1984. It is standardized by ITU- T Recommendation Q.23. In the UK, it is also known as MF4. Other vendors of compatible telephone equipment called the Touch-Tone feature tone dialing or DTMF, or used their other trade names such as Digitone by Northern Electric Company in Canada. As a method of in-band signaling, DTMF signals were also used by cable television broadcasters to indicate the start and stop times of local commercial insertion points during station breaks for the benefit of cable companies. Until out-of-band signaling equipment was developed in the 1990s, fast, unacknowledged DTMF tone sequences could be heard during the commercial breaks of cable channels in the United States and elsewhere. Previously, terrestrial television stations used DTMF tones to control remote transmitters. #, *, A, B, C, and D DTMF keypad layout. The engineers had envisioned telephones being used to access computers, and automated response systems. They consulted with companies to determine the requirements. This led to the addition of the number sign (#, ''pound'' or "diamond" in this context, "hash", "square" or "gate" in the UK, and "octothorpe'' by the original engineers) and asterisk or "star" (*) keys as well as a group of keys for menu selection: A, B, C and D. In the end, the lettered keys were dropped from
  • 65.
    65 most phones, andit was many years before the two symbol keys became widely used for vertical service codes such as *67 in the United States of America and Canada to suppress caller ID. Public payphones that accept credit cards use these additional codes to send the information from the magnetic strip. The AUTOVON telephone system of the United States Armed Forces used these signals to assert certain privilege and priority levels when placing telephone calls.[3] Precedence is still a feature of military telephone networks, but using number combinations. For example, entering 93 before a number is a priority call. Present-day uses of the A, B, C and D signals on telephone networks are few, and are exclusive to network control. For example, the A key is used on some networks to cycle through different carriers at will. The A, B, C and D tones are used in radio phone patch and repeater operations to allow, among other uses, control of the repeater while connected to an active phone line. The *, #, A, B, C and D keys are still widely used worldwide by amateur radio operators and commercial two-way radio systems for equipment control, repeater control, remote-base operations and some telephone communications systems. DTMF signaling tones can also be heard at the start or end of some VHS (Video Home System) cassette tapes. Information on the master version of the video tape is encoded in the DTMF tone. The encoded tone provides information to automatic duplication machines, such as format, duration and volume levels, in order to replicate the original video as closely as possible. DTMF tones are used in some caller ID systems to transfer the caller ID information, but in the United States only Bell 202 modulated FSK signaling is used to transfer the data. Keypad 1209 Hz on 697 Hz to make the 1 tone The DTMF telephone keypad is laid out in a 4×4 matrix of push buttons in which each row represents the low frequency component and each column represents the high frequency component of the DTMF signal. Pressing a key sends a combination of the row and column frequencies. For example, the key 1 produces a superimposition of tones of 697 and
  • 66.
    66 1209 hertz (Hz).Initial pushbutton designs employed levers, so that each button activated two contacts. The tones are decoded by the switching center to determine the keys pressed by the user. DTMF keypad frequencies (with sound clips) 1209 Hz 1336 Hz 1477 Hz 1633 Hz 697 Hz 1 2 3 A 770 Hz 4 5 6 B 852 Hz 7 8 9 C 941 Hz * 0 # D Decoding DTMF was originally decoded by tuned filter banks. By the end of the 20th century, digital signal processing became the predominant technology for decoding. DTMF decoding algorithms often use the Goertzel algorithm to detect tones. Other multiple frequency signals National telephone systems define other tones that indicate the status of lines, equipment, or the result of calls. Such call-progress tones are often also composed of multiple frequencies and are standardized in each country. The Bell System defines them in the Precise Tone Plan. However, such signaling systems are not considered to belong to the DTMF system.
  • 67.
    67 CHAPTER-3 ASSIGNED PROJECT DESCRIPTION 3.1INTRODUCTION:- Conventionally, wireless-controlled robots use RF circuits, which have the drawbacks of limited working range, limited frequency range and limited control. Use of a mobile phone for robotic control can overcome these limitations. It provides the advantages of robust control, working range as large as the coverage area of the service provider, no interference with other controllers and up to twelve controls. Although the appearance and capabilities of robots vary vastly, all robots share the features of a mechanical, movable structure under some form of control. The control of robot involves three distinct phases: perception, processing and action. Generally, the preceptors are sensors mounted on the robot, processing is done by the on-board microcontroller or processor, and the task (action) is performed using motors or with some other actuators.Mostlywireless-controlled robots use RF circuits, which have the drawbacks of limited frequency, limited control&limited frequency range. Since here cell phone is used for control the operation of robot, can overcome these limitations. The cell phone signal have a wide range over the surface that’s why robot can be operated from far away without disturbance and interference with other signals. The control action of robot is includes three parts Perception, processing and action. Generally, the preceptors are sensors mounted on the robot, processing is done by the on- board microcontroller or processor, and the action is performed using motors. Radio control (often abbreviated to R/C or simply RC) is the use of radio signals to remotely control device. The term is used frequently to refer to the control of model vehicles from a hand- held radio transmitter. Industrial, military, and scientific research organizations make use of radio-controlled vehicles as well. A remote control vehicle (RCV) is defined as any mobile device that is controlled by a means that does not restrict its motion with an origin external to the device. This is often a radio control device, cable between control and vehicle, or an infrared controller. A RCV is always controlled by a human and takes no positive action autonomously. One of the key technologies which underpin this field is that of remote vehicle control. It is vital that a vehicle should be capable of proceeding accurately to a target area maneuvering within that area to fulfill its mission and returning equally accurately and safely to base. This project includes a robotic car consisting of a cell phone, DTMF decoder and microcontroller. The transmitter is a handheld mobile phone. The technology used is explained in section II, the circuit design, construction and working are in section III and IV. The applications and future scope of the project is explained in the further sections.
  • 68.
    68 • Aim ofthe project is to use a mobile phone to control a robotic arm mounted on a land rover • Provides robust control, large working range and 16 controls. • Control of robot involves 4 different phases: a) Perception b) Processing c) Action& d)Detection 3.2 PROJECT OVERVIEW:- In this project, the robot is controlled by a mobile phone that makes a call to the mobile phone attached to the robot. In the course of a call, if any button is pressed,a tone corresponding to the button pressed is heard at the other end of the call. This tone is called ‘dual-tone multiple frequency’ (DTMF) tone. The robot perceives this DTMF tone. PARTS LIST :- Semiconductors: IC1 - MT8870 DTMF decoder IC2 - ATmega16 AVR Microcontroller IC3 - L293D motor driver IC4 - 74LS04 NOT gate D1 - 1N4007 rectifier diode Resistors (all ¼-watt, ±5% carbon): R1, R2 - 100-kilo-ohm R3 - 330-kilo-ohm R4-R8 - 10-kilo-ohm Capacitors: C1 - 0.47μF ceramic disk C2, C3, C5, C6 - 22pF ceramic disk C4 - 0.1μF ceramic disk Miscellaneous: XTAL1 - 3.57MHz crystal XTAL2 - 12MHz crystal
  • 69.
    69 S1 - Push-to-onswitch M1, M2 - 6V, 50-rpm geared DC motor Batt. - 6V, 4.5Ah battery with the help of the phone stacked in the robot. The received tone is processed bythe ATmega16 microcontroller with the help of DTMF decoder MT8870. The decoder decodes the DTMF tone into its equivalent binary digit and this binary number is sent to the microcontroller.The microcontroller is preprogrammed to take a decision for any given input and outputs its decision to motor drivers in order to drive the motors for forward or backward motion oraturn.Themobi le that makes a call to the mobile phone stacked in the robot acts as a remote. So this simple robotic project does not require the construction of receiver and transmitter units.DTMF signaling is used for telephone signaling over the line in thevoice-frequency band to the call switching centre. The version of DTMF used for telephone tone dialing is known as ‘Touch-Tone.’ DTMF assigns a specific frequency (consisting of two separate tones) to each key so that it can easily be identified by the electronic circuit. The signal generated by the DTMF encoder is a direct algebraicsummation, in real time, of the amplitudes of two sine (cosine) waves of different frequencies, i.e.,pressing ‘5’ will send a tone made by adding 1336 Hz and 770 Hz to the other end of the line. The tones and assignments in a DTMF system are Shown in TABLE 3.3 TECHNOLOGY USED:- . DTMF Decoder (MT8870) DTMF dialing uses a keypad with 12/16 buttons. Each key when pressed, generates two tons of specific frequencies, so a voice or a random signal cannot imitate
  • 70.
    70 the tones..One toneisgenerated from a high frequency group of tones and the other from low frequency group. The frequencies generated on pressing different phone The tones produced when dialing on the keypad on the phone could be used to represent the digits, and a separate tone is used for each digit. However, there is always a chance that a random sound will be on the same frequency which will trip up the system. It was suggested that if twotones were used to represent a digit, the likelihood of a false signal occurring is ruled out. This is the basis of using dual tone in DTMF communication. 3.3.1 Dual-Tone Multi-Frequency (DTMF) Dual-tone multi-frequency (DTMF) signaling is used for telecommunication signaling over analog telephone lines in the voice-frequency band between telephone handset and other communications devices and the switching center. The version of DTMF used for telephone tone dialing is known by the trademarked term Touch-Tone (canceled March 13, 1984), and is standardized by ITU-T Recommendation It is also known in the UK as MF4. Other multi- frequency systems are used for signaling internal to the telephone network . 2.2 Telephone Keypad The contemporary keypad is laid out in a 3×4grid, although the original DTMF keypad had an additional column for four now-defunct menu selector keys. When used to dial a telephone number, pressing a single key will produce a pitch consisting of two simultaneous pure tone sinusoidal frequencies. The row in which the key appears determines the low frequency, and the column determines the high frequency . For example, pressing the '1' key will result in a sound composed of both a 697 and a 1209 hertz (Hz) tone as shown in Fig. 2.1. The original keypads had levers inside, so each button activated two contacts. The multiple tones are the reason for calling the system multi frequency. These tones are then decoded by the switching center to determine which key was pressed . 3.3.2 Tones #, *, A, B, C, and D The engineers had envisioned phones being used to access computers, and surveyed a number of companies to see what they would need for this role. This led to the addition of the number sign (#, sometimes called 'octothorpe' in this context) and asterisk or "star" (*) keys as well as a group of keys for menu selection: A, B, C and D. In the end, the lettered keys were dropped from most phones, and it was many years before these keys became widely used for vertical service codes such as *67 in the United States and Canada to suppress caller ID. The U.S. military also used the letters, relabeled, in their now defunct Autovon phone system. Here they were used before dialing the phone in order to give some calls priority, cutting in over existing calls if need be. The idea was to allow important traffic to get through every time. The
  • 71.
    71 levels of priorityavailable were Flash Override (A), Flash (B), Immediate (C), and Priority (D), with Flash Override being the highest priority . DTMF Data Output Low High Digit OE D3 D2 D1 D0 697 1209 1 H L L L H 697 1336 2 H L L H L 697 1477 3 H L L H H 770 1209 4 H L H L L 770 1336 5 H L H L H 770 1477 6 H L H H L 852 1209 7 H L H H H 852 1336 8 H H L L L 852 1477 9 H H L L H 941 1336 0 H H L H L 941 1209 * H H L H H 941 1477 # H H H L L 697 1633 A H H H L H 770 1633 B H H H H L 852 1633 C H H H H H 941 1633 D H L L L L - - ANY L Z Z Z Z Actions Performed Corresponding to the Keys Pressed
  • 72.
    72 Number Output ofHT9170 Input to the Output from Action pressed DTMF decoder microcontroller microcontroller performed by user 2 0×02 0×FD 0×89 Forward motion 00000010 11111101 10001001 4 0×04 0XFB 0×85 Left turn 00000100 11111011 10000101 Right motor forwarded Left motor backwarded 6 0×06 0XF9 0×8A Right turn 00000110 11111001 10001010 Right motor backwarded Left motor forwarded 8 0×08 0XF7 0×86 Backward motion 00001000 11110111 10000110 5 0×05 0XFA 0×00 Stop 00000101 11111010 00000000 3.4 CIRCUIT DESIGN & DESCRIPTION:- Fig. 1 shows the block diagram of the microcontroller-based mobile phone operated land rover. The important components of this rover are a DTMF decoder, microcontroller and motor driver. An MT8870 series DTMF decoder is used here. All types of the MT8870 series use digital counting techniques to detect and decode all the 16 DTMF tone pairs into a 4-bit code output. The built-in dial tone rejection circuit eliminates the need for pre-filtering. When the input signal given at pin 2 (IN-) in single-ended input configuration is recognised to be effective, the correct 4-bit decode signal of the DTMF tone is transferred to Q1 (pin 11) through Q4 (pin 14) outputs. Table II shows the DTMF data output table of MT8870. Q1 throughQ4 outputs of the DTMF decoder (IC1) are connected to port pins PA0 through PA3 of ATmega16 microcontroller (IC2) after inversion by N1 through N4, respectively. The ATmega16 is a low- power, 8-bit, CMOS microcontroller based on the AVR enhanced RISC architecture. It provides the following features: 16 Kb of in-system programmable Flash program memory with read- while-write capabilities, 512 bytes of EEPROM, 1kB SRAM, 32 general-purpose input/output
  • 73.
    73 (I/O) lines and32 general-purpose working registers. All the 32 registers are directly connected to the arithmetic logic unit, allowing two independent registers to be accessed in one single instruction executed in one clock cycle. The resulting architecture is more code-efficient .Outputs from port pins PD0 through PD3 and PD7 of the microcontroller are fed to inputs IN1through IN4 and enable pins (EN1 and EN2) of motor driver L293D, respectively, to drive two geared DC motors. Switch S1 is used for manual reset. The microcontroller output is not sufficient to drive the DC motors, so current drivers are required for motor rotation. The L293D is a quad, high-current, half-H driver designed to provide bidirectional drive currents of up to 600 mA at voltages from 4.5V to36V. It makes it easier to drive the DC motors. The L293D consists of four drivers. Pins IN1 through IN4 and OUT1 through OUT4 are input and output pins, respectively, of driver 1 through driver 4. Drivers 1 and 2, and drivers 3 and 4 are enabled by enable pin 1 (EN1) and pin 9 (EN2), respectively. When enable input EN1 (pin1) is high, drivers 1 and 2 are enabled and the outputs corresponding to their inputs are active. Similarly, enable input EN2 (pin 9) enables drivers 3 and 4. An actual-size, single-side PCB LAY OUT for cellphone-operated land rover is Used in Our Project. MOTOR DRIVER;
  • 74.
  • 75.
    75 FIGURE:- MICROCONTROLLER CIRCUIT DIAGRAM: FIGURE:-CIRCUITDIAGRAM OF A CELL PHONE OPERATED LAND ROVER; 3.5. SOFTWARE DESCRIPTION:- The software is written in ‘C’ language and compiled using CodeVision AVR ‘C’ compiler. The source program is converted into hex code by the compiler. Burn this hex code into ATmega16
  • 76.
    76 AVR microcontroller .The source program is well commented and easy to understand. First include the register name defined specifically for ATmega16 and also declare the variable. Set port A as the input and port D as the output. The program will run forever by using ‘while’ loop. Under ‘while’ loop, read port A and test the received input using ‘switch’ statement. The corresponding data will output at port D after testing of the received data. Two Software’s are needs to install 1. AVR Studio: -AVR Studio, with its Integrated Development Environment (IDE), is the ideal software for all AVR development. It has an editor, an assembler and a debugger and is front-end for all AVR emulators. And needs the GCC compiler i.e. WIN-AVR tool 2. AVR GCC Compiler: -WinAVR is a suite of executable, open source software development tools for the Atmel AVR series of RISC microprocessors and AVR32 series of microprocessors hosted on the Windows platform. It includes the GNU GCC compiler for C and C++. WinAVR is a collection of executable software development tools for the Atmel AVR processor hosted on Windows. Procedure:- The program can be written in “C” language and compiled using Code Vision AVR “C” compiler. The source program is converted into hex code by the compiler. Burn this hex code into Atmega16 AVR microcontroller. These software development tools include:- Programmer software:- -Circuit Emulator software Editor / IDE 3.6. CONSTUCTION:- When constructing any robot, one major mechanical constraint is the numberof motors being used. You can have either a two wheel drive or a four-wheel drive. Though four-wheel drive is more complex than two-wheel drive, it provides more torque and good control. Two-wheel drive, on the other hand, is very easy to construct. Top view of a four-wheel-driven land rover is shown in Figure . The chassis used in this model is a 10×18cm2 sheet made up of parax. Motors are
  • 77.
    77 fixed to thebottom of this sheet and the circuit is affixed firmly on top of the sheet. A cellphone is also mounted on the sheet as shown in the picture. In the four-wheel drive system, the two motors on a side are controlled in parallel. So a single L293D driver IC can drive the rover. For this robot, beads affixed with glue act as support wheels. While constructing any robot, one major mechanical constraint is the number of motors being used. You can have either a two- wheel drive or a four-wheel drive. Though four-wheel drive is more complex than two-wheel drive, it provides more torque and good control. Two-wheel drive, on the other hand, is very easy to construct. Motors are fixed to the bottom of this sheet and the circuit is affixed firmly on top of the sheet. A cell phone is also mounted on the sheet. In the four-wheel drive system, the two motors on a side are controlled in parallel. So a single L293D driver IC can drive the Robotic Car. In order to control the robot, you need to make a call to the cell phone attached to the robot (through head phone) from any phone, which sends DTMF tunes on pressing the numeric buttons. The cell phone in the robot is kept in ‘auto answer’ mode. So after a ring, the cell phone accepts the call. Now you may press any button on your mobile to perform actions. The DTMF tones thus produced are received by the cell phone in the robot. These tones are fed to the circuit by the headset of the cell phone. The MT8870 decodes the received tone and sends the equivalent binary number to the microcontroller. According to the program in the microcontroller, the robot starts moving. When key ‘2’ is pressed on the mobile phone, the microcontroller outputs for forward motion. When you press key ‘8’ on your mobile phone, the microcontroller outputs for Reverse motion. When you press key ‘4’ on your mobile phone, the microcontroller outputs for Left direction motion. When you press key ‘6’ on your mobile phone, the microcontroller outputs for Right direction motion. Four keys on the keypad are used for motion control of the robotic car. The rest can be configured to serve various other purposes depending on the area of application of the vehicle. 3.7. WORKING:- In order to control the robot, you need to make a call to the cell phone attached to the robot (through head phone) from any phone, which sends DTMF tunes on pressing the numeric buttons. The cell phone in the robot is kept in ‘auto answer’ mode. (If the mobile does not have the auto answering facility, receive the call by ‘OK’ key on the rover-connected mobile and then made it in hands-free mode.) So after a ring, the cellphone accepts the call. Now you may press any button on your mobile to perform actions as listed in Table III. The DTMF tones thus produced are received by the cellphone in the robot. These tones are fed to the circuit by the headset of the cellphone. The MT8870 decodes the received tone and sends the equivalent binary number to the microcontroller . According to the program in the microcontroller, the robot starts moving. When you press key ‘2’ (binary equivalent 00000010) on your mobile phone, the
  • 78.
    78 microcontroller outputs ‘10001001’binary equivalent. Port pins PD0, PD3 and PD7 are high. The high output at PD7 of the microcontroller drives the motor driver (L293D). Port pins PD0 and PD3 drive motors M1 and M2 in forward direction . Similarly, motors M1and M2 move for left turn, right turn, backward motion and stop condition. SOURCE PROGRAM :- #include <mega16.h> void main(void) { unsigned int k, h; DDRA=0x00; DDRD=0XFF; while (1) { k =~PINA; h=k & 0x0F; switch (h) { case 0x02: //if I/P is 0x02 { PORTD=0x89;//O/P 0x89 ie Forward break; } case 0x08: //if I/P is 0x08 { PORTD=0x86; //O/P 0x86 ie Backward break; } case 0x04: { PORTD=0x85; // Left turn break; } case 0x06: {
  • 79.
    79 PORTD=0x8A; // Rightturn break; } case 0x05: { PORTD=0x00; // Stop break; } } } } 3.8. FUTURE SCOPE& APPLICATIONS:- 3.8.1 Scientific Use Remote control vehicles have various scientific uses including hazardous environments. Majority of the probes to the other planets in our solar system have been remote control vehicles, although some of the more recent ones were partially autonomous. The sophistication of these devices has fueled greater debate on the need for manned spaceflight and exploration. The Voyager I spacecraft is the first craft of any kind to leave the solar system. The Martian explorers Spirit and Opportunity have provided continuous data about the surface of Mars since January 3 , 2004. 3.8.2 Military and Law Enforcement Use Military usage of remotely controlled military vehicles dates back the first half of 20th century. Soviet Red Army used remotely controlled Tele tanks during 1930s in the Winter War and early
  • 80.
    80 stage of WorldWar II. There were also remotely controlled cutters and experimental remotely controlled planes in the Red Army. Remote control vehicles are used in law enforcement and military engagements for some of the same reasons. Exposure to hazards is mitigated to the person who operates the vehicle from a location of relative safety. Remote controlled vehicles are used by many police department bomb-squads to defuse or detonate explosives. Unmanned Aerial Vehicles (UAVs) have undergone a dramatic evolution in capability in the past decade. Early UAV's were capable of reconnaissance missions alone and then only with a limited range. Current UAV's can hover around possible targets until they are positively identified before releasing their payload of weaponry. Backpack sized UAV's will provide ground troops with over the horizon surveillance capabilities. 3.8.3 Search and Rescue UAVs will likely play an increased role in search and rescue in the United States. Slowly otherEuropean countries (even some developing nations) are thinking about making use of these vehicles in case of natural calamities &emergencies. This can be a great asset to save lives of both people along with soldiers in case of terrorist attacks like the one happened in 26 Nov, 2008 in Mumbai, India. The loss of military personnel can be largely reduced by using these advanced methods. This was demonstrated by the successful use of UAVs during the 2008 hurricanes that struck Louisiana and Texas. 3.8.4 Forest Conservation In the recent times, there has been a serious endangerment to the wildlife population. A lot of animals are on the verge of becoming extinct, including the tiger. The spy robotic car can aid us in this purpose. Since it is a live streaming device and also mobile, it can keep the forest guards constantly updated about the status of different areas which are prone to attack. As a result, it can help to prevent further destruction of the forest resources by enabling correct prohibitory action at the appropriate times. 3.8.6 IR Sensors IR sensors can be used to automatically detect & avoid obstacles if the robot goes beyond line of sight. This avoids damage to the vehicle if we are maneuvering it from a distant place. 3.8.7 Password Protection Project can be modified in order to password protect the robot so that it can be operated only if correct password is entered. Either cell phone should be password protected or necessary
  • 81.
    81 modification should bemade in the assembly language code. This introduces conditioned access and increases security to a great extent. 3.8.8 Alarm Phone Dialer By replacing DTMF Decoder IC CM8870 by a 'DTMF Transceiver IC CM8880, DTMF tones can be generated from the robot. So, a project called 'Alarm Phone Dialer' can be built which will generate necessary alarms for something that is desired to be monitored (usually by triggering a relay). For example, a high water alarm, low temperature alarm, opening of back window, garage door, etc. When the system is activated it will call a number of programmed numbers to let the user know the alarm has been activated. This would be great to get alerts of alarm conditions from home when user is at work.
  • 82.
    82 CHAPTER-4 4.1. CONCLUSION :- Bydeveloping a cell phone operated robotic car, we have over come the drawbacks of the conventionally used RF circuits. This RCV includes advantages such as robust control, minimal interference and a large working range. The car requires four commands for motion control. The remaining twelve controls are available to serve purposes dependant on the area of application of the RCV. Today it seen that wireless controlled robot have some limitation of short working range, limited frequency range and limited control. As the operation of robot is control by cellular frequency which having very large range compare to any other wireless remote control. It provides the advantages of robust control, working range as large as the coverage area of the service provider, no interference with other controllers and up to twelve controls. Although the appearance and capabilities of robots vary vastly, all robots share the features of a mechanical, movable structure under some form of control. The control of robot involves three distinct phases: reception, processing and action. Generally, the preceptors are sensors mounted on the robot, processing is done by the on-board microcontroller or processor, and the task (action) is performed using motors or with some other actuators. So the motive is that to increase the range of remote controlled products. For this mobile phone operated control is best because we can globalize our project & no limitation of range.
  • 83.
    83 CHAPTER 5 5.1 REFFERENCE& BIBILIOGAPHY :- [1] “The 8051 Microcontroller and Embedded Systems” By Muhammad Ali Mazidi and Janice GillispieMazidi. Pearson Education. [2] S. Chemishkian, “Building smart services for smart home”, Proceedings of IEEE 4thInternational Workshop on Networked Appliances, 2011 pp: 2 15 -224.s [3] R. Sharma, K. Kumar, and S. Viq, “DTMF Based Remote Control System,” IEEE International Conference ICIT 2006, pp. 2380-2383, December 200 [4] Robotics and automation proceedings,1997 IEEE international conference on robotics & control systems. [5] Intelligent control 1989 proceedings IEEE international symposium on robotics & control systems. [6] Emerging trends in robotics and communication technologies, 2010 International conference on Robotics & control systems. [7] http://www.alldatasheet.com [8] http://www.atmel.com/literature [9] L. Schenker, "Pushbutton Calling with a Two- Group Voice-Frequency Code", The Bell System Technical Journal, 39(1), 1960, 235–255, ISSN 0005-8580 . [10] S. A. Nasar, I. Boldea, Electric Drives (CRC/Taylor and Francis, 2006). [11] V. Subramanyam, Electric Drives (Mc-Graw Hill, 1996). [12] Edwin Wise, Robotics Demystified (Mc-Graw Hill, 2005). [13]www.google.com