KEMBAR78
Arduino Uno Pinout | PDF
0% found this document useful (0 votes)
1K views1 page

Arduino Uno Pinout

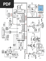
The document provides information about the pin layout of an Arduino Uno board, including: - A chart labeling each pin of the microcontroller and its corresponding Arduino pin number and functions like analog/digital input/output, PWM, serial communication. - Specifications for power supply including maximum current draw per pin and for the entire board. - A diagram visually depicting the pin positions and connections of the microcontroller, power sources and programming interface.

Uploaded by

Elias Iruela
Copyright
© Attribution Non-Commercial (BY-NC)
We take content rights seriously. If you suspect this is your content, claim it here.
Available Formats
Download as PDF, TXT or read online on Scribd
0% found this document useful (0 votes)
1K views1 page

Arduino Uno Pinout

The document provides information about the pin layout of an Arduino Uno board, including: - A chart labeling each pin of the microcontroller and its corresponding Arduino pin number and functions like analog/digital input/output, PWM, serial communication. - Specifications for power supply including maximum current draw per pin and for the entire board. - A diagram visually depicting the pin positions and connections of the microcontroller, power sources and programming interface.

Uploaded by

Elias Iruela
Copyright
© Attribution Non-Commercial (BY-NC)
We take content rights seriously. If you suspect this is your content, claim it here.
Available Formats
Download as PDF, TXT or read online on Scribd
You are on page 1/ 1

LEGEND GND POWER CONTROL PHYSICAL PIN PORT PIN ATMEGA328 PIN FUNC DIGITAL PIN ANALOG-RELATED PIN

PWM PIN SERIAL PIN ARDUINO PIN


Source Total 150mA Source Total 150mA General Information Pay Attention No Really PAY ATTENTION LED
0 1 2 OC2B PWM T0 3 4

RESET RXD TXD INT0 INT1 XCK

PCINT5 PCINT16 PCINT17 PCINT18 PCINT19 PCINT20

PC6 PD0 PD1 PD2 PD3 PD4 VCC GND

1 2 3 4 5 6 7 8 9 10 11 12 13 14

28 27 26 25 24 23 22 21 20 19 18 17 16 15

PC5 PC4 PC3 PC2 PC1 PC0 GND AREF VCC PB5 PB4 PB3 PB2 PB1

PCINT13 PCINT12 PCINT11 PCINT10 PCINT9 PCINT8

ADC5 ADC4 ADC3 ADC2 ADC1 ADC0

A5 A4 A3 A2 A1 A0

SCL SDA

OSC1 OSC2 OC0B OC0A PWM PWM 5 6 7 ICP1 8

XTAL1 XTAL2 T1 AIN0 AIN1 CLKO

PCINT6 PCINT7 PCINT21 PCINT22 PCINT23 PCINT0

PB6 PB7 PD5 PD6 PD7 PB0

ATMEGA328

PCINT5 PCINT4 PCINT3 PCINT2 PCINT1

SCK MISO OC2A OC1B OC1A

13 12 11 10 9 PWM PWM PWM MOSI SS

POWER BARREL JACK

USB JACK

www.pighixxx.com
BY PIGHIXXX

THE UNOFFICIAL

Absolute max per pin 40mA reccomended 20mA Absolute max 200mA for entire package Reserved R3 Only
IOREF RESET 3V3 5V GND GND Vin
IOREF RESET 3,3V 5V GND GND Vin AREF GND 13 12 11 10 9 8 7 6 5 4 3 2 TX 1 RX 0

29 JAN 2013
SCL SDA AREF GND 19 18 17 16 15 14 13 12 11 6 5 4 3 2 PB5 PB4 PB3 PB2 PB1 PB0 PD7 PD6 PD5 PD4 PD3 PD2 PD1 PD0 PCINT5 PCINT4 PCINT3 PCINT2 PCINT1 PCINT0 PCINT23 PCINT22 PCINT21 PCINT20 PCINT19 PCINT18 PCINT17 PCINT16 SCK MISO MOSI SS ICP1

ARDUINO
PINOUT DIAGRAM

R3 Only

UNO

ATMEGA328

OC2A OC1B OC1A CLKO AIN1 AIN0 T1 T0 INT1 INT0 TXD RXD

PWM PWM PWM

Sink Total 100mA


PWM PWM PWM TX RX OC0A XCK OC2B

Sink Total 100mA


SDA SCL

PCINT8 PCINT9 PCINT10 PCINT11 PCINT12 PCINT13

ADC0 ADC1 ADC2 ADC3 ADC4 ADC5

PC0 PC1 PC2 PC3 PC4 PC5

23 24 25 26 27 28

A0 A1 A2 A3 A4 A5

RESET SCK MISO

ICSP
5V MOSI GND

Sink Total 100mA Connected to the ATMega and used for USB program and communicating with it

You might also like