KEMBAR78
Smps - TFT - Eer35 - Res TR810: 17PW26 REV:02 | PDF | Technology & Engineering
0% found this document useful (0 votes)
1K views1 page

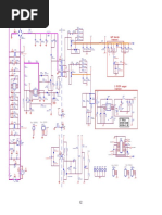
Smps - TFT - Eer35 - Res TR810: 17PW26 REV:02

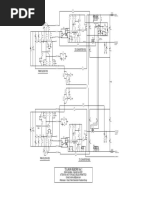
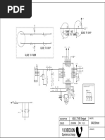
This document contains a circuit diagram for a switching power supply. It includes components such as MOSFETs, diodes, capacitors, resistors, transformers and integrated circuits used in the power conversion and control circuitry. The supply steps down a high input voltage to multiple regulated lower output voltages to power various parts of an electronic system.

Uploaded by

frankie35
Copyright
© Attribution Non-Commercial (BY-NC)
We take content rights seriously. If you suspect this is your content, claim it here.
Available Formats
Download as PDF, TXT or read online on Scribd
0% found this document useful (0 votes)
1K views1 page

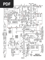
Smps - TFT - Eer35 - Res TR810: 17PW26 REV:02

This document contains a circuit diagram for a switching power supply. It includes components such as MOSFETs, diodes, capacitors, resistors, transformers and integrated circuits used in the power conversion and control circuitry. The supply steps down a high input voltage to multiple regulated lower output voltages to power various parts of an electronic system.

Uploaded by

frankie35
Copyright
© Attribution Non-Commercial (BY-NC)
We take content rights seriously. If you suspect this is your content, claim it here.
Available Formats
Download as PDF, TXT or read online on Scribd
You are on page 1/ 1

R1045

6k8

Off1

10n
50V

C805

FAN7529

COMP
2

VCC1

FAN7711

LO

1u
16V

GND

R1002
10k

R1001
10k

R999
10k

R1000
10k

R998
10k

R997
10k

+24V_BO

122k2

STPS_3P_10L60CFP

8
+24VA

D881

9
C962
+12V

+24V

+12SV

C863

C851

16V
1000u

16

16V
1000u

3
4
5

1n
1kV

C893

L811

1n
1kV

0R47
C842

R971

50V

100n
C894

PL800

PL802

R866
10k
C845

R868
6k8

7
8

L838

+12V

R1023

33R

100n
50V

100n
50V

R869
27R

D876
BAV99

C841

Q808
BC848B

35V
1000u

15

10

PL812

+12V_BO

C878

12n
630V

14

D857

R863
33k

C961
470u
35V

Q827
VFB

1N4148_SOD123

R972
1k

BC848B
R850
100k

D893
UF5402

3
R865
10k

R891
4k7
C947

BC858B
Q811

D811

R858
4k7

Q810

C931
470u
35V

STPS_3P_10L60CFP

A D826 K
1
2

R857
12k

BYV27-200

13

VCC1

R856
4k7

100k
R855

R1017

50R_100MHZ_3A
330R_100MHZ_3A

+12V_1

L839

10

A/D_DIM_SEL

1N5406

DIM_PWM_ANALOG

R823
15R

OUT7

R1036

C840
R867
8k2

R843
3k3
C949

C852

VS

Q816

35V
1000u

IC830

11

+24V
C948

CPH

C911
35V
1000u

2
L816

C850
25V
4700u

1
+24V

35V
1000u

HO

R864
10k

RT

10

100n
50V

C833

R859
33k
C839

GND 6

C819
150u
450V

1N5406
D883

VB

R861
10R

R910
47k

A D809 K
1
2
R849
470R C15V_SOD123

3MOT

PFC_OFF

10n
1kV

ZCD5

C902

4 CS

C826

1u
25V

1u
25V
C954

C932
C953

25V
1u

VSW

+400V

1k
R974

10u 50V
16V 10u

VSW
R803
27k

120k

VDD

1N4148_SOD123
D805

S818

STPS_3P_10L60CFP
STPS_3P_10L60CFP
Q828

1N4148_SOD123

Q807
BC848B

D882

CS1

C3V9_SOD123

1N4148_SOD123

R1015

SMPS_TFT_EER35_RES

MTP6N60E/SSP7N60A

2k2

SW_OFF

VFB

PL801
Q815

R860
10R

R852
10k

Q818
BC848B

ZCD

Q814
MTP6N60E/SSP7N60A

SW_OFF

RS1008_SOD123

Q813

1n
1kV

C925

12

R897
47k

D891

R836
47k
Freq

R970
47k

ZCD

D869

TR810

BC848B
Q812

11

D892

R973
15k
C898

10

1N4148_SOD123

50V
33u

1n
50V

100n
50V

+400V

R976
470R

100n
50V R862
47k

R1044
6k8

2n2
50V

D878
BSH103
Q837

D895
R1042
1k

C964

Q847
BC846B
C963

R1041
1k

C965

50V
47n

R1

+12V C8V2_SOD123

Off1

N2

RS1008_SOD123

Freq

BAV70

N1

PL822

R952
470R

47n
50V

TR806
PRI
SMPS-RESONANT_PFC SEC

PL821

D875

R1027
100k

4
1

D890

RELAY_SAFE_OJE-SS-112HM

RL1

+12V

Off1

PL820

1N4937

BC858B

3
L842

RELAY_COIL

R1035

PL819

R996
10k

Freq
1k5
R978

GNDCAP

2R2

RS1008_SOD123

C934
1u
450V

220k
R979

1u
16V

GNDCAP1

22u

C802
1u
450V

Q839

Off1

C899

L846

PL814

GNDCAP1

PL818

D894

R1029
680k

TH2

AC2

C928

AC3

2
C917

L817
10R
22u

FUSE_RADIAL

PL813

TH1

PL809
GNDCAP

VAR-510V

+24V
F800

S824

22u

2
S821

2n2
4kV

C933

S820

S823
10R

L818

C967

1n
1kV

PL815

GNDCAP

R801

1n
1kV

150uH

AC4

TR801
2X12m

210u
L837

GBU4M
C968
C800

L802

1n
1kV

250V
150n

D898

1N5406

GNDCAP1
AC1

D800

2n2
4kV

S819

2n2
4kV

C918

C966

4kV
2n2

22u
S822

C873

+400V

L845

11

BL_ON/OFF

12
VCC 8

2n2
50V

A D821 K
1
2

10u
16V

1u
16V
C959

C957

160V
1u

C33_SOD123

L825

+12V_1

+5VSTBY

+3.3VSTBY

10

12

11

14

13

+12V

+33

+3.3VS

16

15

18

17

20

19

22

21

24

23

26

25

28

27

R1046
1k5

VCC

R804
C969

RS1008_SOD123

S2

R1003
120R

R884

2n2
4kV

+12V_2

R960
10k
R834

BC848B

10k
R833

Q804

+3.3VSTBY
R828
47k

1u
16V

L801

50R_100MHZ_3A

C809

L800

50R_100MHZ_3A
L803

50V
2n2

50R_100MHZ_3A

22u

330R_100MHZ_3A

+5V

CSSD

C942
C943

C938
10u
16V
gnd2

C939
10u
16V

gnd2

gnd2

L823

PL804
L819

50R_100MHZ_3A
L824

1N4148_SOD123

+12V

330R_100MHZ_3A
L830

60R_100MHZ_3A

50R_100MHZ_3A

gnd2

1
2
3

Q833
BC848B
BC848B
Q831

22k
R965

D854

+24V
R1043
1k

4
1N4148_SOD123

+5V
R1

D897
Q834
BC848B

ST_BY
2n2
4kV

33R
R832

BC848B

4M7
C813

gnd2
L822

60R_100MHZ_3A
L827

470p
50V

L832
SW_SWITCH
R1014
100R
330R_100MHZ_3A
C915
47n
50V

D888

TCET110GQ805

12k
R933

SW1

D2_2 8

A D847 K
1
2

R824
3k3

Q841

+5V

C6V8_SOD123

UMB ISTEGI
26"
EK OPSIYON

L844
50R_100MHZ_3A
L843

BC858B

BL_ON/OFF

C922

22R

gnd2
VAR-510V
R814

D2_17

IC803

1k8
R831

3k3
R883

C935
10u
16V

R964
100k

1N4148_SOD123
+3.3VSTBY

56k
R947

C913

R962
6k8

AO4842

1R
R1032
gnd2

1N4148_SOD123

C862
TL431SAMF2

+12SV

1k

BC848B
D885

R966
10k

3k3

D851

R879

50R_100MHZ_3A

D1_2 6

L826

gnd2

D865

SW2

R882
10k

1N4148_SOD123

10k

D842

R826
1k8

50V
100n

C874
R946
10k

R887

C847

R892
10k

1k8

16V
10u

C856
1n
50V

SW1

Q802
R881

IC811

R838

R1026
390R

C8V2_SOD123

D867

ON/OFF
Q845
BC848B

2 G2

SW2

Opto

C12V_SOD123 R1024
2k4

R812
gnd2 1R5

S1

gnd2

+12V_2

Q846
BC848B

LGATE

10n
50V

IC801 TCET110G

10k
R1025

gnd2

C5V1_SOD123

VF_MAIN

GND

16V
1000u

CAT7581

D1_15

C811

TR803

60R_100MHZ_3A

FB

60R_100MHZ_3A
L820

4 G1

BAT54J

C817
2
220u GND
25V

D884

R811
1R5

KEY_

330R_100MHZ_3A

5
6

1u
16V

BA159

+12V

A/D_DIM_SEL

D861

26V

+5V
+5VSTBY

UGATE

R809
1k

5k6

50R_100MHZ_3A
L835

IC829VOUT
378L05_TO921

OCSET

+5

+24VA

C904

D807
C801
33u
50V

10

+12V_2

220p
50V

10u
16V

D823
1

gnd2

L836

1u
16V

100R
R890

L821

R1040
10k

Q800
BC848C

C921

R825
100R

16V

C956

BOOT

C807
1u
16V

+12V

PHASE

1N4148_SOD123
C946

R1020
2k2

6V3
2200u

R802
33R

R1039
10k

R1010
20R
+400V

3
NC

R808
15k

C803
1u
16V

50R_100MHZ_3A

1n
50V

C804

gnd2
gnd2

R1033
10R

IC800

D802

D801

C860
2200u
6V3

R800
3k

50R_100MHZ_3A
C830
100n
50V

C6V8_SOD123

C818
4700u
6V3

UF5402

C924

250V
47u

22u

+3.3VSTBY

50V
100n

1N4148_SOD123

GND

60R_100MHZ_3A
L833

L804

CSSD

R810
56R

3V3

+12V

2 4

IC831
STPS5L25B
25V

20R

630V
10n
C810
D880

220p
50V
D879

R1011
20R

R1008
20R

R888
100R

1N4148_SOD123
VF_MAIN

D866

C892
10u
50V

L834

100R

5V

RS1008_SOD123

D862

R880
3k

C838

DR_38

1GND

5
AC_GND

16V
1u

DR_27

2VCC

20R

R1006
20R

DR_16

RS1008_SOD123 R1009

IC806

D806

5
VSTR

RS1008_SOD123 R1007

R1012
10k

10n
1kV

C903

FSDL321

3VFB

C920

R889

IPK

Opto

C22V_SOD123

R1030
6k8

+24V

2k2
R1031

D887

+12V
AC1

C881

+400V

1n
1kV

R1013
4k7

VCC1

8
DIM_PWM_ANALOG

KEY_INFO

D889

D886

+24V

SMPS_MINIDVB_SINGLE_RANGE
1n
1kV
C955

C919

C814

AC4
L840

1M
R940

AC4 AC1
4

ST_BY

R948

BC848B
Q806

AC2

1
L829

AC3

AC2

D1

D2

12k

R949
1k8

AC4

AC3

+3.3VSTBY

100R
R846

NTGS3446

D4

D3

VCC_3V3_ON

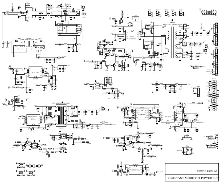
17PW26 REV:02

1u
16V

1M
R912

IC824

+3.3VSTBY

10u
16V
C951

1M
R980

AC2

S801
S817

R982
1M

C837
C950

R981
1M

C901

AC1

AC3

1M

16V
1u

R932

100n
50V

AC1

C824

AC2

R839
3k3

16V
100u

50V
10u

10k
R893

VCC_3V3_ON

22R
R1022

ON/OFF

BL_ON/OFF

PL859
SW_SWITCH

VCC2

16V
10u

20R
R953

BD138
Q844

R1021
22R

R822
47k

VF_MAIN

VCC1

ST_BY

+12SV

R876
30k
R875
4k7

D819
TL431SAMF2

+33V

10u
16V

47R
R873

C929
100n
50V
C930
100n
50V

2k7

1u
16V
C960

R874
1k
C849

R878

C958

TCET110G

R1016
1R

+12V

R872
10k

+24V

2
SW_SWITCH

C853

R871 +12V_BO
1k

C855

4
C846

0R47

R829

0R47

C916
33p
50V

R870
5k1

1n
50V

330k
R817

C941

R818
330k

R931
100k

R819
330k

CS1

R830

PFC_OFF

1n
50V

Freq
R820
27k
+400V

R1037 +24V_BO
1k

IC809
ZCD

PL816

+24V
BAV99
D877

R1038
2k4

R877
33k

C914

R977
10k

1u
16V

R1028
2k4
470p
1kV

R815
2k7

IC802

1u
16V
C870

C808

16V
1u
C883

Q803
VCC2 MTP6N60E/SSP7N60A

50V
22n

1 INV

L841

RESONANT MODE TFT POWER SUPP

You might also like