KEMBAR78
1565 RT | PDF | Field Effect Transistor | Mosfet
0% found this document useful (0 votes)
884 views24 pages

1565 RT

FSCQ1565RT is an integrated Pulse Width Modulation (PWM) controller and Sense FET specifically designed for quasi-resonant off-line Switch Mode Power Supplies (SMPS) it includes integrated fixed frequency oscillator, under voltage lockout, leading edge blanking (LEB), optimized gate driver, internal soft start, temperature compensated precise current sources for a loop compensation and self protection circuitry. It can reduce total cost, component count, size and weight simultaneously increasing efficiency,
Copyright
© Attribution Non-Commercial (BY-NC)
We take content rights seriously. If you suspect this is your content, claim it here.
Available Formats
Download as PDF, TXT or read online on Scribd
0% found this document useful (0 votes)
884 views24 pages

1565 RT

FSCQ1565RT is an integrated Pulse Width Modulation (PWM) controller and Sense FET specifically designed for quasi-resonant off-line Switch Mode Power Supplies (SMPS) it includes integrated fixed frequency oscillator, under voltage lockout, leading edge blanking (LEB), optimized gate driver, internal soft start, temperature compensated precise current sources for a loop compensation and self protection circuitry. It can reduce total cost, component count, size and weight simultaneously increasing efficiency,
Copyright
© Attribution Non-Commercial (BY-NC)
We take content rights seriously. If you suspect this is your content, claim it here.
Available Formats
Download as PDF, TXT or read online on Scribd
You are on page 1/ 24

www.fairchildsemi.

com

Green Mode Fairchild Power Switch (FPSTM) for Quasi-Resonant Switching Converter
Features
Optimized for Quasi-Resonant Converter (QRC) Advanced Burst-Mode operation for under 1 W standby power consumption Pulse by Pulse Current Limit (8A) Over load protection (OLP) - Auto restart Over voltage protection (OVP) - Auto restart Abnormal Over Current Protection (AOCP) - Latch Internal Thermal Shutdown (TSD) - Latch Under Voltage Lock Out (UVLO) with hysteresis Low Startup Current (typical : 25uA) Low Operating Current (typical : 7mA) Internal High Voltage SenseFET Built-in Soft Start (20ms) Extended Quasi-resonant Switching for Wide Load Range OUTPUT POWER TABLE
PRODUCT FSCQ0765RT FSCQ1265RT FSCQ1565RT 230VAC 15%(2) Open Frame(1) 100 W 170 W 210 W 85-265VAC Open Frame(1) 85 W 140 W 170 W

FSCQ1565RT

Table 1. Notes: 1. Maximum practical continuous power in an open frame design at 50C ambient. 2. 230 VAC or 100/115 VAC with doubler.

Typical Circuit Application


CTV DVD Receiver Audio Power Supply
AC IN Vo

Description
In general, Quasi-Resonant Converter (QRC) shows lower EMI and higher power conversion efficiency compared to the conventional hard switched converter with a fixed switching frequency. Therefore, it is well suited for applications that are sensitive to the noise, such as color TV and audio. The FSCQ1565RT is an integrated Pulse Width Modulation (PWM) controller and Sense FET specifically designed for Quasi-resonant off-line Switch Mode Power Supplies (SMPS) with minimal external components. The PWM controller includes integrated fixed frequency oscillator, under voltage lockout, leading edge blanking (LEB), optimized gate driver, internal soft start, temperature compensated precise current sources for a loop compensation and self protection circuitry. Compared with discrete MOSFET and PWM controller solution, it can reduce total cost, component count, size and weight simultaneously increasing efficiency, productivity, and system reliability. This device is a basic platform well suited for cost effective designs of Quasi resonant switching flyback converters.
FSCQ1565R T Dr ain

PW M
Sync V FB GN D

V cc

Figure 1. Typical Flyback Application

Rev.1.0.0
2004 Fairchild Semiconductor Corporation

FSCQ1565RT

Internal Block Diagram


Sync 5
+

Vcc 3
Quasi-resonant (QR) switching controller

Drain 1

Threshold

fs

9V/15V

Soft start

4.6V/2.6V : Normal QR 3.0V/1.8V : Extended QR

Vcc good Auxiliary Vref Normal operation

VBurst
Normal operation Vref IBFB Vcc Idelay

Burst mode Controller


Burst Switching Vref IFB Vref IB

OSC

Main bias

Internal bias

FB 4

PWM
S Q

2.5R R

Gate driver

LEB 600ns VSD Sync Vovp Vcc good


S Q Q S

AOCP 2 GND TSD Power off Reset Vocp

Figure 2. Functional Block Diagram of FSCQ1565RT

FSCQ1565RT

Pin Definitions
Pin Number 1 2 3 Pin Name Drain GND Vcc Pin Function Description High voltage power SenseFET drain connection. This pin is the control ground and the SenseFET source. This pin is the positive supply input. This pin provides internal operating current for both start-up and steady-state operation. This pin is internally connected to the inverting input of the PWM comparator. The collector of an opto-coupler is typically tied to this pin. For stable operation, a capacitor should be placed between this pin and GND. If the voltage of this pin reaches 7.5V, the over load protection triggers resulting in shutdown of the FPS. This pin is internally connected to the sync detect comparator for quasi resonant switching. In normal quasi-resonant operation, the threshold of the sync comparator is 4.6V/2.6V. Meanwhile, the sync threshold is changed to 3.0V/1.8V in extended quasi-resonant operation.

Vfb

Sync

Pin Configuration

TO-220F-5L

5.Sync 4.Vfb 3.Vcc 2.GND 1.Drain

Figure 3. Pin Configuration (Top View)

FSCQ1565RT

Absolute Maximum Ratings


(Ta=25C, unless otherwise specified) Parameter Drain-Source (GND) Voltage Gate-Source (GND) Voltage Drain Current Pulsed
(2) (1)

Symbol VDSS VDGR VGS IDM EAS ID ID VCC Vsync VFB PD TJ TA TSTG Rthjc

Value 650 650 30 45 1050 6.6 4.4 20 -0.3 to 13V -0.3 to VCC 75 +150 -25 to +85 -55 to +150 2

Unit V V V ADC mJ ADC ADC V V V W C C C C/W

Drain-Gate Voltage (RGS=1M)

Single Pulsed Avalanche Energy (3) Continuous Drain Current (Tc = 25C) Continuous Drain Current (TC=100C) Supply Voltage Analog Input Voltage Range Total Power Dissipation Operating Junction Temperature Operating Ambient Temperature Storage Temperature Range Thermal Resistance

Notes: 1. Tj = 25C to 150C 2. Repetitive rating: Pulse width limited by maximum junction temperature 3. L = 21mH, VDD = 50V, RG = 25, starting Tj = 25C

FSCQ1565RT

Electrical Characteristics (SenseFET Part)


(Ta=25C unless otherwise specified) Parameter Drain-Source Breakdown Voltage Zero Gate Voltage Drain Current Symbol BVDSS IDSS Condition VGS = 0V, ID = 250A VDS = Max, Rating, VGS = 0V VDS= 0.8*Max., Rating VGS = 0V, TC = 85C VGS = 10V, ID = 2.3A VGS = 0V, VDS = 25V, f = 1MHz VDD= 0.5BVDSS, ID= 7.0A (MOSFET switching times are essentially independent of operating temperature) VGS = 10V, ID = 7.0A, VDS = 0.5BVDSS (MOSFET Switching times are essentially independent of operating temperature) Min. 650 Typ. Max. 0.53 220 40 50 130 430 135 127 16 52 200 300 0.7 286 52 75 179 569 186 165 21 68 nC ns Unit V A A

Static Drain-source on Resistance (Note) RDS(ON) Input Capacitance Output Capacitance Reverse Transfer Capacitance Turn on Delay Time Rise Time Turn Off Delay Time Fall Time Total Gate Charge (Gate-Source+Gate-Drain) Gate-Source Charge Gate-Drain (Miller) Charge
Note: 1. Pulse test : Pulse width 300S, duty 2%

Ciss Coss Crss td(on) tr td (off) tf Qg Qgs Qgd

3050 3965 pF

FSCQ1565RT

Electrical Characteristics (Continued)


(Ta=25C unless otherwise specified) Parameter UVLO SECTION Vcc Start Threshold Voltage Vcc Stop Threshold Voltage SENSEFET SECTION Drain To PKG Breakdown Voltage (Note4) Drain To Source Breakdown Voltage Drain To Source Leakage Current OSCILLATOR SECTION Initial Frequency Voltage Stability Temperature Stability (Note2) Maximum Duty Cycle Minimum Duty Cycle FEEDBACK SECTION Feedback Source Current Shutdown Feedback Voltage Shutdown Delay Current PROTECTION SECTION Over Voltage Protection Over Current Latch Voltage (Note2) Thermal Shutdown Temp (Note4) VOVP VOCL TSD Vsync 11V 11 0.9 140 12 1.0 13 1.1 V V C IFB VSD IDELAY VFB = 0.8V Vfb 6.9V VFB = 5V 0.5 7.0 4 0.65 7.5 5 0.8 8.0 6 mA V A FOSC FSTABLE FOSC DMAX DMIN 12V Vcc 23V -25C Ta 85C 18 0 0 92 20 1 5 95 22 3 10 98 0 kHz % % % % BVpkg BVdss Idss 60HZ AC, Ta = 25C Ta = 25C Vdrain = 400V, Ta = 25C 3500 650 200 V V uA VSTART VSTOP VFB = GND VFB = GND 14 8 15 9 16 10 V V Symbol Condition Min. Typ. Max. Unit

Note: 1. These parameters is the current flowing in the Control IC. 2. These parameters, although guaranteed, are tested only in EDS (wafer test) process. 3. These parameters indicate Inductor Current. 4. These parameters, although guaranteed at the design, are not tested in mass production.

FSCQ1565RT

Electrical Characteristics (Continued)


(Ta=25C unless otherwise specified) Parameter Sync SECTION Sync Threshold in normal QR (H) Sync Threshold in normal QR (L) Sync Threshold in extended QR (H) Sync Threshold in extended QR (L) Extended QR enable frequency Extended QR disable frequency BURST MODE SECTION Burst Mode Enable Feedback Voltage Burst Mode Feedback Source Current Burst Mode switching Time Burst Mode Hold Time SOFTSTART SECTION Soft start Time (Note2) Peak Current Limit (Note3) Burst Mode Peak Current Limit (Note4) TOTAL DEVICE SECTION Startup Current Sustain Latch Current Operating Supply Current (Note1) - In normal operation - In burst mode (without switching) IOP IOB Vfb = 2V, VCC = 18V Vfb = GND, VCC = 18V 7 0.25 9 0.50 mA mA ISTART ISL VCC = VSTART-0.1V VCC = VSTOP-0.1V 25 50 50 100 uA uA TSS ILIM IBPK 18 7.04 0.6 20 8.0 1.0 22 8.96 1.4 ms A A CURRENT LIMIT(SELF-PROTECTION)SECTION VBEN IBFB TBS TBH VFB = 0V VFB = 0V 0.25 60 1.2 1.2 0.40 100 1.4 1.4 0.55 140 1.6 1.6 V uA ms ms VSH1 VSL1 VSH2 VSL2 FSYH FSYL Vcc = 16V, Vfb = 5V Vcc = 16V, Vfb = 5V Vcc = 16V, Vfb = 5V Vcc = 16V, Vfb = 5V 4.2 2.3 2.7 1.6 4.6 2.6 3.0 1.8 90 45 5.0 2.9 3.3 2.0 V V V V kHz kHz Symbol Condition Min. Typ. Max. Unit

Note: 1. These parameters is the current flowing in the Control IC. 2. These parameters, although guaranteed, are tested only in EDS (wafer test) process. 3. These parameters indicate Inductor Current. 4. These parameters, although guaranteed at the design, are not tested in mass production.

FSCQ1565RT

Comparison Between KA5Q1265RF and FSCQ1565RT


Function Startup Current Operating supply Current KA5Q1265RF Max. 200uA Typ. 10mA FSCQ1565RT Max. 50uA Typ. 7mA FSCQ1565RT Advantages Lower standby power consumption Operating current is reduced in burst operation to minimize standby power consumption - Normal operation : 7mA - Burst mode with switching : 7mA - Burst mode without switching : 0.25mA

Switching in Burst mode Output regulation in standby mode Output Voltage drop in burst mode Primary side regulation Soft start Extended Quasi-resonant switching Package Type

Quasi-resonant Fixed frequency switching switching (20kHz) Vcc control with hysteresis about half Available N/A N/A TO-3PF-5L Output voltage feedback control Any level N/A Available Available TO-220F-5L Internal soft-start (20ms) - Guarantees wide load range - Improved efficiency at high line input Easy to determine the output voltage in the standby mode Lower power consumption in the standby mode through larger output voltage drop

FSCQ1565RT

Electrical characteristics

Operating Supply Current


1.2

Burst-mode Supply Current( Non-Switching)


1.4

Normalized to 25

Normalized to 25
0 50 100 150

1.2

1.0

1.0

0.8

0.8 -50

0.6 -50

50

100

150

Temp[ ]

Temp[ ]

Start-Up Current
1.4

Start Threshold Voltage


1.10

Normalized to 25

1.2

Normalized to 25

1.05

1.0

1.00

0.8

0.95

0.6

-50

50 Temp[ ]

100

150

0.90 -50

50

100

150

Temp[ ]

Stop Threshold Voltage


1.10

Initial Frequency
1.10

Normalized to 25

Normalized to 25

1.05

1.05

1.00

1.00

0.95

0.95

0.90 -50

50

100

150

0.90 -50

50

100

150

Temp[ ]

Temp[]

FSCQ1565RT

Electrical characteristics

Maximum Duty Cycle


1.10
1.10

Over Voltage Protection

Normalized to 25

Normalized to 25

1.05

1.05

1.00

1.00

0.95

0.95

0.90 -50

50

100

150

0.90 -50

50

100

150

Temp[ ]

Temp[ ]

Shutdown Delay Current


1.2

Shutdown Feedback Voltage


1.10

Normalized to 25

1.1

Normalized to 25
0 50 100 150

1.05

1.0

1.00

0.9

0.95

0.8 -50

0.90 -50

50

100

150

Temp[ ]

Temp[ ]

Feedback Source Current


1.2

Burst_mode Feedback Source Current


1.2

Normalized to 25
0 50 Temp[ ] 100 150

Normalized to 25

1.1

1.1

1.0

1.0

0.9

0.9

0.8 -50

0.8 -50

50

100

150

Temp[ ]

10

FSCQ1565RT

Electrical characteristics

Feedback Offset Voltage


1.4

Burst_Mode Enable Feedback Voltage


1.4

Normalized to 25
0 50 100 150

Normalized to 25

1.2

1.2

1.0

1.0

0.8

0.8

0.6 -50

Temp[ ]

0.6 -50

50

100

150

Temp[]

Sync. Threshold in Normal QR(H)


1.10 1.10

Sync. Threshold in Normal QR(L)

Normalized to 25

1.05

Normalized to 25
0 50 100 150

1.05

1.00

1.00

0.95

0.95

0.90 -50

0.90 -50

50

100

150

Temp[]

Temp[ ]

Sync. Threshold in Extended QR(H)


1.10

Sync. Threshold in Extended QR(L)


1.10

Normalized to 25

1.05

Normalized to 25
0 50 100 150

1.05

1.00

1.00

0.95

0.95

0.90 -50

0.90 -50

50

100

150

Temp[ ]

Temp[ ]

11

FSCQ1565RT

Functional Description
1. Startup : Figure 4 shows the typical startup circuit and transformer auxiliary winding for FSCQ1565RT application. Before FSCQ1565RT begins switching, FSCQ1565RT consumes only startup current (typically 25uA) and the current supplied from the AC line charges the external capacitor (Ca1) that is connected to the Vcc pin. When Vcc reaches start voltage of 15V (VSTART), FSCQ1565RT begins switching, and the current consumed by FSCQ1565RT increases to 4mA. Then, FSCQ1565RT continues its normal switching operation and the power required for this device is supplied from the transformer auxiliary winding, unless Vcc drops below the stop voltage of 9V (VSTOP). To guarantee the stable operation of the control IC, Vcc has under voltage lockout (UVLO) with 6V hysteresis. Figure 5 shows the relation between the FSCQ1565RT operating supply current and the supply voltage (Vcc).

The minimum average of the current supplied from the AC is given by


2 V ac V start 1 - --------= ----------------------------- ------------2 R str
min

I sup

avg

where Vacmin is the minimum input voltage, Vstart is the FSCQ1565RT start voltage (15V) and Rstr is the startup resistor. The startup resistor should be chosen so that Isupavg is larger than the maximum startup current (50uA). Once the resistor value is determined, the maximum loss in the startup resistor is obtained as
) + V start 2 2 V start V ac 1 - ( V ac - - ----------------------------------------------------Loss = -------- -------------------------------------------------R str 2
max 2 2 max

where Vacmax is the maximum input voltage. The startup resistor should have proper rated dissipation wattage.
C DC

1N 4007 A C l i ne (V acmi n -V acmax) R st r Da I sup

V cc

2. Synchronization : FSCQ1565RT employs quasi-resonant switching technique to minimize the switching noise and loss. In this technique, a capacitor (Cr) is added between the MOSFET drain and source as shown in Figure 6. The basic waveforms of quasi-resonant converter are shown in Figure 7. The external capacitor lowers the rising slop of drain voltage to reduce the EMI caused when the MOSFET turns off. In order to minimize the MOSFET switching loss, the MOSFET should be turned on when the drain voltage reaches its minimum value as shown in Figure 7.

F SC Q 1565R T
C a1 C a2
+ V DC Np Ns Lm Vo

C DC

Figure 4. Startup circuit


Drain Cr Ids GND + V ds -

Icc

Sync

V cc
R cc C a1

V co
C a2

Da Na D SY

4mA
R SY1

Power Down 25uA Vstop=9V

Power Up
C SY R SY2

Vcc Vstart=15V Vz

Figure 6. Synchronization circuit Figure 5. Relation between operating supply current and Vcc voltage

12

FSCQ1565RT

Vds
MOSFET off MOSFET on

Vgs

2V R O

TQ

VRO Vds VRO VDC

Vs ync

V sypk

Vrh (4 .6V) Vrf (2 .6V)

TR

Ids

Ipk

MOS FET Gate

Figure 7. Quasi-resonant operation waveforms

ON

ON

Figure 8. Normal quasi-resonant operation waveforms

The minimum drain voltage is indirectly detected by monitoring the Vcc winding voltage as shown in Figure 6 and 8. The voltage divider RSY1 and RSY2 should be chosen so that the peak voltage of sync signal (Vsypk) is lower than the OVP voltage (12V) in order to avoid triggering OVP in normal operation. It is typical to set Vsypk to be lower than OVP voltage by 3-4 V. In order to detect the optimum time to turn on MOSFET, the sync capacitor (CSY) should be determined so that TR is the same with TQ as shown in Figure 8. The TR and TQ are given as, respectively
V co R SY2 - ---------------------------------- = R SY2 C SY ln ------- 2.6 R SY1 + R SY2

Switching frequency Extended QR operation

90kHz

Normal QR operation

45kHz

TR

T Q = L m C eo N a ( V o + V FO ) V co = ---------------------------------------- V Fa Ns

Output power

Figure 9. Extended quasi-resonant operation

where Lm is the primary side inductance of the transformer, Ns and Na are the number of turns for the output winding and Vcc winding, respectively, VFo and VFa are the diode forward voltage drops of the output winding and Vcc winding, respectively, and Ceo is the sum of the output capacitance of MOSFET and external capacitor Cr.

In general, quasi-resonant converter has a limitation in a wide load range application, since the switching frequency increases as the output load decreases, resulting in a severe switching loss in the light load condition. In order to get over this limitation, FSCQ1565RT employs extended quasiresonant switching operation. Figure 9 shows the mode change between normal quasi-resonant operation and extended quasi-resonant operation. In the normal quasiresonant operation, the FSCQ1565RT enters into the extended quasi-resonant operation when the switching frequency exceeds 90kHz as the load reduces. Then, the MOSFET is turned on, when the drain voltage reaches the 13

FSCQ1565RT

second minimum level as shown in Figure 10, which reduces the switching frequency. Once FSCQ1565RT enters into extended quasi-resonant operation, the first sync signal is ignored. After the first sync signal is applied, the sync threshold levels are changed from 4.6V and 2.6V to 3V and 1.8V, respectively, and the MOSFET turn-on time is synchronized to the second sync signal. The FSCQ1565RT goes back to its normal quasi-resonant operation when the switching frequency reaches 45kHz as the load increases.
Vds 2VRO

3.2 Leading edge blanking (LEB) : At the instant the internal Sense FET is turned on, there usually exists a high current spike through the Sense FET, caused by external resonant capacitor across the MOSFET and secondary-side rectifier reverse recovery. Excessive voltage across the Rsense resistor would lead to incorrect feedback operation in the current mode PWM control. To counter this effect, the FSCQ1565RT employs a leading edge blanking (LEB) circuit. This circuit inhibits the PWM comparator for a short time (TLEB) after the Sense FET is turned on.

Vcc Idelay

Vref IFB
OSC

Vo

Vfb
H11A817A
CB

4 D1 D2 2.5R + Vfb*

SenseFET

Vsync
KA431

Gate driver

4.6V 3V 2.6V 1.8V


MOSFET Gate
VSD

OLP

Rsense

Figure 11. Pulse width modulation (PWM) circuit

ON

ON

Figure 10. Extended quasi-resonant operation waveforms

3. Feedback Control : FSCQ1565RT employs current mode control, as shown in Figure 11. An opto-coupler (such as the H11A817A) and shunt regulator (such as the KA431) are typically used to implement the feedback network. Comparing the feedback voltage with the voltage across the Rsense resistor plus an offset voltage makes it possible to control the switching duty cycle. When the reference pin voltage of the KA431 exceeds the internal reference voltage of 2.5V, the H11A817A LED current increases, thus pulling down the feedback voltage and reducing the duty cycle. This event typically happens when the input voltage is increased or the output load is decreased. 3.1 Pulse-by-pulse current limit: Because current mode control is employed, the peak current through the Sense FET is limited by the inverting input of PWM comparator (Vfb*) as shown in Figure 11. The feedback current (IFB) and internal resistors are designed so that the maximum cathode voltage of diode D2 is about 2.8V, which occurs when all IFB flows through the internal resistors. Since D1 is blocked when the feedback voltage (Vfb) exceeds 2.8V, the maximum voltage of the cathode of D2 is clamped at this voltage, thus clamping Vfb*. Therefore, the peak value of the current through the Sense FET is limited.

4. Protection Circuit : The FSCQ1565RT has several self protective functions such as over load protection (OLP), abnormal over current protection (AOCP), over voltage protection (OVP) and thermal shutdown (TSD). OLP and OVP are auto-restart mode protection, while TSD and AOCP are latch mode protection. Because these protection circuits are fully integrated into the IC without external components, the reliability can be improved without increasing cost. -Auto-restart mode protection: Once the fault condition is detected, switching is terminated and the Sense FET remains off. This causes Vcc to fall. When Vcc falls down to the under voltage lockout (UVLO) stop voltage of 9V, the protection is reset and FSCQ1565RT consumes only startup current (25uA). Then, Vcc capacitor is charged up, since the current supplied through the startup resistor is larger than the current that FPS consumes. When Vcc reaches the start voltage of 15V, FSCQ1565RT resumes its normal operation. If the fault condition is not removed, the SenseFET remains off and Vcc drops to stop voltage again. In this manner, the auto-restart can alternately enable and disable the switching of the power Sense FET until the fault condition is eliminated (see Figure 12). -Latch mode protection: Once protection triggers, switching is terminated and the Sense FET remains off until the AC power line is un-plugged. Then, Vcc continues charging and discharging between 9V and 15V. The latch is reset only when Vcc is discharged to 6V by un-plugging the

14

FSCQ1565RT

Ac power line.
V FB
Fault occurs

Over load protection

7.5V
Fault removed

Vds

Power on

2.8V
Vcc

T12= CB*(7.5-2.8)/Idelay

15V 9V

T1

T2

Figure 13. Over load protection

Iop
4mA

25uA

t
Normal operation Fault situation Normal operation

Figure 12. Auto restart mode protection

AOCP Vaocp
-

Figure 14. AOCP block

4.3 Over voltage Protection (OVP) : If the secondary side feedback circuit were to malfunction or a solder defect caused an open in the feedback path, the current through the opto-coupler transistor becomes almost zero. Then, Vfb climbs up in a similar manner to the over load situation, 15

4.1 Over Load Protection (OLP) : Overload is defined as the load current exceeding its normal level due to an unexpected abnormal event. In this situation, the protection circuit should trigger in order to protect the SMPS. However, even when the SMPS is in the normal operation, the over load protection circuit can be triggered during the load transition. In order to avoid this undesired operation, the over load protection circuit is designed to trigger after a specified time to determine whether it is a transient situation or an overload situation. Because of the pulse-by-pulse current limit capability, the maximum peak current through the Sense FET is limited, and therefore the maximum input power is restricted with a given input voltage. If the output consumes more than this maximum power, the output voltage (Vo) decreases below the set voltage. This reduces the current through the opto-coupler LED, which also reduces the opto-coupler transistor current, thus increasing the feedback voltage (Vfb). If Vfb exceeds 2.8V, D1 is blocked and the 5uA current source starts to charge CB slowly up to Vcc. In this condition, Vfb continues increasing until it reaches 7.5V, when the switching operation is terminated as shown in Figure 13. The delay time for shutdown is the time required to charge CB from 2.8V to 7.5V with 5uA. In general, a 20 ~ 50 ms delay time is typical for most applications. This protection is implemented in auto restart mode.

4.2 Abnormal Over Current Protection (AOCP) : When the secondary rectifier diodes or the transformer pins are shorted, a steep current with extremely high di/dt can flow through the SenseFET during the LEB time. Even though the FSCQ1565RT has OLP (Over Load Protection), it is not enough to protect the FSCQ1565RT in that abnormal case, since sever current stress will be imposed on the SenseFET until OLP triggers. The FSCQ1565RT has an internal AOCP (Abnormal Over Current Protection) circuit as shown in Figure 14. When the gate turn-on signal is applied to the power Sense FET, the AOCP block is enabled and monitors the current through the sensing resistor. The voltage across the resistor is then compared with a preset AOCP level. If the sensing resistor voltage is greater than the AOCP level, the set signal is applied to the latch, resulting in the shutdown of SMPS. This protection is implemented in latch mode.

2.5R

OSC

PWM

Gate driver

LEB

Rsense 2 GND

FSCQ1565RT

forcing the preset maximum current to be supplied to the SMPS until the over load protection triggers. Because more energy than required is provided to the output, the output voltage may exceed the rated voltage before the over load protection triggers, resulting in the breakdown of the devices in the secondary side. In order to prevent this situation, an over voltage protection (OVP) circuit is employed. In general, the peak voltage of the sync signal is proportional to the output voltage and the FSCQ1565RT uses sync signal instead of directly monitoring the output voltage. If sync signal exceeds 12V, an OVP is triggered resulting in a shutdown of SMPS. In order to avoid undesired triggering of OVP during normal operation, the peak voltage of sync signal should be designed to be below 12V. This protection is implemented in auto restart mode. 4.4 Thermal Shutdown (TSD) : The SenseFET and the control IC are built in one package. This makes it easy for the control IC to detect the abnormal over temperature of the SenseFET. When the temperature exceeds approximately 150C, the thermal shutdown triggers. This protection is implemented in latch mode. 5. Soft Start : The FSCQ1565RT has an internal soft start circuit that increases PWM comparator inverting input voltage together with the SenseFET current slowly after it starts up. The typical soft start time is 20msec. The pulse width to the power switching device is progressively increased to establish the correct working conditions for transformers, inductors, and capacitors. It also helps to prevent transformer saturation and reduce the stress on the secondary diode during startup. For a fast build up of the output voltage, an offset is introduced in the soft-start reference current. 6. Burst operation : In order to minimize the power consumption in the standby mode, FSCQ1565RT employs burst operation. Once FSCQ1565RT enters into burt mode, FSCQ1565RT allows all output voltages and effective switching frequency to be reduced. Figure 15 shows the typical feedback circuit for C-TV applications. In normal operation, the picture on signal is applied and the transistor Q1 is turned on, which de-couples R3, Dz and D1 from the feedback network. Therefore, only Vo1 is regulated by the feedback circuit in normal operation and determined by R1 and R2 as
V o1
norm

V o2

stby

= V Z + 0.7 + 2.5

VO2 VO1 (B+)


RD Rbias R1 CF
C R

Linear Regulator

Micom

Dz R3

RF

D1

Q1
Picture ON

KA431
A

R2

Figure 15. Typical feedback circuit to drop output voltage in standby mode

Figure 16 shows the burst mode operation waveforms. When the picture ON signal is disabled, Q1 is turned off and R3 and Dz are connected to the reference pin of KA431 through D1. Before Vo2 drops to Vo2stby, the voltage on the reference pin of KA431 is higher than 2.5V, which increases the current through the opto LED. This pulls down the feedback voltage (VFB) of FSCQ1565RT and forces FSCQ1565RT to stop switching. If the switching is disabled longer than 1.4ms, FSCQ1565RT enters into burst operation and the operating current is reduced from 4mA (IOP) to 0.35mA (IOB). Since there is no switching, Vo2 decrease until it reaches Vo2stby. As Vo2 reaches Vo2stby, the current through the opto LED decreases allowing the feedback voltage to rise. When the feedback voltage reaches 0.4V, FSCQ1565RT resumes switching with a predetermined peak drain current of 0.9A. After burst switching for 1.4ms, FSCQ1565RT stops switching and checks the feedback voltage. If the feedback voltage is below 0.4V, FSCQ1565RT stops switching until the feedback voltage increases to 0.4V. If the feedback voltage is above 0.4V, FSCQ1565RT goes back to the normal operation.

R 1 + R 2 = 2.5 ------------------- R2

In standby mode, the picture on signal is disabled and the transistor Q1 is turned off, which couples R3, Dz and D1 to the reference pin of KA431. Then, Vo2 is determined by the zener diode breakdown voltage. Assuming that the forward voltage drop of D1 is 0.7V, Vo2 in standby mode is approximately given by

16

FSCQ1565RT

(a) Vo2 norm

(b)

(c)

V o2 stby

V FB
0.4V

Iop
I OP (4m A)

I OB (0.35m A)

Vds

Picture On

Picture Off Burst Mode

Picture On

VFB

0.4V 0.3V

0.4V

0.4V

Vds

1.4ms Ids 0.9A 0.9A

1.4ms

1.4ms

(a) M ode change to Burst operation

(b) Burst operation

(c) M ode change to Normal operation

Figure 16. Waveforms of burst operation

17

FSCQ1565RT

Typical application circuit


Application Output power Input voltage Universal input (85-265Vac) Output voltage (Max current) 8.5V (0.5A) C-TV 160W 15V (0.5A) 140V (0.8A) 24V (1.5A)

Features
High efficiency (>80% at 85Vac input) Wider load range through the extended quasi-resonant operation Low standby mode power consumption (<1W) Low component count Enhanced system reliability through various protection functions Internal soft-start (20ms)

Key Design Notes


24V output is designed to drop to around 7V in standby mode

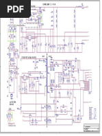
1. Schematic

T1 EER4245 RT101 5D11 C102 330uF 400V R101 100k 0.25W 1 10

D205 EGP20D 15V , 0.5A C210 470pF 1kV D204 EGP20D C204 1000uF 35V

3 R102 150k 0.25W BEA D101 4 R106 C104 1k 10uF 1W 50V C107 1nF 1kV

11

13 C209 470pF 1kV D202 EGP30J C205 1000uF 35V

8.5V, 0.5A

BD101

1 Dr ain ZD102 18V 1W SYNC 3 V cc IC101 5 FSCQ1565RT GND 2 FB 4

D105 1N4937

12

D106 1N4148

R104 D103 R103 6 1.5k 1N4937 5.1 0.25W 0.25W C105 2.7nF 50V 7

14 15 16 C207 470pF 1k V D203 EGP30D 17 C208 470pF 1kV

L 202 C201 BEA D 220uF 160V

140V, 0.8A C202 68uF 160V

C103 10uF 50V

C106 47nF 50V

R105 470 0.25W

24V , 1.5A C203 1000uF 35V

L F101

18

OPTO101 817A C101 330nF 275VA C FUSE 250V 5.0A C301 3.3nF

R201 1k 0.25W R202 1k 0.25W

V R201 30k ZD201 5.1V 0.5W R208 1k 0.25W

C206 150nF 50V

R203 39k 0.25W

R205 240k D201 0.25W 1N4148

Q201 K A431 LZ

R204 4.7k 0.25W

Q202 K SC945

SW201 R207 5.1k 0.25W R206 10k 0.25W

18

FSCQ1565RT

2. Transformer Schematic Diagram


E E R 4245 N p1 1 2 3 18 N 24V 17 16 15 14 13 N8.5V Na 7 8 9 12 11 10 N15V
NP 1 N24 Na N 15V

N p2

N125V /2 N125V /2

N8.5V N 140V /2 NP 2 N 140V /2

4 5 6

3.Winding Specification No N24 Np1 N140V/2 Np2 N140V/2 N8.5V N15V Na Pin (sf) 18 - 17 1-3 16 - 15 3-4 15 - 14 12 - 13 11 - 10 7-6 Wire 0.65 2 0.08 20 2 0.08

Turns 5 13 15 13 14 2 4 9

Winding Method Space Winding Center Winding Center Winding Center Winding Center Winding Space Winding Space Winding Space Winding

20 2

0.08 20 2 0.08 20 2 0.6


0.4 2 0.3 1

4.Electrical Characteristics

Pin Inductance Leakage Inductance 1-4 1-4

Specification 220uH 5% 10uH Max

Remarks 1kHz, 1V 2nd all short

5. Core & Bobbin Core : EER 4245 Bobbin : EER4245(18Pin) Ae : 201.8 mm2

19

FSCQ1565RT

6.Demo Circuit Part List Part FUSE RT101 R101 R102 R103 R104 R105 R106 R107 R201 R202 R203 R204 R205 R206 R207 R208 VR201 C101 C102 C103 C104 C105 C106 C107 C108 C201 C202 C203 C204 C205 C206 C207 C208 C209 Value Fuse 250V / 5A NTC 5D-11 Resistor 100k 150k 5.1 1.5k 470 1k Open 1k 1k 39k 4.7k 240k 10k 5.1k 1k 30k Capacitor 330n/275Vac 330uF / 400V 10uF / 50V 10uF / 50V 2.7nF / 50V 47nF / 50V 1nF / 1kV Open 220uF / 160V 100uF / 160V 1000uF / 35V 1000uF / 35V 1000uF / 35V 150nF / 50V 470pF / 1kV 470pF / 1kV 470pF / 1kV Electrolytic Electrolytic Electrolytic Electrolytic Electrolytic Film Capacitor Ceramic Capacitor Ceramic Capacitor Ceramic Capacitor Box Capacitor Electrolytic Electrolytic Electrolytic Film Capacitor Film Capacitor Film Capacitor IC101 OPT101 Q201 Q202 817A KA431LZ KSC945 TO-92 SW201 ON/OFF IC FSCQ1565RT TO220F-5L T101 LF101 Transformer EER4245 Switch For MCU Signal BD101 0.25 W 0.25 W 0.25 W 0.25 W , 1% 0.25 W , 1% 0.25 W 0.25 W 0.25 W Bridge Diode GSIB660 Line Filter 14mH 6A, 600V 0.25 W 0.25 W 0.25 W 0.25 W 0.25 W 1W D101 D102 D103 D104 D105 ZD101 ZD102 ZD201 D201 D202 D203 D204 D205 1N4937 1N4937 1N4148 Short Open 1N4746 Open 1N5231 1N4148 EGP30J EGP30D EGP20D EGP20D 5.1V, 0.5W 0.15A, 50V 3A, 600V 3A, 200V 2A, 200V 2A, 200V 18V, 1W BEAD101 BEAD201 BEAD 5uH Diode 1A, 600V 1A, 600V 0.15A, 50V 3A Note Part C210 C301 Value 470pF / 1kV 3.3nF / 1kV Inductor Note Ceramic Capacitor AC Ceramic Capacitor

20

FSCQ1565RT

7. Layout

Figure 17. Layout Considerations for FSCQ1565RT

Figure 18. Layout Considerations for FSCQ1565RT

21

FSCQ1565RT

Package Dimensions
Dimensions in Millimeters

TO-220F-5L(Forming)

22

FSCQ1565RT

Ordering Information
Product Number FSCQ1565RTYDTU
YDTU : Forming Type

Package TO-220F-5L(Forming)

Marking Code CQ1565RT

BVdss 650V

Rds(ON) Max. 0.7

23

FSCQ1565RT

DISCLAIMER FAIRCHILD SEMICONDUCTOR RESERVES THE RIGHT TO MAKE CHANGES WITHOUT FURTHER NOTICE TO ANY PRODUCTS HEREIN TO IMPROVE RELIABILITY, FUNCTION OR DESIGN. FAIRCHILD DOES NOT ASSUME ANY LIABILITY ARISING OUT OF THE APPLICATION OR USE OF ANY PRODUCT OR CIRCUIT DESCRIBED HEREIN; NEITHER DOES IT CONVEY ANY LICENSE UNDER ITS PATENT RIGHTS, NOR THE RIGHTS OF OTHERS. LIFE SUPPORT POLICY FAIRCHILDS PRODUCTS ARE NOT AUTHORIZED FOR USE AS CRITICAL COMPONENTS IN LIFE SUPPORT DEVICES OR SYSTEMS WITHOUT THE EXPRESS WRITTEN APPROVAL OF THE PRESIDENT OF FAIRCHILD SEMICONDUCTOR CORPORATION. As used herein: 1. Life support devices or systems are devices or systems which, (a) are intended for surgical implant into the body, or (b) support or sustain life, and (c) whose failure to perform when properly used in accordance with instructions for use provided in the labeling, can be reasonably expected to result in a significant injury of the user.
www.fairchildsemi.com 7/7/04 0.0m 001 2004 Fairchild Semiconductor Corporation

2. A critical component in any component of a life support device or system whose failure to perform can be reasonably expected to cause the failure of the life support device or system, or to affect its safety or effectiveness.

You might also like