KEMBAR78
DTMF Based Device | PDF | Telephone | Electricity
0% found this document useful (0 votes)
81 views5 pages

DTMF Based Device

The document describes a DTMF based device controller project that allows a user to control appliances like an AC or TV remotely from their mobile phone by calling the device and entering DTMF codes to turn appliances on or off. It discusses the hardware components needed including a microcontroller, and shows circuit diagrams and code examples to implement the functionality of receiving DTMF inputs and controlling relays connected to devices. The project allows remote control of devices even when away from home for convenience and safety.

Uploaded by

Biswajit Sarkar
Copyright
© Attribution Non-Commercial (BY-NC)
We take content rights seriously. If you suspect this is your content, claim it here.
Available Formats
Download as DOC, PDF, TXT or read online on Scribd
0% found this document useful (0 votes)
81 views5 pages

DTMF Based Device

The document describes a DTMF based device controller project that allows a user to control appliances like an AC or TV remotely from their mobile phone by calling the device and entering DTMF codes to turn appliances on or off. It discusses the hardware components needed including a microcontroller, and shows circuit diagrams and code examples to implement the functionality of receiving DTMF inputs and controlling relays connected to devices. The project allows remote control of devices even when away from home for convenience and safety.

Uploaded by

Biswajit Sarkar
Copyright
© Attribution Non-Commercial (BY-NC)
We take content rights seriously. If you suspect this is your content, claim it here.
Available Formats
Download as DOC, PDF, TXT or read online on Scribd
You are on page 1/ 5

DTMF based Device Controller

For Workshop - Get the List of Components: Please bring components for workshops Bring individual requirements (not in a group) So, that you will learn in a better way! Download Link

DTMF based Device Controller A Microcontroller 8051 Based Project


Hello Friends Here I am discussing another project that you can consider as your Minor or Major project. Imagine you enter your home, AC is already switched on and home is already air conditioned or say you reach your office and suddenly remembers that you have left television switched on. Here comes our project DTMF based Device Controller. It is the project through which user can control home or office devices i.e. can switch appliances on or off through his mobile phone. Thus user can switch on Air Conditioner or can switch off Television and similarly can control other appliances through his mobile phone when away from home. User just has to make a call to the setup and give instruction to switch on or off one or more devices.

Figure: DTMF based Device Controller Now let us discuss its functionality in detail: HARDWARE IN USE 1. The set up is installed at a convenient place for controlling desired appliances.

Figure: Initial Setup 2. Now if the user wishes to switch on one or more devices from far off location, he can initialize the setup by making a call to DTMF based device controller. As soon as call is made the setup becomes ready to receive the further instructions. This enables user to have complete control on devices even from far off location. Thus if any appliance is left

switched on and user has moved away from that place, DTMF device controller allows user to switch them off and there by save power. Along with this it avoids any accident that may happen due to such negligence.

Figure: Setup in Use 3. Call is made through DTMF. DTMF stands for Dual Tone Multi Frequency. Depending upon the requirement, one or more appliances can be switched on at a given time by sending the corresponding code through the Mobile phone. Images of different setups being operated at a given time are shown as below.

Figure: Stage 1

Figure: Stage 2

Figure: Stage 3

Figure: Stage 4

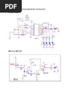
SCHEMATIC SOLUTIONS Let us have a look at the circuit of DTMF based Device Controller. Figure: Circuit Diagram

CODING CONSIDERATION

=============================================================== ============= NOTICE =============================================================== ============= THIS CODE CAN NOT BE COPIED, DISTRIBUTED OR PUBLISHED AS A PART OR WHOLE, WITHOUT A WRITTEN PERMISSION FROM CMSR LABS, DOSARKA. IT IS MEANT TO HELP LEARNERS FOR HOBBY AND EDUCATIONAL PURPOSE ONLY. IF YOU WISH TO USE THEM FOR COMMERCIAL PURPOSES PLEASE CONTACT THE AUTHOR. WRITTEN BY: ER.VISHAL BHANDARI cmsrlabs@gmail.com =============================================================== ============= #include reg51.h sbit Relay1=P2^0; sbit Relay2=P2^1; sbit Relay3=P2^2; sbit Relay4=P2^3; sbit Input1=P1^0; sbit Input2=P1^1; sbit Input3=P1^2; sbit Input4=P1^3; delay(unsigned int k); main() { if(Input1==1 && Input2==0 && Input3==0 && Input4==0) //1 //From DTMF

{ Relay1=0;Relay1=1;Relay2=1;Relay3=1; } if(Input1==0 && Input2==1 && Input3==0 && Input4==0) { Relay1=1;Relay1=0;Relay2=1;Relay3=1; } if(Input1==1 && Input2==1 && Input3==0 && Input4==0) { Relay1=1;Relay1=1;Relay2=0;Relay3=1; } if(Input1==0 && Input2==0 && Input3==1 && Input4==0) { Relay1=1;Relay1=1;Relay2=1;Relay3=0; } if(Input1==1 && Input2==0 && Input3==1 && Input4==0) >all OFF { Relay1=1;Relay1=1;Relay2=1;Relay3=1; } if(Input1==0 && Input2==0 && Input3==1 && Input4==0) > All On { Relay1=0;Relay1=0;Relay2=0;Relay3=0; //6 0110 //5 0101 //4 0100 //3 0011 //2 0010

} main(); }

You might also like