KEMBAR78
Selenium 15PW3 | PDF | Loudspeaker | Audio Engineering
0% found this document useful (0 votes)
2K views2 pages

Selenium 15PW3

Cartilla tecnica del woofer profesional selenium 15pw3

Uploaded by

floyd21
Copyright
© © All Rights Reserved
We take content rights seriously. If you suspect this is your content, claim it here.
Available Formats
Download as PDF, TXT or read online on Scribd
0% found this document useful (0 votes)
2K views2 pages

Selenium 15PW3

Cartilla tecnica del woofer profesional selenium 15pw3

Uploaded by

floyd21
Copyright
© © All Rights Reserved
We take content rights seriously. If you suspect this is your content, claim it here.
Available Formats
Download as PDF, TXT or read online on Scribd
You are on page 1/ 2

PROFESSIONAL LINE - Woofer

15PW3 / 15PW3-SLF*

LOUDSPEAKERS

Professional 15 woofer designed to meet a variety of PA


needs for small and medium-sized rooms, with excellent
performance in the mid and low frequency ranges.
For sound reinforcement in nightclubs, dancing halls,
auditoriums, bands and also for studio monitors.
Its great efficiency in sound reproduction is due to the
excellent combination of the different components:
- The light cone manufactured with long fiber pulp together
with a surround of impregnated fabric give the array great stability,
high yield and low distortion.
- The voice coil is made of high temperature wire, wound on
Kapton former.
- The epoxy painted reinforced steel frame provides the
array with high mechanical resistance.
- The aluminum dust cap guarantees great voice coil heat
dissipation.
- The use of highly resistant adhesives guarantees optimal
cohesion and durability of components.
*15PW3-SLF: Product with black dull finished dust cap and
without Selenium logo printed on it.

mm (in)

W
W
dB SPL
dB
dB
dB
Hz

THIELE-SMALL PARAMETERS
Fs . . . . . . . . . . . . . . . . . . . . . . . . . . . . . . . . . . . . . . . . . . . . . . . 37
Vas. . . . . . . . . . . . . . . . . . . . . . . . . . . . . . . . . . . . . . . . 274 (9.67)
Qts. . . . . . . . . . . . . . . . . . . . . . . . . . . . . . . . . . . . . . . . . . . . . 0.61
Qes . . . . . . . . . . . . . . . . . . . . . . . . . . . . . . . . . . . . . . . . . . . . 0.68
Qms. . . . . . . . . . . . . . . . . . . . . . . . . . . . . . . . . . . . . . . . . . . . 5.81
o (half space) . . . . . . . . . . . . . . . . . . . . . . . . . . . . . . . . . . . 2.00
Sd. . . . . . . . . . . . . . . . . . . . . . . . . . . . . . . . . . . . 0.08605 (133.4)
Vd (Sd x Xmax) . . . . . . . . . . . . . . . . . . . . . . . . . . . 258.2 (15.76)
Xmax (max. excursion (peak) with 10% distortion) . . . 3.0 (0.12)
Xlim (max.excursion (peak) before physical damage). 9.5 (0.37)

%
m2 (in2)
cm3 (in3)
mm (in)
mm (in)

Atmospheric conditions at TS parameter measurements:


Temperature. . . . . . . . . . . . . . . . . . . . . . . . . . . . . . . . . . . 27 (81)
Atmospheric pressure . . . . . . . . . . . . . . . . . . . . . . . . . . . . 1,000
Humidity . . . . . . . . . . . . . . . . . . . . . . . . . . . . . . . . . . . . . . . . . . 43

C (F)
mb
%

Hz
l (ft3)

Thiele-Small parameters are measured after a 2-hour power test using half AES power .
A variation of 15% is allowed.

ADDITIONAL PARAMETERS
L . . . . . . . . . . . . . . . . . . . . . . . . . . . . . . . . . . . . . . . . . . . . . 12.3
Flux density . . . . . . . . . . . . . . . . . . . . . . . . . . . . . . . . . . . . . 1.15
Voice coil diameter . . . . . . . . . . . . . . . . . . . . . . . . . . . . . 60 (2.4)
Voice coil winding length. . . . . . . . . . . . . . . . . . . . . . 17.5 (57.4)
Wire temperature coefficient of resistance (25). . . . . 0.00368
Maximum voice coil operating temperature. . . . . . . . 215 (419)
vc (max.voice coil operating temp./max.power) . . 0.86 (1.68)
Hvc (voice coil winding depth) . . . . . . . . . . . . . . . . . 14.0 (0.55)
Hag (air gap height). . . . . . . . . . . . . . . . . . . . . . . . . . . 8.0 (0.32)
Re . . . . . . . . . . . . . . . . . . . . . . . . . . . . . . . . . . . . . . . . . . . . . . 6 .3
Mms . . . . . . . . . . . . . . . . . . . . . . . . . . . . . . . . . . . . . 71.2 (0.157)
Cms. . . . . . . . . . . . . . . . . . . . . . . . . . . . . . . . . . . . . . . . . . . 265.3
Rms . . . . . . . . . . . . . . . . . . . . . . . . . . . . . . . . . . . . . . . . . . . . . 2.8
NON-LINEAR PARAMETERS
Le @ Fs (voice coil inductance @ Fs) . . . . . . . . . . . . . . . 2.475
Le @ 1 kHz (voice coil inductance @ 1kHz). . . . . . . . . . . 0.929
Le @ 20 kHz (voice coil inductance @ 20 kHz) . . . . . . . . 0.384
Red @ Fs . . . . . . . . . . . . . . . . . . . . . . . . . . . . . . . . . . . . . . . 0.11
Red @ 1 kHz. . . . . . . . . . . . . . . . . . . . . . . . . . . . . . . . . . . . . 2.31
Red @ 20 kHz . . . . . . . . . . . . . . . . . . . . . . . . . . . . . . . . . . 36.56
Krm . . . . . . . . . . . . . . . . . . . . . . . . . . . . . . . . . . . . . . . . . . . 0.728
Kxm . . . . . . . . . . . . . . . . . . . . . . . . . . . . . . . . . . . . . . . . . . 12.311
Erm . . . . . . . . . . . . . . . . . . . . . . . . . . . . . . . . . . . . . . . . . . . 0.922
Exm . . . . . . . . . . . . . . . . . . . . . . . . . . . . . . . . . . . . . . . . . . . 0.705
Page: 1/2 Rev.: 01 - 02/03

Tm
T
mm (in)
m (ft)
1/C
C (F)
C/W(F/W)
mm (in)
mm (in)

g (lb)
m/N
kg/s
mH
mH
mH

m
mH

ADDITIONAL INFORMATION
Magnet material . . . . . . . . . . . . . . . . . . . . . . . . . . . . . . . . . . . . . . . . Barium ferrite
Magnet weight . . . . . . . . . . . . . . . . . . . . . . . . . . . . . . . . 1,600 (57) g (oz)
Magnet diameter x depth. . . . . . . . . . . . . . 169 x 19 (6.65 x 0.75) mm (in)
Magnetic assembly weight . . . . . . . . . . . . . . . . . . . . 4,360 (9.61) g (lb)
Frame material . . . . . . . . . . . . . . . . . . . . . . . . . . . . . . . . . . . . . . . . . . . . . . . . Steel
Frame finish . . . . . . . . . . . . . . . . . . . . . . . . . . . . . . . . . . . . . . . . . . . . B lack epoxy
Magnetic assembly steel finish. . . . . . . . . . . . . . . . . . . . . . . . . . . . . . Zinc-plated
Voice coil material . . . . . . . . . . . . . . . . . . . . . . . . . . . . . . . . . . . . . . . . . . . Copper

Voice coil former material. . . . . . . . . . . . . . . . . . . . . . . . . . . Polyimide (Kapton )


Cone material . . . . . . . . . . . . . . . . . . . . . . . . . . . . . . . . . . . . . . . . Long fiber pulp
3
Volume displaced by woofer . . . . . . . . . . . . . . . . . . . . 4.0 (0.141) l (ft )
Net weight . . . . . . . . . . . . . . . . . . . . . . . . . . . . . . . . . 5,390 (11.88) g (lb)
Gross weight . . . . . . . . . . . . . . . . . . . . . . . . . . . . . . 6,100 (13.45) g (lb)
Carton dimensions (W x D x H) . . . . 39 x 39 x 16.5 (15.4 x 15.4 x 6.5)

cm (in)

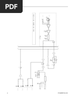
MOUNTING INFORMATION
Number of bolt-holes . . . . . . . . . . . . . . . . . . . . . . . . . . . . . . . . . . 8
Bolt-hole diameter . . . . . . . . . . . . . . . . . . . . . . . . . . . . . 5 .5 (0.22) mm (in)
Bolt-circle diameter. . . . . . . . . . . . . . . . . . . . . . . . . . . 367 (14.45) mm (in)
Baffle cutout diameter (front mount) . . . . . . . . . . . . . 352 (13.86) mm (in)
Baffle cutout diameter (rear mount). . . . . . . . . . . . . . 348 (13.70) mm (in)
Connectors . . . . . . . . . . . . . . . . . . . . . . . . . . . . . . . . . . . . . . . . Push on terminals
Polarity . . . . . . . . . . . . . . . . . . . . . . . . . . Positive voltage applied to the positive
(+) terminal gives forward cone motion
Minimum clearance between the back of the magnetic assembly and the
enclosure wall . . . . . . . . . . . . . . . . . . . . . . . . . . . . . . . . . . . . 75 (3) mm (in)

381

(8x) 5.5x8

150

350

1
Power handling specifications refer to normal speech and/or music program material,
reproduced by an amplifier producing no more than 5% distortion. Power is calculated as
true RMS voltage squared divided by the nominal impedance of the loudspeaker.
2
AES Standard (60 - 600 Hz).

368

169

SPECIFICATIONS
Nominal diameter . . . . . . . . . . . . . . . . . . . . . . . . . . . . . 380 (15)
Nominal impedance. . . . . . . . . . . . . . . . . . . . . . . . . . . . . . . . . . 8
Minimum impedance @ 160 Hz. . . . . . . . . . . . . . . . . . . . . . . 6.8
Power handling
Musical Program1 . . . . . . . . . . . . . . . . . . . . . . . . . . . . 500
AES2 . . . . . . . . . . . . . . . . . . . . . . . . . . . . . . . . . . . . . . 250
Sensitivity (2.83V@1m) averaged from 100 to 2,000 Hz . . . 98
Power compression @ 0 dB (nom. power) . . . . . . . . . . . . . . 4.1
Power compression @ -3 dB (nom. power)/2. . . . . . . . . . . . 2.5
Power compression @ -10 dB (nom. power)/10. . . . . . . . . . 0.6
Frequency response @ -10 dB . . . . . . . . . . . . . . . . 40 to 4,000

36

103

11

Dimensions in mm.

PROFESSIONAL LINE - Woofer

15PW3 / 15PW3-SLF*

LOUDSPEAKERS
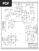
RESPONSE CURVES (0 AND 45) IN A TEST ENCLOSURE INSIDE AN
ANECHOIC CHAMBER, 1 W / 1 m

POLAR RESPONSE CURVES


50 Hz

110

0
-6

30

-10

60

100

100 Hz
330
300

-20
dB

90

30

0
-6

250 Hz
330

-10

60

0
-6

330

-10

60

300

-20
dB

270 90

30

300

-20
dB

270 90

270

90
240

dB

120
150

180

240

120

210

150

330

30

180

240

120

210

150

330

30

180

210

80

500 Hz
0
-6

30

70

-10

60

60
20

200

Hz

2k

Response Curve at 0.
Response Curve at 45.

240

IMPEDANCE AND PHASE CURVES MEASURED IN FREE-AIR

180

90

30

330

30

40

300

240
150

180

210

240
150

180

0
-6

330

-10

60

300

-20
dB

270 90

120

180

210

4 kHz
30
300

-20
dB

270

240
150

330

-10

60

270 90

120

0
-6

300

120

210

3.15 kHz

-20
dB

90

degrees

45

180

330

-20
dB

270 90

240

0
-6
-10

60

300

120
150

-10

60

60

0
-6

1.25 kHz

-20
dB

210

2 kHz

80

0
-6
-10

60

270 90

120
150

ohms

300

-20
dB

90

20k
B

800 Hz

270

240

120

210

150

180

210

Polar Response Curve.


20

-45

-90
20

200

Hz

Impedance Curve.
Phase Curve.

2k

20k
B

HOW TO CHOOSE THE RIGHT AMPLIFIER


The power amplifier must be able to supply twice the RMS driver power. This
3 dB headroom is necessary to handle the peaks that are common to
musical programs. When the amplifier clips those peaks, high distortion
arises and this may damage the transducer due to excessive heat. The use
of compressors is a good practice to reduce music dynamics to safe levels.
FINDING VOICE COIL TEMPERATURE
It is very important to avoid maximum voice coil temperature. Since moving
coil resistance (RE) varies with temperature according to a well known law,
we can calculate the temperature inside the voice coil by measuring the
voice coil DC resistance:

HARMONIC DISTORTION CURVES MEASURED AT 10% AES INPUT


POWER, 1 m
140

1
TB = TA + B 1 TA 25 +
25
RA

120

dB

TA , TB= voice coil temperatures in C.


RA , RB= voice coil resistances at temperatures TA and TB, respectively.
25= voice coil wire temperature coefficient at 25 C.

100

POWER COMPRESSION
Voice coil resistance rises with temperature, which leads to efficiency
reduction. Therefore, if after doubling the applied electric power to the driver
we get a 2 dB rise in SPL instead of the expected 3 dB, we can say that
power compression equals 1 dB. An efficient cooling system to dissipate
voice coil heat is very important to reduce power compression.

80

60
20

200

20k

Hz

Response Curve.
Distortion Curve, 2nd harmonic.
Distortion Curve, 3rd harmonic.

NON-LINEAR VOICE COIL PARAMETERS


Due to its close coupling with the magnetic assembly, the voice coil in
electrodynamic loudspeakers is a very non-linear circuit. Using the nonlinear modeling parameters Krm, Kxm, Erm, Exm from an empirical model,
we can calculate voice coil impedance with good accuracy.
SUGGESTED PROJECTS
MB15PW-A3
MB15PW-B3
MB15PW-C3
RB15PW-A2
VB15PW-A2
VB15PW-C2
For additional project suggestions, please access our web site.

TEST ENCLOSURE
110-liter volume with a duct 4 by 1.6 length.

Kapton : Du Pont trademark.

Specifications subject to
change without prior notice.
Page: 2/2 Rev.: 01 - 02/03

EUROPE Adress:
SELENIUM EUROPE
Germany
www.seleniumloudspeakers.com

USA Adress:
SELENIUM USA
USA
www.seleniumloudspeakers.com

BRAZIL Address:
ELETRNICA SELENIUM S.A.
BR 386 Km 435 / 92.480-000
Nova Santa Rita - RS - Brazil
Fax: +(55) 51 479-1120
www.selenium.com.br

You might also like