KEMBAR78
2004 Corolla Engine Control Guide | PDF | Fuel Injection | Ignition System
0% found this document useful (0 votes)
4K views12 pages

2004 Corolla Engine Control Guide

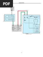
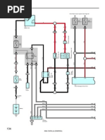
This document provides a diagram and description of an engine control system. It shows the various sensors that input signals to the engine control module (ECM), including temperature, pressure, position, speed, air intake, and oxygen sensors. It also shows the ignition coils, fuel injectors, and other components that are controlled by output signals from the ECM. The system utilizes a microcomputer-controlled ECM to maintain overall control of the engine based on these input and output signals.
Copyright
© © All Rights Reserved
We take content rights seriously. If you suspect this is your content, claim it here.
Available Formats
Download as PDF, TXT or read online on Scribd
0% found this document useful (0 votes)
4K views12 pages

2004 Corolla Engine Control Guide

This document provides a diagram and description of an engine control system. It shows the various sensors that input signals to the engine control module (ECM), including temperature, pressure, position, speed, air intake, and oxygen sensors. It also shows the ignition coils, fuel injectors, and other components that are controlled by output signals from the ECM. The system utilizes a microcomputer-controlled ECM to maintain overall control of the engine based on these input and output signals.
Copyright
© © All Rights Reserved
We take content rights seriously. If you suspect this is your content, claim it here.
Available Formats
Download as PDF, TXT or read online on Scribd
You are on page 1/ 12

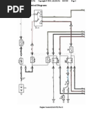
Engine Control

BO
BW
5 AM2

IG2 6

BW

ST2 4

BW

BW

I7

I10
Ignition SW

II2

(A/T)

A A

A A

BW

(M/T)

10 EA1

BW

3 EA1

J 2(A), J 3(B)
Junction Connector

E B

(A/T)

R
C8
Clutch Start SW

BO

BW

BW

BW

RW

RW

RW

BR

12

(A/T)

IA2

15A AM2

3 IM

E3

1 IA2

(A/T)

R
6 IM

(M/T)

RW

(M/T)

RW

9
A2
Park/Neutral
Position SW

2
1

II2

4 IG

19 ID

II1

(M/T)

GR

BR
F10
Fuel Pump

B
FL MAIN
2. 0L
9 EA1

1 IG
G A

1 1A

WB

G A

J 2(A)
Junction Connector

15A EFI

11

1
1

8 IK

C/OPN Relay

30A MAIN

5 IL

(A/T)

12 IC

EFI Relay

IA5

10

(M/T)

BR

2 IA4

B
(A/T)
B

(M/T)
M

GR

Battery

WB

I10

ED

BH

58
2004 COROLLA (EWD533U)

BO

BO

BW

BW

IGT

IGF

+B

YG

IGF

IGT

+B

WB

BW

4
GND

4
GND

IGF

IGT

LY

LY

GND

GR

IGF
2

+B

LY

IGT
3

E3

I5
Ignition Coil and
Igniter No. 4

E2

BW

BW

4
GND

RL

I2
Ignition Coil and
Igniter No. 1

+B

I3
Ignition Coil and
Igniter No. 2

1
RW

E3

WB

BW

E3

BW

I4
Ignition Coil and
Igniter No. 3

BW

WB

BW

WB

E2

WB

WB

E2

LY
R
W

(A/T)

WB

NSW

H B

J 2(A), J 3(B)
Junction Connector

9 A

IGT1

F A

LY

8 A

BATT

F A

GR

YG

3 D

F A

LY

RL

8 B

RW

(A/T)

F A

10 A

23 A

11 A

IGT2

IGT3

IGF

IGT4

E 3(A), E 4(B), E 5(C), E 6(D)


Engine Control Module

B
B B

(A/T)

B B

EVP

LB

12 A

1
DUTY

GND

VISC

1
V3
VSV (EVAP)

C A

J 4(A), J 5(B)
Junction Connector

WB
B

(M/T)

(A/T)

WB

C A

RSO
5 A

I1
Idle Air Control Valve

E02
6 A

BL

E01
7 A

WB

E03
5 B

WB

FC
10 D

GR

STA
9 B

I10

WB

WB

GR

WB

(M/T)

I10

EC

59
2004 COROLLA (EWD533U)

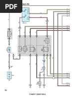
Engine Control

BO

BO

BW

From Power Source System (See Page 48)

II1
10A
MHTR/
DEF IUP

BW

8 IL

BY

1 A

2 A

3 A

4 A

15 A

14 A

#10

#20

# 30

# 40

OCV+

BW

1
I8
Injector No. 3

BW

1
I7
Injector No. 2

BW

1
I6
Injector No. 1

BW

I10

C2
Camshaft Timing Oil
Control Valve (VVT)

BW

I10

I9
Injector No. 4

BW

I10

13 D

OCV

ELS2

E 3(A), E 4(B), E 5(C), E 6(D)


Engine Control Module

EC

THA
20 A

THW
19 A

E2G

THA

E2
5
BR

WB

+B
1

E2
Engine Coolant Temp. Sensor

YB

VG

LW

M1
Mass Air Flow Meter

II2

10

EVG
32 B

V2
VSV (Canister Closed Valve)

VG
24 B

P1
Power Steering Oil
Pressure SW

L
II2

17

PSW
29 B

WB

28 B

LR

CCV
1 C

BR
BR

I10

I10

A
J7
Junction
Connector
IG

60
2004 COROLLA (EWD533U)

BO

BO

From Power Source System (See Page 48)

14 IC
GW
(USA)

23

13

10

II

IJ

LW

GW

GW
1 IL

I4

(Canada)

5 IC

C12
Combination SW

3
G

GB

Head

11 3C

(USA)

Tail

(USA)

Light
Control SW

GW

13 3C

IDL
13

S9
Stop Light SW

OFF

GSW2

TAIL Relay

GW

(Canada)

(w/ Cruise Control)

GW
(USA)

RW

7 IH

C14
Cruise Control ECU

15A
STOP

A13
Airbag Sensor Assembly

15A
TAIL

12 D

19 C

ELS

14 D

STP

16 D

F/PS

IDLO

E 3(A), E 4(B), E 5(C), E 6(D)


Engine Control Module
PTNK

VC

4 D

LG

L
1 ID2

2 ID2

8 ID2

II2

H A

H A

BR

BR

2
B

Y
6 ID2

BR

D B

B A

T1
Throttle Position Sensor

B A

J 2(A), J 3(B)
Junction
Connector

V4
Vapor Pressure Sensor

BR

16

II2

BR

H A

F B

F B

J 2(A), J 3(B)
Junction Connector

BR

TBP

21 A

BR

BR

VTA

18 A

21 D

V5
VSV (Vapor Pressure Sensor)

E2
28 A

7 ID2

BR

BR

61
2004 COROLLA (EWD533U)

I10

3 4B

HT
OX

+B

E1

B
PRS
32 C

23 B
OX1A

2 4B
THR

1 D
+B

1 4B

4 4B

62

2004 COROLLA (EWD533U)


W

(* 1)

C3
Crankshaft Position Sensor

27 A

NE+

4 C
HT1B

18

HT

+B
21 B

II2

3
9

34 A
NE

(* 1)

I11

C1
Camshaft Position Sensor

A B

(* 1)

J 2(A), J 3(B)
Junction Connector

E A

A/C Thermistor

Pressure SW

A/C SW
Defroster Mode Detection SW

A/C SW
Defroster Mode Detection SW

M/G CLT Relay

FAN NO. 1 Relay

FAN NO. 2 Relay

E A

(* 1)

BL

13 A

31 C

33 C

BR

1
(* 1)

GW

2 C

(* 1)

HT1A

PB

YB

6 D

H8
Heated Oxygen Sensor
(Bank 1 Sensor 2)

LG

7 D
1

(* 1)

4 B
A/CS

ACLD

ACMG

CF

(* 1)

FAN

BR

H5
Heated Oxygen Sensor
(Bank 1 Sensor 1)

LGB

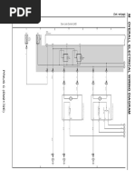
Engine Control

BO
BO

* 1 : Shielded

(* 1)

(* 1)

26 A
G22+

OX1B

E 3(A), E 4(B), E 5(C), E 6(D)


Engine Control Module

II2

OX

E1

6
II1

BR

BR

BR

BO

BO

From Power Source System (See Page 48)


D1
Data Link Connector 3

7. 5A
OBD
SIL
7

TC
13

WFSE

SG

CG

15

BAT
16
IJ
RB

4 4C

RB

3 3B

WB

3 4C

BR

PB

2 3B

LR

II1

LR

PB

BR

18 D

20 D

19 D

(* 1)

(* 1)

TC

WFSE

WB

SIL

E 3(A), E 4(B), E 5(C), E 6(D)


Engine Control Module

TACH
5 D

THWO
14 C

W
11 D

RY

RY

YR

SPD
17 C

BR

EKNK
2 B

VW

KNK1
1 B

E1
7 B

YR
B

(*1)

(*1)

(*1)

BR

(*1)

VW

A B

A B

A B

A B

A A

A A

A A

A A

BR
BR

8
II2

BR
BR

BR

BR

21 4B
A A

WB

16 4B

BR
BR

EB

J6
Junction
Connector

J 4(A), J 5(B)
Junction Connector

K1
Knock Sensor

IE

63
2004 COROLLA (EWD533U)

BR

14 IA6

17

S1
Skid Control ECU
with Actuator

64

2004 COROLLA (EWD533U)

WG

II2
C B

1
C A

C B

SP1

J 2(A), J 3(B)
Junction Connector

B A

J 4(A), J 5(B)
Junction Connector

RW
(w/o ABS)

14

BR

C9
Combination Meter

(w/o ABS)

RW

RW

(w/o ABS)

WG

16 3B

(w/o ABS)

RW

WG
(w/o ABS)

9
4C
9

(w/o ABS)

WG

B
10

(w/ ABS)

19

VW

BO

RW

BO

(w/o ABS)

WG

VW
Tachometer

Speedometer

32

(w/ ABS)

RY
8

33

YR

Malfunction
Indicator Lamp

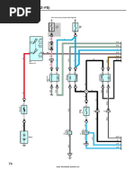
Engine Control
From Power Source System (See Page 48)

10A
GAUGE

2 IG

22 3B

20 3B

II2

YR

8 4C
I2

V1
Vehicle Speed Sensor
(Combination Meter)

EB

System Outline
The engine control system utilizes a microcomputer and maintains overall control of the engine, etc. An outline of engine
control is given here.
1. Input Signals
(1) Engine coolant temp. signal system
The engine coolant temp. sensor detects the engine coolant temp. and has a builtin thermistor with a resistance which
varies according to the engine coolant temp. Thus the engine coolant temp. is input as a control signal to TERMINAL
THW of the engine control module.
(2) Intake air temp. signal system
The intake air temp. sensor is installed in the mass air flow meter and detects the intake air temp., which is input as a
control signal to TERMINAL THA of the engine control module.
(3) Power steering oil pressure signal system
Power steering oil pressure is detected by the power steering oil pressure SW and is input as a control signal to
TERMINAL PSW of the engine control module.
(4) RPM signal system
Camshaft position and crankshaft position are detected by the camshaft position sensor and crankshaft position sensor.
Camshaft position is input as a control signal to TERMINAL G2+ of the engine control module, and engine RPM is input
into TERMINAL NE+.
(5) Throttle signal system
The throttle position sensor detects the throttle valve opening angle, which is input as a control signal to TERMINAL VTA
of the engine control module.
(6) Vehicle speed signal system
The vehicle speed is detected by the ABS speed sensor and the signal is input to TERMINAL SPD of the engine control
module via the comb. meter and the skid control ECU with actuator. (w/ ABS)
The vehicle speed is detected by the vehicle speed sensor installed in the transaxle and the signal is input to
TERMINAL SPD of the engine control module via the comb. meter. (w/o ABS)
(7) NSW signal system (A/T)
The Park/Neutral position SW detects whether the shift position is in neutral or not, and inputs a control signal to
TERMINAL NSW of the engine control module.
(8) A/C SW signal system
The operating voltage of the A/C SW is detected and is input as a control signal to TERMINAL A/CS of the engine
control module.
(9) Battery signal system
Voltage is constantly applied to TERMINAL BATT of the engine control module. When the ignition SW is turned to on,
voltage for engine control module operation is applied via the EFI relay to TERMINAL +B of the engine control module.
(10) Intake air volume signal system
Intake air volume is detected by the mass air flow meter, and is input as a control signal to TERMINAL VG of the engine
control module.
(11) STA signal system
To confirm that the engine is cranking, the voltage applied to the starter motor during cranking is detected and is input as
a control signal to TERMINAL STA of the engine control module.
(12) Oxygen sensor signal system
The oxygen density in the exhaust gases is detected and is input as a control signal into TERMINALS OX1A and OX1B
of the engine control module. To maintain stable detection performance by the oxygen sensor, a heater is used for
warming the sensor. The heater is also controlled by the engine control module (HT1A and HT1B).
(13) Engine knock signal system
Engine knocking is detected by the knock sensor and input as a control signal to TERMINAL KNK1 of the engine control
module.
(14) Electrical load signal system
When systems which cause a high electrical load such as the rear window defogger, taillight are turned on, a signal is
input to TERMINALS ELS and ELS2 as a control signal.
(15) Vapor pressure signal system
Vapor pressure is detected by the vapor pressure sensor and is input as a control signal to TERMINAL PTNK of the
engine control module.

65
2004 COROLLA (EWD533U)

Engine Control
2. Control System
SFI system
The SFI system monitors the engine conditions through the signals, which are input from each sensor to the engine
control module. Based on this data and the program memorized in the engine control module, the most appropriate fuel
injection timing is decided and current is output to TERMINALS #10, #20, #30 and #40 of the engine control module,
operating the injectors (to inject fuel). This is the system which finely controls the fuel injection in response to the driving
conditions, through the engine control module.
ESA system
The ESA system monitors the engine conditions using the signals, which are input to the engine control module from each
sensor. Based on this data and the program memorized in the engine control module, the most appropriate ignition timing
is decided and current is output to TERMINALS IGT1, IGT2, IGT3 and IGT4 of the engine control module. This output
controls the ignition coil and igniter No. 1 , No. 2 , No. 3 and No. 4 to produce the most appropriate ignition timing for the
driving conditions.
IAC system
The IAC system increases the RPM and provides idle stability for fast idleup when the engine is cold, and when the idle
speed has dropped due to electrical load and so on. The engine control module evaluates the signals from each sensor,
and outputs current to TERMINAL RSO to control the idle air control valve.
Knock control system
Knock control system controls the gate based on the engine rotation speed and detects knocking by the peak value of the
knock sensor output during the gate open period, and then controls it to the most suitable ignition timing in proportion to
the driving condition.
Evapoparge control system
This system leads the vapor stuck to the canister to the serge tank in order not to agitate the air fuel by adjusting the fuel
injection volume.
The signal at this time will be output from TERMINAL EVP of the engine control module to VSV (EVAP).
3. Diagnosis System
With the diagnosis system, when there is a malfunctioning in the engine control module signal system,the malfunction
system is recorded in the memory. The malfunctioning system can be found by reading the display (Code) of the malfunction
indicator lamp.
4. FailSafe System
When a malfunction occurs in any system, if there is a possibility of engine trouble being caused by continued control based
on the signals from that system, the failsafe system either controls the system by using the data (Standard values)
recorded in the engine control module memory or else stops the engine.

66
2004 COROLLA (EWD533U)

Service Hints
C/OPN Relay
53 : Closed with the starter running and the engine running
EFI Relay
53 : Closed with the ignition SW at ON or ST position
E2 Engine Coolant Temp. Sensor
12 : Approx. 15.04 k (20C, 4F)
Approx. 5.74 k ( 0C, 32F)
Approx. 2.45 k (20C, 68F)
Approx. 0.318 k (80C, 176F)
E3 (A), E4 (B), E5 (C), E6 (D) Engine Control Module
Voltage at engine control module wiring connectors
+BE1 : 914 volts (Ignition SW at ON position)
VCE1 : 4.55.5 volts (Ignition SW at ON position)
VTAE1 : 0.30.8 volts (Ignition SW on and throttle valve fully closed)
: 3.24.9 volts (Ignition SW on and throttle valve fully open)
EVGE1 : 3.33.9 volts (Ignition SW at ON position)
THAE1 : 0.53.4 volts (Engine idling and intake air temp. 080C, 32176F)
THWE1 : 0.21.0 volts (Engine idling and engine coolant temp. 60120C, 140248F)
STAE1 : 614 volts (Engine cranking)
IGT1, IGT2, IGT3, IGT4E1 : Pulse generation (Engine idling)
IGFE1 : Pulse generation (Engine idling)
FCE1 : 914 volts (Ignition SW on and engine stopping)
03 volts (Engine idling)
WE1 : 914 volts (Engine idling and warning light off)
A/CSE1 : 914 volts (Ignition SW on and A/C SW off)
SPDE1 : Pulse generation (Driving approx. 20 km/h)
ELSE1 : 7.514 volts (Ignition SW on and taillight on)
ELS2E1 : 7.514 volts (Ignition SW on and rear window defogger on)
NSWE1 : 03 volts (Engine cranking)
#10, #20, #30, #40E1 : Pulse generation (Engine idling)
NE+ NE : Pulse generation (Engine idling)
RSOE1 : Pulse generation (Engine idling)
G2+ NE : Pulse generation (Engine idling)
TBPE1 : 9.014.0 volts (Ignition SW on)
PTNKE1 : 3.03.6 volts (Ignition SW at ON position and remove fuel cap)
OX1A, OX1BE1 : Pulse generation (Maintain engine speed at 2500 rpm for two minutes after warming up.)
HT1A, HT1BE1 : 9.014.0 volts (Ignition SW at ON position)
03.0 volts (Engine idling)
KNK1E1 : Pulse generation (Engine idling)
EVPE1 : 9.014.0 volts (Ignition SW at ON position)
TACHE1 : Pulse generation (Engine idling)

67
2004 COROLLA (EWD533U)

Engine Control
: Parts Location
Code

See Page

Code

See Page

Code

See Page

A2

32

F10

36

J4

35

A13

34

H5

32

J5

C1

32

H8

35

J6

35
35

C2

32

I1

33

J7

35

C3

32

I2

33

K1

33

C8

34

I3

33

M1

33

C9

34

I4

33

P1

33

C12

34

I5

33

S1

33

C14

34

I6

33

S9

35

D1

34

I7

33

T1

33

E2

32

I8

33

V1

33

E3

34

I9

33

V2

33

E4

34

I10

35

V3

33

E5

34

J2

35

V4

37

E6

34

J3

35

V5

37

: Relay Blocks
Code

See Page

Relay Blocks (Relay Block Location)

22

Engine Room R/B (Engine Compartment Left)

28

RH R/B (Right Side of the Instrument Panel Reinforcement)

: Junction Block and Wire Harness Connector


Code

See Page

Junction Block and Wire Harness (Connector Location)

IC

25

Engine Room Main Wire and Instrument Panel J/B (Lower Finish Panel)

ID

25

Floor Wire and Instrument Panel J/B (Lower Finish Panel)

IG
IH
II

25

IJ

Instrument Panel Wire and Instrument Panel J/B (Lower


(
Finish Panel))

IK
IL

24

IM
1A
3B
3C
4B
4C

22

Engine Wire and Engine Room J/B (Engine Compartment Left)

28

Instrument Panel Wire and RH J/B (Right Side of the Instrument Panel Reinforcement)

30

Instrument Panel Wire and Center J/B (Behind the Combination Meter)

: Connector Joining Wire Harness and Wire Harness


Code
EA1

See Page

Joining Wire Harness and Wire Harness (Connector Location)

38

Engine Wire and Engine Room Main Wire (Inside of the Engine Room R/B)

40

Engine Room Main Wire and Instrument Panel Wire (Left Side of the Instrument Panel Reinforcement)

42

Instrument Panel Wire and Floor Wire (Left Kick Panel)

42

Engine Wire and Instrument Panel Wire (Blower Unit RH)

IA2
IA4
IA5
IA6
ID2
II1
II2

68
2004 COROLLA (EWD533U)

: Ground Points
Code
EB

See Page

Ground Points Location

38

Left Side of the Cylinder Head

ED

38

Front Left Suspension Tower

IE

40

Behind the Combination Meter

IG

40

Right Kick Panel

BH

44

Under the Left Quarter Pillar

EC

: Splice Points
Code
E2
E3
I2
I4

See Page
38
42

Wire Harness with Splice Points


Engine Wire
Instrument Panel Wire

Code
I7
I10
I11

See Page

Wire Harness with Splice Points

42

Instrument Panel Wire

42

Engine Wire

69
2004 COROLLA (EWD533U)

You might also like