KEMBAR78
Data Link Connector | PDF | Vehicle Industry | Transport
0% found this document useful (0 votes)
1K views8 pages

Data Link Connector

This document provides a diagram and wiring information for Data Link Connector 3 on Toyota vehicles, excluding those manufactured by TMC. The summary includes: 1) It diagrams the pin locations and colors for several connectors involved in the data link system. 2) It provides the wire connections and circuit designs related to the brake actuator, sensors, and warning/tire pressure control systems. 3) The document contains vital information for technicians servicing Toyota vehicle electrical and data transmission components.

Uploaded by

Ishtiaq Arain
Copyright
© © All Rights Reserved
We take content rights seriously. If you suspect this is your content, claim it here.
Available Formats
Download as PDF, TXT or read online on Scribd
0% found this document useful (0 votes)
1K views8 pages

Data Link Connector

This document provides a diagram and wiring information for Data Link Connector 3 on Toyota vehicles, excluding those manufactured by TMC. The summary includes: 1) It diagrams the pin locations and colors for several connectors involved in the data link system. 2) It provides the wire connections and circuit designs related to the brake actuator, sensors, and warning/tire pressure control systems. 3) The document contains vital information for technicians servicing Toyota vehicle electrical and data transmission components.

Uploaded by

Ishtiaq Arain
Copyright
© © All Rights Reserved
We take content rights seriously. If you suspect this is your content, claim it here.
Available Formats
Download as PDF, TXT or read online on Scribd
You are on page 1/ 8

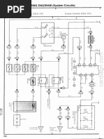
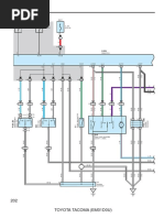
Data Link Connector 3 <Except TMC Made>

(BAT)

7. 5A
OBD

5 2S

Junction Connector
LG

LG

W
E11
16 DLC3 6 14

Transponder Key
BAT CANH CANL

ECU Assembly
TS SG CG TAC TC SIL D

E21
12 5 4 9 13 7 9
W–B

GR
BR

W
G
R

W W
W

8 AE10 8 AE6 7 2M 10 AE6 4 2C 3 2S 11 EM3


W

W
GR

17 2E 23 2B 8 2E 31 2E
R–B

2 MR1
BR

W
G
P
Brake Actuator Assembly

Occupant Detection ECU

33 A (w/ VSC)
Sensor Assembly

32 B (w/o VSC) 15 A 16 A 10 10
A51(B), A66(A)

Center Airbag

Warning ECU
Tire Pressure

TS TACH SIL DIA SIL


4 BA2
A50(A)

E14(A)
ECM

TC TC
E94
R2

27 A 3
W–B
BR

B4 E1

-1-
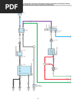
Data Link Connector 3 <Except TMC Made>

A 50
Black

1 2 3 4 5 6 7 8 9 10 11
12 13 14 15 16 17 18 19
20 21 22 23 24 25 26 27 28 29 30

31 32 33 34 35 36 37 38 39 40 41
42 43 44 45 46 47 48 49
50 51 52 53 54 55 56 57 58 59 60

A 51
Gray

1 2 3 4 5 6 7 8 9 10 11 12

13 14 15 16 17 18 19 20 21 22 23 24
25 26 27 28 29 30 31 32 33 34

A 66 E 11
Black White

16 15 14 13 12 11 10 9

1 2 3 4 5 6 7 8 9 10 11 12 8 7 6 5 4 3 2 1

13 14 15 16 17 18 19 20 21 22 23 24
25 26 27 28 29 30 31 32 33 34

-2-
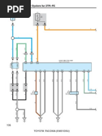
Data Link Connector 3 <Except TMC Made>

E 14 E 21 E 94
Yellow White Black

1 2 3 4 5 6 7 8 9 10

1 2 3 4 5 1 2 3 4 5 6
11 12 13 14 15 16 17 18 19 20 6 7 8 9 10 11 12 13 14 15 16 7 8 9 10 11 12

21 22 23 24 25 26 27 28 29 30

R2 2B
Black White

1 2 3 4 5 6 7 8 9 10 11 12 13 14 15 16 17 18

19 20 21 22 23 24 25 26 27 28 29 30 31 32 33 34 35 36

1 2 3 4 5 6 7 8 9
10 11 12 13 14 15 16 17 18

2C 2E 2M
White White White

1 2 3 4 5 6 7 8 9 10 11 12 13 14 15 16
1 2 3 4 5 6
1 2 3 4 5 6 7 8 17 18 19 20 21 22 23 24 25 26 27 28 29 30 31 32
7 8 9 10 11 12
9 10 11 12 13 14 15 16

2S AE6
White Gray

1 2 3 4 5 6 7 8 9

10 11 12 13 14 15 16 17 18
11 10 9 8 7 6 5 4 3 2 1
1 2 3 4 5 6 7 8 9 10 11
22 21 20 19 18 17 16 15 14 13 12
12 13 14 15 16 17 18 19 20 21 22

AE10 BA2
Gray White

1 2 3 4
9 8 7 6 5 4 3 2 1
5 6 7 8 9 10 4 3 2 1
1 2 3 4 5 6 7 8 9
25 16 15 14 13 12 11 10 17 10 9 8 7 6 5
17 10 11 12 13 14 15 16 25 24 23 22 21 20 19 18
18 19 20 21 22 23 24

-3-
Data Link Connector 3 <Except TMC Made>

EM3 MR1
White Black

1 2 3 4 5
1 2 3 4 5 5 4 3 2 1
6 7 8 9 10 11 12 13 6 7 8 9 10 10 9 8 7 6
5 4 3 2 1
13 12 11 10 9 8 7 6

-4-
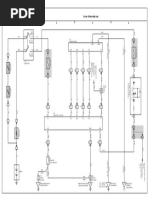
Data Link Connector 3 <TMC Made>

(BAT)

7. 5A
OBD

5 2S

Junction Connector
G

LG

W
E11
16 DLC3 6 14

Transponder Key
BAT CANH CANL

ECU Assembly
TS SG CG TAC TC SIL D

E21
12 5 4 9 13 7 9
W–B

GR
BR
SB

W
P

11 4A
38 4A 10 2C 31 3B

3 4A 2 2C 19 3B 35 4C 23 4A 57 4A
GR
BR
SB

8 AE10 8 AE6 12 2E 10 AE6 4 2C 3 2S 7 2E 11 EM3


R–B

GR
BR

17 2E 23 2B 8 2E 31 2E
2 MR1
W

W
G
P
Brake Actuator Assembly

Sensor Assembly

33 15 A 16 A 10 10
Detection ECU
Center Airbag

Warning ECU
Tire Pressure

TS TACH SIL DIA SIL


4 BA2
Occupant
A50(A)

E14(A)
ECM

TC TC
A66

E94
R2

27 A 3
W–B
BR

B4 E1

-1-
Data Link Connector 3 <TMC Made>

A 50
Black

1 2 3 4 5 6 7 8 9 10 11
12 13 14 15 16 17 18 19
20 21 22 23 24 25 26 27 28 29 30

31 32 33 34 35 36 37 38 39 40 41
42 43 44 45 46 47 48 49
50 51 52 53 54 55 56 57 58 59 60

A 66 E 11
Black White

16 15 14 13 12 11 10 9

1 2 3 4 5 6 7 8 9 10 11 12 8 7 6 5 4 3 2 1

13 14 15 16 17 18 19 20 21 22 23 24
25 26 27 28 29 30 31 32 33 34

E 14 E 21 E 94
Yellow White Black

1 2 3 4 5 6 7 8 9 10

1 2 3 4 5 1 2 3 4 5 6
11 12 13 14 15 16 17 18 19 20 6 7 8 9 10 11 12 13 14 15 16 7 8 9 10 11 12

21 22 23 24 25 26 27 28 29 30

R2 2B
Black White

1 2 3 4 5 6 7 8 9 10 11 12 13 14 15 16 17 18

19 20 21 22 23 24 25 26 27 28 29 30 31 32 33 34 35 36

1 2 3 4 5 6 7 8 9
10 11 12 13 14 15 16 17 18

-2-
Data Link Connector 3 <TMC Made>

2C 2E 2S
White White White

1 2 3 4 5 6 7 8 9 10 11 12 13 14 15 16
1 2 3 4 5 6 7 8 9
1 2 3 4 5 6 7 8 17 18 19 20 21 22 23 24 25 26 27 28 29 30 31 32
10 11 12 13 14 15 16 17 18
9 10 11 12 13 14 15 16

3B 4A
White White

1 2 3 4 5 6 7 8 9 10 11 12 1 2 3 4 5 6 7 8 9 10 11 12

13 14 15 16 17 18 19 20 21 22 23 24 13 14 15 16 17 18 19 20 21 22 23 24

25 26 27 28 29 30 31 32 33 34 35 36 25 26 27 28 29 30 31 32 33 34 35 36

37 38 39 40 41 42 43 44 45 46 47 48 37 38 39 40 41 42 43 44 45 46 47 48

49 50 51 52 53 54 55 56 57 58 59 60 49 50 51 52 53 54 55 56 57 58 59 60

61 62 63 64 65 66 67 68 69 70 71 72 61 62 63 64 65 66 67 68 69 70 71 72

73 74 75 76 77 78 79 80 81 82 83 84 73 74 75 76 77 78 79 80 81 82 83 84

85 86 87 88 89 90 91 92 93 94 95 96

4C
White

1 2 3 4 5 6 7 8 9 10 11 12

13 14 15 16 17 18 19 20 21 22 23 24

25 26 27 28 29 30 31 32 33 34 35 36

37 38 39 40 41 42 43 44 45 46 47 48

49 50 51 52 53 54 55 56 57 58 59 60

AE6
Gray

11 10 9 8 7 6 5 4 3 2 1
1 2 3 4 5 6 7 8 9 10 11
22 21 20 19 18 17 16 15 14 13 12
12 13 14 15 16 17 18 19 20 21 22

-3-
Data Link Connector 3 <TMC Made>

AE10 BA2
Gray White

1 2 3 4
9 8 7 6 5 4 3 2 1
5 6 7 8 9 10 4 3 2 1
1 2 3 4 5 6 7 8 9
25 16 15 14 13 12 11 10 17 10 9 8 7 6 5
17 10 11 12 13 14 15 16 25 24 23 22 21 20 19 18
18 19 20 21 22 23 24

EM3 MR1
White Black

1 2 3 4 5
1 2 3 4 5 5 4 3 2 1
6 7 8 9 10 11 12 13 6 7 8 9 10 10 9 8 7 6
5 4 3 2 1
13 12 11 10 9 8 7 6

-4-

You might also like