KEMBAR78
Tutorial 2 | PDF | Heat Transfer | Thermal Insulation
0% found this document useful (0 votes)
63 views3 pages

Tutorial 2

The document describes heat transfer through a composite wall. It provides the properties of the wall layers and calculates the thermal resistances of each layer and the total resistance. It then determines the rate of heat transfer through the wall, the interface temperatures, and the temperature drop across a section using the thermal circuit method.

Uploaded by

serizawa91
Copyright
© © All Rights Reserved
We take content rights seriously. If you suspect this is your content, claim it here.
Available Formats
Download as PDF, TXT or read online on Scribd
0% found this document useful (0 votes)
63 views3 pages

Tutorial 2

The document describes heat transfer through a composite wall. It provides the properties of the wall layers and calculates the thermal resistances of each layer and the total resistance. It then determines the rate of heat transfer through the wall, the interface temperatures, and the temperature drop across a section using the thermal circuit method.

Uploaded by

serizawa91
Copyright
© © All Rights Reserved
We take content rights seriously. If you suspect this is your content, claim it here.
Available Formats
Download as PDF, TXT or read online on Scribd
You are on page 1/ 3

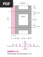
ENT 343 TUTORIAL 2

3-59 A composite wall consists of several horizontal and vertical layers. The left and right surfaces of the wall
are maintained at uniform temperatures. The rate of heat transfer through the wall, the interface temperatures,
and the temperature drop across the section F are to be determined.
Assumptions 1 Heat transfer is steady since there is no indication of change with time. 2 Heat transfer through
the wall is one-dimensional. 3 Thermal conductivities are constant. 4 Thermal contact resistances at the
interfaces are disregarded.
Properties The thermal conductivities are given to be kA = kF = 2, kB = 8, kC = 20, kD = 15, kE = 35 W/mC.
Analysis (a) The representative surface area is A = 0.12 1 = 0.12 m 2 . The thermal resistance network and the
individual thermal resistances are
R2
R1 R5 R7
R3
T1 T2

R6
L 0.01 mR4
R1 = R A = = = 0.04 C/W
kA A (2 W/m C)(0.12 m 2 )
L 0.05 m
R 2 = R 4 = RC = = = 0.06 C/W
C (20 W/m C)(0.04 m 2 )
kA
L 0.05 m
R3 = R B = = = 0.16 C/W
kA B (8 W/m C)(0.04 m 2 )
L 0 .1 m
R5 = R D = = = 0.11 C/W
D (15 W/m o C)(0.06 m 2 )
kA
L 0.1 m
R6 = R E = = 2
= 0.05 o C/W
E (35 W/m C)(0.06 m )
kA
L 0.06 m
R7 = R F = = = 0.25 C/W
kA F (2 W/m C)(0.12 m 2 )
1 1 1 1 1 1 1
= + + = + +
Rmid ,1 = 0.025 C/W
Rmid ,1 R2 R3 R4 0.06 0.16 0.06
1 1 1 1 1
= + = +
Rmid ,2 = 0.034 C/W
Rmid ,2 R5 R6 0.11 0.05
Rtotal = R1 + Rmid ,1 + R mid ,2 + R7 = 0.04 + 0.025 + 0.034 + 0.25 = 0.349 C/W
T T 2 (300 100)C
Q& = 1 = = 572 W (for a 0.12 m 1 m section)
Rtotal 0.349 C/W
Then steady rate of heat transfer through entire wall becomes
(5 m)(8 m)
Q& total = (572 W) = 1.91 10 5 W
0.12 m 2
(b) The total thermal resistance between left surface and the point where the sections B, D, and E meet is
Rtotal = R1 + R mid ,1 = 0.04 + 0.025 = 0.065 C/W
Then the temperature at the point where the sections B, D, and E meet becomes
T T
Q& = 1 T = T1 Q& Rtotal = 300C (572 W)(0.065 C/W) = 263C

Rtotal
(c) The temperature drop across the section F can be determined from
T
Q& = T = Q& R F = (572 W)(0.25 C/W) = 143C
RF
ENT 343 TUTORIAL 2

3-69 A spherical container filled with iced water is subjected to convection and radiation heat transfer at its
outer surface.
The rate of heat transfer and the amount of ice that melts per day are to be determined.
Assumptions 1 Heat transfer is steady since the specified thermal conditions at the boundaries do not change
with time.
2 Heat transfer is one-dimensional since there is thermal symmetry about the midpoint. 3 Thermal conductivity
is constant.
Properties The thermal conductivity of steel is given to be k = 15 W/mC. The heat of fusion of water at 1 atm
is hif = 333.7 kJ/kg . The outer surface of the tank is black and thus its emissivity is = 1.
Analysis (a) The inner and the outer surface areas of sphere are
Ai = Di 2 = (8 m) 2 = 201.06 m 2
Ao = Do 2 = (8.03 m) 2 = 202.57 m 2
We assume the outer surface temperature T2 to be 5C after comparing convection heat transfer coefficients at
the inner and the outer surfaces of the tank. With this assumption, the radiation heat transfer coefficient can be
determined from
2 2
hrad = (T2 + Tsurr )(T2 + Tsurr )
= 1(5.67 10 8 W/m 2 K 4 )[(273 + 5 K ) 2 + (273 + 25 K ) 2 ](273 + 25 K)( 273 + 5 K )]
= 5.424 W/m 2 K
Rrad
The individual thermal resistances are Ri R1
T1
T1 T2
1 1
Rconv,i = = = 0.000062 C/W Ro
hi A (80 W/m C)(201.06 m 2 )
2

r r (4.015 4.0) m
R1 = R sphere = 2 1 = = 0.000005 C/W
4kr1 r2 4 (15 W/m C)(4.015 m)(4.0 m)
1 1
Rconv,o = = = 0.000494 C/W
ho A (10 W/m 2 C)(202.57 m 2 )
1 1
R rad = = = 0.000910 C/W
hrad A (5.424 W/m C)(202.57 m 2 )
2

1 1 1 1 1
= + = +
Reqv = 0.000320 C/W
Reqv Rconv ,o R rad 0.000494 0.000910
Rtotal = Rconv,i + R1 + Reqv = 0.000062 + 0.000005 + 0.000320 = 0.000387 C/W
Then the steady rate of heat transfer to the iced water becomes
T T (25 0)C
Q& = 1 2 = = 64,600 W
Rtotal 0.000387 C/W
(b) The total amount of heat transfer during a 24-hour period and the amount of ice that will melt during this
period are
Q = Q& t = (64.600 kJ/s)(24 3600 s) = 5.58110 6 kJ
Q 5.581 10 6 kJ
m ice = = = 16,730 kg
hif 333.7 kJ/kg
Check: The outer surface temperature of the tank is
Q& = h A (T T )
conv + rad o 1 s

Q& 64,600 W
T s = T1 = 25C = 4.3C
hconv + rad Ao (10 + 5.424 W/m 2 C)(202.57 m 2 )
which is very close to the assumed temperature of 5C for the outer surface temperature used in the evaluation
of the radiation heat transfer coefficient. Therefore, there is no need to repeat the calculations.
ENT 343 TUTORIAL 2

3-70 A steam pipe covered with 3-cm thick glass wool insulation is subjected to convection on its surfaces. The
rate of heat transfer per unit length and the temperature drops across the pipe and the insulation are to be
determined.
Assumptions 1 Heat transfer is steady since there is no indication of any change with time. 2 Heat transfer is
one-dimensional since there is thermal symmetry about the center line and no variation in the axial direction. 3
Thermal conductivities are constant. 4 The thermal contact resistance at the interface is negligible.
Properties The thermal conductivities are given to be k = 15 W/mC for steel and k = 0.038 W/mC for glass
wool insulation
Analysis The inner and the outer surface areas of the insulated pipe per unit length
are
Ai = Di L = (0.05 m)(1 m) = 0.157 m 2
Ao = Do L = (0.055 + 0.06 m)(1 m) = 0.361 m 2
The individual thermal resistances are Ri R1 R2 Ro
T1 T2
1 1
Ri = = = 0.08 C/W
hi Ai (80 W/m 2 C)(0.157 m 2 )
ln(r2 / r1 ) ln(2.75 / 2.5)
R1 = R pipe = = = 0.00101 C/W
2k1 L 2 (15 W/m C)(1 m)
ln(r3 / r2 ) ln(5.75 / 2.75)
R2 = Rinsulation = = = 3.089 C/W
2k 2 L 2 (0.038 W/m C)(1 m)
1 1
Ro = = = 0.1259 C/W
ho Ao (22 W/m C)(0.361 m 2 )
2

Rtotal = Ri + R1 + R2 + Ro = 0.08 + 0.00101 + 3.089 + 0.1259 = 3.296 C/W


Then the steady rate of heat loss from the steam per m. pipe length becomes
T T (280 5)C
Q& = 1 2 = = 83.4 W
Rtotal 3.296 C/W
The temperature drops across the pipe and the insulation are
T = Q& R
pipe = (83.4 W)(0.00101 C/W) = 0.084C
pipe

Tinsulation = Q& Rinsulation = (83.4 W)(3.089 C/W) = 257.6C

You might also like