KEMBAR78
OBD Interface Bench Testing Guide | PDF | Transmission Control Protocol | Electrical Network
0% found this document useful (0 votes)
193 views3 pages

OBD Interface Bench Testing Guide

This document provides recommendations for bench testing OBD interfaces before connecting them to a vehicle. It discusses testing issues that commonly arise with different protocols like J1850, ISO 9141/14230, and CAN. Specific tips are provided, such as adding a resistor for J1850 testing, changing a resistor value for ISO testing, and ensuring terminating resistors and acknowledgement pulses are provided for proper CAN testing.

Uploaded by

2791957
Copyright
© © All Rights Reserved
We take content rights seriously. If you suspect this is your content, claim it here.
Available Formats
Download as PDF, TXT or read online on Scribd
0% found this document useful (0 votes)
193 views3 pages

OBD Interface Bench Testing Guide

This document provides recommendations for bench testing OBD interfaces before connecting them to a vehicle. It discusses testing issues that commonly arise with different protocols like J1850, ISO 9141/14230, and CAN. Specific tips are provided, such as adding a resistor for J1850 testing, changing a resistor value for ISO testing, and ensuring terminating resistors and acknowledgement pulses are provided for proper CAN testing.

Uploaded by

2791957
Copyright
© © All Rights Reserved
We take content rights seriously. If you suspect this is your content, claim it here.
Available Formats
Download as PDF, TXT or read online on Scribd
You are on page 1/ 3

Application Note

AN05 - Bench Testing OBD Interfaces

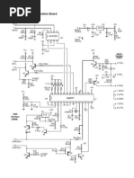
Elm Electronics recommends that you always test 12V


ECU
an OBD Interface on the bench before connecting it 510
OBD or
to a vehicle. This way, wiring and component problems
scan tool simulator
can be caught and corrected before they can damage
a vehicle, or your circuit. If you are fortunate enough to
have a test ECU, or an ECU simulator, then you can doubly terminated!
functionally test the unit on the bench as well.
12V
Testing an electronic circuit involves monitoring
510
currents, checking voltages, checking the leds, ELM
sending queries and receiving responses, etc. Most circuit
people are very good at this, so we will not try to cover
the details here. (See Application Note AN02 if you Figure 1. Monitoring a Scan Tool
want some help with the ELM327). What this
Application Note will touch on is some of the more
subtle issues and problems that we have been If you want to monitor a scan tool that uses either
involved with over the past few years. the ISO9141 or the ISO14230 protocols, we
recommend that you change the ELM circuits pullup
resistors from 510 to 10K.
J1850 Issues One additional item concerns testing with ECU
Generally, there are very few problems with J1850 simulators. Recent versions of the ELM327 IC will try
interfaces, but if you are having problems, and have protocol 5 before protocols 3 and 4, as part of the
an ELM327 circuit that does not have an R36 resistor automatic search procedure. This can confuse some
across OBD pins 2 and 10, you may want to add it. simulators, and they will typically need about 2
The J1850 circuit is a very high impedance one (when seconds to recover. If you are having trouble with a 5
the output is passive), and that may result in excessive baud (slow init), this may be the cause. To allow
waveform distortion if the OBD wiring presents a large enough time, try setting PP13 to a value of BD or
capacitance. By adding R36, you help to discharge the greater, or upgrade to a v1.4 or newer chip.
capacitance, and so reduce the waveform distortion.
CAN Testing
ISO 9141 and 14230 The following discusses the two areas of CAN
A few people have had trouble testing the testing that people have the most trouble with.
ISO9141/14230 portion of their ELM327 circuit when The first is from a misunderstanding of the
using a 9V battery for power. In these cases, it was purpose of the required network terminating resistors.
found that the threshold levels at pin 12 (ISO In) The CAN standard specifies that every network is
caused the problems, and that by changing R21 to required to have two 120 terminating resistors, but
33K all worked well. If you are having similar many people think that they are only for impedance
problems, you may want to look at changing R21. matching, in order to reduce reflections on the data
The other issue that comes up fairly often is when bus. As such, they often feel that a functional test does
people try to test the ELM circuit by monitoring another not have to be perfect, and that the resistors can be
scan tool as it talks to an ECU. Usually the ELM eliminated. This is not correct - a resistance is always
circuit sees receive errors, and often the ECU does not required.
respond to commands while the ELM circuit is
connected. Figure 1 shows the K line portion of such a
connection.
CANH
It is a very common mistake to forget that both the
ELM circuit, and the OBD scan tool circuit have CANL
internal 510 termination resistors. When both circuits
are connected, the effective load resistance is 255,
and not 510 as per the spec. This is beyond the
capabilities of some driver circuits. Figure 2. A CAN Output Driver Circuit

AN05 rev A Elm Electronics Circuits for the Hobbyist 1 of 3


www.elmelectronics.com
Application Note
AN05 - Bench Testing OBD Interfaces

To understand why, consider the equivalent circuit If you have an ELM327 v1.4b, and wish to test
for the CAN transceiver output, shown in Figure 2. your circuit with only one other CAN device, then turn
When both transistors turn on, this circuit can very off the silent monitoring with the CSM command:
rapidly charge the wiring capacitance, but it has no >AT CSM 0
mechanism to discharge the wiring (except for some OK
very high value resistances associated with the
internal circuitry, and that of the receivers). The 120 This will cause the ACK bits to be generated by
terminating resistors provide a low resistance path for the ELM327 while monitoring.
the charged wiring to discharge through, allowing the If you have an earlier version of the ELM327, this
voltage to quickly return to the passive level. convenience is not available to you, and you must take
Normally, an existing CAN network has the two steps to create the ACK pulses for the test network.
120 resistors in place, and you do not even have to You will need a third device to generate the missing
consider them. On the test bench, however, you may ACK bits for you. To understand why, consider the test
have to provide these yourself. Actually, there is no setups that are shown in Figures 4 and 5.
need to provide two as your wiring will be short. You
could provide one resistor of 60 in order to meet the
spec (but in practical terms, one resistor of 100 to ELM#1 ELM#2
120 in value works just as well). Connect the resistor (sending) (monitor)
from CANH to CANL at any convenient place in the
100
circuit.
The other main issue with CAN networks is the
Figure 4. Connecting two ELM327s
provision of an Acknowledge pulse (usually referred to
as the ACK bit). All CAN transmitters will send a data
message as a series of bits, then wait for an In Figure 4, the ELM327s are both set to the same
Acknowledge bit to be sent by at least one of the CAN protocol, with ELM#2 set to Monitor All. As a test,
receivers. Preferably all will send this ACK bit, but as messages are sent by ELM#1, and the intention is to
long as at least one does it means that the transmitter view them as received by ELM#2. Unfortunately, this
did its job. Figure 3 shows this pictorially. will not work reliably, as ELM#2 will not generate ACK
bits while monitoring. Each time you try to transmit
with ELM#1, you will see a CAN ERROR message,
since there are no ACK bits returned. The ELM#2
Transmitter data
monitor may show some messages, and it may not (if
you do receive anything, it will likely have <RX
Receiver(s) ERROR beside it).

ACK bit
ELM J1939
Figure 3. Typical CAN Message Transmission
circuit simulator

100
In general, the ELM327 can not be relied on to
send this ACK bit at all times. It will always send one
when it receives a response after making an OBD Figure 5. Testing a J1939 circuit
request, but may not while monitoring, and usually not
when idle and waiting for a command. It may help if Figure 5 is a little more subtle. The ELM327 is
you keep in mind that the ELM327 was designed to be connected to a J1939 simulator, and a terminating
connected to an active network, and not to be used to resistor is added. The J1939 protocol is predominantly
create a network with another device (so there is one of broadcast messages that are sent at regular
normally no need for it to generate these pulses while intervals, which the simulator would begin sending
monitoring). It is only with the v1.4b firmware that we immediately after power on. The ELM circuit will not
have added the ability to turn off silent monitoring and generate any ACK bits for these messages, however,
generate ACK pulses while monitoring. so none of the simulators messages will be

AN05 rev A Elm Electronics Circuits for the Hobbyist 2 of 3


www.elmelectronics.com
Application Note
AN05 - Bench Testing OBD Interfaces

acknowledged. The simulator will think that nothing is disconnect the USB cable, and reuse the PC
connected, and it is difficult to say exactly how it will elsewhere. The Microchip CAN BUS Analyzer is one
respond. Likely, it will try to send the messages device that supports this, as long as you power it from
several times, realize there is a problem and then an external supply and not from the USB bus. The
disable its transmitter, or possibly reset and try again. Zanthic device mentioned previously must remain
You may very well think that there is a problem with connected to a PC for it to operate.
the simulator, when there is not. Several people have asked why the ELM327 does
In order to test most CAN circuits on the bench, not generate these ACK pulses all the time, as this
with an ELM327 v1.4 or older IC, you must add a third would simplify the bench testing. We have always
device to generate the ACK bits for you! If you have a maintained that the monitoring of data flow should be
v1.4b or newer IC, then you do not need this extra as unobtrusive as possible, and so have designed the
device - simply turn off the silent monitoring, and the ELM327 to always monitor silently (or at least do so by
ELM327 will generate the bits for you. default). If there was a problem with one node on your
ACK bits will be generated by any device that is system you might not detect it if the ELM327 always
not completely silent while monitoring. Fortunately, generated ACK pulses, possibly masking the fact that
most commercial monitoring devices will generate the some were missing from the problem node. Version
pulses for you. We use two devices for our testing - 1.4b of the ELM327 has added the ability to control
the Zanthic (www.zanthic.com) CAN4USBFX, and the this silent mode, which is great for bench testing and
Microchip (www.microchip.com) APGDT002 CAN BUS connecting to dedicated CAN ports on equipment, but
Analyzer. Both work very well, and both have their silent monitoring remains on by default, keeping with
advantages. While the Microchip device does not our philosophy.
provide as fine a resolution on the time-stamp, does This Application Note has discussed some of the
not support high speed USB, and does not provide more common issues that we hear of when people
galvanic isolation, it does have a software selectable begin to bench test their circuits. Some of the other
terminating resistor, and it is less expensive. problems and misunderstandings are discussed on our
To test CAN circuits such as those shown in the web site, on the help pages, and of course, you can
previous examples, simply connect this monitor circuit always send your questions to our technical support at
in parallel with the other two. Make sure that there is at techsupport@elmelectronics.com.
least one terminating resistor at some point in the
circuit, and make sure that all of the devices are set for

CAN
ELM
protocol
circuit
simulator
100

monitor
circuit

Figure 6. Typical Bench Setup for CAN Testing

the same baud rate. Figure 6 shows how the


connections might typically be made.
One of the biggest problems with having to test
this way, is that you may need an extra PC to control
only the monitor circuit. If you choose your device
carefully, you may be able to start up the monitor, then

AN05 rev A Elm Electronics Circuits for the Hobbyist 3 of 3


www.elmelectronics.com

You might also like