KEMBAR78
CW5045 Wiring Diagram PDF | PDF | Computer Engineering | Digital Technology
0% found this document useful (0 votes)
336 views18 pages

CW5045 Wiring Diagram PDF

Uploaded by

haikal
Copyright
© © All Rights Reserved
We take content rights seriously. If you suspect this is your content, claim it here.
Available Formats
Download as PDF, TXT or read online on Scribd
0% found this document useful (0 votes)
336 views18 pages

CW5045 Wiring Diagram PDF

Uploaded by

haikal
Copyright
© © All Rights Reserved
We take content rights seriously. If you suspect this is your content, claim it here.
Available Formats
Download as PDF, TXT or read online on Scribd
You are on page 1/ 18

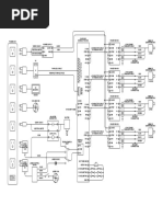
CW5045

WIRING DIAGRAM

INFORMATION IS SPECIFIC TO OUR PRODUCTS AND CAN CAUSE


DAMAGE IF USED WITH NONE COMPATIBLE PRODUCTS SO PLEASE
CHECK WITH YOUR SUPPLIER FOR COMPATIBILITY
These drawings are supplied as a guide no guarantees are implied or given.
Caution when wiring and check with a qualified professional if unsure.
Documentation will be updated amended at the discretion of CNC4YOU Ltd.

CNC4YOU LTD ALL RIGHTS RESERVED V1.00


X AXIS WIRING DIAGRAM

Brown L
PSU
Blue N 20V to 38V VCC = +V = POS
GND = -V = COM
Green/Yellow (Earth) (FG) VCC GND

Stepper Motor

57HS64-3008 1.5Nm
57HS82-3008B 2.2Nm
60BYGH301B 3.1Nm
60BYGH401-03 4Nm
RED = RED
BLU = BLUE
ENE
CWE
CKE
+5V VCC
GND

YEL = YELLOW
ENA BLK = BLACK
CWA RED YEL WHT ORG
CKA BLU BLK BRN GRN
WHT = WHITE
+5V VCC BRN = BROWN
GND
ORG = ORANGE
ENB GRN = GREEN
CWB
HG07 or HG08

CKB PUL+ PUL- DIR+ DIR- EN+ EN- GND- VCC+ A+ A- B+ B-


+5V VCC
STEP

DIRECTION
GND

ENC CW5045
CWC
CKC
+5V VCC
GND
+V IN
END ENABLE
- CWD DIRECTION
NO CKD STEP
RLY (Relay) +5V VCC
NO GND

If used in industrial noisy enviroment or with Plasma tables


Please use separate PSU to power HG08 of 9 to 24Volts DC Tel: 01908 315011
and mains 240VAC filtering may me required. 07576759884
CNC4YOU LTD All Rights Reserved
Y AXIS WIRING DIAGRAM

Brown L
PSU
Blue N 20V to 38V VCC = +V = POS
GND = -V = COM
Green/Yellow (Earth) (FG) VCC GND

Stepper Motor

57HS64-3008 1.5Nm
57HS82-3008B 2.2Nm
60BYGH301B 3.1Nm
60BYGH401-03 4Nm
RED = RED
BLU = BLUE
ENE
CWE
CKE
+5V VCC
GND

YEL = YELLOW
ENA BLK = BLACK
CWA RED YEL WHT ORG
CKA BLU BLK BRN GRN
WHT = WHITE
+5V VCC BRN = BROWN
GND
ORG = ORANGE
ENB GRN = GREEN
CWB
HG07 or HG08

CKB PUL+ PUL- DIR+ DIR- EN+ EN- GND- VCC+ A+ A- B+ B-


+5V VCC
STEP

DIRECTION
GND

ENC CW5045
CWC
CKC
+5V VCC
GND
+V IN
END ENABLE
- CWD DIRECTION
NO CKD STEP
RLY (Relay) +5V VCC
NO GND

If used in industrial noisy enviroment or with Plasma tables


Please use separate PSU to power HG08 of 9 to 24Volts DC Tel: 01908 315011
and mains 240VAC filtering may me required. 07576759884
CNC4YOU LTD All Rights Reserved
Z AXIS WIRING DIAGRAM

Brown L
PSU
Blue N 20V to 38V VCC = +V = POS
GND = -V = COM
Green/Yellow (Earth) (FG) VCC GND

Stepper Motor

57HS64-3008 1.5Nm
57HS82-3008B 2.2Nm
60BYGH301B 3.1Nm
60BYGH401-03 4Nm
RED = RED
BLU = BLUE
ENE
CWE
CKE
+5V VCC
GND

YEL = YELLOW
ENA BLK = BLACK
CWA RED YEL WHT ORG
CKA BLU BLK BRN GRN
WHT = WHITE
+5V VCC BRN = BROWN
GND
ORG = ORANGE
ENB GRN = GREEN
CWB
HG07 or HG08

CKB PUL+ PUL- DIR+ DIR- EN+ EN- GND- VCC+ A+ A- B+ B-


+5V VCC
STEP

DIRECTION
GND

ENC CW5045
CWC
CKC
+5V VCC
GND
+V IN
END ENABLE
- CWD DIRECTION
NO CKD STEP
RLY (Relay) +5V VCC
NO GND

If used in industrial noisy enviroment or with Plasma tables


Please use separate PSU to power HG08 of 9 to 24Volts DC Tel: 01908 315011
and mains 240VAC filtering may me required. 07576759884
CNC4YOU LTD All Rights Reserved
A AXIS WIRING DIAGRAM

Brown L
PSU
Blue N 20V to 38V VCC = +V = POS
GND = -V = COM
Green/Yellow (Earth) (FG) VCC GND

Stepper Motor

57HS64-3008 1.5Nm
57HS82-3008B 2.2Nm
CWE DIRECTION

60BYGH301B 3.1Nm
ENE ENABLE

60BYGH401-03 4Nm
CKE STEP

RED = RED
BLU = BLUE
+5V VCC
GND

YEL = YELLOW
ENA BLK = BLACK
CWA RED YEL WHT ORG
CKA BLU BLK BRN GRN
WHT = WHITE
+5V VCC BRN = BROWN
GND
ORG = ORANGE
ENB GRN = GREEN
CWB
HG07 or HG08

CKB PUL+ PUL- DIR+ DIR- EN+ EN- GND- VCC+ A+ A- B+ B-


+5V VCC
STEP

DIRECTION
GND

ENC CW5045
CWC
CKC
+5V VCC
GND
+V IN
END
- CWD
NO CKD
RLY (Relay) +5V VCC
NO GND

If used in industrial noisy enviroment or with Plasma tables


Please use separate PSU to power HG08 of 9 to 24Volts DC Tel: 01908 315011
and mains 240VAC filtering may me required. 07576759884
CNC4YOU LTD All Rights Reserved
B AXIS WIRING DIAGRAM

Brown L
PSU
Blue N 20V to 38V VCC = +V = POS
GND = -V = COM
Green/Yellow (Earth) (FG) VCC GND

Stepper Motor

57HS64-3008 1.5Nm
57HS82-3008B 2.2Nm
60BYGH301B 3.1Nm
60BYGH401-03 4Nm
RED = RED
BLU = BLUE
ENE
CWE
CKE
+5V VCC
GND

YEL = YELLOW
ENA BLK = BLACK
CWA RED YEL WHT ORG
CKA BLU BLK BRN GRN
WHT = WHITE
+5V VCC BRN = BROWN
GND
ORG = ORANGE
ENB GRN = GREEN
CWB
HG07 or HG08

CKB PUL+ PUL- DIR+ DIR- EN+ EN- GND- VCC+ A+ A- B+ B-


+5V VCC
STEP

DIRECTION
GND

ENC CW5045
CWC
CKC
+5V VCC
GND
+V IN
END ENABLE
- CWD DIRECTION
NO CKD STEP
RLY (Relay) +5V VCC
NO GND

If used in industrial noisy enviroment or with Plasma tables


Please use separate PSU to power HG08 of 9 to 24Volts DC Tel: 01908 315011
and mains 240VAC filtering may me required. 07576759884
CNC4YOU LTD All Rights Reserved
INPUTS WIRING DIAGRAM
E-STOP & LIMITS / HOMING

Brown L
PSU
Blue N 20V to 38V VCC = +V = POS
GND = -V = COM
Green/Yellow (Earth) (FG)
VCC GND

ENA
CWA
CKA
+5V VCC
GND

ENB
CWB
CKB
+5V VCC
GND

ENC
CWC
CKC
+5V VCC
GND

END
CWD
CKD
+5V VCC
GND
If used in industrial noisy enviroment or with Plasma tables
GND
VCC +5V
Please use separate PSU to power HG08 of 9 to 24Volts DC

RLY (Relay)
CKE HG07 or HG08 and mains 240VAC filtering may me required.
CWE

+V IN
ENE +5V

NO

NO
IN5 IN4 IN3 IN2 IN1 VCC

-
Limit and Homing
Switches
E-Stop
___o ___o ___o
o__o o o o o o o
N/C N/C N/C N/C

N/C Normally Closed Contact

Tel: 01908 315011


07576759884
CNC4YOU LTD All Rights Reserved
INPUTS WIRING DIAGRAM
E-STOP & LIMITS / HOMING
PROXIMITY SWITCH
LJ12A3-4

Brown L
PSU
Blue N 20V to 38V VCC = +V = POS
(Earth) (FG)
GND = -V = COM
Green/Yellow
VCC GND

If used in industrial noisy enviroment or with Plasma tables


ENA
CWA
CKA
+5V VCC
GND

ENB
CWB
CKB
+5V VCC
GND

ENC
CWC
CKC
+5V VCC
GND

END
CWD
CKD
+5V VCC
GND
Please use separate PSU to power HG08 of 9 to 24Volts DC
GND and mains 240VAC filtering may me required.
VCC +5V

RLY (Relay)
CKE HG07 or HG08
CWE

+V IN
ENE +5V

NO

NO
IN5 IN4 IN3 IN2 IN1 VCC

-
Limit and Homing
Proximity Switches

LJ12A3-4

E-Stop
LJ12A3-4
o__o 220R to 270R
Resistor Watt
N/C
(Black ) LJ12A3-4

+6 to 36Volts DC (Brown)
0 Volts DC (Blue)

Tel: 01908 315011


07576759884
CNC4YOU LTD All Rights Reserved
INPUTS WIRING DIAGRAM
TOUCH PROBE

Brown L
PSU
Blue N 20V to 38V VCC = +V = POS
GND = -V = COM
Green/Yellow (Earth) (FG) VCC GND

ENA
CWA
CKA
+5V VCC
GND

ENB
CWB
CKB
+5V VCC
GND

ENC
CWC
CKC
+5V VCC
GND

END
CWD
CKD
+5V VCC
GND
GND
If used in industrial noisy enviroment or with Plasma tables
VCC +5V

RLY (Relay)
CKE Please use separate PSU to power HG08 of 9 to 24Volts DC
HG07 or HG08
CWE and mains 240VAC filtering may me required.

+V IN
ENE +5V

NO

NO
IN5 IN4 IN3 IN2 IN1 VCC

-
220R to 270R
Resistor Watt

Probe wires to your


Machine touch plate etc.

Tel: 01908 315011


07576759884
CNC4YOU LTD All Rights Reserved
DIP SWITCH CURRENT
SETTING

UP OFF 3.7 Amps


DOWN ON Half Current
12345678 1/10th Microstep
ON Please check
CW5045
Datasheet for
UP OFF 4.2 Amps other options
DOWN ON
Half Current
12345678
ON 1/10th Microstep

Tel: 01908 315011


07576759884
CNC4YOU LTD All Rights Reserved
MACH 3 SOFTWARE SETUP
If you havent already installed Mach3 software Download and install Mach3 software from the
following link unless you are an experienced user please only download Lockdown Version.

http://www.machsupport.com/downloads.php

After download is complete please run or install software and follow all onscreen prompts once
installation is complete please restart your PC to allow drivers to be registered.

Place your licence file in the following folder if default installation has been used or select folder
location you have selected on installation. C:\Mach3 is default location

Open Mach 3 software and you should see a screen similar to the one below but with your licence
name or Demo either way you can setup and run Mach3 but in Demo mode you are restricted to 500
lines for milling.

Notes_____________________________________________________________________________
__________________________________________________________________________________
__________________________________________________________________________________
__________________________________________________________________________________
__________________________________________________________________________________
__________________________________________________________________________________
__________________________________________________________________________________

Tel: 01908 315011


07576759884
CNC4YOU LTD All Rights Reserved
Along the top Menu Bar place your mouse on the Config and click to highlight the dropdown menu
as shown in the picture below. Move your mouse down until you are over the Ports and Pins option
and press right mouse button to select.

Notes_____________________________________________________________________________
__________________________________________________________________________________
__________________________________________________________________________________
__________________________________________________________________________________
__________________________________________________________________________________
__________________________________________________________________________________
__________________________________________________________________________________
__________________________________________________________________________________
__________________________________________________________________________________
__________________________________________________________________________________
__________________________________________________________________________________
__________________________________________________________________________________
__________________________________________________________________________________
__________________________________________________________________________________
__________________________________________________________________________________
__________________________________________________________________________________
__________________________________________________________________________________
__________________________________________________________________________________

Tel: 01908 315011


07576759884
CNC4YOU LTD All Rights Reserved
The following screen should appear this has information as to your port address chosen operating
frequency etc. that you can customise Mach3 to your machine the guidelines are pertinant to
Cnc4you products but couls be used with caution as a general guide.

Under most circumstance these general default setting are adiquate for most machine types but
further information on using this screen can be found in the Mach3 documentation but unless you
have specific requirements these can be left as default settings.

Notes_____________________________________________________________________________
__________________________________________________________________________________
__________________________________________________________________________________
__________________________________________________________________________________
__________________________________________________________________________________
__________________________________________________________________________________
__________________________________________________________________________________
__________________________________________________________________________________
__________________________________________________________________________________
__________________________________________________________________________________
__________________________________________________________________________________
__________________________________________________________________________________
__________________________________________________________________________________
__________________________________________________________________________________
__________________________________________________________________________________

Tel: 01908 315011


07576759884
CNC4YOU LTD All Rights Reserved
On inset menu along the top menu selection please click on Motor output to open motor
configuration settings as shown below.

On the left hand side you will see Axis names corresponding to your name and the following values
as shown below should be entered. These settings are for our HG06 or HG07 breakout boards and as
shown are the settings for a three Axis machine.

To use fourth or fifth Axis please go to second column marked Enable and place your mouse on the A
Axis and click mouse button to change red X to green tick to enable this axis follow same procedure
for B Axis. Once you have entered these values please press Apply to set these values.

Notes_____________________________________________________________________________
__________________________________________________________________________________
__________________________________________________________________________________
__________________________________________________________________________________
__________________________________________________________________________________
__________________________________________________________________________________
__________________________________________________________________________________
__________________________________________________________________________________
__________________________________________________________________________________
__________________________________________________________________________________
__________________________________________________________________________________
__________________________________________________________________________________

Tel: 01908 315011


07576759884
CNC4YOU LTD All Rights Reserved
Place mouse over Input Signal tab and click mouse button to select the screen below will appear
allowing you to set your inputs and some examples are shown for guidance purposes and a generic
setup is shown. These Input Signals can be used for many purposes but a standard setup is shown
below. Again you can select or deselect by placing the mouse over Enable lines and changing an X to
a green tick will enable the signal, these values correspond to the above wiring diagram and for ease
of use an Automatic Setup of Inputs can be clicked and on screen instructions followed for you setup
environment. Once you have entered these values please press Apply to set these values.

Notes_____________________________________________________________________________
__________________________________________________________________________________
__________________________________________________________________________________
__________________________________________________________________________________
__________________________________________________________________________________
__________________________________________________________________________________
__________________________________________________________________________________
__________________________________________________________________________________
__________________________________________________________________________________
__________________________________________________________________________________
__________________________________________________________________________________
__________________________________________________________________________________
__________________________________________________________________________________
__________________________________________________________________________________

Tel: 01908 315011


07576759884
CNC4YOU LTD All Rights Reserved
On the far right you can scroll down to show other options available and here we show settings for
Estop and Probe input if you are not setting up the probe at the moment just leave value blank or
just fill as below and leave enable as ared X to leave it desected. Once you have entered these values
please press Apply to set these values.

Notes_____________________________________________________________________________
__________________________________________________________________________________
__________________________________________________________________________________
__________________________________________________________________________________
__________________________________________________________________________________
__________________________________________________________________________________
__________________________________________________________________________________
__________________________________________________________________________________
__________________________________________________________________________________
__________________________________________________________________________________
__________________________________________________________________________________
__________________________________________________________________________________
__________________________________________________________________________________
__________________________________________________________________________________
__________________________________________________________________________________
__________________________________________________________________________________
__________________________________________________________________________________

Tel: 01908 315011


07576759884
CNC4YOU LTD All Rights Reserved
Place mouse over Output Signal tab and click mouse button to select the screen below will appear
allowing you to set your outputs. This page allows us to switch On and Off the on board relay under
Mach3 control fill in value below if you want to use this function. Once you have entered these
values please press Apply to set these values.

Notes_____________________________________________________________________________
__________________________________________________________________________________
__________________________________________________________________________________
__________________________________________________________________________________
__________________________________________________________________________________
__________________________________________________________________________________
__________________________________________________________________________________
__________________________________________________________________________________
__________________________________________________________________________________
__________________________________________________________________________________
__________________________________________________________________________________
__________________________________________________________________________________
__________________________________________________________________________________
__________________________________________________________________________________
__________________________________________________________________________________
__________________________________________________________________________________
__________________________________________________________________________________

Tel: 01908 315011


07576759884
CNC4YOU LTD All Rights Reserved
Place mouse over Spindle Setup tab and click mouse button to select the screen below will appear
allowing you to set your Spindle settings. If the previous settings have been entered for outputs then
we can set our spindle to switch on automatically and also turn off under Mach3 control.

Make sure Disable Spindle Relays is unchecked and at least M3 Clockwise is set to output# 1 as
shown below. CW Delay Spin UP is set to 6 seconds in this example which will Mach3 wait 6 seconds
before starting to cut to allow spindle to be upto speed, this value will vary with your own setup so
please set correspondingly. CW Delay Spind DOWN is set to value to allow spinle to come to a stop.
Immediate Relay off before delay check box is ticked to switch relay off before delay starts rather
than after. Once you have entered these values please press Apply to set these values.

Notes_____________________________________________________________________________
__________________________________________________________________________________
__________________________________________________________________________________
__________________________________________________________________________________
__________________________________________________________________________________
__________________________________________________________________________________
__________________________________________________________________________________
__________________________________________________________________________________
__________________________________________________________________________________
__________________________________________________________________________________
__________________________________________________________________________________
__________________________________________________________________________________

Tel: 01908 315011


07576759884
CNC4YOU LTD All Rights Reserved

You might also like