KEMBAR78
Toyota Tundra - New Features 172: Air Injection System | PDF | Vacuum Tube | Valve
0% found this document useful (0 votes)
427 views5 pages

Toyota Tundra - New Features 172: Air Injection System

The document summarizes new features of the Toyota Tundra, including its air injection system. The air injection system helps warm up the catalytic converter when the engine is cold. It consists of an electric air pump, control valves, and sensors that regulate air injection based on various operating conditions. The system diagram and construction of main components like the air pump, valves, and pressure sensor are described.

Uploaded by

Pansho Torres
Copyright
© © All Rights Reserved
We take content rights seriously. If you suspect this is your content, claim it here.
Available Formats
Download as PDF, TXT or read online on Scribd
0% found this document useful (0 votes)
427 views5 pages

Toyota Tundra - New Features 172: Air Injection System

The document summarizes new features of the Toyota Tundra, including its air injection system. The air injection system helps warm up the catalytic converter when the engine is cold. It consists of an electric air pump, control valves, and sensors that regulate air injection based on various operating conditions. The system diagram and construction of main components like the air pump, valves, and pressure sensor are described.

Uploaded by

Pansho Torres
Copyright
© © All Rights Reserved
We take content rights seriously. If you suspect this is your content, claim it here.
Available Formats
Download as PDF, TXT or read online on Scribd
You are on page 1/ 5

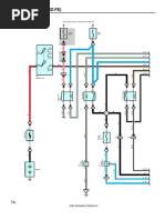
172 TOYOTA TUNDRA — NEW FEATURES

Air Injection System

1) General

To ensure the proper warm-up performance of the TWC when starting a cold engine, an air injection
system is used.
 This system consists of an electric air pump, an air injection control driver, two air injection control
valves (vacuum type), an air injection control valve (electronic type), and two VSVs.
 The ECM estimates the amount of air injected to the TWC (Three-Way catalytic Converter) based on
signals from the mass air flow meter in order to regulate the air injection time.
 The air injection operates under the following operation conditions.

 Operation Condition 

Engine Coolant Temp. 41 to 104F (5 to 40C)


Intake Air Temp. 41F (5C) or more

 System Diagram 

Air Pressure Sensor P


Air Injection Control Valve
(Electric Type)
Electric Air Pump From Intake Manifold Engine Coolant
Air
Temp. Sensor
M
VSVs

Mass Air Flow


Air Injection Control ECM
Valves (Vacuum Type) Meter

To Exhaust Manifold

Pump Operation Request


Intake Air
Air Injection Valve Switching Request Temp. Sensor
Control Driver
Diagnosis Signal

273GX25
TOYOTA TUNDRA — NEW FEATURES 173

2) Construction and Function of Main Components

a. Electric Air Pump

An electric air pump consists of a DC motor, an impeller and an air filter.


 The pump supplies air into an air injection control valve (electric type) through the impeller.
 The air filter is maintenance-free.

Air Filter

Air IN

Impeller

Air OUT

DC Motor

Cross Section 273GX79

b. Air Injection Control Valve (Electric Type)

The air injection control valve (electric type) is operated by a solenoid coil to control air injection and
prevent back-flow of exhaust gas. Opening timing of the valve is synchronized with operation timing
of the electric air pump.

Air OUT
Air OUT

Valve

Air IN

Air IN
Solenoid Coil

Cross Section

273GX26
174 TOYOTA TUNDRA — NEW FEATURES

c. Air Pressure Sensor


The air pressure sensor consists of a semiconductor, which utilized the characteristics of silicon chip that
changes its electrical resistance when pressure is applied to it. The sensor converts the pressure into an
electrical signal, and sends it to the ECM in an amplified form.

(V)
Sensor Unit
4.5

Output
Voltage

0.5

45 Air Pressure 150 (kPa)


Air Pressure of Electric Air Pump

257MA21 257MA22

The ECM detects operation condition of the air injection system based on signals from the air pressure
sensor as follows:
1) When the electric air pump is ON and the VSVs are OFF, the pressure is constant.
2) When the VSVs are turned ON with the electric air pump ON and all air injection control valves
open, the pressure drops slightly and becomes unstable because of exhaust-pulse.
3) When the electric air pump is OFF and the VSVs are OFF, the pressure remains 0.
4) When the VSVs are turned OFF with the electric air pump ON and all air injection control valves
open, the pressure drops below 0 and becomes unstable because of exhaust-pulse.

Example: 1 Example: 2

Pressure Pressure

0 Time 0 Time

Electric Air Pump: ON Electric Air Pump: ON


VSVs: OFF VSVs: ON

Example: 3 Example: 4

Pressure Pressure

0 Time 0 Time

Electric Air Pump: OFF Electric Air Pump: OFF


VSVs: OFF VSVs: ON
273GX81
TOYOTA TUNDRA — NEW FEATURES 175

d. Air Injection Control Valve (Vacuum Type)


The air injection control valve (vacuum type) switches according to the vacuum pressure introduced by
VSV.

Air Injection Control Valves (Vacuum Type)

Air IN

Air OUT

273GX27
176 TOYOTA TUNDRA — NEW FEATURES

e. Air Injection Control Driver


 The air injection control driver uses semiconductor. Activated by the ECM, this driver actuates the
electric air pump and the air injection control valve.
 The air injection control driver also detects failures in the input and output circuits at the air injection
driver and transmits the failure status to the ECM via duty cycle signals.

Electric Air Pump


Actuation Request
AIRP SIP
Electric Air Pump
VP

Air Injection Control


Valve Actuation Request Air Injection
ECM Control Driver Air Injection Control Valve
AIRV SIV
(Electric Type)
VV

Duty Signal
AIDI DI

271EG64

 DI Terminal Output 

Condition AIRP AIRV Output (Duty Signal)

Open circuit in line between AIDI and DI


- -
terminals.
GND 273GX28

Failure in line between ECM terminals and


air injection control driver.
GND 273GX29

Output failure at air injection control driver. 20ms


(Failure in electric air pump actuation - -
circuit)
GND 273GX30

Output failure at air injection control driver.


(Failure in air switching valve actuation - -
circuit) GND
273GX31

Overheat failure of air injection control


- -
driver. GND
273GX32

ON ON
GND 273GX33
N
Normal
l
OFF OFF
ON OFF
OFF ON GND
273GX29

You might also like