KEMBAR78
Idle Air Control Systems: Section 6 | PDF | Throttle | Electric Motor
100% found this document useful (1 vote)
849 views20 pages

Idle Air Control Systems: Section 6

The document discusses idle air control systems which regulate engine idle speed by adjusting the volume of air that bypasses the closed throttle valve. It focuses on stepper motor idle air control valves which are controlled by the ECM through sequential energizing of stator coils. This causes the valve shaft and pintle to extend or retract in 125 steps, adjusting the air bypass opening. Initially after stopping, the valve is fully open to improve starting stability. After starting, the ECM positions the valve based on coolant temperature to stabilize idle speed during warm-up.

Uploaded by

sungjoo75
Copyright
© © All Rights Reserved
We take content rights seriously. If you suspect this is your content, claim it here.
Available Formats
Download as PDF, TXT or read online on Scribd
100% found this document useful (1 vote)
849 views20 pages

Idle Air Control Systems: Section 6

The document discusses idle air control systems which regulate engine idle speed by adjusting the volume of air that bypasses the closed throttle valve. It focuses on stepper motor idle air control valves which are controlled by the ECM through sequential energizing of stator coils. This causes the valve shaft and pintle to extend or retract in 125 steps, adjusting the air bypass opening. Initially after stopping, the valve is fully open to improve starting stability. After starting, the ECM positions the valve based on coolant temperature to stabilize idle speed during warm-up.

Uploaded by

sungjoo75
Copyright
© © All Rights Reserved
We take content rights seriously. If you suspect this is your content, claim it here.
Available Formats
Download as PDF, TXT or read online on Scribd
You are on page 1/ 20

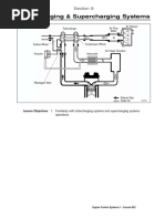
Section 6

Idle Air Control Systems

T852f259

Lesson Objectives 1. Determine the condition of the IACV system based on engine data
2. Determine the root cause of a failure(s) in the IACV system using
appropriate diagnostic procedures

Engine Control Systems I - Course 852


Section 6

Idle Air Control Systems

Idle Air Control


System with Air Assist
ISC Valve
Air Pipe
Air Cleaner

Throttle Valve
Injector Intake Manifold

Air Gallery

Fig. 6-01
T852f258

Idle Air Control The Idle Air Control (IAC) system regulates engine idle speed by adjust-
Systems ing the volume of air that is allowed to bypass the closed throttle valve.
The ECM controls the Idle Air Control Valve (IACV) based on input sig-
nals received from various sensors. The system is necessary to provide
stabilization of curb idle when loads are applied to the engine and to
provide cold fast idle on some applications.

The idle air control system regulates idle speed under at least one or
more of the following conditions, depending on application:

• Cold Fast Idle.

• Warm Curb Idle.

• Air Conditioner Load.

• Electrical Load.

• Automatic Transmission Load.

• Power Steering Idle Up.

The IAC system will also prevent engine stall on deceleration.

Engine Control Systems I - Course 852 6-1


Section 6

IAC System

Fig. 6-02
T852f259

ECM Modulated There are four different types of ECM controlled IAC systems. These
Idle Air Control systems are referred to as:
Systems (IAC) • Stepper motor type.
• Rotary solenoid types.
• Duty control ACV type.
• On-off control VSV type.

Stepper Motor IACV

As the valve steps increase, more air by-


passes the throttle valve.
By-Pass Air Valve

Rotor
Valve

To Air Intake
Chamber

Valve Seat 0 125


Stator
Valve Steps
Valve Shaft

Stopper Plate
Fig. 6-03
From Air Flow Meter T852f260/T852f261

6-2 TOYOTA Technical Training


Idle Air Control Systems

Stepper Motor The stepper motor IACV is located on the intake air chamber or throttle
IAC Valve body. It regulates engine speed by means of a stepper motor and a pintle
valve that controls the volume of air bypassing the closed throttle valve.
The IACV throttle air bypass circuit routes intake air past the throttle
valve directly to the intake manifold through an opening between the pin-
tle valve and its seat. The size of this opening is determined by how far
the pintle is from the seat.

The valve assembly consists of four electrical stator coils, a magnetic


rotor, a valve and valve shaft. The valve shaft is screwed into the rotor so
that as the rotor turns, the valve assembly will extend and retract.

Stepper Motor
IAC Operation

The ECM commands a


change in IAC position
by sequentially turning on
the stepper motor coils.

Fig. 6-04
T852f262

The ECM controls movement of the pintle valve by sequentially grounding


the four electrical stator coils. Each time current is pulsed through one of
the stator coils, the shaft moves one "step,” either into or out of the air
passage. The direction of valve movement depends on the sequence by
which the ECM energizes the coils.

The ECM closes the air bypass by extending the valve through the follow-
ing sequence:

ISC1 > ISC2 > ISC3 > ISC4

The ECM opens the air bypass by extending the valve through the follow-
ing sequence:

ISC4 > ISC3 > ISC2 > ISC1

Engine Control Systems I - Course 852 6-3


Section 6

The pintle valve has 125 possible positions, from fully retracted (maxi-
mum air bypass) to fully extended (no air bypass). In the event that the
IACV becomes disconnected or inoperative, its position will become fixed
at the step count where it failed. Because the stepper idle air control
motor is capable of controlling large volumes of air, it is used for cold
fast idle control and is not used in combination with a mechanical air
valve.

Initial Set-Up And


After-Start Control

The IAC is opened to its


125th step immediately
after the engine stops
running. After engine A
A
125

Low ← Engine RPM → High


start-up the ECM
positions the IAC valve A→B After-Start Control
based on the current
coolant temperature B

20
(68)

Coolant Temperature ºC (ºF)

Fig. 6-05
T852f263

Primary Controlled Engines equipped with the stepper type IACV use an ECM controlled
Parameters EFI main relay which delays system power down for about two seconds
Initial Set-Up after the ignition is turned off. During these two seconds, the ECM fully
opens the IACV to 125 steps from seat, improving engine stability when
it is started. This reset also allows the ECM to keep track of the IACV
position after each engine restart.

After-Start Control Once the engine has started and reached approximately 500 RPM, the
ECM drives the IACV to a precise number of steps from seat based on
the coolant temperature at time of start-up. This information is stored
in a look up table in the ECM memory and is represented by point B on
the graph.

6-4 TOYOTA Technical Training


Idle Air Control Systems

Warm-up Control
A
The IAC valve position 125

Low ← Engine RPM → High


adjusted to match the
actual idle speed to

Number of Steps
calculated target speed. B→C: Warm-Up Control
B

CC

20 71
(68) (160)
Coolant Temperature ºC (ºF)

Fig. 6-06
T852f264

Engine Warm-up As the engine coolant approaches normal operating temperature, the need
Control for cold fast idle is gradually eliminated. The ECM gradually steps the
IACV toward its seat during warm-up. The warm curb idle position is rep-
resented by point C on the graph. When the coolant temperature is
approximately 71°C (160°F), the cold fast idle program has ended.

Feedback Control
A
125
The IAC valve position A → B: Warm-Up Control Low ← Engine RPM → High
adjusted to match the B → C:Warm-Up Control
Number of Steps

actual idle speed to


calculated target speed. B Load Feedback
Control

20 71
(68) (160) No Load
Coolant Temperature ºC (ºF) Feedback Control

Fig. 6-07
T852f265

Feedback The ECM has a preprogrammed target idle speed that is maintained by
(Closed Loop) the IACV based on feedback from the NE signal. Feedback idle air control
Idle Air Control occurs any time the throttle is closed and the engine is at normal operat-
ing temperature. The target idle speed is programmed in an ECM look up

Engine Control Systems I - Course 852 6-5


Section 6

table and varies depending on inputs from the A/C and NSW signals.
Any time actual speed varies by greater than 20 RPM from target idle
speed, the ECM will adjust the IAC valve position to bring idle speed
back on target.

Target Idle Speed

Note the change in target speed as the A/C


or NSW are on or off.

Air Conditioner Switch Neutral Start Switch Engine Speed


ON 900 RPM
ON
OFF 750 RPM

ON 650 RPM
OFF
OFF 580 RPM

Fig. 6-08

Engine Load/Speed To prevent major loads from changing engine speed significantly, the
Change Estimate ECM monitors signals from the Neutral Start Switch (NSW), the Air
Control Conditioner switch (A/C), and models equipped with Power Steering Oil
Pressure Switch (PS). By monitoring these inputs, the ECM reestablish-
es target idle speeds accordingly and adjusts IACV position.

Before a change in engine speed can occur, the ECM has moved the
IACV to compensate for the change in engine load. This feature helps to
maintain a stable idle speed under changing load conditions.

These speed specifications can be useful when troubleshooting suspect-


ed operational problems in the step type idle air control system or relat-
ed input sensor circuits.

Other Controlled Electrical Load Idle-up - Whenever a drop in voltage is sensed at the
Parameters ECM +B or IG terminals, the ECM responds by increasing engine idle
speed. This strategy ensures adequate alternator rpm to maintain sys-
tem voltage at safe operational levels.

6-6 TOYOTA Technical Training


Idle Air Control Systems

Deceleration Control - Some ECMs use a deceleration function to allow


the engine to gradually return to idle. This strategy helps improve emis-
sions control by allowing more air into the intake manifold on decelera-
tion. This extra air is available to mix with any fuel that may have evapo-
rated during the low manifold pressure conditions of deceleration.

Learned Idle Air Control - The idle air control program is based on an
ECM stored look up table, which lists pintle step positions in relation to
specific engine rpm values. Over time, engine wear and other variations
tend to change these relationships. Because this system is capable of
feedback control, it is also capable of memorizing changes in the relation-
ship of step position and engine rpm. The ECM periodically updates its
memory to provide more rapid and accurate response to changes in
engine rpm.

NOTE If the battery is disconnected, the ECM must relearn target step positions.

Rotary Solenoid IAC System

Throttle Valve Air Intake


Chamber

From Air
Cleaner

RS Valve

Sensors ECM

To Cylinder

Fig. 6-09
T852f266

Rotary Solenoid The RS IACV is mounted on the throttle body and intake air bypassing
the throttle valve passes through it. According to the signals sent from
the ECM, the IACV controls the flow rate of air bypassing the throttle

Engine Control Systems I - Course 852 6-7


Section 6

valve during idle. The air flow rate determines the idle speed. The IACV
receives its power from the EFI relay and ground through the ECM.

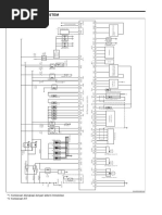
Rotary Solenoid Circuit

ECM
Ignition switch
ISC value
ISC1
(RSC)

Microprocessor
EFI main relay
+B1* ISC2
(RSO)

+B
Battery BATT Sensors
E1

* Some models only

Fig. 6-10
T852f267

Types of Rotary Solenoid IACV

IAC
IAC Valve Valve

RSO
ECM
ECM
RSO
Driver
RSC

Single Driver Circuit Dual Driver Circuits Fig. 6-11


T852f268

6-8 TOYOTA Technical Training


Idle Air Control Systems

There are two styles of rotary solenoid IACVs. The older style uses two
driver circuits, one driver for each coil. The newer style uses a single driv-
er circuit, one coil is controlled by the ECM while the other coil is always
grounded. They are not interchangeable. An easy way to tell which type of
rotary solenoid is to use the wiring schematic. The older style has two
wires connected to the ECM while the newer type has one connected to
the ECM and the other wire connected to ground.

Rotary Solenoid IAC From Air


To Cylinder Chamber
Permanent
Bimetallic Coil Valves Magnet
A

Coils
A1 To Injector

A - A’ Cross Section
Fig. 6-12
T852f269/T852f270

Engine Control Systems I - Course 852 6-9


Section 6

Rotary IACV The valve assembly consists of two electrical coils, a permanent magnet
Operation mounted on the valve shaft, and a valve. A fail-safe bimetallic strip is
fitted to the end of the shaft to operate the valve in the event of electri-
cal failure in the IACV system.

Located at the end of the valve shaft, the cylindrical permanent magnet
rotates when its two poles are repelled by the magnetism exerted by
coils T1 and T2.

Anchored to the midsection of the valve shaft, the valve controls the
amount of air passing through the bypass port. The valve, valve shaft,
and permanent magnet all rotate together.

IACV Components

Coil T1 ECM
Permanent
Magnet T1
T2
Bypass
Port Sensors

Valve
Lever +B

RSO
Guard Coil T2

Valve Shaft
Fixed
Pin Bimetallic Strip

Fig. 6-13
T852f271

As shown, each coil is connected to a transistor, T1 and T2 located in


the ECM. When transistor T1 turns on, current flows through that coil.
The magnetic field of the coil and the magnetic field of the permanent
magnet cause the valve to rotate clockwise. When T2 is turned on, the
valve rotates counterclockwise.

The ECM varies the on time (duty ratio) for each coil. The difference in
strength between the two magnetic fields determines the position of the
valve. The frequency is very high, 250Hz. This high frequency helps the
valve maintain the correct position for proper air flow.

6-10 TOYOTA Technical Training


Idle Air Control Systems

Single Driver Rotary The difference with this type of IACV is that the ECM sends a duty cycle
IACV Operation signal to one coil inside the IACV; the other coil is always on. To change
the IACV position, ECM changes the duty ratio in the controlled coil.

IACV Movement

To
Cylinder
Air
Passage

Valve
Permanent Bimetallic
Magnet Coil

Coils
From Air
Cleaner
To Injectors

Fig. 6-14
T852f272

Bimetallic Spring If the electrical connector is disconnected or the valve fails electrically, the
Operation shaft will rotate to a position determined by the balancing of the perma-
nent magnet with the iron core of the coils and the bi-metal strip.

The cold idle will not be as fast as normal and the warm idle will be high-
er than normal.

Using a bimetallic strip allows the IACV to change airflow rate with the
change in temperature. The default rpm is approximately 1000 to 1200
RPM once the engine has reached normal operating temperature.

Rotary IACV
Controlled Parameters
Engine Starting As the engine is started, the ECM opens the IACV to a preprogrammed
position based on coolant temperature and sensed rpm.

Warm-up Once the engine has started, the ECM controls the fast idle based on
coolant temperature. As the engine approaches normal operating temper-
ature, engine speed is gradually reduced. At this time the ECM is com-
paring actual idle rpm to the target rpm.

Engine Control Systems I - Course 852 6-11


Section 6

Feedback Control The ECM utilizes a feedback idle air control strategy (which functions
very much like the stepper motor IAC system). That is, when the actual
engine speed is lower than the target idling speed, the ECM signals the
IACV to open. Conversely, when the actual idle speed is higher than the
target idle speed, the ECM signal the IACV to close.

Engine Load/Speed To prevent major loads from changing engine speed significantly, the
Change Estimate ECM monitors signals from the neutral start switch (NSW), the air con-
Control ditioner switch (A/C), headlights or rear window defogger (ELS), and in
models equipped with power steering, an oil pressure switch (PS). By
monitoring these inputs, the ECM reestablishes target idle speeds
accordingly, and adjusts IACV position.

Before a change in engine speed can occur, the ECM has moved the
IACV to compensate for the change in engine load. This feature helps to
maintain a stable idle speed under changing load conditions.

These speed specifications can be useful when troubleshooting suspect-


ed operational problems in the IAC system or related input sensor cir-
cuits.

The Rotary Solenoid IAC system utilizes a learned idle air control strate-
gy. The ECM memorizes the relationship between engine rpm and duty
cycle ratio and periodically updates its memory. Over time, engine wear
and other variations tend to change these relationships. Because this
system is capable of feedback control, it is also capable of memorizing
changes in the relationship of duty ratio and engine rpm. The ECM peri-
odically updates its memory to provide more rapid and accurate
response to changes in engine rpm.

NOTE If the battery is disconnected, the ECM must relearn target step
positions.

6-12 TOYOTA Technical Training


Idle Air Control Systems

A/C Idle-Up

Adjustment Screw
Connector

From
Air Cleaner

To Cylinder

Coil Valve

Fig. 6-15
T852f273

Air Conditioning The air conditioning idle-up system is used in some models equipped with
Idle-Up the rotary solenoid to increase engine idle rpm any time the air condition-
ing compressor is in operation. This system maintains engine idle stabili-
ty during periods of A/C compressor operation. Additionally, it keeps
compressor speed sufficiently high to ensure adequate cooling capacity at
idle speed. The air control VSV is turned on or off by the air condi-
tioning ECU.

Engine Control Systems I - Course 852 6-13


Section 6

Power
Steering Idle-Up
MAF
Non-ECM Controlled
System.

Air Intake Chamber

Steering Gear Housing

Air Control Valve

Fig. 6-16
T852f274

Power Steering The power steering system draws a significant amount of horsepower
Idle-Up from the engine when the steering wheel is turned to either stop. This
can have an adverse effect on idle quality. To address this potential
problem, many engines equipped with power steering use a power steer-
ing idle-up system that activates whenever the steering wheel is turned
to a stop. There are two types:

• Non-ECM controlled.

• ECM controlled.

Non-ECM Controlled The Non-ECM controlled power steering idle-up system consists of a
hydraulically operated air control valve and a vacuum circuit which
bypasses the throttle valve. Whenever power steering pressure exceeds
the calibration point of the control valve, the valve opens, allowing a cal-
ibrated volume of air to bypass the closed throttle valve.

6-14 TOYOTA Technical Training


Idle Air Control Systems

The system is only functional during very low speed maneuvering and at
idle. The system can be tested by turning the steering wheel and listening
for an RPM increase.

ECM Controlled The ECM controlled power steering idle-up uses a pressure switch or sen-
sor in place of the air control valve. Receiving a change in voltage signal
from the sensor, the ECM will command the IACV to open,
increasing engine RPMs.

Engine Control Systems I - Course 852 6-15


Section 6

6-16 TOYOTA Technical Training


WORKSHEET 6—1
Rotary Solenoid IACV System
(Instructor Copy)

Vehicle Year/ Prod. Date Engine Transmission

Technician Objectives

With this worksheet, you will learn to test rotary solenoid IACV circuits using the required tools
and equipment, retrieve and apply the needed service information, retrieve and interpret service
data information.

Tools and Equipment


• Vehicle Repair Manual

• Vehicle EWD

• Diagnostic Tester

• DVOM

• Hand Tool Set

Section 1
1. Setup the Diagnostic Tester, go to Data List. Connect the DVOM to either IACV terminal.

2. Start the engine and note IACV percentage and voltage.

3. With the engine warmed up, increase engine RPM to 2500. What happened to IACV percentage and
voltage?

_________________________________________________________________________________________________________

4. With engine at idle, create an intake manifold leak that will cause the engine to run rough but not stall.

5. What happened to IACV percentage?

_________________________________________________________________________________________________________

Section 2
1. Using the RM, inspect IACV operation by connecting TE1 and E1 terminals in DLC1 (if applicable). What
happened to the idle?

_________________________________________________________________________________________________________

2. Go to Active Test for the IACV system. Increase the IACV percentage. What happened to engine RPM?

_________________________________________________________________________________________________________

3. Decrease IACV percentage. What happened to engine RPM?

_________________________________________________________________________________________________________

Engine Control Systems I - Course 852 6-17


Worksheet 6—1

IAC
IAC Valve Valve

RSO
ECM
ECM
RSO
Driver
RSC

Types of Rotary Solenoid IACV


T852f268

Section 3
Using the Repair Manual, complete the following statements.

1. For the rotary solenoid with two driver circuits:

Applying battery voltage to terminal +B and grounding the RSC terminal will cause the valve to

_________________________________________________________________________________________________________

Applying battery voltage to terminal +B and grounding the RSO terminal will cause the valve to

_________________________________________________________________________________________________________

2. For the rotary solenoid with a single driver circuit:

_________________________________________________________________________________________________________

Applying battery voltage to terminal +B and grounding the RSO terminal will cause the valve to

_________________________________________________________________________________________________________

6-18 TOYOTA Technical Training


Rotary Solenoid IACV System

Name ____________________________________________________________ Date ________________________________


Review this sheet as you are doing the worksheet. Check each category after completing the worksheet and
instructor presentation. Ask the instructor if you have questions. The comments section is for you to write where
to find the information, questions, etc.

I have questions I know I can

Topic Comment

Locate components in the IACV system


using the EWD and RM

Find wire colors, pin numbers in the fuel


delivery electrical circuits using the EWD
and RM

Locate the IACV status in the Data List


and compare to specifications to
determine condition

Activate RS IACV with Active Test

Determine effect on IACV operation when


there are engine problems

Test RS IACV operation

Check and retrieve relevant DTCs

Locate in the RM two sections related to


IACV system concerns

Engine Control Systems I - Course 852 6-19

You might also like