KEMBAR78
Schematic Diagram | PDF | Infographics | Conceptual Model
50% found this document useful (2 votes)
20K views12 pages

Schematic Diagram

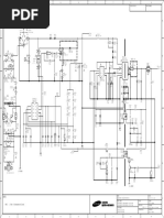
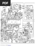
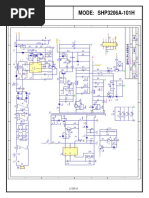
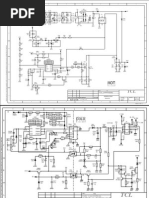
The document contains schematic diagrams for various components of a Samsung electronics product. It includes diagrams for the main boards 1-4, the CRT/VM board, woofer board, and feature boxes 1-4, as well as a diagram for the side AV, woofer jack, and control components. Each diagram displays the test points for the component in a visual layout.
Copyright
© © All Rights Reserved
We take content rights seriously. If you suspect this is your content, claim it here.
Available Formats
Download as PDF, TXT or read online on Scribd
50% found this document useful (2 votes)
20K views12 pages

Schematic Diagram

The document contains schematic diagrams for various components of a Samsung electronics product. It includes diagrams for the main boards 1-4, the CRT/VM board, woofer board, and feature boxes 1-4, as well as a diagram for the side AV, woofer jack, and control components. Each diagram displays the test points for the component in a visual layout.
Copyright
© © All Rights Reserved
We take content rights seriously. If you suspect this is your content, claim it here.
Available Formats
Download as PDF, TXT or read online on Scribd
You are on page 1/ 12

Schematic Diagrams

9. Schematic Diagrams
9-1 MAIN 1

TP07 TP01

TP11
TP08 TP02

TP09

TP01 TP10
TP02

TP09 TP03
TP05

TP04

TP03
TP07
TP08
TP10 TP04

TP06
TP11 TP05

TP06

Samsung Electronics 9-1


Schematic Diagrams

9-2 MAIN 2

TP18 TP12

TP13

TP12
TP13

TP14

TP18

TP15

TP16

TP17

TP16 TP14 TP15


TP17

9-2 Samsung Electronics


Schematic Diagrams

9-3 MAIN 3

TP19

TP19

Samsung Electronics 9-3


Schematic Diagrams

9-4 MAIN 4

TP20

TP25

TP21

TP22

TP23
TP20
TP21

TP22

TP23 TP24

TP25

TP24

9-4 Samsung Electronics


Schematic Diagrams

9-5 CRT / VM TDA6120Q

Samsung Electronics 9-5


Schematic Diagrams

9-6 CRT / VM TDA6120Q

9-6 Samsung Electronics


Schematic Diagrams

9-7 WOOFER

Samsung Electronics 9-7


Schematic Diagrams

9-8 FEATURE-BOX-1

9-8 Samsung Electronics


Schematic Diagrams

9-9 FEATURE-BOX-2

Samsung Electronics 9-9


Schematic Diagrams

9-10 FEATURE-BOX-3

9-10 Samsung Electronics


Schematic Diagrams

9-11 FEATURE-BOX-4

Samsung Electronics 9-11


Schematic Diagrams

9-12 SIDE AV, WOOFER JACK, CONTROL

WOOFER JACK

SIDE AV

CONTROL

9-12 Samsung Electronics

You might also like