KEMBAR78
CC Debugger Schematic | PDF | Computer Engineering | Computing And Information Technology
0% found this document useful (0 votes)
906 views1 page

CC Debugger Schematic

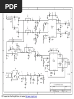
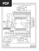
1. The document shows a circuit board layout with multiple photoresistors, LEDs, resistors, and other components connected via lines and pins. 2. Key components include four photoresistors labeled PIR101, PIR201, PIR301, PIR401, two LEDs labeled LED_GREEN and LED_RED, and a debug header. 3. The circuit board includes connections for power from a 3.3V source and ground connections.

Uploaded by

kalimbalo
Copyright
© © All Rights Reserved
We take content rights seriously. If you suspect this is your content, claim it here.
Available Formats
Download as PDF, TXT or read online on Scribd
0% found this document useful (0 votes)
906 views1 page

CC Debugger Schematic

1. The document shows a circuit board layout with multiple photoresistors, LEDs, resistors, and other components connected via lines and pins. 2. Key components include four photoresistors labeled PIR101, PIR201, PIR301, PIR401, two LEDs labeled LED_GREEN and LED_RED, and a debug header. 3. The circuit board includes connections for power from a 3.3V source and ground connections.

Uploaded by

kalimbalo
Copyright
© © All Rights Reserved
We take content rights seriously. If you suspect this is your content, claim it here.
Available Formats
Download as PDF, TXT or read online on Scribd
You are on page 1/ 1

1 2 3 4

3.3V

LED_GREEN
3.3V
Debug Header PIR201 PIR101
LED_RED

PIR301 PIR401 3.3V GND


PIluosihole L100
COluosihole L1
GND PIluosihole L200
COluosihole L2
GND COR2
R2 COR1
R1 LEVEL CONVERTER
COR3
R3 COR4
R4 COP1
P1 4.7K 4.7K
1K 1K PIR701 PIluosihole L300 GND PIluosihole L400 GND PIR202 PIR102 COU1
PIP101 1
LED_GREEN U1
PIR502 PIR302 PIR402 PIR601 COR7
R7 2 PIP102
COluosihole L3 COluosihole L4
DBG_RESET
PIP103 3
LED_RED VDD_TARGET
4 PIP104

A
COR5
R5
10K PIQ103COQ1 PIQ203 COR6
R6
10K PIR702
4.7K USB_IFC_CTRL
PIP105 5
PIP107 7
6
8
PIP106
PIP108
CC2511_RESET
CC2511_DC NLDBG0DD0DIR
DBG_DD_DIR
1
PIU101
2
PIU102
VCCA
1DIR
VCCB
1OE
16
PIU1016
15
PIU1015
A
PIPIQ101
R501 Q1 PIQ201
PIR602 PIP109 9 10 PIP1010
CC2511_DD NLDBG0DC0DIR
DBG_DC_DIR 3
PIU103 2DIR 2OE
14
PIU1014
NPN COQ2
Q2 CC2511_RESET UART_ENPIP1011 11 PIP1012SPI_MISO
NLDBG0DD
DBG_DD 4 13 NLDD
DD
12 PIU104 1A1 1B1 PIU1013

PIQ102 PIQ20 NPN


PIREST02 UART_TX
UART_RX
PIP1013 13
PIP1015 15
14
16
PIP1014SPI_MOSI
PIP1016SPI_SCLK
NLDBG0DC
DBG_DC
5
PIU105
6
PIU106
1A2
2A1
1B2
2B1
12
PIU1012
11
PIU1011
NLDC
DC
PIL101 PIL201 PIP1018SPI_CSN 7 10
COREST
REST
PIP1017 17
PIP1019 19
18
20 PIP1020SPI_EN
USB controller(CC2511) PIU107
8
PIU108
2A2
GND
2B2
GND
PIU1010
9
PIU109
COL1
L1 COL2
L2

CC2511_RESET
PIREST01 RESET Header 10X2

DBG_DD_DIR
PIL102 PIL202 COC1
C1 SN74AVC4T245 3.3V

UART_RX
UART_EN
UART_TX
3.3V GND

DBG_DD
PIC101 PIC102 GND
3.3V PIR801
GND 2LEDS GND 105 COU3
U3 GND COR8
R8
VDD_TARGET 4.7K
PIR802
3.3V
3.3V PIU4036 PIU4035 PIU403 PIU403 PIU4032 PIU4031 PIU403 PIU4029 PIU4028 1
PIU301
2
VCCA VCCB
16
PIU3016
15 NLUART0EN
UART_EN

36
35
34
33
32
31
30
29
28
PIU302 1DIR 1OE PIU3015
PIR901 COU4
U4 3
PIU303 2DIR 2OE
14
PIU3014
COR9
R9 CC2511 NLUART0RX
UART_RX 4 13 MISO/RX
1A1 1B1

AVDD_DREG
GUARD
P1_3
P1_4
P1_5
P1_6
P1_7

DCOUPL
RESET_N
PIU304 PIU3013
0R 5 12
B PIU305 1A2 1B2 PIU3012 B
PIR902 COR10
R10 COR11
R11
NLUART0TX
UART_TX 6
PIU306 2A1 2B1
11
PIU3011
MOSI/TX
USB_IFC_CTRL DBG_DC_DIR 1 27 7 10
USB PIR1202
PIR1001
0R
PIR1002 PIU401
2
PIU402
P1_2
DVDD
R_BIAS
AVDD
PIU4027
26
PIU4026
PIR1101
56K
PIR1102 GND PIU307
8
PIU308
2A2
GND
2B2
GND
PIU3010
9
PIU309
COR12
R12 DBG_DC PIU4033 25
1.5K NLUSB0IFC0CTRL P1_1 AVDD PIU4025
USB_IFC_CTRL 4 24
PIU404 P1_0 RF_N PIU4024
COUSB1
USB1 VBUS PIR1201 SPI_EN PIU4055
P0_0 RF_P
23
PIU4023
SN74AVC4T245 3.3V

P2_3XOSC32K_Q1
P2_4XOSC32K_Q2
1 NLDBG0RESET
DBG_RESET 6 22 3.3V
VBUS PIUSB101 COR13
R1322R PIU406 P0_1 AVDD PIU4022
2
D- PIUSB102 PIR1301
COR14
R1422RPIR1302
D- SPI_CSN PIU407
7
P0_2 XOSC_Q1
21
PIU4021
PIR1501
3 D+ SPI_SCLKPIU408
8 20 COU5
U5 GND COR15
R15
D+ PIUSB103 PIR1401 PIR1402 P0_3 XOSC_Q2 PIU4020
4 SPI_MOSIPIU409
9 19 COY1
Y1 VDD_TARGET 4.7K
GND PIUSB104 P0_4 AVDD PIU4019
5
SHEEL PIUSB105
PIC202 PIC302 1 2 1
VCCA VCCB
16 PIR1502

DVDD
PIY101 PIY102 PIU501 PIU5016
6 COC2
C2 COC3
C3 37 2 15 NLSPI0EN
SPI_EN

P0_5
P2_0
P2_1
P2_2
SHEEL PIUSB106 AGND PIU4037 GND PIU502 1DIR 1OE PIU5015
GND
PIC201 47pF PIC301 47pF
DM
DP
PIC402 48M PIC502 3
PIU503 2DIR 2OE
14
PIU5014
USB-B COC4
C4 COC5
C5 NLSPI0CSN
SPI_CSN 4 13 NLCSN
CSN
PIU504 1A1 1B1 PIU5013
PIC401 PIC501
GND
PIU401 PIU401 PIU4012 PIU4013 PIU401 PIU4015 PIU4016 PIU4017 PIU4018 30pF 30pF NLSPI0SCLK
SPI_SCLK 5
PIU505 1A2 1B2
12
PIU5012
NLSCLK
SCLK
10
11
12
SPI_MISO 13
14
CC2511_DD 15
CC2511_DC 16
LED_RED 17
LED_GREEN 18
NLSPI0MOSI
SPI_MOSI 6 11 NLMOSI0TX
MOSI/TX
COU2
PIU506 2A1 2B1 PIU5011
U2 AMS1117 7 10

NLC2510DCNLED0REDNLED0GREN 2A2 2B2


PIU507 PIU5010
NLD0
D+ GND 8 9
PIU508 GND GND PIU509
Vo
Vi
G

C NLD0 C
D-
VBUS PIU203 PIU201 PIU202 3.3V Target connector SN74AVC4T245
GND
3
1
2

GND COU6
U6
3.3V GND 3.3V VDD_TARGET
PI1 70C10
104 PI1 70C401 PI1 70C302
104 PI1 70C201 COP2
P2 VDD_TARGET 1
PIU601 VCCA
16
VCCB PIU6016
CO11170C4
1117.C4 CO11170C2
1117.C2 3.3V 2 15 SPI_EN
PIP201 1 2 PIP202 PIU602 1DIR 1OE PIU6015
PI1 70C102
CO11170C1
1117.C1 PI1 70C402 10uF PI1 70C301
CO11170C3
1117.C3 PI1 70C20 10uF DC
COR16100R PIP203 3 4 PIP204
DD
COR17100R SCLK
3
PIU603 2DIR
14
2OE PIU6014
PIR1901 CSN PIR1601R16 R17 NLSPI0MISO
SPI_MISO 4 13 NLMISO0RX
MISO/RX
COR19
R19
PIR1602 PIP205 5 6 PIP206 PIR1701 PIR1702
COR18100R
R18 PIU604 1A1 1B1 PIU6013
RESETN MOSI/TX 5 12
1K COR200R
R20 PIP207 7 8 PIP208 PIR1801 PIR1802
COR21100R
R21 PIU605 1A2 1B2 PIU6012
MISO/RX NL0DBG0RESET
/DBG_RESET 6 11 NLRESETN
RESETN
3.3V PIR2001 PIR2002 PIP209 9 10 PIP2010 PIR2101 PIR2102 PIU606 2A1 2B1 PIU6011
PIR1902 /DBG_RESET 7
PIU607 2A2
10
2B2 PIU6010

GND DBG_RESETPIR2202 COR22


R22
PIQ30 COQ3
Q3
DEBUG_CC2511 8
PIU608 GND
9
GND PIU609

PIR2201
PIQ301
NPN 3.3V SN74AVC4T245
POWER 10K Debug header
3.3V
PIQ302 GND PIR2302
COP3 R23
COR23
P3 3.3V GND
D PIC602 PIC702 PIC802 PIC902 PIC10 2 PIC1 02 PIC1202 4.7K
COR24
R24100R PIP301 1 2 PIP302 COR25100R CC2511_DD
R25
Title
D
COC6
C6 COC7
C7 COC8
C8 COC9
C9 COC10
C10 COC11
C11 COC12
C12 GND CC2511_DC PIR2401
PIR2301
PIR2402 PIP303 3 4 PIP304 PIR2501 PIR2502
NLCC25110DD
PIC601 104 PIC701 104 PIC801 104 PIC901 104 PIC10 1 104 PIC1 01 104 PIC1201 104
COR26100R PIP305 5 6 PIP306
CC2511_RESET R26
NLCC25110RESET Size Number Revision
PIR2601 PIR2602 PIP307 7 8 PIP308
PIP309 9 10 PIP3010 A4
GND DEBUG_CC2511 Date: 2012/9/25 Sheet of
File: E:\PCB\..\CC DEBUGGER.SchDoc Drawn By:
1 2 3 4

You might also like