KEMBAR78
PCB Project1 PDF | PDF | Cryptography
100% found this document useful (2 votes)
177 views2 pages

PCB Project1 PDF

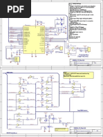
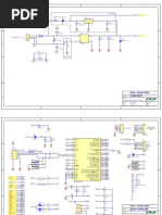
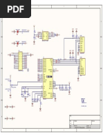
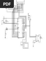
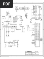
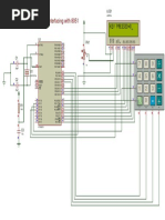
1. The document describes the pin connections of the Pickit3 debugger tool. It shows the pin labels and their connections to various components on the board. 2. The pin labels include Vpp, Vdd, GND, RB7/DAT, RB6/CLK and they are connected to components like PIU101, PIU102, U1, R5, R6, R7 for voltage regulation and signal processing. 3. The debugger tool is used to interface and program microcontrollers through the pin connections labeled in the diagram.

Uploaded by

Pedro Perez
Copyright
© © All Rights Reserved
We take content rights seriously. If you suspect this is your content, claim it here.
Available Formats
Download as PDF, TXT or read online on Scribd
100% found this document useful (2 votes)
177 views2 pages

PCB Project1 PDF

1. The document describes the pin connections of the Pickit3 debugger tool. It shows the pin labels and their connections to various components on the board. 2. The pin labels include Vpp, Vdd, GND, RB7/DAT, RB6/CLK and they are connected to components like PIU101, PIU102, U1, R5, R6, R7 for voltage regulation and signal processing. 3. The debugger tool is used to interface and program microcontrollers through the pin connections labeled in the diagram.

Uploaded by

Pedro Perez
Copyright
© © All Rights Reserved
We take content rights seriously. If you suspect this is your content, claim it here.
Available Formats
Download as PDF, TXT or read online on Scribd
You are on page 1/ 2

1 2 3 4

COPickit3
Pickit3
Vpp Vdd 1 3 NL303vdc
3.3vdc
1
PIU101 in out PIU103

adj
PIPickit301
Vdd
2 PIPickit302
GND COR5
3 PIPickit303
RB7/DAT
PIU102 R5 100 f

2
PIR502 PIR501
4 PIPickit304
Vdd
RB6/CLK COR6
R6 100
5 PIPickit305
COBCD1
BCD1 g
PIR602 PIR601
6 PIPickit306 COU1
U1 39 1 16 aNLa bNLb cNLc dNLd eNLe fNLf gNLg

dp
A PIBCD101 A1 Vcc PIBCD1016 COR7 A

g
a

e
R7 100 PISegm0a PISegm0b PISegm0c PISegm0d PISegm0e PISegm0f PISegm0g PISegm0dp

f
Vdd 40 2 15 a
Header 6 PIBCD102 A2 f PIBCD1015 PIR702 PIR701
GND 3 14 COSegm
Segm
COP0 COR0
R0 PIBCD103 LT g PIBCD1014 COR8
R8 100
P0 PIR002 PIR001 PILED001 PILED002 4 13 b 3digit
PIBCD104 BI/RB0 a PIBCD1013 PIR802 PIR801
1 PIP001 220 5 12 COR9
Vdd COLED0
LED0
PIBCD105 RBI b PIBCD1012 R9 100
2 PIP002 41 6 11 c
PIBCD106 A3 c PIBCD1011 PIR902 PIR901
3 PIP003
RA1/AN1
COR1
R1 RC0/T1OSO
PIP101 1
38 7
PIBCD107 A0
10
d PIBCD1010 COR10 100
R10
PISegm0dig1 PISegm0dig2 PISegm0dig3

dig1

dig2

dig3
GND RC1/CCP2PIP102 8 9 d
4 PIP004 PIR102 PIR101 PILED101 PILED102
2 PIBCD108 GND e PIBCD109 PIR1002 PIR1001
Vdd 220 RC2/CCP2PIP103
5 PIP005
3 COP1 COR11 100
R11
PIP006GND
COLED1
LED1 RC3/SCL/SCK P1 7448 e
6 PIP104 4 PIR1102 PIR1101
7 PIP0073.3vdc COR2
R2 RC4/SDI PIP105
5
8 PIP008GND PIR202 PIR201 PILED201 PILED202 RC5/SDO PIP106 GND
6
9 PIP009RD4 220
PIP0010RD5 COLED2
LED2
10
11
12
PIP0011RD6
PIP0012
RD7
RA2/AN2 COR3
R3
RC6/TX PIP201
RC7/RX PIP202
NLRB40AN11
RB4/AN11PIP203
1
2
PIQ10 COQ1 PIQ201COQ2 PIQ301COQ3
13 PIP0013 PIR302 PIR301 PILED301 PILED302 3 COP2 Q1 Q2 Q3
PIQ102 PIQ202 PIQ302
RA3/AN3 220 GND RB5/AN13/CCP3 P2 2N3904 2N3904 2N3904
14 PIP0014 PIP204 4 PIRQ101 PIRQ201 PIRQ301
B
15
16
PIP0015
PIP0016
RA4/SEG4
RA5/AN4
COR4
R4
COLED3
LED3 RB6/CLK PIP205
RB7/DAT PIP206
5
6
CORQ1
RQ1 PIQ103 CORQ2
RQ2 PIQ203 CORQ3
RQ3 PIQ30 B
PIR402 PIR401 PILED401 PILED402 PIRQ1022.7K PIRQ2022.7K PIRQ3022.7K
Header 16 220 25 26 NL27
27
COLED4
LED4 GND GND GND

Vdd
Vdd
COtest
test CORJ22
RJ22
GND
Vdd COPIC16F1937
PIC16F1937 1PIRJ2201
1 PItest01 Vss
GND RC7/RXPIPIC16F193701
1 44 RC6/TX 2PIRJ2202
2 PItest02
NLRD4 SEG8/DT/RX/RC7 RC6/TX/CK/SEG9 PIPIC16F1937044
NLRC50SDO Vdd
RD4 2 43 RC5/SDO NLRC60TX 3PIRJ2203 Rx
RC6/TX
PIR1701 NLRD5 PIPIC16F193702 SEG17/P2D/CPS12/RD4 RC5/SDO/SEG10 PIPIC16F1937043
NLRC40SDI
Header 2 RD5 3 42 RC4/SDI NLRC70RX 4PIRJ2204 Tx
RC7/RX
COR17
R17 PIPIC16F193703
NLRD6 PIPIC16F193704 SEG18/P1B/CPS13/RD5 RC4/SDI/SDA/T1G/SEG11 PIPIC16F1937042
NL41
RD6 4 41 41
SEG19/P1C/CPS14/RD6 RD3/CPS11/P2C/SEG16 PIPIC16F1937041

Vdd
PIR1702 10K NLRD7
RD7 PIPIC16F193705
5
SEG20/P1D/CPS15/RD7 RD2/CPS10/P2B
40 NL40
40
PIPIC16F1937040
Vdd GND PIPIC16F193706
6 39 NL39
39
VSS RD1/CPS9/CCP4 PIPIC16F1937039
1 PIReset01 2 Vdd PIPIC16F193707
7 38 NL38
38
PIReset02 VDD RD0/CPS8/COM3 PIPIC16F1937038
3 PIReset03 4 8NL8 8 37 NLRC30SCL0SCK
RC3/SCL/SCK
PIR1301 PIR1501 PIReset04 PIPIC16F193708 SEG0/INT/SRI/CPS0/AN12/RB0 RC3/SCL/SCK/SEG6 PIPIC16F1937037
NL99 9 36 NLRC20CCP2
RC2/CCP2
C COR13
R13 COR15
R15
COReset
Reset
NL10
10
PIPIC16F193709
10
PIPIC16F1937010
VLCD1/CPS1/C12IN3-/AN10/RB1
VLCD2/CPS2/AN8/RB2
PIC16F1937 RC2/CCP1/P1A/SEG3
RC1/T1OSI/CCP2(1)/P2A(1)
PIPIC16F1937036
35 NLRC10CCP2
RC1/CCP2
PIPIC16F1937035
C
PIR1302 10K CORB0
RB0 PIR1502 10K CORB2
RB2 NL11
11 11
PIPIC16F1937011 VLCD3/P2A(1)/CCP2(1)/CPS3/C12IN2-/AN9/RB3 NC
34
PIPIC16F1937034
8 1 PIRB001 2 10 1 PIRB201 2 GND 12 33
PIRB002 PIRB202 PIPIC16F1937012 NC NC PIPIC16F1937033
PulseSMD PulseSMD 13
PIPIC16F1937013 NC RC0/T1OSO/T1CKI/P2B(1)
32 NLRC00T1OSO
RC0/T1OSO
PIPIC16F1937032
Vdd 14
PIPIC16F1937014 COM0/CPS4/AN11/RB4 RA6/OSC2/CLKOUT/VCAP(2)/SEG1
31 NLOSC2
OSC2
PIPIC16F1937031
NLRB50AN130CCP3
RB5/AN13/CCP3 15 30 NLOSC1
OSC1
PIPIC16F1937015 COM1/T1G(1)/P3A(1)/CCP3(1)/CPS5/AN13/RB5 RA7/OSC1/CLKIN/SEG2 PIPIC16F1937030
RB6/CLK
NLRB60CLK 16 29 GND
NLGND
Vdd Vdd PIPIC16F1937016 SEG14/ICDCLK/ICSPCLK/RB6 VSS PIPIC16F1937029
GND GND RB7/DAT
NLRB70DAT 17 28 Vdd
NLVdd
PIPIC16F1937017 SEG13/ICDDAT/ICSPDAT/RB7 VDD PIPIC16F1937028
PIR1202 COR12 Vpp 18
NLVpp PIPIC16F1937018 VPP/MCLR/RE3 RE2/AN7/CCP5/SEG23
27 27
PIPIC16F1937027
RA0/AN0
NLRA00AN0 19 26 26
NL26
PIR1401 PIR1601 PIR1203 PIPIC16F1937019 EG12/VCAP(2)/SS(1)/SRNQ(1)/C2OUT(1)/C12IN0-/AN0/RA0 RE1/AN6/P3B/SEG22 PIPIC16F1937026
5K RA1/AN1
NLRA10AN1 20 25 25
NL25
R14
COR14 R16
COR16 PIPIC16F1937020 SEG7/C12IN1-/AN1/RA1 RE0/AN5/CCP3(1)/P3A(1)/SEG21 PIPIC16F1937025
10K 10k
PIR1201 NLRA20AN2
RA2/AN2 21
PIPIC16F1937021 COM2/DACOUT/VREF-/C2IN+/AN2/RA2 RA5/AN4/C2OUT/CPS7/SRNQ/SS/VCAP/SEG5
24 NLRA50AN4
RA5/AN4
PIPIC16F1937024
PIR1402 RB1
CORB1 PIR1602 RB3
CORB3 NLRA30AN3
RA3/AN3 22 23 NLRA40SEG4
RA4/SEG4
PIPIC16F1937022 SEG15VREF+/C1IN+/AN3/RA3 RA4/C1OUT/CPS6/T0CKI/SRQ/SEG4 PIPIC16F1937023
9 1 2 11 1 2
PIRB101 PIRB102 PIRB301 PIRB302
PulseSMD PulseSMD PIC16F1937
GND

GND GND Title


D D
OSC11 2 OSC2
PIX101 PIX102

COX1
X1 Size Number Revision
20MHz
A4
Date: 19/05/2014 Sheet of
File: D:\Documentos\..\Sheet1.SchDoc Drawn By:
1 2 3 4
PAPickit301
PAPickit302 COU1 PASegm0dig1 PASegm0a PASegm0f PASegm0dig2 PASegm0dig3 PASegm0b
PAPickit303
PAPickit304
PAPickit305
PAPickit306
COPickt3 PALED001
PALED002
COLED0
PAR001
PAR002
COR0

PAR1203
PAU101 PAU102 PAU103
COSegm
PASegm0e PASegm0d PASegm0dp PASegm0c PASegm0g
COReset
PAReset03 PAReset04 PARJ2202
PARJ2204
PARJ220
PARJ2201
PARJ2203
COR12 PAR1202 COBCD1
COR5 COR6 COR7 COR8 COR9 COR10 COR11

PAR1201 PABCD101 PABCD1016


PAR501 PAR601 PAR701 PAR801 PAR901 PAR1001 PAR1101 PAReset01 PAReset0 PAReset02
PABCD102 PABCD1015
COP0 PABCD103 PABCD1014
PAR502 PAR602 PAR702 PAR802 PAR902 PAR1002 PAR1102
PABCD104 PABCD1013 CORJ22
PAP001 PABCD105
PABCD106
PABCD1012
PABCD1011 CORQ3 COQ3 CORQ2 COQ2 CORQ1 COQ1
PABCD107 PABCD1010
PAP002 PABCD108 PABCD109 PAQ301 PAQ201 PAQ101
PAQ303 PAQ203 PAQ103
PAP003 PARQ301 PAQ302 PARQ201 PAQ202 PARQ101 PAQ102 COP1
PARQ302 PARQ202 PARQ102
PAP004 PAP101
COLED1 COPIC16F1937
PAP005 PALED101 PAR101 PAP102
COR1 PAIC16F93704 PAIC16F937043 PAIC16F937042 PAIC16F937041 PAIC16F93704 PAIC16F93709 PAIC16F93708 PAIC16F9370 PAIC16F93706 PAIC16F93705 PAIC16F93704
PAP006
PAP007 COLED2
PALED102 PAR102

PAR201
PAPIC16F193701
PAPIC16F193702
PAPIC16F193703
PAPIC16F193704
PAPIC16F193705
PAPIC16F1937033
PAPIC16F1937032
PAPIC16F1937031
PAPIC16F1937030
PAPIC16F1937029
PAX102 PAP103
PAP104
PAP008 PALED201 COR17 PAP105
COR2 PAPIC16F193706 PAPIC16F1937028

PALED202 PAR202
PAPIC16F193707
PAPIC16F193708
PAPIC16F1937027
PAPIC16F1937026
COX1
PAP009 PAPIC16F193709 PAPIC16F1937025
PAR1701 PAP106
COLED3 PAPIC16F1937010 PAPIC16F1937024

PAX10
PAPIC16F1937011 PAPIC16F1937023

PAP0010 PALED301 PAR301 PAIC16F937012 PAIC16F937013 PAIC16F937014 PAIC16F937015 PAIC16F937016 PAIC16F93701 PAIC16F937018 PAIC16F937019 PAIC16F93702 PAIC16F937021 PAIC16F93702 PAR1702 COP2
COR3
PAP0011 PALED302 PAR302 CORB0 CORB1 CORB2 CORB3 PAP201
PAP0012 COLED4 PAR401 PAP202
PALED401 COR4
PARB001 PARB101 PARB201 PARB301
PAP0013 PAR402 COR13 COR15
PAP203
PALED402 COR14 COR16
PAP0014 PAP204
PAR1302 PAR1402 PAR1502 PAR1602
PAP0015 PAP205
PAR1301 PARB002 PAR1401 PARB102 PAR1501 PARB202 PAR1601 PARB302
PAP0016 PAtest02 PAtest01 PAP206
COtest

You might also like