KEMBAR78
Blog Diagram Sharp Universe | PDF
0% found this document useful (0 votes)
432 views5 pages

Blog Diagram Sharp Universe

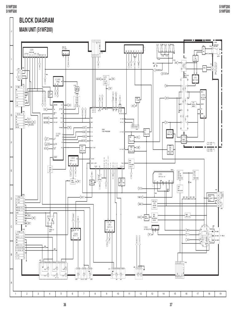
This document contains block diagrams and schematics for two television models, 51WF200 and 51WF500. It shows the main units, connections, and components of each model including the main unit, CRT unit, headphone unit, NICAM unit (for model 51WF500 only), and S-control unit. Lines connect the different units and numbers label the pins on each component.

Uploaded by

Sulis Wanto
Copyright
© © All Rights Reserved
We take content rights seriously. If you suspect this is your content, claim it here.
Available Formats
Download as PDF, TXT or read online on Scribd
0% found this document useful (0 votes)
432 views5 pages

Blog Diagram Sharp Universe

This document contains block diagrams and schematics for two television models, 51WF200 and 51WF500. It shows the main units, connections, and components of each model including the main unit, CRT unit, headphone unit, NICAM unit (for model 51WF500 only), and S-control unit. Lines connect the different units and numbers label the pins on each component.

Uploaded by

Sulis Wanto
Copyright
© © All Rights Reserved
We take content rights seriously. If you suspect this is your content, claim it here.
Available Formats
Download as PDF, TXT or read online on Scribd
You are on page 1/ 5

51WF200 51WF200

51WF500 51WF500

BLOCK DIAGRAM
J MAIN UNIT (51WF200)

1 2 3 4 5 6 7 8 9 10 11 12 13 14 15 16 17 18 19

36 37
51WF200 51WF200
51WF500 51WF500

SCHEMA
J
MAIN UNIT (51WF500)

1 2 3 4 5 6 7 8 9 10 11 12 13 14 15 16 17 18 19

38 39
51WF200
51WF500

J
CRT UNIT

HEADPHONE UNIT
D

1 2 3 4 5 6 7 8 9 10

40
51WF200
51WF500

J
NICAM UNIT (51WF500 ONLY)

1 2 3 4 5 6 7 8 9 10

41
51WF200 51WF200
51WF500 51WF500

J
S-CONTROL UNIT

1 2 3 4 5 6 7 8 9 10 11 12 13 14 15 16 17 18 19

42 43

You might also like