KEMBAR78
Brake Control System: Section | PDF | Anti Lock Braking System | Airbag
100% found this document useful (1 vote)
279 views156 pages

Brake Control System: Section

This document provides information on brake control systems, including: 1) System components, functions, and diagrams of ABS and brake control systems. 2) Troubleshooting procedures and checks, such as inspecting wheel sensors, control units, solenoid valves, and hydraulic circuits. 3) Diagnosing issues like ABS operating frequently, long stopping distances, or warning lamps not working properly. 4) Removal and installation procedures for components like wheel sensors, actuator motors, and control units. Precautions and preparations for repair work are also described, along with specifications for tools and connectors.
Copyright
© © All Rights Reserved
We take content rights seriously. If you suspect this is your content, claim it here.
Available Formats
Download as PDF, TXT or read online on Scribd
100% found this document useful (1 vote)
279 views156 pages

Brake Control System: Section

This document provides information on brake control systems, including: 1) System components, functions, and diagrams of ABS and brake control systems. 2) Troubleshooting procedures and checks, such as inspecting wheel sensors, control units, solenoid valves, and hydraulic circuits. 3) Diagnosing issues like ABS operating frequently, long stopping distances, or warning lamps not working properly. 4) Removal and installation procedures for components like wheel sensors, actuator motors, and control units. Precautions and preparations for repair work are also described, along with specifications for tools and connectors.
Copyright
© © All Rights Reserved
We take content rights seriously. If you suspect this is your content, claim it here.
Available Formats
Download as PDF, TXT or read online on Scribd
You are on page 1/ 156

F BRAKES

B
SECTION
BRAKE CONTROL SYSTEM C

E
CONTENTS
ABS Control Unit Input/Output Signal Standard ............. 21 BRC
REFERENCE VALUE FROM CONSULT-II ......... 21
PRECAUTIONS .......................................................... 4 CONSULT-II Function (ABS) .................................. 23
Precautions for Supplemental Restraint System CONSULT-IIBASICOPERATIONPROCEDURE G
(SRS) “AIR BAG” and “SEAT BELT PRE-TEN- ... 23
SIONER” .................................................................. 4 SELF-DIAGNOSIS .............................................. 24
Precautions for Brake System .................................. 4 DATA MONITOR ................................................. 26
Precautions When Using CONSULT-II ..................... 4 H
ACTIVE TEST ..................................................... 27
CHECK POINTS FOR USING CONSULT-II ......... 4 TROUBLE DIAGNOSIS FOR SELF-DIAGNOSTIC
Precautions for Brake Control .................................. 5 ITEMS ........................................................................ 29
Precautions for CAN System ................................... 5 Wheel Sensor System ............................................ 29 I
Wiring Diagrams and Trouble Diagnosis .................. 6 ABS Control Unit Inspection ................................... 30
PREPARATION ........................................................... 7 Solenoid Valve System Inspection ......................... 31
Special Service Tool ................................................. 7 Actuator Motor, Motor Relay, and Circuit Inspection... 32 J
Commercial Service Tools ........................................ 7 ABS Control Unit Power and Ground Systems
SYSTEM DESCRIPTION ............................................ 8 Inspection ............................................................... 33
System Components ................................................ 8 CAN Communication System Inspection ................ 34
ABS Function ........................................................... 8 K
TROUBLE DIAGNOSES FOR SYMPTOMS ............ 35
EBD Function ........................................................... 8 ABS Works Frequently ........................................... 35
Fail-Safe Function .................................................... 8 Unexpected Pedal Action ....................................... 36
ABS/EBD SYSTEM ............................................... 8 Long Stopping Distance .......................................... 37 L
Hydraulic Circuit Diagram ........................................ 9 ABS Does Not Work ............................................... 37
CAN COMMUNICATION .......................................... 10 Pedal Vibration or ABS Operation Noise ................ 37
System Description ................................................ 10 ABS Warning Lamp Does Not Come On When Igni- M
TROUBLE DIAGNOSIS .............................................11 tion Switch Is Turned On ........................................ 38
How to Perform Trouble Diagnoses for Quick and ABS Warning Lamp Stays On When Ignition Switch
Accurate Repair ......................................................11 Is Turned On ........................................................... 38
INTRODUCTION ..................................................11 WHEEL SENSORS ................................................... 39
WORK FLOW ...................................................... 12 Removal and Installation ........................................ 39
CLARIFY CONCERN .......................................... 13 REMOVAL ........................................................... 39
EXAMPLE OF DIAGNOSIS SHEET ................... 13 INSTALLATION ................................................... 39
Component Parts and Harness Connector Location... 14 SENSOR ROTOR ..................................................... 40
Schematic .............................................................. 15 Removal and Installation ........................................ 40
Wiring Diagram — ABS — ..................................... 16 FRONT ................................................................ 40
Basic Inspection ..................................................... 20 REAR .................................................................. 40
BRAKE FLUID LEVEL, FLUID LEAK, AND ACTUATOR AND ELECTRIC UNIT (ASSEMBLY)... 41
BRAKE PAD INSPECTION ................................. 20 Removal and Installation ........................................ 41
POWER SYSTEM TERMINAL LOOSENESS REMOVAL ........................................................... 41
AND BATTERY INSPECTION ............................ 20 INSTALLATION ................................................... 42
ABS WARNING LAMP INSPECTION ................. 20
Warning Lamp and Indicator Timing ...................... 21

Revision: October 2004 BRC-1 2005 Titan


ABLS/ABS Actuator Motor, Motor Relay, and Circuit Inspection...75
Stop Lamp Switch System Inspection .....................76
PRECAUTIONS ......................................................... 43 ABS/ABLS Control Unit Power and Ground Sys-
Precautions for Supplemental Restraint System tems Inspection .......................................................77
(SRS) “AIR BAG” and “SEAT BELT PRE-TEN- Brake Fluid Level Switch System Inspection ..........78
SIONER” ................................................................. 43 Pressure Sensor System Inspection .......................78
Precautions for Brake System ................................ 43 CAN Communication System Inspection ................81
Precautions When Using CONSULT-II ................... 43 TROUBLE DIAGNOSES FOR SYMPTOMS .............82
CHECK POINTS FOR USING CONSULT-II ........ 43 ABS Works Frequently ............................................82
Precautions for Brake Control ................................ 44 Unexpected Pedal Action ........................................83
Precautions for CAN System .................................. 44 Long Stopping Distance ..........................................84
Wiring Diagrams and Trouble Diagnosis ................ 45 ABS Does Not Work ...............................................84
PREPARATION ......................................................... 46 Pedal Vibration or ABS Operation Noise ................84
Special Service Tool ............................................... 46 ABS Warning Lamp Does Not Come On When Igni-
Commercial Service Tools ...................................... 46 tion Switch Is Turned On .........................................85
SYSTEM DESCRIPTION .......................................... 47 ABS Warning Lamp Stays On When Ignition Switch
System Components .............................................. 47 Is Turned On ...........................................................85
ABS Function .......................................................... 48 WHEEL SENSORS ...................................................86
EBD Function ......................................................... 48 Removal and Installation .........................................86
ABLS Function ........................................................ 48 REMOVAL ............................................................86
Fail-Safe Function .................................................. 48 INSTALLATION ....................................................86
ABS/EBD SYSTEM ............................................. 48 SENSOR ROTOR ......................................................87
ABLS SYSTEM .................................................... 48 Removal and Installation .........................................87
Hydraulic Circuit Diagram ....................................... 49 FRONT .................................................................87
CAN COMMUNICATION ........................................... 50 REAR ...................................................................87
System Description ................................................. 50 ACTUATOR AND ELECTRIC UNIT (ASSEMBLY) ...88
TROUBLE DIAGNOSIS ............................................ 51 Removal and Installation .........................................88
How to Perform Trouble Diagnoses for Quick and REMOVAL ............................................................88
Accurate Repair ...................................................... 51 INSTALLATION ....................................................89
INTRODUCTION ................................................. 51
WORK FLOW ...................................................... 52
CLARIFY CONCERN .......................................... 53
VDC/TCS/ABS
EXAMPLE OF DIAGNOSIS SHEET .................... 53 PRECAUTIONS .........................................................90
ComponentParts and Harness Connector Location... 54 Precautions for Supplemental Restraint System
Schematic ............................................................... 55 (SRS) “AIR BAG” and “SEAT BELT PRE-TEN-
Wiring Diagram — ABLS — ................................... 56 SIONER” .................................................................90
Basic Inspection ..................................................... 60 Precautions for Brake System ................................90
BRAKE FLUID LEVEL, FLUID LEAK, AND Precautions When Using CONSULT-II ...................90
BRAKE PAD INSPECTION ................................. 60 CHECK POINTS FOR USING CONSULT-II ........90
POWER SYSTEM TERMINAL LOOSENESS Precautions for Brake Control .................................91
AND BATTERY INSPECTION ............................. 60 Precautions for CAN System ..................................91
ABS WARNING LAMP AND SLIP INDICATOR Wiring Diagrams and Trouble Diagnosis .................92
LAMP INSPECTION ............................................ 60 PREPARATION .........................................................93
Warning Lamp and Indicator Timing ....................... 61 Special Service Tool ................................................93
Control Unit Input/Output Signal Standard .............. 61 Commercial Service Tools ......................................93
REFERENCE VALUE FROM CONSULT-II ......... 61 SYSTEM DESCRIPTION ...........................................94
CONSULT-II Function (ABS) .................................. 64 System Components ...............................................94
CONSULT-IIBASICOPERATIONPROCEDURE ABS Function ..........................................................95
... 64 EBD Function ..........................................................95
SELF-DIAGNOSIS .............................................. 65 TCS Function ..........................................................95
DATA MONITOR .................................................. 67 VDC Function ..........................................................95
ACTIVE TEST ..................................................... 69 Fail-Safe Function ...................................................95
TROUBLE DIAGNOSIS FOR SELF-DIAGNOSTIC ABS/EBD SYSTEM ..............................................96
ITEMS ........................................................................ 72 VDC/TCS SYSTEM .............................................96
Wheel Sensor System Inspection ........................... 72 ACTIVE BOOSTER .............................................96
Engine System Inspection ...................................... 73 Hydraulic Circuit Diagram .......................................96
ABS/ABLS Control Unit Inspection ......................... 74 CAN COMMUNICATION ...........................................97
Solenoid and Change-Over Valve System Inspec- System Description .................................................97
tion .......................................................................... 74

Revision: October 2004 BRC-2 2005 Titan


TROUBLE DIAGNOSIS ............................................ 98 Pressure Sensor System Inspection .................... 138
How to Perform Trouble Diagnoses for Quick and CAN Communication System Inspection .............. 140 A
Accurate Repair ..................................................... 98 Inspection For Self-diagnosis Result "ST ANGLE
INTRODUCTION ................................................. 98 SEN SIGNAL" ....................................................... 141
WORK FLOW ...................................................... 99 Inspection For Self-diagnosis Result "DECEL G B
CLARIFY CONCERN ........................................ 100 SEN SET" ............................................................. 141
EXAMPLE OF DIAGNOSIS SHEET ................. 100 VDC OFF Indicator lamp Does Not Illuminate ...... 141
Component Parts and Harness Connector Location. 101 Component Inspection .......................................... 142
Schematic ............................................................ 102 VDC OFF SWITCH ........................................... 142 C
Wiring Diagram — VDC — ................................... 103 TROUBLE DIAGNOSES FOR SYMPTOMS .......... 143
Basic Inspection ....................................................110 ABS Works Frequently ......................................... 143
BRAKE FLUID LEVEL, FLUID LEAK, AND Unexpected Pedal Action ..................................... 144 D
BRAKE PAD INSPECTION ................................110 Long Stopping Distance ........................................ 145
POWER SYSTEM TERMINAL LOOSENESS ABS Does Not Work ............................................. 145
AND BATTERY INSPECTION ...........................110 Pedal Vibration or ABS Operation Noise .............. 145 E
ABS WARNING LAMP, SLIP INDICATOR LAMP ABS Warning Lamp Does Not Come On When Igni-
ANDVDCOFFINDICATORLAMPINSPECTION..110 tion Switch Is Turned On ...................................... 146
Warning Lamp and Indicator Timing ..................... 111 ABS Warning Lamp Stays On When Ignition Switch
Control Unit Input/Output Signal Standard ............ 111 Is Turned On ......................................................... 146 BRC
REFERENCE VALUE FROM CONSULT-II ........ 111 Vehicle Jerks During TCS/VDC Activation ........... 147
CONSULT-II Function (ABS) .................................115 ON-VEHICLE SERVICE .......................................... 148
CONSULT-IIBASICOPERATIONPROCEDURE Adjustment of Steering Angle Sensor Neutral Posi- G
..115 tion ........................................................................ 148
SELF-DIAGNOSIS .............................................116 Calibration of Yaw Rate/Side/Decel G Sensor ..... 148
DATA MONITOR ................................................119 WHEEL SENSORS ................................................. 150 H
ACTIVE TEST ................................................... 123 Removal and Installation ...................................... 150
TROUBLE DIAGNOSIS FOR SELF-DIAGNOSTIC REMOVAL ......................................................... 150
ITEMS ..................................................................... 125 INSTALLATION ................................................. 150
I
Wheel Sensor System Inspection ........................ 125 SENSOR ROTOR ................................................... 151
Engine System Inspection .................................... 126 Removal and Installation ...................................... 151
ABS/TCS/VDC Control Unit Inspection ................ 127 FRONT .............................................................. 151
Steering Angle Sensor System ............................ 127 REAR ................................................................ 151 J
Yaw Rate/Side/Decel G Sensor System Inspection. 128 ACTUATOR AND ELECTRIC UNIT (ASSEMBLY). 152
Solenoid and VDC Change-Over Valve System Removal and Installation ...................................... 152
Inspection ............................................................. 130 REMOVAL ......................................................... 152 K
Actuator Motor, Motor Relay, and Circuit Inspection. 131 INSTALLATION ................................................. 153
Stop Lamp Switch System Inspection .................. 132 STEERING ANGLE SENSOR ................................ 154
ABS/TCS/VDC Control Unit Power and Ground Removal and Installation ...................................... 154 L
Systems Inspection .............................................. 133 G SENSOR .............................................................. 155
Brake Fluid Level Sensor System Inspection ....... 134 Removal and Installation ...................................... 155
Active Booster System Inspection ........................ 135 REMOVAL ......................................................... 155
Delta Stroke Sensor System Inspection ............... 136 INSTALLATION ................................................. 155 M

Revision: October 2004 BRC-3 2005 Titan


PRECAUTIONS
[ABS]
PRECAUTIONS PFP:00001

Precautions for Supplemental Restraint System (SRS) “AIR BAG” and “SEAT
BELT PRE-TENSIONER” EFS004P8

The Supplemental Restraint System such as “AIR BAG” and “SEAT BELT PRE-TENSIONER”, used along
with a front seat belt, helps to reduce the risk or severity of injury to the driver and front passenger for certain
types of collision. Information necessary to service the system safely is included in the SRS and SB section of
this Service Manual.
WARNING:
● To avoid rendering the SRS inoperative, which could increase the risk of personal injury or death
in the event of a collision which would result in air bag inflation, all maintenance must be per-
formed by an authorized NISSAN/INFINITI dealer.
● Improper maintenance, including incorrect removal and installation of the SRS, can lead to per-
sonal injury caused by unintentional activation of the system. For removal of Spiral Cable and Air
Bag Module, see the SRS section.
● Do not use electrical test equipment on any circuit related to the SRS unless instructed to in this
Service Manual. SRS wiring harnesses can be identified by yellow and/or orange harnesses or
harness connectors.
Precautions for Brake System EFS004P9

CAUTION:
● Refer to MA-11, "RECOMMENDED FLUIDS AND LUBRICANTS" for recommended brake fluid.
● Never reuse drained brake fluid.
● Be careful not to splash brake fluid on painted areas; it may cause paint damage. If brake fluid is
splashed on painted areas, wash it away with water immediately.
● To clean or wash all parts of master cylinder and disc brake caliper, use clean brake fluid.
● Never use mineral oils such as gasoline or kerosene. They will ruin rubber parts of the hydraulic
system.
● Use flare nut wrench when removing and installing brake
tube.
● If a brake fluid leak is found, the part must be disassembled
without fail. Then it has to be replaced with a new one if a
defect exists.
● Turn the ignition switch OFF and remove the connector of
the ABS actuator and electric unit (control unit) or the bat-
tery terminal before performing the work.
● Always torque brake lines when installing.
● Burnish the brake contact surfaces after refinishing or SBR686C
replacing rotors, after replacing pads, or if a soft pedal
occurs at very low mileage.
Refer to BR-27, "BRAKE BURNISHING PROCEDURE" (front disc brake) or BR-32, "BRAKE BUR-
NISHING PROCEDURE" (rear disc brake).
WARNING:
● Clean brake pads and shoes with a waste cloth, then wipe with a dust collector.
Precautions When Using CONSULT-II EFS004PA

When connecting CONSULT-II to data link connector, connect them through CONSULT-II CONVERTER.
CAUTION:
If CONSULT-II is used with no connection of CONSULT-II CONVERTER, malfunctions might be
detected in self-diagnosis depending on control unit which carry out CAN communication.
CHECK POINTS FOR USING CONSULT-II
1. Has CONSULT-II been used without connecting CONSULT-II CONVERTER on this vehicle?
● If YES, GO TO 2.

● If NO, GO TO 5.

Revision: October 2004 BRC-4 2005 Titan


PRECAUTIONS
[ABS]
2. Is there any indication other than indications relating to CAN communication system in the self-diagnosis
results? A
● If YES, GO TO 3.

● If NO, GO TO 4.

3. Based on self-diagnosis results unrelated to CAN communication, carry out the inspection. B
4. Malfunctions may be detected in self-diagnosis depending on control units carrying out CAN communica-
tion. Therefor, erase the self-diagnosis results.
5. Diagnose CAN communication system. Refer to BRC-10, "CAN COMMUNICATION" . C

Precautions for Brake Control EFS004PB

● During ABS operation, the brake pedal may vibrate lightly and a mechanical noise may be heard. This is D
normal.
● Just after starting vehicle, the brake pedal may vibrate or a motor operating noise may be heard from
engine compartment. This is a normal status of operation check. E
● Stopping distance may be longer than that of vehicles without ABS when vehicle drives on rough, gravel,
or snow-covered (fresh, deep snow) roads.
● When an error is indicated by ABS or another warning lamp, collect all necessary information from cus- BRC
tomer (what symptoms are present under what conditions) and check for simple causes before starting
diagnosis. Besides electrical system inspection, check brake booster operation, brake fluid level, and fluid
leaks.
G
● If incorrect tire sizes or types are installed on the vehicle or brake pads are not Genuine NISSAN parts,
stopping distance or steering stability may deteriorate.
● If there is a radio, antenna or related wiring near control module, ABS function may have a malfunction or H
error.
● If aftermarket parts (car stereo, CD player, etc.) have been installed, check for incidents such as harness
pinches, open circuits or improper wiring.
I
Precautions for CAN System EFS004PC

● Do not apply voltage of 7.0V or higher to terminal to be measured.


● Maximum open terminal voltage of tester in use must be less than 7.0V. J
● Before checking harnesses, turn ignition switch OFF and disconnect battery negative cable.
● Area to be repaired must be soldered and wrapped with tape.
K
Make sure that fraying of twisted wire is within 110 mm (4.33 in).

PKIA0306E

● Do not make a bypass connection to repaired area. (If the circuit


is bypassed, characteristics of twisted wire will be lost.)

PKIA0307E

Revision: October 2004 BRC-5 2005 Titan


PRECAUTIONS
[ABS]
Wiring Diagrams and Trouble Diagnosis EFS004PD

When you read wiring diagrams, refer to the following:


● GI-14, "How to Read Wiring Diagrams".
● PG-4, "POWER SUPPLY ROUTING CIRCUIT".
When you perform trouble diagnosis, refer to the following:
● GI-11, "HOW TO FOLLOW TEST GROUPS IN TROUBLE DIAGNOSES".
● GI-27, "How to Perform Efficient Diagnosis for an Electrical Incident".

Revision: October 2004 BRC-6 2005 Titan


PREPARATION
[ABS]
PREPARATION PFP:00002
A
Special Service Tool EFS004PE

The actual shapes of Kent-Moore tools may differ from those of special service tools illustrated here.
Tool number Description B
(Kent-Moore No.)
Tool name
(J-45741) Checking operation of ABS active wheel sen- C
ABS active wheel sensor tester sors

WFIA0101E
E
205-D002 Removing axle shaft bearing
( — )
Bearing splitter
BRC

ZZA0700D G

Commercial Service Tools EFS004PF

Tool name Description H


1. Flare nut crowfoot Removing and installing brake piping
2. Torque wrench a: 10mm (0.39 in)/12mm (0.47 in)
I

J
S-NT360

Revision: October 2004 BRC-7 2005 Titan


SYSTEM DESCRIPTION
[ABS]
SYSTEM DESCRIPTION PFP:00000

System Components EFS004PG

WFIA0118E

ABS Function EFS004PH

● The Anti-Lock Brake System detects wheel revolution while braking and improves handling stability during
sudden braking by electrically preventing wheel lockup. Maneuverability is also improved for avoiding
obstacles.
● If the electrical system malfunctions, the Fail-Safe function is activated, the ABS becomes inoperative and
the ABS warning lamp turns on.
● The electrical system can be diagnosed using CONSULT-II.
● During ABS operation, the brake pedal may vibrate lightly and a mechanical noise may be heard. This is
normal.
● Just after starting the vehicle, the brake pedal may vibrate or a motor operating noise may be heard from
engine compartment. This is a normal status of operation check.
● Stopping distance may be longer than that of vehicles without ABS when vehicle drives on rough, gravel,
or snow-covered (fresh, deep snow) roads.
EBD Function EFS004PI

● Electronic Brake Distribution is a function that detects subtle slippages between the front and rear wheels
during braking, and it improves handling stability by electronically controlling the brake fluid pressure
which results in reduced rear wheel slippage.
● If the electrical system malfunctions, the Fail-Safe function is activated, the EBD and ABS become inoper-
ative, and the ABS warning lamp and brake warning lamp are turned on.
● The electrical system can be diagnosed using CONSULT-II.
● During EBD operation, the brake pedal may vibrate lightly and a mechanical noise may be heard. This is
normal.
● Just after starting the vehicle, the brake pedal may vibrate or a motor operating noise may be heard from
engine compartment. This is a normal status of operation check.
Fail-Safe Function EFS004PJ

CAUTION:
If the Fail-Safe function is activated, perform the Self Diagnosis for ABS system.
ABS/EBD SYSTEM
In case of an electrical malfunction with the ABS, the ABS warning lamp will turn on. In case of an electrical
malfunction with the EBD system, the brake warning lamp and the ABS warning lamp will turn on.
The system will revert to one of the following conditions of the Fail-Safe function.

Revision: October 2004 BRC-8 2005 Titan


SYSTEM DESCRIPTION
[ABS]
1. For ABS malfunction, only the EBD is operative and the condition of the vehicle is the same condition of
vehicles without ABS system. A
2. For EBD malfunction, the EBD and ABS become inoperative, and the condition of the vehicle is the same
as the condition of vehicles without ABS or EBD system.
Hydraulic Circuit Diagram EFS004PK
B

BRC

WFIA0214E

Revision: October 2004 BRC-9 2005 Titan


CAN COMMUNICATION
[ABS]
CAN COMMUNICATION PFP:23710

System Description EFS004PL

Refer to LAN-7, "CAN COMMUNICATION" .

Revision: October 2004 BRC-10 2005 Titan


TROUBLE DIAGNOSIS
[ABS]
TROUBLE DIAGNOSIS PFP:00000
A
How to Perform Trouble Diagnoses for Quick and Accurate Repair EFS004PM

INTRODUCTION
The ABS system has an electronic control unit to control major func- B
tions. The control unit accepts input signals from sensors and con-
trols actuator operation. It is also important to check for conventional
problems such as air leaks in the booster or lines, lack of brake fluid,
or other problems with the brake system. C
It is much more difficult to diagnose a problem that occurs intermit-
tently rather than continuously. Most intermittent problems are
caused by poor electrical connections or faulty wiring. In this case, D
careful checking of suspicious circuits may help prevent the replace-
ment of good parts.
A visual check only may not find the cause of the problem, so a road
test should be performed.
SEF233G
E
Before undertaking actual checks, take just a few minutes to talk with
a customer who approaches with an ABS complaint. The customer
is a very good source of information on such problems, especially BRC
intermittent ones. Through the talks with the customer, find out what
symptoms are present and under what conditions they occur.
Start your diagnosis by looking for “conventional” problems first. This
is one of the best ways to troubleshoot brake problems on an ABS G
equipped vehicle. Also check related Service Bulletins for informa-
tion.
H
SEF234G

Revision: October 2004 BRC-11 2005 Titan


TROUBLE DIAGNOSIS
[ABS]
WORK FLOW

LFIA0197E

Revision: October 2004 BRC-12 2005 Titan


TROUBLE DIAGNOSIS
[ABS]
CLARIFY CONCERN
● A customer's description of a vehicle concern may vary depend- A
ing on the individual. It is important to clarify the customer's con-
cern.
● Ask the customer about what symptoms are present under what B
conditions. Use this information to reproduce the symptom while
driving.
● It is also important to use the diagnosis sheet to understand C
what type of trouble the customer is having.

SBR339B
D

EXAMPLE OF DIAGNOSIS SHEET


E

BRC

WFIA0226E

Revision: October 2004 BRC-13 2005 Titan


TROUBLE DIAGNOSIS
[ABS]
Component Parts and Harness Connector Location EFS004PN

WFIA0371E

Revision: October 2004 BRC-14 2005 Titan


TROUBLE DIAGNOSIS
[ABS]
Schematic EFS004PO

BRC

WFWA0198E

Revision: October 2004 BRC-15 2005 Titan


TROUBLE DIAGNOSIS
[ABS]
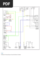
Wiring Diagram — ABS — EFS004PP

WFWA0199E

Revision: October 2004 BRC-16 2005 Titan


TROUBLE DIAGNOSIS
[ABS]

BRC

WFWA0200E

Revision: October 2004 BRC-17 2005 Titan


TROUBLE DIAGNOSIS
[ABS]

WFWA0201E

Revision: October 2004 BRC-18 2005 Titan


TROUBLE DIAGNOSIS
[ABS]

BRC

WFWA0202E

Revision: October 2004 BRC-19 2005 Titan


TROUBLE DIAGNOSIS
[ABS]
Basic Inspection EFS004PQ

BRAKE FLUID LEVEL, FLUID LEAK, AND BRAKE PAD INSPECTION


1. Check fluid level in the brake fluid reservoir. If fluid level is low, add fluid.
2. Check the brake piping and around the ABS actuator and electric unit (control unit) for leaks. If there is
leaking or seeping fluid, check the following items.
● If ABS actuator and electric unit (control unit) connection is loose, tighten the piping to the specified
torque and recheck for leaks.
● If there is damage to the connection flare nut or ABS actuator and electric unit (control unit) threads,
replace the damaged part and recheck for leaks.
● When there is fluid leaking or seeping from a fluid connection, use a clean cloth to wipe off the fluid and
recheck for leaks. If fluid is still seeping out, replace the damaged part. If the fluid is leaking at the ABS
actuator and electric unit (control unit), replace the ABS actuator and electric unit (control unit) assem-
bly.
CAUTION:
The ABS actuator and electric unit (control unit) cannot be disassembled and must be replaced
as an assembly.
3. Check the brake pads for excessive wear.
POWER SYSTEM TERMINAL LOOSENESS AND BATTERY INSPECTION
Make sure the battery positive cable, negative cable and ground connection are not loose. In addition, make
sure the battery is sufficiently charged.
ABS WARNING LAMP INSPECTION
1. Make sure ABS warning lamp turns on for approximately 1 second when the ignition switch is turned ON.
If it does not, check CAN communications. If there are no errors with the CAN communication system,
check the combination meter. Refer to DI-5, "COMBINATION METERS" .
2. Make sure the lamp turns off approximately 1 second after the ignition switch is turned ON. If the lamp
does not turn off, conduct self-diagnosis.
3. Make sure ABS warning lamp turns off approximately 2 seconds after the engine is started. If ABS warn-
ing lamp has not turned off 10 seconds after the engine has been started, conduct self-diagnosis of the
ABS actuator and electric unit (control unit).
4. After conducting the self-diagnosis, be sure to erase the error memory. Refer to BRC-23, "CONSULT-II
Function (ABS)" .

Revision: October 2004 BRC-20 2005 Titan


TROUBLE DIAGNOSIS
[ABS]
Warning Lamp and Indicator Timing EFS004PR

A
ABS
Condition Remarks
warning lamp
When the ignition switch is OFF – –
B
After the ignition switch is turned ON for approx. 1 sec-
× –
ond
After the ignition switch is turned ON for approx. 2 sec- Lamp goes off approx. 2 seconds after the C

onds engine is started.
× –

ABS malfunction When the ABS actuator and electric unit (con- D
× trol unit) is malfunctioning (power supply or
ground malfunction).
X: ON
E
—: OFF

Control Unit Input/Output Signal Standard EFS004PS

REFERENCE VALUE FROM CONSULT-II BRC


CAUTION:
The display shows the control unit calculation data, so a normal value might be displayed even in the
event the output circuit (harness) is open or short circuited. G
Data monitor
Note: Error inspection
Monitor item Display content Reference value in
Condition checklist
normal operation H
A/T shift position = N position ON BRC-34, "CAN Commu-
PNP switch signal ON/
N POSI SIG A/T shift position = other than nication System Inspec-
OFF condition OFF
N positions tion" I
A/T shift position P position ON BRC-34, "CAN Commu-
PNP switch signal ON/
P POSI SIG A/T shift position = other than nication System Inspec-
OFF condition OFF
P positions tion" J
1st gear 1
2nd gear 2
K
GEAR A/T gear position 3rd gear 3 —
4th gear 4
5th gear 5 L
Vehicle stopped 0 [km/h (MPH)]
FR RH SENSOR
FR LH SENSOR Almost in accor- BRC-29, "Wheel Sensor
RR RH SENSOR
Wheel speed dance with speed- System"
M
Vehicle running (Note 1)
RR LH SENSOR ometer display
(within ±10%)
Battery voltage sup-
BRC-33, "ABS Control
plied to ABS actuator
BATTERY VOLT Ignition switch ON 10 to 16V Unit Power and Ground
and electric unit (con-
Systems Inspection"
trol unit)

Stop lamp switch oper- Brake pedal depressed ON


STOP LAMP SW —
ation Brake pedal not depressed OFF
ABS warning lamp ON ON BRC-38, "ABS Warning
ABS warning lamp ON Lamp Does Not Come
ABS WARN LAMP
condition (Note 2) ABS warning lamp OFF OFF On When Ignition Switch
Is Turned On"
Ignition switch ON or running
OFF BRC-32, "Actuator Motor,
Operation status of (ABS not activated)
MOTOR RELAY Motor Relay, and Circuit
motor and motor relay Ignition switch ON or engine
ON Inspection"
running (ABS activated)

Revision: October 2004 BRC-21 2005 Titan


TROUBLE DIAGNOSIS
[ABS]
Data monitor
Note: Error inspection
Monitor item Display content Reference value in
Condition checklist
normal operation
Vehicle stopped (Ignition
OFF BRC-32, "Actuator Motor,
Actuator relay opera- switch ON)
ACTUATOR RLY Motor Relay, and Circuit
tion status Vehicle stopped (Engine run-
ON Inspection"
ning)
FR LH IN SOL Actuator (solenoid) is active
FR LH OUT SOL (“ACTIVE TEST” with CON-
ON
FR RH IN SOL SULT-II) or actuator relay is
FR RH OUT SOL Solenoid valve opera- inactive (in fail-safe mode). BRC-31, "Solenoid Valve
RR RH IN SOL tion System Inspection"
RR RH OUT SOL When actuator (solenoid) is
RR LH IN SOL not active and actuator relay is OFF
RR LH OUT SOL active (ignition switch ON).

When brake fluid level switch


ON
ON/OFF status of ON DI-30, "WARNING
FLUID LEV SW
brake fluid level switch When brake fluid level switch LAMPS"
OFF
OFF
ABS active
ON
ABS SIGNAL EBD active ABS system
Signal status
EBD SIGNAL ABS not active EBD system
OFF
EBD not active
ABS fail
ON
ABS FAIL SIG EBD fail ABS system
Fail signal status
EBD FAIL SIG ABS normal EBD system
OFF
EBD normal
Note 1: Confirm tire pressure is normal.
Note 2: ON/OFF timing of ABS warning lamp
ON: For approximately 1 second after ignition switch is turned ON, or when a malfunction is detected.
OFF: Approximately 1 second after ignition switch is turned ON (when system is in normal operation).

Revision: October 2004 BRC-22 2005 Titan


TROUBLE DIAGNOSIS
[ABS]
CONSULT-II Function (ABS) EFS004PT

A
CONSULT-II can display each diagnostic item using the diagnostic test modes shown following.
ABS diagnostic mode Description
Supports inspection and adjustments. Commands are transmitted to the ABS actuator and electric B
WORK SUPPORT unit (control unit) for setting the status suitable for required operation, input/output signals are
received from the ABS actuator and electric unit (control unit) and received data is displayed.
SELF-DIAG RESULTS Displays ABS actuator and electric unit (control unit) self-diagnosis results.
C
DATA MONITOR Displays ABS actuator and electric unit (control unit) input/output data in real time.
CAN DIAG SUPPORT MNTR The result of transmit/receive diagnosis of CAN communication can be read.
ACTIVE TEST Operation of electrical loads can be checked by sending drive signal to them. D
Conducted by CONSULT-II instead of a technician to determine whether each system is "OK" or
FUNCTION TEST
"NG".
ECU PART NUMBER ABS actuator and electric unit (control unit) part number can be read. E

CONSULT-II BASIC OPERATION PROCEDURE


1. Turn ignition switch OFF. BRC
2. Connect CONSULT-II and CONSULT-II CONVERTER to the
data link connector.
CAUTION: G
If CONSULT-II is used with no connection of CONSULT-II
CONVERTER, malfunctions might be detected in self-diag-
nosis depending on control unit which carries out CAN H
communication.
3. Turn ignition switch ON.
I
BBIA0369E

J
4. Touch “START (NISSAN BASED VHCL)”.

M
BCIA0029E

5. Touch “ABS” in the “SELECT SYSTEM” screen.


If “ABS” is not indicated, go to GI-38, "CONSULT-II Data Link
Connector (DLC) Circuit" .

BCIA0030E

Revision: October 2004 BRC-23 2005 Titan


TROUBLE DIAGNOSIS
[ABS]
6. Select the required diagnostic location from the “SELECT DIAG
MODE” screen.
For further information, see the CONSULT-II Operation Manual.

BCIA0031E

SELF-DIAGNOSIS
Description
If an error is detected in the system, the ABS warning lamp will turn on. In this case, perform self-diagnosis as
follows:
Operation Procedure
1. Turn ignition switch OFF.
2. Connect CONSULT-II and CONSULT-II CONVERTER to the data link connector.
CAUTION:
If CONSULT-II is used with no connection of CONSULT-II CONVERTER, malfunctions might be
detected in self-diagnosis depending on control unit which carries out CAN communication.

3. Turn ignition switch ON.


4. Start engine and drive at approximately 30 km/h (19 MPH) or more for approximately 1 minute.
5. After stopping the vehicle, with the engine running, touch “START (NISSAN BASED VHCL)”, “ABS”,
“SELF-DIAG RESULTS” in order on the CONSULT-II screen.
CAUTION:
If “START (NISSAN BASED VHCL)” is touched immediately after starting the engine or turning on
the ignition switch, “ABS” might not be displayed in the SELECT SYSTEM screen. In this case,
repeat the operation from step 1.
6. The self-diagnostic results are displayed. (If necessary, the self-diagnostic results can be printed out by
touching “PRINT”.)
● When “NO DTC IS DETECTED” is displayed, check the ABS warning lamp.

7. Conduct the appropriate inspection from the display item list, and repair or replace the malfunctioning
component.
8. Start engine and drive at approximately 30 km/h (19 MPH) or more for approximately 1 minute.
CAUTION:
● When a wheel sensor “short-circuit” is detected, if the vehicle is not driven at 30 km/h (19 MPH)
for at least 1 minute, the ABS warning lamp will not turn off even if the malfunction is repaired.
9. Turn ignition switch OFF to prepare for erasing the memory.
10. Start the engine and touch “START (NISSAN BASED VHCL)”, “ABS”, “SELF-DIAG RESULTS”, “ERASE”
in order on the CONSULT-II screen to erase the error memory.
If “ABS” is not indicated, go to GI-38, "CONSULT-II Data Link Connector (DLC) Circuit" .
CAUTION:
If the error memory is not erased, re-conduct the operation from step 5.
11. For the final inspection, drive at approximately 30 km/h (19 MPH) or more for approximately 1 minute and
confirm that the ABS warning lamp is off.

Revision: October 2004 BRC-24 2005 Titan


TROUBLE DIAGNOSIS
[ABS]
Display Item List
Self-diagnostic item Malfunction detecting condition Check system
A

FR LH SENSOR 1 Circuit of front LH wheel sensor is open, shorted or sensor power


[C1104] voltage is unusual.
B
RR RH SENSOR 1 Circuit of rear RH wheel sensor is open, shorted or sensor power
[C1101] voltage is unusual.
FR RH SENSOR 1 Circuit of front RH wheel sensor is open, shorted or sensor power
[C1103] voltage is unusual. C
RR LH SENSOR 1 Circuit of rear LH wheel sensor is open, shorted or sensor power
[C1102] voltage is unusual.
ABS actuator and electric unit (control unit) cannot identify sen-
D
FR LH SENSOR 2 BRC-29, "Wheel Sensor
sor pulses, because of large gap between wheel sensor and sen-
[C1108] System" (Note 1)
sor rotor.
ABS actuator and electric unit (control unit) cannot identify sen- E
RR RH SENSOR 2
sor pulses, because of large gap between wheel sensor and sen-
[C1105]
sor rotor.
ABS actuator and electric unit (control unit) cannot identify sen- BRC
FR RH SENSOR 2
sor pulses, because of large gap between wheel sensor and sen-
[C1107]
sor rotor.
ABS actuator and electric unit (control unit) cannot identify sen-
RR LH SENSOR 2 G
sor pulses, because of large gap between wheel sensor and sen-
[C1106]
sor rotor.
BATTERY VOLTAGE BRC-33, "ABS Control
ABS actuator and electric unit (control unit) power voltage is too H
[ABNORMAL] Unit Power and Ground
low.
[C1109] Systems Inspection"
CONTROLLER FAILURE Internal malfunction of ABS actuator and electric unit (control BRC-30, "ABS Control
[C1110] unit) Unit Inspection" I
During actuator motor operation with ON, when actuator motor
turns OFF or when control line for actuator motor relay is open. BRC-32, "Actuator
PUMP MOTOR (Note 3)
Motor, Motor Relay, and
[C1111] During actuator motor operation with OFF, when actuator motor J
Circuit Inspection"
turns ON or when control line for relay is shorted to ground.
G-SENSOR BRC-30, "ABS Control
G-sensor is malfunctioning.
[C1113] Unit Inspection" K
FR LH IN ABS SOL Circuit of front LH IN ABS solenoid is open or shorted, or control
[C1120] line is open or shorted to power supply or ground.
FR LH OUT ABS SOL Circuit of front LH OUT ABS solenoid is open or shorted, or con- L
[C1121] trol line is open or shorted to power supply or ground.
RR RH IN ABS SOL Circuit of rear RH IN ABS solenoid is open or shorted, or control
[C1126] line is open or shorted to power supply or ground. M
RR RH OUT ABS SOL Circuit of rear RH OUT ABS solenoid is open or shorted, or con-
[C1127] trol line is open or shorted to power supply or ground.
FR RH IN ABS SOL Circuit of front RH IN ABS solenoid is open or shorted, or control
[C1122] line is open or shorted to power supply or ground. BRC-31, "Solenoid Valve
FR RH OUT ABS SOL Circuit of front RH OUT ABS solenoid is open or shorted, or con- System Inspection"
[C1123] trol line is open or shorted to power supply or ground.
RR LH IN ABS SOL Circuit of rear LH IN ABS solenoid is open or shorted, or control
[C1124] line is open or shorted to power supply or ground.
RR LH OUT ABS SOL Circuit of rear LH OUT ABS solenoid is open or shorted, or con-
[C1125] trol line is open or shorted to power supply or ground.
REAR IN ABS SOL Circuit of rear IN ABS solenoid is open or shorted, or control line
[C1190] is open or shorted to power supply or ground.
REAR OUT ABS SOL Circuit of rear OUT ABS solenoid is open or shorted, or control
[C1191] line is open or shorted to power supply or ground.

Revision: October 2004 BRC-25 2005 Titan


TROUBLE DIAGNOSIS
[ABS]
Self-diagnostic item Malfunction detecting condition Check system
BRC-32, "Actuator
ACTUATOR RLY
ABS actuator relay or circuit malfunction. Motor, Motor Relay, and
[C1140]
Circuit Inspection"
● CAN communication line is open or shorted.
● ABS actuator and electric unit (control unit) internal malfunc- BRC-34, "CAN Commu-
CAN COMM CIRCUIT
tion nication System Inspec-
[U1000]
● Battery voltage for ECM is suddenly interrupted for approxi- tion" (Note 2)
mately 0.5 second or more.

Note 1. If wheel sensor 2 for each wheel is indicated, check ABS actuator and electric unit (control unit) power
supply voltage in addition to wheel sensor circuit check.
Note 2. If multiple malfunctions are detected including CAN communication line [U1000], perform diagnosis for
CAN communication line first.
Note 3. "ACTUATOR RLY" on the CONSULT-II self-diagnosis results indicates the malfunction of the actuator
motor relay or circuit.
DATA MONITOR
Operation Procedure
1. After turning OFF the ignition switch, connect CONSULT-II and the CONSULT-II CONVERTER to the data
link connector.
CAUTION:
If CONSULT-II is used with no connection of CONSULT-II CONVERTER, malfunctions might be
detected in self-diagnosis depending on control unit which carries out CAN communication.
2. Touch “START (NISSAN BASED VHCL)”, “ABS”, “DATA MONITOR” in order on the CONSULT-II screen.
If “ABS” is not indicated, go to GI-38, "CONSULT-II Data Link Connector (DLC) Circuit" .
CAUTION:
When “START (NISSAN BASED VHCL)” is touched immediately after starting the engine or turning
on the ignition switch, “ABS” might not be displayed in the SELECT SYSTEM screen. In this case,
repeat the operation from step 2.
3. Return to the SELECT MONITOR ITEM screen, and touch “ECU INPUT SIGNALS”, “MAIN SIGNALS” or
“SELECTION FROM MENU”. Refer to the following information.
4. When “START” is touched, the data monitor screen is displayed.
Display Item List
Data monitor item selection
Item
ECU INPUT MAIN SELECTION Remarks
(Unit)
SIGNALS SIGNALS FROM MENU
FR RH SENSOR Wheel speed calculated by front RH
× × ×
(km/h, MPH) wheel sensor signal is displayed.
FR LH SENSOR Wheel speed calculated by front LH
× × ×
(km/h, MPH) wheel sensor signal is displayed.
RR RH SENSOR Wheel speed calculated by rear RH
× × ×
(km/h, MPH) wheel sensor signal is displayed.
RR LH SENSOR Wheel speed calculated by rear LH
× × ×
(km/h, MPH) wheel sensor signal is displayed.
Voltage supplied to ABS actuator
BATTERY VOLT
× × × and electric unit (control unit) is dis-
(V)
played.
STOP LAMP SW Stop lamp switch (ON/OFF) status
× × ×
(ON/OFF) is displayed.
ABS WARN LAMP ABS warning lamp (ON/OFF) status
– × ×
(ON/OFF) is displayed.
FR LH IN SOL Front LH IN ABS solenoid (ON/
– × ×
(ON/OFF) OFF) status is displayed.
FR LH OUT SOL Front LH OUT ABS solenoid (ON/
– × ×
(ON/OFF) OFF) status is displayed.

Revision: October 2004 BRC-26 2005 Titan


TROUBLE DIAGNOSIS
[ABS]
Data monitor item selection
Item A
ECU INPUT MAIN SELECTION Remarks
(Unit)
SIGNALS SIGNALS FROM MENU
RR RH IN SOL Rear RH IN ABS solenoid (ON/
– × × B
(ON/OFF) OFF) status is displayed.
RR RH OUT SOL Rear RH OUT ABS solenoid (ON/
– × ×
(ON/OFF) OFF) status is displayed.
FR RH IN SOL Front RH IN ABS solenoid (ON/ C
– × ×
(ON/OFF) OFF) status is displayed.
FR RH OUT SOL Front RH OUT ABS solenoid (ON/
– × ×
(ON/OFF) OFF) status is displayed. D
RR LH IN SOL Rear LH IN ABS solenoid (ON/
– × ×
(ON/OFF) OFF) status is displayed.
RR LH OUT SOL Rear LH OUT ABS solenoid (ON/ E
– × ×
(ON/OFF) OFF) status is displayed.
MOTOR RELAY ABS motor relay signal (ON/OFF)
– × ×
(ON/OFF) status is displayed. BRC
ACTUATOR RLY ABS actuator relay signal (ON/
– × ×
(ON/OFF) OFF) status is displayed.
ABS FAIL SIG ABS fail signal (ON/OFF) status is G
– – ×
(ON/OFF) displayed.
EBD FAIL SIG EBD fail signal (ON/OFF) status is
– – ×
(ON/OFF) displayed. H
FLUID LEV SW Brake fluid level switch (ON/OFF)
× – ×
(ON/OFF) status is displayed.
EBD SIGNAL
– – ×
EBD operation (ON/OFF) status is I
(ON/OFF) displayed.
ABS SIGNAL ABS operation (ON/OFF) status is
– – ×
(ON/OFF) displayed. J
×: Applicable
–: Not applicable

ACTIVE TEST K
CAUTION:
● Do not perform active test while driving.
● Make sure to completely bleed air from the brake system. L
● The ABS and brake warning lamps turn on during the active test.
Operation Procedure M
1. Connect the CONSULT-II and CONSULT-II CONVERTER to the data link connector and start the engine.
CAUTION:
If CONSULT-II is used with no connection of CONSULT-II CONVERTER, malfunctions might be
detected in self-diagnosis depending on control unit which carries out CAN communication.
2. Touch “START (NISSAN BASED VHCL)” on the display screen.
3. Touch “ABS”.
If “ABS” is not indicated, go to GI-38, "CONSULT-II Data Link Connector (DLC) Circuit" .
4. Touch “ACTIVE TEST”.

Revision: October 2004 BRC-27 2005 Titan


TROUBLE DIAGNOSIS
[ABS]
5. The SELECT TEST ITEM screen is displayed.
6. Touch necessary test item.

LBR379

7. With the “MAIN SIGNALS” display selected, touch “START”.


8. The Active Test screen will be displayed, so conduct the following test.
Solenoid Valve Operation Chart
ABS solenoid valve ABS solenoid valve (ACT)
Operation ACTUA- ACTUA-
UP KEEP DOWN UP
TOR UP TOR KEEP
FR RH SOL FR RH IN SOL OFF ON ON OFF OFF OFF
FR RH ABS SOLE-
NOID (ACT) FR RH OUT SOL OFF OFF ON* OFF OFF OFF

FR LH SOL FR LH IN SOL OFF ON ON OFF OFF OFF


FR LH ABS SOLE-
NOID (ACT) FR LH OUT SOL OFF OFF ON* OFF OFF OFF

RR RH SOL RR RH IN SOL OFF ON ON OFF OFF OFF


RR RH ABS SOLE-
NOID (ACT) RR RH OUT SOL OFF OFF ON* OFF OFF OFF

RR LH SOL RR LH IN SOL OFF ON ON OFF OFF OFF


RR LH ABS SOLE-
NOID (ACT) RR LH OUT SOL OFF OFF ON* OFF OFF OFF

RR RH IN SOL OFF ON ON OFF OFF OFF


RR RH OUT SOL OFF OFF ON* OFF OFF OFF
REAR SOL
RR LH IN SOL OFF ON ON OFF OFF OFF
RR LH OUT SOL OFF OFF ON* OFF OFF OFF
*: ON for 1 to 2 seconds after the touch, and then OFF

NOTE:
● If active test is performed with brake pedal depressed, pedal stroke may change. This is normal.
● “TEST IS STOPPED” is displayed approximately 10 seconds after operation starts.
● After “TEST IS STOPPED” is displayed, to perform test again, repeat Step 6.
ABS Motor
Touch “ON” and “OFF” on the screen. Check that ABS motor relay
operates as shown in table below.
Operation ON OFF
ABS actuator relay ON ON
ABS motor relay ON OFF

NOTE:
● If active test is performed with brake pedal depressed, pedal
stroke may change. This is normal.
● “TEST IS STOPPED” is displayed approximately 10 seconds SFIA0593E

after operation starts.

Revision: October 2004 BRC-28 2005 Titan


TROUBLE DIAGNOSIS FOR SELF-DIAGNOSTIC ITEMS
[ABS]
TROUBLE DIAGNOSIS FOR SELF-DIAGNOSTIC ITEMS PFP:00000
A
Wheel Sensor System EFS004PU

INSPECTION PROCEDURE
1. CONNECTOR INSPECTION B

Disconnect the ABS actuator and electric unit (control unit) connector E125 and wheel sensor of malfunction-
ing code. C
Check the terminals for deformation, disconnection, looseness or damage.
OK or NG
OK >> GO TO 2. D
NG >> Repair or replace as necessary. BRC-41, "Removal and Installation"

2. CHECK WHEEL SENSOR OUTPUT SIGNAL E


1. Connect ABS active wheel sensor tester (J-45741) to wheel sensor using appropriate adapter.
2. Turn on the ABS active wheel sensor tester power switch.
NOTE: BRC
The green POWER indicator should illuminate. If the POWER indicator does not illuminate, replace the
battery in the ABS active wheel sensor tester before proceeding.
3. Spin the wheel of the vehicle by hand and observe the red SENSOR indicator on the ABS active wheel G
sensor tester. The red SENSOR indicator should flash on and off to indicate an output signal.
NOTE:
If the red SENSOR indicator illuminates but does not flash, reverse the polarity of the tester leads and H
retest.
Does the ABS active wheel sensor tester detect a signal?
YES >> GO TO 3. I
NO >> Replace the wheel sensor. Refer to BRC-39, "Removal and Installation" .

3. CHECK TIRES J
Check for inflation pressure, wear and size of each tire.
Are tire pressure and size correct and is tire wear within specifications?
YES >> GO TO 4. K
NO >> Adjust tire pressure or replace tire(s).

4. CHECK WHEEL BEARINGS L

Check wheel bearing axial end play. Refer to FAX-5, "WHEEL BEARING INSPECTION" or RAX-5, "WHEEL
BEARING INSPECTION" .
M
OK or NG
OK >> GO TO 5.
NG >> Repair or replace as necessary. Refer to RAX-6, "Removal and Installation" or FAX-5, "Removal
and Installation" .

5. CHECK WIRING HARNESS FOR SHORT CIRCUIT


1. Disconnect ABS actuator and electric unit (control unit) connec-
tor and wheel sensor connector of malfunction code No.
2. Check resistance between wheel sensor harness connector ter-
minals and ground.
Continuity should not exist.
OK or NG
OK >> GO TO 6.
NG >> Repair the circuit.
WFIA0343E

Revision: October 2004 BRC-29 2005 Titan


TROUBLE DIAGNOSIS FOR SELF-DIAGNOSTIC ITEMS
[ABS]
6. CHECK WIRING HARNESS FOR OPEN CIRCUIT
Check continuity between ABS actuator and electric unit (control unit) harness connector and wheel sensor
harness connector.
ABS actuator and
Wheel sensor Wheel sensor Continuity
electric unit (control unit)
Connector - terminal Wire color Connector - terminal Wire color

Front LH E125 - 45 G/O E18 - 1 G/O


E125 - 46 BR/W E18 - 2 BR/W

Front RH E125 - 34 B/R E117 - 1 B/R


E125 - 33 BR E117 - 2 BR
Yes
Rear LH E125 - 37 P C11 - 2 P
E125 - 36 L C11 - 1 L

Rear RH E125 - 42 V C10 - 2 V


E125 - 43 G/Y C10 - 1 G/Y

Continuity should exist.


OK or NG
OK >> Replace the ABS actuator and electric unit (control unit). Refer to BRC-41, "Removal and Installa-
tion" .
NG >> Repair the circuit.
ABS Control Unit Inspection EFS004PW

INSPECTION PROCEDURE
1. SELF-DIAGNOSIS RESULT CHECK
Check self-diagnosis results.
Self-diagnosis results
CONTROLLER FAILURE
G-SENSOR
Is the above displayed in the self-diagnosis display items?
YES >> Replace ABS actuator and electric unit (control unit). Refer to BRC-41, "Removal and Installation"
.
NO >> Inspection End.

Revision: October 2004 BRC-30 2005 Titan


TROUBLE DIAGNOSIS FOR SELF-DIAGNOSTIC ITEMS
[ABS]
Solenoid Valve System Inspection EFS004PX

A
INSPECTION PROCEDURE
1. SELF-DIAGNOSIS RESULT CHECK
B
Check self-diagnosis results.
Self-diagnosis results
FR LH IN ABS SOL C
FR LH OUT ABS SOL
RR RH IN ABS SOL
D
RR RH OUT ABS SOL
FR RH IN ABS SOL
FR RH OUT ABS SOL E
RR LH IN ABS SOL
RR LH OUT ABS SOL
BRC
REAR IN ABS SOL
REAR OUT ABS SOL
Is the above displayed in the self-diagnosis display items? G
YES >> GO TO 2.
NO >> Inspection End.
H
2. CONNECTOR INSPECTION
1. Disconnect ABS actuator and electric unit (control unit) connector E125.
2. Check the terminals for deformation, disconnection, looseness or damage. I
OK or NG
OK >> GO TO 3.
J
NG >> Repair or replace as necessary.

Revision: October 2004 BRC-31 2005 Titan


TROUBLE DIAGNOSIS FOR SELF-DIAGNOSTIC ITEMS
[ABS]
3. CHECKING SOLENOID POWER AND GROUND

1. Check voltage between ABS actuator and electric unit (control


unit) harness connector E125 and body ground.
ABS actuator and electric Measured
Body
unit (control unit) value
ground
harness connector E125 (Approx.)
32 (Y) — 12V

WFIA0195E

2. Check resistance between ABS actuator and electric unit (con-


trol unit) harness connector E125 and body ground.
ABS actuator and electric Measured
Body
unit (control unit) value Ω
ground
harness connector E125 (Approx.)
16 (B) — 0Ω
47 (B) — 0Ω
OK or NG
OK >> Perform self-diagnosis again. If the same results WFIA0196E
appear, replace ABS actuator and electric unit (control
unit). Refer to BRC-41, "Removal and Installation" .
NG >> Repair the circuit.
Actuator Motor, Motor Relay, and Circuit Inspection EFS004PY

INSPECTION PROCEDURE
1. CHECKING SELF-DIAGNOSIS RESULTS
Check self-diagnosis results.
Self-diagnosis results
PUMP MOTOR
ACTUATOR RLY

Is the above displayed in the self-diagnosis display items?


YES >> GO TO 2.
NO >> Inspection End.

2. CONNECTOR INSPECTION
1. Disconnect ABS actuator and electric unit (control unit) connector E125.
2. Check the terminals for deformation, disconnection, looseness or damage.
OK or NG
OK >> GO TO 3.
NG >> Repair or replace as necessary.

Revision: October 2004 BRC-32 2005 Titan


TROUBLE DIAGNOSIS FOR SELF-DIAGNOSTIC ITEMS
[ABS]
3. CHECKING ABS MOTOR AND MOTOR RELAY POWER SYSTEM
A
1. Check voltage between ABS actuator and electric unit (control
unit) harness connector E125 and ground.
B
ABS actuator and electric Measured
Body
unit (control unit) value
ground
harness connector E125 (Approx.)
C
1 (B/Y) — 12V

D
WFIA0209E

2. Check resistance between ABS actuator and electric unit (con- E


trol unit) connector E125 and ground.
ABS actuator and electric Measured
Body BRC
unit (control unit) value
ground
harness connector E125 (Approx.)
16 (B) — 0Ω
G
47 (B) — 0Ω
OK or NG
OK >> Perform self-diagnosis again. If the same results WFIA0196E H
appear, replace ABS actuator and electric unit (control
unit). Refer to BRC-41, "Removal and Installation" .
NG >> Repair the circuit.
I
ABS Control Unit Power and Ground Systems Inspection EFS004Q0

INSPECTION PROCEDURE
J
1. SELF-DIAGNOSIS RESULT CHECK
Check self-diagnosis results.
K
Self-diagnosis results
BATTERY VOLTAGE

Is the above displayed in the self-diagnosis display items? L


YES >> GO TO 2.
NO >> Inspection End.
M
2. CONNECTOR INSPECTION
1. Disconnect the ABS actuator and electric unit (control unit) connector E125.
2. Check the terminals for deformation, disconnection, looseness or damage.
OK or NG
OK >> GO TO 3.
NG >> Repair or replace as necessary.

Revision: October 2004 BRC-33 2005 Titan


TROUBLE DIAGNOSIS FOR SELF-DIAGNOSTIC ITEMS
[ABS]
3. ABS CONTROL UNIT POWER AND GROUND CIRCUIT INSPECTION
Measure the voltage and continuity between the ABS actuator and electric unit (control unit) harness connec-
tor E125 and ground.

ABS actuator and electric unit


Body
Signal name (control unit) Measured value
ground
harness connector E125
1 (B/Y)
Power supply — Battery voltage (Approx. 12V)
32 (Y)
16 (B)
Ground — Continuity should exist.
47 (B)
OK or NG
OK >> Check the battery for loose terminals, low voltage, etc. Repair as necessary.
NG >> Repair the circuit.
CAN Communication System Inspection EFS004Q1

INSPECTION PROCEDURE
1. CHECK CONNECTOR
1. Turn ignition switch OFF, disconnect the ABS actuator and electric unit (control unit) connector and check
the terminals for deformation, disconnection, looseness, and so on. If there is a malfunction, repair or
replace the terminal.
2. Reconnect connector to perform self-diagnosis.
Is "CAN COMM CIRCUIT" displayed in self-diagnosis display items?
YES >> Print out the self-diagnostic results, and refer to LAN-7, "CAN COMMUNICATION" .
NO >> Connector terminal is loose, damaged, open, or shorted.

Revision: October 2004 BRC-34 2005 Titan


TROUBLE DIAGNOSES FOR SYMPTOMS
[ABS]
TROUBLE DIAGNOSES FOR SYMPTOMS PFP:99999
A
ABS Works Frequently EFS005FE

1. CHECK WARNING LAMP ACTIVATION B

Make sure warning lamp remains off while driving.


OK or NG C
OK >> GO TO 2.
NG >> Carry out self-diagnosis. Refer toBRC-24, "SELF-DIAGNOSIS" .
D
2. CHECK WHEEL SENSORS
Check the following.
E
● Wheel sensor mounting for looseness
● Wheel sensors for physical damage
● Wheel sensor connectors for terminal damage or loose connections
BRC
● Sensor rotor and mount for physical damage (rear only)
OK or NG
OK >> GO TO 3. G
NG >> Repair or replace as necessary.

3. CHECK FRONT AND REAR AXLES H


Check front and rear axles for excessive looseness. Refer to FAX-5, "WHEEL BEARING INSPECTION" or
RAX-5, "WHEEL BEARING INSPECTION" .
OK or NG I
OK >> GO TO 4.
NG >> Repair as necessary.
J
4. CHECK BRAKE FLUID PRESSURE
Check brake fluid pressure distribution.
Refer to BRC-20, "Basic Inspection" . K
Is brake fluid pressure distribution normal?
YES >> Inspection End.
NO >> Perform Basic Inspection. Refer to BRC-20, "Basic Inspection" . L

Revision: October 2004 BRC-35 2005 Titan


TROUBLE DIAGNOSES FOR SYMPTOMS
[ABS]
Unexpected Pedal Action EFS005FF

1. CHECK WARNING LAMP ACTIVATION


Make sure warning lamp remains off while driving.
OK or NG
OK >> GO TO 2.
NG >> Carry out self-diagnosis. Refer to BRC-24, "SELF-DIAGNOSIS" .

2. CHECK BRAKE PEDAL STROKE


Check brake pedal stroke.
Is pedal stroke excessive?
YES >> Perform Basic Inspection. Refer to BRC-20, "Basic
Inspection" .
NO >> GO TO 3.

SBR540A

3. CHECK CONNECTOR AND BRAKING PERFORMANCE


1. Disable ABS by disconnecting ABS actuator and electric unit (control unit) connector.
2. Drive vehicle and check brake operation.
NOTE:
● Stopping distance may be longer than vehicles without ABS when road condition is slippery.

● Driving the vehicle with the ABS actuator and electric unit (control unit) disconnected may induce DTCs
in electrical control units using CAN communication. After the inspection, clear all DTCs. Refer to LAN-
7, "CAN COMMUNICATION" .
OK or NG
OK >> GO TO 4.
NG >> Perform Basic Inspection. Refer to BRC-20, "Basic Inspection" .

4. CHECK WHEEL SENSORS


Check the following.
● Wheel sensor mounting for looseness
● Wheel sensors for physical damage
● Wheel sensor connectors for terminal damage or loose connections
OK or NG
OK >> Check ABS actuator and electric unit (control unit) connector terminals for deformation, discon-
nection, looseness or damage. Reconnect ABS actuator and electric unit (control unit) harness
connector. Then retest.
NG >> Repair or replace as necessary.

Revision: October 2004 BRC-36 2005 Titan


TROUBLE DIAGNOSES FOR SYMPTOMS
[ABS]
Long Stopping Distance EFS005FG

1. CHECK BASE BRAKING SYSTEM PERFORMANCE


B
1. Disable ABS by disconnecting ABS actuator and electric unit (control unit) connector.
2. Drive vehicle and check brake operation.
NOTE: C
● Stopping distance may be longer than vehicles without ABS when road condition is slippery.

● Driving the vehicle with the ABS actuator and electric unit (control unit) disconnected may induce DTCs
in electrical control units using CAN communication. After the inspection, clear all DTCs. Refer to LAN-
7, "CAN COMMUNICATION" . D
OK or NG
OK >> Go to BRC-35, "ABS Works Frequently" .
E
NG >> Perform Basic Inspection. Refer to BRC-20, "Basic Inspection" .
ABS Does Not Work EFS005FH

CAUTION: BRC
The ABS does not operate when the vehicle speed is 10 km/h (6 MPH) or less.

G
1. CHECK WARNING LAMP ACTIVATION
Turn ignition switch ON and check for warning lamp activation.
H
● Warning lamp should activate for approximately 2 seconds after turning the ignition switch ON.
OK or NG
OK >> Carry out self-diagnosis. Refer to BRC-24, "SELF-DIAGNOSIS" .
I
NG >> Go to BRC-38, "ABS Warning Lamp Does Not Come On When Ignition Switch Is Turned On" .
Pedal Vibration or ABS Operation Noise EFS005FI

NOTE: J
During ABS activation, pedal vibration may be felt and a noise may be heard. This is normal and does not indi-
cate a malfunction.
K

1. CHECK SYMPTOM
1. Apply brake. L
2. Start engine.
Does the symptom occur only when engine is started?
M
YES >> Carry out self-diagnosis. Refer to BRC-24, "SELF-DIAGNOSIS" .
NO >> GO TO 2.

2. RECHECK SYMPTOM
Does the symptom occur only when electrical equipment switches (such as headlamps) are turned on?

YES >> Check for radio, antenna or related wiring that is routed too close to the ABS actuator and electric
unit (control unit) and reroute as necessary.
NO >> Go to BRC-35, "ABS Works Frequently" .

Revision: October 2004 BRC-37 2005 Titan


TROUBLE DIAGNOSES FOR SYMPTOMS
[ABS]
ABS Warning Lamp Does Not Come On When Ignition Switch Is Turned On EFS005FJ

1. CHECK ABS ACTUATOR AND ELECTRIC UNIT (CONTROL UNIT) FUSES


Check 30A fusible link h and 30A fusible link i for ABS actuator and electric unit (control unit). For fusible link
layout, refer to PG-4, "POWER SUPPLY ROUTING CIRCUIT" .
OK or NG
OK >> GO TO 2.
NG >> If fusible link is blown, be sure to eliminate cause of problem before replacing.

2. CHECK ABS ACTUATOR AND ELECTRIC UNIT (CONTROL UNIT) POWER SUPPLY CIRCUITS
1. Disconnect ABS actuator and electric unit (control unit) connec-
tor.
2. Check voltage between ABS actuator and electric unit (control
unit) connector terminal 1 (B/Y) and ground and terminal 32 (Y)
and ground.
Does battery voltage exist?
YES >> GO TO 3.
NO >> Repair harness or connectors between fusible link and
ABS actuator and electric unit (control unit).
WFIA0199E

3. CHECK ABS ACTUATOR AND ELECTRIC UNIT (CONTROL UNIT) GROUND CIRCUIT
Check continuity between ABS actuator and electric unit (control
unit) connector terminal 16 (B) and ground and terminal 47 (B) and
ground.
Does continuity exist?
YES >> Replace ABS actuator and electric unit (control unit).
Refer to BRC-41, "Removal and Installation" .
NO >> Repair harness or connectors between ABS actuator
and electric unit (control unit) and ground.

WFIA0196E

ABS Warning Lamp Stays On When Ignition Switch Is Turned On EFS005FK

1. CARRY OUT SELF-DIAGNOSIS


Carry out self-diagnosis. Refer to BRC-24, "SELF-DIAGNOSIS" .
Are malfunctions detected in self-diagnosis?
YES >> Refer to BRC-25, "Display Item List" .
NO >> Refer to DI-30, "WARNING LAMPS" .

Revision: October 2004 BRC-38 2005 Titan


WHEEL SENSORS
[ABS]
WHEEL SENSORS PFP:47910
A
Removal and Installation EFS004Q9

BRC

WFIA0374E
G

REMOVAL
1. Remove wheel sensor mounting screw. H
● When removing the front wheel sensor, first remove the disc rotor to gain access to the front wheel sen-
sor mounting bolt. Refer to BR-24, "Removal and Installation of Brake Caliper and Disc Rotor" .
2. Pull out the sensor, being careful to turn it as little as possible. I
CAUTION:
● Be careful not to damage sensor edge and sensor rotor teeth.

● Do not pull on the sensor harness. J


3. Disconnect wheel sensor harness electrical connector, then remove harness from mounts.
INSTALLATION
K
Before installing wheel sensors,
● Inspect wheel sensor O-ring, replace sensor assembly if damaged.
● Clean wheel sensor hole and mounting surface with brake cleaner and a lint-free shop rag. Be careful that L
dirt and debris do not enter the axle.
● Apply a coat of suitable grease to the wheel sensor O-ring and mounting hole.
Installation is in the reverse order of removal. M

Revision: October 2004 BRC-39 2005 Titan


SENSOR ROTOR
[ABS]
SENSOR ROTOR PFP:47970

Removal and Installation EFS004QA

FRONT
The wheel sensor rotors are built into the wheel hubs and are not removable. If damaged, replace wheel hub
and bearing assembly. Refer to FAX-5, "Removal and Installation" .
REAR
Removal
1. Remove axle shaft assembly. Refer to RAX-6, "Removal and Installation" .
NOTE:
It is necessary to disassemble the rear axle to replace the sensor rotor.
2. Pull the sensor rotor of off the axle shaft using Tool and a press.
Tool number : 205-D002 ( — )
Installation
1. Install new sensor rotor on axle shaft using a suitable length steel tube and a press. Make sure sensor
rotor is fully seated.
CAUTION:
Do not reuse the old sensor rotor.
2. Install axle shaft assembly. Refer to RAX-6, "Removal and Installation" .
CAUTION:
Do not reuse the axle oil seal. The axle oil seal must be replaced every time the axle shaft assem-
bly is removed from the axle shaft housing.

Revision: October 2004 BRC-40 2005 Titan


ACTUATOR AND ELECTRIC UNIT (ASSEMBLY)
[ABS]
ACTUATOR AND ELECTRIC UNIT (ASSEMBLY) PFP:47660
A
Removal and Installation EFS004QB

BRC

WFIA0375E
K
1. To rear left 2. To rear right 3. To front left
4. To front right 5. From the master cylinder secondary side 6. From the master cylinder primary side
7. ABS actuator and electric unit (control 8. Harness connector L
unit)

REMOVAL
M
1. Disconnect the negative battery terminal.
2. Remove the cowl top extension. Refer to EI-21, "Removal and Installation" .
3. Drain the brake fluid. Refer to BR-10, "Drain and Refill" .
4. Disconnect the actuator harness from the ABS actuator and electric unit (control unit).
CAUTION:
● To remove the brake tubes, use a flare nut wrench to prevent the flare nuts and brake tubes from
being damaged.
● Be careful not to splash brake fluid on painted areas.

5. Disconnect the brake tubes.


6. Remove the three bolts and remove the ABS actuator and electric unit (control unit).

Revision: October 2004 BRC-41 2005 Titan


ACTUATOR AND ELECTRIC UNIT (ASSEMBLY)
[ABS]
INSTALLATION
Installation is in the reverse order of removal.
CAUTION:
To install, use a flare nut wrench (commercial service tool).
● Always tighten brake tubes to specification when installing. Refer to BR-12, "BRAKE PIPING AND
HOSE" .
● Never reuse drained brake fluid.
● After installation of the ABS actuator and electric unit (control unit), refill brake system with new
brake fluid. Then bleed the air from the system. Refer to BR-11, "Bleeding Brake System" .

Revision: October 2004 BRC-42 2005 Titan


PRECAUTIONS
[ABLS/ABS]
PRECAUTIONS PFP:00001
A
Precautions for Supplemental Restraint System (SRS) “AIR BAG” and “SEAT
BELT PRE-TENSIONER” EFS004QC

The Supplemental Restraint System such as “AIR BAG” and “SEAT BELT PRE-TENSIONER”, used along B
with a front seat belt, helps to reduce the risk or severity of injury to the driver and front passenger for certain
types of collision. Information necessary to service the system safely is included in the SRS and SB section of
this Service Manual. C
WARNING:
● To avoid rendering the SRS inoperative, which could increase the risk of personal injury or death
in the event of a collision which would result in air bag inflation, all maintenance must be per-
formed by an authorized NISSAN/INFINITI dealer. D
● Improper maintenance, including incorrect removal and installation of the SRS, can lead to per-
sonal injury caused by unintentional activation of the system. For removal of Spiral Cable and Air
Bag Module, see the SRS section. E
● Do not use electrical test equipment on any circuit related to the SRS unless instructed to in this
Service Manual. SRS wiring harnesses can be identified by yellow and/or orange harnesses or
harness connectors. BRC
Precautions for Brake System EFS004QD

CAUTION: G
● Refer to MA-11, "RECOMMENDED FLUIDS AND LUBRICANTS" for recommended brake fluid.
● Never reuse drained brake fluid.
● Be careful not to splash brake fluid on painted areas; it may cause paint damage. If brake fluid is H
splashed on painted areas, wash it away with water immediately.
● To clean or wash all parts of master cylinder and disc brake caliper, use clean brake fluid.
● Never use mineral oils such as gasoline or kerosene. They will ruin rubber parts of the hydraulic I
system.
● Use flare nut wrench when removing and installing brake
tube. J
● If a brake fluid leak is found, the part must be disassembled
without fail. Then it has to be replaced with a new one if a
defect exists.
K
● Turn the ignition switch OFF and remove the connector of
the ABS actuator and electric unit (control unit) or the bat-
tery terminal before performing the work.
L
● Always torque brake lines when installing.
● Burnish the brake contact surfaces after refinishing or SBR686C
replacing rotors, after replacing pads, or if a soft pedal
occurs at very low mileage. M
Refer to BR-27, "BRAKE BURNISHING PROCEDURE" (front disc brake) or BR-32, "BRAKE BUR-
NISHING PROCEDURE" (rear disc brake).
WARNING:
● Clean brake pads and shoes with a waste cloth, then wipe with a dust collector.
Precautions When Using CONSULT-II EFS004QE

When connecting CONSULT-II to data link connector, connect them through CONSULT-II CONVERTER.
CAUTION:
If CONSULT-II is used with no connection of CONSULT-II CONVERTER, malfunctions might be
detected in self-diagnosis depending on control unit which carries out CAN communication.
CHECK POINTS FOR USING CONSULT-II
1. Has CONSULT-II been used without connecting CONSULT-II CONVERTER on this vehicle?
● If YES, GO TO 2.

● If NO, GO TO 5.

Revision: October 2004 BRC-43 2005 Titan


PRECAUTIONS
[ABLS/ABS]
2. Is there any indication other than indications relating to CAN communication system in the self-diagnosis
results?
● If YES, GO TO 3.

● If NO, GO TO 4.

3. Based on self-diagnosis results unrelated to CAN communication, carry out the inspection.
4. Malfunctions may be detected in self-diagnosis depending on control units carrying out CAN communica-
tion. Therefor, erase the self-diagnosis results.
5. Diagnose CAN communication system. Refer to LAN-7, "CAN COMMUNICATION" .
Precautions for Brake Control EFS004QF

● During ABS operation, the brake pedal may vibrate lightly and a mechanical noise may be heard. This is
normal.
● Just after starting vehicle, the brake pedal may vibrate or a motor operating noise may be heard from
engine compartment. This is a normal status of operation check.
● Stopping distance may be longer than that of vehicles without ABS when vehicle drives on rough, gravel,
or snow-covered (fresh, deep snow) roads.
● When an error is indicated by ABS or another warning lamp, collect all necessary information from cus-
tomer (what symptoms are present under what conditions) and check for simple causes before starting
diagnosis. Besides electrical system inspection, check brake booster operation, brake fluid level, and fluid
leaks.
● If incorrect tire sizes or types are installed on the vehicle or brake pads are not Genuine NISSAN parts,
stopping distance or steering stability may deteriorate.
● If there is a radio, antenna or related wiring near control module, ABS function may have a malfunction or
error.
● If aftermarket parts (car stereo, CD player, etc.) have been installed, check for incidents such as harness
pinches, open circuits or improper wiring.
Precautions for CAN System EFS004QG

● Do not apply voltage of 7.0V or higher to terminal to be measured.


● Maximum open terminal voltage of tester in use must be less than 7.0V.
● Before checking harnesses, turn ignition switch OFF and disconnect battery negative cable.
● Area to be repaired must be soldered and wrapped with tape.
Make sure that fraying of twisted wire is within 110 mm (4.33 in).

PKIA0306E

● Do not make a bypass connection to repaired area. (If the circuit


is bypassed, characteristics of twisted wire will be lost.)

PKIA0307E

Revision: October 2004 BRC-44 2005 Titan


PRECAUTIONS
[ABLS/ABS]
Wiring Diagrams and Trouble Diagnosis EFS004QH

A
When you read wiring diagrams, refer to the following:
● GI-14, "How to Read Wiring Diagrams".
● PG-4, "POWER SUPPLY ROUTING CIRCUIT". B
When you perform trouble diagnosis, refer to the following:
● GI-11, "HOW TO FOLLOW TEST GROUPS IN TROUBLE DIAGNOSES".
● GI-27, "How to Perform Efficient Diagnosis for an Electrical Incident". C

BRC

Revision: October 2004 BRC-45 2005 Titan


PREPARATION
[ABLS/ABS]
PREPARATION PFP:00002

Special Service Tool EFS004QI

The actual shapes of Kent-Moore tools may differ from those of special service tools illustrated here.
Tool number Description
(Kent-Moore No.)
Tool name
(J-45741) Checking operation of ABS active wheel sen-
ABS active wheel sensor tester sors

WFIA0101E

205-D002 Removing axle shaft bearing


( — )
Bearing splitter

ZZA0700D

Commercial Service Tools EFS004QJ

Tool name Description


1. Flare nut crowfoot Removing and installing brake piping
2. Torque wrench a: 10mm (0.39 in)/12mm (0.47 in)

S-NT360

Revision: October 2004 BRC-46 2005 Titan


SYSTEM DESCRIPTION
[ABLS/ABS]
SYSTEM DESCRIPTION PFP:00000
A
System Components EFS004QK

BRC

WFIA0301E

Revision: October 2004 BRC-47 2005 Titan


SYSTEM DESCRIPTION
[ABLS/ABS]
ABS Function EFS004QL

● The Anti-Lock Brake System detects wheel revolution while braking and improves handling stability during
sudden braking by electrically preventing wheel lockup. Maneuverability is also improved for avoiding
obstacles.
● If the electrical system malfunctions, the Fail-Safe function is activated, the ABS becomes inoperative and
the ABS warning lamp turns on.
● The electrical system can be diagnosed using CONSULT-II.
● During ABS operation, the brake pedal may vibrate lightly and a mechanical noise may be heard. This is
normal.
● Just after starting the vehicle, the brake pedal may vibrate or a motor operating noise may be heard from
engine compartment. This is a normal status of operation check.
● Stopping distance may be longer than that of vehicles without ABS when vehicle drives on rough, gravel,
or snow-covered (fresh, deep snow) roads.
EBD Function EFS004QM

● Electronic Brake Distribution is a function that detects subtle slippages between the front and rear wheels
during braking, and it improves handling stability by electronically controlling the brake fluid pressure
which results in reduced rear wheel slippage.
● If the electrical system malfunctions, the Fail-Safe function is activated, the EBD and ABS become inoper-
ative, and the ABS warning lamp and brake warning lamp are turned on.
● The electrical system can be diagnosed using CONSULT-II.
● During EBD operation, the brake pedal may vibrate lightly and a mechanical noise may be heard. This is
normal.
● Just after starting the vehicle, the brake pedal may vibrate or a motor operating noise may be heard from
engine compartment. This is a normal status of operation check.
ABLS Function EFS004QN

● Active brake limited slip is a function to improve vehicle traction. Spinning of the drive wheels is detected
by the ABS actuator and electric unit (control unit) using inputs from the wheel speed sensors. If wheel
spin occurs, the ABLS system brakes the spinning wheel which distributes the driving power to the other
drive wheel.
● The SLIP indicator lamp turns on to inform the driver of ABLS operation.
● During ABLS operation, the brake pedal may vibrate lightly and a mechanical noise may be heard. This is
normal.
Fail-Safe Function EFS004QO

CAUTION:
If the Fail-Safe function is activated, perform the Self Diagnosis for ABS/ABLS system.
ABS/EBD SYSTEM
In case of an electrical malfunction with the ABS, the ABS warning lamp will turn on. In case of an electrical
malfunction with the EBD system, the brake warning lamp and ABS warning lamp will turn on.
The system will revert to one of the following conditions of the Fail-Safe function.
1. For ABS malfunction, only the EBD is operative and the condition of the vehicle is the same condition of
vehicles without ABS/ABLS system.
2. For EBD malfunction, the EBD and ABS become inoperative, and the condition of the vehicle is the same
as the condition of vehicles without ABS/ABLS or EBD system.
ABLS SYSTEM
In case of an ABLS system malfunction, the ABS warning lamp will turn on and only the EBD is operative. The
condition of the vehicle is the same as the condition of vehicles without ABS/ABLS system.

Revision: October 2004 BRC-48 2005 Titan


SYSTEM DESCRIPTION
[ABLS/ABS]
Hydraulic Circuit Diagram EFS004QP

BRC

J
WFIA0302E

Revision: October 2004 BRC-49 2005 Titan


CAN COMMUNICATION
[ABLS/ABS]
CAN COMMUNICATION PFP:23710

System Description EFS004QQ

Refer to LAN-7, "CAN COMMUNICATION" .

Revision: October 2004 BRC-50 2005 Titan


TROUBLE DIAGNOSIS
[ABLS/ABS]
TROUBLE DIAGNOSIS PFP:00000
A
How to Perform Trouble Diagnoses for Quick and Accurate Repair EFS004QR

INTRODUCTION
The ABS/ABLS system has an electronic control unit to control major B
functions. The control unit accepts input signals from sensors and
controls actuator operation. It is also important to check for conven-
tional problems such as air leaks in the booster or lines, lack of
brake fluid, or other problems with the brake system. C
It is much more difficult to diagnose a problem that occurs intermit-
tently rather than continuously. Most intermittent problems are
caused by poor electrical connections or faulty wiring. In this case, D
careful checking of suspicious circuits may help prevent the replace-
ment of good parts.
A visual check only may not find the cause of the problem, so a road
test should be performed.
SEF233G
E
Before undertaking actual checks, take just a few minutes to talk with
a customer who approaches with an ABS/ABLS complaint. The cus-
tomer is a very good source of information on such problems, espe- BRC
cially intermittent ones. Through the talks with the customer, find out
what symptoms are present and under what conditions they occur.
Start your diagnosis by looking for “conventional” problems first. This
is one of the best ways to troubleshoot brake problems on an ABS/ G
ABLS equipped vehicle. Also check related Service Bulletins for
information.
H
SEF234G

Revision: October 2004 BRC-51 2005 Titan


TROUBLE DIAGNOSIS
[ABLS/ABS]
WORK FLOW

WFIA0364E

Revision: October 2004 BRC-52 2005 Titan


TROUBLE DIAGNOSIS
[ABLS/ABS]
CLARIFY CONCERN
● A customer's description of a vehicle concern may vary depend- A
ing on the individual. It is important to clarify the customer's con-
cern.
● Ask the customer about what symptoms are present under what B
conditions. Use this information to reproduce the symptom while
driving.
● It is also important to use the diagnosis sheet to understand C
what type of trouble the customer is having.

SBR339B
D

EXAMPLE OF DIAGNOSIS SHEET


E

BRC

WFIA0365E

Revision: October 2004 BRC-53 2005 Titan


TROUBLE DIAGNOSIS
[ABLS/ABS]
Component Parts and Harness Connector Location EFS004QS

WFIA0372E

Revision: October 2004 BRC-54 2005 Titan


TROUBLE DIAGNOSIS
[ABLS/ABS]
Schematic EFS004QT

BRC

WFWA0203E

Revision: October 2004 BRC-55 2005 Titan


TROUBLE DIAGNOSIS
[ABLS/ABS]
Wiring Diagram — ABLS — EFS004QU

WFWA0204E

Revision: October 2004 BRC-56 2005 Titan


TROUBLE DIAGNOSIS
[ABLS/ABS]

BRC

WFWA0205E

Revision: October 2004 BRC-57 2005 Titan


TROUBLE DIAGNOSIS
[ABLS/ABS]

WFWA0206E

Revision: October 2004 BRC-58 2005 Titan


TROUBLE DIAGNOSIS
[ABLS/ABS]

BRC

WFWA0207E

Revision: October 2004 BRC-59 2005 Titan


TROUBLE DIAGNOSIS
[ABLS/ABS]
Basic Inspection EFS004QV

BRAKE FLUID LEVEL, FLUID LEAK, AND BRAKE PAD INSPECTION


1. Check fluid level in the brake fluid reservoir. If fluid level is low, add fluid.
2. Check the brake piping and around the ABS actuator and electric unit (control unit) for leaks. If there is
leaking or seeping fluid, check the following items.
● If ABS actuator and electric unit (control unit) connection is loose, tighten the piping to the specified
torque and recheck for leaks.
● If there is damage to the connection flare nut or ABS actuator and electric unit (control unit) threads,
replace the damaged part and recheck for leaks.
● When there is fluid leaking or seeping from a fluid connection, use a clean cloth to wipe off the fluid and
recheck for leaks. If fluid is still seeping out, replace the damaged part. If the fluid is leaking at the ABS
actuator and electric unit (control unit), replace the ABS actuator and electric unit (control unit) assem-
bly.
CAUTION:
The ABS actuator and electric unit (control unit) cannot be disassembled and must be replaced
as an assembly.
3. Check the brake pads for excessive wear.
POWER SYSTEM TERMINAL LOOSENESS AND BATTERY INSPECTION
Make sure the battery positive cable, negative cable and ground connection are not loose. In addition, make
sure the battery is sufficiently charged.
ABS WARNING LAMP AND SLIP INDICATOR LAMP INSPECTION
1. Make sure ABS warning lamp and SLIP indicator lamp turn on for approximately 1 second when the igni-
tion switch is turned ON. If they do not, check CAN communications. If there are no errors with CAN com-
munication system, check combination meter. Refer to DI-5, "COMBINATION METERS" .
2. Make sure the lamps turn off approximately 1 second after the ignition switch is turned ON. If the lamps do
not turn off, conduct self-diagnosis.
3. Make sure ABS warning lamp turns off approximately 2 seconds after the engine is started. If ABS warn-
ing lamp has not turned off 10 seconds after the engine has been started, conduct self-diagnosis of the
ABS actuator and electric unit (control unit).
4. After conducting the self-diagnosis, be sure to erase the error memory. Refer to BRC-64, "CONSULT-II
Function (ABS)" .

Revision: October 2004 BRC-60 2005 Titan


TROUBLE DIAGNOSIS
[ABLS/ABS]
Warning Lamp and Indicator Timing EFS004QW

A
ABS SLIP
Condition Remarks
warning lamp indicator lamp
When the ignition switch is OFF — — —
B
After the ignition switch is turned ON
X X —
for approx. 1 second
After the ignition switch is turned ON Lamp goes off approx. 2 seconds C
— —
for approx. 2 seconds after the engine is started.
X — —
When the ABS actuator and electric D
ABS/ABLS malfunction unit (control unit) is malfunctioning
X —
(power supply or ground malfunc-
tion).
E
X: ON
—: OFF

Control Unit Input/Output Signal Standard EFS004QX


BRC
REFERENCE VALUE FROM CONSULT-II
CAUTION:
The display shows the control unit calculation data, so a normal value might be displayed even in the G
event the output circuit (harness) is open or short circuited.
Data monitor
Note: Error inspection
Monitor item Display content Reference value in H
Condition checklist
normal operation
A/T shift position = N position ON BRC-81, "CAN Commu-
PNP switch signal ON/
N POSI SIG A/T shift position = other than nication System Inspec- I
OFF condition OFF
N positions tion"

A/T shift position P position ON BRC-81, "CAN Commu-


PNP switch signal ON/
P POSI SIG A/T shift position = other than nication System Inspec- J
OFF condition OFF
P positions tion"

1st gear 1
2nd gear 2 K
GEAR A/T gear position 3rd gear 3 —
4th gear 4 L
5th gear 5
Vehicle stopped 0 [km/h (MPH)]
FR RH SENSOR
FR LH SENSOR Almost in accor- BRC-72, "Wheel Sensor
M
Wheel speed dance with speed-
RR RH SENSOR Vehicle running (Note 1) System Inspection"
RR LH SENSOR ometer display
(within ±10%)
Accelerator pedal not
Open/close condition depressed (ignition switch is 0% BRC-81, "CAN Commu-
ACCEL POS SIG of throttle valve (linked ON) nication System Inspec-
with accelerator pedal). Depress accelerator pedal tion"
0 to 100%
(ignition switch is ON)
With engine stopped 0 rpm
Almost in accor- BRC-73, "Engine System
ENGINE SPEED With engine running
Engine running dance with Inspection"
tachometer display
Battery voltage sup- BRC-77, "ABS/ABLS
plied to ABS actuator Control Unit Power and
BATTERY VOLT Ignition switch ON 10 to 16V
and electric unit (con- Ground Systems Inspec-
trol unit) tion"

Revision: October 2004 BRC-61 2005 Titan


TROUBLE DIAGNOSIS
[ABLS/ABS]
Data monitor
Note: Error inspection
Monitor item Display content Reference value in
Condition checklist
normal operation
Brake pedal depressed ON BRC-76, "Stop Lamp
Stop lamp switch oper-
STOP LAMP SW Switch System Inspec-
ation Brake pedal not depressed OFF tion"

ABS warning lamp ON ABS warning lamp ON ON


ABS WARN LAMP —
condition (Note 2) ABS warning lamp OFF OFF
Ignition switch ON or running
OFF BRC-75, "Actuator Motor,
Operation status of (ABS not activated)
MOTOR RELAY Motor Relay, and Circuit
motor and motor relay Ignition switch ON or engine
ON Inspection"
running (ABS activated)
Vehicle stopped (Ignition
OFF BRC-75, "Actuator Motor,
Actuator relay opera- switch ON)
ACTUATOR RLY Motor Relay, and Circuit
tion status Vehicle stopped (Engine run-
ON Inspection"
ning)
When SLIP indicator lamp is
ON BRC-81, "CAN Commu-
SLIP indicator lamp ON
SLIP LAMP nication System Inspec-
status (Note 3) When SLIP indicator lamp is
OFF tion"
OFF
FR LH IN SOL Actuator (solenoid) is active
FR LH OUT SOL (“ACTIVE TEST” with CON-
ON
FR RH IN SOL SULT-II) or actuator relay is
FR RH OUT SOL Solenoid valve opera- inactive (in fail-safe mode).
RR RH IN SOL tion
RR RH OUT SOL When actuator (solenoid) is
RR LH IN SOL not active and actuator relay is OFF
RR LH OUT SOL active (ignition switch ON).
BRC-74, "Solenoid and
When actuator (switch-over Change-Over Valve Sys-
valve) is active (“ACTIVE tem Inspection"
TEST” with CONSULT-II) or ON
CV1 actuator relay is inactive (when
CV2 Switch-over valve sta- in fail-safe mode).
SV1 tus
SV2 When actuator (switch-over
valve) is not active and actua-
OFF
tor relay is active (ignition
switch ON).
Do not step on the Brake pedal
Brake fluid pressure Approx. 0 bar
(When ignition switch is ON)
PRESS SENSOR detected by pressure —
sensor Step on the Brake pedal
-40 to 300 bar
(When ignition switch is ON)
When brake fluid level switch
ON
ON/OFF status of ON DI-30, "WARNING
FLUID LEV SW
brake fluid level switch When brake fluid level switch LAMPS"
OFF
OFF
ABS active
ON
ABS SIGNAL EBD active ABS system
Signal status
EBD SIGNAL ABS not active EBD system
OFF
EBD not active
ABS fail
ON
ABS FAIL SIG EBD fail ABS system
Fail signal status
EBD FAIL SIG ABS normal EBD system
OFF
EBD normal
Note 1: Confirm tire pressure is normal.
Note 2: ON/OFF timing of ABS warning lamp
ON: For approximately 1 second after ignition switch is turned ON, or when a malfunction is detected.

Revision: October 2004 BRC-62 2005 Titan


TROUBLE DIAGNOSIS
[ABLS/ABS]
OFF: Approximately 1 second after ignition switch is turned ON (when system is in normal operation) and ABLS/ABS function is not
activated. A
Note 3: SLIP indicator lamp ON/OFF timing
ON: For approximately 1 second after ignition switch is turned ON, or when ABLS function is activated while driving.
OFF: Approximately 1 second after ignition switch is turned ON (when system is in normal operation) and ABLS function is not acti-
vated. B

BRC

Revision: October 2004 BRC-63 2005 Titan


TROUBLE DIAGNOSIS
[ABLS/ABS]
CONSULT-II Function (ABS) EFS004QY

CONSULT-II can display each diagnostic item using the diagnostic test modes shown following.
ABS diagnostic mode Description
Supports inspection and adjustments. Commands are transmitted to the ABS actuator and electric
WORK SUPPORT unit (control unit) for setting the status suitable for required operation, input/output signals are
received from the ABS actuator and electric unit (control unit) and received data is displayed.
SELF-DIAG RESULTS Displays ABS actuator and electric unit (control unit) self-diagnosis results.
DATA MONITOR Displays ABS actuator and electric unit (control unit) input/output data in real time.
CAN DIAG SUPPORT MNTR The result of transmit/receive diagnosis of CAN communication can be read.
ACTIVE TEST Operation of electrical loads can be checked by sending drive signal to them.
Conducted by CONSULT-II instead of a technician to determine whether each system is "OK" or
FUNCTION TEST
"NG".
ECU PART NUMBER ABS actuator and electric unit (control unit) part number can be read.

CONSULT-II BASIC OPERATION PROCEDURE


1. Turn ignition switch OFF.
2. Connect CONSULT-II and CONSULT-II CONVERTER to the
data link connector.
CAUTION:
If CONSULT-II is used with no connection of CONSULT-II
CONVERTER, malfunctions might be detected in self-diag-
nosis depending on control unit which carries out CAN
communication.
3. Turn ignition switch ON.

BBIA0369E

4. Touch “START (NISSAN BASED VHCL)”.

BCIA0029E

5. Touch “ABS” in the “SELECT SYSTEM” screen.


If “ABS” is not indicated, go to GI-38, "CONSULT-II Data Link
Connector (DLC) Circuit" .

BCIA0030E

Revision: October 2004 BRC-64 2005 Titan


TROUBLE DIAGNOSIS
[ABLS/ABS]
6. Select the required diagnostic location from the “SELECT DIAG
MODE” screen. A
For further information, see the CONSULT-II Operation Manual.

BCIA0031E

D
SELF-DIAGNOSIS
Description
If an error is detected in the system, the ABS warning lamp will turn on. In this case, perform self-diagnosis as E
follows:
Operation Procedure
1. Turn ignition switch OFF. BRC
2. Connect CONSULT-II and CONSULT-II CONVERTER to the data link connector.
CAUTION:
If CONSULT-II is used with no connection of CONSULT-II CONVERTER, malfunctions might be G
detected in self-diagnosis depending on control unit which carries out CAN communication.

3. Turn ignition switch ON.


H
4. Start engine and drive at approximately 30 km/h (19 MPH) or more for approximately 1 minute.
5. After stopping the vehicle, with the engine running, touch “START (NISSAN BASED VHCL)”, “ABS”,
“SELF-DIAG RESULTS” in order on the CONSULT-II screen. I
CAUTION:
If “START (NISSAN BASED VHCL)” is touched immediately after starting the engine or turning on
the ignition switch, “ABS” might not be displayed in the SELECT SYSTEM screen. In this case,
repeat the operation from step 1. J
6. The self-diagnostic results are displayed. (If necessary, the self-diagnostic results can be printed out by
touching “PRINT”.)
K
● When “NO DTC IS DETECTED” is displayed, check the ABS warning lamp.

7. Conduct the appropriate inspection from the display item list, and repair or replace the malfunctioning
component.
L
8. Start engine and drive at approximately 30 km/h (19 MPH) or more for approximately 1 minute.
CAUTION:
● When a wheel sensor “short-circuit” is detected, if the vehicle is not driven at 30 km/h (19 MPH)
for at least 1 minute, the ABS warning lamp will not turn off even if the malfunction is repaired. M
9. Turn ignition switch OFF to prepare for erasing the memory.
10. Start the engine and touch “START (NISSAN BASED VHCL)”, “ABS”, “SELF-DIAG RESULTS”, “ERASE”
in order on the CONSULT-II screen to erase the error memory.
If “ABS” is not indicated, go to GI-38, "CONSULT-II Data Link Connector (DLC) Circuit" .
CAUTION:
If the error memory is not erased, re-conduct the operation from step 5.
11. For the final inspection, drive at approximately 30 km/h (19 MPH) or more for approximately 1 minute and
confirm that the ABS warning lamp is off.

Revision: October 2004 BRC-65 2005 Titan


TROUBLE DIAGNOSIS
[ABLS/ABS]
Display Item List
Self-diagnostic item Malfunction detecting condition Check system
FR LH SENSOR 1 Circuit of front LH wheel sensor is open, shorted or sensor power
[C1104] voltage is unusual.
RR RH SENSOR 1 Circuit of rear RH wheel sensor is open, shorted or sensor power
[C1101] voltage is unusual.
FR RH SENSOR 1 Circuit of front RH wheel sensor is open, shorted or sensor power
[C1103] voltage is unusual.
RR LH SENSOR 1 Circuit of rear LH wheel sensor is open, shorted or sensor power
[C1102] voltage is unusual.
ABS actuator and electric unit (control unit) cannot identify sen- BRC-72, "Wheel Sensor
FR LH SENSOR 2
sor pulses, because of large gap between wheel sensor and sen- System Inspection"
[C1108]
sor rotor. (Note 1)
ABS actuator and electric unit (control unit) cannot identify sen-
RR RH SENSOR 2
sor pulses, because of large gap between wheel sensor and sen-
[C1105]
sor rotor.
ABS actuator and electric unit (control unit) cannot identify sen-
FR RH SENSOR 2
sor pulses, because of large gap between wheel sensor and sen-
[C1107]
sor rotor.
ABS actuator and electric unit (control unit) cannot identify sen-
RR LH SENSOR 2
sor pulses, because of large gap between wheel sensor and sen-
[C1106]
sor rotor.
BRC-76, "Stop Lamp
STOP LAMP SW
Stop lamp switch or circuit malfunction. Switch System Inspec-
[C1116]
tion"
DECEL G SEN SET BRC-74, "ABS/ABLS
ABS decel sensor adjustment is incomplete.
[C1160] Control Unit Inspection"
FR LH IN ABS SOL Circuit of front LH IN ABS solenoid is open or shorted, or control
[C1120] line is open or shorted to power supply or ground.
FR LH OUT ABS SOL Circuit of front LH OUT ABS solenoid is open or shorted, or con-
[C1121] trol line is open or shorted to power supply or ground.
RR RH IN ABS SOL Circuit of rear RH IN ABS solenoid is open or shorted, or control
[C1126] line is open or shorted to power supply or ground.
RR RH OUT ABS SOL Circuit of rear RH OUT ABS solenoid is open or shorted, or con-
[C1127] trol line is open or shorted to power supply or ground.
FR RH IN ABS SOL Circuit of front RH IN ABS solenoid is open or shorted, or control
[C1122] line is open or shorted to power supply or ground.
FR RH OUT ABS SOL Circuit of front RH OUT ABS solenoid is open or shorted, or con-
[C1123] trol line is open or shorted to power supply or ground.
RR LH IN ABS SOL Circuit of rear LH IN ABS solenoid is open or shorted, or control BRC-74, "Solenoid and
[C1124] line is open or shorted to power supply or ground. Change-Over Valve Sys-
RR LH OUT ABS SOL Circuit of rear LH OUT ABS solenoid is open or shorted, or con- tem Inspection"
[C1125] trol line is open or shorted to power supply or ground.
Front side switch-over solenoid valve (cut valve) is open or
CV1
shorted, or control line is open or shorted to power supply or
[C1164]
ground.
Rear side switch-over solenoid valve (cut valve) is open or
CV2
shorted, or control line is open or shorted to power supply or
[C1165]
ground.
Front side switch-over solenoid valve (suction valve) is open or
SV1
shorted, or control line is open or shorted to power supply or
[C1166]
ground.
Rear side switch-over solenoid valve (suction valve) is open or
SV2
shorted, or control line is open or shorted to power supply or
[C1167]
ground.

Revision: October 2004 BRC-66 2005 Titan


TROUBLE DIAGNOSIS
[ABLS/ABS]
Self-diagnostic item Malfunction detecting condition Check system
A
During actuator motor operation with ON, when actuator motor
turns OFF or when control line for actuator motor relay is open. BRC-75, "Actuator
PUMP MOTOR (Note 3)
Motor, Motor Relay, and
[C1111] During actuator motor operation with OFF, when actuator motor Circuit Inspection"
turns ON or when control line for relay is shorted to ground. B
BRC-77, "ABS/ABLS
BATTERY VOLTAGE
ABS actuator and electric unit (control unit) power voltage is too Control Unit Power and
[ABNORMAL]
[C1109]
low. Ground Systems Inspec- C
tion"
G-SENSOR
G-sensor is malfunctioning.
[C1113] BRC-74, "ABS/ABLS D
CONTROLLER FAILURE Internal malfunction of ABS actuator and electric unit (control Control Unit Inspection"
[C1110] unit)
● CAN communication line is open or shorted. E
● ABS actuator and electric unit (control unit) internal malfunc- BRC-81, "CAN Commu-
CAN COMM CIRCUIT
tion nication System Inspec-
[U1000]
● Battery voltage for ECM is suddenly interrupted for approxi- tion" (Note 2)
BRC
mately 0.5 second or more.
Brake fluid level drops or circuit between ABS actuator and elec- BRC-78, "Brake Fluid
BR FLUID LEVEL LOW
tric unit (control unit) and brake fluid level switch is open or Level Switch System
[C1155] G
shorted. Inspection"
Based on the signal from ECM, ABS actuator and electric unit
ENGIN SIGNAL 1
(control unit) judges that engine fuel cut system is malfunction-
[C1130]
ing. H
Based on the signal from ECM, ABS actuator and electric unit
ENGIN SIGNAL 2 BRC-73, "Engine Sys-
(control unit) judges that engine fuel cut system is malfunction-
[C1131] tem Inspection"
ing. I
Based on the signal from ECM, ABS actuator and electric unit
ENGIN SIGNAL 6
(control unit) judges that engine fuel cut system is malfunction-
[C1136]
ing.
J
BRC-75, "Actuator
ACTUATOR RLY
ABS actuator relay or circuit malfunction. Motor, Motor Relay, and
[C1140]
Circuit Inspection"
K
PRESS SEN CIRCUIT BRC-78, "Pressure Sen-
ABS pressure sensor circuit malfunction.
[C1142] sor System Inspection"
ABS VARIANT CODING BRC-74, "ABS/ABLS
V coding is not malfunctioning. L
[C1170] Control Unit Inspection"
ABS DIFLOCK CONTROLLER BRC-81, "CAN Commu-
NG nication System Inspec-
[C1187] tion" M
Note 1: If wheel sensor 2 for each wheel is indicated, check ABS actuator and electric unit (control unit) power
supply voltage in addition to wheel sensor circuit check.
Note 2: If multiple malfunctions are detected including CAN communication line [U1000], perform diagnosis for
CAN communication line first.
DATA MONITOR
Operation Procedure
1. After turning OFF the ignition switch, connect CONSULT-II and the CONSULT-II CONVERTER to the data
link connector.
CAUTION:
If CONSULT-II is used with no connection of CONSULT-II CONVERTER, malfunctions might be
detected in self-diagnosis depending on control unit which carries out CAN communication.
2. Touch “START (NISSAN BASED VHCL)”, “ABS”, “DATA MONITOR” in order on the CONSULT-II screen.
If “ABS” is not indicated, go to GI-38, "CONSULT-II Data Link Connector (DLC) Circuit" .

Revision: October 2004 BRC-67 2005 Titan


TROUBLE DIAGNOSIS
[ABLS/ABS]
CAUTION:
When “START (NISSAN BASED VHCL)” is touched immediately after starting the engine or turning
on the ignition switch, “ABS” might not be displayed in the SELECT SYSTEM screen. In this case,
repeat the operation from step 2.
3. Return to the SELECT MONITOR ITEM screen, and touch “ECU INPUT SIGNALS”, “MAIN SIGNALS”, or
“SELECTION FROM MENU”. Refer to the following information.
4. When “START” is touched, the data monitor screen is displayed.
Display Item List
Data monitor item selection
Item
ECU INPUT MAIN SELECTION Remarks
(Unit)
SIGNALS SIGNALS FROM MENU
Gear position judged by PNP
GEAR × × ×
switch signal is displayed.
Wheel speed calculated by front
FR RH SENSOR
× × × RH wheel sensor signal is dis-
(km/h, MPH)
played.
FR LH SENSOR Wheel speed calculated by front LH
× × ×
(km/h, MPH) wheel sensor signal is displayed.
RR RH SENSOR Wheel speed calculated by rear RH
× × ×
(km/h, MPH) wheel sensor signal is displayed.
RR LH SENSOR Wheel speed calculated by rear LH
× × ×
(km/h, MPH) wheel sensor signal is displayed.
Voltage supplied to ABS actuator
BATTERY VOLT
× × × and electric unit (control unit) is dis-
(V)
played.
Shift position judged by PNP switch
N POSI SIG – – ×
signal.
Shift position judged by PNP switch
P POSI SIG – – ×
signal.
Throttle valve open/close status
ACCEL POS SIG
× – × judged by CAN communication sig-
(%)
nal is displayed.
ENGINE SPEED Engine speed judged by CAN com-
× × ×
(rpm) munication signal is displayed.
STOP LAMP SW Stop lamp switch (ON/OFF) status
× × ×
(ON/OFF) is displayed.
ABS WARN LAMP ABS warning lamp (ON/OFF) status
– × ×
(ON/OFF) is displayed.
SLIP LAMP SLIP indicator lamp (ON/OFF) sta-
– × ×
(ON/OFF) tus is displayed.
FR LH IN SOL Front LH IN ABS solenoid (ON/
– × ×
(ON/OFF) OFF) status is displayed.
FR LH OUT SOL Front LH OUT ABS solenoid (ON/
– × ×
(ON/OFF) OFF) status is displayed.
RR RH IN SOL Rear RH IN ABS solenoid (ON/
– × ×
(ON/OFF) OFF) status is displayed.
RR RH OUT SOL Rear RH OUT ABS solenoid (ON/
– × ×
(ON/OFF) OFF) status is displayed.
FR RH IN SOL Front RH IN ABS solenoid (ON/
– × ×
(ON/OFF) OFF) status is displayed.
FR RH OUT SOL Front RH OUT ABS solenoid (ON/
– × ×
(ON/OFF) OFF) status is displayed.
RR LH IN SOL Rear LH IN ABS solenoid (ON/
– × ×
(ON/OFF) OFF) status is displayed.

Revision: October 2004 BRC-68 2005 Titan


TROUBLE DIAGNOSIS
[ABLS/ABS]
Data monitor item selection
Item A
ECU INPUT MAIN SELECTION Remarks
(Unit)
SIGNALS SIGNALS FROM MENU
RR LH OUT SOL Rear LH OUT ABS solenoid (ON/
– × × B
(ON/OFF) OFF) status is displayed.
MOTOR RELAY ABS motor relay signal (ON/OFF)
– × ×
(ON/OFF) status is displayed.
ACTUATOR RLY ABS actuator relay signal (ON/ C
– × ×
(ON/OFF) OFF) status is displayed.
Front side switch-over solenoid
CV1
– – × valve (cut valve) (ON/OFF) status is D
(ON/OFF)
displayed.
Rear side switch-over solenoid
CV2
– – × valve (cut-valve) (ON/OFF) status E
(ON/OFF)
is displayed.
Front side switch-over solenoid
SV1
– – × valve (suction valve) (ON/OFF) sta-
(ON/OFF)
tus is displayed.
BRC

Rear side switch-over solenoid


SV2
– – × valve (suction valve) (ON/OFF) sta-
(ON/OFF) G
tus is displayed.
TCS FAIL SIG TCS fail signal (ON/OFF) status is
– – ×
(ON/OFF) displayed.
ABS FAIL SIG ABS fail signal (ON/OFF) status is H
– – ×
(ON/OFF) displayed.
EBD FAIL SIG EBD fail signal (ON/OFF) status is
– – ×
(ON/OFF) displayed. I
FLUID LEV SW Brake fluid level switch (ON/OFF)
× – ×
(ON/OFF) status is displayed.
EBD SIGNAL EBD operation (ON/OFF) status is J
– – ×
(ON/OFF) displayed.
ABS SIGNAL ABS operation (ON/OFF) status is
– – ×
(ON/OFF) displayed. K
TCS SIGNAL TCS operation (ON/OFF) status is
– – ×
(ON/OFF) displayed.
Brake warning lamp (ON/OFF) sta- L
EBD WARN LAMP – – ×
tus is displayed.
Shift position judged by PNP switch
SLCT LVR POSI × × ×
signal. M
Shift position judged by PNP switch
R POSI SIG – – ×
signal.
It recognizes on software whether it
2WD/4WD – – × is 2WD and whether it is in 4WD
state.
Brake pressure detected by pres-
PRESS SENSOR × – ×
sure sensor is displayed.
The input state of the key SW
CRANKING SIG – – ×
START position signal is displayed.
Brake pressure detected by pres-
PRESS SEN 2 – – ×
sure sensor is displayed.
×: Applicable
–: Not applicable

ACTIVE TEST
CAUTION:
● Do not perform active test while driving.
Revision: October 2004 BRC-69 2005 Titan
TROUBLE DIAGNOSIS
[ABLS/ABS]
● Make sure to completely bleed air from the brake system.
● The ABS and brake warning lamps turn on during the active test.
Operation Procedure
1. Connect the CONSULT-II and CONSULT-II CONVERTER to the data link connector and start the engine.
CAUTION:
If CONSULT-II is used with no connection of CONSULT-II CONVERTER, malfunctions might be
detected in self-diagnosis depending on control unit which carries out CAN communication.
2. Touch “START (NISSAN BASED VHCL)” on the display screen.
3. Touch “ABS”.
If “ABS” is not indicated, go to GI-38, "CONSULT-II Data Link Connector (DLC) Circuit" .
4. Touch “ACTIVE TEST”.
5. The SELECT TEST ITEM screen is displayed.
6. Touch necessary test item.

LBR379

7. With the “MAIN SIGNALS” display selected, touch “START”.


8. The Active Test screen will be displayed, so conduct the following test.
Solenoid Valve Operation Chart
ABS solenoid valve ABS solenoid valve (ACT)
Operation ACTUA- ACTUA-
UP KEEP DOWN UP
TOR UP TOR KEEP
FR RH SOL FR RH IN SOL OFF ON ON OFF OFF OFF
FR RH ABS SOLE-
NOID (ACT) FR RH OUT SOL OFF OFF ON* OFF OFF OFF

FR LH SOL FR LH IN SOL OFF ON ON OFF OFF OFF


FR LH ABS SOLE-
NOID (ACT) FR LH OUT SOL OFF OFF ON* OFF OFF OFF

RR RH SOL RR RH IN SOL OFF ON ON OFF OFF OFF


RR RH ABS SOLE-
NOID (ACT) RR RH OUT SOL OFF OFF ON* OFF OFF OFF

RR LH SOL RR LH IN SOL OFF ON ON OFF OFF OFF


RR LH ABS SOLE-
NOID (ACT) RR LH OUT SOL OFF OFF ON* OFF OFF OFF

RR RH IN SOL OFF ON ON OFF OFF OFF


RR RH OUT SOL OFF OFF ON* OFF OFF OFF
REAR SOL
RR LH IN SOL OFF ON ON OFF OFF OFF
RR LH OUT SOL OFF OFF ON* OFF OFF OFF
*: ON for 1 to 2 seconds after the touch, and then OFF

NOTE:
● If active test is performed with brake pedal depressed, pedal stroke may change. This is normal.
● “TEST IS STOPPED” is displayed approximately 10 seconds after operation starts.
● After “TEST IS STOPPED” is displayed, to perform test again, repeat Step 6.

Revision: October 2004 BRC-70 2005 Titan


TROUBLE DIAGNOSIS
[ABLS/ABS]
ABS Motor
Touch “ON” and “OFF” on the screen. Check that ABS motor relay A
operates as shown in table below.
Operation ON OFF
B
ABS actuator relay ON ON
ABS motor relay ON OFF
C
NOTE:
● If active test is performed with brake pedal depressed, pedal
stroke may change. This is normal.
● “TEST IS STOPPED” is displayed approximately 10 seconds SFIA0593E
D
after operation starts.

BRC

Revision: October 2004 BRC-71 2005 Titan


TROUBLE DIAGNOSIS FOR SELF-DIAGNOSTIC ITEMS
[ABLS/ABS]
TROUBLE DIAGNOSIS FOR SELF-DIAGNOSTIC ITEMS PFP:00000

Wheel Sensor System Inspection EFS004QZ

INSPECTION PROCEDURE
1. CONNECTOR INSPECTION
Disconnect the ABS actuator and electric unit (control unit) connector E125 and wheel sensor of malfunction-
ing code.
Check the terminals for deformation, disconnection, looseness or damage.
OK or NG
OK >> GO TO 2.
NG >> Repair or replace as necessary.

2. CHECK WHEEL SENSOR OUTPUT SIGNAL


1. Connect ABS active wheel sensor tester (J-45741) to wheel sensor using appropriate adapter.
2. Turn on the ABS active wheel sensor tester power switch.
NOTE:
The green POWER indicator should illuminate. If the POWER indicator does not illuminate, replace the
battery in the ABS active wheel sensor tester before proceeding.
3. Spin the wheel of the vehicle by hand and observe the red SENSOR indicator on the ABS active wheel
sensor tester. The red SENSOR indicator should flash on and off to indicate an output signal.
NOTE:
If the red SENSOR indicator illuminates but does not flash, reverse the polarity of the tester leads and
retest.
Does the ABS active wheel sensor tester detect a signal?
YES >> GO TO 3.
NO >> Replace the wheel sensor. Refer to BRC-86, "Removal and Installation" .

3. CHECK TIRES
Check for inflation pressure, wear and size of each tire.
Are tire pressure and size correct and is tire wear within specifications?
YES >> GO TO 4.
NO >> Adjust tire pressure or replace tire(s).

4. CHECK WHEEL BEARINGS


Check wheel bearing axial end play. Refer to FAX-5, "WHEEL BEARING INSPECTION" or RAX-5, "WHEEL
BEARING INSPECTION" .
OK or NG
OK >> GO TO 5.
NG >> Repair or replace as necessary. Refer to FAX-5, "Removal and Installation" or RAX-6, "Removal
and Installation" .

5. CHECK WIRING HARNESS FOR SHORT CIRCUIT


1. Disconnect ABS actuator and electric unit (control unit) connec-
tor and wheel sensor connector of malfunction code No.
2. Check resistance between wheel sensor harness connector ter-
minals and ground.
Continuity should not exist.
OK or NG
OK >> GO TO 6.
NG >> Repair the circuit.
WFIA0343E

Revision: October 2004 BRC-72 2005 Titan


TROUBLE DIAGNOSIS FOR SELF-DIAGNOSTIC ITEMS
[ABLS/ABS]
6. CHECK WIRING HARNESS FOR OPEN CIRCUIT A
Check continuity between ABS actuator and electric unit (control unit) harness connector E125 and the mal-
functioning wheel sensor harness connector E18, E117, C10, or C11.
ABS actuator and B
Wheel sensor Wheel sensor Continuity
electric unit (control unit)
Connector - terminal Wire color Connector - terminal Wire color
E125 - 45 G/O E18 - 1 G/O C
Front LH
E125 - 46 BR/W E18 - 2 BR/W

Front RH E125 - 34 B/R E117 - 1 B/R


D
E125 - 33 BR E117 - 2 BR
Yes
Rear LH E125 - 37 P C11 - 2 P
E125 - 36 L C11 - 1 L E

Rear RH E125 - 42 V C10 - 2 V


E125 - 43 G/Y C10 - 1 G/Y
BRC
Continuity should exist.
OK or NG
G
OK >> Replace the ABS actuator and electric unit (control unit). Refer to BRC-88, "Removal and Installa-
tion" .
NG >> Repair the circuit.
H
Engine System Inspection EFS004R0

INSPECTION PROCEDURE
1. SELF-DIAGNOSIS RESULT CHECK I

Check self-diagnosis results.


J
Self-diagnosis results
ENGINE SIGNAL 1
ENGINE SIGNAL 2 K
ENGINE SIGNAL 6
Is the above displayed in the self-diagnosis display items?
L
YES >> GO TO 2.
NO >> Inspection End.

2. ENGINE SYSTEM INSPECTION M

1. Perform ECM self-diagnosis and repair as necessary.


2. Perform ABS actuator and electric unit (control unit) self-diagnosis again.
OK or NG
OK >> Inspection End.
NG >> Repair or replace as necessary.

Revision: October 2004 BRC-73 2005 Titan


TROUBLE DIAGNOSIS FOR SELF-DIAGNOSTIC ITEMS
[ABLS/ABS]
ABS/ABLS Control Unit Inspection EFS004R1

INSPECTION PROCEDURE
1. SELF-DIAGNOSIS RESULT CHECK
Check self-diagnosis results.
Self-diagnosis results
CONTROLLER FAILURE
DECEL G SEN SET
G-SENSOR

Is the above displayed in the self-diagnosis display items?


YES >> Replace ABS actuator and electric unit (control unit). Refer to BRC-88, "Removal and Installation"
.
NO >> Inspection End.
Solenoid and Change-Over Valve System Inspection EFS004R2

INSPECTION PROCEDURE
1. SELF-DIAGNOSIS RESULT CHECK
Check self-diagnosis results.
Self-diagnosis results
FR LH IN ABS SOL
FR LH OUT ABS SOL
RR RH IN ABS SOL
RR RH OUT ABS SOL
FR RH IN ABS SOL
FR RH OUT ABS SOL
RR LH IN ABS SOL
RR LH OUT ABS SOL
CV 1
CV 2
SV 1
SV 2
Is the above displayed in the self-diagnosis display items?
YES >> GO TO 2.
NO >> Inspection End.

2. CONNECTOR INSPECTION
1. Disconnect ABS actuator and electric unit (control unit) connector E125.
2. Check the terminals for deformation, disconnection, looseness or damage.
OK or NG
OK >> GO TO 3.
NG >> Repair or replace as necessary.

Revision: October 2004 BRC-74 2005 Titan


TROUBLE DIAGNOSIS FOR SELF-DIAGNOSTIC ITEMS
[ABLS/ABS]
3. CHECKING SOLENOID POWER AND GROUND
A
1. Check voltage between ABS actuator and electric unit (control
unit) harness connector E125 and body ground.
B
ABS actuator and electric Measured
Body
unit (control unit) value
ground
harness connector E125 (Approx.)
C
32 (B/Y) — 12V

D
WFIA0195E

2. Check resistance between ABS actuator and electric unit (con- E


trol unit) harness connector E125 and body ground.
ABS actuator and electric Measured
Body
unit (control unit) value Ω BRC
ground
harness connector E125 (Approx.)
16 (B) — 0Ω
47 (B) — 0Ω G

OK or NG
OK >> Perform self-diagnosis again. If the same results WFIA0196E H
appear, replace ABS actuator and electric unit (control
unit). Refer to BRC-88, "Removal and Installation" .
NG >> Repair the circuit.
I
Actuator Motor, Motor Relay, and Circuit Inspection EFS004R3

INSPECTION PROCEDURE
1. CHECKING SELF-DIAGNOSIS RESULTS J

Check self-diagnosis results.


K
Self-diagnosis results
PUMP MOTOR
ACTUATOR RLY L
Is the above displayed in the self-diagnosis display items?
YES >> GO TO 2.
NO >> Inspection End. M

2. CONNECTOR INSPECTION
1. Disconnect ABS actuator and electric unit (control unit) connector E125.
2. Check the terminals for deformation, disconnection, looseness or damage.
OK or NG
OK >> GO TO 3.
NG >> Repair or replace as necessary.

Revision: October 2004 BRC-75 2005 Titan


TROUBLE DIAGNOSIS FOR SELF-DIAGNOSTIC ITEMS
[ABLS/ABS]
3. CHECKING ABS MOTOR AND MOTOR RELAY POWER SYSTEM

1. Check voltage between ABS actuator and electric unit (control


unit) harness connector E125 and body ground.
ABS actuator and electric Measured
Body
unit (control unit) value
ground
harness connector E125 (Approx.)
1 (Y) — 12V

WFIA0209E

2. Check resistance between ABS actuator and electric unit (con-


trol unit) connector E125 and body ground.
ABS actuator and electric Measured
Body
unit (control unit) value Ω
ground
harness connector E125 (Approx.)
16 (B) — 0Ω
47 (B) — 0Ω
OK or NG
OK >> Perform self-diagnosis again. If the same results WFIA0196E

appear, replace ABS actuator and electric unit (control


unit). Refer to BRC-88, "Removal and Installation" .
NG >> Repair the circuit.
Stop Lamp Switch System Inspection EFS004R4

INSPECTION PROCEDURE
1. SELF-DIAGNOSIS RESULT CHECK
Check self-diagnosis results.
Self-diagnosis results
STOP LAMP SW

Is the above displayed in the self-diagnosis display items?


YES >> GO TO 2.
NO >> Inspection End.

2. CONNECTOR INSPECTION
1. Disconnect the ABS actuator and electric unit (control unit) connector E125 and stop lamp switch connec-
tor E38.
2. Check the terminals for deformation, disconnection, looseness or damage.
OK or NG
OK >> GO TO 3.
NG >> Repair or replace as necessary.

Revision: October 2004 BRC-76 2005 Titan


TROUBLE DIAGNOSIS FOR SELF-DIAGNOSTIC ITEMS
[ABLS/ABS]
3. STOP LAMP SWITCH INSPECTION A
Check the voltage between the ABS actuator and electric unit (con-
trol unit) harness connector E125 terminal 41 (V) and body ground.
Brake pedal depressed : Battery voltage B
(approx. 12V)
Brake pedal not depressed : Approx. 0V
C
OK or NG
OK >> Perform self-diagnosis again. If the same results
appear, replace ABS actuator and electric unit (control
D
unit). Refer to BRC-88, "Removal and Installation" .
NG >> Refer to LT-98, "STOP LAMP" . WFIA0198E

ABS/ABLS Control Unit Power and Ground Systems Inspection EFS004R5 E


INSPECTION PROCEDURE
1. SELF-DIAGNOSIS RESULT CHECK BRC
Check self-diagnosis results.
Self-diagnosis results
G
BATTERY VOLTAGE

Is the above displayed in the self-diagnosis display items?


YES >> GO TO 2. H
NO >> Inspection End.

2. CONNECTOR INSPECTION I
1. Disconnect the ABS actuator and electric unit (control unit) connector E125.
2. Check the terminals for deformation, disconnection, looseness or damage.
J
OK or NG
OK >> GO TO 3.
NG >> Repair or replace as necessary.
K
3. ABS/ABLS CONTROL UNIT POWER AND GROUND CIRCUIT INSPECTION
Measure the voltage and continuity between the ABS actuator and electric unit (control unit) harness connec- L
tor E125 and body ground.

ABS actuator and electric unit


Body M
Signal name (control unit) Measured value
ground
harness connector E125
1 (Y)
Power supply — Battery voltage (Approx. 12V)
32 (B/Y)
16 (B)
Ground — Continuity should exist.
47 (B)
OK or NG
OK >> Check the battery for loose terminals, low voltage, etc. Repair as necessary.
NG >> Repair the circuit.

Revision: October 2004 BRC-77 2005 Titan


TROUBLE DIAGNOSIS FOR SELF-DIAGNOSTIC ITEMS
[ABLS/ABS]
Brake Fluid Level Switch System Inspection EFS004R6

INSPECTION PROCEDURE
1. SELF-DIAGNOSIS RESULT CHECK
1. Check the brake reservoir tank fluid level. If the level is low, add brake fluid.
2. Erase the self-diagnosis results and check the self-diagnosis results.

Self-diagnosis results
BR FLUID LEVEL LOW

Is the above displayed in the self-diagnosis display items?


YES >> GO TO 2.
NO >> Inspection End.

2. CONNECTOR INSPECTION
1. Disconnect the ABS actuator and electric unit (control unit) connector E125 and brake fluid level switch
connector E21.
2. Check the terminals for deformation, disconnection, looseness or damage.
OK or NG
OK >> GO TO 3.
NG >> Repair or replace as necessary.

3. CHECK THE HARNESS BETWEEN THE BRAKE FLUID LEVEL SWITCH AND THE ABS ACTUATOR
AND ELECTRIC UNIT (CONTROL UNIT)
Check the continuity between the brake fluid level switch harness connector E21 and the ABS actuator and
electric unit (control unit) harness connector E125.

ABS actuator and electric unit


Brake fluid level switch harness
(control unit) harness connector Continuity
connector E21
E125
8 (P/B) 1 (P/B) Yes
8 (P/B) Ground No
Ground 2 (B) Yes
OK or NG
OK >> Perform self-diagnosis again. If the same results appear, replace ABS actuator and electric unit
(control unit). Refer to BRC-88, "Removal and Installation" .
NG >> Repair the circuit.
Pressure Sensor System Inspection EFS004R7

FRONT PRESSURE INSPECTION PROCEDURE


1. DISPLAY SELF DIAGNOSIS RESULTS
Check self-diagnosis results.
Self-diagnosis results
PRESS SEN CIRCUIT

Is the above displayed in the self-diagnosis display items?


YES or NO
YES >> GO TO 2.
NO >> Inspection End.

Revision: October 2004 BRC-78 2005 Titan


TROUBLE DIAGNOSIS FOR SELF-DIAGNOSTIC ITEMS
[ABLS/ABS]
2. CONNECTOR INSPECTION A
1. Turn the ignition switch OFF.
2. Disconnect the front pressure sensor connector E31 and ABS actuator and electric unit (control unit) con-
nector E125 and inspect the terminals for deformation, disconnection, looseness, or damage. B
OK or NG
OK >> GO TO 3.
NG >> Repair connector. C

3. FRONT PRESSURE SENSOR CIRCUIT INSPECTION


D
1. Measure the continuity between the ABS actuator and electric unit (control unit) harness connector E125
and front pressure sensor harness connector E31.
ABS actuator and electric unit Front pressure sensor har- E
(control unit) harness connector ness connector E31 Continuity
E125
18 (R/W) 3 (R/W) BRC
19 (R) 1 (R) Yes
20 (R/L) 2 (R/L) G
2. Measure the continuity between the ABS actuator and electric unit (control unit) harness connector E125
and body ground.
H
ABS actuator and electric unit
(control unit) harness connector Body ground Continuity
E125
I
18 (R/W)
19 (R) — No
20 (R/L) J

OK or NG
OK >> GO TO 4. K
NG >> Repair or replace harness or connector.

4. FRONT PRESSURE SENSOR INSPECTION L


1. Reconnect the front pressure sensor and ABS actuator and electric unit (control unit) connectors.
2. Use "DATA MONITOR" to check if the status of "PRESS SENSOR" is normal.
M
Data monitor display (Approx.)
Condition
PRESS SENSOR
When brake pedal is depressed Positive value
When brake pedal is released 0 bar
OK or NG
OK >> Inspection End.
NG >> Replace front pressure sensor. Refer to BR-17, "REMOVAL AND INSTALLATION" .

Revision: October 2004 BRC-79 2005 Titan


TROUBLE DIAGNOSIS FOR SELF-DIAGNOSTIC ITEMS
[ABLS/ABS]
REAR PRESSURE INSPECTION PROCEDURE
1. DISPLAY SELF DIAGNOSIS RESULTS
Check self-diagnosis results.
Self-diagnosis results
PRESS SEN CIRCUIT

Is the above displayed in the self-diagnosis display items?


YES or NO
YES >> GO TO 2.
NO >> Inspection End.

2. CONNECTOR INSPECTION
1. Turn the ignition switch OFF.
2. Disconnect the rear pressure sensor connector E32 and ABS actuator and electric unit (control unit) con-
nector E125 and inspect the terminals for deformation, disconnection, looseness, or damage.
OK or NG
OK >> GO TO 3.
NG >> Repair connector.

3. REAR PRESSURE SENSOR CIRCUIT INSPECTION


1. Measure the continuity between the ABS actuator and electric unit (control unit) connector E125 and rear
pressure sensor connector E32.
ABS actuator and electric unit Rear pressure sensor con-
Continuity
(control unit) connector E125 nector E32
21 (R/B) 1 (R/B)
22 (W/L) 3 (W/L) Yes
23 (W/O) 2 (W/O)
2. Measure the continuity between the ABS actuator and electric unit (control unit) connector E125 and body
ground.
ABS actuator and electric unit
Body ground Continuity
(control unit) connector E125
21 (R/B)
22 (W/L) — No
23 (W/O)
OK or NG
OK >> GO TO 4.
NG >> Repair or replace harness or connector.

Revision: October 2004 BRC-80 2005 Titan


TROUBLE DIAGNOSIS FOR SELF-DIAGNOSTIC ITEMS
[ABLS/ABS]
4. REAR PRESSURE SENSOR INSPECTION A
1. Reconnect the rear pressure sensor and ABS actuator and electric unit (control unit) connectors.
2. Use "DATA MONITOR" to check if the status of "PRESS SEN 2" is normal.
B
Data monitor display (Approx.)
Condition
PRESS SEN 2
When brake pedal is depressed Positive value C
When brake pedal is released 0 bar
OK or NG
D
OK >> Inspection End.
NG >> Replace rear pressure sensor. Refer to BR-17, "REMOVAL AND INSTALLATION" .
CAN Communication System Inspection EFS004R8 E
INSPECTION PROCEDURE
1. CHECK CONNECTOR BRC
1. Turn ignition switch OFF, disconnect the ABS actuator and electric unit (control unit) connector and check
the terminals for deformation, disconnection, looseness, and so on. If there is a malfunction, repair or
replace the terminal. G
2. Reconnect connector to perform self-diagnosis.
Is "CAN COMM CIRCUIT" displayed in self-diagnosis display items?
YES >> Print out the self-diagnostic results, and refer to LAN-7, "CAN COMMUNICATION" . H
NO >> Connector terminal is loose, damaged, open, or shorted.

Revision: October 2004 BRC-81 2005 Titan


TROUBLE DIAGNOSES FOR SYMPTOMS
[ABLS/ABS]
TROUBLE DIAGNOSES FOR SYMPTOMS PFP:99999

ABS Works Frequently EFS005FL

1. CHECK WARNING LAMP ACTIVATION


Make sure warning lamp remains off while driving.
OK or NG
OK >> GO TO 2.
NG >> Carry out self-diagnosis. Refer to BRC-65, "SELF-DIAGNOSIS" .

2. CHECK WHEEL SENSORS


Check the following.
● Wheel sensor mounting for looseness
● Wheel sensors for physical damage
● Wheel sensor connectors for terminal damage or loose connections
● Sensor rotor and mount for physical damage (rear only)
OK or NG
OK >> GO TO 3.
NG >> Repair or replace as necessary.

3. CHECK FRONT AND REAR AXLES


Check front and rear axles for excessive looseness. Refer to FAX-5, "WHEEL BEARING INSPECTION" or
RAX-5, "WHEEL BEARING INSPECTION" .
OK or NG
OK >> GO TO 4.
NG >> Repair as necessary.

4. CHECK BRAKE FLUID PRESSURE


Check brake fluid pressure distribution.
Refer to BRC-60, "Basic Inspection" .
Is brake fluid pressure distribution normal?
YES >> Inspection End.
NO >> Perform Basic Inspection. Refer to BRC-60, "Basic Inspection" .

Revision: October 2004 BRC-82 2005 Titan


TROUBLE DIAGNOSES FOR SYMPTOMS
[ABLS/ABS]
Unexpected Pedal Action EFS005FM

1. CHECK WARNING LAMP ACTIVATION


B
Make sure warning lamp remains off while driving.
OK or NG
OK >> GO TO 2. C
NG >> Carry out self-diagnosis. Refer to BRC-65, "SELF-DIAGNOSIS" .

2. CHECK BRAKE PEDAL STROKE


D
Check brake pedal stroke.
Is pedal stroke excessive?
YES >> Perform Basic Inspection. Refer to BRC-60, "Basic E
Inspection" .
NO >> GO TO 3.
BRC

G
SBR540A

3. CHECK CONNECTOR AND BRAKING PERFORMANCE H


1. Disable ABS by disconnecting ABS actuator and electric unit (control unit) connector.
2. Drive vehicle and check brake operation.
I
NOTE:
● Stopping distance may be longer than vehicles without ABS when road condition is slippery.

● Driving the vehicle with the ABS actuator and electric unit (control unit) disconnected may induce DTCs
in electrical control units using CAN communication. After the inspection, clear all DTCs. Refer to LAN- J
7, "CAN COMMUNICATION" .
OK or NG
OK >> GO TO 4. K
NG >> Perform Basic Inspection. Refer to BRC-60, "Basic Inspection" .

4. CHECK WHEEL SENSORS L

Check the following.


● Wheel sensor mounting for looseness M
● Wheel sensors for physical damage
● Wheel sensor connectors for terminal damage or loose connections
OK or NG
OK >> Check ABS actuator and electric unit (control unit) connector terminals for deformation, discon-
nection, looseness or damage. Reconnect ABS actuator and electric unit (control unit) harness
connector. Then retest.
NG >> Repair or replace as necessary.

Revision: October 2004 BRC-83 2005 Titan


TROUBLE DIAGNOSES FOR SYMPTOMS
[ABLS/ABS]
Long Stopping Distance EFS005FN

1. CHECK BASE BRAKING SYSTEM PERFORMANCE


1. Disable ABS by disconnecting ABS actuator and electric unit (control unit) connector.
2. Drive vehicle and check brake operation.
NOTE:
● Stopping distance may be longer than vehicles without ABS when road condition is slippery.

● Driving the vehicle with the ABS actuator and electric unit (control unit) disconnected may induce DTCs
in electrical control units using CAN communication. After the inspection, clear all DTCs. Refer to LAN-
7, "CAN COMMUNICATION" .
OK or NG
OK >> Go to BRC-82, "ABS Works Frequently" .
NG >> Perform Basic Inspection. Refer to BRC-60, "Basic Inspection" .
ABS Does Not Work EFS005FO

CAUTION:
The ABS does not operate when the vehicle speed is 10 km/h (6 MPH) or less.

1. CHECK WARNING LAMP ACTIVATION


Turn ignition switch ON and check for warning lamp activation.
● Warning lamp should activate for approximately 2 seconds after turning the ignition switch ON.
OK or NG
OK >> Carry out self-diagnosis. Refer to BRC-65, "SELF-DIAGNOSIS" .
NG >> Go to BRC-85, "ABS Warning Lamp Does Not Come On When Ignition Switch Is Turned On" .
Pedal Vibration or ABS Operation Noise EFS005FP

NOTE:
During ABS activation, pedal vibration may be felt and a noise may be heard. This is normal and does not indi-
cate a malfunction.

1. CHECK SYMPTOM
1. Apply brake.
2. Start engine.
Does the symptom occur only when engine is started?
YES >> Carry out self-diagnosis. Refer to BRC-65, "SELF-DIAGNOSIS" .
NO >> GO TO 2.

2. RECHECK SYMPTOM
Does the symptom occur only when electrical equipment switches (such as headlamps) are turned on?

YES >> Check for radio, antenna or related wiring that is routed too close to the ABS actuator and electric
unit (control unit) and reroute as necessary.
NO >> Go to BRC-82, "ABS Works Frequently" .

Revision: October 2004 BRC-84 2005 Titan


TROUBLE DIAGNOSES FOR SYMPTOMS
[ABLS/ABS]
ABS Warning Lamp Does Not Come On When Ignition Switch Is Turned On EFS005FQ

1. CHECK ABS ACTUATOR AND ELECTRIC UNIT (CONTROL UNIT) FUSES


B
Check 30A fusible link h and 40A fusible link i for ABS actuator and electric unit (control unit). For fusible link
layout, refer to PG-4, "POWER SUPPLY ROUTING CIRCUIT" .
OK or NG
C
OK >> GO TO 2.
NG >> If fusible link is blown, be sure to eliminate cause of problem before replacing.

2. CHECK ABS ACTUATOR AND ELECTRIC UNIT (CONTROL UNIT) POWER SUPPLY CIRCUITS D

1. Disconnect ABS actuator and electric unit (control unit) connec-


tor. E
2. Check voltage between ABS actuator and electric unit (control
unit) connector terminal 1 (Y) and ground and terminal 32 (B/Y)
and ground.
BRC
Does battery voltage exist?
YES >> GO TO 3.
NO >> Repair harness or connectors between fusible link and
ABS actuator and electric unit (control unit). G

WFIA0199E

H
3. CHECK ABS ACTUATOR AND ELECTRIC UNIT (CONTROL UNIT) GROUND CIRCUIT
Check continuity between ABS actuator and electric unit (control
unit) connector terminal 16 (B) and ground and terminal 47 (B) and I
ground.
Does continuity exist?
YES >> Replace ABS actuator and electric unit (control unit). J
Refer to BRC-88, "Removal and Installation" .
NO >> Repair harness or connectors between ABS actuator
and electric unit (control unit) and ground. K

WFIA0196E
L
ABS Warning Lamp Stays On When Ignition Switch Is Turned On EFS005FR

1. CARRY OUT SELF-DIAGNOSIS M

Carry out self-diagnosis. Refer to BRC-65, "SELF-DIAGNOSIS" .


Are malfunctions detected in self-diagnosis?
YES >> Refer to BRC-66, "Display Item List" .
NO >> Refer to DI-30, "WARNING LAMPS" .

Revision: October 2004 BRC-85 2005 Titan


WHEEL SENSORS
[ABLS/ABS]
WHEEL SENSORS PFP:47910

Removal and Installation EFS004RG

WFIA0374E

REMOVAL
1. Remove wheel sensor mounting screw.
● When removing the front wheel sensor, first remove the disc rotor to gain access to the front wheel sen-
sor mounting bolt. Refer to BR-24, "Removal and Installation of Brake Caliper and Disc Rotor" .
2. Pull out the sensor, being careful to turn it as little as possible.
CAUTION:
● Be careful not to damage sensor edge and sensor rotor teeth.

● Do not pull on the sensor harness.

3. Disconnect wheel sensor harness electrical connector, then remove harness from mounts.
INSTALLATION
Before installing wheel sensors,
● Inspect wheel sensor O-ring, replace sensor assembly if damaged.
● Clean wheel sensor hole and mounting surface with brake cleaner and a lint-free shop rag. Be careful that
dirt and debris do not enter the axle.
● Apply a coat of suitable grease to the wheel sensor O-ring and mounting hole.
Installation is in the reverse order of removal.

Revision: October 2004 BRC-86 2005 Titan


SENSOR ROTOR
[ABLS/ABS]
SENSOR ROTOR PFP:47970
A
Removal and Installation EFS004RH

FRONT
The wheel sensor rotors are built into the wheel hubs and are not removable. If damaged, replace wheel hub B
and bearing assembly. Refer to FAX-5, "Removal and Installation" .
REAR
Removal C
1. Remove axle shaft assembly. Refer to RAX-6, "Removal and Installation" .
NOTE:
It is necessary to disassemble the rear axle to replace the sensor rotor. D
2. Pull the sensor rotor of off the axle shaft using Tool and a press.
Tool number : 205-D002 ( — )
E
Installation
1. Install new sensor rotor on axle shaft using a suitable length steel tube and a press. Make sure sensor
rotor is fully seated. BRC
CAUTION:
Do not reuse the old sensor rotor.
2. Install axle shaft assembly. Refer to RAX-6, "Removal and Installation" . G
CAUTION:
Do not reuse the axle oil seal. The axle oil seal must be replaced every time the axle shaft assem-
bly is removed from the axle shaft housing. H

Revision: October 2004 BRC-87 2005 Titan


ACTUATOR AND ELECTRIC UNIT (ASSEMBLY)
[ABLS/ABS]
ACTUATOR AND ELECTRIC UNIT (ASSEMBLY) PFP:47660

Removal and Installation EFS004RI

WFIA0375E

1. To rear left 2. To rear right 3. To front left


4. To front right 5. From the master cylinder secondary side 6. From the master cylinder primary side
7. ABS actuator and electric unit (control 8. Harness connector
unit)

REMOVAL
1. Disconnect the negative battery terminal.
2. Remove the cowl top extension. Refer to EI-21, "Removal and Installation" .
3. Drain the brake fluid. Refer to BR-10, "Drain and Refill" .
4. Disconnect the actuator harness from the ABS actuator and electric unit (control unit).
CAUTION:
● To remove the brake tubes, use a flare nut wrench to prevent the flare nuts and brake tubes from
being damaged.
● Be careful not to splash brake fluid on painted areas.

5. Disconnect the brake tubes.


6. Remove the three bolts and remove the ABS actuator and electric unit (control unit).

Revision: October 2004 BRC-88 2005 Titan


ACTUATOR AND ELECTRIC UNIT (ASSEMBLY)
[ABLS/ABS]
INSTALLATION
Installation is in the reverse order of removal. A
CAUTION:
To install, use a flare nut wrench (commercial service tool).
● Always tighten brake tubes to specification when installing. Refer to BR-12, "BRAKE PIPING AND B
HOSE" .
● Never reuse drained brake fluid.
● After installation of the ABS actuator and electric unit (control unit), refill brake system with new C
brake fluid. Then bleed the air from the system. Refer to BR-11, "Bleeding Brake System" .

BRC

Revision: October 2004 BRC-89 2005 Titan


PRECAUTIONS
[VDC/TCS/ABS]
PRECAUTIONS PFP:00001

Precautions for Supplemental Restraint System (SRS) “AIR BAG” and “SEAT
BELT PRE-TENSIONER” EFS004RJ

The Supplemental Restraint System such as “AIR BAG” and “SEAT BELT PRE-TENSIONER”, used along
with a front seat belt, helps to reduce the risk or severity of injury to the driver and front passenger for certain
types of collision. Information necessary to service the system safely is included in the SRS and SB section of
this Service Manual.
WARNING:
● To avoid rendering the SRS inoperative, which could increase the risk of personal injury or death
in the event of a collision which would result in air bag inflation, all maintenance must be per-
formed by an authorized NISSAN/INFINITI dealer.
● Improper maintenance, including incorrect removal and installation of the SRS, can lead to per-
sonal injury caused by unintentional activation of the system. For removal of Spiral Cable and Air
Bag Module, see the SRS section.
● Do not use electrical test equipment on any circuit related to the SRS unless instructed to in this
Service Manual. SRS wiring harnesses can be identified by yellow and/or orange harnesses or
harness connectors.
Precautions for Brake System EFS004RK

CAUTION:
● Refer to MA-11, "RECOMMENDED FLUIDS AND LUBRICANTS" for recommended brake fluid.
● Never reuse drained brake fluid.
● Be careful not to splash brake fluid on painted areas; it may cause paint damage. If brake fluid is
splashed on painted areas, wash it away with water immediately.
● To clean or wash all parts of master cylinder and disc brake caliper, use clean brake fluid.
● Never use mineral oils such as gasoline or kerosene. They will ruin rubber parts of the hydraulic
system.
● Use flare nut wrench when removing and installing brake
tube.
● If a brake fluid leak is found, the part must be disassembled
without fail. Then it has to be replaced with a new one if a
defect exists.
● Turn the ignition switch OFF and remove the connector of
the ABS actuator and electric unit (control unit) or the bat-
tery terminal before performing the work.
● Always torque brake lines when installing.
● Burnish the brake contact surfaces after refinishing or SBR686C
replacing rotors, after replacing pads, or if a soft pedal
occurs at very low mileage.
Refer to BR-27, "BRAKE BURNISHING PROCEDURE" (front disc brake) or BR-32, "BRAKE BUR-
NISHING PROCEDURE" (rear disc brake).
WARNING:
● Clean brake pads and shoes with a waste cloth, then wipe with a dust collector.
Precautions When Using CONSULT-II EFS004RL

When connecting CONSULT-II to data link connector, connect them through CONSULT-II CONVERTER.
CAUTION:
If CONSULT-II is used with no connection of CONSULT-II CONVERTER, malfunctions might be
detected in self-diagnosis depending on control unit which carries out CAN communication.
CHECK POINTS FOR USING CONSULT-II
1. Has CONSULT-II been used without connecting CONSULT-II CONVERTER on this vehicle?
● If YES, GO TO 2.

● If NO, GO TO 5.

Revision: October 2004 BRC-90 2005 Titan


PRECAUTIONS
[VDC/TCS/ABS]
2. Is there any indication other than indications relating to CAN communication system in the self-diagnosis
results? A
● If YES, GO TO 3.

● If NO, GO TO 4.

3. Based on self-diagnosis results unrelated to CAN communication, carry out the inspection. B
4. Malfunctions may be detected in self-diagnosis depending on control units carrying out CAN communica-
tion. Therefor, erase the self-diagnosis results.
5. Diagnose CAN communication system. Refer to LAN-7, "CAN COMMUNICATION" . C

Precautions for Brake Control EFS004RM

● During ABS operation, the brake pedal may vibrate lightly and a mechanical noise may be heard. This is D
normal.
● Just after starting vehicle, the brake pedal may vibrate or a motor operating noise may be heard from
engine compartment. This is a normal status of operation check. E
● Stopping distance may be longer than that of vehicles without ABS when vehicle drives on rough, gravel,
or snow-covered (fresh, deep snow) roads.
● When an error is indicated by ABS or another warning lamp, collect all necessary information from cus- BRC
tomer (what symptoms are present under what conditions) and check for simple causes before starting
diagnosis. Besides electrical system inspection, check brake booster operation, brake fluid level, and fluid
leaks.
G
● If incorrect tire sizes or types are installed on the vehicle or brake pads are not Genuine NISSAN parts,
stopping distance or steering stability may deteriorate.
● If there is a radio, antenna or related wiring near control module, ABS function may have a malfunction or H
error.
● If aftermarket parts (car stereo, CD player, etc.) have been installed, check for incidents such as harness
pinches, open circuits or improper wiring.
I
● If the following components are replaced with non-genuine components or modified, the VDC OFF indica-
tor lamp and SLIP indicator lamp may turn on or the VDC system may not operate properly. Components
related to suspension (shock absorbers, struts, springs, bushings, etc.), tires, wheels (exclude specified
size), components related to brake system (pads, rotors, calipers, etc.), components related to engine J
(muffler, ECM, etc.), components related to body reinforcement (roll bar, tower bar, etc.).
● Driving with broken or excessively worn suspension components, tires or brake system components may
cause the VDC OFF indicator lamp and the SLIP indicator lamp to turn on, and the VDC system may not K
operate properly.
● When the TCS or VDC is activated by sudden acceleration or sudden turn, some noise may occur. The
noise is a result of the normal operation of the TCS and VDC. L
● When driving on roads which have extreme slopes (such as mountainous roads) or high banks (such as
sharp curves on a freeway), the VDC may not operate normally, or the VDC warning lamp and the SLIP
indicator lamp may turn on. This is not a problem if normal operation can be resumed after restarting the M
engine.
● Sudden turns (such as spin turns, acceleration turns), drifting, etc. with VDC turned off may cause the yaw
rate/side G sensor to indicate a problem. This is not a problem if normal operation can be resumed after
restarting the engine.
Precautions for CAN System EFS004RN

● Do not apply voltage of 7.0V or higher to terminal to be measured.


● Maximum open terminal voltage of tester in use must be less than 7.0V.
● Before checking harnesses, turn ignition switch OFF and disconnect battery negative cable.

Revision: October 2004 BRC-91 2005 Titan


PRECAUTIONS
[VDC/TCS/ABS]
● Area to be repaired must be soldered and wrapped with tape.
Make sure that fraying of twisted wire is within 110 mm (4.33 in).

PKIA0306E

● Do not make a bypass connection to repaired area. (If the circuit


is bypassed, characteristics of twisted wire will be lost.)

PKIA0307E

Wiring Diagrams and Trouble Diagnosis EFS004RO

When you read wiring diagrams, refer to the following:


● GI-14, "How to Read Wiring Diagrams".
● PG-4, "POWER SUPPLY ROUTING CIRCUIT".
When you perform trouble diagnosis, refer to the following:
● GI-11, "HOW TO FOLLOW TEST GROUPS IN TROUBLE DIAGNOSES".
● GI-27, "How to Perform Efficient Diagnosis for an Electrical Incident".

Revision: October 2004 BRC-92 2005 Titan


PREPARATION
[VDC/TCS/ABS]
PREPARATION PFP:00002
A
Special Service Tool EFS004RP

The actual shapes of Kent-Moore tools may differ from those of special service tools illustrated here.
Tool number Description B
(Kent-Moore No.)
Tool name
(J-45741) Checking operation of ABS active wheel sen- C
ABS active wheel sensor tester sors

WFIA0101E
E
205-D002 Removing axle shaft bearing
( — )
Bearing splitter
BRC

ZZA0700D G

Commercial Service Tools EFS004RQ

Tool name Description H


1. Flare nut crowfoot Removing and installing brake piping
2. Torque wrench a: 10mm (0.39 in)/12mm (0.47 in)
I

J
S-NT360

Revision: October 2004 BRC-93 2005 Titan


SYSTEM DESCRIPTION
[VDC/TCS/ABS]
SYSTEM DESCRIPTION PFP:00000

System Components EFS004RR

WFIA0292E

Revision: October 2004 BRC-94 2005 Titan


SYSTEM DESCRIPTION
[VDC/TCS/ABS]
ABS Function EFS004RS

A
● The Anti-Lock Brake System detects wheel revolution while braking and improves handling stability during
sudden braking by electrically preventing wheel lockup. Maneuverability is also improved for avoiding
obstacles.
● If the electrical system malfunctions, the Fail-Safe function is activated, the ABS becomes inoperative and B
the ABS warning lamp turns on.
● The electrical system can be diagnosed using CONSULT-II.
C
● During ABS operation, the brake pedal may vibrate lightly and a mechanical noise may be heard. This is
normal.
● Just after starting the vehicle, the brake pedal may vibrate or a motor operating noise may be heard from
engine compartment. This is a normal status of operation check. D
● Stopping distance may be longer than that of vehicles without ABS when vehicle drives on rough, gravel,
or snow-covered (fresh, deep snow) roads.
E
EBD Function EFS004RT

● Electronic Brake Distribution is a function that detects subtle slippages between the front and rear wheels
during braking, and it improves handling stability by electronically controlling the brake fluid pressure BRC
which results in reduced rear wheel slippage.
● If the electrical system malfunctions, the Fail-Safe function is activated, the EBD and ABS become inoper-
ative, and the ABS warning lamp and BRAKE warning lamp are turned on. G
● The electrical system can be diagnosed using CONSULT-II.
● During EBD operation, the brake pedal may vibrate lightly and a mechanical noise may be heard. This is
normal. H
● Just after starting the vehicle, the brake pedal may vibrate or a motor operating noise may be heard from
engine compartment. This is a normal status of operation check.
TCS Function EFS004RU I
● Spinning of the drive wheels is detected by the ABS actuator and electric unit (control unit) using inputs
from the wheel speed sensors. If wheel spin occurs, the drive wheel right and left brake fluid pressure
control and engine fuel cut are activated while the throttle value is restricted to reduce the engine torque J
and decrease the amount of wheel spin. In addition, the throttle opening is controlled to achieve the opti-
mum engine torque.
● Depending on road condition, the vehicle may have a sluggish feel. This is normal, because optimum trac- K
tion has the highest priority during TCS operation.
● TCS may be activated during sudden vehicle acceleration, wide open throttle acceleration, sudden trans-
mission shifts or when the vehicle is driven on a road with a varying surface friction coefficient. L
● The SLIP indicator lamp flashes to inform the driver of TCS operation.
VDC Function EFS004RV
M
● In addition to the ABS/TCS function, the driver steering amount and brake operation amount are detected
from the steering angle sensor and pressure sensors, and the vehicle's driving status (amount of under
steering/over steering) is determined using inputs from the yaw rate sensor/side G sensor, wheel speed
sensors, etc. and this information is used to improve vehicle stability by controlling the braking and engine
torque application to the wheels.
● The SLIP indicator lamp flashes to inform the driver of VDC operation.
● During VDC operation, the vehicle body and brake pedal may vibrate lightly and a mechanical noise may
be heard. This is normal.
● The ABS warning lamp, VDC OFF indicator lamp and SLIP indicator lamp may turn on when the vehicle is
subject to strong shaking or large vibration, such as when the vehicle is on a turn table or a ship while the
engine is running or on a steep slope. In this case, restart the engine on a normal road and if the ABS
warning lamp, VDC OFF indicator lamp and SLIP indicator lamp turn off, there is no problem.
Fail-Safe Function EFS004RW

CAUTION:
If the Fail-Safe function is activated, perform the Self Diagnosis for ABS/TCS/VDC system.

Revision: October 2004 BRC-95 2005 Titan


SYSTEM DESCRIPTION
[VDC/TCS/ABS]
ABS/EBD SYSTEM
In case of an electrical malfunction with the ABS, the ABS warning lamp, VDC OFF indicator lamp and SLIP
indicator lamp will turn on. In case of an electrical malfunction with the EBD system, the BRAKE warning lamp,
ABS warning lamp, VDC OFF indicator lamp and SLIP indicator lamp will turn on.
The system will revert to one of the following conditions of the Fail-Safe function.
1. For ABS malfunction, only the EBD is operative and the condition of the vehicle is the same condition of
vehicles without ABS/TCS/VDC system.
2. For EBD malfunction, the EBD and ABS become inoperative, and the condition of the vehicle is the same
as the condition of vehicles without ABS/TCS/VDC or EBD system.
VDC/TCS SYSTEM
In case of TCS/VDC system malfunction, the VDC OFF indicator lamp and SLIP indicator lamp are turned on
and the condition of the vehicle is the same as the condition of vehicles without TCS/VDC system. In case of
an electrical malfunction with the TCS/VDC system, the ABS control continues to operate normally without
TCS/VDC control.
ACTIVE BOOSTER
The active brake booster consists of vacuum booster, an active booster control group and a delta stroke sen-
sor. In case of brake booster system malfunction due to loss of vacuum the delta stroke sensor will signal the
ABS actuator and electric unit (control unit) that a booster failure has occurred. The active booster then
applies supplemental force to the master cylinder relative to the amount of force exerted on the brake pedal.
Hydraulic Circuit Diagram EFS004RX

WFIA0187E

Revision: October 2004 BRC-96 2005 Titan


CAN COMMUNICATION
[VDC/TCS/ABS]
CAN COMMUNICATION PFP:23710
A
System Description EFS004RY

Refer to LAN-7, "CAN COMMUNICATION" .


B

BRC

Revision: October 2004 BRC-97 2005 Titan


TROUBLE DIAGNOSIS
[VDC/TCS/ABS]
TROUBLE DIAGNOSIS PFP:00000

How to Perform Trouble Diagnoses for Quick and Accurate Repair EFS004RZ

INTRODUCTION
The ABS/TCS/VDC system has an electronic control unit to control
major functions. The control unit accepts input signals from sensors
and controls actuator operation. It is also important to check for con-
ventional problems such as air leaks in the booster or lines, lack of
brake fluid, or other problems with the brake system.
It is much more difficult to diagnose a problem that occurs intermit-
tently rather than continuously. Most intermittent problems are
caused by poor electrical connections or faulty wiring. In this case,
careful checking of suspicious circuits may help prevent the replace-
ment of good parts.
A visual check only may not find the cause of the problem, so a road
SEF233G
test should be performed.
Before undertaking actual checks, take just a few minutes to talk with
a customer who approaches with an ABS/TCS/VDC complaint. The
customer is a very good source of information on such problems,
especially intermittent ones. Through the talks with the customer,
find out what symptoms are present and under what conditions they
occur.
Start your diagnosis by looking for “conventional” problems first. This
is one of the best ways to troubleshoot brake problems on an ABS/
TCS/VDC equipped vehicle. Also check related Service Bulletins for
information.
SEF234G

Revision: October 2004 BRC-98 2005 Titan


TROUBLE DIAGNOSIS
[VDC/TCS/ABS]
WORK FLOW
A

BRC

WFIA0358E

Revision: October 2004 BRC-99 2005 Titan


TROUBLE DIAGNOSIS
[VDC/TCS/ABS]
CLARIFY CONCERN
● A customer's description of a vehicle concern may vary depend-
ing on the individual. It is important to clarify the customer's con-
cern.
● Ask the customer about what symptoms are present under what
conditions. Use this information to reproduce the symptom while
driving.
● It is also important to use the diagnosis sheet to understand
what type of trouble the customer is having.

SBR339B

EXAMPLE OF DIAGNOSIS SHEET

WFIA0097E

Revision: October 2004 BRC-100 2005 Titan


TROUBLE DIAGNOSIS
[VDC/TCS/ABS]
Component Parts and Harness Connector Location EFS004S0

BRC

WFIA0373E

Revision: October 2004 BRC-101 2005 Titan


TROUBLE DIAGNOSIS
[VDC/TCS/ABS]
Schematic EFS004S1

WFWA0208E

Revision: October 2004 BRC-102 2005 Titan


TROUBLE DIAGNOSIS
[VDC/TCS/ABS]
Wiring Diagram — VDC — EFS004S2

BRC

WFWA0209E

Revision: October 2004 BRC-103 2005 Titan


TROUBLE DIAGNOSIS
[VDC/TCS/ABS]

WFWA0210E

Revision: October 2004 BRC-104 2005 Titan


TROUBLE DIAGNOSIS
[VDC/TCS/ABS]

BRC

WFWA0211E

Revision: October 2004 BRC-105 2005 Titan


TROUBLE DIAGNOSIS
[VDC/TCS/ABS]

WFWA0212E

Revision: October 2004 BRC-106 2005 Titan


TROUBLE DIAGNOSIS
[VDC/TCS/ABS]

BRC

WFWA0213E

Revision: October 2004 BRC-107 2005 Titan


TROUBLE DIAGNOSIS
[VDC/TCS/ABS]

WFWA0214E

Revision: October 2004 BRC-108 2005 Titan


TROUBLE DIAGNOSIS
[VDC/TCS/ABS]

BRC

WFWA0215E

Revision: October 2004 BRC-109 2005 Titan


TROUBLE DIAGNOSIS
[VDC/TCS/ABS]
Basic Inspection EFS004S3

BRAKE FLUID LEVEL, FLUID LEAK, AND BRAKE PAD INSPECTION


1. Check fluid level in the brake fluid reservoir. If fluid level is low, add fluid.
2. Check the brake piping and around the ABS actuator and electric unit (control unit) for leaks. If there is
leaking or seeping fluid, check the following items.
● If ABS actuator and electric unit (control unit) connection is loose, tighten the piping to the specified
torque and recheck for leaks.
● If there is damage to the connection flare nut or ABS actuator and electric unit (control unit) threads,
replace the damaged part and recheck for leaks.
● When there is fluid leaking or seeping from a fluid connection, use a clean cloth to wipe off the fluid and
recheck for leaks. If fluid is still seeping out, replace the damaged part. If the fluid is leaking at the ABS
actuator and electric unit (control unit), replace the ABS actuator and electric unit (control unit) assem-
bly.
CAUTION:
The ABS actuator and electric unit (control unit) cannot be disassembled and must be replaced
as an assembly.
3. Check the brake pads for excessive wear.
POWER SYSTEM TERMINAL LOOSENESS AND BATTERY INSPECTION
Make sure the battery positive cable, negative cable and ground connection are not loose. In addition, make
sure the battery is sufficiently charged.
ABS WARNING LAMP, SLIP INDICATOR LAMP AND VDC OFF INDICATOR LAMP INSPECTION
1. Make sure ABS warning lamp, SLIP indicator lamp and VDC OFF indicator lamp (when VDC OFF switch
is off), turn on for approximately 1 second when the ignition switch is turned ON. If they do not, check the
VDC OFF indicator lamp and the VDC OFF switch. Refer to BRC-142, "VDC OFF SWITCH" . Check CAN
communications. If there are no errors with the VDC OFF switch or CAN communication system, check
combination meter. Refer to DI-5, "COMBINATION METERS" .
2. Make sure the lamps turn off approximately 1 second after the ignition switch is turned ON. If the lamp
does not turn off, conduct self-diagnosis.
3. With the engine running, make sure the VDC OFF indicator lamp turns on and off when the VDC OFF
switch is turned on and off. If the indicator lamp status does not correspond to switch operation, check the
VDC OFF switch. Refer to BRC-142, "VDC OFF SWITCH" .
4. Make sure ABS warning lamp, SLIP indicator lamp and VDC OFF indicator lamp turn off approximately 2
seconds after the engine is started. If ABS warning lamp, SLIP indicator lamp or VDC OFF indicator lamp
have not turned off 10 seconds after the engine has been started, conduct self-diagnosis of the ABS actu-
ator and electric unit (control unit).
5. After conducting the self-diagnosis, be sure to erase the error memory. Refer to BRC-115, "CONSULT-II
Function (ABS)" .

Revision: October 2004 BRC-110 2005 Titan


TROUBLE DIAGNOSIS
[VDC/TCS/ABS]
Warning Lamp and Indicator Timing EFS004S4

A
ABS VDC OFF SLIP
Condition Remarks
warning lamp indicator lamp indicator lamp
When the ignition switch is OFF — — — —
B
After the ignition switch is turned
× × × —
ON for approx. 1 second
After the ignition switch is turned Lamp goes off approx. 2 seconds C
— — —
ON for approx. 2 seconds after the engine is started.
When the VDC OFF switch is
— × — —
pressed (VDC function OFF)
D
× × × —
When the ABS actuator and elec-
ABS/TCS/VDC malfunction tric unit (control unit) is malfunc-
× × — E
tioning (power supply or ground
malfunction).
When the VDC is malfunctioning — × × —
BRC
X: ON
—: OFF

Control Unit Input/Output Signal Standard EFS004S5 G


REFERENCE VALUE FROM CONSULT-II
CAUTION:
The display shows the control unit calculation data, so a normal value might be displayed even in the H
event the output circuit (harness) is open or short circuited.
Data monitor
Note: Error inspection
Monitor item Display content Reference value in I
Condition checklist
normal operation
A/T shift position = N position ON BRC-140, "CAN Commu-
PNP switch signal ON/
N POSI SIG A/T shift position = other than nication System Inspec- J
OFF condition OFF
N positions tion"

A/T shift position P position ON BRC-140, "CAN Commu-


PNP switch signal ON/ K
P POSI SIG A/T shift position = other than nication System Inspec-
OFF condition OFF
P positions tion"

1st gear 1
L
2nd gear 2
GEAR A/T gear position 3rd gear 3 —
4th gear 4 M
5th gear 5
Vehicle stopped 0 [km/h (MPH)]
FR RH SENSOR
FR LH SENSOR Almost in accor- BRC-125, "Wheel Sen-
Wheel speed dance with speed-
RR RH SENSOR Vehicle running (Note 1) sor System Inspection"
RR LH SENSOR ometer display
(within ±10%)
Accelerator pedal not
Open/close condition depressed (ignition switch is 0% BRC-140, "CAN Commu-
ACCEL POS SIG of throttle valve (linked ON) nication System Inspec-
with accelerator pedal). Depress accelerator pedal tion"
0 to 100%
(ignition switch is ON)
With engine stopped 0 rpm
Almost in accor- BRC-126, "Engine Sys-
ENGINE SPEED With engine running
Engine running dance with tem Inspection"
tachometer display

Revision: October 2004 BRC-111 2005 Titan


TROUBLE DIAGNOSIS
[VDC/TCS/ABS]
Data monitor
Note: Error inspection
Monitor item Display content Reference value in
Condition checklist
normal operation
Steering angle Straight-ahead Approx. 0 deg
BRC-127, "Steering
STR ANGLE SIG detected by steering
Steering wheel turned –756 to 756 deg Angle Sensor System"
angle sensor
Vehicle stopped Approx. 0 d/s BRC-128, "Yaw Rate/
Yaw rate detected by
YAW RATE SEN Side/Decel G Sensor
yaw rate sensor Vehicle running –100 to 100 d/s System Inspection"
Vehicle stopped Approx. 0 m/s2 BRC-128, "Yaw Rate/
Transverse G detected
SIDE G SENSOR Side/Decel G Sensor
by side G-sensor Vehicle running –16.7 to 16.7 m/s2 System Inspection"
Battery voltage sup- BRC-133, "ABS/TCS/
plied to ABS actuator VDC Control Unit Power
BATTERY VOLT Ignition switch ON 10 to 16V
and electric unit (con- and Ground Systems
trol unit) Inspection"
Brake pedal depressed ON BRC-132, "Stop Lamp
Stop lamp switch oper-
STOP LAMP SW Switch System Inspec-
ation Brake pedal not depressed OFF tion"
VDC OFF switch ON
(When VDC OFF indicator ON
VDC OFF switch lamp is ON) BRC-142, "VDC OFF
OFF SW
ON/OFF status VDC OFF switch OFF SWITCH"
(When VDC OFF indicator OFF
lamp is OFF)

ABS warning lamp ON ABS warning lamp ON ON


ABS WARN LAMP —
condition (Note 2) ABS warning lamp OFF OFF
Ignition switch ON or running
OFF BRC-131, "Actuator
Operation status of (ABS not activated)
MOTOR RELAY Motor, Motor Relay, and
motor and motor relay Ignition switch ON or engine
ON Circuit Inspection"
running (ABS activated)
Vehicle stopped (Ignition
OFF BRC-131, "Actuator
Actuator relay opera- switch ON)
ACTUATOR RLY Motor, Motor Relay, and
tion status Vehicle stopped (Engine run-
ON Circuit Inspection"
ning)
When VDC OFF indicator
ON BRC-140, "CAN Commu-
VDC OFF indicator lamp is ON
OFF LAMP nication System Inspec-
lamp status (Note 3) When VDC OFF indicator
OFF tion"
lamp is OFF
When SLIP indicator lamp is
ON BRC-140, "CAN Commu-
SLIP indicator lamp ON
SLIP LAMP nication System Inspec-
status (Note 4) When SLIP indicator lamp is
OFF tion"
OFF

Revision: October 2004 BRC-112 2005 Titan


TROUBLE DIAGNOSIS
[VDC/TCS/ABS]
Data monitor
Note: Error inspection A
Monitor item Display content Reference value in
Condition checklist
normal operation
FR LH IN SOL Actuator (solenoid) is active
FR LH OUT SOL (“ACTIVE TEST” with CON- B
ON
FR RH IN SOL SULT-II) or actuator relay is
FR RH OUT SOL Solenoid valve opera- inactive (in fail-safe mode).
RR RH IN SOL tion
RR RH OUT SOL When actuator (solenoid) is C
RR LH IN SOL not active and actuator relay is OFF
RR LH OUT SOL active (ignition switch ON).
BRC-130, "Solenoid and
When actuator (switch-over VDC Change-Over Valve D
valve) is active (“ACTIVE System Inspection"
TEST” with CONSULT-II) or ON
CV1 actuator relay is inactive (when
CV2 VDC switch-over valve in fail-safe mode). E
SV1 status
SV2 When actuator (switch-over
valve) is not active and actua-
OFF
tor relay is active (ignition BRC
switch ON).
Longitudinal accelera- Vehicle stopped Approx. 0 G BRC-128, "Yaw Rate/
DECEL G-SEN tion detected by Decel Side/Decel G Sensor G
G-Sensor Vehicle running -1.7 to 1.7 G System Inspection"
Do not step on the Brake pedal
Brake fluid pressure Approx. 0 bar
(When ignition switch is ON)
PRESS SENSOR detected by pressure — H
sensor Step on the Brake pedal
-40 to 300 bar
(When ignition switch is ON)
When brake fluid level switch
ON I
ON/OFF status of ON DI-30, "WARNING
FLUID LEV SW
brake fluid level switch When brake fluid level switch LAMPS"
OFF
OFF
J
VDC active
TCS active
ON
VDC SIGNAL ABS active VDC system
TCS SIGNAL EBD active TCS system K
Signal status
ABS SIGNAL VDC not active ABS system
EBD SIGNAL TCS not active EBD system
OFF
ABS not active L
EBD not active
VDC fail
TCS fail
ON M
VDC FAIL SIG ABS fail VDC system
TCS FAIL SIG EBD fail TCS system
Fail signal status
ABS FAIL SIG VDC normal ABS system
EBD FAIL SIG TCS normal EBD system
OFF
ABS normal
EBD normal
Note 1: Confirm tire pressure is normal.
Note 2: ON/OFF timing of ABS warning lamp
ON: For approximately 1 second after ignition switch is turned ON, or when a malfunction is detected.
OFF: Approximately 1 second after ignition switch is turned ON (when system is in normal operation) and TCS/VDC function is not acti-
vated.
Note 3: ON/OFF timing of VDC OFF indicator lamp
ON: For approximately 1 second after ignition switch is turned ON, or when a malfunction is detected and VDC OFF switch is ON.
OFF: Approximately 1 second after ignition switch is turned ON (when system is in normal operation.) And when VDC OFF switch is
OFF.
Note 4: SLIP indicator lamp ON/OFF timing
ON: For approximately 1 second after ignition switch is turned ON, or when a malfunction is detected and TCS/VDC function is acti-
vated while driving.

Revision: October 2004 BRC-113 2005 Titan


TROUBLE DIAGNOSIS
[VDC/TCS/ABS]
OFF: Approximately 1 second after ignition switch is turned ON (when system is in normal operation) and TCS/VDC function is not acti-
vated.
Flashing: TCS/VDC function is active during driving

Revision: October 2004 BRC-114 2005 Titan


TROUBLE DIAGNOSIS
[VDC/TCS/ABS]
CONSULT-II Function (ABS) EFS004S6

A
CONSULT-II can display each diagnostic item using the diagnostic test modes shown following.
ABS diagnostic mode Description
Supports inspection and adjustments. Commands are transmitted to the ABS actuator and electric B
WORK SUPPORT unit (control unit) for setting the status suitable for required operation, input/output signals are
received from the ABS actuator and electric unit (control unit) and received data is displayed.
SELF-DIAG RESULTS Displays ABS actuator and electric unit (control unit) self-diagnosis results.
C
DATA MONITOR Displays ABS actuator and electric unit (control unit) input/output data in real time.
CAN DIAG SUPPORT MNTR The result of transmit/receive diagnosis of CAN communication can be read.
ACTIVE TEST Operation of electrical loads can be checked by sending drive signal to them. D
Conducted by CONSULT-II instead of a technician to determine whether each system is "OK" or
FUNCTION TEST
"NG".
ECU PART NUMBER ABS actuator and electric unit (control unit) part number can be read. E

CONSULT-II BASIC OPERATION PROCEDURE


1. Turn ignition switch OFF. BRC
2. Connect CONSULT-II and CONSULT-II CONVERTER to the
data link connector.
CAUTION: G
If CONSULT-II is used with no connection of CONSULT-II
CONVERTER, malfunctions might be detected in self-diag-
nosis depending on control unit which carries out CAN H
communication.
3. Turn ignition switch ON.
I
BBIA0369E

J
4. Touch “START (NISSAN BASED VHCL)”.

M
BCIA0029E

5. Touch “ABS” in the “SELECT SYSTEM” screen.


If “ABS” is not indicated, go to GI-38, "CONSULT-II Data Link
Connector (DLC) Circuit" .

BCIA0030E

Revision: October 2004 BRC-115 2005 Titan


TROUBLE DIAGNOSIS
[VDC/TCS/ABS]
6. Select the required diagnostic location from the “SELECT DIAG
MODE” screen.
For further information, see the CONSULT-II Operation Manual.

BCIA0031E

SELF-DIAGNOSIS
Description
If an error is detected in the system, the ABS warning lamp will turn on. In this case, perform self-diagnosis as
follows:
Operation Procedure
1. Turn ignition switch OFF.
2. Connect CONSULT-II and CONSULT-II CONVERTER to the data link connector.
CAUTION:
If CONSULT-II is used with no connection of CONSULT-II CONVERTER, malfunctions might be
detected in self-diagnosis depending on control unit which carries out CAN communication.

3. Turn ignition switch ON.


4. Start engine and drive at approximately 30 km/h (19 MPH) or more for approximately 1 minute.
5. After stopping the vehicle, with the engine running, touch “START (NISSAN BASED VHCL)”, “ABS”,
“SELF-DIAG RESULTS” in order on the CONSULT-II screen.
CAUTION:
If “START (NISSAN BASED VHCL)” is touched immediately after starting the engine or turning on
the ignition switch, “ABS” might not be displayed in the System Selection screen. In this case,
repeat the operation from step 1.
6. The self-diagnostic results are displayed. (If necessary, the self-diagnostic results can be printed out by
touching “PRINT”.)
● When “NO DTC IS DETECTED” is displayed, check the ABS warning lamp, SLIP indicator lamp and
VDC OFF indicator lamp.
7. Conduct the appropriate inspection from the display item list, and repair or replace the malfunctioning
component.
8. Start engine and drive at approximately 30 km/h (19 MPH) or more for approximately 1 minute.
CAUTION:
● When a wheel sensor “short-circuit” is detected, if the vehicle is not driven at 30 km/h (19 MPH)
for at least 1 minute, the ABS warning lamp will not turn off even if the malfunction is repaired.
9. Turn ignition switch OFF to prepare for erasing the memory.
10. Start the engine and touch “START (NISSAN BASED VHCL)”, “ABS”, “SELF-DIAG RESULTS”, “ERASE”
in order on the CONSULT-II screen to erase the error memory.
If “ABS” is not indicated, go to GI-38, "CONSULT-II Data Link Connector (DLC) Circuit" .
CAUTION:
If the error memory is not erased, re-conduct the operation from step 5.
11. For the final inspection, drive at approximately 30 km/h (19 MPH) or more for approximately 1 minute and
confirm that the ABS warning lamp, SLIP indicator lamp, and VDC OFF indicator lamp are off.

Revision: October 2004 BRC-116 2005 Titan


TROUBLE DIAGNOSIS
[VDC/TCS/ABS]
Display Item List
Self-diagnostic item Malfunction detecting condition Check system
A

FR LH SENSOR 1 Circuit of front LH wheel sensor is open, shorted or sensor power


[C1104] voltage is unusual.
B
RR RH SENSOR 1 Circuit of rear RH wheel sensor is open, shorted or sensor power
[C1101] voltage is unusual.
FR RH SENSOR 1 Circuit of front RH wheel sensor is open, shorted or sensor power
[C1103] voltage is unusual. C
RR LH SENSOR 1 Circuit of rear LH wheel sensor is open, shorted or sensor power
[C1102] voltage is unusual.
ABS actuator and electric unit (control unit) cannot identify sen-
D
FR LH SENSOR 2 BRC-125, "Wheel Sen-
sor pulses, because of large gap between wheel sensor and sen- sor System Inspection"
[C1108]
sor rotor. (Note 1)
ABS actuator and electric unit (control unit) cannot identify sen- E
RR RH SENSOR 2
sor pulses, because of large gap between wheel sensor and sen-
[C1105]
sor rotor.
ABS actuator and electric unit (control unit) cannot identify sen- BRC
FR RH SENSOR 2
sor pulses, because of large gap between wheel sensor and sen-
[C1107]
sor rotor.
ABS actuator and electric unit (control unit) cannot identify sen-
RR LH SENSOR 2 G
sor pulses, because of large gap between wheel sensor and sen-
[C1106]
sor rotor.
BRC-132, "Stop Lamp
STOP LAMP SW H
Stop lamp switch or circuit malfunction. Switch System Inspec-
[C1116]
tion"
BRC-141, "Inspection
DECEL G SEN SET
ABS decel sensor adjustment is incomplete.
For Self-diagnosis I
[C1160] Result "DECEL G SEN
SET""
ST ANGLE SEN CIRCUIT Neutral position of steering angle sensor is dislocated, or steer- BRC-127, "Steering J
[C1143] ing angle sensor is malfunctioning. Angle Sensor System"
BRC-128, "Yaw Rate/
YAW RATE SENSOR Yaw rate sensor has generated an error, or yaw rate sensor sig-
Side/Decel G Sensor
[C1145] nal line is open or shorted. K
System Inspection"

Revision: October 2004 BRC-117 2005 Titan


TROUBLE DIAGNOSIS
[VDC/TCS/ABS]
Self-diagnostic item Malfunction detecting condition Check system
FR LH IN ABS SOL Circuit of front LH IN ABS solenoid is open or shorted, or control
[C1120] line is open or shorted to power supply or ground.
FR LH OUT ABS SOL Circuit of front LH OUT ABS solenoid is open or shorted, or con-
[C1121] trol line is open or shorted to power supply or ground.
RR RH IN ABS SOL Circuit of rear RH IN ABS solenoid is open or shorted, or control
[C1126] line is open or shorted to power supply or ground.
RR RH OUT ABS SOL Circuit of rear RH OUT ABS solenoid is open or shorted, or con-
[C1127] trol line is open or shorted to power supply or ground.
FR RH IN ABS SOL Circuit of front RH IN ABS solenoid is open or shorted, or control
[C1122] line is open or shorted to power supply or ground.
FR RH OUT ABS SOL Circuit of front RH OUT ABS solenoid is open or shorted, or con-
[C1123] trol line is open or shorted to power supply or ground.
RR LH IN ABS SOL Circuit of rear LH IN ABS solenoid is open or shorted, or control BRC-130, "Solenoid and
[C1124] line is open or shorted to power supply or ground. VDC Change-Over Valve
RR LH OUT ABS SOL Circuit of rear LH OUT ABS solenoid is open or shorted, or con- System Inspection"
[C1125] trol line is open or shorted to power supply or ground.
Front side VDC switch-over solenoid valve (cut valve) is open or
CV1
shorted, or control line is open or shorted to power supply or
[C1164]
ground.
Rear side VDC switch-over solenoid valve (cut valve) is open or
CV2
shorted, or control line is open or shorted to power supply or
[C1165]
ground.
Front side VDC switch-over solenoid valve (suction valve) is
SV1
open or shorted, or control line is open or shorted to power sup-
[C1166]
ply or ground.
Rear side VDC switch-over solenoid valve (suction valve) is open
SV2
or shorted, or control line is open or shorted to power supply or
[C1167]
ground.
During actuator motor operation with ON, when actuator motor
turns OFF or when control line for actuator motor relay is open. BRC-131, "Actuator
PUMP MOTOR (Note 3)
Motor, Motor Relay, and
[C1111] During actuator motor operation with OFF, when actuator motor Circuit Inspection"
turns ON or when control line for relay is shorted to ground.
BRC-133, "ABS/TCS/
BATTERY VOLTAGE
ABS actuator and electric unit (control unit) power voltage is too VDC Control Unit Power
[ABNORMAL]
low. and Ground Systems
[C1109]
Inspection"
BRC-141, "Inspection
ST ANGLE SEN SIGNAL Neutral position correction of steering angle sensor is not fin- For Self-diagnosis
[C1144] ished. Result "ST ANGLE SEN
SIGNAL""
ST ANG SEN COM CIR CAN communication line or steering angle sensor has generated BRC-127, "Steering
[C1156] an error. Angle Sensor System"
BRC-128, "Yaw Rate/
G-SENSOR G-sensor is malfunctioning, or signal line of G-sensor is open or
Side/Decel G Sensor
[C1113] shorted.
System Inspection"
BRC-127, "ABS/TCS/
CONTROLLER FAILURE Internal malfunction of ABS actuator and electric unit (control
VDC Control Unit
[C1110] unit)
Inspection"
● CAN communication line is open or shorted.
● ABS actuator and electric unit (control unit) internal malfunc- BRC-140, "CAN Com-
CAN COMM CIRCUIT
tion munication System
[U1000]
● Battery voltage for ECM is suddenly interrupted for approxi- Inspection" (Note 2)
mately 0.5 second or more.

Revision: October 2004 BRC-118 2005 Titan


TROUBLE DIAGNOSIS
[VDC/TCS/ABS]
Self-diagnostic item Malfunction detecting condition Check system
A
BRC-128, "Yaw Rate/
SIDE G-SEN CIRCUIT Side G-sensor is malfunctioning, or signal line of side G-sensor is
Side/Decel G Sensor
[C1146] open or shorted.
System Inspection"
Brake fluid level drops or circuit between ABS actuator and elec- BRC-134, "Brake Fluid B
BR FLUID LEVEL LOW
tric unit (control unit) and brake fluid level switch is open or Level Sensor System
[C1155]
shorted. Inspection"

ENGIN SIGNAL 1
Based on the signal from ECM, ABS actuator and electric unit C
(control unit) judges that engine fuel cut system is malfunction-
[C1130]
ing.
Based on the signal from ECM, ABS actuator and electric unit
ENGIN SIGNAL 2 D
(control unit) judges that engine fuel cut system is malfunction-
[C1131]
ing.
Based on the signal from ECM, ABS actuator and electric unit
ENGIN SIGNAL 3 BRC-126, "Engine Sys- E
(control unit) judges that engine fuel cut system is malfunction-
[C1132] tem Inspection"
ing.
Based on the signal from ECM, ABS actuator and electric unit
ENGIN SIGNAL 4
(control unit) judges that engine fuel cut system is malfunction- BRC
[C1133]
ing.
Based on the signal from ECM, ABS actuator and electric unit
ENGIN SIGNAL 6
(control unit) judges that engine fuel cut system is malfunction- G
[C1136]
ing.
BRC-131, "Actuator
ACTUATOR RLY
ABS actuator relay or circuit malfunction. Motor, Motor Relay, and
[C1140]
Circuit Inspection" H
BRC-138, "Pressure
PRESS SEN CIRCUIT
ABS pressure sensor circuit malfunction. Sensor System Inspec-
[C1142]
tion" I
BRC-127, "ABS/TCS/
VARIANT CODING
V coding is not malfunctioning. VDC Control Unit
[C1170]
Inspection" J
BRC-135, "Active
ABS ACTIVEBOOSTER SV NG Active booster solenoid is malfunctioning, or signal line of active
Booster System Inspec-
[C1178] booster servo is open or shorted.
tion"
K
BRC-136, "Delta Stroke
DELTA S SEN NG Delta stroke sensor malfunctioning, or signal line of delta stroke
Sensor System Inspec-
[C1179] sensor is open or shorted.
tion"
L
ABS ACTIVEBOOSTER
Active booster response is malfunctioning, or signal line of active
RESPONSE NG
booster response is open or shorted.
[C1181]
BRC-135, "Active
ABS BRAKE RELEASE SW NG Brake release switch is malfunctioning, or signal line of brake Booster System Inspec- M
[C1184] release switch is open or shorted. tion"
ABS BRAKEBOOSTER DEFECT
Brake booster is defective or malfunctioning.
[C1189]

Note 1. If wheel sensor 2 for each wheel is indicated, check ABS actuator and electric unit (control unit) power
supply voltage in addition to wheel sensor circuit check.
Note 2. If multiple malfunctions are detected including CAN communication line [U1000], perform diagnosis for
CAN communication line first.
Note 3: "ACTUATOR RLY" on the CONSULT-II self-diagnosis results indicates the malfunction of the actuator
motor relay or circuit.
DATA MONITOR
Operation Procedure
1. After turning OFF the ignition switch, connect CONSULT-II and the CONSULT-II CONVERTER to the data
link connector.

Revision: October 2004 BRC-119 2005 Titan


TROUBLE DIAGNOSIS
[VDC/TCS/ABS]
CAUTION:
If CONSULT-II is used with no connection of CONSULT-II CONVERTER, malfunctions might be
detected in self-diagnosis depending on control unit which carries out CAN communication.
2. Touch “START (NISSAN BASED VHCL)”, “ABS”, “DATA MONITOR” in order on the CONSULT-II screen.
If “ABS” is not indicated, go to GI-38, "CONSULT-II Data Link Connector (DLC) Circuit" .
CAUTION:
When “START (NISSAN BASED VHCL)” is touched immediately after starting the engine or turning
on the ignition switch, “ABS” might not be displayed in the system selection screen. In this case,
repeat the operation from step 2.
3. Return to the Monitor Item Selection screen, and touch “ECU INPUT SIGNALS”, “MAIN SIGNALS”, or
“SELECTION FROM MENU”. Refer to the following information.
4. When “START” is touched, the data monitor screen is displayed.
Display Item List
Data monitor item selection
Item
ECU INPUT MAIN SELECTION Remarks
(Unit)
SIGNALS SIGNALS FROM MENU
Gear position judged by PNP
GEAR × × ×
switch signal is displayed.
Wheel speed calculated by front
FR RH SENSOR
× × × RH wheel sensor signal is dis-
(km/h, MPH)
played.
FR LH SENSOR Wheel speed calculated by front LH
× × ×
(km/h, MPH) wheel sensor signal is displayed.
RR RH SENSOR Wheel speed calculated by rear RH
× × ×
(km/h, MPH) wheel sensor signal is displayed.
RR LH SENSOR Wheel speed calculated by rear LH
× × ×
(km/h, MPH) wheel sensor signal is displayed.
Voltage supplied to ABS actuator
BATTERY VOLT
× × × and electric unit (control unit) is dis-
(V)
played.
Shift position judged by PNP switch
N POSI SIG – – ×
signal.
Shift position judged by PNP switch
P POSI SIG – – ×
signal.
Throttle valve open/close status
ACCEL POS SIG
× – × judged by CAN communication sig-
(%)
nal is displayed.
ENGINE SPEED Engine speed judged by CAN com-
× × ×
(rpm) munication signal is displayed.
STR ANGLE SIG Steering angle detected by steering
× – ×
(deg) angle sensor is displayed.
YAW RATE SEN Yaw rate detected by yaw rate sen-
× × ×
(d/s) sor is displayed.
DECEL G SEN Longitudinal acceleration detected
× × ×
(d/s) by decel G-sensor is displayed.
SIDE G-SENSOR Transverse acceleration detected
× – ×
(m/s2 ) by side G-sensor is displayed.
STOP LAMP SW Stop lamp switch (ON/OFF) status
× × ×
(ON/OFF) is displayed.
OFF SW VDC OFF switch (ON/OFF) status
× × ×
(ON/OFF) is displayed.
ABS WARN LAMP ABS warning lamp (ON/OFF) status
– × ×
(ON/OFF) is displayed.

Revision: October 2004 BRC-120 2005 Titan


TROUBLE DIAGNOSIS
[VDC/TCS/ABS]
Data monitor item selection
Item A
ECU INPUT MAIN SELECTION Remarks
(Unit)
SIGNALS SIGNALS FROM MENU
SLIP LAMP SLIP indicator lamp (ON/OFF) sta-
– × × B
(ON/OFF) tus is displayed.
FR LH IN SOL Front LH IN ABS solenoid (ON/
– × ×
(ON/OFF) OFF) status is displayed.
FR LH OUT SOL Front LH OUT ABS solenoid (ON/ C
– × ×
(ON/OFF) OFF) status is displayed.
RR RH IN SOL Rear RH IN ABS solenoid (ON/
– × ×
(ON/OFF) OFF) status is displayed. D
RR RH OUT SOL Rear RH OUT ABS solenoid (ON/
– × ×
(ON/OFF) OFF) status is displayed.
FR RH IN SOL Front RH IN ABS solenoid (ON/ E
– × ×
(ON/OFF) OFF) status is displayed.
FR RH OUT SOL Front RH OUT ABS solenoid (ON/
– × ×
(ON/OFF) OFF) status is displayed. BRC
RR LH IN SOL Rear LH IN ABS solenoid (ON/
– × ×
(ON/OFF) OFF) status is displayed.
RR LH OUT SOL Rear LH OUT ABS solenoid (ON/ G
– × ×
(ON/OFF) OFF) status is displayed.
OFF LAMP OFF Lamp (ON/OFF) status is dis-
– × ×
(ON/OFF) played. H
MOTOR RELAY ABS motor relay signal (ON/OFF)
– × ×
(ON/OFF) status is displayed.
ACTUATOR RLY
– × ×
ABS actuator relay signal (ON/ I
(ON/OFF) OFF) status is displayed.
Front side switch-over solenoid
CV1
– – × valve (cut valve) (ON/OFF) status is J
(ON/OFF)
displayed.
Rear side switch-over solenoid
CV2
– – × valve (cut-valve) (ON/OFF) status
(ON/OFF) K
is displayed.
Front side switch-over solenoid
SV1
– – × valve (suction valve) (ON/OFF) sta-
(ON/OFF)
tus is displayed. L
Rear side switch-over solenoid
SV2
– – × valve (suction valve) (ON/OFF) sta-
(ON/OFF)
tus is displayed. M
VDC FAIL SIG VDC fail signal (ON/OFF) status is
– – ×
(ON/OFF) displayed.
TCS FAIL SIG TCS fail signal (ON/OFF) status is
– – ×
(ON/OFF) displayed.
ABS FAIL SIG ABS fail signal (ON/OFF) status is
– – ×
(ON/OFF) displayed.
EBD FAIL SIG EBD fail signal (ON/OFF) status is
– – ×
(ON/OFF) displayed.
FLUID LEV SW Brake fluid level switch (ON/OFF)
× – ×
(ON/OFF) status is displayed.
EBD SIGNAL EBD operation (ON/OFF) status is
– – ×
(ON/OFF) displayed.
ABS SIGNAL ABS operation (ON/OFF) status is
– – ×
(ON/OFF) displayed.
TCS SIGNAL TCS operation (ON/OFF) status is
– – ×
(ON/OFF) displayed.

Revision: October 2004 BRC-121 2005 Titan


TROUBLE DIAGNOSIS
[VDC/TCS/ABS]
Data monitor item selection
Item
ECU INPUT MAIN SELECTION Remarks
(Unit)
SIGNALS SIGNALS FROM MENU
VDC SIGNAL VDC operation (ON/OFF) status is
– – ×
(ON/OFF) displayed.
Brake warning lamp (ON/OFF) sta-
EBD WARN LAMP – – ×
tus is displayed.
Shift position judged by PNP switch
SLCT LVR POSI × × ×
signal.
Shift position judged by PNP switch
R POSI SIG – – ×
signal.
The state of 4WD controller is dis-
4WD FAIL REQ – – × played by CAN communication sig-
nal.
It recognizes on software whether it
2WD/4WD – – × is 2WD and whether it is in 4WD
state.
Active booster operation (ON/OFF)
BST OPER SIG – – ×
status is displayed.
Brake pressure detected by pres-
PRESS SENSOR × – ×
sure sensor is displayed.
The input state of the key SW
CRANKING SIG – – ×
START position signal is displayed.
Brake pressure detected by pres-
PRESS SEN 2 – – ×
sure sensor is displayed.
The amount of stroke sensor move-
ments in the active booster
DELTA S SEN – – ×
detected by DELTA S SEN is dis-
played.
Release switch signal (ON/OFF)
status is displayed. "ON" indicates
RELEASE SW NO – – × that the brake pedal is depressed.
"OFF" is that the brake pedal is
released.
Release switch signal (ON/OFF)
status is displayed. "OFF" indi-
RELEASE SW NC – – × cates that the brake pedal is
depressed on. "ON" is that the
brake pedal is released.
OHB FAIL – – × OHB fail status is displayed.
HBA FAIL – – × HBA fail status is displayed.
OHB operation (ON/OFF) status is
OHB SIG – – ×
displayed.
HBA operation (ON/OFF) status is
HBA SIG – – ×
displayed.
Pressure control state (ON/OFF) is
PRES CTRL ACC – – × displayed. It is applied only to an
ICC vehicle.
Pressure control fail state (ON/
PRES FAIL ACC – – × OFF) is displayed. It is applied only
to an ICC vehicle.
Stop lamp relay signal (ON/OFF)
STP OFF RLY – – ×
status is displayed.
×: Applicable
–: Not applicable

Revision: October 2004 BRC-122 2005 Titan


TROUBLE DIAGNOSIS
[VDC/TCS/ABS]
ACTIVE TEST
CAUTION: A
● Do not perform active test while driving.
● Make sure to completely bleed air from the brake system.
● The ABS and brake (EBD) warning lamps turn on during the active test. B

Operation Procedure
1. Connect the CONSULT-II and CONSULT-II CONVERTER to the data link connector and start the engine. C
CAUTION:
If CONSULT-II is used with no connection of CONSULT-II CONVERTER, malfunctions might be
detected in self-diagnosis depending on control unit which carries out CAN communication.
D
2. Touch “START (NISSAN BASED VHCL)” on the display screen.
3. Touch “ABS”.
If “ABS” is not indicated, go to GI-38, "CONSULT-II Data Link Connector (DLC) Circuit" .
E
4. Touch “ACTIVE TEST”.
5. The test item selection screen is displayed.
6. Touch necessary test item. BRC

LBR379

I
7. With the “MAIN SIGNALS” display selected, touch “START”.
8. The Active Test screen will be displayed, so conduct the following test.
Solenoid Valve Operation Chart J
ABS solenoid valve ABS solenoid valve (ACT)
Operation ACTUA- ACTUA-
UP KEEP DOWN UP K
TOR UP TOR KEEP
FR RH SOL FR RH IN SOL OFF ON ON OFF OFF OFF
FR RH ABS SOLE-
NOID (ACT) FR RH OUT SOL OFF OFF ON* OFF OFF OFF L
FR LH SOL FR LH IN SOL OFF ON ON OFF OFF OFF
FR LH ABS SOLE-
NOID (ACT) FR LH OUT SOL OFF OFF ON* OFF OFF OFF
M
RR RH SOL RR RH IN SOL OFF ON ON OFF OFF OFF
RR RH ABS SOLE-
NOID (ACT) RR RH OUT SOL OFF OFF ON* OFF OFF OFF

RR LH SOL RR LH IN SOL OFF ON ON OFF OFF OFF


RR LH ABS SOLE-
NOID (ACT) RR LH OUT SOL OFF OFF ON* OFF OFF OFF

RR RH IN SOL OFF ON ON OFF OFF OFF


RR RH OUT SOL OFF OFF ON* OFF OFF OFF
REAR SOL
RR LH IN SOL OFF ON ON OFF OFF OFF
RR LH OUT SOL OFF OFF ON* OFF OFF OFF
*: ON for 1 to 2 seconds after the touch, and then OFF

NOTE:
● If active test is performed with brake pedal depressed, pedal stroke may change. This is normal.
● “TEST IS STOPPED” is displayed approximately 10 seconds after operation starts.
● After “TEST IS STOPPED” is displayed, to perform test again, repeat Step 6.

Revision: October 2004 BRC-123 2005 Titan


TROUBLE DIAGNOSIS
[VDC/TCS/ABS]
ABS Motor
Touch “ON” and “OFF” on the screen. Check that ABS motor relay
operates as shown in table below.
Operation ON OFF
ABS actuator relay ON ON
ABS motor relay ON OFF

NOTE:
● If active test is performed with brake pedal depressed, pedal
stroke may change. This is normal.
● “TEST IS STOPPED” is displayed approximately 10 seconds SFIA0593E

after operation starts.

Revision: October 2004 BRC-124 2005 Titan


TROUBLE DIAGNOSIS FOR SELF-DIAGNOSTIC ITEMS
[VDC/TCS/ABS]
TROUBLE DIAGNOSIS FOR SELF-DIAGNOSTIC ITEMS PFP:00000
A
Wheel Sensor System Inspection EFS004S7

INSPECTION PROCEDURE
1. CONNECTOR INSPECTION B

Disconnect the ABS actuator and electric unit (control unit) connector E125 and wheel sensor of malfunction-
ing code. C
Check the terminals for deformation, disconnection, looseness or damage.
OK or NG
OK >> GO TO 2. D
NG >> Repair or replace as necessary.

2. CHECK WHEEL SENSOR OUTPUT SIGNAL E


1. Connect ABS active wheel sensor tester (J-45741) to wheel sensor using appropriate adapter.
2. Turn on the ABS active wheel sensor tester power switch.
NOTE: BRC
The green POWER indicator should illuminate. If the POWER indicator does not illuminate, replace the
battery in the ABS active wheel sensor tester before proceeding.
3. Spin the wheel of the vehicle by hand and observe the red SENSOR indicator on the ABS active wheel G
sensor tester. The red SENSOR indicator should flash on and off to indicate an output signal.
NOTE:
If the red SENSOR indicator illuminates but does not flash, reverse the polarity of the tester leads and H
retest.
Does the ABS active wheel sensor tester detect a signal?
YES >> GO TO 3. I
NO >> Replace the wheel sensor. Refer to BRC-150, "Removal and Installation" .

3. CHECK TIRES J
Check for inflation pressure, wear and size of each tire.
Are tire pressure and size correct and is tire wear within specifications?
YES >> GO TO 4. K
NO >> Adjust tire pressure or replace tire(s).

4. CHECK WHEEL BEARINGS L

Check wheel bearing axial end play. Refer to FAX-5, "WHEEL BEARING INSPECTION" or RAX-5, "WHEEL
BEARING INSPECTION" .
M
OK or NG
OK >> GO TO 5.
NG >> Repair or replace as necessary. Refer to FAX-5, "Removal and Installation" or RAX-6, "Removal
and Installation" .

5. CHECK WIRING HARNESS FOR SHORT CIRCUIT


1. Disconnect ABS actuator and electric unit (control unit) connec-
tor and wheel sensor connector of malfunction code No.
2. Check resistance between wheel sensor harness connector ter-
minals and ground.
Continuity should not exist.
OK or NG
OK >> GO TO 6.
NG >> Repair the circuit.
WFIA0343E

Revision: October 2004 BRC-125 2005 Titan


TROUBLE DIAGNOSIS FOR SELF-DIAGNOSTIC ITEMS
[VDC/TCS/ABS]
6. CHECK WIRING HARNESS FOR OPEN CIRCUIT
Check continuity between ABS actuator and electric unit (control unit) harness connector E125 and the mal-
functioning wheel sensor harness connector E18, E117, C10, or C11.
ABS actuator and
Wheel sensor Wheel sensor Continuity
electric unit (control unit)
Connector - terminal Wire color Connector - terminal Wire color

Front LH E125 - 45 G/O E18 - 1 G/O


E125 - 46 BR/W E18 - 2 BR/W

Front RH E125 - 34 B/R E117 - 1 B/R


E125 - 33 BR E117 - 2 BR
Yes
Rear LH E125 - 37 P C11 - 2 P
E125 - 36 L C11 - 1 L

Rear RH E125 - 42 V C10 - 2 V


E125 - 43 G/Y C10 - 1 G/Y

Continuity should exist.


OK or NG
OK >> Replace the ABS actuator and electric unit (control unit). Refer to BRC-152, "Removal and Instal-
lation" .
NG >> Repair the circuit.
Engine System Inspection EFS004S8

INSPECTION PROCEDURE
1. SELF-DIAGNOSIS RESULT CHECK
Check self-diagnosis results.
Self-diagnosis results
ENGINE SIGNAL 1
ENGINE SIGNAL 2
ENGINE SIGNAL 3
ENGINE SIGNAL 4
ENGINE SIGNAL 6
Is the above displayed in the self-diagnosis display items?
YES >> GO TO 2.
NO >> Inspection End.

2. ENGINE SYSTEM INSPECTION


1. Perform ECM self-diagnosis and repair as necessary. Refer to EC-127, "SELF-DIAG RESULTS MODE" .
2. Perform ABS actuator and electric unit (control unit) self-diagnosis again.
OK or NG
OK >> Inspection End.
NG >> Repair or replace as necessary.

Revision: October 2004 BRC-126 2005 Titan


TROUBLE DIAGNOSIS FOR SELF-DIAGNOSTIC ITEMS
[VDC/TCS/ABS]
ABS/TCS/VDC Control Unit Inspection EFS004S9

A
INSPECTION PROCEDURE
1. SELF-DIAGNOSIS RESULT CHECK
B
Check self-diagnosis results.
Self-diagnosis results
CONTROLLER FAILURE C
Is the above displayed in the self-diagnosis display items?
YES >> Replace ABS actuator and electric unit (control unit). Refer to BRC-152, "Removal and Installa-
tion" . D
NO >> Inspection End.
Steering Angle Sensor System EFS004SA
E
INSPECTION PROCEDURE
1. CHECK SELF-DIAGNOSIS RESULT
BRC
Check self-diagnosis results.
Self-diagnosis results
G
ST ANGLE SEN CIRCUIT
ST ANG SEN COM CIR
Is above displayed in self-diagnosis item? H
YES >> GO TO 2.
NO >> Inspection End.
I
2. CHECK CONNECTOR
1. Disconnect steering angle sensor connector M47 and ABS actuator and electric unit (control unit) connec-
tor E125 and check terminals for deformation, disconnection, looseness, or damage. Repair or replace as J
necessary.
2. Reconnect connectors and repeat ABS actuator and electric unit (control unit) self-diagnosis.
IS "ST ANGLE SEN CIRCUIT" or "ST ANG SEN COM CIR" DISPLAYED? K
YES >> GO TO 3.
NO >> Inspection End.
L
3. CHECK STEERING ANGLE SENSOR HARNESS
1. Check CAN communication system. Refer to LAN-7, "CAN COMMUNICATION" . M
2. Turn ignition switch OFF and disconnect steering angle sensor
connector M47 and ABS actuator and electric unit (control unit)
connector E125.
3. Check continuity between ABS actuator and electric unit (control
unit) connector E125 and steering angle sensor connector M47.
ABS actuator and Steering angle
electric unit (control sensor
Continuity
unit) harness connec- harness connec-
tor E125 tor M47
11 (L) 3 (L) Yes WFIA0224E

15 (P) 4 (P) Yes


OK or NG
OK >> GO TO 4.
NG >> Repair or replace harness.

Revision: October 2004 BRC-127 2005 Titan


TROUBLE DIAGNOSIS FOR SELF-DIAGNOSTIC ITEMS
[VDC/TCS/ABS]
4. CHECK DATA MONITOR
1. Connect steering angle sensor and ABS actuator and electric unit (control unit) connectors.
2. Use “DATA MONITOR” to check if the status of "STR ANGLE SIG" is normal.
Steering condition Data monitor
Straight-ahead –3.5 deg to +3.5 deg
Turn wheel to the right by 90° Approx. - 90deg
Turn wheel to the left by 90° Approx. + 90deg
OK or NG
OK >> Perform ABS actuator and electric unit (control unit) self-diagnosis again.
NG >> Replace spiral cable (steering angle sensor) and adjust neutral position of steering angle sensor.
Refer to BRC-148, "Adjustment of Steering Angle Sensor Neutral Position" .
Yaw Rate/Side/Decel G Sensor System Inspection EFS004SB

CAUTION:
Sudden turns (such as spin turns, acceleration turns), drifting, etc. when VDC function is OFF may
cause the yaw rate/side/decel G sensor system to indicate a problem. This is not a problem if normal
operation can be resumed after restarting the engine.
INSPECTION PROCEDURE
1. SELF-DIAGNOSIS RESULT CHECK
Check self-diagnosis results.
Self-diagnosis results
YAW RATE SENSOR
SIDE G-SEN CIRCUIT
G-SENSOR

CAUTION:
If vehicle is on turn table at entrance to parking garage, or on other moving surface, VDC OFF indica-
tor lamp may illuminate and CONSULT-II self-diagnosis may indicate yaw rate sensor system malfunc-
tion. However, in this case there is no malfunction in yaw rate sensor system. Take vehicle off of turn
table or other moving surface, and start engine. Results will return to normal.
Is the above displayed in the self-diagnosis display items?
YES >> GO TO 2.
NO >> Inspection End.

2. CONNECTOR INSPECTION
Disconnect the ABS actuator and electric unit (control unit) connector E125 and yaw rate/side/decel G sensor
connector M108.
Check the terminals for deformation, disconnection, looseness or damage.
OK or NG
OK >> GO TO 3.
NG >> Repair or replace as necessary.

Revision: October 2004 BRC-128 2005 Titan


TROUBLE DIAGNOSIS FOR SELF-DIAGNOSTIC ITEMS
[VDC/TCS/ABS]
3. YAW RATE/SIDE/DECEL G SENSOR HARNESS INSPECTION A
1. Turn off the ignition switch and disconnect yaw rate/side/decel G sensor connector M108 and ABS actua-
tor and electric unit (control unit) connector E125.
2. Check continuity between the ABS actuator and electric unit (control unit) connector E125 and the yaw B
rate/side/decel G sensor connector M108.

C
ABS actuator and electric unit Yaw rate/side/decel G sensor
(control unit) harness connector harness connector M108 Continuity
E125
D
6 (Y/R) 3 (Y/R)
24 (P) 5 (P)
Yes E
25 (G/R) 1 (G/R)
29 (G/W) 2 (G/W)
OK or NG BRC
OK >> GO TO 4.
NG >> Repair or replace as necessary.
G
4. YAW RATE/SIDE/DECEL G SENSOR INSPECTION
1. Connect the yaw rate/side/decel G sensor connector M108 and ABS actuator and electric unit (control
unit) connector E125. H
2. Use “DATA MONITOR” to check if the yaw rate/side/decel G sensor signals are normal.

Yaw rate sensor Side G sensor Decel G Sensor I


Vehicle status
(Data monitor standard) (Data monitor standard) (Data monitor standard)
When stopped -4 to +4 deg/s -1.1 to +1.1 m/s -0.11 G to +0.11 G
J
Right turn Negative value Negative value -
Left turn Positive value Positive value -
Speed up - - Negative value K

Speed down - - Positive value


OK or NG L
OK >> Inspection End.
NG >> Replace the yaw rate/side/decel G sensor. Refer to BRC-155, "Removal and Installation" .
M

Revision: October 2004 BRC-129 2005 Titan


TROUBLE DIAGNOSIS FOR SELF-DIAGNOSTIC ITEMS
[VDC/TCS/ABS]
Solenoid and VDC Change-Over Valve System Inspection EFS004SC

INSPECTION PROCEDURE
1. SELF-DIAGNOSIS RESULT CHECK
Check self-diagnosis results.
Self-diagnosis results
FR LH IN ABS SOL
FR LH OUT ABS SOL
RR RH IN ABS SOL
RR RH OUT ABS SOL
FR RH IN ABS SOL
FR RH OUT ABS SOL
RR LH IN ABS SOL
RR LH OUT ABS SOL
CV 1
CV 2
SV 1
SV 2
Is the above displayed in the self-diagnosis display items?
YES >> GO TO 2.
NO >> Inspection End.

2. CONNECTOR INSPECTION
1. Disconnect ABS actuator and electric unit (control unit) connector E125.
2. Check the terminals for deformation, disconnection, looseness or damage.
OK or NG
OK >> GO TO 3.
NG >> Repair or replace as necessary.

Revision: October 2004 BRC-130 2005 Titan


TROUBLE DIAGNOSIS FOR SELF-DIAGNOSTIC ITEMS
[VDC/TCS/ABS]
3. CHECKING SOLENOID POWER AND GROUND
A
1. Check voltage between ABS actuator and electric unit (control
unit) harness connector E125 and body ground.
B
ABS actuator and electric Measured
Body
unit (control unit) value
ground
connector E125 (Approx.)
C
32 (B/Y) — 12V

D
WFIA0195E

2. Check resistance between ABS actuator and electric unit (con- E


trol unit) harness connector E125 and body ground.
ABS actuator and electric Measured
Body
unit (control unit) value Ω BRC
ground
connector E125 (Approx.)
16 (B) — 0Ω
47 (B) — 0Ω G

OK or NG
OK >> Perform self-diagnosis again. If the same results WFIA0196E H
appear, replace ABS actuator and electric unit (control
unit). Refer to BRC-152, "Removal and Installation" .
NG >> Repair the circuit.
I
Actuator Motor, Motor Relay, and Circuit Inspection EFS004SD

INSPECTION PROCEDURE
1. CHECKING SELF-DIAGNOSIS RESULTS J

Check self-diagnosis results.


K
Self-diagnosis results
PUMP MOTOR
ACTUATOR RLY L
Is the above displayed in the self-diagnosis display items?
YES >> GO TO 2.
NO >> Inspection End. M

2. CONNECTOR INSPECTION
1. Disconnect ABS actuator and electric unit (control unit) connector E125.
2. Check the terminals for deformation, disconnection, looseness or damage.
OK or NG
OK >> GO TO 3.
NG >> Repair or replace as necessary.

Revision: October 2004 BRC-131 2005 Titan


TROUBLE DIAGNOSIS FOR SELF-DIAGNOSTIC ITEMS
[VDC/TCS/ABS]
3. CHECKING ABS MOTOR AND MOTOR RELAY POWER SYSTEM

1. Check voltage between ABS actuator and electric unit (control


unit) harness connector E125 and body ground.
ABS actuator and electric Measured
Body
unit (control unit) value
ground
connector E125 (Approx.)
1 (Y) — 12V

WFIA0209E

2. Check resistance between ABS actuator and electric unit (con-


trol unit) connector E125 and body ground.
ABS actuator and electric Measured
Body
unit (control unit) value Ω
ground
harness connector E125 (Approx.)
16 (B) — 0Ω
47 (B) — 0Ω
OK or NG
OK >> Perform self-diagnosis again. If the same results WFIA0196E

appear, replace ABS actuator and electric unit (control


unit). Refer to BRC-152, "Removal and Installation" .
NG >> Repair the circuit.
Stop Lamp Switch System Inspection EFS004SE

INSPECTION PROCEDURE
1. SELF-DIAGNOSIS RESULT CHECK
Check self-diagnosis results.
Self-diagnosis results
STOP LAMP SW

Is the above displayed in the self-diagnosis display items?


YES >> GO TO 2.
NO >> Inspection End.

2. CONNECTOR INSPECTION
1. Disconnect the ABS actuator and electric unit (control unit) connector E125 and stop lamp switch connec-
tor E38.
2. Check the terminals for deformation, disconnection, looseness or damage.
OK or NG
OK >> GO TO 3.
NG >> Repair or replace as necessary.

Revision: October 2004 BRC-132 2005 Titan


TROUBLE DIAGNOSIS FOR SELF-DIAGNOSTIC ITEMS
[VDC/TCS/ABS]
3. STOP LAMP SWITCH INSPECTION A
Check the voltage between the ABS actuator and electric unit (con-
trol unit) harness connector E125 terminal 41 (R/B) and body
ground. B
Brake pedal depressed : Battery voltage
(approx. 12V)
Brake pedal not depressed : Approx. 0V C
OK or NG
OK >> Perform self-diagnosis again. If the same results
D
appear, replace ABS actuator and electric unit (control
unit). Refer to BRC-152, "Removal and Installation" . WFIA0198E

NG >> GO TO 4.
E
4. STOP LAMP RELAY CIRCUIT INSPECTION
1. Disconnect the stop lamp relay harness connector E12.
BRC
2. Check the continuity between the ABS actuator and electric unit
(control unit) harness connector E125 terminal 41 (R/B) and
stop lamp relay harness connector E12 terminal 4 (R/B).
G
Continuity should exist
OK or NG
OK >> Perform self-diagnosis again. If the same results H
appear, replace ABS actuator and electric unit (control
unit). Refer to BRC-152, "Removal and Installation" .
NG >> Refer to LT-98, "STOP LAMP" . I
LFIA0218E

ABS/TCS/VDC Control Unit Power and Ground Systems Inspection EFS004SF

J
INSPECTION PROCEDURE
1. SELF-DIAGNOSIS RESULT CHECK
K
Check self-diagnosis results.
Self-diagnosis results
BATTERY VOLTAGE L
Is the above displayed in the self-diagnosis display items?
YES >> GO TO 2.
NO >> Inspection End. M

2. CONNECTOR INSPECTION
1. Disconnect the ABS actuator and electric unit (control unit) connector E125.
2. Check the terminals for deformation, disconnection, looseness or damage.
OK or NG
OK >> GO TO 3.
NG >> Repair or replace as necessary.

Revision: October 2004 BRC-133 2005 Titan


TROUBLE DIAGNOSIS FOR SELF-DIAGNOSTIC ITEMS
[VDC/TCS/ABS]
3. ABS/TCS/VDC CONTROL UNIT POWER AND GROUND CIRCUIT INSPECTION
Measure the voltage and continuity between the ABS actuator and electric unit (control unit) harness connec-
tor E125 and body ground.

ABS actuator and electric unit


Body
Signal name (control unit) Measured value
ground
harness connector E125
1 (Y)
Power supply — Battery voltage (Approx. 12V)
32 (B/Y)
16 (B)
Ground — Continuity should exist.
47 (B)
OK or NG
OK >> Check the battery for loose terminals, low voltage, etc. Repair as necessary.
NG >> Repair the circuit.
Brake Fluid Level Sensor System Inspection EFS004SG

INSPECTION PROCEDURE
1. SELF-DIAGNOSIS RESULT CHECK
1. Check the brake reservoir tank fluid level. If the level is low, add brake fluid.
2. Erase the self-diagnosis results and check the self-diagnosis results.

Self-diagnosis results
BR FLUID LEVEL LOW
Is the above displayed in the self-diagnosis display items?
YES >> GO TO 2.
NO >> Inspection End.

2. CONNECTOR INSPECTION
1. Disconnect the ABS actuator and electric unit (control unit) connector E125 and brake fluid level switch
connector E21.
2. Check the terminals for deformation, disconnection, looseness or damage.
OK or NG
OK >> GO TO 3.
NG >> Repair or replace as necessary.

Revision: October 2004 BRC-134 2005 Titan


TROUBLE DIAGNOSIS FOR SELF-DIAGNOSTIC ITEMS
[VDC/TCS/ABS]
3. CHECK THE HARNESS BETWEEN THE BRAKE FLUID LEVEL SENSOR AND THE ABS ACTUATOR A
AND ELECTRIC UNIT (CONTROL UNIT)
Check the continuity between the brake fluid level switch harness connector E21 and the ABS actuator and
electric unit (control unit) harness connector E125. B
ABS actuator and electric unit
Brake fluid level switch harness
(control unit) harness connector Continuity
connector E21 C
E125
8 (P/B) 1 (P/B) Yes
8 (P/B) Ground No D
Ground 2 (B) Yes
OK or NG E
OK >> Perform self-diagnosis again. If the same results appear, replace ABS actuator and electric unit
(control unit). Refer to BRC-152, "Removal and Installation" .
NG >> Repair the circuit.
BRC
Active Booster System Inspection EFS004SH

INSPECTION PROCEDURE
G
1. DISPLAY SELF DIAGNOSIS RESULTS
Check self-diagnosis results.
H
Self-diagnosis results
ABS ACTIVEBOOSTER SV NG
ABS ACTIVEBOOSTER RESPONSE I
ABS BRAKE RELEASE SWITCH NG
ABS BRAKEBOOSTER DEFECT
J
Is the above displayed in the self-diagnosis display items?
YES or NO
YES >> GO TO 2. K
NO >> Inspection End.

2. CONNECTOR INSPECTION L
1. Turn the ignition switch OFF.
2. Disconnect the active booster connector E49 and ABS actuator and electric unit (control unit) connector
E125 and inspect the terminals for deformation, disconnection, looseness, or damage. M
OK or NG
OK >> GO TO 3.
NG >> Repair connector.

Revision: October 2004 BRC-135 2005 Titan


TROUBLE DIAGNOSIS FOR SELF-DIAGNOSTIC ITEMS
[VDC/TCS/ABS]
3. ACTIVE BOOSTER CIRCUIT INSPECTION
1. Measure the continuity between the ABS actuator and electric unit (control unit) connector E125 and
active booster connector E49.
ABS actuator and electric unit Active booster connector
Continuity
(control unit) connector E125 E49
17 (W/R) 3 (W/R)
27 (L/B) 1 (L/B)
28 (Y/B) 5 (Y/B) Yes
30 (LG/R) 2 (LG/R)
31 (W/G) 4 (W/G)
2. Measure the continuity between the ABS actuator and electric unit (control unit) connector E125 and body
ground.
ABS actuator and electric unit
Body ground Continuity
(control unit) connector E125
17 (W/R)
27 (L/B)
28 (Y/B) — No
30 (LG/R)
31 (W/G)
OK or NG
OK >> GO TO 4.
NG >> Repair or replace harness or connector.

4. ACTIVE BOOSTER SENSOR INSPECTION


1. Reconnect the active booster and ABS actuator and electric unit (control unit) connectors.
2. Use "DATA MONITOR" to check if the status of "RELEASE SW NO" and "RELEASE SW NC" is normal.
Data monitor display
Condition
RELEASE SW NO RELEASE SW NC
When brake pedal is depressed ON OFF
When brake pedal is released OFF ON
OK or NG
OK >> Inspection End.
NG >> Replace active booster. Refer to BR-19, "With ABS or BLSD" .
Delta Stroke Sensor System Inspection EFS004SI

INSPECTION PROCEDURE
1. DISPLAY SELF DIAGNOSIS RESULTS
Check self-diagnosis results.
Self-diagnosis results
DELTA S SEN NG

Is the above displayed in the self-diagnosis display items?


YES or NO
YES >> GO TO 2.
NO >> Inspection End.

Revision: October 2004 BRC-136 2005 Titan


TROUBLE DIAGNOSIS FOR SELF-DIAGNOSTIC ITEMS
[VDC/TCS/ABS]
2. CONNECTOR INSPECTION A
1. Turn the ignition switch OFF.
2. Disconnect the delta stroke sensor connector E114 and ABS actuator and electric unit (control unit) con-
nector E125 and inspect the terminals for deformation, disconnection, looseness, or damage. B
OK or NG
OK >> GO TO 3.
NG >> Repair connector. C

3. DELTA STROKE SENSOR CIRCUIT INSPECTION


D
1. Measure the continuity between the ABS actuator and electric unit (control unit) connector E125 and delta
stroke sensor connector E114.
ABS actuator and electric unit Delta stroke sensor E
Continuity
(control unit) connector E125 connector E114
26 (W/V) 1 (W/V)
BRC
39 (G/B) 3 (G/B) Yes
40 (R/Y) 5 (R/Y)
2. Measure the continuity between the ABS actuator and electric unit (control unit) connector E125 and body G
ground.
ABS actuator and electric unit
Body ground Continuity H
(control unit) connector E125
26 (W/V)
39 (G/B) — No I
40 (R/Y)
OK or NG J
OK >> GO TO 4.
NG >> Repair or replace harness or connector.

4. DELTA STROKE SENSOR INSPECTION K

1. Reconnect the delta stroke sensor and ABS actuator and electric unit (control unit) connectors.
2. Use "DATA MONITOR" to check if the status of "DELTA S SEN" is normal. L

Data monitor display (Approx.)


Condition
DELTA S SEN M
When brake pedal is depressed 0.00 mm (+0.6/-0.4)
When brake pedal is released 1.05–1.80 mm
OK or NG
OK >> Inspection End.
NG >> Replace delta stroke sensor. Refer to BR-19, "With ABS or BLSD" .

Revision: October 2004 BRC-137 2005 Titan


TROUBLE DIAGNOSIS FOR SELF-DIAGNOSTIC ITEMS
[VDC/TCS/ABS]
Pressure Sensor System Inspection EFS004SJ

FRONT PRESSURE INSPECTION PROCEDURE


1. DISPLAY SELF DIAGNOSIS RESULTS
Check self-diagnosis results.
Self-diagnosis results
PRESS SEN CIRCUIT

Is the above displayed in the self-diagnosis display items?


YES or NO
YES >> GO TO 2.
NO >> Inspection End.

2. CONNECTOR INSPECTION
1. Turn the ignition switch OFF.
2. Disconnect the front pressure sensor connector E31 and ABS actuator and electric unit (control unit) con-
nector E125 and inspect the terminals for deformation, disconnection, looseness, or damage.
OK or NG
OK >> GO TO 3.
NG >> Repair connector.

3. FRONT PRESSURE SENSOR CIRCUIT INSPECTION


1. Measure the continuity between the ABS actuator and electric unit (control unit) harness connector E125
and front pressure sensor harness connector E31.
ABS actuator and electric unit Front pressure sensor har-
(control unit) harness connector ness connector E31 Continuity
E125
18 (LG) 3 (LG)
19 (SB) 1 (SB) Yes
20 (R/L) 2 (R/L)
2. Measure the continuity between the ABS actuator and electric unit (control unit) harness connector E125
and body ground.
ABS actuator and electric unit
(control unit) harness connector Body ground Continuity
E125
18 (LG)
19 (SB) — No
20 (R/L)
OK or NG
OK >> GO TO 4.
NG >> Repair or replace harness or connector.

Revision: October 2004 BRC-138 2005 Titan


TROUBLE DIAGNOSIS FOR SELF-DIAGNOSTIC ITEMS
[VDC/TCS/ABS]
4. FRONT PRESSURE SENSOR INSPECTION A
1. Reconnect the front pressure sensor and ABS actuator and electric unit (control unit) connectors.
2. Use "DATA MONITOR" to check if the status of "PRESS SENSOR" is normal.
B
Data monitor display (Approx.)
Condition
PRESS SENSOR
When brake pedal is depressed Positive value C
When brake pedal is released 0 bar
OK or NG
D
OK >> Inspection End.
NG >> Replace front pressure sensor. Refer to BR-15, "With ABS" .
REAR PRESSURE INSPECTION PROCEDURE E
1. DISPLAY SELF DIAGNOSIS RESULTS
Check self-diagnosis results. BRC
Self-diagnosis results
PRESS SEN CIRCUIT
G
Is the above displayed in the self-diagnosis display items?
YES or NO
YES >> GO TO 2. H
NO >> Inspection End.

2. CONNECTOR INSPECTION I
1. Turn the ignition switch OFF.
2. Disconnect the rear pressure sensor connector E32 and ABS actuator and electric unit (control unit) con-
nector E125 and inspect the terminals for deformation, disconnection, looseness, or damage. J
OK or NG
OK >> GO TO 3.
NG >> Repair connector. K

Revision: October 2004 BRC-139 2005 Titan


TROUBLE DIAGNOSIS FOR SELF-DIAGNOSTIC ITEMS
[VDC/TCS/ABS]
3. REAR PRESSURE SENSOR CIRCUIT INSPECTION
1. Measure the continuity between the ABS actuator and electric unit (control unit) connector E125 and rear
pressure sensor connector E32.
ABS actuator and electric unit Rear pressure sensor con-
Continuity
(control unit) connector E125 nector E32
21 (R/G) 1 (R/G)
22 (W/L) 3 (W/L) Yes
23 (W/O) 2 (W/O)
2. Measure the continuity between the ABS actuator and electric unit (control unit) connector E125 and body
ground.
ABS actuator and electric unit
Body ground Continuity
(control unit) connector E125
21 (R/G)
22 (W/L) — No
23 (W/O)
OK or NG
OK >> GO TO 4.
NG >> Repair or replace harness or connector.

4. REAR PRESSURE SENSOR INSPECTION


1. Reconnect the rear pressure sensor and ABS actuator and electric unit (control unit) connectors.
2. Use "DATA MONITOR" to check if the status of "PRESS SEN 2" is normal.
Data monitor display (Approx.)
Condition
PRESS SEN 2
When brake pedal is depressed Positive value
When brake pedal is released 0 bar
OK or NG
OK >> Inspection End.
NG >> Replace rear pressure sensor. Refer to BR-15, "With ABS" .
CAN Communication System Inspection EFS004SK

INSPECTION PROCEDURE
1. CHECK CONNECTOR
1. Turn ignition switch OFF, disconnect the ABS actuator and electric unit (control unit) connector and check
the terminals for deformation, disconnection, looseness, and so on. If there is a malfunction, repair or
replace the terminal.
2. Reconnect connector to perform self-diagnosis.
Is "CAN COMM CIRCUIT" displayed in self-diagnosis display items?
YES >> Print out the self-diagnostic results, and refer to LAN-7, "CAN COMMUNICATION" .
NO >> Connector terminal is loose, damaged, open, or shorted.

Revision: October 2004 BRC-140 2005 Titan


TROUBLE DIAGNOSIS FOR SELF-DIAGNOSTIC ITEMS
[VDC/TCS/ABS]
Inspection For Self-diagnosis Result "ST ANGLE SEN SIGNAL" EFS004SL

A
INSPECTION PROCEDURE
1. PERFORM SELF-DIAGNOSIS
B
Check self-diagnosis results.
Self-diagnosis results
ST ANGLE SEN SIGNAL C
Do self-diagnosis results indicate anything other than shown above?
YES >> Perform repair or replacement for the item indicated.
NO >> Perform adjustment of steering angle sensor neutral position. Refer to BRC-148, "Adjustment of D
Steering Angle Sensor Neutral Position" . GO TO 2.

2. PERFORM SELF-DIAGNOSIS AGAIN E

1. Turn the ignition switch to OFF and then to ON and erase self-diagnosis results.
2. Perform ABS actuator and electric unit (control unit) self-diagnosis again. BRC
Are any self-diagnosis results displayed?
YES >> Replace steering angle sensor. Refer to BRC-154, "Removal and Installation" .
NO >> Inspection End. G
Inspection For Self-diagnosis Result "DECEL G SEN SET" EFS004SM

INSPECTION PROCEDURE
H
1. PERFORM SELF-DIAGNOSIS
Check self-diagnosis results.
I
Self-diagnosis results
DECEL G SEN SET
J
Do self-diagnosis results indicate anything other than shown above?
YES >> Perform repair or replacement for the item indicated.
NO >> Perform calibration of yaw rate/side/decel G sensor. Refer to BRC-148, "Calibration of Yaw Rate/
Side/Decel G Sensor" . GO TO 2. K

2. PERFORM SELF-DIAGNOSIS AGAIN


L
1. Turn the ignition switch to OFF and then to ON and erase self-diagnosis results.
2. Perform ABS actuator and electric unit (control unit) self-diagnosis again.
Are any self-diagnosis results displayed? M
YES >> Replace yaw rate/side/decel G sensor. Refer to BRC-155, "Removal and Installation" .
NO >> Inspection End.
VDC OFF Indicator lamp Does Not Illuminate EFS004SN

INSPECTION PROCEDURE
1. CHECK VDC OFF INDICATOR LAMP
Disconnect ABS actuator and electric unit (control unit) connector E125.
Do the ABS warning lamp and VDC OFF indicator lamp illuminate?
YES >> Replace ABS actuator and electric unit (control unit). Refer to BRC-152, "Removal and Installa-
tion" .
NO >> Replace combination meter. Refer to IP-13, "COMBINATION METER" .

Revision: October 2004 BRC-141 2005 Titan


TROUBLE DIAGNOSIS FOR SELF-DIAGNOSTIC ITEMS
[VDC/TCS/ABS]
Component Inspection EFS004SO

VDC OFF SWITCH


Check the continuity between terminals 1 and 2.
1-2 : Continuity should exist when pushing the
switch.
Continuity should not exist when releasing
the switch.

PFIA0307E

Revision: October 2004 BRC-142 2005 Titan


TROUBLE DIAGNOSES FOR SYMPTOMS
[VDC/TCS/ABS]
TROUBLE DIAGNOSES FOR SYMPTOMS PFP:99999
A
ABS Works Frequently EFS005FS

1. CHECK WARNING LAMP ACTIVATION B

Make sure warning lamp remains off while driving.


OK or NG C
OK >> GO TO 2.
NG >> Carry out self-diagnosis. Refer to BRC-116, "SELF-DIAGNOSIS" .
D
2. CHECK WHEEL SENSORS
Check the following.
E
● Wheel sensor mounting for looseness
● Wheel sensors for physical damage
● Wheel sensor connectors for terminal damage or loose connections
BRC
● Sensor rotor and mount for physical damage (rear only)
OK or NG
OK >> GO TO 3. G
NG >> Repair or replace as necessary.

3. CHECK FRONT AND REAR AXLES H


Check front and rear axles for excessive looseness. Refer to FAX-5, "WHEEL BEARING INSPECTION" or
RAX-5, "WHEEL BEARING INSPECTION" .
OK or NG I
OK >> GO TO 4.
NG >> Repair as necessary.
J
4. CHECK BRAKE FLUID PRESSURE
Check brake fluid pressure distribution.
Refer to BRC-110, "Basic Inspection" . K
Is brake fluid pressure distribution normal?
YES >> Inspection End.
NO >> Perform Basic Inspection. Refer to BRC-110, "Basic Inspection" . L

Revision: October 2004 BRC-143 2005 Titan


TROUBLE DIAGNOSES FOR SYMPTOMS
[VDC/TCS/ABS]
Unexpected Pedal Action EFS005FT

1. CHECK WARNING LAMP ACTIVATION


Make sure warning lamp remains off while driving.
OK or NG
OK >> GO TO 2.
NG >> Carry out self-diagnosis. Refer to BRC-116, "SELF-DIAGNOSIS" .

2. CHECK BRAKE PEDAL STROKE


Check brake pedal stroke.
Is pedal stroke excessive?
YES >> Perform Basic Inspection. Refer to BRC-110, "Basic
Inspection" .
NO >> GO TO 3.

SBR540A

3. CHECK CONNECTOR AND BRAKING PERFORMANCE


1. Disable ABS by disconnecting ABS actuator and electric unit (control unit) connector.
2. Drive vehicle and check brake operation.
NOTE:
● Stopping distance may be longer than vehicles without ABS when road condition is slippery.

● Driving the vehicle with the ABS actuator and electric unit (control unit) disconnected may induce DTCs
in electrical control units using CAN communication. After the inspection, clear all DTCs. Refer to LAN-
7, "CAN COMMUNICATION" .
OK or NG
OK >> GO TO 4.
NG >> Perform Basic Inspection. Refer to BRC-110, "Basic Inspection" .

4. CHECK WHEEL SENSORS


Check the following.
● Wheel sensor mounting for looseness
● Wheel sensors for physical damage
● Wheel sensor connectors for terminal damage or loose connections
OK or NG
OK >> Check ABS actuator and electric unit (control unit) connector terminals for deformation, discon-
nection, looseness or damage. Reconnect ABS actuator and electric unit (control unit) harness
connector. Then retest.
NG >> Repair or replace as necessary.

Revision: October 2004 BRC-144 2005 Titan


TROUBLE DIAGNOSES FOR SYMPTOMS
[VDC/TCS/ABS]
Long Stopping Distance EFS005FU

1. CHECK BASE BRAKING SYSTEM PERFORMANCE


B
1. Disable ABS by disconnecting ABS actuator and electric unit (control unit) connector.
2. Drive vehicle and check brake operation.
NOTE: C
● Stopping distance may be longer than vehicles without ABS when road condition is slippery.

● Driving the vehicle with the ABS actuator and electric unit (control unit) disconnected may induce DTCs
in electrical control units using CAN communication. After the inspection, clear all DTCs. Refer to LAN-
7, "CAN COMMUNICATION" . D
OK or NG
OK >> Go to BRC-143, "ABS Works Frequently" .
E
NG >> Perform Basic Inspection. Refer to BRC-110, "Basic Inspection" .
ABS Does Not Work EFS005FV

CAUTION: BRC
The ABS does not operate when the vehicle speed is 10 km/h (6 MPH) or less.

G
1. CHECK WARNING LAMP ACTIVATION
Turn ignition switch ON and check for warning lamp activation.
H
● Warning lamp should activate for approximately 2 seconds after turning the ignition switch ON.
OK or NG
OK >> Carry out self-diagnosis. Refer to BRC-116, "SELF-DIAGNOSIS" .
I
NG >> Go to BRC-146, "ABS Warning Lamp Does Not Come On When Ignition Switch Is Turned On" .
Pedal Vibration or ABS Operation Noise EFS005FW

NOTE: J
During ABS activation, pedal vibration may be felt and a noise may be heard. This is normal and does not indi-
cate a malfunction.
K

1. CHECK SYMPTOM
1. Apply brake. L
2. Start engine.
Does the symptom occur only when engine is started?
M
YES >> Carry out self-diagnosis. Refer to BRC-116, "SELF-DIAGNOSIS" .
NO >> GO TO 2.

2. RECHECK SYMPTOM
Does the symptom occur only when electrical equipment switches (such as headlamps) are turned on?

YES >> Check for radio, antenna or related wiring that is routed too close to the ABS actuator and electric
unit (control unit) and reroute as necessary.
NO >> Go to BRC-143, "ABS Works Frequently" .

Revision: October 2004 BRC-145 2005 Titan


TROUBLE DIAGNOSES FOR SYMPTOMS
[VDC/TCS/ABS]
ABS Warning Lamp Does Not Come On When Ignition Switch Is Turned On EFS005FX

1. CHECK ABS ACTUATOR AND ELECTRIC UNIT (CONTROL UNIT) FUSES


Check 40A fusible link i and 30A fusible link h for ABS actuator and electric unit (control unit). For fusible link
layout, refer to PG-4, "POWER SUPPLY ROUTING CIRCUIT" .
OK or NG
OK >> GO TO 2.
NG >> If fusible link is blown, be sure to eliminate cause of problem before replacing.

2. CHECK ABS ACTUATOR AND ELECTRIC UNIT (CONTROL UNIT) POWER SUPPLY CIRCUITS
1. Disconnect ABS actuator and electric unit (control unit) connec-
tor.
2. Check voltage between ABS actuator and electric unit (control
unit) connector terminal 1 (Y) and ground and terminal 32 (B/Y)
and ground.
Does battery voltage exist?
YES >> GO TO 3.
NO >> Repair harness or connectors between fusible link and
ABS actuator and electric unit (control unit).
WFIA0199E

3. CHECK ABS ACTUATOR AND ELECTRIC UNIT (CONTROL UNIT) GROUND CIRCUIT
Check continuity between ABS actuator and electric unit (control
unit) connector terminal 16 (B) and ground and terminal 47 (B) and
ground.
Does continuity exist?
YES >> Replace ABS actuator and electric unit (control unit).
Refer to BRC-152, "Removal and Installation" .
NO >> Repair harness or connectors between ABS actuator
and electric unit (control unit) and ground.

WFIA0196E

ABS Warning Lamp Stays On When Ignition Switch Is Turned On EFS005FY

1. CARRY OUT SELF-DIAGNOSIS


Carry out self-diagnosis. Refer to BRC-116, "SELF-DIAGNOSIS" .
Are malfunctions detected in self-diagnosis?
YES >> Refer to BRC-117, "Display Item List" .
NO >> Refer to DI-30, "WARNING LAMPS" .

Revision: October 2004 BRC-146 2005 Titan


TROUBLE DIAGNOSES FOR SYMPTOMS
[VDC/TCS/ABS]
Vehicle Jerks During TCS/VDC Activation EFS005FZ

1. ABS ACTUATOR AND ELECTRIC UNIT (CONTROL UNIT) SELF-DIAGNOSIS


Perform ABS actuator and electric unit (control unit) self-diagnosis. B
Are self-diagnosis result items displayed?
YES >> After checking and repairing the applicable item, perform the ABS actuator and electric unit (con-
trol unit) self-diagnosis again. C
NO >> GO TO 2.

2. ENGINE SPEED SIGNAL INSPECTION D

Perform data monitor with CONSULT-II for the ABS actuator and electric unit (control unit).
Is the engine speed at idle 400 rpm or higher? E
YES >> GO TO 4.
NO >> GO TO 3.

3. ECM SELF-DIAGNOSIS BRC

Perform ECM self-diagnosis.


Are self-diagnosis result items displayed? G
YES >> After checking and repairing the applicable item, perform the ECM self-diagnosis again.
NO >> GO TO 4.
H
4. TCM SELF-DIAGNOSIS
Perform TCM self-diagnosis.
I
Are self-diagnosis result items displayed?
YES >> After checking and repairing the applicable item, perform the TCM self-diagnosis again.
NO >> GO TO 5.
J
5. CONNECTOR INSPECTION
Disconnect the ABS actuator and electric unit (control unit) connector and the ECM connectors and check the K
terminals for deformation, disconnection, looseness or damage.
OK or NG
OK >> GO TO 6. L
NG >> Repair or replace as necessary.

6. CAN COMMUNICATION INSPECTION M


Check the CAN communication system. Refer to BRC-140, "CAN Communication System Inspection" .
OK or NG
OK >> Inspection End.
NG >> Refer to LAN-7, "CAN COMMUNICATION" .

Revision: October 2004 BRC-147 2005 Titan


ON-VEHICLE SERVICE
[VDC/TCS/ABS]
ON-VEHICLE SERVICE PFP:00000

Adjustment of Steering Angle Sensor Neutral Position EFS004SX

After removing/installing or replacing ABS actuator and electric unit (control unit), steering angle sensor, steer-
ing and suspension components which affect wheel alignment or after adjusting wheel alignment, be sure to
adjust neutral position of steering angle sensor before running vehicle.
NOTE:
Adjustment of steering angle sensor neutral position requires CONSULT-II.
1. Stop vehicle with front wheels in straight-ahead position.
2. Connect CONSULT-II and CONSULT-II CONVERTER to data
link connector on vehicle, and turn ignition switch ON (do not
start engine).
3. Touch “ABS”, “WORK SUPPORT” and “ST ANGLE SENSOR
ADJUSTMENT” on CONSULT-II screen in this order.

BBIA0369E

4. Touch “START”.
CAUTION:
Do not touch steering wheel while adjusting steering angle
sensor.
5. After approximately 10 seconds, touch “END”. (After approxi-
mately 60 seconds, it ends automatically.)
6. Turn ignition switch OFF, then turn it ON again.
7. Run vehicle with front wheels in straight-ahead position, then
stop.
8. Select “DATA MONITOR”, “SELECTION FROM MENU”, and WFIA0239E
“STR ANGLE SIG” on CONSULT-II screen. Then check that
“STR ANGLE SIG” is within 0±3.5 deg. If value is more than specification, repeat steps 1 to 5.
9. Erase memory of ABS actuator and electric unit (control unit) and ECM.
10. Turn ignition switch to OFF.
Calibration of Yaw Rate/Side/Decel G Sensor EFS004SY

After removing/installing or replacing ABS actuator and electric unit (control unit), yaw rate/side/decel G sen-
sor, steering and suspension components which affect wheel alignment or after adjusting wheel alignment, be
sure to calibrate the yaw rate/side/decel G sensor before running vehicle.
NOTE:
Calibration of yaw rate/side/decel G sensor requires CONSULT-II.
1. Stop vehicle with front wheels in straight-ahead position.
CAUTION:
● The work should be done on a level area with an unloaded vehicle.

● Keep all the tires inflated to the correct pressures. Adjust the tire pressure to the specified pres-
sure value.
2. Connect CONSULT-II with CONSULT-II CONVERTER to data link connector on vehicle, and turn ignition
switch ON (do not start engine).
CAUTION:
If CONSULT-II is used with no connection of CONSULT-II CONVERTER, malfunctions might be
detected in self-diagnosis depending on control unit which carries out CAN communication.
3. Touch "ABS", "WORK SUPPORT" and "DECEL G SEN CALIBRATION" on CONSULT-II screen in this
order. Refer to BRC-115, "CONSULT-II BASIC OPERATION PROCEDURE" .

Revision: October 2004 BRC-148 2005 Titan


ON-VEHICLE SERVICE
[VDC/TCS/ABS]
4. Touch "START".
CAUTION: A
Set vehicle as shown in the display.
5. After approximately 10 seconds, touch "END". (After approxi-
mately 60 seconds, it ends automatically.) B
6. Turn ignition switch OFF, then turn it ON again.
CAUTION:
Be sure to carry out above operation. C
7. Run vehicle with front wheels in straight-ahead position, then
stop. SFIA1162E

8. Select "DATA MONITOR", "SELECTION FROM MENU", and D


"DECEL G SEN" on CONSULT-II screen. Then check that "DECEL G SEN" is within ±0.08G. If value is
more than specification, repeat steps 3 to 7.
9. Erase memory of ABS actuator and electric unit (control unit) and ECM. E
10. Turn ignition switch to OFF.

BRC

Revision: October 2004 BRC-149 2005 Titan


WHEEL SENSORS
[VDC/TCS/ABS]
WHEEL SENSORS PFP:47910

Removal and Installation EFS004SZ

WFIA0374E

REMOVAL
1. Remove wheel sensor mounting screw.
● When removing the front wheel sensor, first remove the disc rotor to gain access to the front wheel sen-
sor mounting bolt. Refer to BR-24, "Removal and Installation of Brake Caliper and Disc Rotor" .
2. Pull out the sensor, being careful to turn it as little as possible.
CAUTION:
● Be careful not to damage sensor edge and sensor rotor teeth.

● Do not pull on the sensor harness.

3. Disconnect wheel sensor harness electrical connector, then remove harness from mounts.
INSTALLATION
Before installing wheel sensors,
● Inspect wheel sensor O-ring, replace sensor assembly if damaged.
● Clean wheel sensor hole and mounting surface with brake cleaner and a lint-free shop rag. Be careful that
dirt and debris do not enter the axle.
● Apply a coat of suitable grease to the wheel sensor O-ring and mounting hole.
Installation is in the reverse order of removal.

Revision: October 2004 BRC-150 2005 Titan


SENSOR ROTOR
[VDC/TCS/ABS]
SENSOR ROTOR PFP:47970
A
Removal and Installation EFS004T0

FRONT
The wheel sensor rotors are built into the wheel hubs and are not removable. If damaged, replace wheel hub B
and bearing assembly. Refer to FAX-5, "Removal and Installation" .
REAR
Removal C
1. Remove axle shaft assembly. Refer to RAX-6, "Removal and Installation" .
NOTE:
It is necessary to disassemble the rear axle to replace the sensor rotor. D
2. Pull the sensor rotor of off the axle shaft using Tool and a press.
Tool number : 205-D002 ( — )
E
Installation
1. Install new sensor rotor on axle shaft using a suitable length steel tube and a press. Make sure sensor
rotor is fully seated. BRC
CAUTION:
Do not reuse the old sensor rotor.
2. Install axle shaft assembly. Refer to RAX-6, "Removal and Installation" . G
CAUTION:
Do not reuse the axle oil seal. The axle oil seal must be replaced every time the axle shaft assem-
bly is removed from the axle shaft housing. H

Revision: October 2004 BRC-151 2005 Titan


ACTUATOR AND ELECTRIC UNIT (ASSEMBLY)
[VDC/TCS/ABS]
ACTUATOR AND ELECTRIC UNIT (ASSEMBLY) PFP:47660

Removal and Installation EFS004T1

WFIA0375E

1. To rear left 2. To rear right 3. To front left


4. To front right 5. From the master cylinder secondary side 6. From the master cylinder primary side
7. ABS actuator and electric unit (control
8. Harness connector
unit)

REMOVAL
1. Disconnect the negative battery terminal.
2. Remove the cowl top extension. Refer to EI-21, "Removal and Installation" .
3. Drain the brake fluid. Refer to BR-10, "Drain and Refill" .
4. Disconnect the actuator harness from the ABS actuator and electric unit (control unit).
CAUTION:
● To remove the brake tubes, use a flare nut wrench to prevent the flare nuts and brake tubes from
being damaged.
● Be careful not to splash brake fluid on painted areas.

5. Disconnect the brake tubes.


6. Remove the three bolts and remove the ABS actuator and electric unit (control unit).

Revision: October 2004 BRC-152 2005 Titan


ACTUATOR AND ELECTRIC UNIT (ASSEMBLY)
[VDC/TCS/ABS]
INSTALLATION
Installation is in the reverse order of removal. A
CAUTION:
To install, use a flare nut wrench (commercial service tool).
● Always tighten brake tubes to specification when installing. Refer to BR-12, "BRAKE PIPING AND B
HOSE" .
● Never reuse drained brake fluid.
● After installation of the ABS actuator and electric unit (control unit), perform the following. C
– Refill brake system with new brake fluid. Then bleed the air from the system. Refer to BR-11,
"Bleeding Brake System" .
D
– Adjust the steering angle sensor. Refer to BRC-148, "Adjustment of Steering Angle Sensor Neutral
Position" .
– Calibrate the decel G sensor. Refer to BRC-148, "Calibration of Yaw Rate/Side/Decel G Sensor" .
E

BRC

Revision: October 2004 BRC-153 2005 Titan


STEERING ANGLE SENSOR
[VDC/TCS/ABS]
STEERING ANGLE SENSOR PFP:25554

Removal and Installation EFS004T2

NOTE:
The steering angle sensor is an integral part of the spiral cable.
Refer to SRS-46, "Removal and Installation" .

Revision: October 2004 BRC-154 2005 Titan


G SENSOR
[VDC/TCS/ABS]
G SENSOR PFP:47930
A
Removal and Installation EFS004T3

REMOVAL
1. Remove center console or center seat as required. Refer to IP-10, "INSTRUMENT PANEL ASSEMBLY"
B
or SE-91, "FRONT SEAT" .
2. Remove yaw rate/side/decel G sensor attaching nuts as shown.
● The location of the sensor it the same for all models.
C
CAUTION:
● Do not use power tools to remove or install yaw rate/side/
decel G sensor.
D
● Do not drop or strike the yaw rate/side/decel G sensor.

3. Disconnect harness connector and remove the yaw rate/side/


decel G sensor.
E

WFIA0230E

INSTALLATION BRC
Installation is in the reverse order of removal.

Revision: October 2004 BRC-155 2005 Titan


G SENSOR
[VDC/TCS/ABS]

Revision: October 2004 BRC-156 2005 Titan

You might also like