KEMBAR78
Consumer Shutoff: General Cancellation of Shutoff Stages | PDF | Power Supply | Voltage
0% found this document useful (0 votes)
549 views1 page

Consumer Shutoff: General Cancellation of Shutoff Stages

The document summarizes the consumer shutoff process that the battery control module uses to protect the vehicle's electrical system. It has three stages: shutoff stage 1 occurs at 11V and shuts off some comfort functions; shutoff stage 2 occurs at 10.7V and shuts off more functions; emergency stage 3 activates the auxiliary battery at 10.5V or less to further stabilize the system and warns the driver to stop the vehicle if the voltage continues dropping below 10.5V.

Uploaded by

rodeoa
Copyright
© © All Rights Reserved
We take content rights seriously. If you suspect this is your content, claim it here.
Available Formats
Download as PDF, TXT or read online on Scribd
0% found this document useful (0 votes)
549 views1 page

Consumer Shutoff: General Cancellation of Shutoff Stages

The document summarizes the consumer shutoff process that the battery control module uses to protect the vehicle's electrical system. It has three stages: shutoff stage 1 occurs at 11V and shuts off some comfort functions; shutoff stage 2 occurs at 10.7V and shuts off more functions; emergency stage 3 activates the auxiliary battery at 10.5V or less to further stabilize the system and warns the driver to stop the vehicle if the voltage continues dropping below 10.5V.

Uploaded by

rodeoa
Copyright
© © All Rights Reserved
We take content rights seriously. If you suspect this is your content, claim it here.
Available Formats
Download as PDF, TXT or read online on Scribd
You are on page 1/ 1

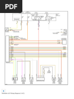
Consumer shutoff

Models 211/219
General Cancellation of shutoff stages
One of the most important functions of the battery Shutoff stage 2 is canceled at an estimated voltage of >
control module (N82) is dynamic load management 11.3 V; shutoff stage 1 at > 11.5 V.
(consumer shutoff) to safeguard the stability of the on
The following message is displayed to the driver in the
board electrical system.
instrument cluster (Al):
The battery control module (N82) transmits the shutoff
Comfort functions are available again
request or load reduction centrally to all the consumers
(control modules) on the on-board electrical system Emergency stage 3 (activation of auxiliary battery
battery circuit as required. [G1/7])

The voltage threshold and the consumer shutoff func- At a voltage of 10.5 V or if the internal resistance of the
tion differ according to the operating states: battery (G1) is too high, the battery control module
(N82) triggers the activation of the auxiliary battery
• Shutoff stage 1
(G1/7) via the auxiliary battery relay (K57/2).
• Shutoff stage 2
• Emergency stage 3 This stabilizes the on-board electrical system for a short
time; the message in the instrument cluster (A1)
Shutoff stage 1
remains the same as for shutoff stage 1 and shutoff
At a voltage of 11 V, shutoff stage 1 is triggered by the stage 2.
battery control module (N82). Thereupon, the
If the on-board electrical system remains unstable
consumers listed in the table “Consumer shutoff’ shut
despite activation of the auxiliary battery (G1/7) or if
down automatically.
the on-board power supply voltage continues to drop
The following message is displayed to the driver in the from 10.5 V, the following message is displayed to the
instrument cluster (Al): driver in the instrument cluster (A1):
Battery protection: Comfort functions are tempo- Battery/Alternator - Stop Vehicle!
rarily switched off
Activation of this so-called “final braking message
Shutoff stage 2 10.5 V is designed so that the battery (G1) can still
deliver 100 A for at least 15 secs. without the on-board
At a voltage of 10.7 V, shutoff stage 2 is triggered by the
power supply voltage falling below 9.3 V.
battery control module (N82). Thereupon, the
consumers listed in the table ‘Consumer shutoff’ shut
down automatically.
The message for the driver in the instrument cluster (A1)
remains the same.

$ Note
As of 6-1-06 the consumer shutoff is controlled by the
battery sensor (B95).

Overview of Battery and On-board Electrical System 62

You might also like