KEMBAR78
Motherboard Components and Function | PDF | Usb | Solid State Drive
0% found this document useful (0 votes)
744 views3 pages

Motherboard Components and Function

The document describes the key components and functions of a motherboard. It lists 19 components, including the back panel for connecting external devices, PCI and PCIe slots for expansion cards, the CPU socket, power connectors, RAM slots, chipset components like the northbridge and southbridge, and connectors for hard drives, fans, buttons and ports. The motherboard allows the CPU to communicate with components like graphics cards, RAM, storage devices and ports through its chipsets and connectors.

Uploaded by

Cherris
Copyright
© © All Rights Reserved
We take content rights seriously. If you suspect this is your content, claim it here.
Available Formats
Download as DOCX, PDF, TXT or read online on Scribd
0% found this document useful (0 votes)
744 views3 pages

Motherboard Components and Function

The document describes the key components and functions of a motherboard. It lists 19 components, including the back panel for connecting external devices, PCI and PCIe slots for expansion cards, the CPU socket, power connectors, RAM slots, chipset components like the northbridge and southbridge, and connectors for hard drives, fans, buttons and ports. The motherboard allows the CPU to communicate with components like graphics cards, RAM, storage devices and ports through its chipsets and connectors.

Uploaded by

Cherris
Copyright
© © All Rights Reserved
We take content rights seriously. If you suspect this is your content, claim it here.
Available Formats
Download as DOCX, PDF, TXT or read online on Scribd
You are on page 1/ 3

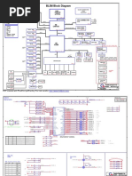
MOTHERBOARD COMPONENTS AND FUNCTION

1. BACK PANNEL- Connectors and ports for connecting the computer to external
devices such as display ports, audio ports, USB ports, Ethernet ports, PS/2 ports
etc. See image below for a close-up view.

2. PCI slot - PCI: Peripheral Component Interconnect


Slot for older expansion cards such as sound cards, network cards, connector
cards. See image below for a close-up view.
Have been largely replaced by PCI-Express x1 slots (see motherboard parts #3
below).

3. PCI Express x1 Slots - Slot for modern expansion cards such as sound cards,
network cards (Wi-Fi, Ethernet, Bluetooth), connector cards (USB, FireWire,
eSATA) and certain low-end graphics cards. See image below for a close-up view.

4. PCI Express x16 Slot - Slot for discrete graphic cards and high bandwidth devices
such as top-end solid state drives. See image below for a close-up view.
5. NORTH BRIDGE - Also known as Memory Controller Hub (MCH). Chipset that
allows the CPU to communicate with the RAM and graphics card.
Beginning from Intel Sandy Bridge in 2011, this motherboard component is no
longer present as it has been integrated within the CPU itself.

6. CPU SOCKET - Insert CPU here. To learn how to install a CPU

7. ATX 12V Power Connector - Connects to the 4-pin power cable of a power supply
unit which supplies power to the CPU.

8. Front Panel USB 2.0 Connectors - Connects to USB 2.0 ports at the front or top of a
computer case.
9. Front Panel Connectors - Connects to the power switch, reset switch, power LED,
hard drive LED and front audio ports of a computer case. See image above for a
close-up view.
10. IDE Connector - Connects to older hard drive disks and optical drives for data
transfer.
11. CMOS Battery - Supplies power to store BIOS settings and keep the real-time clock
running.
12. Southbridge - Also known as the Input/Output Controller Hub (ICH).
Chipset that allows the CPU to communicate with PCI slots, PCI-Express x 1 slots
(expansion cards), SATA connectors (hard drives, optical drives), USB ports (USB
devices), Ethernet ports and on-board audio.
13. SATA Connectors - Connects to modern hard disk drives, solid state drives and
optical drives for data transfer. See image above for a close-up view.
14. Fan Headers - Supplies power to the CPU heat sink fan and computer case fans
15. RAM Slots - Insert RAM here
16. ATX Power Connector - Connects to the 24-pin ATX power cable of a power supply
unit which supplies power to the motherboard.
17. SATA Connector - Connects to a mSATA solid state drive. In most cases, this SSD
is used as cache to speed up hard disk drives, but it's possible to re-purpose it as a
regular hard drive.
18. Front Panel USB 3.0 Connector- Connects to USB 3.0 ports at the front or top of
the computer case.
19. Power & Reset Button - Onboard button to turn on, turn off and reboot the
computer.

You might also like