KEMBAR78
PRX Series SW1 Schematic (Input Module) | PDF | Analog To Digital Converter | Electrical Circuits
100% found this document useful (2 votes)
641 views5 pages

PRX Series SW1 Schematic (Input Module)

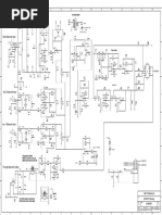
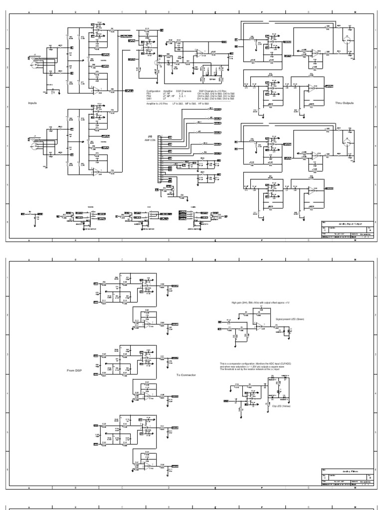
This document provides a diagram and description of an amplifier configuration. The diagram shows signal routing between amplifiers, DSP channels, and J10 pins. It also includes a comparator configuration to monitor the ADC input for clipping, indicated by a yellow LED.

Uploaded by

alexnder gallego
Copyright
© © All Rights Reserved
We take content rights seriously. If you suspect this is your content, claim it here.
Available Formats
Download as PDF, TXT or read online on Scribd
100% found this document useful (2 votes)
641 views5 pages

PRX Series SW1 Schematic (Input Module)

This document provides a diagram and description of an amplifier configuration. The diagram shows signal routing between amplifiers, DSP channels, and J10 pins. It also includes a comparator configuration to monitor the ADC input for clipping, indicated by a yellow LED.

Uploaded by

alexnder gallego
Copyright
© © All Rights Reserved
We take content rights seriously. If you suspect this is your content, claim it here.
Available Formats
Download as PDF, TXT or read online on Scribd
You are on page 1/ 5

4

+
3
1
-
2 8

4
+
3
1
2 8 -
- 2 8
1
3
+ 6
4 - +
7 5
5 7
+ -
6

4
+ +
6 3 5
-
7 1 7
- -
5 Configuration Amplifier DSP Channels DSP Channels to J10 Pins 2 8 6
+
FR1 LF, HF 1, 2 Ch1 to 2&3, Ch2 to 8&9, Ch3 to 5&6
FR2 LF, MF, HF 3, 2, 1 Ch3 to 2&3, Ch2 to 5&6, Ch1 to 8&9
SW1 LF 1 Ch1 to 2&3, Ch2 to 8&9, Ch3 to 5&6
----------------------------------------------------------------------------------------------------------------
Inputs Amplifier to J10 Pins LF to 2&3, MF to 5&6, HF to 8&9 Thru Outputs
4
+
3
1
-
2 8

1
J10 2
AMP CON 3
+
4
4 3
5 1
-
6 2 8
7
8
+
9 5
10 7
-
11 6
12
13
14
6 15
-
7 16
5 17
+
18
19
20

4
+ +
3 5
1 7
- -
2 8 6
2 8
-
1
3
+
4

High gain (244), BW=1Khz with output offset approx +1V

Signal present LED (Green)


6
-
7 6
-
5 7
+
5
+ D2

2 8
-
1
3
+
4
This is a comparator configuration. Monitors the ADC input (CLPADC)
and when near saturation (+/- 1.20V pk) outputs a square wave
The threshold is set by the resistor network at the (+) input
From DSP
To Connector

D1

6
-
7 4
+
5 3
+
1
-
2 8

Clip LED (Yellow)

2 8
-
1
3
+
4

6
-
7
5
+
Short Pins 1&2 , 3&4

To DSP

From Audio Input

From CPU
To DSP

To Relays

To ADC

To AMPLIFIER
To Analog Outputs

From CPU

From ADC

You might also like