KEMBAR78
PLC Con Atmega328p PDF | PDF
100% found this document useful (1 vote)
509 views1 page

PLC Con Atmega328p PDF

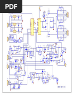
This document appears to be a circuit diagram for an isolated control system. It shows various electrical components connected together including resistors, capacitors, transistors, and integrated circuits. The diagram has labels for inputs, outputs, power sources and ground connections between the different parts of the circuit.

Uploaded by

Juan Sanchez
Copyright
© © All Rights Reserved
We take content rights seriously. If you suspect this is your content, claim it here.
Available Formats
Download as PDF, TXT or read online on Scribd
100% found this document useful (1 vote)
509 views1 page

PLC Con Atmega328p PDF

This document appears to be a circuit diagram for an isolated control system. It shows various electrical components connected together including resistors, capacitors, transistors, and integrated circuits. The diagram has labels for inputs, outputs, power sources and ground connections between the different parts of the circuit.

Uploaded by

Juan Sanchez
Copyright
© © All Rights Reserved
We take content rights seriously. If you suspect this is your content, claim it here.
Available Formats
Download as PDF, TXT or read online on Scribd
You are on page 1/ 1

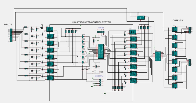
U19

7805

1 VI VO 3

GND
OUTPUTS

2
HIGHLY ISOLATED CONTROL SYSTEM
INPUTS D2 RL1
U1
1 A C 4 R33 1
3.3k 1/2 W Q0.7
COM I2C 1k 2
D1 R2 U11 Q0.6

GND
6 3

SDA

SCL
I0.7 Q0.5

5V
5 5k 2 3 1 A C 4
I0.6
4 K E R17 1
I0.5 10k D24 Q0.4
3 TLP127 2
I0.4 L2
I0.3 2 U2 2 3
1 K E
I0.2 1 A C 4 U9:A RL2
3.3k 1/2 W TLP127
I0.1 3
D3 R4 1 2 U12
I0.0 2 5k A C
2 3 1 4
1 K E
M1 74HC14 D23
TLP127
M 2 U9:B
U3 2 3
1 K E
+24V 1 A C 4 3 4 10k
3.3k 1/2 W TLP127
RL3
D5 R6 U13
5k 74HC14 A C
2 3 1 4
K E U9:C 1 Rst A5
TLP127 2 Rx A4
28 D22
5 6 3 27
U4 Tx A3 2 3
4 26
PIN2 A2 K E
1 A C 4 5 25
3.3k 1/2 W 74HC14 PIN3 A1 TLP127

pin9
6 24
D7 R8 U9:D 7
PIN4 A0
23 U14
5k VCC GND U10 RL4
2 3 8 22 1 A C 4
13 12 GND AREF
K E 9 21 D21 10
OSC1 VCC COM
10 20 1 18
TLP127 OSC2 PIN13 1B 1C
U5 74HC14 11 19 2 3 2 17
PIN5 PIN12 2B 2C
U9:E 12 18 K E 3 16
3.3k 1/2 W 1 A C 4 PIN6 PIN11 3B 3C
13 17 TLP127 4 15
PIN7 PIN10 4B 4C
D9 R10 11 10 14 PIN8 PIN9
16 U15 5 5B 5C 14
5k 15 6 13
2 3 1 A C 4 6B 6C
K E 7 7B 7C 12 RL5
74HC14 D20
TLP127 8 8B 8C 11
U9:F 1 Q0.3
U6 2 3 2 Q0.2
K E ULN2803
A C 9 8 3 Q0.1
3.3k 1/2 W 1 4 TLP127
D11 R12 74HC14 U16 1 Q0.0
5k 2 3
X1 1 A C 4
2 L1
K E 1 2 D19
TLP127 RL6
U7 2 3
CRYSTAL
1 A C 4 C2 C1 FREQ=16MHz
K E
3.3k 1/2 W 0.1uF 0.1uF TLP127
D13 R14 C3 U17
5k 2 3 C4 1 A C 4
22pF
K E 22pF
TLP127
D18
U8 2 3 RL7
K E
3.3k 1/2 W 1 A C 4 COM SERIAL TLP127
D15 R16 U18
5k 2 3 1 A C 4
K E 5V D17
TLP127
GND 2 3
K E RL8
RX TX
TLP127
TX RX
R25
220

You might also like