KEMBAR78
Computer Control System | PDF | Fuel Injection | Throttle
100% found this document useful (1 vote)
796 views67 pages

Computer Control System

The document describes the 1988 Toyota Celica computer control system (TCCS). The TCCS controls the engine's emission, ignition, and fuel systems using an electronic control unit (ECU) that receives input from various sensors. The ECU controls the electronic fuel injection, spark advance, idle speed, and exhaust gas recirculation to maintain proper air-fuel ratio and engine performance. The TCCS uses sensors to monitor engine and vehicle conditions and diagnose issues, activating a check engine light when faults are found.

Uploaded by

Toua Yaj
Copyright
© Attribution Non-Commercial (BY-NC)
We take content rights seriously. If you suspect this is your content, claim it here.
Available Formats
Download as PDF, TXT or read online on Scribd
100% found this document useful (1 vote)
796 views67 pages

Computer Control System

The document describes the 1988 Toyota Celica computer control system (TCCS). The TCCS controls the engine's emission, ignition, and fuel systems using an electronic control unit (ECU) that receives input from various sensors. The ECU controls the electronic fuel injection, spark advance, idle speed, and exhaust gas recirculation to maintain proper air-fuel ratio and engine performance. The TCCS uses sensors to monitor engine and vehicle conditions and diagnose issues, activating a check engine light when faults are found.

Uploaded by

Toua Yaj
Copyright
© Attribution Non-Commercial (BY-NC)
We take content rights seriously. If you suspect this is your content, claim it here.
Available Formats
Download as PDF, TXT or read online on Scribd
You are on page 1/ 67

COMPUTER CONTROL SYSTEM

1988 Toyota Celica

1988 Computerized Engine Controls


TOYOTA COMPUTER CONTROL SYSTEM

Celica

DESCRIPTION
The Toyota Computer Control System (TCCS) is a computerized
emission, ignition and fuel control system. The TCCS controls
Electronic Fuel Injection (EFI), engine operation and lowers exhaust
emissions while maintaining good fuel economy and driveability.
The Electronic Control Unit (ECU) controls the TCCS. The ECU
contains data used for maintaining ignition timing under all operating
conditions. Input from various sensors allows the ECU to deliver spark
at precise timing. The ECU controls engine related systems to adjust
engine operation.
The TCCS is primarily an emission control system, designed to
maintain proper air/fuel ratio at all operating conditions.

OPERATION
The TCCS consists of the following subsystems: Electronic
Fuel Injection (EFI) system, data sensors, Electronic Control Unit
(ECU), Electronic Spark Advance (ESA) system, Idle Speed Control (ISC)
system, EGR Control, Electronic Controlled Transmission (ECT),
diagnostic system and catalytic converter.

ELECTRONIC FUEL INJECTION (EFI)


All models are equipped with a Bosch AFC fuel injection
system. An electric fuel pump provides fuel to the fuel pressure
regulator. Pressure regulator maintains constant fuel pressure to the
injectors.
The ECU controls the injection duration in accordance with
engine conditions to provide efficient engine operation. For more
information, see BOSCH AFC FUEL INJECTION article in the FUEL SYSTEMS
section.

DATA SENSORS
NOTE: The following data sensors are not necessarily used on
every model. Note engine application. See TOYOTA ENGINE
CODE IDENTIFICATION chart and appropriate computer control
system schematic. See Figs. 6 through 8.

A/C Switch
Switch sends a signal to the ECU during A/C operation. ECU
uses this signal for controlling idle speed during A/C operation.

Airflow Sensor
Airflow sensor, mounted within the airflow meter, measures
airflow rate through the airflow meter. Signal is sent to ECU for
controlling fuel injection duration and spark advance system.

Air Temperature Sensor


Sensor is mounted in the airflow meter. Sensor measures
incoming air temperature. Signal is sent to ECU for controlling fuel
injection duration.
Cold Start Injector Time Switch
Switch determines coolant temperature and sends signal to
ECU on some models for cold start injector control.

Coolant Temperature Sensor


Coolant temperature sensor sends signal to ECU in relation
to coolant temperature. ECU uses sensor signal for controlling fuel
injection duration, spark advance system, idle speed control system
and EGR system.

Coolant Temperature Switch


Switch monitors coolant temperature and sends signal to ECU.

EGR Gas Temperature Sensor


Sensor determines EGR gas temperature and sends signal to
ECU.

Engine Speed
Engine speed signal information is received from the ignition
coil. The ECU uses these signals for fuel injection duration control
and spark advance system operation.

Knock Sensor
Sensor monitors ignition knock conditions and sends signal
to ECU.

Neutral/Start Switch
Switch is installed on A/T models to inform ECU of gear
selection. Information is used by the ECU to allow starter operation
and control engine idle.

Oxygen (O2) Sensor


Oxygen sensor is installed in the exhaust system and monitors
oxygen content of exhaust gases. Signal is sent to the ECU and is used
for determining fuel injection duration.

Sub-Oxygen Sensor (Calif. Only)


Sensor is used in conjunction with O2 sensor. Sensor monitors
oxygen content of exhaust gases and sends signal to the ECU.

Throttle Position Sensor (TPS)


Throttle Position Sensor (TPS) is mounted on throttle body.
Sensor determines changes in throttle valve positions and send signals
to the ECU. Signals are used for controlling fuel injection duration
and idle speed control system.

Turbo Pressure Sensor


Sensor monitors turbo pressure and sends signal to ECU.

Vehicle Speed Sensor (VSS)


Sensor is used to monitor vehicle speed. Vehicle speed
information is used by the ECU for cruise control and electronic
control of automatic transmission.

4WD Switch
Switch indicates 4WD operation and sends signal to ECU.

TOYOTA ENGINE CODE IDENTIFICATION



Application Code

4-Cylinder Engine
Celica
Non-Turbo ............................... 3S-FE & 3S-GE
Turbo .......................................... 3S-GTE


ELECTRONIC CONTROL UNIT (ECU)


The ECU controls all functions of the TCCS. The ECU receives
signals from the data sensors and switches. Signals are processed by
the ECU for controlling the Electronic Fuel Injection (EFI),
Electronic Spark Advance (ESA), Idle Speed Control (ISC), Electronic
Controlled Transmission (ECT) and EGR systems.
The ECU contains a fail-safe function used in case of a data
sensor or switch failure. This function provides a back-up system to
provide minimal driveability. The "CHECK ENGINE" light will also be
activated during this function.

DIAGNOSTIC SYSTEM
The ECU is equipped with a self-diagnostic system which
detects system failures or abnormalities. When malfunction occurs, the
"CHECK ENGINE" light on instrument panel is activated. On models with
Super Monitor Display, trouble code may be obtained from the screen on
the instrument panel.
By analyzing various signals, the ECU detects system
malfunctions related to various operating parameter sensors. The ECU
stores trouble codes associated with the detected failure until the
diagnostic system is cleared. The "CHECK ENGINE" light will go out
when trouble codes are cleared.

COMPONENT LOCATIONS

Fig. 1: Non-Turbo 3S-FE TCCS Component Locations


Courtesy of Toyota Motor Sales, U.S.A., Inc.
Fig. 2: Non-Turbo 3S-GE TCCS Component Locations
Courtesy of Toyota Motor Sales, U.S.A., Inc.
Fig. 3: Non-Turbo TCCS Component Locations
Courtesy of Toyota Motor Sales, U.S.A., Inc.

Fig. 4: 4WD Turbo (1 of 2) TCCS Component Locations


Courtesy of Toyota Motor Sales, U.S.A., Inc.
Fig. 5: 4WD Turbo (2 of 2) TCCS Component Locations
Courtesy of Toyota Motor Sales, U.S.A., Inc.
Fig. 6: 3S-FE 2WD Computer Control System
Courtesy of Toyota Motor Sales, U.S.A., Inc.
Fig. 7: 3S-GE Computer Control System
Courtesy of Toyota Motor Sales, U.S.A., Inc.
Fig. 8: 4WD Computer Control System
Courtesy of Toyota Motor Sales, U.S.A., Inc.

DIAGNOSIS & TESTING INFORMATION

DIAGNOSIS
1) Ensure all engine systems NOT related to TCCS are fully
operational. Do not proceed with testing until all other problems have
been repaired. Ensure fuses, fusible links and wire connectors are in
good condition before diagnosing ECU.
2) Enter diagnostic mode and record trouble codes. Exit
diagnostic mode. If no trouble codes were displayed, proceed to
appropriate DIAGNOSTIC CIRCUIT CHECK charts. Follow instructions given
there.
3) If no trouble codes were displayed after performing
diagnostic circuit check, perform voltage and resistance checks. See
appropriate ECU PIN VOLTAGE TEST chart in this article.
4) If trouble codes are displayed, perform tests to confirm
cause of malfunction which set the corresponding trouble code.
5) After any repairs are made, clear trouble codes and
perform diagnostic circuit check. Normal system operation code should
be displayed if repair solved cause of malfunction.
CHECK ENGINE LIGHT
Turn ignition on. The "CHECK ENGINE" light will activate with
ignition on and engine not running. Start engine and note that light
is not activated. If light remains activated, a system malfunction or
abnormality exists.

RETRIEVING TROUBLE CODES


1) Ensure battery voltage is greater than 11 volts and
throttle valve is fully closed. Place transmission or transaxle in
Neutral and turn off all accessory switches.
2) To enter diagnostic mode, turn ignition on. DO NOT start
engine. Install jumper wire between terminals of engine check
connector. See Fig. 9.

Fig. 9: Installing Engine Check Connector Jumper Wire


Courtesy of Toyota Motor Sales, U.S.A., Inc.

3) Count number of flashes from "CHECK ENGINE" light. If


system is operating properly (with no codes), "CHECK ENGINE" light
will blink continuously and evenly.
4) On all models, a code will be identified by a .5 second
flash on and off for the first number. A 1.5 second pause will occur
followed by the second number. See Fig. 10.
5) If more than one code is stored, a 2.5 second pause will
occur prior to the flashing of the second code. Once all codes have
been displayed, a 4.5 second pause will occur and code(s) will repeat.
7) On all models, trouble codes are given from smallest value
in order to largest value. After code(s) are retrieved, remove jumper
wire to exit diagnostic mode.
8) Compare trouble code to that listed to locate probable
cause. See appropriate TROUBLE CODE IDENTIFICATION and TROUBLE CODES &
PROBABLE CAUSE tables.

CAUTION: Ensure trouble codes are cleared after performing repair.


Road test and recheck that trouble code does not exist.

Clearing Trouble Codes


1) After repairs are performed, clear ECU memory of all
stored trouble codes. To clear memory, turn ignition off and remove
EFI 15 Amp fuse from fuse block for 30 seconds or more.
2) Fuse may require to be removed longer depending on the
ambient temperature. Replace fuse and exit diagnostic mode. Trouble
codes can also be cleared by disconnecting vehicle battery. However,
other memory functions (clock, etc.), will need to be reset.

Fig. 10: Example of Trouble Codes


Courtesy of Toyota Motor Sales, U.S.A., Inc.

SYSTEM TESTING
1) If trouble codes exist and diagnostic circuit check has
been performed, compare code with appropriate code chart for circuits
and components associated with trouble code(s). Trouble code flow
charts are arranged in alphabetical order by each model. A test No.
has been assigned each chart. The test No. and trouble code are in
numerical order for each model. All ECU pin identifications are at end
of TROUBLE CODES & PROBABLE CAUSE charts.
2) If no code is present, circuit checking is necessary. Each
model has an ECU PIN VOLTAGE TEST table after DIAGNOSTIC CIRCUIT CHECK
flow chart. DIAGNOSTIC CIRCUIT CHECK flow chart is the first flow
chart on each model. Using ECU PIN VOLTAGE TEST table, check
appropriate circuits using the test No. in the right column of the
appropriate table.
3) Component testing will also be necessary. All component
testing available from manufacturer and pertaining to CEC, follow the
CEC flow charts. For components not covered, see appropriate article
in FUEL or DISTRIBUTORS & IGNITION SYSTEMS.

TROUBLE CODE I.D.


TROUBLE CODE IDENTIFICATION

Code No. Circuit Affected

No Code .................................... System Normal


11 .............................................. ECU (B+)
12 & 13 ....................................... RPM Signal
14 ....................................... Ignition Signal
21 .................................. Oxygen Sensor Signal
22 ........................... Coolant Temp. Sensor Signal
23 ........................ Intake Air Temp. Sensor Signal
24 ........................ Intake Air Temp. Sensor Signal
25 (1) ............................. Lean Air/Fuel Mixture
26 (1) ............................. Rich Air/Fuel Mixture
31 .................................. Airflow Meter Signal
32 .................................. Airflow Meter Signal
(2) HAC Sensor Signal
34 (2) ............................. Turbocharger Pressure
35 (3) ............................. Turbocharger Pressure
41 ....................... Throttle Position Sensor Signal
42 ........................... Vehicle Speed Sensor Signal
43 ........................................ Starter Signal
51 ......................................... Switch Signal
52 (4) ............................... Knock Sensor Signal
53 (4) ........................ Knock Sensor Control (ECU)
54 (3) ............................ Intercooler ECU Signal
71 (5) ............................ EGR System Malfunction

(1) - Only applicable to 3S-GE and 4WD models.


(2) - Only applicable to 4WD models.
(3) - Only applicable to 4WD models.
(4) - Only applicable to 4WD models.
(5) - Only applicable to 3S-GE and Calif. applications of
4WD models.

TROUBLE CODES & PROBABLE CAUSE

Code No. Probable Cause

11 ............................ Main Relay and/or Circuit,


Ignition Switch and/or Circuit, ECU
12 ....... Distributor and/or Circuit, Starter Signal, ECU
13 ....................... Distributor and/or Circuit, ECU
14 ............ Ignition Coil, Ignitor and/or Circuit, ECU
21 ..................... O2 Sensor and/or O2 Heater Signal
and/or Circuit, ECU
22 .............. Coolant Temp. Sensor and/or Circuit, ECU
24 ............... Intake Air Temp. Sensor or Circuit, ECU
25 (1) ........ Injector and/or Circuit, O2 Sensor and/or,
Circuit, Fuel Line Pressure, Airflow Meter,
Coolant Temp. Sensor, Ignition System, ECU
26 (1) ...... Injector and/or Circuit, Fuel Line Pressure,
Cold Start Injector, Airflow Meter,
Coolant Temp. Sensor, ECU
31 ..................... Airflow Meter and/or Circuit, ECU
34 (2) ...................... Turbo, Turbo Pressure Sensor
and/or Circuit, ECU
35 (2) ............. Turbo Pressure Sensor and/or Circuit,
Airflow Meter, ECU, Intercooler
41 .......... Throttle Position Sensor and/or Circuit, ECU
42 ...................... Speed Sensor and/or Circuit, ECU
43 ................... Ignition Switch and/or Circuit, ECU
51 ............... Throttle Position Sensor and/or Circuit
A/C Switch Circuit, A/C Amplifier, ECU
Neutral/Start Switch and/or Circuit,
Accelerator Pedal and/or Cable
52 (3) ...................... Knock Sensor or Circuit, ECU
53 (3) ............................................... ECU
54 (4) ................. Intercooler, Coolant Level Sensor
and/or Circuit, Intercooler Water Pump
and/or Circuit, Intercooler ECU, ECU
71 (5) ........... EGR System, EGR Gas Temp. Sensor and/or
Circuit, BVSV for EGR and/or Circuit, ECU

(1) - 4WD & 3S-GE California models only.


(2) - On 4WD models.
(3) - On 4WD models.
(4) - On 4WD models.
(5) - 4WD California models only.


ECU CONNECTOR I.D.

Fig. 11: 3S-FE ECU Connector Pin Identification

Fig. 12: 3S-GE ECU Connector Pin Identification


Fig. 13: All TRAC 4WD, 3S-GTE ECU Connector Pin Identification

DIAGNOSTIC CHARTS

DIAGNOSTIC CIRCUIT CHECK

Fig. 14: Diagnostic Circuit Check, Schematic


Fig. 15: Diagnostic Circuit Check, Flow Chart

ECU PIN VOLTAGE TEST


Fig. 16: ECU Pin Voltage Test (2WD)
Fig. 17: ECU Pin Voltage Test (4WD)

NO. 1 TEST, CODE 11 ECU (+B) CIRCUIT


Fig. 18: No. 1 Test Schematic, Code 11 ECU (+B) Circuit
Fig. 19: No. 1 Test Flow Chart, Code 11 ECU (+B) Circuit

NO. 2 TEST, CODE 12, 13, 14, RPM & IGNITION SIGNAL
Fig. 20: No. 2 Test, Code 12, 13, 14, RPM & Ign. Sig. (2WD W/3S-FE)
Schematic

Fig. 21: No. 2 Test, Code 12, 13, 14, RPM & Ign. Sig. (2WD (3S-GE)) &
4WD) Schematic
Fig. 22: No. 2 Test, Code 12, 13, 14, RPM & Ign. Sig. Flow Chart

NO. 3 TEST, CODE 21, 25, 26, O2 SENSOR SIGNAL


Fig. 23: No. 3 Test, Code 21, 25, 26 Schematic, O2 Sensor Signal
Fig. 24: No. 3 Test, Code 21, 25, 26 Flow Chart, O2 Sensor Signal
Fig. 25: No. 3 Test, Code 21, 25, 26, O2 Sensor Operation Check

NO. 4 TEST, CODE 22, COOLANT TEMP. SENSOR SIGNAL

Fig. 26: No. 4 Test, Code 22 Schematic, Coolant Temp. Sensor Signal
Fig. 27: No. 4 Test, Code 22 Flow Chart, Coolant Temp. Sensor Signal

NO. 5 TEST, CODE 24, INTAKE AIR TEMP. SENSOR SIGNAL


Fig. 28: No. 5 Test, Code 24 Schematic, Intake Air Temp. Sens. Signal

Fig. 29: No. 5 Test, Code 24 Flow Chart, Intake Air Temp. Sens. Sig.

CODE 25, 26, AIR/FUEL, LEAN OR RICH


NOTE: Use No. 3 test in this article.
NO. 6 TEST, CODE 31, 32, AIRFLOW METER SIGNAL

Fig. 30: No. 6 Test, Code 31, 32 Schematic, Airflow Meter Signal

Fig. 31: No. 6 Test, Code 31, 32 Flow Chart, Airflow Meter Signal

NO. 7 TEST, CODE 34, 35, TURBO PRESSURE SIGNAL


Fig. 32: No. 7 Test, Code 34, 35 Schematic, Turbo Pressure Signal
Fig. 33: No. 7 Test, Code 34, 35 Flow Chart, Turbo Pressure Signal

NO. 8 TEST, CODE 41, THROTTLE POSITION SENSOR SIGNAL


Fig. 34: 2WD (W/3S-FE) No. 8 Test, Code 41 Schematic, TPS Sens. Sig.
Fig. 35: 2WD (W/3S-FE) No. 8 Test, Code 41 Flow Chart, TPS Sens. Sig.
Fig. 36: 2WD (W/3S-FE) No. 8 Test, Code 41, TPS Sensor Signal Check

Fig. 37: 2WD (W/3S-GE) & 4WD, No. 8 Test, Code 41 Schematic, TPS Sens
Signal
Fig. 38: 2WD (W/3S-GE) & 4WD, TPS Sens. Connector
Fig. 39: 2WD (W/3S-GE) & 4WD, Flow Chart (1 of 3) No. 8 Test, Code 41
TPS Sensor Signal
Fig. 40: 2WD (W/3S-GE) & 4WD, Flow Chart (2 of 3) No. 8 Test, Code 41
TPS Sensor Signal
Fig. 41: 2WD (W/3S-GE) & 4WD, Flow Chart (3 of 3) No. 8 Test, Code 41
TPS Sensor Signal

CODE 42, VEHICLE SPEED SENSOR


NOTE: See component test in this article.

NO. 9 TEST, CODE 43, STARTER SIGNAL


Fig. 42: No. 9 Test, Code 43 Schematic, Starter Signal
Fig. 43: No. 9 Test, Code 43 Flow Chart, Starter Signal

CODE 51
No "IDL", "NSW" or "A/C" Signal to ECU,
With Check Connector Terminals "E1" & "T" Shorted

NOTE: No further information available from manufacturer.

CODE 52, 53, KNOCK SENSOR SIGNAL


Open or Short in Knock Sensor Signal (KNK)
or Knock Control in ECU Faulty

NOTE: No further information available from manufacturer.

CODE 54, INTERCOOLER ECU SIGNAL


Due to Low Coolant Level for Intercooler
and/or Defective Intercooler Water Pump Motor

NOTE: No further information available from manufacturer.

NO. 10 TEST, CODE 71, EGR SYSTEM SIGNAL

Fig. 44: No. 10 Test, Code 71 Schematic, EGR System Signal


Fig. 45: No. 10 Test, Code 71 Flow Chart, EGR System Signal

NO. 11 TEST, ECU POWER SOURCE


Fig. 46: No. 11 Test Schematic, ECU Power Source
Fig. 47: No. 11 Test Flow Chart, ECU Power Source

NO. 12 TEST, INJECTOR CIRCUIT TEST


Fig. 48: 2WD (W/3S-FE) No. 12 Test Schematic, Injector Circuit Test
Fig. 49: 2WD (W/3S-FE) No. 12 Test Flow Chart, Injector Circuit Test
Fig. 50: 2WD (W/3S-GE) & 4WD, No. 12 Test Schematic, Inj. Ckt. Test
Fig. 51: 2WD (W/3S-GE) & 4WD, No. 12 Test Flow Chart, Inj. Ckt. Test
Fig. 52: 2WD (W/3S-GE) & 4WD, No. 12 Test, Voltage Between Resistor
Terminals Check

NO. 13 TEST, "CHECK ENGINE" LIGHT CIRCUIT

Fig. 53: No. 13 Test Schematic, "CHECK ENGINE" Light Circuit


Fig. 54: No. 13 Test Flow Chart, "CHECK ENGINE" Light Circuit

NO. 14 TEST, ISC VALVE CIRCUIT TEST


Fig. 55: Exc. 2WD (W/3S-GE), No. 14 Test Schematic, ISC Valve Circuit
Test

Fig. 56: Exc. 2WD (W/3S-GE), No. 14 Test Flow Chart, ISC Valve Ckt.
Test
Fig. 57: Exc. 2WD (W/3S-GE), No. 14 Test, ISC Valve Resistance Check

NO. 15 TEST, A/C SWITCH CIRCUIT

Fig. 58: No. 15 Test Schematic, A/C Switch Circuit


Fig. 59: No. 15 Test Flow Chart, A/C Switch Circuit

COMPONENT TESTING
AIRFLOW METER
Turn ignition off. Disconnect wiring connector from airflow
meter. Note terminal identification. See Fig. 60. Using an ohmmeter,
measure resistance between specified terminals. Replace airflow meter
if not within specification. See AIRFLOW METER RESISTANCE
SPECIFICATIONS table.

Fig. 60: Airflow Meter Terminal Identification


Courtesy of Toyota Motor Sales, U.S.A., Inc.

AIRFLOW METER RESISTANCE SPECIFICATIONS TABLE



Application Ohms
Terminals

All Models
E2-THA
 
-4  F (20 C) ............................. 10,000-20,000
32  F (0 C)  .................................. 4000-7000
68 F (20 C)  ................................. 2000-3000
104  F (40  C) ................................. 900-1300
140 F (60 C) .................................. 400-700
E2-Vc ........................................... 200-400
E1-Fc
Measuring Plate Fully Closed ............... Infinity
Measuring Plate Other Than Closed ................. 0
E2-Vs
Measuring Plate Fully Closed ................ 200-600
Measuring Plate Fully Open .................. 20-1200


IDLE SPEED CONTROL (ISC) VALVE


2WD 3S-FE
1) Warm engine to normal operating temperature. Ensure idle
speed is correct. Apply parking brake and place transaxle in Neutral.
Install jumper wire between terminals "T" and "E1" of check connector
located near left shock tower. See Fig. 61.
2) Note that engine RPM is maintained at 600-800 RPM on
Celica models.
3) If engine RPM was not within specification, disconnect ISC
valve connector. Using ohmmeter, measure resistance between terminals
"B +" and "ISC1" AND "ISC2". See Fig. 62. Replace valve if resistance
is not within 16-17 ohms.

Fig. 61: 2WD 3S-FE Checking ISC Valve


Courtesy of Toyota Motor Sales, U.S.A., Inc.

Fig. 62: Checking ISC Valve


Courtesy of Toyota Motor Sales, U.S.A., Inc.

4WD
1) Warm engine to normal operating temperature. Ensure idle
speed is correct. Disconnect ISC valve connector. Engine speed should
be above 1000 RPM.
2) Reconnect ISC valve. Engine should return to idle speed of
700-800 RPM. If engine RPM was not within specification, disconnect
ISC valve connector. Using ohmmeter, measure resistance between
terminals "B +" and "ISC1" AND "ISC2". See Fig. 62. Replace valve if
resistance is not within 16-17 ohms.

THROTTLE POSITION SENSOR (TPS)


Turn ignition off and disconnect electrical connector at TPS.
Note terminal identification. See Fig. 63. Insert specified thickness
feeler gauge between throttle stop screw and throttle ever. See TPS
RESISTANCE SPECIFICATIONS table. Using an ohmmeter, check for
resistance or continuity. Replace or adjust TPS if not within
specification. See TPS SPECIFICATIONS table.

Fig. 63: 3S-GE & 3S-GTE Checking Throttle Position Sensor


Courtesy of Toyota Motor Sales, U.S.A., Inc.
Fig. 64: 3S-FE Checking Throttle Position Sensor
Courtesy of Toyota Motor Sales, U.S.A., Inc.

TPS RESISTANCE SPECIFICATIONS TABLE



Application Clearance Terminal Ohmmeter
In. (mm) Reading

Celica
3S-GE ................ 0 (0) ...... VTA & E2 ......... 200-800
.020 (.51) ..... IDL & E2 .... 2300 or Less
.028 (.71) ..... IDL & E2 ........ Infinity
Fully Open ..... VTA & E2 ..... 3300-10,000
VC & E2 ....... 3000-7000
3S-GTE ............... 0 (0) ...... VTA & E2 ......... 200-800
.020 (.51) ..... IDL & E2 .... 2300 or Less
.028 (.71) ..... IDL & E2 ........ Infinity
Fully Open ..... VTA & E2 ..... 3300-10,300
VC & E2 ....... 3000-8300
3S-FE ............ .020 (.51) ..... IDL & E1 ...... Continuity
.020 (.51) ..... PSW & E1 . No Continuity
.035 (.89) ..... IDL & E1 . No Continuity
.035 (.89) ..... PSW & E1 . No Continuity
Fully Open ..... IDL & E1 . No Continuity
PSW & E1 ...... Continuity


COLD START INJECTOR TIME SWITCH


Disconnect switch connector. Note terminal identification.
See Fig. 65. Using ohmmeter, check resistance between terminals "STA"
& "STJ" at appropriate temperature. See COLD START INJECTOR TIME
SWITCH SPECIFICATIONS table. Check resistance between terminal "STA"
and ground. Replace switch if not within specification.

COLD START INJECTOR TIME SWITCH SPECIFICATIONS TABLE



Application Ohms Condition

Celica  
3S-GE & 3S-GTE .............. 30-50 .......... Below 50  F (10  C)
70-90 .......... Above 77 F (25 C)
30-90 .................. To Ground

3S-FE ....................... 20-40 .......... Below 86  F (30  C)
40-60 ......... Above 104 F (40 C)
20-80 .................. To Ground


Fig. 65: Checking Cold Start Injector Time Switch


Courtesy of Toyota Motor Sales, U.S.A., Inc.

COOLANT TEMPERATURE SENSOR


Remove connector from sensor. Using ohmmeter, check
resistance between sensor terminals. Replace sensor if resistance is
not within specification at specified temperature. See Fig. 66.

Fig. 66: Coolant Temperature Sensor Specifications


Courtesy of Toyota Motor Sales, U.S.A., Inc.

EGR TEMPERATURE SENSOR


Place threaded end of sensor and thermometer in container of
oil. Attach ohmmeter to sensor terminals. Heat the oil and note the
resistance at specified temperature. See EGR TEMPERATURE SENSOR
SPECIFICATIONS table. Replace sensor if not within specification.

EGR TEMPERATURE SENSOR SPECIFICATIONS TABLE



Temperature
  Ohms
F ( C)

122 (50) ........................................... 69-89


212 (100) .......................................... 12-14
302 (150) ............................................ 3-4


OXYGEN (O2) SENSOR HEATER


Disconnect sensor connector. Using ohmmeter, measure
resistance between sensor terminals.
  Replace sensor if resistance
is not within 5-6 ohms at 68 F (20 C).

KNOCK SENSOR
Information not available at time of publication.

OXYGEN SENSOR

Fig. 67: Measuring Oxygen Sensor Resistance


Courtesy of Toyota Motor Sales, U.S.A., Inc.

Feedback Voltage Test


1) Warm engine to normal operating temperature. Connect an
analog type voltmeter to appropriate EFI check connector terminal.
See Fig. 68. Install jumper wire between appropriate check engine
connector terminals. See CHECK ENGINE CONNECTOR TERMINALS table.

CHECK ENGINE CONNECTOR TERMINALS TABLE



Application Terminals

Celica ............................................ T & E1




Fig. 68: Attaching Voltmeter To EFI Check Connector Terminals


Courtesy of Toyota Motor Sales, U.S.A., Inc.

2) Maintain engine speed at 2500 RPM and check the number of


times voltmeter needle fluctuates in 10 seconds. See VOLTMETER NEEDLE
FLUCTUATION table. If needle does not fluctuate at all, go to step 4).
If needle fluctuations are less than amount specified, go to step 3).
If needle fluctuations are as specified or more, oxygen sensor is
okay.

VOLTMETER NEEDLE FLUCTUATION TABLE



Application Normal Fluctuations

Celica ........................................... 8 Times



3) If needle fluctuations are less than amount specified,
remove jumper wire at check engine connector, but keep voltmeter
connected to EFI check connector terminals. Maintain engine speed at
2500 RPM (ensuring oxygen sensor is thoroughly warmed), and measure
voltage at EFI check connector terminals. If voltage reading is 0
(zero), go to step 4). If voltage is more than 0 (zero) volts,
replace main oxygen sensor and repeat step 1).
4) Read and record diagnostic codes. See RETRIEVING TROUBLE
CODES in DIAGNOSIS & TESTING in this article. Repair any codes that
are nonrelated. If codes are relevant or are normal, remove jumper
wire previously installed at check engine connector, but keep
voltmeter connected to EFI check connector terminals.
5) Maintain engine speed at 2500 RPM and measure voltage
again. If voltage is 5 volts or more, go to next step. If voltage
does not exist, disconnect PCV hose and measure voltage again. If
voltage reading remains at 0 (zero), replace oxygen sensor and repeat
step 1). If voltage is more than 0 (zero) volts, repair for an over
rich condition.
6) Unplug coolant temperature sensor connector. Connect a
4-8 ohm resistor across connector terminals. If resistor is not
available, replace with new coolant temperature sensor. Repeat step 1)
and measure voltage at terminals. If voltage is not present, replace
the main oxygen sensor and repeat step 1). If needle fluctuations are
less than specified after replacing the oxygen sensor, replace ECU.

TURBOCHARGING PRESSURE SENSOR


Power Source
Turn ignition on. Disconnect turbocharging pressure sensor
connector and measure voltage between terminals "VC" and "E2" of
harness connector. See Fig. 69. Voltage should be 4-6 volts.

Fig. 69: Measuring Voltage To Turbocharging Pressure Sensor


Courtesy of Toyota Motor Sales, U.S.A., Inc.

Power Output
1) Turn ignition on. Disconnect turbocharging pressure sensor
vacuum hose from intake manifold. Connect voltmeter to terminals "PIM"
and "E2" (pressure sensor) of ECU connector and measure output voltage
under ambient atmospheric pressure.
2) Attach a vacuum pump to turbocharging pressure sensor
vacuum hose and apply vacuum in specified stages. See Fig. 70.
Measure and record voltage readings for each stage of applied vacuum.
See VACUUM/VOLTAGE SPECIFICATIONS table. Replace sensor if readings
are not within specifications.

Fig. 70: Turbocharging Pressure Sensor Vacuum Hose


Courtesy of Toyota Motor Sales, U.S.A., Inc.

VACUUM/VOLTAGE SPECIFICATIONS TABLE



Applied Vacuum Volts
In. Hg

3.94 ............................................. .15-.35


7.87 .............................................. .4-.35
11.81 ............................................ .65-.85
15.75 ............................................. .9-1.1
19.69 ......................................... 1.15-11.35


TURBOCHARGING PRESSURE VACUUM SWITCHING VALVE (VSV)


1) Using an ohmmeter, check continuity between both terminals
of turbocharging pressure VSV connector. See Fig. 71. Replace VSV if
no continuity exists.
2) Check that no continuity exists between VSV case (body)
and each terminal. If continuity exists, replace VSV.
3) Check that air does not flow from pipe "E" to pipe "F".
If air flows through from pipe "E" to pipe "F", replace VSV.
Fig. 71: Checking Continuity On VSV
Courtesy of Toyota Motor Sales, U.S.A., Inc.

VEHICLE SPEED SENSOR


Speed Sensor (Analog Type)
Remove combination meter from instrument cluster. Connect
ohmmeter between proper terminals. See Fig. 72. See NO. 1 SPEED SENSOR
TEST TERMINALS (ANALOG TYPE). Rotate meter shaft and note reading.
Ohmmeter should deflect from 0 (zero) to infinity ohms as shaft is
rotated.

NO. 1 SPEED SENSOR TEST TERMINALS TABLE (ANALOG TYPE)



Application Test Terminals

Celica ................................. SPD (+) & SPD (-)




Fig. 72: No. 1 Speed Sensor Terminal I.D. (Analog Type)


Courtesy of Toyota Motor Sales, U.S.A., Inc.

FUEL-CUT RPM
1) Connect a tachometer to engine (to monitor needle
fluctuations). Start engine and warm to operating temperature.
Disconnect throttle position sensor connector from throttle position
sensor. Short terminals IDL and E1 (or E2) on wire side of connector.
See Fig. 73.
2) Gradually raise engine RPM. Fuel-cut operation can be
checked by noting the fluctuation of tachometer needle. Fluctuation
indicates fuel-cut system is being turned on and off. See Fig. 74.
Check that fuel-cut points and fuel return points are within
specifications. See FUEL-CUT & FUEL RETURN RPM table.

Fig. 73: Terminal Connectors For Testing Fuel-Cut RPM


Courtesy of Toyota Motor Sales, U.S.A., Inc.

Fig. 74: Needle Fluctuations When Testing Fuel-Cut RPM


Courtesy of Toyota Motor Sales, U.S.A., Inc.

FUEL-CUT & FUEL RETURN RPM TABLE



Model Fuel-Cut Fuel Return
Engine RPM Engine RPM

3S-FE ..................... 1700 .................. 1300


3S-GE & 3S-GTE ............ 2000 .................. 1600


NEUTRAL/START SWITCH
Disconnect switch connector. Note terminal identification.
See Fig. 75. Using ohmmeter, check for continuity at specified
terminals with gearshift in proper range. See NEUTRAL/START SWITCH
SPECIFICATIONS table.

NEUTRAL/START SWITCH SPECIFICATIONS TABLE



Gearshift Position Terminals

"N" ................................................ N & C


"2" ................................................ 2 & C
"L" ................................................ L & C


Fig. 75: Neutral/Start Switch Terminal I.D.


Courtesy of Toyota Motor Sales, U.S.A., Inc.

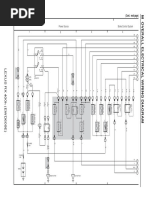
WIRING DIAGRAMS
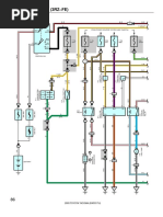
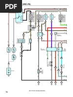
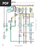
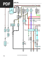
Fig. 76: 3S-FE Engine Wiring Diagram
Fig. 77: 3S-GE Engine Wiring Diagram
Fig. 78: 3S-GTE Engine Wiring Diagram

You might also like