KEMBAR78
Reference Design | PDF
100% found this document useful (2 votes)
289 views1 page

Reference Design

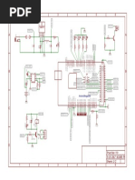
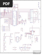
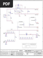
This document shows a circuit diagram for programming an ATMEGA328P microcontroller using SPI. It includes the microcontroller, programming header, power supply, crystal oscillator, and LED indicators. The microcontroller is connected to the programming header via SPI pins and powered through the programming connection or an onboard voltage regulator.

Uploaded by

phiu
Copyright
© © All Rights Reserved
We take content rights seriously. If you suspect this is your content, claim it here.
Available Formats
Download as PDF, TXT or read online on Scribd
100% found this document useful (2 votes)
289 views1 page

Reference Design

This document shows a circuit diagram for programming an ATMEGA328P microcontroller using SPI. It includes the microcontroller, programming header, power supply, crystal oscillator, and LED indicators. The microcontroller is connected to the programming header via SPI pins and powered through the programming connection or an onboard voltage regulator.

Uploaded by

phiu
Copyright
© © All Rights Reserved
We take content rights seriously. If you suspect this is your content, claim it here.
Available Formats
Download as PDF, TXT or read online on Scribd
You are on page 1/ 1

VCC

POWER_JACKPTH

C1
J1

GND GND

VCC VCC

VCC

R1
U1

C2
1
DTR RESET 1 PC6(/RESET) PC0(ADC0) 23 2
PC1(ADC1) 24 3
20 AVCC PC2(ADC2) 25 4
7 VCC PC3(ADC3) 26 5
PC4(ADC4/SDA) 27 6
PC5(ADC5/SCL) 28 7
21 AREF 8

JP1
PD0(RXD) 2 RX GND
9 PB6(XTAL1/TOSC1) PD1(TXD) 3 TX
JP2 4
PD2(INT0)
GND GND 10 PB7(XTAL2/TOSC2) PD3(INT1) 5
CTS CTS PD4(XCK/T0) 6
VCC VCC PD5(T1) 11
TXO RX PD6(AIN0) 12
RXI TX PD7(AIN1) 13
DTR DTR
PB0(ICP) 14
PB1(OC1A) 15
PB2(SS/OC1B) 16
8 GND PB3(MOSI/OC2) 17 MOSI
22 GND PB4(MISO) 18 MISO
VCC 19 SCK
PB5(SCK)

LED1

LED2

LED3
ATMEGA328P_PDIP
J2 GND
MISO MISO 1 2 +5
SCK SCK 3 4 MOSI MOSI
RESETRESET 5 6 GND

R2

R3

R4
AVR_SPI_PRG_6PTH

GND GND GND GND

Released under the Creative Commons


Attribution Share-Alike 3.0 License
http://creativecommons.org/licenses/by-sa/3.0

Design by:

You might also like