KEMBAR78
Sliding Mode Control for SRM | PDF | Electric Motor | Control Theory
0% found this document useful (0 votes)
82 views15 pages

Sliding Mode Control for SRM

The document summarizes a sliding mode controller for a switched reluctance motor. It first describes the switched reluctance motor and its control system. It then presents the mathematical model of the motor, including equations relating the phase voltage, current, flux linkage, inductance and torque. Finally, it discusses using a sliding mode controller to control the speed of the switched reluctance motor by manipulating the speed reference and feedback to generate the current reference input. Simulation results are presented to demonstrate the effectiveness of the sliding mode controller.

Uploaded by

Akshay Arksali
Copyright
© © All Rights Reserved
We take content rights seriously. If you suspect this is your content, claim it here.
Available Formats
Download as PDF, TXT or read online on Scribd
0% found this document useful (0 votes)
82 views15 pages

Sliding Mode Control for SRM

The document summarizes a sliding mode controller for a switched reluctance motor. It first describes the switched reluctance motor and its control system. It then presents the mathematical model of the motor, including equations relating the phase voltage, current, flux linkage, inductance and torque. Finally, it discusses using a sliding mode controller to control the speed of the switched reluctance motor by manipulating the speed reference and feedback to generate the current reference input. Simulation results are presented to demonstrate the effectiveness of the sliding mode controller.

Uploaded by

Akshay Arksali
Copyright
© © All Rights Reserved
We take content rights seriously. If you suspect this is your content, claim it here.
Available Formats
Download as PDF, TXT or read online on Scribd
You are on page 1/ 15

See discussions, stats, and author profiles for this publication at: https://www.researchgate.

net/publication/221920113

Sliding Controller of Switched Reluctance Motor

Chapter · November 2011


DOI: 10.5772/16932 · Source: InTech

CITATIONS READS
3 402

2 authors, including:

Aissaoui abdel ghani


Université Tahri Mohammed Béchar
46 PUBLICATIONS   377 CITATIONS   

SEE PROFILE

Some of the authors of this publication are also working on these related projects:

Design and control of electrical machines View project

All content following this page was uploaded by Aissaoui abdel ghani on 02 June 2014.

The user has requested enhancement of the downloaded file.


14

Sliding Controller
of Switched Reluctance Motor
Ahmed Tahour1 and Abdel Ghani Aissaoui2
1Universityof Mascara,
2IRECOM Laboratory, University of Sidi Bel Abbes,
Algeria

1. Introduction
Switched reluctance motors (SRMs) can be applied in many industrial applications due to
their cost advantages and ruggedness. The switched reluctance motor is simple to
construct. It is not only features a salient pole stator with concentrated coils, which allows
earlier winding and shorter end turns than other types of motors, but also features a
salient pole rotor, which has no conductors or magnets and is thus the simplest of all
electric machine rotors. Simplicity makes the SRM inexpensive and reliable, and together
with its high speed capacity and high torque to inertia ratio, makes it a superior choice in
different applications.
The dynamics of these systems are highly nonlinear and their models inevitable contain
parametric uncertainties and unmodeled dynamics. The application of non linear robust
control techniques is a necessity for successful operation electrical system. The industrial
applications necessitate speed/position variators having high dynamic performances, a
good precision in permanent regime, a high capacity of overload and robustness to the
different perturbations. Thus, the recourse to robust control algorithms is desirable in
stabilization and in tracking trajectories [1, 2].
Variable structure control with sliding mode, is one of the effective non linear robust control
approaches. Sliding Mode Control (SMC) has attracted considerable attention because it
provides a systematic approach to the problem of maintaining stability. It has been studied
extensively to tackle problems of the nonlinear dynamic control systems. The sliding mode
control can offer many good properties such as good performance against unmodelled
dynamics systems, insensitivity to parameter variation, external disturbance rejection and
fast dynamic [5, 9].
Sliding mode control has long proved its interests. Among them, relative simplicity of
design, control of independent motion (as long as sliding conditions are maintained),
invariance to process dynamics characteristics and external perturbations, wide variety of
operational modes such as regulation, trajectory control [1], model following [2] and
observation [3].
However, the motor is highly nonlinear and operates in saturation to maximize the output
torque. Moreover, the motor torque is a nonlinear function of current and rotor position.
This highly coupled nonlinear and complex structure of the SRM make the design of the
controller difficult [4].
264 Recent Advances in Robust Control – Theory and Applications in Robotics and Electromechanics

Section 2, investigates a case study of sliding mode control. In a more general study, the
third section develops sliding mode controllers for switched reluctance motor drive; the
proposed controller is described, and used to control the speed of the switched reluctance
motor. Simulation results are given to show the effectiveness of this controller. Conclusions
are summarized in the last section.

2. SRM model
2.1 Description of the system
In a switched reluctance machine, only the stator presents windings, while the rotor is made
of steel laminations without conductors or permanent magnets. This very simple structure
reduces greatly its cost. Motivated by this mechanical simplicity together with the recent
advances in the power electronics components, much research has being developed in the
last decade. The SRM, when compared with the AC and DC machines, shows two main
advantages:
- It is a very reliable machine since each phase is largely independent physically,
magnetically, and electrically from the other machine phases;
- It can achieve very high speeds (20000 - 50000 r.p.m.) because of the lack of conductors
or magnets on the rotor;
The switched reluctance machine motion is produced because of the variable reluctance in
the air gap between the rotor and the stator. When a stator winding is energized, producing
a single magnetic field, reluctance torque is produced by the tendency of the rotor to move
to its minimum reluctance position [5].
A cross-sectional view is presented in figure 1.

Fig. 1. Switched reluctance motor.


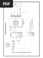
The schematic diagram of the speed control system under study is shown in figure 2. The
power circuit consists with the H-bridge asymmetric type converter whose output is connected
to the stator of the switched reluctance machine. Each phase has two IGBTS and two diodes.
The parameters of the switched reluctance motor are given in the Appendix [5, 6].
The SMC inputs are obtained by manipulating the speed reference and feedback, while the
SMC output is integrated to produce the current reference.
Sliding Controller of Switched Reluctance Motor 265

Fig. 2. Control of SRM.

2.2 Machine equation


The switched reluctance motor has a simple construction, but the solution of its
mathematical models is relatively difficult due to its dominant non-linear behaviour. The
flux linkage is a function of two variables, the current I and the rotor position (angle θ).
The instantaneous voltage across the terminals of a phase of an SR motor winding is related
to the flux linked in the winding by Faraday's law as:

 j (i , )
Vj  RI j  (1)
t
With j  1,....3
Because of the double salience construction of the SR motor and the magnetic saturation
effects, the flux linked in an SRM phase varies as a function of rotor position  and the
phase current. Equation (1) can be expanded as

 j (i , ) di  j (i , )
Vj  RI j    j  1,....3 (2)
i dt 
In which:



t
 j  
where is defined as L( , i ) , the instantaneous inductance, and term is the
i  t
instantaneous back e.m.f.
While excluding saturation and mutual inductance effects, the flux in each phase is given by
the linear equation

 j ( , i j )  L( )i j (3)
266 Recent Advances in Robust Control – Theory and Applications in Robotics and Electromechanics

It can be written as

i L( )
Vj  RI j  L( ) i  j  1,....3 (4)
t 
The total energy associated with the three phases (n  3) is given by

1 3 2
Wtotal   L(  (n  j  1)s )I j
2 j 1

with

1 1
 s  2 (  ) (5)
Nr Ns

Each phase inductance displaced by an angle  s .


The average torque can be written as the superposition of the torque of the individual motor
phases:

n
Te   Tphase (6)
phase  1

and the motor total torque by

Wtotal 1 3 L(  (n  j  1) s ) 2


Te    Ij (7)
d 2 j 1 

The mechanical equations are


J  Te  Tl  f  (8)
t
Where V - the terminal voltage, I - the phase current, R - the phase winding resistance,  -
the flux linked by the winding, J - the moment of inertia, f - the friction coefficient, L( ) - the
instantaneous inductance, N r number of rotor poles, N s number of stator poles, Tl is the
torque load and Te is the total torque.

3. SRM sliding mode speed controller


3.1 Sliding mode principle
Sliding modes is phenomenon may appear in a dynamic system governed by ordinary
differential equations with discontinuous right-hand sides. It may happen that the control as
a function of the system state switches at high frequency, this motion is called sliding mode.
It may be enforced in the simplest tracking relay system with the state variable x(t) [7, 8]:

x
 f (x)  u (9)
t
Sliding Controller of Switched Reluctance Motor 267

With the bounded function f(x) f ( x )  f 0 f 0 cons tan t and the control as a relay function
x
(figure(3)) of the tracking error e  r (t )  r (t ) is the reference input and u is given by:
t

u0 if e  0
u or u  u0 sign( e ) u0  cons tan t
u0 if e  0

Fig. 3. Relay control.

e r r
The values of e and   f ( x )  u0 sign( e ) have different signs if u0  f 0  .
t t t

3.2 Sliding mode controller


The equivalent total phase power becomes [9, 10]

L( )
Peq (t )  Ic2 (t )(  Vdc Ic (t ) (10)

The electromagnetic torque over the switching period is then

Vdc
Te  ( )I c ( t ) (11)


If Ic (t )  Kt ( )It (t ) then electromagnetic torque can be further simplified as
Vdc

Te  Kt It (t ) (12)

Where Kt is a proportional torque constant and It (t ) is the equivalent dc-link current


providing electromagnetic torque.
The electromagnetic dynamic model of a switched reluctance motor and loads can be
expressed as follows [11,12, 13]:

 (Te  Tl  f  )
 (13)
t J
268 Recent Advances in Robust Control – Theory and Applications in Robotics and Electromechanics

From (11) and (12), (13) can be obtained:

 ( Kt It (t )  Tl  f  )
 (14)
t J

Speed control can be implemented by a sliding-mode variable structure controller, but a


discontinuous torque control signal would cause chattering of the speed response. In order
to enable smooth torque control and reduce the chattering problem It (t ) must be smoothed
according to (11). The phase variable state representation of Fig. 4 can be used to develop
the required control scheme. It can be simplified as:

 x 1    f Kt 
0 
 t   J J   x1  
 .    1  .U    .( Tl )
1
  (15)
 x 2   0 R   x2    0
  J
   L( ) 
 t   L( ) 

Where x1    ref , ref is the demand rotor speed, x2  I  I ref , and U is a control signal
which is used to control the current error, irrespective of drive system parameter variations.
The sliding line in the phase plane diagram [Fig. 4] can be described as follows:

S    ref (16)

from the equation (13) and (15) , we can be obtains

S Kt f T ref
 I  l  (17)
t J J J t

the current of control is given by

Ic  Iceq  Icn

With

1 ref
I ceq  (J  f   Tl ) (18)
Kt t

I cn  K w sgn(S( ))
To satisfy the existence condition of the sliding-mode speed controller, the following must
be satisfied:

dS
lim S  0 (19)
S0 dt
The controller can be designed as follows:

x1
U  ax1  b
t
Sliding Controller of Switched Reluctance Motor 269

Where:

 1 if Sx1  0
a
1 if Sx1  0

 x1
 2 if S
t
0
b (20)
 x
2 if S 1  0
 t

a and b are proportional and derivative gain constant respectively, and  1 , 2 ,  1 and  2 are
real constants.

Fig. 4. A prescribed sliding line in phase plane.

4. Simulation result
The speed regulation of the SRM, despite its mechanical simplicity, is not simple to achieve.
In the previous sections, we saw the importance that the values of the commutation angles
have to torque oscillations. A linear controller as the PI regulator presents good results for
the SRM speed control [8]. However, the controller will be only valid for a given operating
point. Therefore, some authors have investigated recently non-linear controllers based on
the sliding mode [11,12,16] applied to SRM speed control. In this section, we discuss and
illustrate the advantages and drawbacks of the SRM speed control by using a PI regulator
and a sliding mode controller.
To show the sliding mode controller performances we have simulated the system described
in figure 2. The simulation of the starting mode without load is done. The simulation is
realized using the SIMULINK software in MATLAB environment. Figure 5 shows the
performances of the sliding mode controller.
The saturating function in the PI block diagram is necessary since during the transient, if the
current demanded is high and if the speed reference is also high, then the f.e.m. produced
will prevent the current to grow. Hence, the maximum current value of the block saturation
has been fixed in 25A.
270 Recent Advances in Robust Control – Theory and Applications in Robotics and Electromechanics

Fig. 5.b shows the speed regulation for a reference of 120rad/s , with  on  0 and
 off  38 . Values of PI parameters K p and K i have been optimized in order to have the
best compromise between response time and overshoot. Fig. 5.b shows good results for the
speed regulation with weak speed oscillations in the permanent regime. Using a PI
controller, a good compromise for K p and K i parameters has been found in order to have
weak speed oscillations. The values found were: K p  0,18 and K i  2,85 .However, if a
load is applied, the speed oscillations will increase, as illustrated in Fig. 5.b. These results
have been obtained with a load of Tl  1, 5Nm applied at t  0,6s .
Fig. 5 shows the very good performance reached by the sliding mode controller. Indeed, one
notes that the overshoot is less important in the case of the sliding mode regulator, with a
best response time without increasing the overshoot. Follow, we show the robustness of the
PI and the sliding mode controller for the same operating condition.

PI Sliding mode
Fig. 5. PI and sliding speed regulation with Tl  1, 5Nm applied at t  0,6s .

Follow, the speed regulation operates in a supplementary quadrant. That means we are
going to do a speed regulation with a negative torque load but maintaining the speed
reference. Fig. 6 shows the results obtained for a negative load of Tl  2Nm also applied at
t  0,6s .

Fig. 6 shows that the speed regulation is not assured anymore after t  0,6s . From (8), the

motor speed is given by

(Te  Tl )
 (21)
f
Therefore, the minimum speed for a possible regulation without producing a braking
torque, meaning that the regulator will have its reference current to zero, will be

Tl
min  (22)
f
Sliding Controller of Switched Reluctance Motor 271

In our case, the minimum speed stays min  96, 3rd /s , as shown in Fig. 6. Now, if one
wants to continue the speed regulation at 90 rd / s , it will be necessary to produce a braking
torque when the speed error is negative. The controller by sliding mode gives good result
compared to that of regulator PI. The increase speed is reduced during the application of a
negative torque. However, when the negative torque load is applied at t  0, 5s , the speed
oscillations become significant. Previous results in Fig. 6 showed significant oscillations in
the speed signal due to an initial bad choice of the  on value.

PI Sliding mode

Fig. 6. PI and sliding speed regulation with Tl  2Nm applied at t  0,6s .

Figure 7 shows the very good performances reached by the sliding mode controller. Indeed,
one notes that the overshoot is less important in the case of the sliding regulator, with a best
response time without increasing the overshoot.
For this test, the sliding controller proves to be well more robust because the speed curve is
hardly of its reference. On the other hand, the speed signal evolution obtained with the PI
controller deviates about 10% from its reference value (figure 7). The speed tracking is
satisfactory, and the torque ripple is low. These results demonstrate the robustness of the
drive under unpredictable load conditions. The decreasing speed oscillations with the PI
controller are owed to a slower reaction of the current, as shown in figure 7.

4.1 Robustness
In order to test the robustness of the proposed control, we have studied the speed
performances. Two cases are considered:
1. Inertia variation,
2. Stator resistance variation.
The figure 8 shows the tests of the robustness: a) The robustness tests concerning the
variation of the resistances, b) the robustness tests in relation to inertia variations.
272 Recent Advances in Robust Control – Theory and Applications in Robotics and Electromechanics

PI controller
Sliding Controller of Switched Reluctance Motor 273

Sliding controller

Fig. 7. Simulation results of speed control.


274 Recent Advances in Robust Control – Theory and Applications in Robotics and Electromechanics

a) Different values of resistance of stator

J
120
50%J
100 2J
speed (rd/s)

80

60

40

20

0
0 0.2 0.4 0.6 0.8 1 1.2
t(s)
b) Different values of moment of inertia
Fig. 8. Test of robustness.
Figure 8-b shows the parameter variation does not allocate performances of proposed
control. The speed response is insensitive to parameter variations of the machine, without
overshoot and without static error. The other performances are maintained.
For the robustness of control, a decrease or increase of the moment of inertia, the resistances
doesn’t have any effects on the performances of the technique used (figure 8.a and 8.b). An
increase of the moment of inertia gives best performances, but it presents a slow dynamic
response (figure 8.b). The controller suggested gives good performances although the
parameters are unknown.

5. Conclusion
This chapter presents a new approach to robust speed control for switched reluctance
motor. It develops a simple robust controller to deal with parameters uncertain and external
disturbances and takes full account of system noise, digital implementation and integral
control. The control strategy is based on SMC approaches.
Sliding Controller of Switched Reluctance Motor 275

The simulation results show that the proposed controller is superior to conventional
controller in robustness and in tracking precision. The simulation study clearly indicates the
superior performance of sliding control, because it is inherently adaptive in nature. It
appears from the response properties that it has a high performance in presence of the plant
parameters uncertain and load disturbances. It is used to control system with unknown
model. The control of speed by SMC gives fast dynamic response without overshoot and
zero steady-state error. The controller contains only two structures and the only way of
changing them is by switching. A major drawback of this system is chattering, which is
caused by a fast switching of the controller structure

6. Appendix
Throughout this section the motor parameters used to verify the design principles are:
Number of phase 3, Number of stator poles 6, Pole arc 30°, Number of rotor poles 4, Pole
arc 30°, Maximum inductance 60mH, Minimum inductance 8mH, resistance 1,3Ω, Moment
of inertia 0,0013Kg;m2, friction 0,0183Nm/s, Inverter voltage 150v.

7. References
V.Utkin, J.Guldner, J.Shi “Sliding mode control in electromechanical systems” Ed Taylor
and Francis 1999.
V. I. Utkin, "Sliding mode control design principles and applications to electric drives", IEEE
Trans. Industrial Electronics, Vol. 40, No. 1, February 1993
S. K. Panda and P. K. Dash, “Application of nonlinear control to switched reluctance motors:
A feedback linearization approach,” Proc.Inst. Elect. Eng., vol. 143, pt. B, no. 5, pp.
371–379,1996.
W. Perruquetti, J.P.Barbot “Sliding Mode Control In Engineering“ Ed Marcel Dekker, 2002
Ahmed TAHOUR, Hamza ABID2, Abdel Ghani AISSAOUI ” Speed Control of Switched
Reluctance Motor Using Fuzzy Sliding Mode” Advances in Electrical and
Computer Engineering Volume 8 (15), Number 1 (29), 2008.
F. Soares and P.J. “Costa Branco Simulation of a 6/4 Switched Reluctance Motor Based on
Matlab/Simulink Environment “aerospace and electronic system. IEEE
transactions, Vol 37 pp989-1009, July 2001.
R. A. De Carlo, S. H. Zak and G. P. Matthews, "Variable structure control of nonlinear
multivariable systems: a tutorial", Proceedings IEEE, Vol. 76, No. 3, March 1988, pp.
212-232.
J. Y. Hung, W. Gao, and J. C. Hung, "Variable structure control : a survey", IEEE Trans.
Industrial Electronics, Vol.40, No. 1, February 1993, pp. 2-22.
D. G. Taylor, "Nonlinear control of electric machines: An overview", IEEE Control Systems
magazine, Vol. 14, No. 6, December 1994, pp. 41-51.
J.J.E. Slotine, J.K. Hedrick and E.A. Misawa, "On sliding observers for nonlinear systems",
Transactions of the ASME: Journal of Dynamic Systems Measurement and Control,
Vol. 109, pp. 245-252, 1987.
E. Y. Y. Ho and P. C. Sen, “Control dynamics of speed drive systems using sliding mode
controllers with integral compensation” IEEE Trans.Ind. Applicat., vol. 27, pp. 883–
892, Sept./Oct. 1991.
276 Recent Advances in Robust Control – Theory and Applications in Robotics and Electromechanics

B. K. Bose, “Sliding mode control of induction motor,” in Proc. IEEEIAS Annu. Meeting,
1985, pp. 479–486.
Tzu-Shien Chuang and Charles Pollock “Robust Speed Control of a Switched Reluctance
Vector Drive Using Variable Structure Approach” IEEE Transactions On Industrial
Electronics, Vol. 44, No. 6, DECEMBER 1997 pp.800.808
Roy A. McCann, Mohammad S. Islam,, I.Husain,” Application of a Sliding-Mode Observer
for Position and Speed Estimation in Switched Reluctance Motor Drives” IEEE
Transactions On Industrial On Industry Applications, Vol. 37, NO. 1,
JANUARY/FEBRUARY 2001 pp.51.58
Zheng Hongtao, Qiao Bin, Guo Zhijiang, and Jiang Jingping. (2001) “Modeling of Switched
Reluctance Drive Based on Variable Structure Fuzzy-Neural Networks” Fifth
International Conference on Electrical Machines and Systems, (ICEMS 2001), Vol. 2,
pp.1250-1253
Gobbi, K. Ramar and N.C. Sahoo.”Fuzzy Iterative Technique for Torque Ripple
Minimization in Switched Reluctance Motors” Electric Power Components and
Systems. Vol. 37, Issue. 9, July 2009. pp. 982 – 1004.
Gobbi. R and K. Ramar, "Optimization Techniques for a Hysteresis Current Controller to
Minimize Torque Ripple in SR Motors", IET Electric Power Applications, 2009.
Vol.3, Issues 5, pp 453-460

View publication stats

You might also like