KEMBAR78
(Elec) Generator Excitation System | PDF | Rectifier | Electric Generator
100% found this document useful (4 votes)
1K views51 pages

(Elec) Generator Excitation System

Uploaded by

Thanh Son
Copyright
© © All Rights Reserved
We take content rights seriously. If you suspect this is your content, claim it here.
Available Formats
Download as PDF, TXT or read online on Scribd
100% found this document useful (4 votes)
1K views51 pages

(Elec) Generator Excitation System

Uploaded by

Thanh Son
Copyright
© © All Rights Reserved
We take content rights seriously. If you suspect this is your content, claim it here.
Available Formats
Download as PDF, TXT or read online on Scribd
You are on page 1/ 51

P-1

Classroom Lecture for

Steam Turbine Generator Excitation System,


Auxiliary System

presented by Toshiba

The information in these documents and the


contents attached hereto contain confidential and
proprietary natures, and shall not be used for any
other purposes than for ITM internal nor
disclosed to any third parties.

Copyright 2011, Toshiba Corporation.


P-2

CONTENTS
1. OUTLINE OF GENERATOR CONTROL SYSTEM
2. HARDWARE DESCRIPTION OF AVR CUBICLE
3. HARDWARE DESCRIPTION OF FCB CUBICLE AND
THYRISTOR RECTIFIER CUBICLE
4. HARDWARE DESCRIPTION OF GACP
5. EXCITATION SYSTEM MAINTENANCE

Copyright 2011, Toshiba Corporation.


P-3

1. Outline of
Generator Control System

Copyright 2011, Toshiba Corporation.


P-4

Generator Control Function

No. Function Location

1 Excitation Control AVR


2 Generator Auxiliaries Control GACP

Copyright 2011, Toshiba Corporation.


P-5

1-1 Purpose of Excitation control


・Generator terminal voltage control → AVR/MEC

・Generator VAR control → AQR

・System stability improvement → PSS

Copyright 2011, Toshiba Corporation.


P-6

1-2 Basic function of Excitation control


・AVR (Automatic Voltage Regulator)
→Generator Terminal Voltage Control (90R)

・MEC (Manual Excitation Control)


→ Generator Field Current Control (70R)
This function is provided for test purpose only

Copyright 2011, Toshiba Corporation.


P-7

1-3 System configuration of Excitation control

Copyright 2011, Toshiba Corporation.


P-8

1-4 Detailed description of Excitation control function


Functions Description
AVR To adjust the generator terminal voltage
(Automatic Voltage Regulator) fitting into set value (90R).
MEC To adjust the generator field current fitting
(Manual Excitation Controller) into set value(70R).
OEL Limiting function that prevents the
(Over Excitation Limiter) generator rotor from over excited.
VPFL Limiting function that prevents the
(V/F Limiter) generator armature and the generator
transformer’s core from over excited.
UEL Limiting function that prevents the
(Under excitation limit) generator from under excited.
AFU To make 90R of the standby system
(Automatic Follow-up of 90R) following that of working system.
AQR To adjust the generator reactive power
(Automatic reactive power Regulator) fitting into set value
PSS
To add a stabilizing signal to AVR.
(Power System Stabilizer)

Copyright 2011, Toshiba Corporation.


P-9

1-4-1 Block diagram of AVR and Limiting Functions

OEL
+ OUTPUT V/F
90R OUTPUT
- High 15 DEGREE
value -
- (1+TA1*S) (1+TA3*S)
GENERATOR gate KA1 THYRISTOR GATE
TERMINAL VOLTAGE + CONTROL SIGNAL
(1+TA2*S) (1+TA4*S)
+
135 DEGREE
PSS
OUTPUT

UEL
OUTPUT

Copyright 2011, Toshiba Corporation.


P-10

1-4-2 Block diagram of MEC

15 DEGREE

+ (1+TM1*S)
70R KMA THYRISTOR GATE
(1+TM2*S) CONTROL SIGNAL

135 DEGREE

GENERATOR
FIELD CURRENT

Copyright 2011, Toshiba Corporation.


P-11

1-4-3 Block diagram of OED & OEL


0.35 PU
(1+TO1*S)
Reference - OEL
KA1
of OEL (1+TO2*S) OUTPUT
+ 0 PU
OEL
OPERATE

OEDT
IF T>=
IF-OED
Field
current OEPT OEP
T>=
OPERATE
IF-OEP

IF OEPT
t= OEDT
IF -OEP t=
IF - OED

OED=1.05

Ref of OEL =0.98

Copyright 2011, Toshiba Corporation.


P-12

1-4-4 Block diagram of VPFL


0.35 PU
(1+TV1・S)
Reference - V/F
KA1
of V/F (1+TV2・S) OUTPUT
+ 0 PU
V/F
OPERATE

V/FDT
V/F T>=
V/F-V/FD

V/F

t = V/FDT / (V/F-1.05)

V/FD=1.05

Ref of V/F =1.00

Copyright 2011, Toshiba Corporation.


P-13

1-4-5 Block diagram of UEL


0.35 PU
Vg -a1*Vg+b1*Ip (1+TU1*S)
+ UEL
HVG KU
Ip -a2*Vg+b2*Ip (1+TU2*S) OUTPUT
-
-0.35 PU

Iq

Iq

–a1・Vg+b1・Ip

Ip

–a2・Vg+b2・Ip

y2 b2=y2/x2
–a2
x2
y1 b1=y1/x1
–a1 x1

Copyright 2011, Toshiba Corporation.


P-14

1-4-6 Block diagram of AQR


GENERATOR + + AQR
× DB
ACTIVE POWER OUTPUT
+
- (90R DRIVE)
55R SETTING

57R SETTING
GENERATOR
REACTIVE POWER

Iq

y
x
a b=y/x

Ip

Copyright 2011, Toshiba Corporation.


P-15

1-4-7 Block diagram of PSS

0.1 PU
Power TP・S (1+TP1*S) (1+TP3*S) (1+TP5*S) -
KP PSS
(1+TP*S) (1+TP2*S) (1+TP4*S) (1+TP6*S) OUTPUT
+ -0.1 PU

OPTION

Frequency TF*S (1+TF1*S) (1+TF3*S) (1+TF5*S)


KP
(1+TF*S) (1+TF2*S) (1+TF4*S) (1+TF6*S)

Wash-out function Phase adjustable amplifier

Copyright 2011, Toshiba Corporation.


P-16

2. Hardware Description of
AVR CUBICLE

Copyright 2011, Toshiba Corporation.


P-17

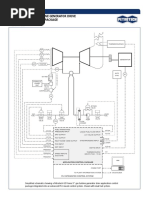
2-1 Outline of Excitation Control System


AVR CUBICLE GACP
VT *A
Excitation OPS
CT
Controller - A Gen. Auxiliary Controller
VT *B
Excitation
Controller - B

PWU(A) *A

*B
PWU(B)

DC
AC

EX-TR

THYRISTOR RECTIFIER
FCB CUBICLE 2CT CUBICLE
N-1 PULSE
AMPLIFIER
31E
FCB
GEN Field
flashing
P Discharge
S register
SH
64F

Station battery

Copyright 2011, Toshiba Corporation.


P-18

2-2 Excitation Controller’s Printed Circuit Boards


Arrangement

Description

Copyright 2011, Toshiba Corporation.


P-19

2-2-1 CPU card (CPUX01G001)

“ The information contained herein is confidential and proprietary. Under copyright laws , this manual cannot be reproduced in any form
without the prior written permission of TOSHIBA.”
Copyright 2011, Toshiba Corporation.
P-20

2-2-2 Ethernet card (ETMX01G001)

“ The information contained herein is confidential and proprietary. Under copyright laws , this manual cannot be reproduced in any form
without the prior written permission of TOSHIBA.”
Copyright 2011, Toshiba Corporation.
P-21

2-2-3 System bus control card (COMW01G021)

LED Description of LEDs


RUN : Lights while microprocessor is operating
ERR : Lights when errors occur
CH 0 ONLINE 0 : Lights during data transmission/reception on CH 0
CONNECTOR ONLINE 1 : Lights during data transmission/reception on CH 1
ONLINE 2 : Lights during data transmission/reception on CH 2
CH 1
CONNECTOR ONLINE 3 : Lights during data transmission/reception on CH 3

CH 2
CONNECTOR

CH 3
CONNECTOR

“ The information contained herein is confidential and proprietary. Under copyright laws , this manual cannot be reproduced in any form
without the prior written permission of TOSHIBA.”
Copyright 2011, Toshiba Corporation.
P-22

2-2-4 Digital input card (DICW01G021)

SW

These LEDs
indicate
each channel
DI status

CONNECTOR

CONNECTOR

Copyright 2011, Toshiba Corporation.


P-23

2-2-5 Digital output card (DOCW01G021)

SW

These LEDs
indicate
each channel
DO status

CONNECTOR

CONNECTOR

Copyright 2011, Toshiba Corporation.


P-24

3. Hardware Description of
FCB Cubicle and Thyristor
Rectifier Cubicle

Copyright 2011, Toshiba Corporation.


P-25

3-1 Outline of Excitation Control System


AVR Cubicle GACP
VT *A
Excitation
CT OPS
Controller - A Gen. Auxiliary Controller
VT *B
Excitation
Controller - B

PWU(A) *A

*B
PWU(B
)
DC
AC

EX-TR

2CT THYRISTOR Rectifier


FCB Cubicle Cubicle
N-1 PULSE
AMPLIFIER
31E
FCB
GEN Field
flashing
P Discharge
S register
SH
64F

Station battery

Copyright 2011, Toshiba Corporation.


P-26

3-2-1 Arrangement of FCB Cubicle

FIELD CIRCUIT
BREAKER
(41E)

GROUND RELAY
(64F)

Copyright 2011, Toshiba Corporation.


P-27

3-2-2 Circuit configuration of FCB Cubicle

41E

FROM BATTERY

64F

31E
Copyright 2011, Toshiba Corporation.
P-28

3-3-1 Arrangement of Thyristor Rectifier Cubicle

Copyright 2011, Toshiba Corporation.


P-29

4. Hardware Description of
GACP

Copyright 2011, Toshiba Corporation.


P-30

4-1 Control Functions of GACP

1. Generator Auxiliary Control


Monitoring (indication & alarms) of Hydrogen gas control system,
seal oil control system and stator water cooling system and operation
of those system

2. Automatic start sequential

Copyright 2011, Toshiba Corporation.


P-31

4-2 Outline of Excitation Control System


AVR Cubicle GACP
VT *A
Excitation OPS
CT
Controller - A Gen. Auxiliary Controller
VT *B
Excitation
Controller - B

PWU(A) *A

*B
PWU(B
)
DC
AC

EX-TR

THYRISTOR RECTIFIER
2CT
FCB Cubicle CUBICLE
N-1 PULSE
AMPLIFIER
31E
FCB
GEN Field
flashing
P Discharge
S register
SH
64F

Station battery

Copyright 2011, Toshiba Corporation.


P-32

4-2-1 Arrangement of GACP


AVR GACP(1) GACP(2) POWER SUPPLY UNIT- A/B
FOR GEN. AUXILIARY CONTROLER-A/B.

SC SYSTEM CONTROLLER
PERFORMS THE AUXILIARY CONTROL.

SC SYSTEM CONTROLLER - PIO


PERFORMS THE SIGNAL
INPUT/OUTPUT.

POWER DISTRIBUTION UNIT INCLUDE


MOLDED CASE CIRCUIT BREAKER.

Copyright 2011, Toshiba Corporation.


P-33

4-2-2 Gen. Auxiliary Controller’s PCB

OPS

Copyright 2011, Toshiba Corporation.


P-34

4-3 PCB Overview

Copyright 2011, Toshiba Corporation.


P-35

4-3-1 CPU card for the system controller (CPUX01G001)

Copyright 2011, Toshiba Corporation.


P-36

4-3-2 Ethernet card (ETMX01G001)

Copyright 2011, Toshiba Corporation.


P-37

4-3-3 Device-net interface card (LBIW01W01G021)


TOSHIBA
LBIW01-01 Description of LEDs
LED ○ RUN
○ ERR
○ ONLINE RUN : Lights while microprocessor is operating
○ N-ERR
ERR : Lights when errors occur
ONLINE : Lights when device network is normal
N-ERR : Lights when device network is abnormal

CH0

Connector
for Device-Net

Copyright 2011, Toshiba Corporation.


P-38

4-3-4 System bus control card (COMW01G02)

LED Description of LEDs


RUN : Lights while microprocessor is operating
ERR : Lights when errors occur
CH 0 ONLINE 0 : Lights during data transmission/reception on CH 0
CONNECTOR ONLINE 1 : Lights during data transmission/reception on CH 1
ONLINE 2 : Lights during data transmission/reception on CH 2
CH 1
CONNECTOR ONLINE 3 : Lights during data transmission/reception on CH 3

CH 2
CONNECTOR

CH 3
CONNECTOR

Copyright 2011, Toshiba Corporation.


P-39

4-3-5 Input / Output buffer card (IOBW01G021)


Description of LEDs
RUN : Lights while board is operating
ERROR : Lights when errors occur
ONLINE : Lights when channel A is communicating
LED PRM : Lights when channel A is primary

LED PIO board state display


1 to 18 : Light when PIO board in corresponding slot is
in maintenance or error state

CHA
CONNECTOR

CHB
CONNECTOR

Copyright 2011, Toshiba Corporation.


P-40

4-3-6 Analog input card (AICW01G022)

SW

CONNECTOR

Copyright 2011, Toshiba Corporation.


P-41

4-3-7 Digital input card (DICW01G021)

SW

These LEDs
indicate
each channel
DO status

CONNECTOR

CONNECTOR

Copyright 2011, Toshiba Corporation.


P-42

4-3-8 Digital output card (DOCW01G021)

SW

These LEDs
indicate
each channel
DO status

CONNECTOR

CONNECTOR

Copyright 2011, Toshiba Corporation.


P-43

4-3-9 Modem interface card (MIFW01G021)

Description of LEDs
RUN : Lights while microprocessor is operating
ERR : Lights when errors occur
ONLINE 0 : Lights during data transmission/reception on CH 0
ONLINE 1 : Lights during data transmission/reception on CH 1
LINK : Lights when RS-232C is connectedRS-232C is connected
SD : Lights when data transmission of RS-232C
RD : Lights when data reception of RS-232C

RUN : Normal operation


STOP : Operation stopped

Copyright 2011, Toshiba Corporation.


P-44
EXCITATION SYSTEM MAINTENANCE

5 EXCITATION SYSTEM
MAINTENANCE

Copyright 2011, Toshiba Corporation.


P-45
EXCITATION SYSTEM MAINTENANCE

5-1 INSPECTION ITEM

Copyright 2011, Toshiba Corporation.


P-46
EXCITATION SYSTEM MAINTENANCE

5-2 PERIODICAL REPLACEMENT PARTS

No. Parts name Replacement interval Replacement method


1 Electrolytic capacitor for About 5-7 years One set of power
the control power (Actual interval may vary depending unit should be
on the service temperature) replaced.

Copyright 2011, Toshiba Corporation.


P-47

5-3TROUBLE SHOOTING(1/2)
Failure item Contents of failure Result Necessary steps
LOSS OF EXC-□ The output of the Excitation The excitation controller in question ・Check the input/output voltage of the failed
POWER controller power unit has is removed from service and is power unit and investigate the cause of failure.
SOURCE dropped. automatically switched over to the ・When the power unit is faulty, replace it.
stand by system.
EXC -□ CPU The CPU card of Excitation The excitation controller in question ・Check the CPU card in question.
FAULT controller has detected is removed from service and is ・ If the CPU card is faulty, replace it.
anomaly. automatically switched over to the
stand by system.
EXC -□ PIO Anomaly is found in PIO The excitation controller in question ・Check the input/output characteristic of the
BNORMAL card. is removed from service and is PIO card in question and investigate the cause of
switched over to the stand by failure.
system. ・When the PIO card is faulty, replace it.
□–VT FUSE VT input voltage fall is The excitation controller in ・Retrieve the transient records of the master
BLOWN detected. question is removed from ・controllers investigate the cause of trouble.
service and is switched over to
the stand by system.
□–OVER Generator over excitation is The excitation controller in question ・Retrieve the transient records of the master
EXCITATION detected. is removed from service and is controllers of both systems and investigate the
switched over to the standby cause of trouble.
system. .

□–PLA FAULT Output pulse from the pulse The excitation controller in question ・Check the input/output characteristic of the
generator is open. is removed from service and is phase control card and the pulse amplifier unit,
switched over to the standby and investigate the cause of trouble.
system. ・If the phase control card or the pulse amplifier is
faulty, replace it.

□:A or B

Copyright 2011, Toshiba Corporation.


P-48

5-3 TROUBLE SHOOTING(2/2)


Failure item Contents of failure Result Necessary steps
THY COOLING When the field circuit breaker This results in 86E. When the ・Check the thyristor cooling fan and the power
FAN BOTH TRIP was closed, both groups of generator circuit breaker is closed, supply circuit (C/C).
thyristor cooling fans stopped this fault results in 86G
and 15 seconds passed after
stopping.
PLA POWER Voltage drop is detected in This results in 86E. When the ・Check the input/output voltage of the failed
FAILURE the pulse amplifier in generator circuit breaker is closed, power unit and investigate the cause of trouble.
question. this fault results in 86G trip. ・When the power unit is faulty, replace it.

□:A or B

Copyright 2011, Toshiba Corporation.


P-49

5-4 REPAIR/REPLACEMENT PROCEDURE(1/2)

Cards with None of Switch


Cards in this category include: Replacement procedure
CPUX01 card (1)Turn off power for the controller.
(2)If there are connectors on the front of the card, remove all
ETMX01 card
the connectors.
COMW01 card (3)Remove setscrews on the card.
LIBW01 card (4)Remove the card by pulling both white levers at the top and
IOBW01 card bottom of the card.
(5)Insert the normal card by pushing white levers at the top and
DADC02 card bottom of the card.
DPHC06 card (6)Tighten the setscrews on the card.
CPUX02 card (7)Mount all the connectors that were removed at step (2).
(8)Turn on power of the controller.

Copyright 2011, Toshiba Corporation.


P-50

5-4 REPAIR/REPLACEMENT PROCEDURE(2/2)

Cards with Maintenance Switch


Cards in this category include: Replacement procedure
AICW01 card (1)Turn off the Maintenance switch on the front of the card.
(2)Remove all the connectors from the front of the card.
AOGW01 card
(3)Remove set screws of the card.
DICW01 card (4)Remove the card by pulling both white levers at the top and
DOCW01 card bottom of the card.
MIFW01 card (5)Insert the normal card by pushing white levers at the top and
bottom of the card.
(6)Tighten the setscrews on the card.
(7)Mount all the connectors that were removed at step (2).
(8)Turn on the Maintenance switch.

Copyright 2011, Toshiba Corporation.


P-51

END

Copyright 2011, Toshiba Corporation.

You might also like