KEMBAR78
Power Source (Current Flow Chart) | PDF | Ignition System | Equipment
0% found this document useful (0 votes)
467 views9 pages

Power Source (Current Flow Chart)

This document provides a flow chart showing the path of current from the battery to various electrical sources and components in a vehicle. It displays the battery and starter as the initial power sources. Current then flows through various fusible links, circuit breakers, and fuses to secondary electrical sources like relays. These secondary sources then distribute current to various parts of the vehicle like the alternator, ignition coil, fuel injectors, engine control units, lights, and other components. The accompanying pages provide more detail on the specific parts powered by each electrical source.

Uploaded by

Jonn Sim-One
Copyright
© © All Rights Reserved
We take content rights seriously. If you suspect this is your content, claim it here.
Available Formats
Download as PDF, TXT or read online on Scribd
0% found this document useful (0 votes)
467 views9 pages

Power Source (Current Flow Chart)

This document provides a flow chart showing the path of current from the battery to various electrical sources and components in a vehicle. It displays the battery and starter as the initial power sources. Current then flows through various fusible links, circuit breakers, and fuses to secondary electrical sources like relays. These secondary sources then distribute current to various parts of the vehicle like the alternator, ignition coil, fuel injectors, engine control units, lights, and other components. The accompanying pages provide more detail on the specific parts powered by each electrical source.

Uploaded by

Jonn Sim-One
Copyright
© © All Rights Reserved
We take content rights seriously. If you suspect this is your content, claim it here.
Available Formats
Download as PDF, TXT or read online on Scribd
You are on page 1/ 9

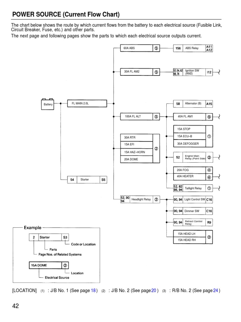
POWER SOURCE (Current Flow Chart)

The chart below shows the route by which current flows from the battery to each electrical source (Fusible Link,
Circuit Breaker, Fuse, etc.) and other parts.
The next page and following pages show the parts to which each electrical source outputs current.

60A ABS ABS Relay

30A FL AM2 Ignition SW


(AM2)

Battery FL MAIN 2.0L Alternator (B)

100A FL ALT 40A FL AM1

15A STOP

30A RTR 15A ECU–B

15A EFI 30A DEFOGGER

15A HAZ–HORN
Engine Main
20A DOME Relay (Point Side)

20A FOG

40A HEATER
Starter

Taillight Relay

Headlight Relay Light Control SW

Dimmer SW

Retract Control
Relay

15A HEAD LH

15A HEAD RH

[LOCATION] (1) : J/B No. 1 (See page 18 ) (2) : J/B No. 2 (See page 20
19) (3) : R/B No. 2 (See page 24
23)

42
7.5A IGN Engine Main Relay
(Coil Side)

Ignition Coil

(5A–FE)

Igniter

Injector No. 1

10A TURN
Injector No. 2
15A CIG & RADIO
Injector No. 3
15A ECU–IG

15A GAUGE Engine ECU


Injector No. 4
20A WIPER
Engine and ECT
IIA ECU
(4A–FE)

30A POWER Neutral Start Circuit Opening


SW (A/T) Relay
(A/T)

Alternator (S) Engine ECU

Ignition SW Engine and ECT


(AM1) Starter
ECU
(M/T)
30A FL RDI FAN
Starter Relay Cold Start
Injector
30A FL CDS FAN

Start Injector
Time SW
Heater Relay 10A A/C

15A TAIL Blower Motor Combination


Meter
(M/T)

(CANADA)
Retract Control
Relay
(USA)

Clutch Start SW

Light Control
SW

(4) : J/B No. 4 (See page 24


20) (5) : Fusible Link Box (F10 See on page26 )

43
POWER SOURCE (Current Flow Chart)
180 180 82 180
191 180 82 191 180 180 191 180
156 58 191 191 202 191 82 140 156 168 100
Page Nos. of 202 202 202 180 191 202 191
212 212 212 212 202 212
Related Systems

A/C Condenser Fan Motor

Back–Up Light SW (M/T)


A/C Control Assembly

A/C Control Assembly

A/C Control Assembly

Air Vent Mode Control


A/C Power Transistor

Auto Antenna Control


A/C System Amplifier
Parts

Auto Tilt Away ECU


Ashtray Illumination
A/C Magnet Clutch

Auto A/C Amplifier


A/C Pressure SW
A/C Idle–Up VSV

Relay and Motor


ABS Actuator
Code or

A/C Amplifier

Servo Motor
ABS Relay
Location

(w/o ECT)

ABS ECU
Alternator

(w/ ECT)
Location

CB or Fuse A2 A3 A4 A5 A7 A11 A16 A17 A18 A19 A20 A22 A25 A30 A31 A32 A34 A36 A38 A41 B1

30A DEFOGGER
20A WIPER

15A GAUGE
7.5A IGN
15A ECU–B
10A TURN
15A CIG & RADIO

15A TAIL
15A ECU–IG
15A STOP
15A HEAD LH
15A HEAD RH

30A RTR
15A EFI
20A DOME
15A HAZ–HORN
30A FL RDI FAN

30A FL CDS FAN


30A POWER
20A FOG
10A A/C

40A HEATER

[LOCATION] (1) : J/B No. 1 (See page 18 ) (2) : J/B No. 2 (See page 20 ) (3) R/B No. 2 (See page 23 )

44
Blower Control Relay

B3
Blower Motor
212
180

Blower Resistor

B4 B5
Blower Resistor

B6
191 202 212 202
180 191 191 180

(4)
Back Door Courtesy SW

Check Connector
74
104 68
62

161

B7 C1 C2
Check Connector
212
202
191
180

(for Fan Check)

Center Airbag Sensor

C3 C7
Assembly
Cigarette Lighter
C8

Cigarette Lighter
161 167 82

Illumination
74
62

Circuit Opening Relay

: R/B No. 4 (See page 24 )


Clock
C9 C10 C11

ABS Warning Light


[Comb. Meter]
C13

Airbag Warning Light


[Comb. Meter]
Check Engine Warning
74
68 167 156 176 68
161 62

Light [Comb. Meter]


Combination Meter
176

Cruise Control Indicator


150
144

Light [Comb. Meter]


ECT Indicator Light
(PWR) [Comb. Meter]
C14

High Beam Indicator Light


133 89

[Comb. Meter]
O/D Off Indicator Light
138
133

[Comb. Meter]
Seat Belt Warning Light
[Comb. Meter]
Turn Signal Indicator
121 102

Lights [Comb. Meter]


Charge Warning Light
[Comb. Meter]
Combination Meter
(Illumination)
C15

Door Warning Light


[Comb. Meter]
Dimmer SW
94
176 176 176 92
58 82 104 89

[Comb. SW]
Horn SW [Comb. SW]
C16

Turn Signal SW
155 102

[Comb. SW]

45
POWER SOURCE (Current Flow Chart)
62
82 108 108 82 74
118 116 144 150 144 138 104 111 62 68 133 68
Page Nos. of 124 126 111 133 191 180
212 202
Related Systems

Diode (for Interior System)


Front Wiper and Washer

Rear Wiper and Washer

Door Courtesy Light RH


Door Courtesy Light LH

ECT Pattern Select SW


Diode (for O/D System)

Door Courtesy SW RH
Door Courtesy SW LH

Engine and ECT ECU

Engine and ECT ECU


Parts

Door Lock Motor RH


Door Lock Motor LH
Cruise Control ECU

Cruise Control ECU

Cruise Control ECU

Diode (for Key Off)


SW [Comb. SW]

SW [Comb. SW]

Door Lock ECU


Code or

Defogger SW

Engine ECU

Engine ECU

Engine ECU
Location

(Vacuum)
(Motor)
Location

CB or Fuse C17 C19 C20 D2 D3 D5 D6 D7 D8 D9 D10 D11 D14 D15 E4 E5 E6 E7

30A DEFOGGER
20A WIPER

15A GAUGE
7.5A IGN
15A ECU–B
10A TURN
15A CIG & RADIO

15A TAIL
15A ECU–IG
15A STOP
15A HEAD LH
15A HEAD RH

30A RTR
15A EFI
20A DOME
15A HAZ–HORN
30A FL RDI FAN

30A FL CDS FAN


30A POWER
20A FOG
10A A/C

40A HEATER

[LOCATION] (1) : J/B No. 1 (See page 18 ) (2) : J/B No. 2 (See page 20 ) (3) R/B No. 2 (See page 23 )

46
Engine ECU

E7
212
180

Engine and ECT ECU

E8
Engine ECU
202 133 74

Extra High Speed Relay

E9
191 62 68 191

(4)
Fog Light LH
94

F1 F2
Fog Light RH
Front Side Marker

F5
Light LH
86

Front Side Marker

F6
Light RH
Front Turn Signal Light
F7
and Clearance Light LH
86
102

F8 Front Turn Signal Light


and Clearance Light RH
Front Wiper Motor
118

Fog Light SW
92
82

: R/B No. 4 (See page 24 )


Fuel Pump
74
68
62

Glove Box Light


82

Glove Box Light SW

Headlight LH
94
92
89

Headlight RH

Horn LH
F9 F11 F16 G1 G2 H1 H2 H3
155

Horn RH
82

Hazard SW
H4 H5
102
98

High Mount Stop Light


H6
I3

ISC Valve
68
62

133

Ignition Key Cylinder


Light
104

Interior Light
I11 I13

Junction Connector
J4
212
202
191
180

Junction Connector
J5

(for Heater)
Licence Plate Light
L1
86

Luggage Compartment
L2

Door Courtesy SW (C/P)


104

Luggage Compartment
L3

Light (C/P)

47
Location

48

30A
15A
15A

40A
10A
20A
30A
30A
30A
15A
20A
15A
15A
15A
15A
15A
10A
15A
15A
20A
30A

7.5A

[LOCATION]
EFI

A/C
IGN

RTR
TAIL

FOG
STOP
TURN

DOME
WIPER
Parts

ECU–B
GAUGE

ECU–IG

POWER

(1)
HEATER
Code or

HEAD LH
HEAD RH
Location

CB or Fuse

FL RDI FAN
HAZ–HORN

FL CDS FAN
DEFOGGER

CIG & RADIO


Page Nos. of
Related Systems

Luggage Compartment

L4
Light (L/B)
Back–Up Light SW

N1
(w/o ECT of A/T)
Back–Up Light SW
(w/ ECT of A/T)
N2 Neutral Start SW

O/D Solenoid
104 100 100 133 138

: J/B No. 1 (See page 18 )


Oxygen Sensor
O1 O6

(for Ex. California)

(2)
82

O/D Main SW
138
74 133

Power Seat Motor


(for Lumber Support)
POWER SOURCE (Current Flow Chart)

Power Seat Motor


126

(for Side Support)


O7 P2 P3 P4

Power Seat SW

Power Window Master SW


P5 P6

Power Window Motor LH


108

Power Window Motor RH


P7

: J/B No. 2 (See page 20 )


Power Window SW RH
P8

(6)
Radiator Fan Motor
R1
212
202
191
180

Retract Motor LH
89

Retract Motor RH
RECIR/FRESH Control
R2 R3 R4
211
202
180

Servo Motor
Radio and Player
191 82

R5

(w/ CD Player)
Radio and Player
82

174

(w/o CD Player)
Remote Control Mirror SW
R6 R8

Retract Control Relay


168 128 94
89

R9

R/B No. 2 (See page 23 )


Retract Control Relay

94
(for CANADA)
Rheostat
Back–Up Light LH
[Rear Comb. Light LH]
Rear Turn Signal Light LH
[Rear Comb. Light LH]

(4)
Stop Light LH
82 100 102 98

[Rear Comb. Light LH]


Tail and Rear Side Marker
Light LH [Rear Comb. Light LH]
Back–Up Light RH
[Rear Comb. Light RH]
Rear Turn Signal Light RH
[Rear Comb. Light RH]
Stop Light RH
86 100 102 98

[Rear Comb. Light RH]


Tail and Rear Side Marker
86

Light RH [Rear Comb. Light RH]

Rear Window Defogger


124

: R/B No. 4 (See page 24 )


Rear Wiper Motor
116

and Relay
Remote Control Mirror
LH
128

Remote Control Mirror


RH
Speed Sensor
R10 R11 R12 R12 R12 R12 R13 R13 R13 R13 R20 R21 R22 R24 R25 R26 S1
150
144

(for Cruise Control System)


Shift Lock ECU
S7
142
170
168

Stereo Component
Amplifier
(w/ CD Player)
S8 S9
170

Stop Light SW
S10
133 156
98 150
62 142

Sunroof Control Relay


Personal Light
[Sunroof SW]
Sunroof Motor

Turn Signal Flasher


S11 S12 S14 T2

VSV (for EGR System)


68
68 144 130 104 130 102 62

VSV (for Electrical


74

Idle–Up System)
Washer Motor
118
116

V1 V2 W1

49
POWER SOURCE (Current Flow Chart)
180 62 180 180 180
191 62 104 68 191
108
191 92 191
138 124 155
Page Nos. of 202 68 106 74 202 126 202 94 202
212 121 133 212 130 212 212
Related Systems

A/C Condenser Fan Relay

A/C Condenser Fan Relay


Radiator Fan Relay No. 1

A/C Magnet Clutch Relay


Parts

Power Main Relay


(for Fans Control)
(for O/D System)

Integration Relay
Water Temp. SW

Water Temp. SW

Fog Light Relay


Defogger Relay

EFI Main Relay


Code or

Heater Relay

Horn Relay
Location
Location

Diode

No. 2

No. 3
CB or Fuse W2 W4

30A DEFOGGER
20A WIPER

15A GAUGE
7.5A IGN
15A ECU–B
10A TURN
15A CIG & RADIO

15A TAIL
15A ECU–IG
15A STOP
15A HEAD LH
15A HEAD RH

30A RTR
15A EFI
20A DOME
15A HAZ–HORN
30A FL RDI FAN

30A FL CDS FAN


30A POWER
20A FOG
10A A/C

40A HEATER

[LOCATION] (1) : J/B No. 1 (See page 18


20) (2) : J/B No. 2 (See page 20
19) (3) : R/B No. 2 (See page 23
23)
(4) : R/B No. 4 (See page 24 ) (6) : R/B No. 3 (See page 23 ) (7) : R/B No. 5 (See page 24 )

50

You might also like