KEMBAR78
Fuses | PDF | Vehicle Technology | Automotive Technologies
0% found this document useful (0 votes)
319 views6 pages

Fuses

Uploaded by

Sonny Raymundo
Copyright
© © All Rights Reserved
We take content rights seriously. If you suspect this is your content, claim it here.
Available Formats
Download as PDF, TXT or read online on Scribd
0% found this document useful (0 votes)
319 views6 pages

Fuses

Uploaded by

Sonny Raymundo
Copyright
© © All Rights Reserved
We take content rights seriously. If you suspect this is your content, claim it here.
Available Formats
Download as PDF, TXT or read online on Scribd
You are on page 1/ 6

2005 Toyota RAV4

2005 ELECTRICAL Power Source - RAV4

2005 ELECTRICAL

Power Source - RAV4

LOCATION

cardiagn.com

Microsoft
Tuesday, July 21, 2009 10:26:25
10:26:22 AM Page 1 © 2005 Mitchell Repair Information Company, LLC.
2005 Toyota RAV4
2005 ELECTRICAL Power Source - RAV4

Fig. 1: Identifying Power Source Components Location


Courtesy of TOYOTA MOTOR SALES, U.S.A., INC.

Fig. 2: Identifying Power Source Relays And Fuses Location - Engine Room R/B (1 Of 2)
Courtesy of TOYOTA MOTOR SALES, U.S.A., INC.
cardiagn.com

Microsoft
Tuesday, July 21, 2009 10:26:22 AM Page 2 © 2005 Mitchell Repair Information Company, LLC.
2005 Toyota RAV4
2005 ELECTRICAL Power Source - RAV4

cardiagn.com

Microsoft
Tuesday, July 21, 2009 10:26:22 AM Page 3 © 2005 Mitchell Repair Information Company, LLC.
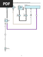
2005 Toyota RAV4
2005 ELECTRICAL Power Source - RAV4

Fig. 3: Identifying Power Source Relays And Fuses Location - Engine Room R/B (2 Of 2)
Courtesy of TOYOTA MOTOR SALES, U.S.A., INC.

cardiagn.com

Fig. 4: Identifying Power Source Relays And Fuses Location - Driver Side J/B Front Side
Microsoft
Tuesday, July 21, 2009 10:26:22 AM Page 4 © 2005 Mitchell Repair Information Company, LLC.
2005 Toyota RAV4
2005 ELECTRICAL Power Source - RAV4

Courtesy of TOYOTA MOTOR SALES, U.S.A., INC.

cardiagn.com

Fig. 5: Identifying Power Source Relays And Fuses Location - Driver Side J/B Rear Side
Microsoft
Tuesday, July 21, 2009 10:26:22 AM Page 5 © 2005 Mitchell Repair Information Company, LLC.
2005 Toyota RAV4
2005 ELECTRICAL Power Source - RAV4

Courtesy of TOYOTA MOTOR SALES, U.S.A., INC.

cardiagn.com

Microsoft
Tuesday, July 21, 2009 10:26:22 AM Page 6 © 2005 Mitchell Repair Information Company, LLC.

You might also like