KEMBAR78
Piu108 Piu108: Pir902 Pir902 | PDF | Sports
100% found this document useful (1 vote)
98 views3 pages

Piu108 Piu108: Pir902 Pir902

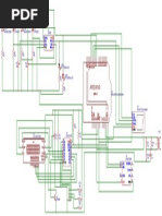
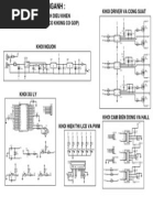
1. The document contains a circuit diagram with multiple sensors, buttons, resistors, and other electronic components connected. 2. The components are labeled with identifiers like PIR101, PIR201, COR1, R1, etc and are connected to form a larger circuit. 3. The diagram also includes text in another language that appears to reference a university and department but no other context is provided about the purpose of the circuit.
Copyright
© © All Rights Reserved
We take content rights seriously. If you suspect this is your content, claim it here.
Available Formats
Download as PDF, TXT or read online on Scribd
100% found this document useful (1 vote)
98 views3 pages

Piu108 Piu108: Pir902 Pir902

1. The document contains a circuit diagram with multiple sensors, buttons, resistors, and other electronic components connected. 2. The components are labeled with identifiers like PIR101, PIR201, COR1, R1, etc and are connected to form a larger circuit. 3. The diagram also includes text in another language that appears to reference a university and department but no other context is provided about the purpose of the circuit.
Copyright
© © All Rights Reserved
We take content rights seriously. If you suspect this is your content, claim it here.
Available Formats
Download as PDF, TXT or read online on Scribd
You are on page 1/ 3

1 2 3 4

VCC

PIR101 PIR201
COR1 COR2
R1 R2 COR3
R3
PIR301
Технически университет - Габрово COBUZ1
BUZ1
10k 10k 10k VCC

A
PIR102 PIR202 PIR302 Катедра "Автоматика, информационна и управляваща техника" COD1
D1
PIBUZ101

A
COC1
C1
COS1
S1 PID102 PID101
PIBUZ102
COR4
R4
PIS103 PIS101 PIR402 PIR401 BUT1
VCC
PIC101 PIC102
COR5
R5 D PIQ103
NLZUMER
ZUMER COQ1 PK12N40PA
Q1
COS2
S2 1k 1nF PIR501 PIR502
PIQ102
COR6
R6 BUT2 PIR901 COR7
R7 51K 1K
PIR801 NPN
PIS203 PIS201 PIR602 PIR601 PIR701 PIR702 COR8 PIQ101
R8
COR9
R9
COS3
S3 1k VCC 10K
COR10
R10 1K
BUT3 COC2
C2
PIS303 PIS301 PIR1002 PIR1001 COC3
C3 PIC201 PIC202

1k
COMK1
MK1
PIR902 COR11
R11
PIU108 PIR802

8
PIMK101 PIC301 PIC302
PIR1101 PIR1102 100nF GND
GND PIMK102 PIR1201 100 2 GND GND
1uF PIU102 COR39
R39 NLMIC
Mic2 1k COR14 1 MIC
R14 1 PIU101 PIR3901 PIR3902
PIR1402 PIR1401 3
PIU103 COU1A
U1A 470 PIC402 VCC
PIR1R12
202
COR12 100 PIR1301 LM358D
COC4
C4
LD1
VCC COR13
R13
PIU104 PIC401 1nF PIR1501

4
51K COR15
R15
LD2 GND GND COR16
NLPOT1 PIR1602R16
COR40 PIR40 1 PIU108 POT1 POT
LD3 R40 PIR1601
PIR1503

8
10K
PIR1302 470R
6
PIU106
B
2
7
PIU107
GND GND GND PIR1502 B
PIR1702 PIR1802 PIR1902 PIR40 2 5
PIU105 COU1B
U1B
COR17
R17 COR18
R18 COR19
R19 PIR4101 LM358D
GND
1K 1K 1K
COR41
R41
PIU104 VCC

4
10K COU2
U2
PIR1701 PIR1801 PIR1901 1 30
PIR20 1
PID202 PID302 PID402 PIR4102 PIU201
2
D1/TX VIN PIU2030
29 COR21
COR20
R20
COD2 COD3 COD4 PIU202 D0/RX GND PIU2029 GND NLPOT2 PIR2102R21
POT2 POT
D2 D3 D4 3 28 PIR2101
PIR2003
D_LED D_LED D_LED GND PIU203 RESET RESET PIU2028
470R
4 27
NLLD1 GND PIU204 GND +5V PIU2027 VCC
LD1 5 26 TEMP
PID201 PID301 PID401 NLLD2
LD2
PIU205
6
D2 A7 PIU2026
25 LIGHT
PIR20 2
PIU206 D3 A6 PIU2025
NLLD3
LD3 7
PIU207 D4 A5
24
PIU2024 GND
GND NLBUT1
BUT1 8 23
NLBUT2
PIU208 D5 A4 PIU2023 VCC
BUT2 9 22
NLBUT3
PIU209 D6 A3 PIU2022
BUT3 10 21 MIC
NLLED0IND1
LED_IND1
PIU2010
11
D7 A2 PIU2021
20 POT2
PIRV101
PIU2011 D8 A1 PIU2020 CORV1
RV1
NLLED0IND2
LED_IND2 12
PIU2012 D9 A0
19
PIU2019
POT1 Photoresistor
LED_STB 13 18 PIR2202 COR22
R22 COR23
R23
LED_SI
PIU2013
14
D10 AREF PIU2018
17
PIR2201 VCC NLLIGHT
LIGHT PIR2301 PIR2302
PIRV102
C
ZUMER
PIU2014
15
D11 3V3 PIU2017
16
100 NLLED0CLK
LED_CLK 100 PIR2402 C
COL1
L1 PIU2015 D12 D13 PIU2016 COR24
R24
s0PIL1016
16 11 s0 VCC 10K
a1 a2 PIL1011 ARDUINO NANO
s1PIL1015
15 10 s1
b1 b2 PIL1010
s2PIL103
3
c1 c2
8 s2
PIL108 PIR2501 PIR2401
s3PIL102
2 6 s3 COR25
R25
d1 d2 PIL106
s4PIL101
1 5 s4 10K GND
e1 e2 PIL105
s5PIL1018
18 12 s5
f1 f2 PIL1012
VCC U3 COU3 VCC
s6PIL1017
17 7 s6 PIR2502
g1 g2 PIL107
16 3 LED_CLK
s7PIL104
4 9 s7 PIU3016 VCC CLK
dp1 dp2 PIL109
SI
PIU303
2 NLLED0SI
LED_SI PIR2601
14
PIL1014 OC1 OC2 PIL1013
13 9
PIU302
1 NLLED0STB
LED_STB COR26
R26
PIU309 QS STB PIU301 2K
10 15
DC56_LED PIU3010 Q'S OE PIU3015 LED_IND1
s0
NLs0 R27
COR27 470 NLaa 4
PIR2702 PIR2701 PIU304 Q1 LED_IND2 PIR2602
PIQ203 PIQ303 NLs1
s1 COR28
R28PIR2802
470
PIR2801
NLb
b5
PIU305 Q2 NLTEMP
TEMP
COR31
R31 COQ2
Q2 COR32
R32 COQ3
Q3 NLs2
s2 COR29
R29 470 NLcc 6
PIR2902 PIR2901 PIU306 Q3
PIR3101 PIR3102PIQ202 PIR3201 PIR3202
PIQ302
NLs3 COR30 NLdd 7 COU4
U4
1K PIR3601 NPN
1K PIR3701 NPN s3
s4
NLs4
R30
R33
PIR3002
COR33
470
PIR3001
470
PIU307 Q4
NLee14 3 2
COR36
R36PIQ201 COR37PIQ301
R37 PIR3302 PIR3301 PIU3014 Q5 PIU403 V- V+ PIU402
10K 10K s5
NLs5 R34
COR34 470 NLff13
PIU3013 Q6
NLs6
s6
PIR3402
COR35
R35
PIR3401
470 NLg
g12 GND ADJ
D PIU3012 Q7 D
PIR3602 PIR3702 NLs7
s7 R38
PIR3502
COR38
PIR3501
470 NLh
h11 8
PIU401

1
PIR3802 PIR3801 PIU3011 Q8 GND PIU308

GND GND GND GND M74HC4094M1R GND LM335AZ

1 2 3 4
COU2

PAQ101 PAR802
COQ1PAQ102 COR8 PAR501 COR31
PAR3101 PAR3102 COR36
PAR3602 PAR3601 COR37
PAR3702 PAR3701
COBUZ1
PAQ103
COR5
PAR801 PAR502 PAU2016 PAU2015
COR32
PAR3201 PAR3202 COR27
PAR2701 PAR2702 PAQ201 PAQ202 PAQ301 PAQ302
COQ2 COQ3
PAU2017 PAU2014 PAQ203 PAQ303
PABUZ101 PABUZ102 PAD101 COD1PAD102 COL1
PAU2018 PAU2013 COR25
PAR2502 PAR2501 COR28
PAR2801 PAR2802
COR22
PAR2201 PAR2202 PAU2019 PAU2012 PAU301 PAU3016 COR33
PAR3301 PAR3302 PAL1018 PAL1017 PAL1016 PAL1015 PAL1014 PAL1013 PAL1012 PAL1011 PAL1010
PAC102COC1
COR39
PAC101
PAR3901 PAR3902 PAU2020 PAU2011
PAU302
PAU303
PAU304
COU3 PAU3015
PAU3014
PAU3013
COR34
PAR3401 PAR3402
COR13 COR7
PAR1301 PAR1302 PAR702 COC4
PAR701 PAC401 PAC402 PAU2021 PAU2010 PAU305
PAU306
PAU3012
PAU3011
COR35
PAR3501 PAR3502
COMK1 PAU101 PAU108 PAU2022 PAU209 PAU307 PAU3010

PAMK101 PAMK102 COR14


PAR1401
PAR1402
PAU102
PAU103
PAU104
COU1 PAU107
PAU106
PAU105
PAC201
COC2
PAC202 PAU2023 PAU208
PAU308 PAU309 COR38
PAR3801 PAR3802

COR29
PAR2901 PAR2902
PAU2024 PAU207
COC3
PAC301 COR11
PAC302 PAR1101 COR41
PAR1102 PAR4101 PAR4102
PAR3001 PAR3002
PAU2025 PAU206 COR30 PAL101 PAL102 PAL103 PAL104 PAL105 PAL106 PAL107 PAL108 PAL109
COR9
PAR902 PAR901 COR12
PAR1201 PAR1202
CORV1 COR40
PAR4001 PAR4002
PAU2026 PAU205
COD4
PAU403
PAU402
PAU401 COR26 COR24
PAR2602
PAR2601
PAR2402
PAR2401
PARV102
PARV101
COR23
PAR2301
PAR2302
PAU2027
PAU2028
PAU204
PAU203
COR19
PAR1902 PAR1901

COR18
PAR1802 PAR1801
PAD402 PAD401

COU4 PAU2029 PAU202 COD3 PAR1001 PAR301


COR21
PAR2101 PAR2102 COR16
PAR1601 PAR1602 PAU2030 PAU201 COR17
PAR1702 PAR1701
PAD302 PAD301 COR10
COR3
PAR1002 PAR302
PAR601 COR2
COR6 PAR201
PAR602 PAR202
PAR401 PAR101
COR4 COR1
PAR402 PAR102

PAR2002 PAR2001 PAR1502 PAR1501 COD2 PAS304 PAS302 PAS204 PAS202 PAS104 PAS102
COR20 COR15 PAD202 PAD201 COS3 COS2 COS1
PAR2003 PAR1503 PAS301 PAS303 PAS201 PAS203 PAS101 PAS103
Comment Designator Footprint Quantity
PK12N40PA BUZ1 PK12N40PA 1
1nF C1, C4 0805 2
100nF C2 0805 1
1uF C3 0805 1
D D1 MELF-R2/X1.6 1
D_LED D2, D3, D4 LED-3MM 3
DC56_LED L1 DC56-11 1
Mic2 MK1 ECM-60_MIC 1
NPN Q1, Q2, Q3 SOT-23_1 3
R1, R2, R3, R8, R24, R25, R36, R37,
10k R40, R41 0805 10
R4, R5, R6, R9, R10, R12, R17, R18,
1k R19, R31, R32 0805 11
51K R7, R13 0805 2
100 R11, R14, R22, R23 0805 4
POT R15, R20 VR_1 2
470R R16, R21 0805 2
2K R26 0805 1
R27, R28, R29, R30, R33, R34, R35,
470 R38, R39 0805 9
Photoresistor RV1 HDR1X2 1
S1, S2, S3 BUTON_ZGPU 3
LM358D U1 751-02_N 1
ARDUINO NANO U2 arduino_nano 1
M74HC4094M1R U3 SO16_N 1
LM335AZ U4 Z03A 1

You might also like