KEMBAR78
Fortnight Report Format | PDF | Energy Technology | Chemical Equipment
0% found this document useful (0 votes)
99 views6 pages

Fortnight Report Format

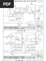
This document contains vibration and operating parameters for various fans, pumps, compressors and other auxiliary equipment for 3 units of a 660 MW thermal power plant. Readings are recorded for parameters like vibration, operating hours and amps on a periodic basis. Standby and outdoor plant auxiliaries are also listed along with their monitoring parameters.

Uploaded by

rbdubey2020
Copyright
© © All Rights Reserved
We take content rights seriously. If you suspect this is your content, claim it here.
Available Formats
Download as PDF, TXT or read online on Scribd
0% found this document useful (0 votes)
99 views6 pages

Fortnight Report Format

This document contains vibration and operating parameters for various fans, pumps, compressors and other auxiliary equipment for 3 units of a 660 MW thermal power plant. Readings are recorded for parameters like vibration, operating hours and amps on a periodic basis. Standby and outdoor plant auxiliaries are also listed along with their monitoring parameters.

Uploaded by

rbdubey2020
Copyright
© © All Rights Reserved
We take content rights seriously. If you suspect this is your content, claim it here.
Available Formats
Download as PDF, TXT or read online on Scribd
You are on page 1/ 6

Date: SEAL AIR FAN # 1 SEAL AIR FAN # 2 PA FAN # 1

/ / H V A H V A H V A BOILER AUXILLIARIES
MNDE
MDE
(3 X 660 MW)
FDE UNIT No.
FNDE
Date:
Date: SCANNER FAN AC SCANNER FAN DC PA FAN # 2 COAL MILL # A COAL MILL # B
/ / H V A H V A H V A H V A H V A
MNDE MNDE
MDE MDE
FDE GB I/P
FNDE
COAL MILL # C COAL MILL # D
Date: FD FAN # 1 FD FAN # 2 H V A H V A
/ / H V A H V A MNDE
MNDE MDE
MDE GB I/P
FDE
COAL MILL # E COAL MILL # F
MAIN TURBINE UNIT # MW; Date: H V A H V A
SHAFT VIBRATION PEDASTAL VIBRATION MNDE
Bearing No. UNIT
H V A H V A MDE
1 um pp GB I/P
2 um pp
3 um pp
4 um pp Date: ID FAN # 1 ID FAN # 2
5 um pp / / H V A H V A
6 um pp MNDE
7 um pp MDE
8 um pp FDE

CMC SECTION 3 X 660MW


Unit No. TURBINE AUXILLIARIES (3 X 660 MW)
Date: TD BFP A TD BFP B Date: MD BFP Date: CEP
/ / H V A H V A / / H V A / / H V A
BP NDE BP NDE M NDE
BP DE BP DE M DE
G/B OP DE M DE P DE
G/B OP NDE M NDE
G/B IP NDE FC DE Date: CEP
G/B IP DE FC NDE / / H V A
TRST BRG MP DE M NDE
BRG 2 MP NDE M DE
MP DE TDBFP A RPM P DE
MP NDE TDBFP B RPM

Date: DMCW (TG) DMCW (TG) Date: DMCW (SG) Date: STATOR COIL CW
/ / H V A H V A / / H V A / / H V A
M NDE M NDE M NDE
M DE M DE M DE
P DE P DE P DE
P NDE P NDE P NDE

Date: SEAL OIL PUMP H2 SIDE SEAL OIL PUMP H2 SIDE Date: EH OIL POLISHING Date: EH OIL CONTROL
/ / H V A H V A / / H V A / / H V A
M NDE M NDE M NDE
M DE M DE M DE
P DE P DE P DE
P NDE P NDE P NDE

Date: HP SHELL VP LP SHELL VP Date: MOT VAPOUR FAN Date: GSC FAN
/ / H V A H V A / / H V A / / H V A
M NDE M NDE M NDE
M DE M DE M DE
G/B IP DE
G/B IP NDE Standby Auxilliaries : LP SHELL VP GSC FAN
G/B OP DE CEP STATOR COIL CW
G/B OP NDE MOT VAPOUR FAN SEAL OIL PUMP AIR SIDE
P DE DMCW (TG) EH OIL CONTROL
P NDE DMCW (SG) HP SHELL VP
CMC SECTION 3 X 660MW
OUTDOOR PLANT AUXILLIARIES (3 X 660 MW)
Date: INSTRUMENT COMPRESSOR # 1 INSTRUMENT COMPRESSOR # 2 INSTRUMENT COMPRESSOR # 3 INSTRUMENT COMPRESSOR # 4 INSTRUMENT COMPRESSOR # 5 INSTRUMENT COMPRESSOR # 6
/ / H V A H V A H V A H V A H V A H V A
MNDE
MDE
HP ELE DE
HP ELE NDE
LP ELE DE
LP ELE NDE

Date: INSTRUMENT COMPRESSOR # 7 INSTRUMENT COMPRESSOR # 8 INSTRUMENT COMPRESSOR # 9 SERVICE COMPRESSOR # 7 SERVICE COMPRESSOR # 8 SERVICE COMPRESSOR # 9
/ / H V A H V A H V A H V A H V A H V A
MNDE
MDE
HP ELE DE
HP ELE NDE
LP ELE DE
LP ELE NDE

Date: SERVICE COMPRESSOR # 1 SERVICE COMPRESSOR # 2 SERVICE COMPRESSOR # 3 SERVICE COMPRESSOR # 4 SERVICE COMPRESSOR # 5 SERVICE COMPRESSOR # 6
/ / H V A H V A H V A H V A H V A H V A
MNDE
MDE
HP ELE DE
HP ELE NDE
LP ELE DE
LP ELE NDE

Date: RIVER WATER PUMP (JYOTHI) 1 RIVER WATER PUMP (JYOTHI) 2 RIVER WATER PUMP (JYOTHI) 3 RIVER WATER PUMP (JYOTHI) 4 RIVER WATER PUMP (FLOW MORE) 1 RIVER WATER PUMP (FLOW MORE) 2
/ / H V A H V A H V A H V A H V A H V A
MNDE
MDE
PDE
PNDE

CMC SECTION 3 X 660MW


Date: RAW WATER PUMP 1 RAW WATER PUMP 2 RAW WATER PUMP 3 C.T. MAKE -UP PUMP - 1 C.T. MAKE -UP PUMP - 2 C.T. MAKE -UP PUMP - 3
/ / H V A H V A H V A H V A H V A H V A
MNDE
MDE
PDE
PNDE

Date: CYCLE MAKE UP PUMP #1 CYCLE MAKE UP PUMP #2 CYCLE MAKE UP PUMP #3 CYCLE MAKE UP PUMP #4 SERVICE WATER PUMP - APHW PUMP -
/ / H V A H V A H V A H V A H V A H V A
MNDE
MDE
PDE
PNDE

Date: CW PUMP 8A CW PUMP 8B CW PUMP 9A CW PUMP 9B CW PUMP 10A CW PUMP 10B


/ / H V A H V A H V A H V A H V A H V A
MNDE
MDE
PDE

Date: ACW PUMP 8 ACW PUMP 9 ACW PUMP 10 BOILER FILL PUMP # FIRE HYDRANT PUMP FIRE HYDRANT PUMP
/ / H V A H V A H V A H V A H V A H V A
MNDE
MDE
PDE
PNDE
Standby Aux:
SERVICE WATER PUMP - BOILER FILL PUMP #
APHW PUMP - FIRE HYDRANT PUMP
ACW PUMP 8 ACW PUMP 9
ACW PUMP 10

CMC SECTION 3 X 660MW


Date: AHP SERIES PUMP AHP SERIES PUMP AHP SERIES PUMP AHP SERIES PUMP
/ /
MNDE
H V A H V A H V A H V A
AHP
MDE AUXILLIARIES
FC DE
FC NDE (3 X 660 MW)
GB IP DE
GB IP NDE Standby Aux:
GB OP NDE ASP SERIES PUMP
GB OP DE
PDE
PNDE

Date: AHP COMPRESSOR #1 AHP COMPRESSOR #2 AHP COMPRESSOR #3 AHP COMPRESSOR #4 AHP COMPRESSOR #5
/ / H V A H V A H V A H V A H V A
MNDE
MDE
ELE 1 DE
ELE 2 DE

Date: SEAL WATER PUMP 1 SEAL WATER PUMP 2 HCSD # 1 HCSD # 2 HCSD # 3
/ / H V A H V A H V A H V A H V A
MNDE
MDE
PDE
PNDE

Date: BAHP 1 BAHP 2 BAHP 3 BAHP 4 BAHP 5


/ / H V A H V A H V A H V A H V A
MNDE
MDE
PDE
PNDE

Date: BALP 1 BALP 2 BALP 3 BALP 4 BALP 5


/ / H V A H V A H V A H V A H V A
MNDE
MDE
PDE
PNDE

CMC SECTION 3 X 660MW


AUXILLIARY BOILER AUXILLIARIES (3 X 660 MW)
Date: FD FAN A FD FAN B SCANNER FAN A SCANNER FAN B
/ /
H V A H V A H V A H V A
MNDE
MDE
FDE
FNDE

Date: BFP 1 BFP 2 DM TRANSEFR PUMP 1 DM TRANSEFR PUMP 2


/ /
H V A H V A H V A H V A
MNDE
MDE
PDE
PNDE

CMC SECTION 3 X 660MW

You might also like