KEMBAR78
How To Work The Boost-Up Circuit CM501 | PDF | Computers
0% found this document useful (0 votes)
832 views1 page

How To Work The Boost-Up Circuit CM501

The document provides instructions on how to work the AVDD Circuit Boost-Up 15v CM501. It explains that the circuit uses a switching FET to induce a voltage in a coil, which is then rectified by a diode to output a 15v DC voltage. Issues like short circuits in input capacitors or FET components could cause the 12v input to not be boosted properly. Damage to diodes or voltage regulator circuits could also prevent the output from reaching 15v.

Uploaded by

sachin
Copyright
© © All Rights Reserved
We take content rights seriously. If you suspect this is your content, claim it here.
Available Formats
Download as PDF, TXT or read online on Scribd
0% found this document useful (0 votes)
832 views1 page

How To Work The Boost-Up Circuit CM501

The document provides instructions on how to work the AVDD Circuit Boost-Up 15v CM501. It explains that the circuit uses a switching FET to induce a voltage in a coil, which is then rectified by a diode to output a 15v DC voltage. Issues like short circuits in input capacitors or FET components could cause the 12v input to not be boosted properly. Damage to diodes or voltage regulator circuits could also prevent the output from reaching 15v.

Uploaded by

sachin
Copyright
© © All Rights Reserved
We take content rights seriously. If you suspect this is your content, claim it here.
Available Formats
Download as PDF, TXT or read online on Scribd
You are on page 1/ 1

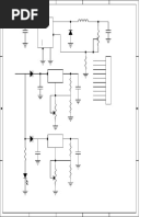
How to work the Boost-up circuit CM501

How to work AVDD Circuit Boost-Up 15v CM501


• Function to increase the input voltage of 12v to around 15v.

• 12v input voltage goes to pin25/26 via tranfo switching LP2


• LX1,2 is a FET that functions as "power switching".
• If the switching power is on-off, high frequency intermittent currents will flow through the LP2
coil.
• This will lead to the emergence of an induced voltage in the intermittent LP2 coil ... which is a
kind of ac voltage.
• By the DP2 diode, this voltage is then rectified, so that the dc voltage is around 15v.
• The FET QP2 functions to isolate the input voltage from the Diode LP2 with the AVDD output
voltage.

Trobelshuting.
• 12v short or short short input voltage can be caused (1) There is a smd ceramic capacitor that
is short / half short on the input voltage line 12v, the output path of the LP2 diode or the FET QP2 or
(2) LX1.2 short output path (FET contained in )
• AVDD is used to supply voltage to the Panel (Gate driver) and Gamma ic. Damage to these two
components will cause AVDD drops, hot CM501 or hot QP2 FET.
• If the voltage on LX1,2 remains the same as 12v, then this indicates CM501 has not
worked. Check the power_on CM501 pin-9 control for voltage.
• Damage to the DP1 diode causes the voltage to not rise to 15v.
• AVDD voltage is also used to supply the VGH generator circuit. Short VGH lines can certainly
also affect AVDD voltage.
• The AVDD voltage is lost, meaning the VGH voltage is also lost

You might also like