KEMBAR78
Control System Assignment 1 | PDF | Mathematics | Electrical Engineering
0% found this document useful (0 votes)
241 views4 pages

Control System Assignment 1

This document contains 9 problems related to modeling dynamic systems and control systems using differential equations, state-space models, transfer functions, and signal flow graphs. The problems involve modeling systems such as circuits, inverted pendulums, vehicles towing trailers, motorcycles, vibration absorbers, DC motor controls, and electronic circuits. Students are asked to derive mathematical models, determine transfer functions, and use signal flow graphs to analyze how inputs and disturbances propagate through the systems.

Uploaded by

atharva
Copyright
© © All Rights Reserved
We take content rights seriously. If you suspect this is your content, claim it here.
Available Formats
Download as PDF, TXT or read online on Scribd
0% found this document useful (0 votes)
241 views4 pages

Control System Assignment 1

This document contains 9 problems related to modeling dynamic systems and control systems using differential equations, state-space models, transfer functions, and signal flow graphs. The problems involve modeling systems such as circuits, inverted pendulums, vehicles towing trailers, motorcycles, vibration absorbers, DC motor controls, and electronic circuits. Students are asked to derive mathematical models, determine transfer functions, and use signal flow graphs to analyze how inputs and disturbances propagate through the systems.

Uploaded by

atharva
Copyright
© © All Rights Reserved
We take content rights seriously. If you suspect this is your content, claim it here.
Available Formats
Download as PDF, TXT or read online on Scribd
You are on page 1/ 4

Assignment 1

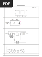
1. Find the dynamical equations and transfer function for the following circuit.

2. Consider the following circuit-

(a) Find the dynamic equations and state variables.


(b) Determine the transfer function.
3. An inverted pendulum mounted on a motor-driven cart is shown in figure. This is a model
of the attitude control of a space booster on takeoff. (The objective of the attitude control
problem is to keep the space booster in a vertical position.) The inverted pendulum is unstable
in that it may fall over any time in any direction unless a suitable control force is applied. Here
we consider only a two-dimensional problem in which the pendulum moves only in the plane
of the page.The control force u is applied to the cart. Assume that the center of gravity of the
pendulum rod is at its geometric center. Obtain a mathematical model for the system.

4. A vehicle towing a trailer through a spring-damper coupling hitch is shown in the


figure. The following parameters and variables are denned: M is the mass of the
trailer; K1,, the spring constant of the hitch; B1,, the viscous-damping coefficient of
the hitch; B,, the viscous-friction coefficient of the trailer; y1(t), the displacement of
the towing vehicle; y2(t), the displacement of the trailer; and f(t), the force of the
towing vehicle.

(a) Write the differential equation of the system.


(b) Write the state equations by defining the following state variables x1(t) = y1(t) -
y2(t) and x2(t) = dy2(t)dt.
5. Obtain the transfer function Y(s)/U(s) of the motorcycle suspension system shown in the
figure. The input u is a displacement input.

6. Vibration absorbers are used to protect machines that work at the constant speed from
steadystate harmonic disturbance. Figure given below shows a vibration absorber.

Assuming the harmonic force F(t) = Asin (wt) is the disturbance applied to the mass
M:
(a) Derive the state space equations of the system.
(b) Determine the transfer function of the system.
7. Figure shows the schematic diagram of a DC-motor control system for the control of
the printwheel of a word processor. The load in this case is the printwheel, which is
directly coupled to the motor shaft. The following parameters and variables are defined:
Ks is the error-detector gain (V/rad); Ki , the torque constant (oz-in./A); K, the amplifier
gain (V / V); Kb, the back-emf constant (V/rad/sec); n, the gear-train ratio = 92/Bm =
Tm/T2 ; Bm , the motor viscous-friction coefficient (oz-in.-sec); lm , the motor inertia
(oz-in.-sec2 ); Kl , the torsional spring constant of the motor shaft (oz-in./rad); and JL
the load inertia (oz-in.-sec2 ).

(a) Write the cause-and-effect equations of the system. Rearrange these equations into
the form of state equations with x1 = Ө0 , x2 = w0 , x3 = Өm , x4 = wm , and x5 = ia
(b) Derive the forward-path transfer function (with the outer feedback path open):
G(s) = Ө0(s) / Өe(s). Find the closed-loop transfer function M(s) = Ө0(s) / Өr(s).
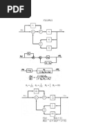
8. The block diagram of a control system is shown in figure.
(a) Draw an equivalent SFG for the system.
(b) Find the following transfer functions by applying the gain formula of the SFG directly
to the block diagram.

(c) Compare the answers by applying the gain formula to the equivalent SFG.

9. Signal-flow graphs may be used to solve a variety of electric network problems. Shown
in figure is the equivalent circuit of an electronic circuit. The voltage source ed(t)
represents a disturbance voltage. The objective is to find the value of the constant k so
that the output voltage ea(t) is not affected by ed(t). To solve the problem, it is best to
first write a set of cause-and-effect equations for the network. This involves a
combination of node and loop equations. Then construct an SFG using these equations.
Find the gain e0 / ed with all other inputs set to zero. For ed not to affect ea, set e0 /ed to
zero.

You might also like