KEMBAR78
Fault Detection Project | PDF | Diode | Transformer
0% found this document useful (0 votes)
264 views22 pages

Fault Detection Project

This document is a project proposal for developing a power line fault detector. It includes an introduction describing the importance of quickly detecting faults on power lines. It then provides a brief literature review on existing fault detection techniques. The document outlines the hardware implementation of the proposed fault detector, including circuit diagrams and descriptions of the main components. It concludes with plans to test the device and discuss opportunities for further improvement.

Uploaded by

mayank chouksey
Copyright
© © All Rights Reserved
We take content rights seriously. If you suspect this is your content, claim it here.
Available Formats
Download as PDF, TXT or read online on Scribd
0% found this document useful (0 votes)
264 views22 pages

Fault Detection Project

This document is a project proposal for developing a power line fault detector. It includes an introduction describing the importance of quickly detecting faults on power lines. It then provides a brief literature review on existing fault detection techniques. The document outlines the hardware implementation of the proposed fault detector, including circuit diagrams and descriptions of the main components. It concludes with plans to test the device and discuss opportunities for further improvement.

Uploaded by

mayank chouksey
Copyright
© © All Rights Reserved
We take content rights seriously. If you suspect this is your content, claim it here.
Available Formats
Download as PDF, TXT or read online on Scribd
You are on page 1/ 22

TECHNOCRATS INSTITUTE OF TECHNOLOGY

A
PROJECT
On

“POWER LINE FAULT DETECTOR”


(EX Branch)
Submitted by: - GROUP

Sr.no. NAME OF STUDENT


1 Rohit PariharDIPLOMA
2 Mayank choukseyLATERAL

CERTIFICATE
This is to certify that the dissertation entitled “power line fault
detector” has been carried out by, whole group under my guidance for the
fulfilment of the BE of electrical & electronics engineering (3rd semester ) of
technocrats institute of technology(BHOPAL).
ABSTACT
0ur Aim of this research is to locate the accurate place on which the
fault is occurred which is reasonable to make the line unable to do its work of
transmitting the power to the consumers. Our design model is a prototype which
show our idea to find the location on three phase power line.
This technic will save lots of time of line worker which they waste to
fine the place line fault, this will increase their efficiency of doing work to
provide better service to the consumer. As per our idea if we install it which
modern techniques like GSM it will be cheapest one. Conventional fault
detectors response is slow in nature and even they might not be able to detect
the fault due to low level of fault current. However, designed network could
perform well even in the presence of considerable amount of fault resistance. It
is easy to install and use in system refurbishment.

2
INDEX
Sr.No. Particulars Page
No.
1 INTRODUCTION

2 LITRATURE REVIEW

3 HARDWARE IMLEMENTATION

A Circuit diagram

B working

C Working model
4 HARDWARE DESCRIPTION

5 RESULT AND DISCUSSION

6 FUTURE SCOPE

7 REFERENCE

8 SPECIAL THANKS

3
CHAPTER: 1

INTRODUCTION

4
In this project we will monitor transmission line fault. Fault detection and
location has been a goal of power system engineers since the creation of
distribution and transmission systems. Quick fault detection can help project
equipment by allowing the disconnection of faulted line before any significant
damage is done. Accurate fault location can help utility personnel remove
persistent faults and locate areas where faults regularly occur. Thus reducing the
frequency and length of power outages.
Fault detection is essential to the safe operation of electric power
transmission and distribution systems. Without some sort of fault detection, the
automated removal of short circuit from a transmission system would be
impossible. As a result, these faults might persist until essential electrical
equipment is damaged or destroyed. Fault location is not necessarily essential to
power system protection, but it can be very helpful in the detection of problem
areas on a transmission or distribution line and in the removal of persistent
faults. For these reasons, fault detection and location has been an enduring
preoccupation of power system researchers, designers, and maintenance
engineers.
On a transmission system the protective relaying the protective relaying
the protective system is incorporate to detect the abnormal signals indicating
faults isolate the faulted part from the rest of the system with minimal
disturbance and equipment damage. Power transmission and distribution lines
are the vital links that achieve the essential continuity of service of electrical
power to the end users.
Transmission lines connect the generating stations and load centres. As
the generating stations are far away from the load centres they run over
hundreds of konometers. However, the chances of fault occurring in
transmission lines are very high. Since faults can destabilize the power system
they must be isolated immediately. Fault analysis is very important issue in
power system engineering in order to clear faults quickly and restore power
supply as soon as possible with minimum interruption.

5
CHAPTER 2
LITERATURE REVIEW

The electrical substation supply the power to the consumers. Have failures due
to some faults which can be temporary or permanent. These faults lead to
substantial damage to the power system equipment. In India it is common. The
fault might be LG (Line of Ground), LL (Line of Line), 3L (Three Line) in the
supply systems and these faults in three phase supply system can effect power
system. To overcome this problem a system is built, which can sense these
faults and disconnects the supply to avoid large scale damage to the control
gears in the grid sub-stations.

Our project detect the fault with the help of LED glow. When overhead
line/conductor are broken. This circuit is placed in control room on the
substation. An example of a permanent fault on an overhead line is a broken
wire causing a phase to open, or a broken pole causing the phases to faults on
underground cables should be considered permanent. Cable faults should be
cleared without auto reclosing and the damage cable repaired before service is
restored. There may be exceptions to this, as in the case of circuits composed of
both underground cables and overhead lines.

With the help of this model one can know what kind of fault has
occurred in which phase and also one knows.

6
CHAPTER 3

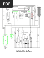
HARDWARE IMPLEMENTATION

7
CI
RC
UI
T
DI
AG
RA
M

8
WORKING
Here is the circuit that automatically work when the fault occur
in the power line/transmission line that we make.
Firstly the transformer having rating of 230/15 volt is mounted
on the chip. This transformer will provide 15 volt A.C. in output but
we need 15 volt D.C. to operate LED so we also connected a rectifier
circuit after the transformer. So the out of rectifier is given to LED
light thought a resister having rating 1K.
As shown in the circuit diagram, the 3 phase A.C. is given to
the circuit but in real we taking 1 phase for indicating the line inside
the circuit. The diode (D1, D2 & D3) is used as a rectifier to convert
A.C. supply i.e. 230volt A.C. to 15 volt D.C. Zener diode is used to
block some voltage approximately 47 voltage. Zener Current

9
limiting resistor of 100K is used to carry current and it converts into
0.7 voltage. To maintain this voltage diode of value 1N7 (1N4007) is
kept.
As the D.C. voltage is not pure it has ripple in output so
capacitor of value 10/60V is used, so we get pure 0.7V D.C. supply.
Transistor became ON only when 0.7V D.C. is given to it. When
transistor is ON pin no. 1 of ULN IC 2803 is grounded, so LED will
not glow.
When fault occur the Resistor of value 4K7 is used as a current
limiting. The collector voltage of +15V is passed through resistor
used as current limiting, which pass to the pin no. 1 of ULN IC 2803.
The output of ULN IC 2803 is pin no. 18, we get 15V at this
point. LED required 2V to glow. To remove the exceeded voltage of
10 voltage we used resistor of 1K which ground the exceeded voltage.

CHAPTER 4
HARDWARE DESCRIPTION

10
11
Sr. No. Particular Type Rating Quantity

1 Power supply 3-phase A.C. 230 Volt, 1


50Hz
2 Transformer 1-phase, core 230/15 Volt, 1
type 50 Hz
3 Diode 1N4007 15 Volt 18

4 Zener diode 1N4756A 47 Volt 9

5 Transistor NPN 0.7 Volt 9

6 Capacitor Electrostatic 10/60V 9

7 IC ULN 2803 15 Volt 3

8 LED Red 2 Volt, D.C. 9

DOIDE
The most common function of a diode is to allow an electric current to
pass in one direction (called the diode’s forward direction), while blocking
current in the opposite direction (the reverse direction). Thus, the diode can be
viewed as an electronic version of a check valve. This unidirectional behaviour
is called rectification, and is used to convert alternating current to direct current,
including extraction of modulation from radio signals in radio receivers-these
diodes are forms of rectifiers.

However, diodes can have more complicated behaviour than this


simple ON-OFF action, due to their nonlinear current-voltage characteristics.
Semiconductor diodes begin conducting electricity only if a certain threshold
voltage or cut-in voltage is present in the forward direction (a state in which the
diode is said to be forward-biased). The voltage drop across a forward-biased
diode varies only a tittle with the current, and is a function of temperature; this
effect can be used as a temperature sensor or voltage reference.

12
ZENER DIODE

A Zener diode is a diode which allows current to flow in the forward direction
in the same manner as an ideal diode, but also permits it to flow in the reverse
direction when the voltage is above a certain value known as the breakdown
voltage. “Zener knee voltage”, “Zener voltage”, “avalanche point”, or “peak
inverse voltage”.

The device was names after Clarence Zener, who discovered this electrical
property. Strictly speaking, a Zener diode is one in which the reverse
breakdown is due to electron quantum tunnelling under high electric field
strength—the Zener effect. However many diodes describes as “Zener” diodes
rely instead on avalanche breakdown as the mechanism. Both types are used
with the Zener effect predominating under 5.6 V and avalanche breakdown
above. Common applications include providing a reference voltage for voltage
regulators, or to protect other semiconductor device from momentary voltage
pulses.

RESISTOR

A resistor is a passive two-terminal electrical component that


implements electrical resistance as a circuit element. Resistors act to reduce
current flow, and at the same time, act to lower voltage levels within circuits.
Resistor may have fixed resistances or variable resistances. Such as those found
in thermistors, varistors, trimmers, photoresistors potentiometers. The current
through a resistor is in direct proportion to the voltage across the resistor’s
terminals. The relationship is represented by Ohm’s law.

13
CAPACITOR

The most common function of a diode is to allow an electric current to pass in


on direction (called the diodes forward direction), while blocking current in the
opposite direction (the reverse direction). Thus the diode can be viewed as an
electronic version of a check valve. This unidirectional behavior is called
rectification. And is used to convert alternating current to direct current,
including extraction of modulation from radio signal in radio receivers these
diodes are from of rectifiers.

However, diodes can have more complicated behavior than this


simple on-off action, due to their nonlinear current-voltage characteristics.
Semiconductor diodes begin conducting electricity only if a certain threshold
voltage or cut-in voltage is present in the forward direction (a state in which the
diode is said to be forward-biased). The voltage drop across a forward-biased
diode varies only a little with the current, and is a function of temperature; this
effect can be used as a temperature sensor or voltage reference.

Semiconductor diodes current-voltage characteristic can be tailored


by varying the semiconductor materials and doping, introducing impurities into
be materials, these are exploited in special-purpose diodes that preform many
different function, for example. Diodes are used to regulate voltage (Zener
diodes), to protect circuits from high voltage surges (avalanche diodes), to
electronically tune radio and TV receivers (varactor diodes), and to generate
radio frequency oscillation (tunnel diodes, Gunn diodes, IMPATT diodes), and
to produce light (light emitting diodes). Tunnel diodes exhibit negative
resistance, which makes them useful in some types of circuits.

14
TRANSISTOR

Transistors are commonly used an electronic switches, both for high-power


applications such as switched-mode power supplies and for low-power
applications such as logic gates.
In a grounded-emitter transistor circuits, such as the light-switch circuit
shown, as the base voltage rises, the emitter and collector currents rise
exponentially. The collector voltage drops because of reduced resistance from
collector to emitter. If the voltage difference between the collector and emitter
were zero (or near zero). The collector current would be limited only by the load
resistance (light bulb) and the supply voltage. This is called saturation because
current is flowing from collector to emitter freely. When saturated, the switch is
said to be on.
Providing sufficient base drive current is a key problem in the use of
bipolar transistors as switches. The transistor provides current gain. Allowing a
relatively large current in the collector to be switched by a much smaller current
into the base terminal. The ratio of these currents varies depending on the type
of transistor, and even of a particular type, varies depending on the collector
current. In the example light-switch circuit shown, the resistor is chosen to
provide enough base current to ensure the transistor will be saturated,
In any switching circuit, values of input voltage would be chosen such
that the output is either completely off, or completely on. The transistor is
acting as a switch, and this type of operation is common in digital circuits where
only ‘’on” and “off’’ values are relevant.

15
ULN IC 2803
The ULN2803 each contain eight Darlington transistors with common
emitters and integral suppression diodes for inductive loads. Each
Darlington features a peak load current rating of 600 mA (500Ma
continuous) and can withstand at least 50V in the off state. Outputs
may be paralleled for higher current capability
Five version are available to simplify interfacing to standard
logic families: the ULN2803 is design for general purpose application
with a current limit resistor: the ULN2803A has a 20.5K ohms input
resister and Zener for 14-25V PMOS: the ULN2803A has a 2.7K
ohms input resister for 5V TTL and CMOS is designed to sink a
minimum of 350mA for standard and Schottky TTL where higher
output current is required.
All type are supplied in a 18 lead plastic DIP with copper
lead from and feature the convenient input opposite output pin out to
simply board layout.

16
LED

A light-emitting diode (LED) is a two-lead semiconductor


light source that resembles a basic PN-junction diode. Except that an
LED also emits lights. When an LEDs anode lead has a voltage that is
more positive than its cathode lead by at least the LED forward
voltage drop current flows. Electrons are able to recombine with holes
within the device, releasing energy in the form of photons. This effect
is called electroluminescence, and the color of the light
(corresponding to the energy of the photon) is determined by the
energy band gap of the semiconductor.
An LED is often small in area (less than 1mm2), and
integrated optical components may be used to shape its radiation
pattern.
Appearing a practical electronic components in 1962, the
earliest LEDs emitted low intensity infrared light. Infrared LEDs are
still frequently used as transmitting elements in remote control
circuits, such as those in remote control for a wild variety of
consumer electronics. The first visible light LEDs were also of low
intensity, and limited to red. Modern LEDs are available across the
visible, ultraviolet, and infrared wavelengths, with very high
brightness.

17
TRANSFORMER

A transformer is a static electrical device that transferred energy by inductive


coupling between its winding circuits. A varying current in the primary winding
creates a varying magnetic flux in the transformer core and thus a varying
magnetic flux through the secondary winding. This varying magnetic flux
induces varying electromotive force emf or voltage in the secondary winding.
Transformer range in size from thumbnail-sized used in microphones to units
weighing hundreds of tons interconnecting the power application. Transformer
are essential energy. It can raise or lower the voltage in circuit but with a
corresponding decrease or increase in current. In this step up & step down. We
are using step down transformer for step down voltage.

 POWER SUPPLY DIAGRAM 230V/15V

In brief, a transformer is a device that

 Transfers electric power from one circuit to another.


 It does so without a change of frequency.
 It accomplishes this by electromagnetic induction and.
 Where the two circuits are in mutual inductive influence of each other.

In our Project we have used step down transformer which step down 230V
to 15V. Its core type transformer that is been used in our circuits.

18
RESULT & DISCUSSION

When we connect our “power line fault detector” circuit with 3 phase
line and there is power in all the 3 lines are conducting at that time the indicator
in show nothing it mean LED’s will not glow.

When we make one phase off to create condition of open circuit of


transmission line at that time the LED connected with respect to the phase will
glow. And the same result will come on next LED connected with same phase
on next pole. But the LED of connected on previous stage will not glow. It
shows that the fault is occurred between the fast light glowing and its previous
pole.

19
CONCLUSIONS

By applying the following solution, with the help of this model we


can determine the location of a fault on a transmission line between a
master station and a remote station. We have seen that there are
saving of electrical energy, has this lead to increase in profitability
and also save environment.

20
REFERENCE

1. WWW.goole.com
2. WWW.wikepidia.com

21
SPECIAL THANKS

1. Mrs Chetna Desai (Faculty Guide)

2. Mr A. K. Swain(Head of Department)

3. Vijan Electronics

22

You might also like