KEMBAR78
Rod Changer | PDF | Screw | Piston
0% found this document useful (0 votes)
605 views48 pages

Rod Changer

This document provides a list of parts for a fixed jaw selector assembly. It includes 10 main parts for the assembly along with additional grease nipples, bolts, and bushings. The document also notes that jaws must be ordered separately, listing specific part numbers for different rod diameters that the jaws can accommodate.

Uploaded by

ESRA
Copyright
© © All Rights Reserved
We take content rights seriously. If you suspect this is your content, claim it here.
Available Formats
Download as PDF, TXT or read online on Scribd
0% found this document useful (0 votes)
605 views48 pages

Rod Changer

This document provides a list of parts for a fixed jaw selector assembly. It includes 10 main parts for the assembly along with additional grease nipples, bolts, and bushings. The document also notes that jaws must be ordered separately, listing specific part numbers for different rod diameters that the jaws can accommodate.

Uploaded by

ESRA
Copyright
© © All Rights Reserved
We take content rights seriously. If you suspect this is your content, claim it here.
Available Formats
Download as PDF, TXT or read online on Scribd
You are on page 1/ 48

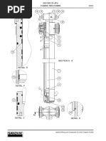
ROD CHANGER

DRAWING 1–550 090 45

55079657 1/ 2
ROD CHANGER

550 796 57

Ref Part No. Description Standard designation Qty

34 442 776 90 HEXAGON HEAD SCREW M12X35 8.8 SFS 2064 10


36 800 538 69 HEXAGON HEAD SCREW M16X45 m8.8 SFS 2064 6
45 133 168 28 WASHER 6

46 550 796 74 ASSEMBLY SEP. PART LIST 1


233 467 98 ASSEMBLIES SEP. PART LIST 1

PARTS TO BE ORDERED SEPARATELY:

31 442 776 90 HEXAGON HEAD SCREW M12X35 8.8 SFS 2064 10


35 800 531 79 HEXAGON HEAD SCREW M12x40 m8.8 SFS 2064 12
41 236 135 58 BRACKET 1

42 811 260 29 LOCK NUT M12 m8 BH8 2


43 050 140 08 BRACKET ( 1
44 207 256 58 SIGN ” 1

55079657 2/ 2
DIRECTION A

D D
D–D

23346798aE 1/ 2
PURCHASE SETS
RC 1514, 2” – 1 3/4”, WITH ROLLERS

233 467 98

Ref Part No. Description Standard designation Qty

6 235 842 68 TUBE 1


8 237 351 28 SQUARE TUBE 1
11 237 182 28 BOX 1
100 233 251 68 RC FRONT FRAME PARTS SEP. PART LIST 1
200 258 218 11 FIXED JAW SELECTOR SEP. PART LIST 1

300 233 253 18 ROTATION MECHANICS PARTS SEP. PART LIST 1


400 233 254 48 CLOSING MECHANICS PARTS SEP. PART LIST 2
500 233 255 78 RC REAR FRAME PARTS SEP. PART LIST 1
700 233 258 58 FEED PLATE ASSY’ SEP. PART LIST 2

23346798aE 2/ 2
99
D–D

23325168c
98

D
D
98
99

1/ 2
DIRECTION A
RC FRONT FRAME PARTS

233 251 68
Ref Part No. Description Standard designation Qty

4 258 220 08 FRONT FRAME ASSY SEP. PART LIST 1


5 235 837 98 TILT ARM BUSHING SEP. PART LIST 1
16 049 769 98 SHAFT 1
17 550 077 36 HYDR.CYLINDER SEP. PART LIST 1
18 476 694 48 RING 1

19 049 767 38 SHAFT 1


20 133 008 48 RING 2
26 850 687 49 DOUBLE LOCK WASHER FOR BOLT M16 2
27 801 745 59 HEXAGON HEAD SCREW M16X60 – 8.8 2
28 800 485 09 HEXAGON NUT M16 – 8 2

32 422 056 20 CIRCLIP 25X1,2 3


38 422 100 40 CIRCLIP 55X2 DIN 471 1
98 872 525 89 LOCK NUT (M30X1,5) 1
99 550 531 10 SHAFT 1

23325168c 2/ 2
FRONT FRAME ASSY

258 220 08

Ref Part No. Description Standard designation Qty

1 258 200 98 FRONT FRAME 1


10 572 102 40 GREASE NIPPLE DIN 71412 AR 1/8 2
11 815 037 79 FLANGE BEARING 1
12 233 376 48 FLANGE BEARING 2

25822008aA 1/ 1
TILT ARM BUSHING

235 837 98

Ref Part No. Description Standard designation Qty

1 258 202 48 TILT ARM BOTTOM 1


2 085 546 08 BUSHING, D30/25–20 2

23583798 1/ 1
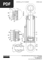
CYLINDER

550 077 36

DRAWING 2–550 139 80–F

MIN 230 MAX 335

Ref Part No. Description Standard designation Qty

1 320 812 78 CYLINDER TUBE D40 1


2 049 402 68 TERMINAL 1
3 053 119 58 PISTON TUBE 1
4 550 039 78 PISTON D 40 1
5 550 044 65 PISTON SEAL 40,0x29,0x4,2, PU 93 Shore A 1

6 550 639 15 COVER 1


7 550 647 11 WIPER DA22–25x33,6x5,3 1
8 550 647 17 PISTON ROD GUIDE RING 25x5,6x2.5 2
9 522 131 00 O–RING 34,2X3–1 2
10 550 647 18 U–SEAL Zurcon L–cup RLS100250, 25x33x5.6 1

11 422 241 30 CIRCLIP 42X1,75 4


12 850 698 89 PLAIN BEARING 2
13 049 774 68 RING RC 412 4
14 572 102 40 GREASE NIPPLE AR 1/8 2
15 801 811 49 PLUG 1/8” DIN 906 2

16 550 044 68 SLIDE RING 40,0 x 35,0 x 5,6 1


21 857 302 19 PLUG FNTX–S10 2
22 816 701 89 STRAIGHT THREAD ADAPTER 40X–S10–1/4”(9/16–18JIC) 2

PARTS TO BE ORDERED SEPARATELY:

800 550 647 67 SEAL KIT INCL. PARTS 5, 7, 8, 9, 10, 16 1

55007736bF 1/ 1
SPARE PARTS

OTH2   


25821811cA 1/ 2
FIXED JAW SELECTOR

258 218 11

Ref Part No. Description Standard designation Qty

1 258 206 58 FRAME 1


2 237 767 08 ROTATION JAW 1
3 321 450 57 HYDR.CYLINDER ASSY SEP.PART LIST 1
4 263 802 98 BUSHING 4
5 263 801 68 PIN 2

6 098 507 58 FASTENING PIECE RC812 1


7 090 205 48 SHAFT RC812 1
10 813 600 09 BEARING BUSHING WB 800 4030 2
11 572 102 40 GREASE NIPPLE DIN 71412 AR 1/8 1
12 800 087 49 SPRING PIN 8X60 1

20 442 219 80 BOLT M16X50 m8.8 SFS 2064 4


21 850 687 49 LOCK WASHER FOR BOLT M16 8
22 811 259 69 NUT VM16 m8 DIN 980 4

PARTS TO BE ORDERED SEPARATELY:

UPPER:

8 235 848 28 JAW FOR 45 mm (1 3/4” ) STEELS 1


235 654 78 JAW FOR 51 mm (2” ) STEELS 1
236 080 38 JAW Extension rod FOR 60 mm (2 3/8” ) STEELS 1
236 184 78 JAW (factory installation) MF–rod FOR 60 mm (2 3/8” ) STEELS 1
236 219 78 JAW FOR 3” / 3.5” TUBE 1

9 236 421 18 JAW FOR 45 mm (1 3/4” ) STEELS 1


236 422 48 JAW FOR 51 mm (2” ) STEELS 1
236 423 78 JAW Extension rod FOR 60 mm (2 3/8” ) STEELS 1
236 185 08 JAW (factory installation) MF–rod FOR 60 mm (2 3/8” ) STEELS 1
091 060 18 JAW FOR 3” / 3.5” TUBE 1

LOWER:

8 236 186 28 JAW FOR 45 mm (1 3/4” ) STEELS 1


236 182 18 JAW FOR 51 mm (2” ) STEELS 1
236 184 78 JAW FOR 60 mm (2 3/8” ) STEELS 1
236 219 78 JAW FOR 3” / 3.5” TUBE 1

9 236 187 58 JAW FOR 45 mm (1 3/4” ) STEELS 1


236 183 48 JAW FOR 51 mm (2” ) STEELS 1
236 185 08 JAW FOR 60 mm (2 3/8” ) STEELS 1
091 060 18 JAW FOR 3” / 3.5” TUBE 1

25821811cA 2/ 2
HYDR. CYLINDER ASSY
D55 / 32

321 450 57

MIN 340
MAX 445

Ref Part No. Description Standard designation Qty

1 321 452 07 CYLINDER TUBE D55 1


2 321 451 87 PISTON ROD D32 1
3 155 169 28 PISTON 1
4 166 082 68 COVER 1
5 874 541 09 LOCK NUT FU 04 SS (M20X1,0) 1

6 817 742 59 PISTON SEAL DBM 55/39X18 ( 5 55–39–7,5–29,5) 1


7 806 599 09 U–SEAL BS 3243 P5008 1
8 806 119 19 WIPER AM 3022 Z5053 (AUAS 32–45–7–10) 1
9 522 153 80 O–RING 44,2X5,7–1 SMS 1586 1
10 817 741 29 O–RING 23,3X2,4–1 SMS 1586 1

11 883 349 99 SPHERICAL PLAIN BEARING INA GE 30 DO–2RS 2


12 422 245 40 CIRCLIP 47X1,75 DIN 472 4
13 572 102 40 GREASE NIPPLE DIN 71412 AR 1/8 2
15 812 604 09 PLUG R3/8 4
16 801 031 49 BONDED SEAL U 17,4X24X1,5 D2=19,1 4

17 856 040 39 STRAIGHT THREAD CONNECTOR 9/16–18 JIC 2


883 993 39 SEAL KIT 1

32145057A 1/ 1
SPARE PARTS

OTH2   


46
47

DIRECTION A

D D
D–D

23325318a 1/ 2
ROTATION MECHANICS PARTS

233 253 18

Ref Part No. Description Standard designation Qty

3 258 219 41 ROTATION MECHANISM ASSY SEP. PART LIST 1


12 090 776 78 FEED EXTEN. CYLIN. MOUNT. PLA. 1
13 090 778 28 FASTENING PIECE 1
14 550 077 37 HYDR.CYLINDER SEP. PART LIST 1
15 085 548 68 SHAFT 1

29 811 260 29 LOCK NUT VM12 – 8 , 6


30 442 776 90 HEXAGON HEAD SCREW (FULL THREAD) M12X35 – 8.8 6
31 851 068 09 DOUBLE LOCK WASHER M12 12
32 422 056 20 CIRCLIP 25X1,2 3
33 572 102 40 GREASE NIPPLE AR 1/8 1

23325318a 2/ 2
25821941fD 1/ 4
ROTATION MECHANISM
ROD (1 1/4”, 1 1/2”, 1 3/4” AND 2”)

258 219 41
Ref Part No. Description Standard designation Qty

1 258 208 08 ROTATION MECHANISM FRAME 1


2 258 210 08 ROTATION JAW 1
3 550 077 38 HYDR. CYLINDER SEP. PART LIST 1
4 090 188 78 HOLLOW SHAFT 1
5 090 189 08 SHAFT RC812 3

6 090 190 68 GEAR 2


7 090 191 98 GEAR RC812 2
8 090 192 18 GEAR RC812 1
9 135 940 28 ROTATIONROLLER 4
10 135 939 68 ROTATIONROLLER 2

11 098 512 28 WEAR PIECE RC812 1


12 085 838 38 PIN RC812 2
13 085 839 68 WASHER 6
14 085 840 28 SPROCKET WHEEL RC812 1
15 090 196 28 SPROCKET WHEEL RC812 1

16 085 841 58 SPACER RC812 2


17 085 842 88 SPACER RC812 1
18 085 548 68 SHAFT 2
19 085 546 08 BUSHING, D30/25–20 4
20 003 939 58 SHIM S=0,5 CF180 20

21 041 422 08 PLATE 1


22 800 085 99 SPRING PIN DIN 7343 2
23 572 102 40 GREASE NIPPLE DIN 71412 AR 1/8 5
24 813 841 19 FLANGE BEARING JF 65X35 SMS 778 2
25 813 600 09 BEARING BUSHING WB 800 4030 2

ALTERNATIVE ROD 60mm

9 235 965 98 ROTATIONROLLER 4


10 235 966 18 ROTATIONROLLER 2

25821941fD 2/ 4
25821941fD 3/ 4
ROTATION MECHANISM
ROD (1 1/4”, 1 1/2”, 1 3/4” AND 2”)

258 219 41
Ref Part No. Description Standard designation Qty

26 813 863 99 FLANGE BEARING JF 40X40 SMS 778 6


27 802 805 59 HEX.SOCKET HEAD CAP SCREW M10X25 m8.8 DIN 912 2
28 134 163 08 KEY RC–1012 / RC–1020 6
29 818 767 19 NUT M22 m8 IL DIN 980 6
30 442 219 80 BOLT M16X50 m8.8 SFS 2064 8

31 811 259 69 NUT VM16 m8 DIN 980 8


32 808 802 29 BOLT M8X20 m8.8 SFS–ISO 4017 1
33 422 056 20 CIRCLIP DIN 471 4
34 550 163 52 GEROTOR (OMT 200) SEP. PART LIST 1
35 800 533 29 BOLT M12X55 m8.8 SFS 2063 2

36 811 260 29 NUT VM12 m8 DIN 980 1


37 869 259 79 CHAIN ISO 606–1982 0,619M 10B–1 39L 1
41 802 421 59 BOLT SFS–ISO 4017 M6X16–8.8 7
42 801 774 59 NUT M6 m8 DIN 985 2
43 800 823 09 BOLT M10X20 m8.8 SFS–ISO 4017 1

49 816 702 09 STRAIGHT THREAD CONNECTOR 9/16–18JIC) 2


51 800 820 19 NUT M10 m8 SFS 2067 1
52 806 589 99 CONNECTING LINK ISO 606–1982 (SFS 2392) 1
54 850 687 49 LOCK WASHER FOR BOLT M16 16
55 851 068 09 LOCK WASHER FOR BOLT M12 46

57 806 981 89 ONE–WAY RESTRICTOR 1


58 858 385 89 SWIVEL NUT MALE ADAPTER 9/16–18JIC 1
59 817 180 79 SWIVEL NUT ELBOW 9/16–18JIC 1
60 856 040 09 STRAIGHT THREAD CONNECTOR 9/16–18JIC 1

25821941fD 4/ 4
CYLINDER

550 077 38

Ref Part No. Description Standard designation Qty

1 320 812 78 CYLINDER TUBE D40 1


2 049 402 68 TERMINAL 1
3 053 119 58 PISTON ROD 1
4 550 039 78 PISTON D 40 1
6 054 106 78 COVER 1

7 817 946 19 WIPER 25–6 1


8 155 327 98 GUIDE BAND 1
9 522 131 00 O–RING 34,2X3–1 , NBR , 70 SHORE A 2
10 817 945 99 U–SEAL 25X33X5,7 1
11 422 241 30 CIRCLIP 42X1,75 4

12 850 698 89 SPHERICAL PLAIN BEARING 2


13 049 774 68 RING 4
14 572 102 40 GREASE NIPPLE AR 1/8 2
15 801 811 49 PLUG R1/8” 1
16 550 044 68 SLIDE RING 40,0 x 35,0 x 5,6 1

17 550 044 65 PISTON SEAL 40,0 x 29,0 x 4,2 , Wynseal, PU, 93 Shore A 1
21 857 302 19 PLUG 9/16–18JIC 2
22 816 701 89 STRAIGHT THREAD CONNECTOR 9/16–18JIC 2
30 233 107 58 LIMIT BUSHING D 25/36 , L=8 1

PARTS TO BE ORDERED SEPARATELY:

550 050 69 SEAL KIT For hydr.syl. D40/25 1

55007738a 1/ 1
GEROTOR
OMR 200
550 163 52

6 12
4
C–C 15

17

C C

Ref Part No. Description Standard designation Qty

1 550 163 55 SEAL KIT INCL. PARTS 4. 6. 12. 15. 17 1

4 DUST SEAL RING 28.56X35X2.2mm 1


6 SAFT SEAL 28.56X39X4.85mm 1
12 O–RING 90X2mm 3
15 WASHERS 8.4mm 7
17 WASHERS 13.5mm 1

55016352b 1/ 1
CYLINDER

550 077 37

Ref Part No. Description Standard designation Qty

1 321 127 38 CYLINDER TUBE 1


2 049 402 68 TERMINAL 1
3 053 434 18 PISTON ROD 1
4 550 039 78 PISTON D 40 1
6 054 106 78 COVER 1

7 817 946 19 WIPER 25–6 1


8 155 327 98 GUIDE BAND 1
9 522 131 00 O–RING 34,2X3–1 , NBR , 70 SHORE A 2
10 817 945 99 U–SEAL 25X33X5,7 1
11 422 241 30 CIRCLIP 42X1,75 4

12 850 698 89 SPHERICAL PLAIN BEARING 2


13 049 774 68 RING 4
14 572 102 40 GREASE NIPPLE AR 1/8 2
15 801 811 49 PLUG R1/8” 1
16 550 044 68 SLIDE RING 40,0 x 35,0 x 5,6 Zurcon 61 1

17 550 044 65 PISTON SEAL 40,0 x 29,0 x 4,2 , Wynseal, PU 1


21 857 302 19 PLUG 9/16–18JIC 2
22 816 701 89 STRAIGHT THREAD CONNECTOR 9/16–18JIC 2

PARTS TO BE ORDERED SEPARATELY:

550 050 69 SEAL KIT For hydr.syl. D40/25 1

55007737 1/ 1
SPARE PARTS

OTH2   


46
47

DIRECTION A

D D
D–D

23325448e 1/ 2
CLOSING MECHANICS PARTS

233 254 48
Ref Part No. Description Standard designation Qty

21 235 751 18 LEVER 1


22 550 077 40 HYDAULIC CYLINDER SEP. PART LIST 1
23 233 491 58 WASHER 1
24 561 695 08 BEARING BUSHING 2
25 235 750 98 FRAME 1

31 851 068 09 DOUBLE LOCK WASHER FOR BOLT M12 1


32 422 056 20 CIRCLIP 25X1,2 2
33 572 102 40 GREASE NIPPLE AR 1/8 1
34 808 997 79 HEXAGON HEAD SCREW (FULL THREAD) M12X50 – 8.8 1
39 802 646 69 SPRING–TYPEE STRAIGHT PIN 6X60 1

53 572 106 50 GREASE NIPPLE CR1/8 1


54 817 180 79 SWIVEL NUT ELBOW 9/16–18 JIC 2

23325448e 2/ 2
CYLINDER

550 077 40

Ref Part No. Description Standard designation Qty

1 321 128 68 CYLINDER TUBE 1


2 049 402 68 TERMINAL 1
3 054 413 88 PISTON ROD 1
4 550 039 78 PISTON D 40 1
6 054 106 78 COVER 1

7 817 946 19 WIPER 25–6 1


8 155 327 98 GUIDE BAND 1
9 522 131 00 O–RING 34,2X3–1 , NBR , 70 SHORE A 2
10 817 945 99 U–SEAL 25X33X5,7 1
11 422 241 30 CIRCLIP 42X1,75 4

12 850 698 89 SPHERICAL PLAIN BEARING 2


13 049 774 68 RING RC 412 4
14 572 102 40 GREASE NIPPLE AR 1/8 2
15 801 811 49 PLUG R1/8” 1
16 550 044 68 SLIDE RING 40,0 x 35,0 x 5,6 Zurcon 61 1

17 550 044 65 PISTON SEAL 40,0 x 29,0 x 4,2 , Wynseal, PU, 93 Shore A 1
21 857 302 19 PLUG 9/16–18JIC 2
22 816 701 89 STRAIGHT THREAD CONNECTOR 9/16–18JIC 2

PARTS TO BE ORDERED SEPARATELY:

550 050 69 SEAL KIT For hydr.syl. D40/25 1

55007740 1/ 1
SPARE PARTS

OTH2   


98

99

99
98

23325578c 1/ 2
RC REAR FRAME PARTS

233 255 78

Ref Part No. Description Standard designation Qty

1 258 217 91 ROTATION MECHANISM SEP. PART LIST 1


6 235 837 97 TILT ARM BUSHING SEP. PART LIST 1
16 049 769 98 SHAFT 1
17 550 077 36 HYDR.CYLINDER SEP. PART LIST 1
18 476 694 48 RING 1

19 049 767 38 SHAFT 1


20 133 008 48 RING 2
26 850 687 49 DOUBLE LOCK WASHER FOR BOLT M16 2
27 801 745 59 HEXAGON HEAD SCREW M16X60 – 8.8 2
28 800 485 09 HEXAGON NUT M16 – 8 2

32 422 056 20 CIRCLIP 25X1,2 3


38 422 100 40 CIRCLIP 55X2 1
98 872 525 89 LOCK NUT (M30X1,5) 1
99 550 531 10 SHAFT RC 1514 1

23325578c 2/ 2
25821791eC 1/ 2
ROTATION MECHANISM

258 217 91

Ref Part No. Description Standard designation Qty

1 258 196 08 REAR BOX RC 1514 1


2 237 183 58 COVER RC XX0 1
3 095 989 68    1
4 095 988 38 INDEX PLATE RC 1500 , RC 1012 1
5 235 644 68 SHAFT RC XX0 1

10 550 163 53 GEROTOR (OMR 315 serie 6 hydraulic motor) SEP.PART LIST 1
11 810 073 59 DEEP GROOVE BALL BEARING 1
12 264 742 08 FLANGE BEARING 4–085859 88) 2
13 233 376 48 FLANGE BEARING 2
14 572 102 40 GREASE NIPPLE AR 1/8 2

15 572 106 50 GREASE NIPPLE CR 1/8 2


20 800 824 29 HEXAGON HEAD SCREW M121X25 m8.8 SFS 2064 8
21 800 470 59 HEXAGON HEAD SCREW M12x30 m8.8 SFS 2064 2
22 851 068 09 DOUBLE LOCK WASHER FOR BOLT M12 16
25 445 824 40 HEXAGON SOCKET HEAD SCREW M12X35 m8.8 SFS 2064 6

26 816 702 09 STRAIGHT THREAD CONNECTOR F40X–S10–1/2” 2

25821791eC 2/ 2
GEROTOR
OMR 315
550 163 53

6 12
4
C–C 15

17

C C

Ref Part No. Description Standard designation Qty

1 550 163 55 SEAL KIT INCL. PARTS 4. 6. 12. 15. 17 1

4 DUST SEAL RING 28.56X35X2.2mm 1


6 SAFT SEAL 28.56X39X4.85mm 1
12 O–RING 90X2mm 3
15 WASHERS 8.4mm 7
17 WASHERS 13.5mm 1

55016353b 1/ 1
TILT ARM BUSHING

235 837 97

Ref Part No. Description Standard designation Qty

1 258 204 08 TILT ARM TOP 1


2 085 546 08 BUSHING, D30/25–20 2

23583797 1/ 1
23325858aE 1/ 2
FEED PLATE ASSY’

233 258 58
Ref Part No. Description Standard designation Qty

9 237 464 48 FEED PLATE 1 3/4”–2” 1


10 237 176 28 CLAMP RC 1514 1
26 850 687 49 DOUBLE LOCK WASHER M16 24
50 801 745 59 HEXAGON HEAD SCREW (FULL THREAD) M16X60 – 8.8 6
51 811 259 69 LOCK NUT VM16 – 8 18

52 800 437 09 BOLT M16X65 – 8.8 6

23325858aE 2/ 2
55079674a 1/ 2
VALVE ASSEMBLY

550 796 74
Ref Part No. Description Standard designation Qty

1 550 794 12 ADAPTER ASSEMBLY SEP. PART LIST 1


2 550 750 63 PLATE 1
3 853 326 09 HEXAGON SOCKET HEAD SCREW M6X75 m8.8 10
4 801 774 59 LOCK NUT M6 10
5 853 239 79 DOUBLE LOCK WASHER M6 10

6 816 705 99 SWIVEL NUT MALE ADAPTER 1/4” 1


7 623 104 80 MUFFLE 4 1
8 813 804 69 PRESSURE GAUGE 0–250 1
9 851 282 09 DOUBLE LOCK WASHER M10 8
10 800 461 79 HEXAGON HEAD SCREW M10x35 m8.8 SFS 2064 2

11 812 622 69 LOCK NUT M10 m8 DIN 980 2


12 517 880 33 PILOT OPERATED CHECK VALVE SEP. PART LIST 1
13 816 722 29 ADAPTER TEE S6X–S10 1
14 806 981 89 ONE–WAY RESTRICTOR 2
15 858 385 89 SWIVEL NUT MALE ADAPTER 3/8” 2

16 265 572 92 PRESSURE ACCUMALATOR SEP. PART LIST 1


17 800 528 59 HEXAGON HEAD BOLT M10x70 – 8.8 2
18 235 887 38 ONE–WAY RESTRICTOR ASSY SEP. PART LIST 1
19 812 622 69 LOCK NUT M10 m8 DIN 980 2

55079674a 2/ 2
ADAPTER ASSEMBLY

550 794 12

Ref Part No. Description Standard designation Qty

1 550 774 53 VALVE ASSEMBLY SEP. PART LIST 1


2 816 701 89 STRAIGHT THREAD ADAPTER 40X–S10–1/4”(9/16–18JIC) 1
3 806 981 89 ONE–WAY RESTRICTOR 1
5 801 031 49 USIT–SEAL U 17,4X24X1,5 4

6 812 604 09 PLUG R3/8 4


7 800 347 99 USIT–SEAL U 21,5X28,7X2,5 D2=23,15 2
8 812 605 29 PLUG 139–8 R1/2” 2
9 817 094 69 STRAIGHT THREAD ADAPTER 1/2 x3/4–16 JIC 2063–8–8 1
10 816 702 09 STRAIGHT THREAD ADAPTER F40X–S10–1/2” 1

11 856 040 09 STRAIGHT THREAD ADAPTER F40X–S10–3/8 15

55079412bE 1/ 1
SPARE PARTS

OTH2   


55077453bD 1/ 2
VALVE ASSEMBLY

550 774 53
Ref Part No. Description Standard designation Qty

1 886 388 29 DIRECTIONAL VALVE SEP.PART LIST 7


2 858 243 69 PILOT CONTROLLED NON–RETURN VALVE SEP.PART LIST 4
3 550 770 03 BASE PLATE 1
4 867 381 99 ONE–WAY RESTRICTOR 3
5 871 298 39 PRESSURE REDUCING VALVE 1

6 550 780 30 SECTION 1


7 550 853 83 DOUBLE OVERCENTER VALVE NG6, 1CE3ON16S5, 160BAR 1
8 871 298 39 PRESSURE REDUCING VALVE 1
10 550 774 28 CHECK VALVE 1
11 871 789 99 COVER PLATE 2

12 550 908 33 HEXAGON SOCKET HEAD BOLT M5x190 – 12.9 4


13 852 264 59 HEXAGON SOCKET HEAD SCREW M5X130m10.9 SFS 2219 8
14 819 258 09 HEXAGON SOCKET HEAD SCREW M5X90 m10.9 DIN 912 8
15 550 908 33 HEXAGON SOCKET HEAD BOLT M5x190 – 12.9 4
16 853 323 29 HEXAGON SOCKET HEAD SCREW M5X30 m12.9 8

17 819 257 89 HEXAGON SOCKET HEAD SCREW M5X50 m10,9 DIN 912 4

PARTS TO BE ORDERED SEPARATELY:

100 871 933 39 OVERCENTER VALVE FOR PART 7 2


101 550 885 94 SECTION FOR PART 7 1
102 871 694 39 SEAL KIT FOR PART 100 1

55077453bD 2/ 2
DIRECTIONAL VALVE

886 388 29













 

Ref Part No. Description Standard designation Qty

1* 886 391 49 SOLENOID FOR PART 1 2


2* 851 651 69 SPRING 6,7/1,1X13,9/5 2
3* 886 390 19 SEAL KIT INCL. PARTS 4, 5 1
6* 887 500 09 NUT INCL. PART 7 2

88638829a 1/ 1
PILOT OPER. NON–RETURN VALVE

858 243 69


 

  





 


Ref Part No. Description Standard designation Qty

1 HOUSING 1
2 PISTON 1
3 INSERT INCL.PARTS 4–11 2
4 COVER 2
5 VALVE SEAT 2

6 CONE 2
7 SPRING RETAINER 2
8 COMPRESSION SPRING 2
9 BACK–UP RING 17,91X1,35 2
10 O–RING 17X1,5 2

11 O–RING 14X1,78 2
12 ROUND–HEAD GROVED PIN 2
13 IDENTIFICATION PLATE 1
14 O–RING 4
882 314 19 SEAL KIT INCL. PARTS 9–11, 14 1

85824369 1/ 1
PILOT CONTROL NON–RETURN VALVE

517 880 33





 









Ref Part No. Description Standard designation Qty

001 500 777 08 SPRING 2


004 048 286 88 PLUG 2
005 049 734 28 VALVE SEAT 2
006 453 787 68 SPINDLE 1
008 517 879 78 BODY 1

010 885 253 29 O–RING 11.3x2.4 1


011 522 067 70 O–RING 17,3X2,4–1 2
012 522 091 30 O–RING 22,2X3–1 2
013 049 735 58 TAPERED PIN 2
022 856 040 09 STRAIGHT THREAD CONNECTOR 9/16–18JIC 4

023 857 302 19 FITTING CAP 9/16–18JIC 4

PARTS TO BE ORDERED SEPARATELY

801 882 630 09 REPAIR KIT 0

51788033cL 1/ 1
PRESSURE ACCUMULATOR

265 572 92

Ref Part No. Description Standard designation Qty

1 085 370 18 CAP 1


2 156 959 48 REDUCING PIECE 1
3 807 590 69 VALVE 1
4 808 010 69 O–RING OR 14,00X1,78 SIMRIT 1
5 850 819 99 CU–GASKET 13/26X1,5 1

6 884 268 69 PRESSURE ACCUMULATOR 0531 602 611 1


7 816 702 09 STRAIGHT THREAD CONNECTOR F40X–S10–1/2”(9/16–18JIC) 1
8 810 468 99 BOLT SFS–ISO 4017 M8X40–8.8 1
9 801 779 99 NUT M8 m8 DIN 985 1
10 265 571 68 PRESSURE ACCUMULATOR SUPPORT 1

26557292A 1/ 1
ONE–WAY RESTRICTOR ASSY

235 887 38

Ref Part No. Description Standard designation Qty

1 806 981 89 ONE–WAY RESTRICTOR 9F–600–S–10 2


2 235 886 08 BRACKET 1
3 817 238 79 BULKHEAD ADAPTER (9/16–18JIC) 2
4 856 040 09 STRAIGHT THREAD CONNECTOR (9/16–18JIC) 2
5 858 385 89 SWIVEL NUT MALE ADAPTER (9/16–18JIC) 2

23588738 1/ 1

You might also like