KEMBAR78
05 Wiring Diagram | PDF | Telecommunications | Components
0% found this document useful (0 votes)
515 views8 pages

05 Wiring Diagram

The document provides wiring diagrams and component information for a TV: - It includes wiring diagrams showing the connections between various boards and components within the TV. - Connectors and their functions are described, connecting items like the main board, power board, and display panel. - Cables and modules used vary depending on the TV size, with part numbers provided for different screen sizes.

Uploaded by

daniel
Copyright
© © All Rights Reserved
We take content rights seriously. If you suspect this is your content, claim it here.
Available Formats
Download as PDF, TXT or read online on Scribd
0% found this document useful (0 votes)
515 views8 pages

05 Wiring Diagram

The document provides wiring diagrams and component information for a TV: - It includes wiring diagrams showing the connections between various boards and components within the TV. - Connectors and their functions are described, connecting items like the main board, power board, and display panel. - Cables and modules used vary depending on the TV size, with part numbers provided for different screen sizes.

Uploaded by

daniel
Copyright
© © All Rights Reserved
We take content rights seriously. If you suspect this is your content, claim it here.
Available Formats
Download as PDF, TXT or read online on Scribd
You are on page 1/ 8

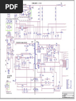
5.

Wiring Diagram

5. Wiring Diagram
5-1. Wiring Diagram

5-1
5. Wiring Diagram

5-2. Connector
„„ Main Board

1 CN1503

2 CN1502 14 CN201

3 CN1501

4 CN601

13 CN1401_FHD
5 CN602

10 CN502
7 CN1402_LAN
6 CN603 12 CN302

8 OP301

11 CN1201
9 CN504_NRS

„„ Main Board Pin Map

1 CN1503(USB2) 4 CN601(to HDMI3)


1 B5V_USB3_PW 3 USB3_DP 1 HDMI1_RX2+ 11 GND
2 USB3_DM 4 GND 2 GND 12 HDMI1_RXCLK-
3 HDMI1_RX2- 13 CEC
2 CN1502(USB2)
4 HDMI1_RX1+ 14 NC
1 B5V_USB2_PW 3 USB2_DP
5 GND 15 HDMI1_SCL_DDC
2 USB2_DM 4 GND
6 HDMI1_RX1- 16 HDMI1_SDA_DDC
3 CN1501(USB1) 7 HDMI1_RX0+ 17 GND
1 B5V_USB1_PW 3 USB1_DP 8 GND 18 HDMI1_5V
2 USB1_DM 4 GND 9 HDMI1_RX0- 19 HDMI1_HOT_PLUG
10 HDMI1_RXCLK+

5-2
5. Wiring Diagram

5 CN602(to HDMI1) 10 CN502(to Component&AV)


1 HDMI2_RX2+ 11 GND 1 GND 9 TEST_PR
2 GND 12 HDMI2_RXCLK- 2 COMP2_Y_CVBS 10 GND
3 HDMI2_RX2- 13 CEC 3 INDENT_VIEDO2 11 COMP_AV_SL_IN
4 HDMI2_RX1+ 14 ARC2_SIGLE 4 GND 12 TEST_SL
5 GND 15 HDMI2_SCL_DDC 5 COMP_PB 13 GND
6 HDMI2_RX1- 16 HDMI2_SDA_DDC 6 IDENT_COMP 14 COMP_AV_SR_IN
7 HDMI2_RX0+ 17 GND 7 GND 15 TEST_SR
8 GND 18 HDMI2_5V 8 COMP_PR
9 HDMI2_RX0- 19 HDMI2_HOT_PLUG
11 CN1201(to Function/IR)
10 HDMI2_RXCLK+
1 IR 14 A5V
6 CN603(to HDMI2) 2 GND 15 LED_STB
1 HDMI3_RX2+ 11 GND 3 GND 16 BT_WAKE
2 GND 12 HDMI3_RXCLK- 4 FRAME_SYNC_IN 17 GND
3 HDMI3_RX2- 13 CEC 5 A3.3V 18 POWER_DET
4 HDMI3_RX1+ 14 NC 6 BT_SYNC 19 NC
5 GND 15 HDMI3_SCL_DDC 7 MSCL 20 BT_RESET
6 HDMI3_RX1- 16 HDMI3_SDA_DDC 8 GND 21 GND
7 HDMI3_RX0+ 17 GND 9 MSDA 22 WIFI_DP
8 GND 18 HDMI3_5V 10 USB_BT_DP 23 WIFI_DM
9 HDMI3_RX0- 19 HDMI3_HOT_PLUG 11 KEY_INPUT1 24 B5V_DC_PW
10 HDMI3_RXCLK+ 12 USB_BT_DM 25 WIFI_WOL
13 KEY_INPUT2 26 WIFI_RESET
7 CN1402_LAN
1 LAN_TXD+ 5 B2.5V 12 CN302(to Speaker)
2 B2.5V 6 LAN_RXD- 1 R+ 3 L+
3 LAN_TXD- 7 NC 2 R- 4 L-
4 LAN_RXD+ 8 GND

8 OP301(to Optical Jack)


1 SPDIF_OUT 3 GND
2 B5V_DC_PW

9 CN504_NRS
1 GND 5 TEST_SR
2 HP_AUD_SL_OUT 6 IDENT_HP
3 HP_AUD_SR_OUT 7 GND
4 TEST_SL

5-3
5. Wiring Diagram

13 CN1401_FHD 14 CN201(to Power board)


1 NC 27 EVEN_TX0- 1 A13V_PW 7 A13V_PW
2 GND 28 GND 2 A13V_PW 8 SW_INVERTER
3 FRC_SDA 29 ODD_TX4+ 3 GND 9 A13V_PW
4 FRC_PWM1 30 ODD_TX4- 4 GND 10 OVD_LEVEL
5 FRC_SCL 31 ODD_TX3+ SMPS_FET_FAIL_
5 A13V_PW 11
DETECT
6 FRC_PWM3 32 ODD_TX3-
6 SW_POWER_OUT 12 ANA_DIMMING
7 FRC_PWM2 33 GND
8 TCON_SDA 34 ODD_TXCLK+
9 PANEL_I2C_EN 35 ODD_TXCLK-
10 BT_SYNC 36 GND
11 UPDATE_CHK 37 ODD_TX2+
12 TCON_SCL 38 ODD_TX2-
13 GND 39 ODD_TX1+
14 EVEN_TX4+ 40 ODD_TX1-
15 EVEN_TX4- 41 ODD_TX0+
16 EVEN_TX3+ 42 ODD_TX0-
17 EVEN_TX3- 43 GND
18 GND 44 GND
19 EVEN_TXCLK- 45 GND
20 EVEN_TXCLK+ 46 FRC_PWM4
21 GND 47 PANEL_13V_PW
22 EVEN_TX2+ 48 PANEL_13V_PW
23 EVEN_TX2- 49 PANEL_13V_PW
24 EVEN_TX1+ 50 PANEL_13V_PW
25 EVEN_TX1- 51 PANEL_13V_PW
26 EVEN_TX0+

5-4
5. Wiring Diagram

„„ SMPS Board

1 CNM803
2 CNL802

AC Line Fuse &


Power Connector

„„ SMPS Board Pin Map

1 CNM803 (P-Dim Control from Main Board) 2 CNL802 (to BLU)


1 A13V 6 PS_ON 1 N.C 9 N.C
2 UD 7 A13V 2 3+ 10 1+
3 A13V 8 GND 3 3- 11 1-
4 PWM_BLU 9 GND 4 N.C 12 N.C
5 A13V 10 GND 5 N.C 13 N.C
6 2+ 14 N.C
7 2- 15 IF2
8 N.C 16 IF1

5-5
5. Wiring Diagram

5-3. Connector Functions


Connector Function

CN201 ↔ CNM803 Supply main power and dimming signal from IP Board to Main Board.

CN1401 ↔ CON3 The LVDS signal transfered from Main Board to Panel .

5-6
5. Wiring Diagram

5-4. Cables and Module


„„ Cables

Function-Main
USE
LEAD CONNECTOR-FUNCTION

32" BN39-02001A

40" BN39-02001E

48" BN39-02001B

50" BN39-02001C
Code
55" BN39-02001D

60" BN39-02001D

65" BN39-02001G

75" BN39-02001H

Photo

5-7
5. Wiring Diagram

„„ The Types of Module

Bluetooth module WiFi module Function module


USE
ASSY BOARD P-BT-MODULE NETWORK-WIFI MODULE ASSY BOARD P-FUNCTION

32" BN96-30218F BN59-01174D BN96-30902C

40" BN96-30218F BN59-01174D BN96-30902Y

48" BN96-30218F BN59-01174D BN96-30902Y

50" BN96-30218F BN59-01174D BN96-30902Y


Code
55" BN96-30218F BN59-01174D BN96-30902C

60" BN96-30218F BN59-01174D BN96-30902D

65" BN96-30218F BN59-01174D BN96-30902E

75" BN96-30218F BN59-01174D BN96-30902E

Photo

5-8

You might also like