KEMBAR78
DK112 DK | PDF | Power Supply | Bipolar Junction Transistor
0% found this document useful (0 votes)
292 views10 pages

DK112 DK

The DK112 is a high performance switch mode power controller designed for low power applications. It has a wide input voltage range of 85V-265V AC and can supply maximum output power of 12W-18W depending on input voltage. It uses a double chip design with BJT and MOSFET for high efficiency. It has overcurrent, overvoltage, overtemperature and other protection features to maintain stability under different conditions.
Copyright
© © All Rights Reserved
We take content rights seriously. If you suspect this is your content, claim it here.
Available Formats
Download as PDF, TXT or read online on Scribd
0% found this document useful (0 votes)
292 views10 pages

DK112 DK

The DK112 is a high performance switch mode power controller designed for low power applications. It has a wide input voltage range of 85V-265V AC and can supply maximum output power of 12W-18W depending on input voltage. It uses a double chip design with BJT and MOSFET for high efficiency. It has overcurrent, overvoltage, overtemperature and other protection features to maintain stability under different conditions.
Copyright
© © All Rights Reserved
We take content rights seriously. If you suspect this is your content, claim it here.
Available Formats
Download as PDF, TXT or read online on Scribd
You are on page 1/ 10

SHENZHEN DONGKE SEMICONDUCTOR CO.

, LTD
HIGH PERFORMANCE SWITCH MODE POWER CONTROLLER -DK112

SPECIFICATION
1. DESCRIPTION
The DK112 is specially design for low power switch mode control, it is widely use in small household
electrical appliances.

2. APPLICATIONS
·Battery charger ·DVD/VCD power supply
·Power AC/DC adapters ·Air conditioner power supply
·STB power supply ·AC/DC LED driver applications
·Electromagnetic oven power supply ·TV/Monitor power supply

3. MAIN FEATURES
· 85V—265V wide range AC power input.
· 65KHz Oscillation Frequency.
· Double chip design with Bipolar Junction Transistor (BJT) to save cost.
· Large scale MOS digital circuit design with E pole BJT driving, so that to enhance its High Voltage
Resistance capability.
· Self-power supply design, no need for additional IC to supply the electricity.
· Internal integrated constant high voltage current driving circuit, no need for additional resistance.
· Over current, Over loading, Over temperature, Over voltage, Output short circuit and photo-coupler
Failure Protection.
· Internal Ramp Compensation circuit to keep the stability of the circuit in low voltage and high power
condition.
· Internal PMW oscillation circuit with Frequency jittering control to keep EMC characteristics.
· Internal Frequency Conversion. Frequency-down in low load condition, comply with the Europe Standard
(stand power<0.3W), also reduce the output voltage ripple.
· Ramp current drive circuit included to reduce IC power loss and raise circuit efficiency.
· 4KV Anti-Static ESD test.

4. POWER RANGE
Input Voltage 85-264V AC 85-145V AC 180-264V AC
MAX. output power 12W 18W 18W

Address: Building 18, Hejing industrial zone, Heping village, Fuyong, Bao’an Area, Shenzhen, China.
Tel: 86-755-29598396 Email: amy@dkpower.cn Website: www.dkpower.cn
SHENZHEN DONGKE SEMICONDUCTOR CO., LTD
HIGH PERFORMANCE SWITCH MODE POWER CONTROLLER -DK112

5. CONNECTION DIAGRAM

PIN FUNCTION
Pin NO. Pin Name Function
Testing pin, suggested to be unloaded.(Prohibited to be connected to
1 Test
other circuits)
2 GND Ground reference
3 Fb Feedback control pin
4 Vcc Power supply of the control circuits
Output pin. Connected with internal high voltage Collector point and
5,6,7,8 Collector
switch mode transformer.

6. BLOCK DIAGRAM

7. ABSOLUTE MAXIMUM RATINGS


Symbol Parameter Value Unit
Vcc Supply voltage -0.3V--9 V
Ivcc Current of supply voltage 100 mA
Vpin Pin voltage -0.3--Vcc+0.3 V

Address: Building 18, Hejing industrial zone, Heping village, Fuyong, Bao’an Area, Shenzhen, China.
Tel: 86-755-29598396 Email: amy@dkpower.cn Website: www.dkpower.cn
SHENZHEN DONGKE SEMICONDUCTOR CO., LTD
HIGH PERFORMANCE SWITCH MODE POWER CONTROLLER -DK112
Vcol Collector to GND voltage -0.3--780 V
Ip Peak current 800 mA
Pd Dissipation power 1000 mW
Tc Case operating temperature 0--125 ℃
Tstg Storage temperature -55--150 ℃
Tsol Soldering temperature +280 ℃/5S

8. ELECTRICAL CHARACTERISTIC
Value
Parameter Condition Unit
Min. Typ. Max.
Vcc (Work Power Supply) AC input: 85V-265V 4 5 6 V
Start threshold Voltage AC input: 85V-265V 4.8 5 5.2 V
Stop threshold Voltage AC input: 85V-265V 3.6 4 4.2 V
Current of Vcc Vcc=5V, Fb=2.2V 20 30 40 mA
Start time AC input: 85V -- -- 500 mS
Collector Protection Voltage L=1.2mH 460 480 500 V
BJT Breakdown voltage Ioc=1mA 700 -- -- V
Switch tube Current Vcc=5V, Fb=1.6V---3.6V 600 650 700 mA
Peak Current Protection Vcc=5V, Fb=1.6V---3.6V 650 720 800 mA
Oscillation Frequency Vcc=5V, Fb=1.6V---3.6V 60 65 70 KHz
Changing PWN switch
Vcc=4.6V, Fb=2.8V---3.6V 0.5 -- 65 KHz
Frequency
Step of jittering frequency Vcc=4.6V, Fb=1.6V---3.6V 0.8 1 1.2 KHz
Temperature protection Vcc=4.6V, Fb=1.6V---3.6V 120 125 130 ℃
Duty cycle of PWM Vcc=4.6V, Fb=1.6V---3.6V 5 -- 50 %
Fb control voltage AC input: 85V-265V 1.6 -- 3.6 V

9. OPERATION PRINCIPLE
9.1 Start Up
When power on, high voltage AC current transferred to pin of COLLECTOR (pin 5,6,7,8) through
switching transformer. Then it is transferred to transistor’s (Q1 in Start up principle diagram) B pole via
internal high voltage constant current driving circuit. The amplified current (about 20 times amplified by
transistor Q1) enters power management circuit, charges the VCC external capacitor C1 via D1, and supply a
spare voltage of 3.6V for Fb (Fb PIN to ground should be connected with a filter capacitor). When VCC
voltage comes up to 5V, oscillator begins to work and controller offers a 25uA ground connecting power for
Fb, the circuit enters into normal working mode.

Address: Building 18, Hejing industrial zone, Heping village, Fuyong, Bao’an Area, Shenzhen, China.
Tel: 86-755-29598396 Email: amy@dkpower.cn Website: www.dkpower.cn
SHENZHEN DONGKE SEMICONDUCTOR CO., LTD
HIGH PERFORMANCE SWITCH MODE POWER CONTROLLER -DK112

Start up principle diagram Start up sequence diagram


9.2 Normal Working
After circuit driving, oscillator begins to work, high level output comes out from Q1 and Q2, high
voltage transistor and power MOS transistor are both connected, so that the switching current is transfer to
the 40Ω current sampling resistor and creates a voltage accordingly. After Ramp Compensation, voltage of
pin Fb added with voltage of the sampling resistor would be compared with basic voltage of 0.6V, if their
total voltage is higher then the basic voltage, both comparator and trigger output low level current, both
high voltage transistor and power MOS transistor cut off, pin COLLECTOR’s voltage increase, circuits
enters flyback mode. Only in the next oscillation cycle, the circuit will reset.
As to avoid its wrong action, leading edge blanking (LEB) circuit would be active and delete the peak
current when the circuit is power on, time is 250mS.

Normal Working Sequence Diagram


At t1, Vcc’s voltage reaches 5V,the circuit starts working,Q2 outputs PWM signal. Between t2 and t3,
Vcc’s voltage is higher then 6V, the circuit stops outputting, Q2 outputs low level current. Between t3 and
t4, Vcc’s voltage comes back to normal, the circuit works normally. Between t4 and t5, Vcc’s voltage is
lower then 4V, the circuit stops outputting, Q2 outputs low level current. At t6, voltage of Fb is lower then
1.6V, open circuit activates a 24mS timer, PMW outputs at highest duty cycle. If until t7, the Fb’s voltage is
still lower then 1.5V, the circuit would restart, Vcc’s voltage increases and reached 5V at t9 and work again.
At t10, Fb’s voltage is lower then 3.6V, the circuit stops outputting again.

Address: Building 18, Hejing industrial zone, Heping village, Fuyong, Bao’an Area, Shenzhen, China.
Tel: 86-755-29598396 Email: amy@dkpower.cn Website: www.dkpower.cn
SHENZHEN DONGKE SEMICONDUCTOR CO., LTD
HIGH PERFORMANCE SWITCH MODE POWER CONTROLLER -DK112
9.3 Control Pin---Fb
Pin Fb should be connected with an external capacitor to smooth its voltage. The external cap
acitor would affect the circuit’s Feedback transient and stability, typical application could be betwe
en 10nF and 100nF. When voltage of Fb is higher then 1.5V and below 2.8V, the circuit would b
e work under 65KHz frequency. When voltage of Fb is higher then 2.8V and below 3.6V, the circ
uit’s working frequency would decrease accordingly. When voltage of Fb is higher then 3.6V, the
circuit stops oscillation. When voltage of Fb is lower then 1.5V, time-delay circuit would be activa
ted, and the circuit would resume working if voltage of Fb comes up to 1.5V during this time, ot
herwise the IC will restart, optocoupler failure protection completes.

Is & Fb sequence diagram Fb & working frequency (PWM) sequence diagram

9.4 Self-Power Supply Circuit (National patent owned)


There is self-power supply circuit inside the IC, which can control the power voltage about 5V for the
electricity consumption of the IC itself. It can only afford the electricity consumption of itself only but can
not afford for the external circuit.

9.5 Leading Edge Blanking (LEB)


As to reduce IC power loss and raise circuit efficiency, Ramp current drive technology is use in the B
pole of high voltage transistor for current supply. When switching current Is is 0, B pole current is about
20mA, and its value increases accordingly to the increasing of switching current. When switching current Is
reaches 300mA, B pole current is 50mA.

Ib & Is sequence diagram

9.6 Frequency Jittering Circuit


By sweeping the switching frequency around its nominal value 65KHz, it spreads the energy content

Address: Building 18, Hejing industrial zone, Heping village, Fuyong, Bao’an Area, Shenzhen, China.
Tel: 86-755-29598396 Email: amy@dkpower.cn Website: www.dkpower.cn
SHENZHEN DONGKE SEMICONDUCTOR CO., LTD
HIGH PERFORMANCE SWITCH MODE POWER CONTROLLER -DK112
on adjacent frequencies rather then keeping it centered in one single ray. This offers the benefit to
artificially reduce the measurement noise on a standard EMI/EMC receiver and pass the tests more easily.

9.7 Over Temperature Protection (OTP)


When the controller detects the device temperature exceeds 125℃, OTP is activated. It stops the
switching operation immediately and enters into the stop status. The controller will restart to switching
operation when the temperature falls to 120℃.

9.8 Over Current Protection (OCP)


Whenever the collector current (Ip) abnormally exceeds the maximum current limit of 720mA, the
controller would stop operation and enters into stop status.

9.9 Abnormal Voltage Protection


Whenever the power voltage (Vcc) abnormally exceeds 6V and drops under 4V, the controller would
stop operation and enters into stop status.

9.10 Over Collector Voltage Protection


Whenever the voltage of the collector pin exceeds the limit, the controller will decrease the power
output to make sure the collector pin coming back to normal. It could reduce the stress of the power
transistor and the protect power transistor from avalanche damage.

Address: Building 18, Hejing industrial zone, Heping village, Fuyong, Bao’an Area, Shenzhen, China.
Tel: 86-755-29598396 Email: amy@dkpower.cn Website: www.dkpower.cn
SHENZHEN DONGKE SEMICONDUCTOR CO., LTD
HIGH PERFORMANCE SWITCH MODE POWER CONTROLLER -DK112

10. IC TESTIING
10.1 High Voltage Resistance Test

10.2 Electrical Test

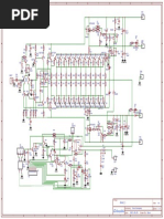
11. TYPICAL APPLICATION SAMPLE I


(12V1A OUTPUT OFF-LINE FLYBACK TYPE SWITCHING POWER SUPPLY)

11.1 Components list

Address: Building 18, Hejing industrial zone, Heping village, Fuyong, Bao’an Area, Shenzhen, China.
Tel: 86-755-29598396 Email: amy@dkpower.cn Website: www.dkpower.cn
SHENZHEN DONGKE SEMICONDUCTOR CO., LTD
HIGH PERFORMANCE SWITCH MODE POWER CONTROLLER -DK112
NO. NAME SPEC. / MODEL NO. POSITION USED QTY REMARK
1 Fuse F2A/AC250V F1 1
2 X capacitor 104/AC275V C1 1
3 Diode IN4007 D1~D4 4
4 Diode HER107 D5 1
5 Diode SR2100 D6 1
6 Zener Diode 11V/0.5W ZD1 1
7 Electrolytic capacitor 33UF/400V C2 1
8 Electrolytic capacitor 22UF/16V C4 1
9 Electrolytic capacitor 1000UF/25V C6 1
10 Ceramic capacitor 103/250V C3 1
11 Ceramic capacitor 103/25V C5 1
12 IC DK112 IC1 1
13 IC PC817 IC2 1
14 Resistance 100K/0.25W R1 1
15 Resistance 3K/0.25W R2 1
16 Resistance 470R/0.25W R3 1
17 Transformer EE25 T1 1

11.2 TRANSFORMER DESIGN (For reference only)


11.2.1 Parameter confirmation: confirm the below parameter before transformer design
(1) Input voltage range (for example :AC85V-265V)
(2) Output Voltage and current (for example DC12V 1A)
(3) Switching frequency (for example F=65KHz)
(4) MAX. duty cycle (for example D=0.5)
11.2.2 Core selecting
(1) Input power calculation
P=Pout/η (η is the efficiency of the power supply, take it 0.8 for example),
Pout=Vout*lout=12V*1A=12W, P=12/0.8=15W.
(2) Choose the core:
Checking via supplier or the correlative chart can know that EE20 or EE25 core is suitable for 15W
power supply. Now we choose EE25 for below calculation.
11.2.3 Input voltage setting
Input voltage is AC85V-265V, as to get the MAX. power value according to the lowest voltage and
take the voltage loss(from wires and rectification) into consideration, Vs=85*1.3=110V.
11.2.4 Conduction time Ton=1/F*D=1/65*0.5=7.7μS
11.2.5 Number of the original(input) turns (Np)

PS: ΔBac---Alternating working magnetic flux density (mT), set to be 0.2


Ae--------Core effective area (m m²), EE25’s Ae is 50 m m²
11.2.6 Number of the output turns (Ns)

Address: Building 18, Hejing industrial zone, Heping village, Fuyong, Bao’an Area, Shenzhen, China.
Tel: 86-755-29598396 Email: amy@dkpower.cn Website: www.dkpower.cn
SHENZHEN DONGKE SEMICONDUCTOR CO., LTD
HIGH PERFORMANCE SWITCH MODE POWER CONTROLLER -DK112

PS: Vout----Output voltage=12V+1V=13V, take the voltage loss (from wires and rectification) into
consideration.
Vor-----Flyback voltage=100V, set it lower then 150W for the safety of IC.
11.2.7 Input inductance value (Lp)

PS: Ip----Input peak current (it is set to be 720mA in the IC)


11.2.8 Verification of the design
Because the saturation magnetization of Ferrite material is about 0.4T, the designed Magnetic flux
density in transformer should be no more then 0.4T. However, Single-ended Flyback circuits works
in the first quadrant of B-H, and residual magnetism of the core is about 0.1T, so the maximum
working magnetic flux density should be 0.4-0.1=0.3T.

Bmax<0.3, so the design is workable.


11.2.9 Leakage inductance of a transformer
It is suggested to use P/S/P way to wind the transformer so that to reduce the leakage inductance.

12. TYPICAL APPLICATION SAMPLE II


(NON OFF-LINE SWITCHING POWER SUPPLY)

Components list
NO. NAME SPEC. / MODEL NO. POSITION USED QTY REMARK
1 Fuse F2A/AC250V F1 1
2 X capacitor 104/AC275V C1 1
3 Diode IN4007 D1~D4 4
4 Diode HER107 D5,D6 2
5 Zener Diode 16V/0.5W ZD1 1
6 Electrolytic capacitor 22UF/400V C2 1
7 Electrolytic capacitor 22UF/16V C4 1
8 Electrolytic capacitor 220UF/25V C5 1
9 Ceramic capacitor 103/25V C3 1
10 IC AM-22A IC1 1

Address: Building 18, Hejing industrial zone, Heping village, Fuyong, Bao’an Area, Shenzhen, China.
Tel: 86-755-29598396 Email: amy@dkpower.cn Website: www.dkpower.cn
SHENZHEN DONGKE SEMICONDUCTOR CO., LTD
HIGH PERFORMANCE SWITCH MODE POWER CONTROLLER -DK112
11 Resistance 4.7K/0.25W R1 1
12 Inductor 1.5mH L1 1

13. SPECIAL NOTICE FOR PBC LAYOUT DESIGN


13.1 Heat dissipation: A good estimate is that the controller will dissipate the output power. So enough
cooper area connected to the 5, 6, 7, 8 COLLECTED pins and tin-plating are necessary to provide the
controller heat sink.
13.2 The 5, 6, 7, 8 COLLECTED pins is high voltage part of the IC, peak voltage is as high as 600V, so it
should be at least 1.5mm far away from the low voltage part in the PCB as to avoid circuit breakdown and
discharging.
13.3 Pin No.1 is for testing only. It is prohibited to be connected with other circuits when in use.

14. MECHANICAL AND PACKING INFORMATION

· Anti-static tube packing

CODE Min.(mm) Typ.(mm) Max.(mm)


A 11 11.5 12
B 11.5 12 12.5
C 10 10.5 11
D 0.4 0.5 0.6
E 3.5 4 4.5
F 5 5.5 6
· Packing quantity
QTY/tube QTY/inner carton QTY/master carton
50 2000 20000

Address: Building 18, Hejing industrial zone, Heping village, Fuyong, Bao’an Area, Shenzhen, China.
Tel: 86-755-29598396 Email: amy@dkpower.cn Website: www.dkpower.cn

You might also like